Проектирование усилителя низкой частоты (работа 1)
Содержание
Введение
1. Обоснование схемы выходного каскада усилителя
2. Расчет параметров выходного каскада
2.1 Расчет режима цепи по постоянному и переменному току
2.2 Расчет элементов цепи смещения
2.3 Расчет входной цепи каскада
2.4 Расчет КПД каскада для максимального входного сигнала
3. Расчет фазоинверсного каскада
3.1 Выбор транзистора
3.2 Расчет режима работы
3.3 Расчет параметров цепи стабилизации режима и цепи смещения
3.4 Расчет входной цепи каскада
4. Расчет входного каскада
Список литературы
Введение
Основной целью курсового проекта является овладение методикой и навыками инженерного расчета усилителей переменного тока. Усилитель проектируется как функционально и конструктивно законченное устройство. Число питающих напряжений должно быть минимально.
Усилитель включает в себя следующие составные блоки:
- входной каскад;
- каскад предварительного усиления (один или несколько);
- фазоинверсный каскад;
- цепь обратной связи;
- цепь питания;
- источник сигнала.

Рисунок 1 (Структурная схема усилителя)
ВХ – входной каскад;
ПУ – каскад предварительного усиления;
ФИК – фазоинверсный каскад;
ВЫХ – выходной каскад.
1 Обоснование схемы выходного каскада усилителя
В этом пункте определяется тип используемого каскада – трансформаторный или бестрансформаторный. Для этого проводится ряд расчетов.
Амплитудное значение коллекторного напряжения транзистора:

Амплитудное значение коллекторного тока транзистора:

Выбираем по
току транзистор
.
Нам подходит транзистор КТ819.
Определяется необходимое напряжение источника питания:
,
Где rнас – внутреннее сопротивление транзистора в режиме насыщения.
rнас - находим по выходным характеристикам транзистора КТ819 (приложение 1). В нашем случае для транзистора КТ819

Тогда:

Поскольку Еп не попадает в диапазон 12 – 15В, то будем использовать трансформаторный каскад с напряжением источника питания Еп=12В.
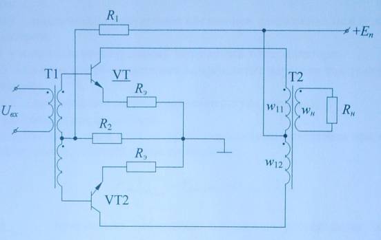
2 Расчет параметров выходного каскада

Рисунок 2.1 – Трансформаторный выходной каскад.
Мощность, выделяемая каскадом в нагрузке:

Поскольку мощность, выделяемая каскадом в нагрузку, составляет
Рн = 18Вт, то
КПД выходного трансформатора составит
.
Мощность, отдаваемая транзисторами в нагрузку:

где ηтр-КПД выходного трансформатора.
Ориентировочная мощность, рассеиваемая на коллекторе транзистора:

По следующим неравенствам проверяем выбранные транзисторы VT1(VT2):

По справочнику [3] выбран транзистор КТ819В в корпусе ТО-220 со следующими параметрами:
Pкдоп25oС = 60 Вт – максимально допустимая рассеиваемая мощность на коллекторе;
Uкдоп = 70В – максимально допустимое постоянное напряжение между коллектором и эммитером;
Iкдоп = 10A – максимально допустимый ток коллектора.
Проверим выбранный транзистор на мощностные показатели при наибольшей температуре окружающей среды по формуле:

где
- номинально допустимая постоянная
рассеиваемая мощность коллектора при
максимальной температуре коллекторного
перехода;

где tв – верхнее значение диапазона рабочих температур.

Поскольку Pкдоп > Рк1, то выбранные транзисторы подходят для выходного каскада.
2.1 Расчет режима цепи по постоянному и переменному току
Амплитудное значение переменной составляющей коллекторного напряжения:

Коэффициент трансформации выходного трансформатора:

Амплитуда переменной составляющей тока коллектора:

Величина тока коллектора в режиме покоя:

где k = (0,5÷2)∙103 – коэффициент, определяющий термоустойчивость транзистора в рабочей точке.
Должно выполняться условие:

где (1,15÷1,2) – коэффициент запаса по току.
Видим, что 10А ≥ 1,2∙(0,5 + 3,96) = 5,3 А – это значит, что транзисторы выбраны правильно.
Максимальная суммарная колебательная мощность, выделяемая в эмиттерной и коллекторной цепях:

где k4 = (0,03÷0,1) – коэффициент, задающий соотношение мощностей, выделяемых в эмиттерной и коллекторной цепях.
Эквивалентное сопротивление, характеризующее суммарную нагрузку для переменных составляющих токов в коллекторной и эмиттерной цепях:

Сопротивление в коллекторной и эмиттерной цепях:

где

- коэффициент передачи тока эмиттера для выбранного транзистора

Принимаем Rэ = 0,2 Ом.
Активное сопротивление половины первичной обмотки выходного трансформатора:

Напряжение коллектор-эмиттер в режиме покоя:
U0к = Uкm + Iкm ∙ rнас = 10,8 + 3,96 ∙ 0,214 = 11,7(В).
Для надежной работы транзистора необходимо, чтобы:
U0к ≤ 0,45Uкдоп, то есть 11,7 В ≤ 0,45 ∙ 70 = 28 В. Значит, транзистор выбран правильно.
Для определения коэффициента температурной нестабильности каскада SBK по рассчитанным значениям I0к, U0к, Iкm и Uкm строится нагрузочная характеристика по переменному току (Приложение).
Для нахождения точки Б необходимо к напряжению U0к добавить напряжение I0к(r1n + α-1∙Rэ). Через точку А0 и Б проводится нагрузочная характеристика по постоянному току. В результате параллельного смещения нагрузочной характеристики по переменному току вверх по нагрузочной характеристике для постоянного тока определяется значение приращения тока коллектора транзистора ∆IкТ, которое можно допустить при его нагреве ∆IкТ ≈2,3А.
Допустимая нестабильность каскада, обусловленная изменением I0к от температуры:

где ∆IT = Iк0 t – I к 0 25°С – приращение обратного тока коллектора;
Iк0 t = I к 0 25° · eγ1∆tn,
где γ1 = 0,11град-1 – температурный коэффициент обратного коллекторного тока для кремниевых транзисторов;
∆tn = tmax – 20 = 80 – 25 = 50(°C)
– температура перегрева коллекторного перехода.
Iк0t = 0,001 · e0,11· 50 ≈ 0,245(A);
∆IT = 0,245 – 0,001 = 0,244(A);

2.2 Расчет элементов цепи смещения
Путем переноса точек А0 и А1, с выходной характеристики на входную, снятую при |Uкэ| > 0 (приложение), определяются следующие параметры:
U0б = 0,64 В – напряжение на базе транзистора в режиме покоя;
Uбm = 0,18 В – амплитуда переменной составляющей базового напряжения;
Uбmax = 0,82 В – максимальное напряжение на базе;
I0б = 10 мА – ток покоя базы;
Iбm = 172 мА – амплитуда переменной составляющей базового тока;
Iбmax = 182 мА – максимальное значение тока базы.
Напряжение в средней точке базового делителя в режиме покоя:

Постоянная составляющая точка через резистор R2:
Iдел = (0,5÷2,0)Iбm = 2∙172∙10-3 ≈ 344(мА).
Сопротивления R2 и R1 в цепи делителя:

Принимаем R1 = 2 Ом; R2 = 30 Ом.
Сопротивление в базовой цепи каскада

Фактический коэффициент нестабильности каскада:

где

Выходной каскад термоустойчив, если выполняется система неравенств:

Меньшее
значение
может
привести к низкоомным сопротивлениям
базовых цепей транзисторов и соответственно,
снижению коэффициента усиления каскада.
Поэтому первоначально целесообразно
принять среднее значение
.
2.3 Расчет входной цепи каскада
Амплитудное значение входного напряжения:


Выходное сопротивление каскада:

где

– выходное сопротивление транзистора.2.3.3
Выходная мощность каскада:

Коэффициент усиления каскада по напряжению:

2.4 Расчет КПД каскада для максимального входного сигнала
Среднее значение тока, потребляемого одним транзистором:

Мощность, потребляемая коллекторной цепью двух транзисторов:
P0к = 2EnI0=2·12∙1,92 = 46,31(Вт).
Мощность, потребляемая цепью смещения:
P0см = Еn ∙ Iдел = 12 ∙ 0,34 = 4,12 (Вт).
КПД каскада:

3. Расчет фазоинверсного каскада

Рисунок 3.1 – фазоинверсный каскад.
Исходными
величинами для расчета каскада являются
сопротивление нагрузки
и максимальная амплитуда напряжения
на нагрузке. Этими значениями для
фазоинверсного каскада являются
параметры входной цепи выходного каскада
и
.
3.1 Выбор транзистора
Выбор транзистора производится по соотношению

где

- мощность, отдаваемая транзистором в нагрузку, то есть входную цепь выходного каскада;
- мощность на входе выходного каскада;
-
КПД трансформатора фазоинверсного
каскада.
По справочнику [2] выбран транзистор КТ503Д со следуйщими параметрами:
Pкдоп25°С = 500мВт – максимально допустимая постоянная рассеиваемая мощность на коллекторе;
Uкдоп = 60В – максимально допустимое напряжение между коллектором и эмиттером;
Iкдоп = 300мА – максимально допустимый постоянный ток коллектора;
H31эmin = 40 – минимальный статический коэффициент передачи тока в схеме с общим эмиттером;
Iк025°С = 1мкА = обратный ток коллектора.
Выбираем напряжение источника питания которое равно Eп = 12В.
3.2 Расчет режима работы
Амплитудное значение переменной составляющей коллекторного напряжения:
=
Eп – Uкэmin - ∆Uкэ – Uэ = 12 – 1 – 0,42 – 2,4 =
8,18(В),
где Uкэmin = (0,5÷ 1)В = 1В;
Uэ ≈ (0,1÷ 0,3) Eп = 0,2Eк = 0,2 ∙ 12 = 2,4(В);
∆Uкэ ≈ (0,15 ÷ 0,2)Uэ = 0,175 ∙ 2,4 = 0,42(В).
Напряжение коллектор – эмиттер в режиме покоя:

Эквивалентное сопротивление коллекторной нагрузки:

Амплитуда переменной составляющей тока коллектора:
.
Ток покоя коллектора:
,
где Iкmin ≈ (0,5 ÷ 1)мА = 1мА;
;
Тогда:


Максимальная мощность, рассеиваемая на коллекторе транзистора:

3.3 Расчет параметров цепи стабилизации режима и цепи смещения
Коэффициент передачи тока эмиттера:

Сопротивление эмиттерной цепи:

Принимаем Rэ = 82 Ом
Сопротивления Rб1 и Rб2 в цепи делителя:

ПринимаемRб1=3000Ом

Принимаем Rб2 = 750 Ом
где SФИК = (5÷10) – коэффициент нестабильности фазоинверсного каскада.
3.4 Расчет входной цепи каскада
Входное сопротивление транзистора в схеме с общим эмиттером:

где rб = (100÷200)Ом – сопротивление базового слоя;

где φТ = 25,6 мВ для tв = 20°C;
m = 2 для кремниевых транзисторов.
Для уменьшения влияния разброса параметров транзистора на коэффициент усиления в эмиттерную цепь вводят сопротивление Rэ1, не блокируемое конденсатором. Это сопротивление обычно принимают в пределах Rэ1=(1÷5)rэ. Это сопротивление мы учитывать не будем.
Тогда: rв = 100Ом


Амплитудное значение входного напряжения:

где

- входное сопротивление каскада;

Тогда:

Входная мощность каскада:

Амплитудное значение входного тока:

Коэффициент усиления каскада по напряжению:

4 Расчет входного каскада
Выбираем транзистор КТ3102Е со следующими параметрами:
Uкэдоп = 50 В Tkдоп = 85°С
Pkдоп = 0,25 Вт Ik0 = 10 мА
H31э = 400 Uкэнас = 0,7 В
Ток покоя эмиттера находим по графику зависимости H31э = ƒ(Iэ) из справочника [3]:
I0э = 12 мА.
Напряжение каскада берем равным Eк = 0,9 Еn = 0,9∙12 = 10,8 В из-за дополнительного падения напряжения на низкочастотном развязывающем фильтре.
Ток покоя базы:

Постоянная составляющая тока делителя:

Сопротивление эмиттерной цепи:

Входное сопротивление транзистора в схеме с общим эмиттером:

где

- сопротивление базового слоя;
где Uбэ = 0,619 В находим по входным характеристикам при I0б = 0,2 мА и
Uкэ = 5 В из справочника [3].
Тогда:
(Oм).
Напряжение в средней точке базового делителя в режиме покоя:
U0д = URэ + Uбэ = 0,3∙10,8 + 0,619 = 3,86 (В).
Сопротивления резисторов R1 и R2 делителя:

Принимаем R1 = 26 кОм; R2 = 39 кОм.
Входное сопротивление каскада с общим эмиттером:
.
Поскольку входное сопротивление каскада с общим эмиттером меньше внутреннего сопротивления источника сигнала, то входном каскаде будет использована схема с общим коллектором.
Ток покоя базы:

Постоянная составляющая тока делителя:

Входное сопротивление транзистора в схеме с общим эмиттером:

где

где Uбэ = 0,619 В находим по входным характеристикам при I0б = 0,2 мА и
Uкэ = 5 В из справочника [3].
Тогда:

Напряжение в средней точке базового делителя в режиме покоя:
U0д = URэ + Uбэ = 0,3·10,8 + 0,619 = 3,86 (В).
Сопротивления резисторов R1 и R2 делителя:

Принимаем R1 = 26 кОм; R2 = 39 кОм.
Входное сопротивление каскада с общим коллектором:

Так как входное сопротивление каскада с общим коллектором больше сопротивления генератора, то схема с общим коллектором является подходящей для ее использования во входном каскаде усиления.
Расчет коэффициента усиления по напряжению для входного каскада производится по формуле:

Список литературы
Методические указания к выполнению курсового проекта по курсу “Аналоговая схемотехника ” по теме “Проектирование усилителя низкой частоты”.
Забродин Ю. С. Промышленная электроника 1982г.
Полупроводниковые приборы : транзисторы. Справочник: под редакцией Н. Н. Горюнова. – М. Енергоатомиздат. 1983- 904с.
Хоровиц П., Хилл У. Искусство схемотехники, М. Мир, 1983
Резисторы: Справочник. Под общей редакцией И. И. Четверткова.
Малахов В. П. Схемотехника аналоговых устройств О., Астро-Принт 2000г.