Разработка робототехнического комплекса токарной обработки
Тольяттинский государственный университет
Машиностроительный факультет
Кафедра «Технология машиностроения»
Курсовая работа
по автоматизации
На тему: «Разработка робототехнического комплекса токарной обработки»
Студент: Храмов Д.С.
Группа: ТМ-502
Преподаватель: Бойченко О.В.
Тольятти 2006 г.
Содержание
Введение
1. Выбор заготовок
2. Разработка технологического процесса обработки деталей
3. Разработка теоретических схем базирования крепления заготовок на станке, в захватном устройстве и на транспортере-накопителе
4. Разработка наладок при обработке заготовок на токарном оборудовании
5. Расчет и проектирование транспортера-накопителя и разработка наладок размещения на нем заготовок
6. Выбор промышленного робота для использования в РТК токарной обработки
7. Расчет захватного устройства и разработка конструкции его размещения на руке промышленного робота
8. Компонование средств автоматизации загрузки и транспортной системы совместно с используемым токарным оборудованием
9. Разработка циклограмм работы оборудования, входящего в РТК
Заключение
Список литературы
Введение
Около 80% продукции машиностроения выпускается в условиях единичного и серийного производства, производительность которых уступает массовому. Кроме того, основная задача современного производства в машиностроении – повышение эффективности механообрабатывающих производств на предприятии с широкой и постоянно обновляемой номенклатурой выпускаемой продукции. Для достижения этих целей требуется создание производственных систем механообработки повышенной гибкости с высокими технологическими показателями работы.
Цель данной курсовой работы – решение инженерных задач по изучению и разработке средств автоматизации машиностроения; углубление и закрепления полученных знаний при изучении промышленных роботов и робототехнических комплексов.
1. Выбор заготовок
Выбор метода получения заготовки.
1.1.1 Заготовку детали 1 «упор» 938.01.03.028 можно получить штамповкой или из проката. Эффективнее и экономически выгоднее будет принять заготовку из проката – круг ГОСТ 2590-71/45-б-2 ГОСТ 1050-74. На рис. 1.1 показана конструкции заготовки.

рис. 1.1 Заготовка детали «упор»
1.1.2 Заготовку детали 2 «хвостовик» 766.36.70.15 можно получить штамповкой или из проката. Эффективнее и экономически выгоднее будет принять заготовку из проката – круг ГОСТ 2590-71/В Ст3 по 5 I ГОСТ 535-71. На рис. 1.2 показана конструкция заготовки.

рис. 1.2 Заготовка детали «хвостовик»
1.1.3 Заготовку детали 3 «бобышка» 766.12.42.02 можно получить штамповкой или из проката. Эффективнее и экономически выгоднее будет принять заготовку из проката – круг В60 ГОСТ 2590-71/В Ст3 по 5 I ГОСТ 535-71. На рис. 1.3 показана конструкция заготовки.

рис. 1.3 Заготовка детали «хвостовик»
2. Разработка технологического процесса обработки деталей
Классификация поверхностей деталей.
Упор Таблица 2.1
-
№
Вид поверхности
№ поверхности
1
ОКБ
1
2
ВКБ
9
3
ИП
2, 8,
4
С
3, 4, 5, 6, 7
Хвостовик Таблица 2.2
-
№
Вид поверхности
№ поверхности
1
ОКБ
1
2
ВКБ
7
3
ИП
3, 6
4
С
2, 4, 5
Бобышка Таблица 2.3
-
№
Вид поверхности
№ поверхности
1
ОКБ
1
2
ВКБ
4
3
ИП
3
4
С
2, 5, 6,
Требования к обрабатываемым поверхностям. Таблица 2.4
|
Упор |
№ поверхности |
IT |
Rz |
|
1 |
14 |
20 |
|
|
2 |
14 |
20 |
|
|
3 |
14 |
40 |
|
|
4 |
14 |
80 |
|
|
5 |
14 |
40 |
|
|
6 |
14 |
40 |
|
|
7 |
14 |
40 |
|
|
8 |
11 |
20 |
|
|
9 |
14 |
40 |
|
|
Хвостовик |
1 |
14 |
80 |
|
2 |
14 |
40 |
|
|
3 |
12 |
40 |
|
|
4 |
14 |
40 |
|
|
5 |
14 |
40 |
|
|
6 |
8 |
10 |
|
|
7 |
14 |
80 |
|
|
Бобышка |
1 |
14 |
80 |
|
2 |
14 |
40 |
|
|
3 |
12 |
40 |
|
|
4 |
14 |
80 |
|
|
5 |
14 |
80 |
|
|
6 |
14 |
80 |
Технологический процесс токарной обработки деталей. Таблица 2.5
|
№ дет. |
Оборудование или исполнительные узлы |
Операция |
Переход |
Установ. |
№ пов. |
|
1 |
Полуавтомат токарный патронно-центровой с ЧПУ модели TZC32N1 Патрон РИКХ-315 |
Токарная 015 |
Точить Ø60 до Ø44 на длину 34мм за 6 проходов, подрезать торец на Ø60 в размер 34мм. |
1 установ |
2, 3 |
|
Точить Ø60 до Ø40 за 8 проходов на длине 34мм; точить конус под углом 15º на длине 26мм; подрезать торец Ø60 в размер 34мм. |
2 установ |
4, 5, 6, 7, 9 |
|||
|
|
Точить Ø55 до Ø42 на длину 124мм за 4 прохода, точить канавку Ø39,8, точить фаску на Ø55 шириной 15мм. |
1 установ |
4, 5, 6 |
||
|
Точить фаску 45º на Ø50; точить Ø55 до 50 на длине 71мм за 2 прохода. |
2 установ |
2, 3 |
|||
|
3 |
Точить фаску 45º на Ø60; |
1 установ |
7 |
||
|
Точить Ø60 до Ø50 за 3 прохода на длине 60мм; подрезать торец Ø60 в размер 60мм. Точить фаску 45º на Ø50; |
2 установ |
2, 3, 4 |
Маршрут обработки деталей.
Упор Таблица 2.6
|
№ операции |
Наименование операции |
Оборудование |
|
005 |
Заготовительная |
Отрезной станок |
|
010 |
Центровально-подрезная |
Центровально-подрезной станок |
|
015 |
Токарная |
Токарный полуавтомат |
|
020 |
Фрезерная |
Горизонтально-фрезерный станок |
|
025 |
Сверлильная |
Сверлильный станок |
Хвостовик Таблица 2.7
|
№ операции |
Наименование операции |
Оборудование |
|
005 |
Заготовительная |
Отрезной станок |
|
010 |
Центровально-подрезная |
Центровально-подрезной станок |
|
015 |
Токарная |
Токарный полуавтомат |
Бобышка Таблица 2.8
|
№ операции |
Наименование операции |
Оборудование |
|
005 |
Заготовительная |
Отрезной станок |
|
010 |
Центровально-подрезная |
Центровально-подрезной станок |
|
015 |
Токарная |
Токарный полуавтомат |
3. Разработка теоретических схем базирования крепления заготовок на станке, в захватном устройстве и на транспортере накопителе
Разработаем теоретические схемы базирования, крепления заготовок на токарном стане с ЧТУ, в захватном устройстве при транспортировке и загрузке, на приспособлениях транспортера-накопителя деталей.
4. Разработка наладок при обработке заготовок на токарном оборудовании
При разработки наладки на токарном оборудовании необходимо точно определиться с выбором станка и приспособления на основании выше изложенного получим:
По [3,стр.12] выбираем модель токарного станка с учетом конструктивных параметров и технических требований обрабатываемых деталей.
Принимаем станок-полуавтомат с оперативной системой управления – TZC32N1.
Так же производим выбор токарного трехкулачкового механизированного патрона с учетом:
- модели станка с ЧПУ: TZC32N1;
- конструктивных
параметров обрабатываемых деталей и
их заготовок (
);
По [3, с.15] выбираем патрон: РИКХ-315.
Данный патрон обеспечивает самоустановку кулачков по заготовке при ее обработке в центрах, а также центрирование заготовки при обработке в патроне. Патрон оснащен плавающим центром. Зажим и разжим детали в патроне производится от гидравлического привода, установленного на заднем конце шпинделя станка. При обработке в центрах производится дополнительный поджим центром задней бабки, действующей также от гидропривода.
Чертеж наладки представлен на листе А2.
5. Расчет и проектирование транспортера-накопителя и разработка наладок размещения на нем заготовок
На основе конструктивных параметров обрабатываемых деталей, технологического процесса их обработки и выбранного станка с ЧПУ выбираем модель и типа размер тактового транспортера-накопителя.
Тактовый транспортер-накопитель предназначен для хранения запасов заготовок и подачи их в зону захвата загрузочным устройством. На транспортере-накопителе расположены перемещаемые пластины-тележки для размещения заготовок и обработанных деталей в приспособлениях.
Так как самая тяжелая заготовка имеет массу 3,3 кг, выбираем модель тактового транспортера-накопителя СТ 150.
Основные характеристики тактового транспортера-накопителя СТ 150:
габаритные размеры транспортера L*B*H: 2250*650*800 мм;
грузоподъемность одной пластины: 10 кг;
размеры пластин А*Б: 150*225 мм;
размеры пластин l*b: 150*150 мм.
- число пластин 24
Во время смены детали на транспортере-накопителе пластины неподвижны и точность позиционирования определена точностью шагового перемещения пластины.
Разработаем базирующие и установочные регулируемые и нерегулируемые элементы на пластине для размещения и базирования заготовок и деталей. Базирующие и установочные элементы являются элементами установочного приспособления и крепятся на пластине. Базирующие и установочные элементы должны обеспечивать размещение на них обработанных деталей и их заготовок с возможностью предварительной регулировки и переналадки.
Чертеж транспортера накопителя представлен на листе А1.
6. Выбор промышленного робота для использования в РТК токарной обработки
Автоматизация загрузки и смены обрабатываемых деталей осуществляется с помощью промышленного робота модели «Универсал-60.01».
Основное назначение – для разгрузки-загрузки основного и вспомогательного технологического оборудования.
Технические характеристики промышленного робота:
Номинальная грузоподъемность, кг 60
Число степеней подвижности 6
Число рук/захватов на руку 1/1
Тип привода Электрогидравлический
Устройство управления Позиционное ПУР-2М
Число программируемых координат 6
Средство программирования перемещений Обучение
Погрешность позиционирования, мм ±3
Максимальный радиус обслуживания R, мм 2044
Масса, кг 2340
Линейное перемещение, мм
х (со скоростью 0,4 м/с) 1000
у (со скоростью 0,08 м/с) 400
Угловые перемещения, º:
φ (со скоростью 45º/с) 340
θ (со скоростью 10º/с) 40
α (со скоростью 90º/с) 360
β (со скоростью 70º/с) 190
Страна изготовитель СССР
7. Расчет захватного устройства и разработка конструкции его размещения на руке промышленного робота
Расчет реакции в губках
Расчет производится для самой тяжелой детали, т.е. для «Хвостовика» (766.36.70.15). Диапазон размеров деталей (заготовок) захватываемых губками: d=40…60 мм. Определяем точки приложения реакций в губках для детали.
Масса заготовки: m=3.3 кг; вес заготовки:
P=m*g,
где g -
ускорение свободного падения, м/
Тогда: Р=3,3*9,8=32,3Н
Расчетная нагрузка с учетом коэффициента запаса k=3:
Q=k*P=3*32,3=96,9Н
Реакции в губках:

где l=80мм – расстояние между губками; с=40 мм – расстояние до центра масс детали.
Подставляем значения, получаем:

Определение сил воздействия губок на деталь.
Составляем схемы сил рис. 4.1, действующих на деталь, и определяем силы зажима:

где
- реакция на губках захватного устройства,
- коэффициент трения.
Подставляем значения, получаем:
На первой паре губок:

На второй паре губок:


рис. 4.1 Действие сил
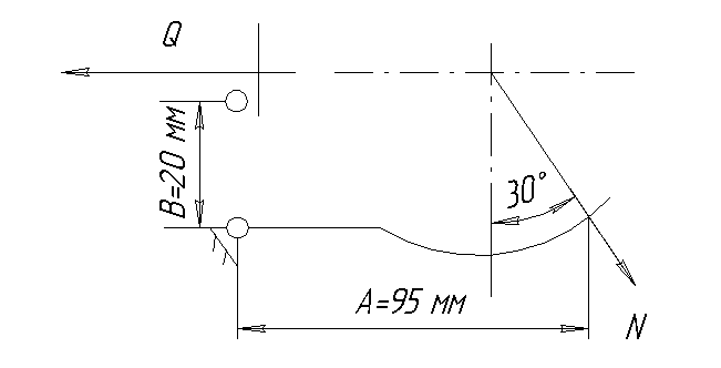
Определение конструктивных параметров привода и захватного устройства в целом
Рассчитаем усилие, которое должен развивать силовой привод для надежного закрепления детали, согласно схемы изображенной на рис. 4.2

рис. 4.2 Кинематическая схема зажимного устройства
Вычислим требуемое усилие по формуле:

где n – число пар губок в захватном устройстве n=2;
N – наибольшая
нормальная сила необходимая для удержания
заготовки N=
А и В – плечи захватного механизма А=95 мм, В=20 мм.

В качестве привода принимаем пневмоцилиндр одностороннего действия с рабочим давлением р=0,4 МПа.
Диаметр поршня цилиндра:

где
- давление сжатого воздуха, МПа.
Тогда:

Принимаем стандартное значение (с запасом): D=35 мм.
Компонуем захватное устройство и пневмоцилиндр, конструктивно определяем ход поршня и другие параметры.
Диаметр штока принимаем конструктивно D=15 мм.
Чертеж захватного устройства представлен на листе А1.
8. Компонование средств автоматизации загрузки и транспортной системы совместно с используемым токарным оборудованием
На основании предыдущих расчетов подготавливаем общий вид РТК. Для этого определяем взаимно-координатное расположение средств автоматизации загрузки в робототехническом комплексе.
Разрабатываются схемы компоновки в 2-х видах (сверху и сбоку), где показывается траектория движения захватного устройства относительно исходного положения. В исходном положении показываются опорные точки станка, промышленного робота, транспортера-накопителя и захватного устройства. Так как применяется один и тот же РТК, то разрабатываем одну схему, например для детали «хвостовик» (766.36.70.15).
На схеме принимаем следующие обозначения:
Ост – ноль станка;
Опр – ноль промышленного робота;
Озу – ноль захватного устройства.
Отр – ноль транспортера-накопителя;
Чертеж схемы движения захватного устройства представлена на листе А2.
9. Разработка циклограммы работы оборудования, входящего в РТК
Разрабатываем циклограмму последовательности выполнения перемещений захватным устройством в процессе загрузки, разгрузки и транспортирования деталей в аналитическом виде.
Для этого задаем начальное положение механизмов:
деталь обработана, но не снята.
Для описания формулы циклограммы принимаем следующие обозначения интервалов затрат времени на выполнение движения узлами РТК:
-
поворот руки промышленного робота ПР
с захватным устройством ЗУ на угол
вниз
-
выдвижение руки с ЗУ вперед;
-
захват детали ЗУ;
-
разжим кулачков патрона;
-
отвод заднего центра;
-
ПР перемещается вправо (вынимается
деталь из патрона);
- рука ПР с ЗУ поднимается на угол
вверх;
- поворот руки ПР с ЗУ в горизонтальной
плоскости на угол 90º вправо;
- рука ПР с ЗУ опускается на угол
вниз;
-
разжим ЗУ;
-
отвод руки с ЗУ назад;
-
подвод тележки транспортера-накопителя
с заготовкой и отвод тележки транспортера
накопителя с обработанной деталью;
Деталь не обработана.
-
выдвижение руки с ЗУ вперед;
-
захват заготовки ЗУ;
-
рука ПР с ЗУ поднимается на угол
вверх;
-
поворот руки ПР с ЗУ в горизонтальной
плоскости на угол 90º влево;
-
рука ПР с ЗУ опускается на угол
вниз;
-
ПР перемещается влево (вставляется
деталь в патрон);
-
зажим кулачков патрона;
-
подвод заднего центра;
-
разжим ЗУ;
-
отвод руки с ЗУ назад;
-
рука ПР с ЗУ поднимается на угол
вверх;
-
обработка заготовки в положение установа
1;
-
рука ПР с ЗУ опускается на угол
вниз;
-
выдвижение руки с ЗУ вперед;
-
захват обработанной детали;
-
разжим кулачков патрона;
-
отвод заднего центра;
-
ПР перемещается вправо (вынимается
полудеталь из патрона);
-
ЗУ поворачивается вокруг своей оси на
угол 180º;
-
ПР перемещается влево (вставляется
деталь в патрон);
-
зажим кулачков патрона;
-
подвод заднего центра;
-
разжим ЗУ;
-
отвод руки с ЗУ назад;
-
рука ПР с ЗУ поднимается на угол
вверх;
-
обработка заготовки в положении установа
2.
Формула циклограммы в аналитическом виде:
Fц=
Заключение
В данной курсовой работе было выполнено следующее:
подобраны элементы РТК для обработки трех деталей типа вал в условиях средне серийного производства;
спроектировано захватное устройство;
разработаны наладки захватного устройства при установке деталей на станке с ЧПУ и на транспорте-накопителе;
разработаны чертежи общего вида РТК и составлена циклограмма обработки деталей.
Литература
Горбацевич А.Ф. и др. Курсовое проектирование по технологии машиностроения. Минск: Высш. Школа, 1975, 288с.
Справочник технолога-машиностроителя. В 2-х т. Т.1/Под ред. А.Г. Косиловой и Р.К. Мещерякова. – 4-е изд., перераб. И доп. – М.: Машиностроение, 1985. 656 с. ил.
Средства автоматизации загрузки и разгрузки деталей РТК для токарной обработки: метод. Указания/сост. Царев А.М. – Тольятти: ТолПИ, 1991.
2