Разработка системы автоматического контроля технологических параметров газоперекачивающего агрегата
Министерство образования и науки Российской Федерации
Федеральное агентство по образованию
Государственное образовательное учреждение ВПО
«ОРЕНБУРГСКИЙ ГОСУДАРСТВЕННЫЙ УНИВЕРСИТЕТ»
Аэрокосмический институт
Кафедра систем автоматизации производства
Дипломный проект
на тему: Разработка системы автоматического контроля технологических параметров газоперекачивающего агрегата
Пояснительная записка
ОГУ 220301.65.1409.5ПЗ
Зав. кафедрой САП Н.З. Султанов
«Допустить к защите»
«____»__________________2009 г.
РуководительЮ.Р. Владов
Дипломник П.Ю. Кадыков
Консультанты по разделам:
Экономическая часть О.Г. Гореликова-Китаева
Безопасность труда Л.Г. Проскурина
Нормоконтролер Н.И. Жежера
РецензентВ.В. Турков
Оренбург 2009
Кафедра____САП_____________________
Утверждаю: Зав. кафедрой_____________
«______»_____________________200____г.
ЗАДАНИЕ
ПО ДИПЛОМНОМУ ПРОЕКТИРОВАНИЮ
СТУДЕНТ Кадыков Павел Юрьевич
1. Тема проекта (утверждена приказом по университету от «26» мая 2009 г. № 855-С) Разработка системы автоматического контроля технологических параметров газоперекачивающего агрегата
2. Срок сдачи студентом законченного проекта «27» мая 2009 г.
3. Исходные данные к проекту
Технические характеристики компрессорной установки 4ГЦ2-130/6-65; описание режимов работы компрессора 4ГЦ2-130/6-65; правила разборки и сборки компрессорной установки 4ГЦ2-130/6-65; руководство по эксплуатации комплекса средств контроля и управления МСКУ-8000.
4. Содержание расчетно-пояснительной записки (перечень подлежащих разработке вопросов)
1 анализ режимов работы газоперекачивающего агрегата 4ГЦ2
2 описание действующей системы автоматики
3 сравнительный анализ существующих программно-технических комплексов автоматизации газоперекачивающих агрегатов
4 обзор и описание технологии ОРС
5 выбор значимых технологических параметров ГПА, для которых рекомендуется использование системы автоматического контроля по отклонению в сторону граничных значений
6 описание разработанной программной системы автоматического контроля технологических параметров
7 разработка и описание схемы лабораторного стенда для испытаний разработанной программной системы автоматического контроля технологических параметров
5. Перечень графического материала (с точным указанием обязательных чертежей)
Редуктор и приводная часть компрессора, ФСА (А1)
Сравнительные характеристики существующих САУ ГПА, таблица (А1)
Система автоматического контроля технологических параметров, схема функциональная (А1)
Изменение технологического параметра во времени и принцип обработки текущих данных, теоретическая диаграмма (А2)
Аппроксимация и вычисление прогнозируемого времени, формулы (А2)
Программный модуль автоматического контроля технологических параметров, схема программы (А2)
Программный модуль автоматического контроля технологических параметров, листинг программы (А2)
Система автоматического контроля технологических параметров и панель управления оператора, экранные формы (А1)
Нормальный останов ГПА, схема программы (А2)
Аварийный останов ГПА, схема программы (А2)
Стенд для лабораторных исследований, схема электрическая принципиальная (А2)
Стенд для лабораторных исследований, схема структурная (А2)
6. Консультанты по проекту (с указанием относящимся к ним разделом проекта)
О.Г. Гореликова-Китаева, экономическая часть
Л.Г. Проскурина, безопасность труда
Дата выдачи задания «20» февраля 2009 г.
Руководитель ____________________________________ (подпись)
Задание принял к исполнению «20» февраля 2009 г.
_____________________________ (подпись студента)
Примечания: 1. Это задание прилагается к законченному проекту и вместе с проектом предоставляется в ГЭК.
2. Кроме задания, студент должен получить от руководителя календарный график работы над проектом на весь период проектирования (с указанием сроков выполнения и трудоемкости отдельных этапов).
Содержание
Введение
1 Общая характеристика производства
2 Характеристики центробежного компрессора 4ГЦ2-130/6-65
2.1 Общие характеристики
2.2 Система смазки
2.3 Панель управления СГУ
2.4 Патрон СГУ
2.5 Система буферного газа
2.6 Азотная установка
3 Описание технологического процесса и технологической схемы объекта
4 Порядок технического обслуживания процесса
5 Описание действующей системы автоматики
5.1 Обзор технологии OPC
6 Сравнение существующих готовых решений САУ ГПА
6.1 Программно-технический комплекс АСКУД-01 НПК «РИТМ»
6.2 Программно-технический комплекс САУ ГПА СНПО «Импульс»
7 Выбор значимых технологических параметров
8 Описание разработанной системы автоматического контроля технологических параметров
8.1 Функциональное назначение программы
8.1.1 Область применения
8.1.2 Ограничения применения
8.1.3 Используемые технические средства
8.2 Специальные условия применения
8.3 Руководство пользователя
9 Лабораторный стенд
9.1 Описание лабораторного стенда
9.2 Структура лабораторного стенда
9.3 Принципиальная электрическая схема лабораторного стенда
10 Обоснование экономического эффекта от применения САК
10.1 Расчет затрат на создание САК
10.2 Расчет экономического эффекта от применения САК
11 Безопасность труда
11.1 Анализ и обеспечение безопасных условий труда
11.2 Расчет категории тяжести труда
11.3 Возможные чрезвычайные ситуации
11.4 Расчет продолжительности эвакуации из здания
Заключение
Список использованных источников
Введение
Проблему контроля технологических параметров газоперекачивающих агрегатов (ГПА) существующие системы автоматизации решают только частично, сводя ее к комплексу условий в виде граничных значений для каждого параметра, при достижении которых происходит строгая последовательность действий АСУ. Чаще всего при достижении каким-либо параметром одного из своих граничных значений, происходит лишь автоматическая остановка самого агрегата. Каждая такая остановка вызывает существенные потери материальных и экологических ресурсов, а также повышенный износ оборудования. Такую проблему можно решить введением системы автоматического контроля технологических параметров, которая могла бы динамически отслеживать изменение технологических параметров ГПА, и заблаговременно выдавать сообщение оператору о стремлении какого-либо из параметров к его граничному значению.
Поэтому актуальной и значимой задачей является разработка инструментальных средств, способных оперативно отслеживать изменения технологических параметров и заблаговременно сообщать на автоматизированное рабочее место оператора информацию о положительной динамике какого-либо параметра в отношении его граничного значения. Такие инструментальные средства могут помочь предотвратить часть остановок ГПА.
Цель дипломной работы: повышение эффективности функционирования газоперекачивающего агрегата 4ГЦ2.
Основные задачи:
- разработка программной системы автоматического контроля технологических параметров;
- разработка фрагмента ФСА газоперекачивающего агрегата с указанием значимых технологических параметров, подлежащих автоматическому контролю.
1 Общая характеристика производства
Оренбургский газоперерабатывающий завод (ОГПЗ) является одним из самых крупных заводов в России по переработке углеводородного сырья. В 1974 году Государственная приемочная комиссия СССР приняла в эксплуатацию пусковой комплекс первой очереди ОГПЗ с выработкой готовой товарной продукции. Далее последовали введение в работу второй и третьей очередей ОГПЗ.
Основными товарными продуктами при переработке сырого газа на газоперерабатывающем заводе являются:
сухой очищенный газ, который далее подается в Единую систему газоснабжения страны через систему магистральных газопроводов «СОЮЗ»;
стабильный газовый конденсат и фракция углеводородная многокомпонентная, которая транспортируется на дальнейшую переработку на Салаватский и Уфимский нефтеперерабатывающие заводы Республики Башкортостан;
сжиженные углеводородные газы (смесь пропан-бутана технического), которые используются в качестве топлива для коммунально-бытовых нужд и в автомобильном транспорте, а также для дальнейшей переработки в химических производствах; направляются потребителю в железнодорожных цистернах;
сера жидкая и комковая – поставляется на предприятия химической промышленности для производства минеральных удобрений, фармацевтической промышленности, сельского хозяйства; отправляется потребителям железнодорожным транспортом в вагонах-цистернах (жидкая) и в полувагонах (комковая);
одорант (смесь природных меркаптанов) применяется для одорирования природного газа, поступающего в коммунально-бытовую сеть.
Вся товарная продукция добровольно сертифицирована, соответствует требованиям действующих государственных, отраслевых стандартов, технических условий и контрактов, конкурентно способна на внутреннем и внешнем рынках. Все виды осуществляемой на заводе деятельности лицензированы.
Организационная структура Газоперерабатывающего завода представлена на рисунке 1.

Рисунок 1 – Организационная структура Оренбургского газоперерабатывающего завода
В состав ОГПЗ входят основные технологические цеха № 1, № 2, № 3, которые занимаются очисткой и осушкой газа от сернистых соединений, а также получением одоранта, стабилизацией конденсата, регенерацией аминов и гликолей. Также в каждом цеху есть установки получения серы и очистки отходящих газов.
У такого крупного предприятия имеется большое количество вспомогательных цехов к ним относятся: ремонтно-механический (РМЦ), электроцех, цех по ремонту и обслуживанию контрольно-измерительных приборов и автоматики (КИПиА), центральная заводская лаборатория (ЦЗЛ), а также водоцех, обеспечивающий все производство паром и водой.
Немаловажное значение на таком производстве отводится и автотранспортному цеху (АТЦ), так как все грузоперевозки внутри завода и за его пределами осуществляется своим автотранспортом.
2 Характеристики центробежного компрессора 4ГЦ2-130/6-65
2.1 Общие характеристики
Центробежный компрессор 4ГЦ2-130/6-65 331АК01-1(331АК01-2) предназначен для компремирования высокосернистых газов расширений (выветривания) и стабилизации, вырабатываемых в процессе переработки нестабильного конденсата I, II, III очередей завода, экспанзерных газов, газов стабилизации и выветривания с установок 1,2,3У-70; У-02,03; 1,2,3У-370; У-32; У-09.
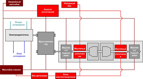
Компрессорная установка (рисунок 2) установлена в помещении цеха, подключена к существующим цеховым системам газо-, водо-, воздухоснабжения, электрической сети, САУ цеха (таблица 1.1). Состав установки согласно таблице 1.2.

Рисунок 2 – Компрессорная установка с масляной системой концевых уплотнений
Сжатие газа осуществляется центробежным компрессором 4ГЦ2-130/6-65 (1.495.004 ТУ, ОКП 3643515066, далее по тексту «Компрессор»).
Компрессор спроектирован ЗАО «НИИТурбокомпрессор» им.В.Б.Шнеппа в 1987 г., изготовлен и поставлен в 1989-1991 г., в эксплуатации с 2003 г. (№1 с 22.03.2003, №2 с 5.05.2003 г.). Наработка на начало реконструкции: №1 – 12 678 часов, №2 – 7 791 час (20.06.2006). Гарантийный срок завода-изготовителя истек.
Таблица 1 – Расшифровка маркировки компрессора:
|
Составляющая маркировки |
Расшифровка |
|
4 |
Номер базы типоразмерного ряда корпусов с вертикальным разъемом |
|
ГЦ |
Компрессор газовый центробежный |
|
2 |
Двухсекционный с расположением секций «спина к спине» |
|
130 |
Производительность при начальных условиях, м3/мин |
|
6 |
Давление начальное абсолютное, кг/см2 |
|
65 |
Давление конечное абсолютное, кг/см2 |
Приводом компрессора служит синхронный электродвигатель СТДП-6300-2Б УХЛ4 6000 мощностью 6.3 МВт и скоростью вращения ротора 3000 об/мин.
Повышение скорости вращения обеспечивается горизонтальным одноступенчатым мультипликатором с эвольвентным зацеплением (0.002.768 ТО).
Соединение валов компрессора и электродвигателя с валами мультипликатора обеспечивается зубчатыми муфтами со шпоночным способом посадки на вал (0.002.615 ТО).
Подшипники компрессора масляного типа. Подача масла в подшипники обеспечивается маслосистемой в составе компрессорной установки.
Система подогрева и охлаждения масла водяная.
Товарный газ на входе в компрессор проходит сепарацию и очистку. После первой и второй секций товарный газ охлаждается в АВО газа (охлаждение воздушное), проходит сепарацию и очистку.
В систему СГУ через панель управления СГУ подается буферный газ и технический азот, вырабатываемый азотной установкой из воздуха КИП. Буферный газ и воздух КИП подаются из цеховых магистралей. Состав и свойства товарного газа и буферного газа согласно таблицам 1.5 и 1.6, параметры воздуха КИП согласно таблице 1.1.
Система автоматического управления компрессорной установки выполнена на базе на МСКУ-СС-4510-55-06 (СС.421045.030-06 РЭ) и подключена к САУ цеха.

Рисунок 3 – Компрессорная установка с системой СГУ
Таблица 2 - Условия, обеспечиваемые цеховыми системами
|
Наименование условия |
Значение |
|
1 |
2 |
|
Помещение закрытое, отапливаемое с температурой окружающего воздуха, С |
От плюс 5 до плюс 45 |
|
Максимальное содержание сероводорода (H3S) в окружающем воздухе, мг/м3: |
10 |
|
Постоянно |
|
|
В аварийных ситуациях (в течение 2-3 часов) |
100 |
|
Категория помещения по ПУЭ-76 |
В – Iа |
|
Высотная отметка от пола, м |
3.7 |
|
Напряжение питающей сети, В |
380, 6000, 10 000 |
|
Частота питающей сети, Гц |
50 |
|
Система КИП и А |
МСКУ-СС 4510-55-06 |
|
Регулируемый (поддерживаемый) параметр в КИПиА |
Потребляемая мощность (5.8 МВт), давление (6.48 МПа) и температура газа (188С) на выходе из компрессора |
|
Воздух КИП |
По ГОСТ 24484 80 |
|
Давление абсолютное, МПа |
Не менее 0.6 |
|
Температура, С |
плюс 40 |
|
Производительность объемная при стандартных условиях (20С, 0.1013 МПа), нм3/час |
1 990 |
|
Класс загрязненности по ГОСТ 17433-83 |
Класс «I», Н2S до 10 мг/нм3 |
|
Буферный газ |
Таблицы 4-5 |
|
Давление абсолютное, МПа |
от 1.5 до 1.7 |
|
Температура, С |
от минус 30 до плюс 30 |
|
Производительность объемная при стандартных условиях (20С, 0.1013 МПа), нм3/час |
1 038 |
|
Примеси |
Не более 3 мкм |
|
Тип масла для смазки подшипников корпуса сжатия компрессора и муфт |
ТП-22С ТУ38.101821-83 |
В состав компрессорного агрегата входят:
- блок корпуса сжатия;
- электродвигатель;
- агрегат смазки;
- блок маслоохладителей;
- промежуточный и концевой охладители газа;
- входной промежуточный и концевой сепараторы;
- система смазки, включая межблочные трубопроводы;
- трубные сборки газовых коммуникаций;
- система КИП и А.
Таблица 3 - Основные характеристики компрессорного агрегата 4ГЦ2
|
Характеристика |
Значение |
|
Производительность при нормальных условиях |
40000 м³/час (51280 кг) |
|
Давление начальное, МПа (кгс/см²) |
0,588-0,981 (6-10) |
|
Температура газа начальная, К/ºС |
298-318 (25-45) |
|
Давление конечное, МПа (кгс/см²) |
5,97-6,36 (61-65) |
|
Температура газа конечная, К/ºС |
348+10 (75+10) |
|
Мощность, потребляемая, кВт |
5366+268 |
|
Частота вращения нагнетателя, Сˉ¹ (об/мин) |
146,6 (8796) |
|
Мощность электродвигателя, кВт |
6300 |
|
Тип электродвигателя |
ТУ СТДП 6300-2БУХЛЧ синхронный |
|
Напряжение сети |
6000 В |
|
Частота |
50 Гц |
|
Частота вращения ротора двигателя номинальная, (об/мин) |
3000 |
2.2 Система смазки
Система смазки предназначена для подачи смазки в подшипники корпусов сжатия компрессора, электродвигателя, мультипликатора и зубчатых муфт. На время аварийной остановки компрессора при неработающих электрических масляных насосах подача масла к подшипникам осуществляется из аварийного бака, расположенного над компрессором.
Таблица 3 - Условия нормальной работы агрегата смазки
|
Параметр |
Значение |
|
1 |
2 |
|
Температура масла в напорном коллекторе, ºС |
35-45 |
|
Давление (избыточное) масла в напорном коллекторе, МПа (кгс/см²) |
0,14-0,16 (1,4-1,6) |
|
Максимально допустимый перепад на фильтре МПа (кгс/см²) |
0,3 (3) |
|
Давление (избыточное) нагнетания маслонасосов МПа (кгс/см²) |
0,67-0,84 (6,7-8,4) |
|
Производительность маслонасосов, м³/сек (л/мин) |
0,0065(500)-0,02(1200) |
|
Номинальный объем маслобака, м³ (литры) |
5,4 (5400) |
|
Максимальный объем маслобака, м³ (литры) |
7,3 (7300) |
|
Применяемые масла |
ТП-22С ТУ38.101821-83 |
Агрегат смазки (АС-1000) состоит из двух блоков фильтров, двух электронасосных агрегатов, бака масляного, агрегата тонкой очистки, двух маслоохладителей.
Блок фильтров предназначен для очистки масла, поступающего в узлы трения от механических примесей.
Агрегат тонкой очистки масла предназначен для сепарации масла от воды и механических примесей и состоит из центробежного сепаратора УОР-401У и электродвигателя, смонтированных на общей раме.
Электронасосные агрегаты предназначены для подачи масла в узлы трения при пуске, работе, остановке компрессора и состоят из насоса и электродвигателя. Один из насосов является основным, другой – резервным.
Бак масляный – это резервуар в котором собирается, хранится и отстаивается от посторонних примесей (воды, воздуха, шламов), масла, сливающиеся из узлов трения. Бак представляет собой сварную прямоугольную ёмкость, разделённую перегородками на 2 отсека:
- сливной для приёма и предварительного отстоя масла;
- заборный.
Слив масла из системы осуществляется через пеногаситель. В верхней части бака расположен люк для очистки закрытый крышкой. На линии соединения бака с атмосферой установлен огневой преградитель, для предотвращения попадания огня в маслобак. Для подогрева масла, маслобак снабжён змеевиковым подогревателем. Для предотвращения попадания пара (парового конденсата) в маслобак в случае разгерметизации змеевика имеется защитный кожух, заполненный маслом.
Для охлаждения масла имеется маслоохладитель, который представляет собой кожухотрубный аппарат горизонтального исполнения с неподвижными трубными досками. Масло охлаждается подачей воды из оборотного водоснабжения в змеевик маслоохладителя.
Сухие газодинамические уплотнения предназначены для гидрозатвора концевых уплотнений корпусов сжатия для центробежных компрессоров типа 4ГЦ2-130/6-65 331АК01-1(2).
В состав сухих газодинамических уплотнений входят:
- панель управления СГУ;
- патроны СГУ;
- установка газоразделительная мембранная МВа-0.025/95, далее по тексту;
- «Азотная установка».
Агрегат смазки (АС-1000) состоит из 2-х блоков фильтров, 2-х электронасосных агрегатов, бака масляного, агрегата тонкой очистки, 2-х маслоохладителей.
Блок фильтров предназначен для очистки масла, поступающего в узлы трения от механических примесей. Агрегат тонкой очистки масла предназначен для сепарации масла от воды и механических примесей и состоит из центробежного сепаратора УОР-401У и электродвигателя, смонтированных на общей раме.
Электронасосные агрегаты предназначены для подачи масла в узлы трения при пуске, работе, остановке компрессора и состоят из насоса и электродвигателя. Один из насосов является основным, другой – резервным.
Слив масла из системы осуществляется через пеногаситель. В верхней части бака расположен люк для очистки закрытый крышкой. На линии соединения бака с атмосферой установлен огневой преградитель, для предотвращения попадания огня в маслобак. Для подогрева масла, маслобак снабжён змеевиковым подогревателем. Для предотвращения попадания пара (парового конденсата) в маслобак в случае разгерметизации змеевика имеется защитный кожух, заполненный маслом. Для охлаждения масла имеется маслоохладитель, который представляет собой кожухотрубный аппарат горизонтального исполнения с неподвижными трубными досками. Масло охлаждается подачей воды из оборотного водоснабжения в змеевик маслоохладителя.
2.3 Панель управления СГУ
Панель управления СГУ предназначена для управления и контроля работы патронов СГУ и представляет собой трубную конструкцию из нержавеющей стали, с расположенной на ней контрольно-измерительными приборами и регулирующей арматурой, установленная на собственной раме.
Панель управления СГУ включает в себя:
- систему буферного газа, обеспечивающую подачу на узлы СГУ очищенного газа;
- систему контроля утечек газа;
- систему разделительного газа.
Таблица 4 - Основные параметры панели СГУ:
|
Наименование параметра |
Значение |
|
|
1 |
2 |
|
|
Тип панели управления СГУ |
2 TFLB PN 70 |
|
|
Конфигурация |
Трубная конструкция |
|
|
Класс взрывозащиты |
EExi IIC T4 |
|
|
Система подачи буферного газа |
На входе в панель СГУ (один вход) |
На выходе из панели СГУ (на два патрона) |
|
Давление абсолютное, МПа |
1.67 |
1.08 |
|
Температура, С |
от -с 20 до + 30) |
+ 15 |
|
Расход, нм3/час |
66.2 |
33.1 |
|
Максимальный размер твердых частиц, мкм |
2 |
|
|
Максимальный перепад давления на фильтре, кПа |
60 |
|
|
Система подачи разделительного газа |
На входе в панель СГУ (один вход) |
На выходе из панели СГУ (на два патрона) |
|
Давление абсолютное, МПа |
0.51 |
0.134 |
|
Температура, С |
Плюс 40 |
Плюс 33 |
|
Расход, нм3/час |
7.46 |
|
Максимальный размер твердых частиц, мкм |
10 |
|
Габаритно-массовые характеристики |
|
|
Длина, мм |
1 680 |
|
Ширина, мм |
687 |
|
Высота, мм |
1 983 |
|
Масса, кг |
490 |
2.4 Патрон СГУ
Патрон СГУ разделяет перекачиваемый, товарный (уплотняемый) газ и атмосферный воздух и предотвращает попадание утечек газа в полость подшипниковых камер и попадания масла в проточную часть компрессора.
Патрон СГУ состоит из двух механических уплотнений, расположенных друг за другом (тандем). Тип патрона по направлению вращения - реверсивный.
Уплотнительная ступень патрона СГУ представляет собой два кольца: неподвижное (статорная часть или торец) и вращающееся на валу ротора (роторная часть или седло). Через зазор между ними газ перетекает из области высокого давления в область низкого давления.
Торец уплотняется О-образным кольцом в качестве вторичного уплотнения.
На внутренней поверхности втулки уплотнения устанавливаются кольца допуска (вставляются в специально выточенные канавки и приклеиваются по месту).
Статорная часть пары трения выполнена из графита. Роторная часть выполнена из карбидвольфрамового сплава с канавками. Канавки спиралевидной формы выполняют в однонаправленных по направлению вращения уплотнениях, канавки симметричной формы - в уплотнениях реверсивного типа
Наличие канавок на роторной части уплотнительной пары при вращении вала приводит к возникновению подъёмной силы, которая препятствует исчезновению зазора. Постоянное наличие зазора между кольцами обеспечивает отсутствие сухого трения между поверхностями колец.
Симметричная форма канавок в реверсивном уплотнении относительно радиальной линии обеспечивает работу патрона СГУ при вращении в любом направлении.
Закрутка потока в зазоре позволяет отбросить твердые частицы к выходу из зазора. Величина твёрдых частиц, попадающих в зазор не должна превышать по величине минимальной рабочей величины зазора (от 3 до 5 мкм),
Величина зазора в уплотнительной ступени патрона СГУ зависит от параметров газа перед уплотнением (давления, температуры, состава газа), скорости вращения ротора, конструктивной формы элементов уплотнения.
При увеличении давления перед уплотнением величина зазора уменьшается, осевая жёсткость газового слоя возрастает. С увеличением скорости вращения ротора увеличивается зазор, и возрастают утечки газа через ступень уплотнения.
Патрон отделен от проточной части концевым лабиринтным уплотнением, от подшипниковых камер – барьерным уплотнением (графитовое уплотнение типа Т82).
Давление перед концевыми лабиринтами первой и второй секции соответствует давлению во всасывающей камере первой секции.
Для предотвращения попадания газа компремирования из проточной части в патрон СГУ на первую ступень патрона СГУ (со стороны проточной части) подается буферный (очищенный товарный) газ.
Большая часть (более 96 %) буферного газа поступает через лабиринтное уплотнение в проточную часть компрессора, а меньшая просачивается в полость между уплотнительными ступенями патрона, откуда обеспечивается контролируемый сброс утечек на свечу (первичная утечка менее 3 %).
Вторая (внешняя) ступень патрона работает под давлением близким к атмосферному. Она запирает первичную утечку, а также является страховочной на случай разгерметизации первой уплотнительной ступени патрона. В случае сбоя первичного уплотнения, вторичное уплотнение берет на себя его функции и работает как одинарное уплотнения
В качестве разделительного газа в линию барьерного уплотнения подводится технический азот, который производит из воздуха КИП азотная установка.
Азот подается в канал барьерного графитового уплотнения со стороны подшипниковых камер и предотвращает попадание масла и его паров на вторую ступень патрона, а также газа в подшипниковую камеру.
Азот не образует взрывоопасной смеси с газом в полости вторичной утечки и «выдувает» её на свечу. Величина вторичной утечки не контролируется.
Патрон СГУ обеспечивает уплотнение и безопасную работу компрессора в диапазоне его рабочих режимов и при остановке компрессора под давлением в контуре.
Таблица 5 - Основные параметры патрона СГУ
|
Наименование параметра |
Значение |
|
1 |
2 |
|
Тип патрона СГУ |
Т28АТ |
|
Конфигурация |
Тандем двухстороннего действия |
|
Тип барьерного уплотнения |
Малорасходное графитовое уплотнение типа Т82 |
|
Направление вращения патрона СГУ |
Реверсивного типа |
|
Скорость вращения ротора, об/мин |
8796 |
|
Уплотняемая среда |
Товарный газ (таблица 1.5) |
|
Максимальное уплотняемое давление абсолютное, МПа |
1,08 |
|
Температура уплотняемого газа, С |
От плюс 25 до плюс 188 |
|
Разделительный газ |
технический азот по ГОСТ 9293-74 |
|
Параметры первичной утечки |
|
|
Состав газа |
Буферный газ (таблица 1.5) |
|
Давление (абсолютное), МПа |
0,118 |
|
Температура, С |
Плюс 15 |
|
Расход, нм3/час |
0,96 |
|
Параметры вторичной утечки |
|
|
Состав газа |
Буферный газ (таблица 1.5) и разделительный газ |
|
Давление абсолютное, МПа |
0.098 |
|
Температура, С |
Плюс 30 |
|
Расход, нм3/час |
2,10 |
|
Буферный газ, нм3/час |
0,24 |
|
Разделительный газ, нм3/час |
1,86 |
|
Габаритно-массовые характеристики |
|
|
Длина, мм |
131,0 |
|
Диаметр по валу, мм |
120,5 |
|
Максимальный наружный диаметр, мм |
208,0 |
|
Масса, кг |
16,1 |
|
Масса роторной части, кг |
8,22 |
2.5 Система буферного газа
Буферный газ из заводской магистрали проходит тонкую очистку в моноблоке фильтров John Crane (двойной фильтр - один фильтр рабочий, один резервный) и далее дросселируется до параметров, необходимых на входе в патроны СГУ.
Моноблок фильтров производства коМПании Джон Крейн – это дублированная система фильтров. Во время работы действует только один фильтр. Не останавливая компрессор, можно переключиться с одного фильтра на другой.
Моноблок фильтров имеет клапан переключения и байпасный клапан. Байпасный клапан создаёт давление в полостях клапана переключения с обеих сторон, чтобы избежать сбоя при односторонней загрузке в течение длительного времени. Кроме того, этот байпасный клапан наполняет газом корпус второго фильтра. При переключении на второй фильтр, поток не прерывается. В нормальных условиях эксплуатации байпасный клапан должен быть открыт. Он должен быть закрыт только в случае замены фильтра. Диаметр отверстия перепускного клапана минимизирован до 2 мм. Это гарантирует выброс очень небольшого количества газа в атмосферу в случае, если байпасный клапан будет случайно оставлен открытым во время замены фильтроэлементов.
Все шаровые краны А2 - А9, входящие в моноблок фильтров, закрыты в вертикальном положении и открыты в горизонтальном положении рычага.
На каждой стороне моноблока для каждого фильтра имеется выпускное отверстие и канал продувки. На нижней стороне каждого из корпусов расположены дренажные отверстия, закрытые заглушками.
Фильтр должен проверяться не реже чем раз в 6 месяцев на предмет образования конденсата и/или засорения. На начальном этапе эксплуатации рекомендуется проводить еженедельные визуальные проверки фильтрующих элементов.
Каждый патрон СГУ снабжен системой контроля утечек газа и отвода первичной утечки газа на свечу и вторичной утечек газа в атмосферу.
Разделительный газ подается в панель СГУ и дросселируется до давления необходимого на входе в патроны СГУ. Система предназначена для предотвращения утечек газа в подшипниковый узел, исключения взрывоопасной концентрации перекачиваемого газа в полостях компрессора, а также защиты СГУ от попадания масла из полостей подшипников. Система оснащена байпасным каналом, включающим предохранительный клапан, который направляет избыточное давление прямо на свечу.
2.6 Азотная установка
Азотная установка включает в себя блок подготовки воздуха, блок разделения газов и систему управления и контроля. Основными элементами установки являются два мембранных газоразделительных модуля на основе полых волокон. Модули работают по методу мембранного разделеня. Суть этого метода заключается в различной скорости проницания газов через полимерную мембрану за счёт перепада парциальных давлений. Модули предназначены для разделения газовых смесей.
Кроме модулей в установку входят:
- адсорбер АД1 для очистки воздуха;
- электронагреватель Н1 для подогрева воздуха;
- фильтры Ф1, Ф2, Ф3 и Ф4 для окончательной очистки воздуха;
- шкаф контроля и управления.
Модуль состоит из корпуса и размещённым в нём пучком полых волокон. Воздух подаётся внутрь полых волокон и кислород, проникая через стенки волокон, заполняет межволоконное пространство внутри корпуса и выходит через патрубок «Выход пермеата» наружу, а оставшийся внутри волокон газ (азот) подаётся через патрубок «Выход азота» на стойку управления СГУ.
Фильтры Ф1-Ф4 предназначены для очистки воздуха от капельного масла и пыли.
Адсорбер АД1 предназначен для очистки воздуха от паров масла. В металический корпус, между решётками, засыпается активированный уголь. На нижнюю решётку к сетке прикреплено фильтровальное полотно. Активный уголь СКТ-4 и фильтровальное полотно «Фильтра-550» подлежит замене через 6000 часов работы адсорбера.
Электронагреватель предназначен для подогрева поступающего в модуль воздуха. Электронагреватель представляет собой сосуд с теплоизолированным от внешней среды корпусом и размещённым в нём трубчатым нагревателем (ТЕН).
Штуцеры шт.1, шт.2 и наконечники нк-1, нк-2 предназначены для отбора анализа от модулей ММ1 и ММ2 при настройке установки. Для отбора анализа следует надеть резиновый шланг на соответствующий наконечник, соединить его с газоанализатором и ключом отвернуть на 1/3 оборота против часовой стрелки.
Поверхность волокна имеет пористую структуру с нанесённым на его газоразделительным слоем. Принцип действия мембранной системы основан на различной скорости проникновения компонентов газа через вещество мембраны, из-за разницы парциальных давлений на различных сторонах мембраны.
Азотная установка работает полностью в автоматическом режиме. Система контроля и управления обеспечивает контроль параметров установки и защиту от аварийных ситуаций, отключение в случае неисправности автоматически.
Таблица 6 - Основные параметры азотной установки
|
Наименование параметра |
Значение |
|
1 |
2 |
|
Тип установки |
МВа-0.025/95 |
|
Конструктивное исполнение |
Модульное |
|
Класс взрывозащиты |
ЕEх T6 |
|
Категория помещения по ПУЭ-76 |
В – Iа |
|
Вид климатического исполнения по ГОСТ 150150-69 |
УХЛ 4 |
|
Параметры воздуха на входе |
|
|
Объёмный расход при стандартных условиях (20С, 0.1013 МПа), нм3/час |
305 |
|
Температура, С |
(от плюс 10 до плюс 40)2 |
|
Давление абсолютное, МПа |
0,60,01 |
|
Содержание механических частиц, мг/м3 |
0,1 |
|
Содержание паров масла, мг/м3 |
0,1 |
|
Относительная влажность, % |
100 |
|
Параметры технического азота на выходе |
|
|
Объёмный расход при стандартных условиях (20С, 0.1013 МПа), нм3/час |
151 |
|
Температура, С |
Не более 40 |
|
Давление абсолютное, МПа |
0,550,01 |
|
Объемная доля кислорода не более, % |
5 |
|
Точка росы не выше, С |
Минус 45 |
|
Содержание механических частиц и масла, мг/м3 |
Не более 0,01 |
|
Относительная влажность, % |
0 |
|
Объёмный расход пермиата (обогащённого кислородом воздуха) на выходе, нм3/час |
от 13 до 20 |
|
Электропитание |
Однофазный, напряжение 220 В, 50 Гц |
|
Потребляемая мощность, кВт |
2,00,2 |
|
Время выхода на режим, мин |
Не более 10 |
|
Габаритно-массовые характеристики |
|
|
Длина, мм |
2400 |
|
Ширина, мм |
550 |
|
Высота, мм |
1600 |
|
Масса установки, кг |
Не более 200 |
3 Описание технологического процесса и технологической схемы объекта
При работающем блоке очистки и стабилизации конденсата (У-331) газ стабилизации из 331В04 направляется в сепаратор 331АС104, где отбивается от жидкости и через отсекатель 331ААУ1-1 поступает на узел редуцирования с клапанами PCV501-1 и PCV501-2, регулирующими давление во всасывающем коллекторе в пределах 5,7-7,5 кгс/см2.
Уровень жидкости в сепараторе 331С104 измеряется прибором LT104 с регистрацией показаний на мониторе рабочего места оператора.
При повышении уровня жидкости в сепараторе 331АС104 до 50 % (700 мм) включается сигнализация 331LAH204 и поступает звуковое сообщение на монитор рабочего места оператора.
Расход газа стабилизации измеряется прибором FT510, температура - прибором ТЕ510, давление - прибором РТ510 с регистрацией показаний на мониторе рабочего места оператора. Давление в трубопроводе газа стабилизации от 331В04 до клапанов 331PCV501-1 и 331PCV501-2 контролируется прибором РТ401 с регистрацией показаний на мониторе рабочего места оператора. При падении давления в коллекторе газа стабилизации ниже 6 кгс/см2 автоматически открывается клапан 331PCV501А, который установлен на трубопроводе подачи газа с нагнетания 2-ой ступени компрессора в коллектор газа стабилизации. Давление во всасывающем коллекторе измеряется прибором 331РТ501, регулируется клапанами 331PCV501-1 и PCV501-2, которые установлены на трубопроводе подачи газа стабилизации во входной коллектор. При понижении давления ниже 6 кгс/см2 включается сигнализация 331РАL501 и поступает звуковое сообщение на монитор рабочего места оператора.
Газы расширения и выветривания из 331В05А направляются в сепаратор 331АС105, где отбиваются от жидкости и через отсекатель 331ААУ1-2 поступают на узел редуцирования с клапаном 331PCV502, регулирующим давление во всасывающем коллекторе в пределах 5,7-7,5 кгс/см2.
Уровень жидкости в сепараторе 33А1С105 измеряется прибором LT105 с регистрацией показаний на мониторе рабочего места оператора.
При повышении уровня жидкости в сепараторе 331С105 до 50 % (700 мм) включается сигнализация 331LAH205 и поступает звуковое сообщение на монитор рабочего места оператора.
Расход газа расширения и выветривания измеряется прибором FT511, температура - прибором позиции ТЕ511, давление - прибором РТ511 с регистрацией показаний на мониторе рабочего места оператора.
Давление в трубопроводе газа расширения и выветривания от 331В05А до клапана PCV502 контролируется прибором РТ402 с регистрацией показаний на мониторе рабочего места оператора. При падении давления в коллекторе газа стабилизации ниже 10 кгс/см2 автоматически открывается клапан PCV502А, который установлен на трубопроводе подачи газа с нагнетания 2-ой ступени компрессора в коллектор газа выветривания. Давление во всасывающем коллекторе измеряется прибором РТ502 с регистрацией показаний на мониторе рабочего места оператора, регулируется клапаном PCV502, который установлен на трубопроводе подачи газа выветривания во входной коллектор. При понижении давления ниже 10 кгс/см2 включается сигнализация 331РАL502 и поступает звуковое сообщение на монитор рабочего места оператора.
Газы расширения, выветривания и стабилизации после узлов редуцирования объединяются в общий коллектор (количество до 40000 м3/час) и с температурой от 25 до 50 оС подаются во входные сепараторы 331С101-1 или 331С101-2, расположенные на всасе 1-ой ступени центробежных компрессоров 331АК01-1 (331АК01-2). Возможна подача экспанзерных газов, газов стабилизации и выветривания во входной коллектор из коллектора низконапорных газов, поступающих с установок 1,2,3У70, У02,03, 1,2,3У370, У32, У09.
Расход низконапорных газов измеряется прибором FT512, температура - прибором ТЕ512 с регистрацией показаний на мониторе рабочего места оператора. Давление в коллекторе низконапорных газов измеряется прибором РТ512 с регистрацией показаний на мониторе рабочего места оператора.
Давление газа стабилизации во входном коллекторе измеряется по месту техническим манометром и приборами РТ503 и PIS503 с регистрацией показаний на мониторе рабочего места оператора. При понижении давления менее 5,7 кгс/см2 включается сигнализация PAL503 и поступает звуковое сообщение на монитор рабочего места оператора. При повышении давления более 6,5 кгс/см2 включается сигнализация РАН503 и поступает звуковое сообщение на монитор рабочего места оператора. От превышения давления во входном коллекторе предусмотрена защита. При повышении давлении во входном коллекторе более 7,5 кгс/см2 автоматически открывается клапан PCV503.
Газы стабилизации проходят через сепаратор 331С101-1 (331С101-2), отбиваются от жидкости и поступают на всас 1-ой ступени компрессора.
Давление газа на всасе 1-ой ступени измеряется приборами РТ109-1 (РТ109-2), РТ110-1(РТ110-2) с регистрацией показаний на мониторе рабочего места оператора.
Температура газа на всасе компрессора измеряется приборами ТЕ102-1(ТЕ102-2) с регистрацией показаний на мониторе рабочего места оператора.
Уровень жидкости в сепараторах 331С101-1 (331С101-2) измеряется приборами LT825-1 (LT825-2), LT826-1 (LT826-2) с регистрацией показаний на мониторе рабочего места оператора. При повышении уровня жидкости в сепараторах до 7 % (112 мм) включается сигнализация 331LAH825-1 (331LAH825-2), 331LAH826-1 (331LAH826-2) и поступает звуковое сообщение на монитор рабочего места оператора. При дальнейшем повышении уровня в сепараторах 331С101-1, 331С101-2 до 81 % (1296 мм) включается блокировка 331LAHH825-1(2), 331LAHH826-1(2), поступает звуковое сообщение на монитор рабочего места оператора и происходит автоматическая остановка электродвигателя компрессора 331АК01-1 или 331АК01-2. При этом автоматически отключаются электродвигатели вентиляторов АТ101-1,2,3,4 (АТ102-1,2,3,4), закрывается на нагнетании основной кран КШ114-1 (КШ114-2) и кран-дублёр КШ116-1 (КШ116-2), открывается антипомпажный клапан КД101-1 (КД101-2), открываются краны:
- КШ121-1 (КШ121-2) - сброс на факел с трубопроводов всаса;
- КШ122-1 (122-2) - сброс на факел с трубопроводов нагнетания 1-ой ступени;
- КШ124-1 (124-2) - сброс на факел с трубопроводов нагнетания 2-ой ступени;
- КШ115-1 (КШ115-2) - байпас основного крана на нагнетании;
- КШ125-1 (125-2) - сброс на факел с трубопроводов нагнетания 2-ой ступени между кранами КШ114-1 (КШ114-2) и КШ116-1 (КШ116-2);
закрывается основной кран на всасе КШ102-1 (КШ102-2) и далее идёт операция «Продувка после остановки».
Продувка компрессоров 331АК01-1 или 331АК01-2 производится чистым (товарным) газом. При продувке компрессоров автоматически открывается КШ131-1 (КШ131-2) по подаче товарного газа на продувку компрессоров. Через 7 минут после начала продувки закрываются КШ121-1 (КШ121-2) и КШ122-1 (КШ122-2). В следующие 7 минут при условии, что давление нагнетания 2-ой ступени менее 2 кгс/см2, закрываются КШ131-1 (КШ131-2), КШ124-1 (КШ124-2), КШ125-1 (КЩ125-2) и отключаются маслонасосы уплотнений Н301-1 (Н301-2), Н302-1 (Н302-2), закрывается КШ301-1 (КШ301-2) по подаче буферного газа, отключаются маслонасосы системы смазки Н201-1 (Н201-2), Н202-1 (Н202-2) и вентилятор наддува главного электродвигателя. Аварийный останов завершён.
По окончании продувки газом проводится продувка азотом, которая осуществляется открытием вручную вентиля по подаче азота и дистанционно крана КШ135-1 (КШ135-2).
Давление товарного газа до обратного клапана измеряется прибором РТ506 с регистрацией показаний на мониторе рабочего места оператора. При понижении давления газа до 20 кгс/см2 включается сигнализация 331РАL506 и на монитор рабочего места оператора поступает звуковое сообщение. Давление товарного газа после обратного клапана, измеряется приборами РТ507, PIS507 с регистрацией показаний на мониторе рабочего места оператора. При понижении давления газа до 30 кгс/см2 включается сигнализация PAL507 и поступает звуковое сообщение на монитор рабочего места оператора.
Расход товарного газа измеряется приборами FE501, FE502 с регистрацией показаний на мониторе рабочего места оператора. При понижении расхода газа до 1100 м3/час включается сигнализация 331FAL501, 331FAL502 и на монитор рабочего места оператора поступает звуковое сообщение.
Температура товарного газа измеряется приборами ТЕ502, ТЕ503 с регистрацией показаний на мониторе рабочего места оператора. При понижении температуры газа до 30оС включается сигнализация TAL502, TAL503 и на монитор рабочего места оператора поступает звуковое сообщение.
Перепад давления газа в сепараторах 331С101-1 (331С101-2) измеряется приборами позиции 331РdТ824-1 (331PdT824-2) с регистрацией показаний на мониторе рабочего места оператора. При повышении перепада давления газа более 10 кПа включается сигнализация 331PdAH824-1 (331РdАН824-2) и поступает звуковое сообщение на монитор рабочего места оператора.
Газ с нагнетания 1-ой ступени компрессоров с давлением до 24,7 кгс/см2 и температурой 135оС подается в аппарат воздушного охлаждения АТ101-1 (АТ101-2), где охлаждается до температуры 65оС. Температура газа с нагнетания 1-ой ступени компрессоров измеряется приборами ТЕ104-1 (ТЕ104-2) с регистрацией показаний на мониторе рабочего места оператора. Давление газа на нагнетании 1-ой ступени компрессора измеряется приборами РТ111-1(2), РТ112-1(2) с регистрацией показаний на мониторе рабочего места оператора. При повышении давления газа стабилизации с нагнетания 1-ой ступени компрессора до 28 кгс/см2 включается сигнализация 331РАН111-1 (331РАН111-2) и на монитор рабочего места оператора поступает звуковое сообщение.
Температура газа с нагнетания 1-ой ступени компрессора измеряется прибором ТЕ103-1 (ТЕ103-2) с регистрацией показаний на мониторе рабочего места оператора.
Температура газа на выходе с АТ101-1 (АТ101-2) измеряется приборами ТЕ106-1 (ТЕ106-2) с регистрацией показаний на мониторе рабочего места оператора. При понижении температуры газа на выходе с АТ101-1 (АТ101-2) до 50 оС включается сигнализация 331ТАL106-1 (331ТАL106-2) и на монитор рабочего места оператора поступает звуковое сообщение. Поддержание температуры газа на выходе из АТ101-1 (АТ101-2) осуществляется регулированием производительности вентилятора при помощи изменения угла наклона лопастей в весенне-летний и зимний периоды; отключением и включением вентилятора, включением в работу системы рециркуляции нагретого воздуха - в зимнее время. Регулирование температуры газа на выходе из АТ101-1(АТ101-2) осуществляется отключением и включением электродвигателей вентиляторов АТ101-1,2,3,4 от сигнализации 331ТАН(L)106-1 [331ТАН(L)106-2] в следующем режиме:
Таблица 7 – Режимы регулирования температуры газа на выходе
|
Наименование параметра |
Наименование оборудования (обозначение на технологической схеме) |
Отключение вентиляторов t, оС |
Включение вентиляторов t, оС |
|
331ТАН(L) 106-1(2) |
АТ101-1 |
50 |
60 |
|
АТ101-2 |
60 |
65 |
|
|
АТ101-3 |
65 |
70 |
|
|
АТ101-4 |
70 |
75 |
Температура воздуха перед трубным пучком АТ101-1 (АТ101-2) регулируется изменением угла наклона верхних и боковых заслонок, преточных жалюзей, контролируется приборами ТЕ120-1 (ТЕ120-2), ТЕ122-1 (ТЕ122-2) с регистрацией на мониторе рабочего места оператора. Управление верхними, боковыми заслонками и приточными жалюзи осуществляется сезонно вручную. При понижении температуры воздуха перед трубным пучком АТ101-1 (АТ101-2) до 50 оС включается сигнализация 331ТАL122-1 (331ТАL122-2) и поступает звуковое сообщение на монитор рабочего места оператора. При повышении температуры воздуха перед трубным пучком АТ101-1 (АТ101-2) до 65 оС включается сигнализация 331ТАН122-1 (331ТАН122-2) и поступает звуковое сообщение на монитор рабочего места оператора. При повышении температуры газа на выходе из АТ101-1 (АТ101-2) до 90 оС включается сигнализация 331ТАН106-1 (331TAН106-2), на монитор рабочего места оператора поступает звуковое сообщение. При дальнейшем повышении температуры до 95оС включается блокировка 331TAHН106-1 (331ТАНН106-2) на мониторе рабочего места оператора поступает звуковое сообщение и происходит автоматическая остановка электродвигателя компрессора 331К01-1 или 331К01-2 в той же последовательности.
Охлажденный в 331АТ101-1 (331АТ101-2) газ стабилизации проходит через сепараторы 331С102-1 (331С102-2), отбивается от жидкости и поступает на всас 2-ой ступени компрессоров.
Давление газа на всасе 2-ой ступени компрессоров измеряется приборам РТ123-1 (РТ123-2) с регистрацией показаний на мониторе рабочего места оператора. Перепад давления газа на сопле сужающего устройства СУ102-1 (СУ102-2), установленного между сепараторами 331С102-1 (331С102-2) и всасом 2-ой ступени, измеряется прибором PdT120-1 (PdT120-2) и на мониторе рабочего места оператора регистрируются показания.
Температура газа на всасе 2-ой ступени компрессора измеряется приборами ТЕ108-1 (ТЕ108-2) с регистрацией показаний на мониторе рабочего места оператора.
Уровень жидкости в сепараторах 331С102-1 (331102-2) измеряется приборами LT805-1 (LT805-2), LT806-1 (LT806-2) с регистрацией показаний на мониторе рабочего места оператора. При повышении уровня жидкости в сепараторах до 17 % (102 мм) включается сигнализация 331LAH805-1 (331LAH805-2), 331LAH806-1 (331LAH806-2) и на монитор рабочего места оператора поступает звуковое сообщение. При дальнейшем повышении уровня в сепараторах до 84 % (504 мм) включается блокировка позиции 331LAHH805-1 (331LAHH805-2), 331LAHH806-1 (331LAHH806-2) поступает звуковое сообщение на монитор рабочего места оператора и происходит автоматическая остановка электродвигателя компрессора 331АК01-1 или 331АК01-2 в той же последовательности.
Перепад давления газа в сепараторах 331С102-1 (331С102-2) измеряется приборами 331РdT804-1 (331PdT804-2) с регистрацией показаний на мониторе рабочего места оператора. При повышении перепада давления до 10 кПа включается сигнализация 331PdAH804-1 (331PdAH804-2) и на монитор рабочего места оператора поступает звуковое сообщение.
Давление газа с нагнетания 2-ой ступени компрессоров до 331АТ102-1 (331АТ102-2) измеряется приборами РТ-124-1 (РТ124-2), РТ125-1 (РТ125-2) с регистрацией показаний на мониторе рабочего места оператора. Перепад давления на 2-ой ступени (всас – нагнетание) измеряется приборами 331PdТ122-1 (331PdТ122-2) с регистрацией показаний на мониторе рабочего места оператора.
Температура газа с нагнетания 2-ой ступени компрессоров до АТ102-1 (АТ102-2) измеряется прибором ТЕ109-1 (ТЕ109-2) с регистрацией показаний на мониторе рабочего места оператора. Температура газа на входе в АТ102-1 (АТ102-2) измеряется приборами ТЕ110-1 (ТЕ110-2) с регистрацией показаний на мониторе рабочего места оператора.
Газ с нагнетания 2-ой ступени компрессоров с давлением до 65 кгс/см2 и температурой 162 - 178 оС подаётся в аппарат воздушного охлаждения АТ102-1 (АТ102-2), где охлаждается до температуры 80 - 88 оС.
Температура газа на выходе из АТ102-1 (АТ102-2) измеряется приборами ТЕ113-1 (ТЕ113-2) с регистрацией показаний на мониторе рабочего места оператора. При понижении температуры газа на выходе с АТ102-1 (АТ102-2) до 65 оС включается сигнализация 331ТАL113-1 (331ТАL113-2) и поступает звуковое сообщение на монитор рабочего места оператора. Поддержание температуры газа на выходе из АТ102-1 (АТ102-2) осуществляется регулированием производительности вентилятора при помощи изменения угла наклона лопастей в весенне-летний и зимний периоды, отключением и включением вентилятора, включением в работу системы рециркуляции нагретого воздуха - в зимнее время.
Регулирование температуры газа на выходе из АТ102-1 (АТ102-2) осуществляется отключением и включением электродвигателей вентиляторов АТ102-1,2,3,4 от сигнализации 331ТАН(L)113-1 [331ТАН(L)113-2] в следующем режиме:
Таблица 8 – режимы регулирования температуры газа на выходе
|
Наименование параметра |
Наименование оборудования (обозначение на технологической схеме) |
Отключение вентиляторов t, оС |
Включение вентиляторов t, оС |
|
331ТАН(L) 113-1(2) |
АТ102-1 |
65 |
75 |
|
АТ102-2 |
70 |
80 |
|
|
АТ102-3 |
75 |
85 |
|
|
АТ102-4 |
80 |
90 |
Температура воздуха перед трубным пучком АТ102-1 (АТ102-2) регулируется изменением угла наклона верхних и боковых заслонок, преточных жалюзей, контролируется приборами ТЕ121-1 (ТЕ121-2), ТЕ123-1 (ТЕ123-2) с регистрацией на мониторе рабочего места оператора. Управление верхними, боковыми заслонками и преточными жалюзями осуществляется сезонно вручную. При повышении температуры в 331АТ102 до 105 оС включается сигнализация 331ТАН113-1 (331ТАН113-2) и на монитор рабочего места оператора поступает звуковое сообщение.
При дальнейшем повышении температуры на 331АТ102 до 115оС срабатывает блокировка 331ТАНН113-1 (331ТАНН113-2), поступает звуковое сообщение на монитор рабочего места оператора и происходит автоматическая остановка электродвигателя компрессора 331АК01-1 или 331АК01-2 в той же последовательности.
Охлажденный в АТ102-1 (АТ102-2) газ компримирования проходит через сепараторы 331С103-1 (331С103-2), отбивается от жидкости, поступает в общий коллектор и далее через отсекатели 331А-АУ4, 331А-АУ-5 направляется на I, II, III очереди завода на переработку.
Уровень жидкости в 331С103-1 (331С103-2) измеряются приборами LT815-1 (LT815-2), LT816-1 (LT816-2) с регистрацией показаний на мониторе рабочего места оператора. При повышении уровня жидкости в сепараторах до 17 % (102 мм) включается сигнализация 331LAH815-1 (331LAH815-2), 331LAH816-1 (331LAH816-2) и на монитор рабочего места оператора поступает звуковое сообщение.
Перепад давления в сепараторах 331С103-1 (331С103-2) измеряется приборами 331PdT814-1 (331PdT814-2). При повышении перепада давления до 10 кПа включается сигнализация 331PdAH814-1 (331PdAH814-2) и на монитор рабочего места оператора поступает звуковое сообщение.
Давление газа с нагнетания 2-ой ступени компрессоров 331АК01-1 (331АК01-2) после 331С103-1 (С103-2) до основного крана КШ114-1 (КШ114-2) измеряется прибором РТ128-1 (РТ128-2) с регистрацией показаний на мониторе рабочего места оператора. Давление газа в коллекторе нагнетания после КШ114-1 (КШ114-2) измеряется прибором РТ129-1 (РТ129-2) с регистрацией показаний на мониторе рабочего места оператора. Давление газа с нагнетания 2-ой ступени компрессоров 331АК01-1 (331АК01-2) после диафрагмы ДФ101-1 (ДФ101-2), установленной между основным краном КШ114-1 (КШ114-2) и краном-дублёром основного крана КШ116-1 (КШ116-2), измеряется приборами РТ136-1 (РТ136-2), РТ137-1 (РТ137-2) с регистрацией показаний на мониторе рабочего места оператора. Перепад давления на диафрагме ДФ101-1 (ДФ101-2) измеряется приборами PdT138-1 (PdT138-2), PdT139-1 (PdT139-2) с регистрацией показаний на мониторе рабочего места оператора.
Температура газа с нагнетания 2-ой ступени компрессоров 331АК01-1 (331АК01-2) после основного крана КШ114-1 (КШ114-2) измеряется прибором ТЕ111-1 (ТЕ111-2) с регистрацией показаний на мониторе рабочего места оператора, регулируется клапаном КД102-1 (КД102-2), который установлен на трубопроводе подачи горячего газа с нагнетания компрессоров 331АК01-1 (331АК01-2) на смешение с охлажденным газом после сепараторов 331С103-1 (331С103-2).
При понижении давления газа до 61 кгс/см2 включается сигнализация 331PAL504 и на монитор рабочего места оператора поступает звуковое сообщение. При повышении давления газа до 65 кгс/см2 включается сигнализация 331РАН504 и на монитор рабочего места оператора поступает звуковое сообщение.
Температура скомпримированного газа в выходном коллекторе измеряется прибором ТЕ501 с регистрацией показаний на мониторе рабочего места оператора. Расход скомпримированного газа на выходном коллекторе измеряется прибором FТ504 с регистрацией показаний на мониторе рабочего места оператора. При понижении расхода газа до 20600 м3/час включается сигнализация 331FAL504 и на монитор рабочего места оператора поступает звуковое сообщение.
Жидкие углеводороды, отсепарированные во входном, промежуточном, конечном сепараторах соответственно С101-1(2), С102-1(2), С103-1(2), сливаются в подземные ёмкости 339В09, 335В13 или в 331В06. Слив углеводородов из корпуса компрессоров в подземную ёмкость производится во время остановки компрессора.
Сброс газа с предохранительных клапанов и со сбросных устройств осуществляется на факел низкого давления. Сброс азота, вытесняемого очищенным газом с компрессорной установки перед ее пуском, осуществляется на свечу.
При остановке У-331 на ремонт предусмотрена работа компрессоров на газе стабилизации и выветривания с У-730, У-930, экспанзерных газах, газах стабилизации и выветривания с установок 1,2,3У-70, У-02,03, 1,2,3У-370, У-30, У-32, У09. В этом случае отделение 331 (вместе с сепараторами 331В04, 331В05В, А) глушится от коллекторов подачи газа выветривания и стабилизации на границе У-331.
Газ выветривания и стабилизации с У-730, У-930 поступают в сепараторы 331С105 и 331С104, где отбиваются от жидкости и направляются на редуцирующие клапаны 331PCV502 и 331PCV501(1,2), минуя сепараторы 331В04, 331В05В,А.
В зависимости от количества подаваемого на центробежные компрессоры газа предусматриваются следующие режимы работы:
- один компрессор в работе, один в резерве;
- оба компрессора в работе.
При необходимости компримирование газа производится поршневыми компрессорами 331К01А.В, которые остаются в резерве. Необходимые условия работы для поршневых компрессоров, находящихся в резерве:
- давление всаса 1-ой ступени не менее 10 кгс/см2 ;
- давление всаса 2-ой ступени не менее 20 кгс/см2.
При загрузках газа до 40000 м3/час в работе находится один центробежный компрессор. При увеличении выработки углеводородного конденсата установками У-330, У-730, У-32, У-930 соответственно увеличивается расход газа. При загрузках газа от 40000 м3/час до 80000 м3/час включается в работу резервный центробежный компрессор.
В случае останова одного из центробежных компрессоров включается в работу поршневой компрессор 331К01А или 331К01В, оставшийся в работе центробежный компрессор останавливается. Совместная работа поршневых и центробежных компрессоров не допускается.
4 Порядок технического обслуживания процесса
При эксплуатации компрессора необходимо придерживаться требований настоящей инструкции, правил, норм и инструкций по промышленной безопасности, действующих на ГПЗ:
- не допускать при пуске компрессора присутствия лиц, которые не участвуют в пуске;
- не находиться в зоне расположения зубчатой муфты;
- не запускать компрессор, пока не запущена и не отрегулирована система смазки и СГУ;
- не подавать в компрессор рабочий газ, если не работает система газодинамических сухих уплотнений;
- не допускать работу компрессора в помпажном режиме.
Пульсация (помпаж) компрессора вызывается нарушением нормальных условий технологического режима, которое создаёт противодавление в нагнетательном коллекторе.
Для безопасной работы компрессоров 331А-К01-1 (331А-К01-2) предусмотрен контроль следующих параметров:
- ТЕ201 температура опорного подшипника компрессора точка 3;
- ТЕ202 температура опорного подшипника компрессора точка 1;
- ТЕ203 температура опорного подшипника компрессора точка 2.
При повышении температуры подшипников до 85 ºС срабатывают сигналы 331ТАН201, 331ТАН202, 331ТАН203.
При повышении температуры подшипников до 95 ºС включается блокировка 331ТАНН201, 331ТАНН202, 331ТАНН203, поступает звуковое сообщение на монитор рабочего места оператора и происходит автоматическая остановка электродвигателя компрессора 331АК01-1 или 331А-К01-2.
При высоком виброперемещении передней опоры вала корпуса компрессора (50 мкм) срабатывает сигнал 331GAH2-1 (331GAH2-2). При высоком виброперемещении задней опоры вала корпуса компрессора (50 мкм) срабатывает сигнал 331GAH2-1 (331GAH2-2). При очень высоком виброперемещении передней и задней опоры вала корпуса компрессора (65мкм) включается блокировка 331GAHН1-1 (331GAНH2-2) и 331GAHН2-1 (331GAНH3-2) и происходит автоматическая остановка электродвигателя компрессора 331АК01-1 или 331АК01-2.
При высоком осевом сдвиге вала корпуса компрессора (0,4 мм) срабатывает сигнал 331GAH3-1 (331GAH3-2).
При осевом сдвиге вала корпуса компрессора (0,6 мм) включается блокировка 331GAHН3-1 (331GAHН3-2) и происходит автоматическая остановка электродвигателя компрессора 331АК01-1 или 331АК01-2.
При высокой температуре масла на сливе из упорного подшипника 85 ºС срабатывают предупредительная сигнализация 331ТАН201-1(2), при повышении температуры масла до 90 ºС включается блокировка 331ТАНН201-1(2) и происходит автоматическая остановка компрессора 331АК01-1 или 331АК01-2.
При высокой температуре (масла на сливе из опорных подшипников со стороны упорного подшипника и со стороны мультипликатора) 85 ºС включается сигнализация 331ТАН202-1(2), 331ТАН203-1(2) и поступает звуковое сообщение на монитор рабочего места оператора.
При повышении температуры масла до 95 ºС включается блокировка 331ТАНН202-1(2), 331ТАНН203-1(2) и происходит автоматическая остановка компрессора 331АК01-1 или 331АК01-2.
Для безопасной работы основного электродвигателя предусмотрен контроль следующих параметров:
Температура подшипников электродвигателя точки 15, точки 16. При повышении температуры подшипников до 80 оС включается сигнализация 331ТАН15-1(2), 331ТАН16-1(2) и поступает звуковое сообщение на монитор рабочего места оператора. При дальнейшем повышении температуры до 85 оС включается блокировка 331ТАНН15-1(2), 331ТАНН16-1(2), поступает звуковое сообщение на монитор рабочего места оператора и происходит автоматическая остановка компрессора 331АК01-1 или 331АК01-2.
Температура воздуха охлаждения электродвигателя контролируется приборами ТЕ7, ТЕ8, ТЕ9, ТЕ10. При повышении температуры зондов электродвигателя до 65 оС включается сигнализация 331ТАН7, ТАН10 и поступает звуковое сообщение на монитор рабочего места оператора. При дальнейшем повышение температуры зондов до 75 оС включается блокировка 331ТАНН7, 331ТАНН10, поступает звуковое сообщение на монитор рабочего места оператора и происходит автоматическая остановка электродвигателя компрессора 331АК01-1 или 331АК01-2.
При высокой виброскорости передней и задней опоры электродвигателя (7 мм/сек) включается сигнализация 331ZАН8-1(2), 331ZАН9-1(2) и поступает звуковое сообщение на монитор рабочего места оператора. При дальнейшем повышении виброскорости до 10 мм/сек, включается блокировка ZАНН8-1(2), ZАНН9-1(2), поступает звуковое сообщение на монитор рабочего места оператора и происходит автоматическая остановка электродвигателя компрессора 331АК01-1 или 331АК01-2.
Давление воздуха продувки и вентиляции электродвигателя контролируется приборами РТ1, РТ2, РТ3, РТ4, РТ5. При давлении воздуха продувки и вентиляции 0,003 кгс/см2 включается блокировка PALL-1(2) ), поступает звуковое сообщение на монитор рабочего места оператора и происходит автоматическая остановка электродвигателя компрессора 331АК01-1 или 331АК01-2 с задержкой времени 5сек.
На компрессорной установке контролируются следующие параметры:
Низкое давление воздуха КИП на установке 331А, при 0,4 МПа срабатывает сигнализация 331PAL7.
Высокое содержание углеводородов в машзале установки 331А при 20 % от НКПВ (первый порог) срабатывает световой и звуковой сигнал в машзале, сообщение на мониторе оператора. Включение вытяжных вентиляторов В-1, В-2, В-3, В-4, В-5, В6-1, В6-2, В-7. 331QAH-1 точки 1-7.
При 50 % (второй порог) срабатывает световой и звуковой сигнал в машзале, сообщение на мониторе оператора. Включение аварийно-вытяжной вентиляции В-1, В-2, В-3, В-4, В-5, В6-1, В6-2, В-7. 331QAHН-1 точки 1-7.
Высокое содержание углеводородов на машдворе установки 331А при 20 % от НКПВ (первый порог) и 50 % от НКПВ (второй порог) 331QAH-1,331QAHН-1 точки 1-7 включается световая и звуковая сигнализация. Появляется сообщение на мониторе оператора на мониторе рабочего места оператора.
Высокое содержание сероводорода в машзале установки 331А 3 мг/м³ (первый порог), очень высокое содержание сероводорода 10 мг/м³ (второй порог) 331QAH-3, 331QAHН-3 точки 1-4, включается световой и звуковой сигнал в машзале, сообщение на мониторе оператора. Включение аварийно-вытяжных вентиляторов В-1, В-2, В-3, В-4, В-5, В6-1, В6-2, В-7.
Высокое содержание сероводорода на машдворе установки 331А 3 мг/м³ (первый порог), очень высокое содержание сероводорода 10 мг/м³ (второй порог) 331QAH-3, 331QAHН-3 точки 5-7, включается световой и звуковой сигнал в машзале установки 331А, появляется сообщение на мониторе рабочего места оператора.
В случае пожара в машзале установки 331А включается световой и звуковой сигнал в машзале, появляется сообщение на мониторе рабочего места оператора. Отключение аварийно-вытяжных вентиляторов В-1, В-2, В-3, В-4, В-5, В6-1, В6-2, В-7 и приточных вентиляторов П1-1, П1-2, П2-1, П2-2. Обслуживающий персонал установки 331А действует на основании плана ликвидации аварии.
Во избежание возникновения пожара необходимо:
- не допускать пропуска газа во фланцевых соединениях и через концевые уплотнения;
- перед пуском продувать компрессор инертным газом (азотом). Степень продувки контролировать анализом кислорода в продувочном газе (не более 1 %);
- следить за правильностью распределения давления по ступеням;
- следить за температурой охлаждающей воды на выходе (не более 40 ºС);
- следить за температурой газа в конце сжатия каждой ступени;
- следить за исправным состоянием предохранительных клапанов;
- следить за затяжкой фундаментных болтов компрессора и его агрегатов, так как все болты должны быть затянуты равномерно;
- следить за состоянием фундамента;
- содержать в чистоте компрессор и помещение машзала;
- следить за сливом масла из охладителя при остановке компрессора;
- следить за уровнем масла в аварийном баке.
5 Описание действующей системы автоматики
Система автоматического управления газоперекачивающим агрегатом 4ГЦ2-130/6-65 на базе комплекса средств контроля и управления МСКУ-СС 4510-55-06 предназначена для автоматического выполнения задач управления и регулирования агрегата 4ГЦ2-130/6-65 с электрическим двигателем, центробежным нагнетателем и вспомогательным технологическим оборудованием.
Составные части САУ размещаются в операторной ПЭБ, в блоке автоматики, в блоках и отсеках ЭГПА.
Объектом управления САУ является газоперекачивающий агрегат 4ГЦ2-130/6-65, содержащий центробежный нагнетатель, синхронный электрический двигатель с асинхронным запуском, а также оборудование и системы, обеспечивающие их работу:
- крановую обвязку ЭГПА;
- систему маслоснабжения, включающую маслосистему смазки двигателя, маслосистему уплотнения нагнетателя, маслосистему дегазации масла, систему охлаждения газа.
Описание устройства и работы САУ проводятся по структурной схеме САУ, приведенной на рисунке 4.
Работа с САУ осуществляются с помощью ПЭВМ пульта оператора и панели управления (ПУ).
САУ построена на базе комплекса средств контроля и управления МСКУ-СС 4510-55-06 (в дальнейшем - МСКУ), осуществляющего прием и обработку входных сигналов от аналоговых и дискретных датчиков объекта и формирование команд управления исполнительными механизмами. Технические средства МСКУ размещены в двух двусторонних приборных шкафах , которые устанавливаются в помещении ПЭБ. Основными компонентами МСКУ являются устройство управления (УУ), устройство регулирования (УР) и устройства связи с объектом дискретные (УСОД 1, УСОД 2). Описание и работа комплекса МСКУ приведены в руководстве по эксплуатации на комплекс 31.024500.07-55-06РЭ.

Рисунок 4 - Структурная схема САУ ЭГПА
В состав САУ входят аналоговые датчики технологических параметров САУ:
термопреобразователи сопротивления ТСМ 50М по ГОСТ Р 50353-92;
датчики
- давления типа «Метран-43Ф-Ех»;
- перепада давления типа «Метран-43Ф-Ех»;
- уровня типа «Сапфир-22ДУ-Ех»
с выходным сигналом постоянного тока 4-20 мА;
датчики
- виброскорости ИКЛЖ.402248.004-ПН1/ПЭ2/L3;
- виброперемещения ИКЛЖ.402248.003-ПН5/2ПВ2/2L3;
- осевого сдвига ИКЛЖ.402218.003-ПН2/ПВ2/L2
с выходным сигналом постоянного тока 4-20 мА.
5.1 Обзор технологии ОPC
Сравнительно давно в АСУ ТП обмен данными между программами и устройствами осуществляется с использованием стандарта OPC. Стандарт разработан ассоциацией OPC Foundation. По сути стандарт является аналогом технологии Plug’n’Play для программного обеспечения в сфере промышленной автоматизации. В настоящее время в ассоциации более 500 членов, и поддержка стандарта осуществляется всеми крупными производителями аппаратных и программных средств АСУ ТП и промышленными ассоциациями.
Технология OPC позволяет различным программным модулям, разработанным самостоятельно или другими компаниями, взаимодействовать друг с другом через унифицированный интерфейс. Стандарт OPC описывает два типа интерфейсов для приложений.
Первый тип интерфейса предназначен для обмена большими объёмами информации при высокой пропускной способности. Это специализированный интерфейс OLE custom interface. Второй тип интерфейса – OLE Automation interface – позволяет получать доступ к данным более простым способом. Он предназначен для использования в программах, написанных на языках Visual Basic (VB) и Visual Basic для приложений (VBA). Основным объектом данной технологии является OPC-сервер, который отвечает за получение данных, запрошенных клиентом, от соответствующего устройства управления процессом. На каждом сервере имеется некоторое количество OPC-групп, объединяющих наборы данных, запрос на получение которых поступил от клиента. Группы на сервере могут быть доступны нескольким клиентам одновременно или только одному клиенту. OPC группа содержит набор OPC-элементов, в которых хранятся данные, поступившие от соответствующего устройства управления процессами. Клиент может произвольно объединять элементы в группы. Схематично это изображено на рисунке 5.

Рисунок 5 – Структурная схема работы технологии OPC
В основе стандарта ОРС лежит технология DCOM (Distributed Component Object Model). Эта технология, встроенная в Windows, предназначена для организации взаимодействия между различными приложениями, в том числе и между приложениями, работающими на разных компьютерах. В настоящее время DCOM является основным средством взаимодействия программ в системе. Благодаря этой технологии между программами происходит двусторонний обмен, который позволяет не только клиенту вызывать функции сервера, но и серверу вызывать функции клиента.
Но при передаче данных на большие расстояния, что безусловно необходимо для АСУ ТП, DCOM имеет серьёзные недостатки. Один из главных недостатков — неприспособленность для работы в глобальной сети Интернет. Основная причина-
-это применение межсетевых экранов, или брандмауэров, которые защищают компьютер от несанкционированного доступа извне. Защита организована таким образом, что весь обмен по сети проходит через брандмауэр. Сетевой экран анализирует передаваемые пакеты, и если информация не соответствует настройкам системы безопасности, их прохождение блокируется. Технология DCOM может использовать различные транспортные протоколы для передачи данных, но преимущественно применяется TCP/IP. Обычно брандмауэры настраивают таким образом, чтобы максимально ограничить количество портов для выхода в глобальную сеть. Порты, используемые DCOM, чаще всего не являются разрешёнными для обмена данными, и открытие их существенно ослабляет защищённость от несанкционированного доступа.
Для решения этой проблемы можно использовать технологию туннелинга (tunneling) TCP, с помощью которой осуществляется передача данных через стандартный 80й порт брандмауэра. Этот порт обычно используется для передачи данных по HTTP –протоколу (протокол передачи гипертекста), и поэтому он, как правило, открыт. Но для осуществления туннелинга и передачи данных требуется установка специального программного обеспечения, входящего в Windows, COM Internet Services и IIS web-сервер (Internet Information Server). Успешный доступ через DCOM происходит в том случае, когда компьютеры находятся в одном домене или в одной рабочей группе, что указывает на возможность использования туннелинга TCP соответствующим образом настроенными брандмауэрами в пределах одного домена. Кроме проблем, связанных с передачей данных, существуют проблемы с аутентификацией клиента.
Учитывая данные сложности, ОРС-сообщество за последние 5 лет разработало универсальный ОРС-сервер (OPC UA) для систем HMI/SCADA. Технология OPC UA позволяет обеспечить надёжную связь клиентов, доступ к серверам данных через локальные вычислительные сети и Интернет, защищённое использование web-служб (http://www.opcfoundation.org). Фирма Iconics входит в число основателей ОРС-сообщества, давно иуспешно работает в области создания приложений, базирующихся на ОРС-технологии. В новой версии SCADA-системы GENESIS32 V9 Iconics используется встроенная поддержка технологии OPC UA и туннелинг OPC (компонент DataWorX32). Новая технология туннелинга OPC включена во все модификации DataWorX32 V9 и позволяет связывать удалённый OPC-сервер с локальными клиентами устойчивым и безопасным способом. Туннелинг OPC основан на мощной коммуникационной платформе GenBroker™, которая обеспечивает высокоэффективную и устойчивую связь, заменяя протокол DCOM Microsoft. Функциональная схема туннелинга OPC представлена на рисунке 6.

Рисунок 6 – OPC-архитектура туннелинга
Все OPC совместимые приложения-клиенты могут обмениваться данными с локальными устройствами или по сети. Кроме того, обмен может осуществляться более чем с одним сервером OPC одновременно.
6 Сравнение существующих готовых решений САУ ГПА
6.1 Программно-технический комплекс АСКУД-01 НПК РИТМ
Система предназначена для автоматизированного контроля, управления и диагностирования работоспособности турбокомпрессорного и прочего оборудования на предприятиях нефтегазового и теплоэнергетического комплексов, химической и энергетической промышленностей.
Система построена по принципу открытой архитектуры на базе измерительных и управляющих модулей, работающих по каналу RS485 в протоколе Modbus RTU с многоуровневым резервированием.
Резервирование осуществляется за счет применения программных и технических средств, обеспечивающих работу системы: - в автоматическом режиме с управлением и выводом информации на компьютер; - в автоматизированном режиме с управлением и выводом информации на специальный пульт управления; - в ручном режиме с управлением от пульта ручного управления; - с питанием от резервного источника бесперебойного питания и аккумуляторов.
Система обеспечивает автоматический контроль технологических параметров узлов агрегатов и внешнего оборудования:
- температуры при использовании датчиков температуры (термопары и термосопротивления различных типов);
- давления, перепада давления, уровня жидкости при использовании различных датчиков с токовым выходом;
- осевого сдвига и смещения валов;
- определение коэффициента устойчивости к помпажу;
- вибрационных параметров, включая спектральный анализ вибрации;
- дискретных состояний различных устройств;
- вывод контролируемых параметров на дисплей компьютера и вспомогательные устройства индикации; - сигнализацию о выходе контролируемых параметров за допустимые значения; - автоматическое, автоматизированное и ручное управление работой оборудования путем:
- управления исполнительными устройствами с токовым входом;
- управления исполнительными устройствами с дискретными входами;
- автоматическую защиту оборудования при возникновении критических ситуаций, в том числе помпажа; - долговременное хранение результатов контроля и действий операторов; - вывод временных графиков изменения контролируемых параметров.
Технические характеристики системы:
Количество измерительных и управляющих каналов с отображением значений на дисплее и панелях индикации:
- измерение электрических сигналов датчиков количеством до 128; - контроль состояния дискретных датчиков количеством до 256; - управление исполнительными устройствами с аналоговыми входами количеством до 16; - управление дискретными исполнительными устройствами количеством до 32.
Погрешность измерения и преобразования электрических сигналов в физические параметры:
- измерения сопротивления и преобразования его в температуру с любых видов датчиков термосопротивления не хуже 0,3 %; - измерения термо-ЭДС и преобразования его в температуру с любых видов датчиков термопар не хуже 0,3 %; - измерения напряжения постоянного тока в диапазоне от 0 до 10 В не хуже 0,3 %;
- измерения тока 0 – 20 мА и преобразования его в давление, перепад давления и уровень не хуже 0,3 %; - измерения периода следования импульсов от 0,1 Гц до 1000 Гц и преобразования их в скорость вращения валов не хуже 5 %; - измерения осевого сдвига в диапазоне от 100 мкм до 2500 мкм не хуже 5 %; - измерения изменения зазора в полосе частот от 1 Гц до 1 кГц и диапазоне до 200 мкм не хуже 5 %; - измерения среднеквадратичного значения амплитуды вибрации в полосе частот по ГОСТ не хуже 5 %; - измерения амплитуды в полосе частот от 1Гц до 10 кГц с неравномерность 0,1 дБ с погрешностью не хуже 1 дБ.
Контроль состояния дискретных сигналов коммутационной способностью: по напряжению от 0 до24В по току до 10 мА.
Управления силовыми установками по напряжению управления до 250В по току до 70 мА/
Управление силовыми установками с аналоговым управлением:
- ток управления 0-5 мА с входным сопротивлением до 4 кОм;
- ток управления 0-20 мА с входным сопротивлением до 1 кОм.
6.2 Программно-технический комплекс САУ ГПА СНПО «Импульс»
Функции управления:
- проверка пусковой готовности;
- проверка исправности каналов защиты ГПА;
- «холодная» прокрутка двигателя;
- автоматический пуск ГПА с автоматическим выводом его на заданный режим;
- нормальный останов;
- аварийный останов со стравливанием или без стравливания газа;
- антипомпажное регулирование и защита;
- автоматическое управление дозатором топливного газа;
- автоматическое управление исполнительными механизмами и кранами газовой обвязки агрегата;
- отработка режимов работы, задаваемых оператором;
- автоматическая защита по технологическим параметрам;
- дистанционное управление исполнительными механизмами с панели управления и от рабочей станции;
- автоматический перезапуск вспомогательных механизмов по заданному алгоритму;
- экстренный останов ГПА по заданному алгоритму экстренного останова по команде оператора.
Функции контроля:
- автоматический непрерывный контроль исправности цепей управления ответственными механизмами и вспомогательным оборудованием;
- автоматический непрерывный контроль цепей аналоговых датчиков и цепей дискретных датчиков, участвующих в аварийных защитах;
- контроль состояния оборудования и отклонений технологических параметров при достижении параметрами предельных значений (уставок);
- автоматический контроль исправности САУ ГПА на уровне блоков;
- защита ПО САУ ГПА от несанкционированного доступа. Информационные функции:
- непрерывный контроль технологических параметров;
- вызов группы контролируемых параметров с отображением в виде трендов;
- отображение вычисляемых параметров;
- представление на экране рабочей станции мнемосхем агрегата;
- постоянное представление на цифровых табло температуры газа, частоты вращения и перепада давлений «масло-газ»;
- отображение, звуковая и мигающая световая сигнализации при достижении технологическими параметрами предупредительных и аварийных уставок;
- представление информации о невыполненных предпусковых условиях;
- представление информации об основных режимах работы агрегата;
- запоминание сигналов, вызвавших аварийный останов, а также значений основных параметров агрегата, положения исполнительных механизмов и кранов при срабатывании защиты с возможностями ретроспективного анализа состояния агрегата (с дискретностью 0,1с) за 10 мин до начала аварии и 5 мин после аварии;
- формирование массивов текущей и ретроспективной информации в виде непрерывно обновляемых массивов данных технологических параметров, режимов работы, отклонения от заданных уставок и действий оператора;
- обмен информацией с системой управления высшего уровня; САУ ГПА обеспечивает следующее быстродействие для измерительных, вычислительных, управляющих и информационных каналов:
- время от изменения текущего значения параметра до выдачи выходного сигнала на исполнительный механизм:
- для функций логического управления и защиты ГПА, не более - 0,3 с;
- время от изменения текущего значения параметра до его выдачи на средство отображения или до его записи в архив, учитывая скорость обмена информацией между ШКУ и РСО ГПА, не более:
- для функций архивации - 0,1 с; - для функций представления визуальной информации - 1,0 с.
Таблица 9 – Основные характеристики САУ ГПА СНПО «Импульс»
|
Параметры системы |
Параметры сигналов |
Количество каналов, шт. |
|
Аналоговые входные: |
|
|
|
Температура ТС, ТП |
0 - 200 Ом, 0 - 80 мВ |
Не менее 16 |
|
Давление, перепад давления, уровень, вибрация |
4 - 20 мА |
не менее 32 |
|
Частота вращения двигателя |
0 - 4000 Гц |
Не менее 8 |
|
Дискретные входные: |
|
|
|
Типа "сухой контакт" с контролем линии cвязи |
0 - 130 Ом - замкнутый, 1.4 - 1.8 кОм - разомкнутый, > 20 кОм - обрыв |
Не менее 112 |
|
Контроль цепей исполнительных механизмов |
~220 В,-220 В,-27 В |
Не менее 64 |
|
Дискретные выходные: |
|
|
|
Управление исполнительными механизмами постоянного и переменного тока (напряжение/ток) |
27 В/5 А, 220 В/3 А |
Не менее 64 |
|
Аналоговые выходные: |
|
|
|
Управление исполнительными механизмами |
4 - 20 мА |
Не менее 16 |
7 Выбор значимых технологических параметров
Наиболее удобными и наглядными параметрами ГПА, для которых возможно использование автоматического контроля – это такие параметры, которые достаточно медленно изменяются во времени и не имеют своих подсистем регулирования. Обычно такие параметры контролируются системой аварийной сигнализации и не контролируются напрямую оператором, так как имеются более важные параметры.
Подобными «второстепенными» параметрами в газоперекачивающем агрегате являются различные температуры, в частности температуры подшипников входного и выходного валов мультипликатора, а также приводного вала компрессора. Таких подшипников в системе ГПА насчитывается 6 штук. Для каждого из них установлен датчик температуры, а в системе автоматического управления - граничное значение, в случае достижения которого происходит автоматический аварийный останов компрессора.
Эти параметры ввиду их большого количества и относительной стабильности обычно не выводятся на экран оператора, но все же зачастую могут явиться причиной отключения установки. В этом случае лучше всего использовать систему автоматического контроля, которая бы обращала внимание оператора на эти параметры только в случае определенной интенсивности их изменения (возрастания).
Далее на рисунках 7 и 8 приведены графики нормальных режимов работы этих подшипников.

Рисунок 7 – Нормальный режим работы подшипников (TE204, ТЕ205) за 10 часов

Рисунок 8 – Нормальный режим работы подшипников (TE206, ТЕ207) за 15 часов
8 Описание разработанной системы автоматического контроля технологических параметров
8.1 Функциональное назначение программы
Программный модуль автоматического контроля технологических параметров «КонТех» предназначен для динамического контроля изменяющихся во времени технологических параметров промышленных объектов, имеющих установленные для них граничные значения. При проявлении положительной динамики параметра относительно его граничного значения, модуль «КонТех» выдает сообщение, в котором указывается имя отклоняющегося от нормы параметра, интенсивность его изменения, а также расчетное время достижения граничного значения, что позволяет заблаговременно обратить внимание оператора на отклонения в технологическом процессе и соответственно, дает возможность предупредить развитие нештатной ситуации.
8.1.1 Область применения
Программный модуль автоматического контроля технологических параметров «КонТех» предназначен для использования на ПЭВМ операторов установок и объектов промышленных предприятий, где имеется необходимость слежения за большим числом изменяющихся во времени технологических параметров.
8.1.2 Ограничения применения
Программный модуль автоматического контроля технологических параметров «КонТех» работает на персональных компьютерах с установленной операционной системой Microsoft Windows 9.x/NT5.x (98, ME, 2000, XP). Также необходимо наличие работающего в системе OPC сервера, предоставляющего текущие данные технологических параметров.
8.1.3 Используемые технические средства
Минимальные системные требования:
- персональный компьютер – IBM PC 686 (Pentium II,K6-2);
- оперативная память – не менее 128 Мбайт;
- разрешение экрана (SVGA) – не менее 1024х768.
8.2 Специальные условия применения
Специальным условием работы программного модуля автоматического контроля технологических параметров является наличие установленного и работающего в системе OPC сервера, предоставляющего текущие данные о технологических параметрах.
Для учебных целей, а также для тестирования и ознакомления с программным модулем КонТех рекомендуется использовать свободно распространяемый демонстрационный пример OPC сервера Graybox Simulator фирмы Graybox Software. Программный модуль автоматического контроля технологических параметров «КонТех» представляет собой независимое приложение, которое может быть:
– записано на компакт-диск;
– запускаться с жесткого диска персонального компьютера;
8.3 Руководство пользователя
Для ознакомления с программным средством автоматического контроля технологических параметров, необходимо в первую очередь убедиться, что в системе запущен OPC сервер, который будет предоставлять текущие данные для обработки. В качестве примера можно установить свободно распространяемый демонстрационный пример OPC сервера Graybox Simulator фирмы Graybox Software, который будет динамически генерировать различные случайные значения объектов сервера (симуляция изменяющихся технологических параметров).
После установки OPC сервера можно запускать программный модуль двойным щелчком мыши по исполняемому файлу KonTeсh.exe После запуска открывается главное окно программы (Рисунок 9).

Рисунок 9 – Главное рабочее окно программы
Далее необходимо в выпадающем меню выбрать один из установленных в системе OPC серверов, например Graybox.Simulator.1 и нажать кнопку «Подключиться». Теперь приложение работает в качестве клиента выбранного сервера и может получать с него необходимые данные. Для того, чтобы выбрать нужные параметры для контроля, нужно нажать кнопку «Добавить параметры для слежения». Это действие откроет диалог выбора объектов контроля. (рисунок 10).
В случае использования демонстрационного сервера Graybox Simulator, лучше всего перейти в раздел numeric -> random и в появившемся списке выбрать любые несколько параметров вещественного или целочисленного типа, например Uint8, Uint32 и float (рисунок 11)

Рисунок 10 – Диалог выбора объектов контроля

Рисунок 11 – Список объектов раздела random
После выбора необходимых параметров нужно нажать кнопку «Open».
Далее открывается окно ввода параметров прогнозирования (Рисунок 12), где необходимо указать для каждого из выбранных объектов длительность опроса, перерыв между опросами, граничное значение и предельное время прогнозирования.
Длительность опроса – это время, в течение которого модуль будет записывать в память текущие значения выбранного объекта и находить среднее значение за этот период. На основании двух таких опросов и, соответственно перерыва между ними, делается вывод о том, проявляет ли параметр положительную динамику по отношению к введенному граничному значению или нет. Для предотвращения ложных срабатываний, необходимо ввести предельное время прогнозирования. В случае, если расчетное время достижения граничного значения больше введенного предельного, программный модуль будет продолжать работу без вывода какой-либо информации.

Рисунок 12 – Окно ввода параметров прогнозирования
Далее необходимо нажать кнопку «Применить», после чего вновь откроется главное окно программного модуля. В таблице будет всегда выводиться текущая информация о последнем снятом значении, интенсивности изменения, прогнозируемом времени достижения граничного значения и средних значениях каждого параметра в двух последних интервалах опроса.
В случае, если какой-либо из параметров начинает стремиться к своему граничному значению, и расчетное время оказывается меньше предельного установленного, то на экране появляется окно с предупреждением (рисунок 13), в котором будет выводиться имя параметра, интенсивность его изменения, а также расчетное (прогнозируемое) время достижения им граничного значения. Это окно можно закрыть, нажав кнопку «ОК».

Рисунок 13 – Окно предупреждения
9 Лабораторный стенд
9.1 Описание лабораторного стенда
Разработанный лабораторный стенд предназначен для сбора аналоговых сигналов с измерительных преобразователей, преобразования их в цифровую форму, передачей их в ПК через параллельный порт и последующей обработки этих данных разработанной программной системой автоматического контроля технологических параметров.
9.2 Структура лабораторного стенда
Лабораторный стенд основывается на интегральной микросхеме аналого-цифрового преобразователя 572ПВ4, которая представляет собой 8-ми канальную 8-ми разрядную систему сбора данных (ССД) (Рисунок 14) Она обеспечивает непосредственное сопряжение с микропроцессорами, имеющими раздельные и общие шины адреса и данных.
Управление микросхемой осуществляется от микропроцессора логическими сигналами ТТЛ и КМОП уровней. Режим прямого доступа к памяти реализуется в соответствии с алгоритмом последовательной обработки аналоговых сигналов по восьми независимым входам. По заданному алгоритму в микросхеме производится последовательный опрос и выбор канала с последующим преобразованием входного напряжения при помощи АЦП последовательного приближения. В течение всего периода преобразования, равного сумме времен преобразования в каждом из восьми каналов, цифровая информация хранится во внутреннем ОЗУ, что обеспечивает прямой доступ к памяти в любой момент времени. Смена данных в ОЗУ происходит только в конце каждого цикла преобразования в соответствии с номером опрашиваемого канала. Адрес выбранного канала определяется кодом, записанным в адресные шины A0-A2. Структурная схема данного АЦП представлена на рисунке 11.

Рисунок 14 – Структурная схема 8-канальной ССД 572ПВ4
Назначение выводов микросхемы представлено в таблице 10.
Таблица 10 – Назначение выводов микросхемы 572ПВ4
|
Обозначение вывода |
Назначение |
Номер вывода |
|
1 |
2 |
3 |
|
A0-A2 |
Адресные входы, А0-МЗР |
17..19 |
|
AIN1-AIN8 |
Аналоговые входы |
9..2 |
|
ALE |
Разрешение защелкивания адреса |
16 |
|
BOFS |
Вход коМПаратора напряжения |
1 |
|
CLK |
Вход тактового сигнала |
15 |
|
CS |
Вход управления считывания данных ОЗУ |
13 |
|
D0-D7 |
Выходы 0-7 разрядов |
27..20 |
|
GND |
Земля |
14 |
|
STAT |
Выход сигнала состояния |
12 |
|
Vcc |
Напряжение питания |
28 |
|
Vref+, Vref- |
Опорное напряжение |
10, 11 |
В разработанном стенде имеется 2 режима работы: измерение биполярного напряжения от -5В до +5В и однополярного от 0 В до 10 В. Соответственно наименьшее измеряемое преобразователем напряжение будет составлять 10/256 = 0,039 В. Для использования в учебных целях этого будет вполне достаточно.
Цикл преобразования с использованием метода последовательного приближения при измерении напряжения одного канала составляет 66 мкс. Соответственно, имеется возможность измерения напряжений лишь для относительно медленно протекающих процессов, к примеру, тепловых.
В преобразователе имеется 8 каналов аналогового входа, восемь линий передачи данных и три адресные линии, которые обеспечивают возможность выбора одного из восьми входов. Для преобразователя необходим генератор тактовых импульсов с частотой, не превышающей 1,2 МГц.
У данного преобразователя имеется один недостаток: входное сопротивление не превышает 2кОм, что в некоторых случаях может быть недостаточно. Для улучшения этого параметра достаточно установить перед каждым из восьми входов повторитель напряжения на операционном усилителе. Это позволит при желании поднять импеданс до нескольких мегаом. Для измерения более высоких напряжений достаточно установить аттенюаторы из прецизионных резисторов на входе операционных усилителей.
9.3 Принципиальная электрическая схема лабораторного стенда
Линиям преобразователя 572ПВ4 (DD1) предшествует 8 буферных повторителей микросхемы КР555АП13 (DD3). Они служат для защиты IC1 в случае ее неправильной установки. Линия СТРОБ, находясь в состоянии нижнего уровня, включает буфер и преобразователь и обеспечивает чтение.
Выбор входа для чтения выполняется при помощи линий ВЫБОР ВХОДА, НАЧАЛО, АВТОПОДАЧА.
Тактовая частота преобразователя 572ПВ4 задается кварцевым интегральным генератором.
При помощи перемычек операционный усилитель 1040УД1 (DA2) позволяет выбирать ввод однополярного или биполярного напряжения. Для измерения однополярного напряжения от 0 В до плюс 10 В следует:
- SW1 разомкнуть;
- SW2 разомкнуть;
- SW3 замкнуть.
Для измерения биполярного напряжения от минус 5 В до плюс 5 В следует:
- SW1 замкнуть;
- SW2 замкнуть;
- SW3 разомкнуть.
На входных линиях, ведущих к преобразователю, установлены подстроечные резисторы, предназначенные для регулировки точности преобразования.
Питание стенда осуществляется от небольшого трансформатора с двойными обмотками (средней точкой) напряжением 15 В. После выпрямления и фильтрации постоянные напряжения стабилизируются при помощи интегральных стабилизаторов напряжения КР142ЕН5А (DA4), КР142ЕН9Б (DA5), КР142ЕН12 (DA6), обеспечивающих напряжения плюс 5 В для питания цифровых микросхем , а также минус 12 В и плюс 12 В для аналоговой части схемы.
10 Обоснование экономического эффекта от применения САК технологических параметров ГПА
Исходные данные для расчета экономического эффекта от применения системы автоматического контроля технологических параметров представлены в таблице 10.1
10.1 Расчет затрат на создание САК
Таблица 10.1 – Исходные данные для расчета затрат на создание САК
|
Наименование показателя |
Единица измерения |
Условное обозначение |
Значение показателя |
|
1 |
2 |
3 |
4 |
|
Часовая тарифная ставка программиста |
руб/час |
Чтс |
60 |
|
Количество программистов |
чел |
Nпр |
1 |
|
Стоимость одного кВт/час |
руб |
Сэл |
2,21 |
|
Затраты труда на подготовку и описание программы |
час |
tп |
76 |
|
Затраты труда на написание программы |
час |
tн |
200 |
|
Затраты труда на отладку программы |
час |
tотл |
120 |
|
Затраты труда на опытную эксплуатацию |
час |
tэ |
74 |
|
Коэффициент, учитывающий дополнительную заработную плату |
% |
Кдз |
20 |
|
Районный коэффициент (уральский) |
% |
Курал |
15 |
|
Коэффициент отчисления на социальные нужды |
% |
Ксн |
26,2 |
|
Коэффициент, учитывающий прочие расходы |
% |
Кпр |
20 |
|
Стоимость диска CD-RW |
руб |
Сд |
20 |
|
Количество дисков |
шт |
Nд |
3 |
|
Стоимость одного бумажного листа формата А4 |
руб |
Слб |
1 |
|
Количество бумаги для черновиков |
шт |
Nлб |
90 |
|
Стоимость канцелярских товаров |
руб |
Ск.тов |
50 |
|
Цена компьютера |
руб |
Ск |
14000 |
|
Количество компьютеров |
шт |
Nк |
1 |
|
Норма годовых амортизационных отчислений на ЭВМ |
% |
Aм |
20 |
|
Норма годовых затрат на текущий ремонт ЭВМ |
% |
Нрем |
3 |
|
Мощность ЭВМ |
КВт |
МК |
0,25 |
Для расчета себестоимости САК используются цены на апрель 2009 г.
Себестоимость САК – Сп руб, определяется из следующих составляющих:
- затраты на зарплату программиста – Зз/п, руб;
- затраты на отчисления во внебюджетные фонды – Зотч, руб;
- затраты на материалы – Зм, руб;
- затраты на электроэнергию – Зэл, руб.;
- затраты на амортизацию ПЭВМ – За, руб.;
- затраты на текущий ремонт ПЭВМ – Зтр, руб;
- прочие затраты – Зпр, руб.
Таким образом, себестоимость будет рассчитываться по формуле:
Сп= Зз/п + Зотч + Зм + Зэл + За + Зтр + Зпр (10.1)
В свою очередь, расчет трудоемкости создания САК производится по формуле:
Тпр= tп + tн+ tотл+ tэ, (10.2)
где tп – затраты труда на подготовку и описание задачи, час;
tн – затраты труда на написание текста программы, час;
tотл – затраты труда на отладку программы, час;
tэ - затраты труда на опытную эксплуатацию, час.
Таким образом, по формуле (3.2) получим трудоемкость создания САК:
Тпр = 76 + 200 + 120 + 74 = 470 час.
Результаты расчета сведены в таблицу 10.2.
Таблица 10.2 – Трудоемкость создания САК технологических параметров ГПА
|
Статья трудовых затрат |
Значение, час |
|
Затраты труда на подготовку и описание задачи |
76 |
|
Затраты труда на написание текста программы |
200 |
|
Затраты труда на отладку программы |
120 |
|
Затраты труда на опытную эксплуатацию |
74 |
|
Итого |
470 |
Расчет затрат на зарплату программиста производится по формуле:
Зз/п = Чтс·Nпр· Nпр· Тпр· Кур· Кдз , (10.3)
где Зз/п – затраты на зарплату программиста, руб;
Чтс - часовая тарифная ставка программиста, руб./час;
Nпр – число программистов, чел.;
Тпр – трудоемкость создания САК, час;
Кур – районный коэффициент (уральский);
Кдз – коэффициент, учитывающий дополнительную заработную плату.
Зз/п = 60 ·1·470 ·1,15·1,2 = 38916 руб.
Затраты на отчисления во внебюджетные фонды составляют 26,2 % от заработной платы и рассчитываются по формуле:
Зотч = Зз/п /100·26,2, (10.4)
где Зотч – затраты на отчисления во внебюджетные фонды, руб.
Зотч = 38916 /100·26,2 = 10196 руб.
Расчет затрат на материалы производится по формуле:
Зм = Сд· Nд+Cлб+ Nлб+ Cк.тов, (10.5)
где Зм – затраты на материалы, руб;
Сд - стоимость одного диска, руб/шт;
Nд – количество дисков, шт.;
Слб - стоимость одного бумажного листа, руб/шт;
Nлб – количество бумаги для черновиков, шт.;
Ск. тов - стоимость канцелярских товаров, руб.
Используя формулу (1.5), получим затраты на материалы:
Зм = 20·3+1·90+50 = 200 руб.
Затраты на электроэнергию рассчитываются по формуле:
Зэл = Сэл · Тпр · МК, (10.6)
где Зэл – затраты на электроэнергию, руб;
Сэл - стоимость одного кВт·час электроэнергии, руб/кВт·ч.
Зэл =2,21·470·0,25 =260 руб
Расчет затрат на амортизацию ЭВМ производится по формуле:
За = Ск · (Ам/100)· Rзаг, (10.7)
где Ск – цена компьютера, руб;
Ам - годовой коэффициент амортизации;
Rзаг – коэффициент загруженности компьютера.
Рассчитаем годовой фонд времени и коэффициент загруженности компьютера:
Фt = 253·8 = 2024 ч.
Rзаг = 470/2024 =0,23
За = 14000·0,2·0,23 = 644 руб.
Затраты на текущий ремонт составляют 3 % от стоимости компьютера:
Зтр = 14000·0,03·0,23 = 97 руб.
Прочие затраты составляют 20 % от заработной платы:
Зпр = 38916 ·0,2 = 7783 руб.
Воспользовавшись формулой (1.1), можно подсчитать затраты на создание САК:
Сп = 38916+10196+200+260+644+97+7783= 58096 руб.
Таблица 1.3 – Затраты на разработку программной САК
|
Статьи затрат |
Значение, руб |
|
1 |
2 |
|
1 Заработная плата |
38916 |
|
2 Отчисления во внебюджетные фонды |
10196 |
|
3 Электроэнергия |
260 |
|
4 Затраты на материалы |
200 |
|
5 Затраты на амортизацию ЭВМ |
644 |
|
6 Затраты на текущий ремонт ЭВМ |
97 |
|
7 Прочие затраты |
7783 |
|
8 Итого |
58096 |
Далее определяем цену программного продукта. Для этого затраты на создание программного продукта суммируем с 15 % рентабельности. Получаем расчетную цену программного продукта:
Црасч = Сп · R, (10.8)
где R – норматив рентабельности продукта (R=15 %).
Црасч = 58096·1.15 = 66810 руб.
Отпускная цена программного продукта (Цотп., руб.) составляет:
Цотп. = Црасч·(1+НДС), (10.9)
где НДС – ставка процента на добавленную стоимость (НДС=18 %).
Цотп = 66810·1,18 = 78836 руб.
10.2 Расчет экономического эффекта от применения системы автоматического контроля
Годовой экономический эффект потребителя
(
,руб/год)
определяется по формуле:
(10.10)
Общие приведенные затраты потребителя
(
,
руб/год) при использовании базового
(имеющегося) и нового программного
обеспечения определяется по формуле:
(10.11)
где
– нормативный коэффициент эффективности
капитальных вложений
=0,15);
Кпотр - капитальные вложения потребителя, руб.
Подставляем выражение (20) в (19) и получаем:

,
(10.12)
где:

- годовая экономия издержек потребителя, руб/год;

- дополнительные капитальные вложения потребителя, то есть затраты на внедрение программной САК, руб. Таким образом:
(10.13)
Годовая экономия издержек потребителя при применении программной САК для контроля параметров газоперекачивающего агрегата достигается за счет снижения выбросов газа. Для расчета этой экономии принимаем во внимание, что среднее время безотказной работы установки без применения САК составляет 5503 часа с вероятностью безотказной работы в течение года 0,68 (до пяти остановов), с применением программной САК – 7200 часов с вероятностью 0,9 (до 3 остановов).
Газоперекачивающий агрегат установки очистки газа от меркаптанов Оренбургского ГПЗ способен выдавать до 70 т/ч газа. В случае его непредвиденного останова и до запуска резервного компрессора, пройдет времени от одного до двух часов. В течении этого времени газ будет выбрасываться на факел. Таким образом, в атмосферу может попасть от 70 до 140 тонн газа. В настоящее время ГПЗ продает газ по цене 3500 рублей за тонну. Отсюда потери завода от одного останова за счет газа, выбрасываемого на факел, составит:

Подготовку к запуску резервного компрессора в случае останова осуществляет инженер по автоматическим системам управления. Отсюда потери завода на ликвидацию аварии от одного останова составят:
(10.14)
где
– общая трудоемкость ремонтных работ,
час/год;
– часовая тарифная ставка инженера по
АСУ, руб/час;
руб.
Следовательно, общие потери завода от одного останова составят:
(10.15)
руб/год.
Годовые потери завода до применения программной системы автоматического контроля составят:
руб/год.
Годовые потери завода после применения программной системы автоматического контроля составят:
руб/год.
Годовая экономия завода от снижения потерь после внедрения программной САК составит:
(10.16)
руб/год.
С учетом доли затрат на программу, приходящихся на год ее эксплуатации, общая годовая экономия издержек потребителя составит:
(10.17)
где Иэкспл – годовые расходы на программу с учетом гарантийного срока службы 3 года, руб/год
руб/год.
Таким образом, годовой экономический эффект потребителя программной САК составит:
руб/год.
Срок окупаемости программной САК составит:
(10.18)
=0,08
года.
Таблица 2.1 – Экономические показатели
|
Показатели |
Значение |
|
|
До внедрения САК |
После внедрения САК |
|
|
Капитальные вложения потребителя, руб |
- |
78836 |
|
Количество остановов |
5 |
3 |
|
Потери завода от остановов, руб/год |
2456670 |
1474002 |
|
Экономия завода от снижения потерь после внедрения САК, руб/год |
- |
982668 |
|
Годовой экономический эффект, руб/год |
- |
944564 |
|
Срок окупаемости, год |
- |
0,08 |
11 Безопасность труда
В процессе труда на человека кратковременно или длительно воздействуют вредные факторы. Эти факторы, оказывающие раздельное или совместное вредное воздействие на человека в условиях производства, называются производственными факторами. Результатом их отрицательных воздействий могут явиться профессиональные заболевания. Появление производственных факторов связано с нерациональной организацией трудовых процессов или с неблагоприятными условиями окружающей среды.
Неправильная организация труда приводит к преждевременному утомлению из-за перенапряжения отдельных органов, нерационального чередования движений, монотонности. Неправильное цветовое и архитектурное решение интерьера вызывают отрицательные эмоции. Наконец, наличие опасностей, когда у человека нет уверенности в обеспечении безопасности во время работы, отвлекает, нервирует и утомляет.
Государственный стандарт определяет условия труда как совокупность факторов производственной среды, оказывающих влияние на здоровье и работоспособность человека в процессе труда.
Факторы, влияющие на человека в процессе трудовой деятельности, можно подразделить следующим образом:
- психофизиологические условия — физическая, нервно-психологическая нагрузка, монотонность, ритм труда;
- санитарно-гигиенические условия — микроклимат, состояние воздушной среды, шум, освещение — определяются внешней производственной средой и санитарно-бытовым обслуживанием;
- эстетические — архитектурно-художественное и конструктивное оформление интерьеров, оборудование рабочих мест, озеленение, применение функциональной музыки и др.;
- социально-психологические условия характеризуют взаимоотношения в трудовом коллективе и создают соответственный психологический настрой.
По характеру воздействия на организм человека производственные факторы можно разделить на адаптируемые и неадаптируемые. К адаптируемым относятся факторы, к воздействию которых организм человека может в некоторых пределах приспособиться. Происходящее при этом снижение работоспособности можно восстановить с помощью рационального режима труда и отдыха. К неадаптируемым относятся факторы, вызывающие необратимые воздействия на организм человека.
Целью раздела «Безопасность труда» является проверка состояния охраны труда в операторной цеха №3 установки У-330 Оренбургского ГПЗ.
11.1 Анализ и обеспечение безопасных условий труда
При работе с ЭВМ необходимо предусмотреть специальные меры по охране труда и технике безопасности.
Меры по улучшению микроклимата. Для повышения влажности воздуха в кабинете применять увлажнители воздуха, заправляемые ежедневно дистиллированной или прокипяченной водой; помещения проветривать каждый час.
Меры по улучшению электробезопасности. Так как работа оператора электронно-вычислительных машин связанна с применением ПЭВМ и дополнительных устройств, питание которых осуществляется электрическим током, то предусмотрены следующие меры снижения риска поражения электрическим током:
- использование двойной изоляции;
- выравнивание скачков напряжения с помощью источников бесперебойного питания;
- обеспечение заземления всех частей ПЭВМ.
Для обеспечения нормируемых значений освещенности следует проводить чистку стекол оконных рам и светильников не реже двух раз в год и проводить своевременную замену перегоревших ламп.
Рабочие места рекомендуется расставить так, чтобы обеспечить свободный доступ к любому оборудованию и удобные пути к выходу в случае эвакуации.
Анализ опасных и вредных факторов на рабочих местах при паспортизации аттестации рабочих мест проводятся в соответствии с требованиями СанПиН 2.2.2/2.4.1340-03 и предусматривает комплексную оценку вредности факторов производственной среды и тяжести работ в баллах по степени отклонения фактических параметров производственной среды и трудового процесса от действующих гигиенических нормативов.
Эксплуатация программного комплекса должна проводиться в соответствии с санитарными нормами и правилами СанПиН 2.2.2/2.4.1340-03.
Эксплуатация программного средства для автоматического контроля технологических параметров будет происходить в операторной цеха №3, на установке У-330 Оренбургского ГПЗ.
Операторная располагается на первом этаже специализированного корпуса. Проанализируем помещение операторной, так как именно там будет происходить эксплуатация программного модуля, на предмет соответствия и обеспеченности безопасных условий труда.
Освещение рабочего места — важнейший фактор создания нормальных условий труда. Практически возникает необходимость освещения как естественным, так и искусственным светом. Естественное освещение должно осуществляться через светопроемы, ориентированные преимущественно на север и северо-восток. Освещенность рабочего стола колеблется в пределах от 300 до 500 лк, в зависимости от времени суток, что соответствует нормам.
Эксплуатация ПЭВМ в помещениях без естественного освещения допускается только при соответствующем обосновании и наличии положительного санитарно-эпидемиологического заключения, выданного в установленном порядке.
Оконные проемы должны быть оборудованы регулируемыми устройствами типа: жалюзи, занавесей, внешних козырьков и др.
В операторной ситуация с естественным освещением складывается следующим образом: окна выходят на северо-восток. На всех окнах имеются жалюзи.
Для искусственного освещения в операторной используются лампы дневного света. Их достоинства:
- высокая световая отдача (до 75 лм/Вт и более);
- продолжительный срок службы (до 10000 часов);
- малая яркость светящейся поверхности;
- спектральный состав излучаемого света - высокая световая отдача (до 75 лм/Вт и более).
Одним из недостатков таких ламп является высокая пульсация светового потока, вызывающая утомление зрения. Поэтому коэффициент пульсации освещенности регламентирован в пределах 10 - 20 % в зависимости от разряда зрительной работы.
Площадь на одно рабочее место с ПЭВМ для взрослых пользователей должна составлять не менее 6,0 кв. м для ПЭВМ с монитором на базе электронно-лучевой трубки (ЭЛТ), и 4,5 кв. м для ПЭВМ с жидкокристаллическим монитором, а объем — не менее 20,0 куб. м. В операторной все мониторы является жидкокристаллическими. Помещение операторной имеет площадь и объем на одного пользователя многократно превышающие норматив (в среднем — по 10 кв. м).
Длительное воздействие шума и вибрации на организм человека приводит к развитию переутомления, снижению производительности и качества труда на производстве, способствует развитию общих и профессиональных заболеваний.
Любой источник шума характеризуется, прежде всего, звуковой мощностью. Мощность источника Р — это общее количество звуковой энергии, излучаемой источником шума в окружающее пространство за единицу времени. Шум вредно действует на организм и снижает производительность труда. Уровень звукового давления по отношению к порогу слышимости LР = 120 – 130 дБ соответствует порогу болевого ощущения. Звуки, превышающие по своему уровню этот порог, могут вызывать боли и повреждения в слуховом аппарате. Шум создает значительные нагрузки на нервную систему человека, оказывает на него психологическое воздействие. Вредные последствия шума тем больше, чем сильнее шум и продолжительнее его действие. Таким образом, шум на рабочем месте не должен превышать допустимых уровней, значения которых приведены в приложении 1 к СанПиН 2.2.2/2.4.1340-03 «Допустимые значения уровней звукового давления в октавных полосах частот и уровня звука, создаваемого ПЭВМ»
В производственных помещениях, в которых работы на ПЭВМ является основными (диспетчерские, операторские, расчетные, кабины и посты управления, залы вычислительной техники и др.), должны обеспечиваться оптимальные параметры микроклимата. Параметры микроклимата в операторной соответствуют нормам.
Для повышения влажности воздуха в помещениях с ПЭВМ следует применять увлажнители воздуха, заправляемые ежедневно дистиллированной или прокипяченной питьевой водой.
Ионизация воздуха в операторной не проводится.
В помещении отсутствуют токсические вещества, нет промышленной пыли и нет химически активной среды.
Все компьютеризированные рабочие места операторной соответствуют Санитарным правилам и нормам (СанПиН 2.2.2/2.4.1340-03 приложение 4 и приложение 5). Все рабочие столы отвечают эргонометрическим требованиям. Высота всех рабочих столов составляет 725 мм. Все столы имеют пространство для ног высотой 600 мм, шириной 750 мм и на уровне вытянутых ног — 650 мм.
Конструкции рабочих стульев обеспечивают поддержание рациональной позы при работе с ПЭВМ, позволяют менять позу с целью снижения статистического напряжения мышц шейно-плечевой области и спины для предупреждения развития утомления. Конструкция рабочих стульев обеспечивает ширину и глубину сидения 400 мм. Поверхность сидения с закругленным передним краем. Регулировка высоты поверхности сиденья в пределах 400 – 550 мм и углам наклона вперед до 15 градусов и назад до 5 градусов, высоту опорной поверхности спинки 320 мм, ширину 400 мм и радиус кривизны горизонтальной плоскости — 400 мм, угол наклона вертикальной спинки в пределах 0±30 градусов, регулировку расстояния спинки от переднего края сиденья в пределах 260 – 400 мм, стационарные подлокотники длиной 300 мм и шириной 55 мм.
Экран видеомонитора должен находиться от глаз пользователя на оптимальном расстоянии 600 – 700 мм, но не ближе 500 мм с учетом размеров алфавитно-цифровых знаков и символов. Благодаря эргономичной мебели выполнение этих требований не требует дополнительных усилий.
Особое внимание уделяется электробезопасности. В помещениях с ПЭВМ для питания электроприборов используется напряжение 220 В. Помещения должны быть оснащены аптечкой первой помощи и порошковыми огнетушителями. В кабинете преподавательской находится порошковый огнетушитель. Аптечка также присутствует. Основными причинами поражения электрическим током являются: пробой изоляции, короткое замыкание, несоблюдение правил техники безопасности. Для предотвращения чрезвычайных ситуаций применены следующие технические способы и средства защиты:
- регулярные инструктажи работающих;
- защитное отключение.
Защита персонала от воздействия электромагнитных полей радиочастотного диапазона осуществляется путем проведения организационных и инженерно-технических мероприятий (СанПиН 2.2.2/2.4.1340-03).
К организационным мероприятиям относится выбор рациональных режимов работы оборудования и ограничение места и времени нахождения персонала в зоне воздействия излучения (защита расстоянием и временем).
Инженерно-технические мероприятия включают: рациональное размещение оборудования; использование средств, ограничивающих поступление электромагнитной энергии на рабочие места (поглотители мощности, экранирование).
11.2 Расчет категории тяжести труда
При одновременном воздействие ряда факторов интегральная оценка тяжести труда в баллах определяется по выражению:
(11.1)
где
- интегральный показатель категории
тяжести в баллах;
- элемент условий труда на рабочем месте,
имеющий наибольший балл;
- сумма количественной оценки в баллах
значимых элементов условий труда без
;
N – количество элементов условий труда;
10 – число, введенное для удобства расчетов.
Интегральный показатель тяжести труда позволяет определить влияние условий труда на работоспособность человека. Для этого сначала вычисляется степень утомляемости в условных единицах. Зависимость между интегральным показателем тяжести труда и утомлением выражается уравнением:
,
(11.2)
где Y – показатель утомления в условных единицах;
- интегральный показатель категории
тяжести в баллах;
15,6 и 0,64 – коэффициенты регрессии.
Зная степень утомления, можно определить уровень работоспособности, то есть величину противоположную утомлению по выражению:
.
(11.3)
Соответственно можно определить, как изменилась работоспособность при изменение тяжести труда и как это повлияло на его производительность:
(11.4)
где
- прирост производительности труда;
и
- работоспособность в условных единицах
до и после внедрения мероприятий,
понизивших тяжесть труда;
0,2 – поправочный коэффициент, отражающий усредненную зависимость между повышением работоспособности и ростом производительности труда.
Производится оценка условий труда в баллах до и после внедрения мероприятий. Результаты оценки приведены в таблице 13.2.
Таблица 11.1 –Оценка условий труда на рабочем месте оператора
|
Факторы тяжести труда |
Значения до внедрения мероприятий |
Баллы |
Значения после внедрения мероприятий |
Баллы |
|
|
1 |
2 |
3 |
4 |
5 |
|
|
Санитарно-гигиеническая |
|||||
|
Наличие токсичных веществ |
0,8-1 |
2 |
<0,8 |
1 |
|
|
Температура воздуха на рабочем месте, °С |
Холодный |
14-13 |
4 |
19 |
2 |
|
Теплый |
24..26 |
3 |
20 |
1 |
|
|
Относительная влажность воздуха, % |
60 |
2 |
50 |
1 |
|
|
Скорость движения воздуха, м/с |
Холодный |
0,4 |
3 |
0,2 |
2 |
|
Теплый |
0,6 |
3 |
0,3 |
2 |
|
|
Шум, уровень звука, дБА |
50 |
1 |
50 |
1 |
|
|
Освещенность |
0,8 |
2 |
0,8 |
2 |
|
|
Психофизиологические |
|||||
|
Величина физической нагрузки: общая, выполняемая мышцами корпуса и ног за смену; рабочая поза (характеристика). |
До 4200 4,1 |
1 3 |
До 4200 6,1 |
1 3 |
|
|
Величина нервно-психической нагрузки: количество движений в час; число важных объектов наблюдения. |
250-500 10-25 |
2 3 |
250-500 10-25 |
2 3 |
|
|
Напряжение зрения: разряд зрительных работ; точность зрительных работ. |
IV Малой точности |
3 2 |
IV Малой точности |
3 2 |
|
|
Монотонность: число приемов; длительность повторяющихся операций |
6-10 10-19 |
2 3 |
6-10 10-19 |
2 3 |
В результате мероприятий по эргономике и охране труда температура воздуха на рабочем месте оператора в холодный период года в помещение превысилась с 15 до 18 ˚С, скорость движения воздуха в холодный период года уменьшилась с 0,4 до 0,3 м/с.
Интегральная оценка тяжести труда до и после внедрения мероприятий определяется по формуле (13.1):
- до внедрения мероприятий:
,
что соответствует пятой категории тяжести труда.
- после внедрения мероприятий:
,
что соответствует второй категории тяжести труда.
Определяется работоспособность.
До внедрения комплекса мероприятий:
- показатель утомления по формуле (13.2):
;
- уровень работоспособности по формуле (13.3):
.
После внедрения:
- показатель утомляемости:
;
- уровень работоспособности:
.
Изменение производительности труда (прирост производительности труда) за счет изменения работоспособности по формуле (36) составит:
.
11.3 Возможные чрезвычайные ситуации
Чрезвычайная ситуация (ЧС) – состояние, при котором в результате возникновения источника чрезвычайной ситуации на объекте, определенной территории ил акватории нарушаются нормальные условия жизни и деятельности людей, возникает угроза их жизни и здоровью, наносит ущерб имуществу населения, народному хозяйству и окружающей природе.
На рабочем месте оператора возможен пожар, связанный с короткими замыканиями электрического оборудования.
Пожар это стихийно развивающиеся процессы горения. Необходимым условием возникновения пожара является наличие окислителя, горючего и источника загорания. При отсутствии одного из них пожар не возникнет.
Высокую пожароопасность технологических процессов на участке определяет многообразие причин пожаров: нарушение технологического режима, неисправность электрооборудования, неудовлетворительная подготовка оборудования к ремонту, самовозгорание материалов, неисправность запорной арматуры, конструктивные недостатки оборудования и др.
В соответствии с ГОСТ 12.1.004-85 и ГОСТ 12.1.010-76 вероятность возникновения пожара в течение года не должна превышать 10–6.
Обеспечение пожарной безопасности достигается строгим соблюдением противопожарных требований, регламентированных СНиП 2.01.02-85, типовыми правилами пожарной безопасности для промышленных предприятий, правилами устройства электроустановок.
Для профилактики пожаров на участке проектом предусмотрено следующее:
- установка мусороприёмников и сбор промасленной ветоши;
- размещение в помещениях огнетушителей и пожарных щитов (лопаты, багор, лом, песок, емкость с водой), а также противопожарных гидрантов.
При возникновении пожара персонал обязан
- оповестить пожарную службу по телефону 01;
- оповестить начальство;
- организовать вынос наиболее ценных документов;
- использовать до приезда пожарных команд первичные средства тушения (пожарные краны, песок, вёдра, огнетушители пенные (ОП), воздушнопенные (ОВП), углекислотные (ОУ)).
Для незамедлительной эвакуации людей, имущества и обеспечения работы по тушению пожара категорически запрещается: загромождать незастроенную территорию вокруг цеха, проходы, проезды, ворота, подъездные пути к пожарным кранам водопровода, к местам пожарного инвентаря и оборудования.
При тушении пожара в цехе применяются противопожарные средства - огнетушителями (УП – 2М, ОУ-12, ОУ – 8) и песок. Количество огнетушителей выбираем из расчета один огнетушитель на 50 м2 , то есть 1 единица, а песок – из расчета один ящик объемом 0,5 м3 на 100 м2 площади – 0,2 м3.
При начале значительного пожара необходимо вызвать пожарную службу по телефону 01, и до приезда пожарных приступить к эвакуации ценного имущества и тушению пожара собственными силами.
Рабочее место должно быть оснащено общеобменной вентиляцией обеспечивающей 5-ти кратный обмен воздуха в течении часа, с местным отсосом у реактора установки, а также огнетушителем, песком, кошмой.
Первая помощь. При всяком подозрении на отравление необходимо срочно вызвать врача или отправить больного в ближайшую больницу. До прихода врача необходимо попытаться удалить из организма или обезвредить вредные вещества. При попадании токсичных металлов с пищей необходимо вызвать рвоту и промыть желудок. Рвоту нельзя вызывать, если больной находится в полубессознательном состоянии и при резком нарушении кровообращения. Для ускорения выведения через почки применяют мочегонные средства и обильное питье, но если функции почек не нарушены. При отравлении через дыхательные пути прибегают к искусственному дыханию с целью быстрого выведения вредных веществ легкими. Для усиления обезвреживающей функции печени вводят глюкозу с инсулином. При значительном попадании в кровь проводят переливание крови. Воздействие на болезненные явления, вызванные в зависимости от действия токсичных металлов: при ослаблении дыхания и кислородной недостаточности следует применить искусственное дыхание, вдыхание кислорода в смеси с углекислотой, средства, возбуждающие дыхание (камфара, коразол, кофеин, лобелин, кордиамин); при угнетении центральной нервной системы — средства возбуждающие ее деятельность (камфара, коразол, кофеин); при возбуждении центральной нервной системы — наркотические и снотворные средства (эфир, барбитураты); при сердечной недостаточности (строфантин, камора, кофеин); при коллапсе — адреналин, эфедрин.
Определим план эвакуации рабочих при пожаре в цехе №3 (рис.11.1)

Рисунок 11.1 – Схема эвакуации рабочих цеха №3
11.4 Расчет продолжительности эвакуации из здания
По категории помещения относится к
группе А и II степени огнестойкости.
Допустимая продолжительность эвакуации
из здания
по таблице 1.1 не должна превышать 6 минут.
Время задержки начала эвакуации принимается 3,1 мин по таблице В.1 приложения В с учетом того, что здание имеет сирену пожарной сигнализации.
Для определения времени движения людей по первому участку (операторной), с учетом габаритных размеров комнаты 12х10 м, определяется плотность движения людского потока на первом участке по формуле (13.5):
(13.5)
где N1 – число людей на первом участке, чел.;
f – средняя площадь горизонтальной проекции человека, принимается по таблице Г.1 приложения Г, м2/чел.;
l1 и b1 – длина и ширина первого участка пути, м.
м2/м2.
По таблице Г.2 приложения Г скорость движения составляет 100 м/мин, интенсивность движения 1м/мин, т.о. время движения по первому участку вычисляют по формуле:
,
(13.6)
где l1 – длина первого участка пути, м;
– значение скорости движения людского
потока по горизонтальному пути на первом
участке, м2/м2.
мин.
Длина дверного проема принимается равной нулю. Наибольшая возможная интенсивность движения в проеме в нормальных условиях qmax=19,6 м/мин, интенсивность движения в проеме шириной 1,1 м рассчитывается по формуле:
,
(13.7)
где b – ширина проема, м;
м/мин.
Если
,
то движение через проем проходит
беспрепятственно, где
=19,6
м/мин.
Время движения в проеме определяется по формуле:
, (13.8)
мин.
Скорость движения после дверного проема по проходу один определяется по таблице Г.2 приложения Г в зависимости от интенсивности:
, (13.9)
м/мин.
По таблице Г.2 приложения Г скорость движения составляет 90 м/мин.
Время движения по этому участку вычисляют по формуле (13.6):
мин.
Для определения времени движения людей по второму участку (операторной), с учетом габаритных размеров комнаты 8х7 м, определяется плотность движения людского потока на втором участке по формуле (13.5):
м2/м2.
Скорость движения составляет 100м/мин, интенсивность движения 1,0 м/мин, т.о. время движения по второму участку (из операторной) по формуле (13.6):
мин.
Длина дверного проема принимается равной нулю. Интенсивность движения в проеме шириной 1,1 м рассчитывается по формуле (13.7):
м/мин.
Если
,
то движение через проем проходит
беспрепятственно.
Время движения в проеме определяется по формуле (13.8):
мин.
Скорость движения после дверного проема по проходу один определяется по таблице Г.2 приложения Г в зависимости от интенсивности:
м/мин
По таблице Г.2 приложения Г скорость движения составляет 90 м/мин.
мин.
При переходе на третий участок происходит слияние людских потоков, поэтому интенсивность движения определяется по формуле:
, (13.10)
м/мин.
По таблице Г.2 приложения Г скорость движения равняется 80м/мин, поэтому время движения по коридору первого этажа по формуле (13.6):
мин.
Тамбур при выходе на улицу имеет длину 5 метров, на этом участке образуется максимальная плотность людского потока и скорость падает до 15 м/мин,
мин.
Интенсивность движения через дверной проем на улицу шириной более 1,6 м – 8,5 м/мин, время движения через него по формуле (13.8):
мин.
Рассчитаем общее время эвакуации:
мин.
Таким образом, расчетное время эвакуации из помещения меньше допустимого.
Заключение
В дипломном проекте представлена программная реализация системы автоматического контроля технологических параметров газоперекачивающего агрегата.
Разработанный программный модуль, в отличие от других существующих систем автоматического контроля, информирует оператора в тех случаях, когда контролируемый технологический параметр только начинает отклоняться в сторону граничного значения, а не по его достижении. Такой подход позволяет предупредить развитие некоторых нештатных ситуаций благодаря их обнаружению на ранней стадии развития.
По результатам расчетов, произведенных в данной работе, программный модуль автоматического контроля окупится за 0,08 лет.
Программный модуль автоматического контроля разработан в среде Borland Delphi 7 с использованием современной технологии передачи данных OPC и поэтому этому может использоваться на различных автоматизированных рабочих местах операторов, где используется технология OPC для предоставления информации о технологическом процессе.
Список использованных источников
1 Карпов Б.С. Delphi: специальный справочник [текст] // Карпов Б.С. – СПб. : Питер, 2001.- 688 с.
2 Гофман В. Э. Работа с базами данных в Delphi [Текст] // Гофман В. Э. - СПб. : БХВ-Петербург, 2001. - 656 с. : ил.
3 Модин А.А. Справочник разработчика АСУ // Модин А.А., Яковенко Е.Г. – М.: Экономика, 1978. – 582с
4 Нефедов А.В. Интегральные микросхемы и их зарубежные аналоги:
справочник в 6 томах. – М.: ИП РадиоСофт, 2001. – 608 с.
5 Усатенко С.Т. Выполнение электрических схем по ЕСКД: Справочник. – 2-е изд., перераб. и доп. – М.: Издательство стандартов, 1992. – 316 с.
6 Хвощ С.Т. и др. Микропроцессоры и микроЭВМ в системах автоматического управления: Справочник / С.Т. Хвощ, Н.Н. Варлинский, Е.А. Попов; Под общ. ред. С.Т. Хвоща. – Л.: Машиностроение. Ленингр. отд-ние, 1987. – 640 с.
7 Солников, Р.И. Автоматизированное проектирование систем автоматики и управления [Текст] / Р.И. Солников; – М.: Высшая школа, 1991. – 300 с.: с 145-210. 5000 экз.
8 Клеймёнов, А.В. Расчётно-пояснительная записка к декларации промышленной безопасности опасных производственных объектов ГПУ [Текст]: тех. указание / А.В. Клеймёнов; Газпромпечать. Оренбург. – Изд. 1-е. - Оренбург: Оренбурггазпром, 2005 с.189 с.: с. 7-145. – 100 экз.
9 Андреев Г.И. Практикум по оценке интеллектуальной собственности. Учеб. пособие [Текст] // Андреев Г.И., Витчинка В.В., Смирнов С.А.–М.: Финансы и статистика, 2003.- 176 с.: ил.
10 Гигиенические требования к персональным электронно-вычислительным машинам и организации работы [Текст]. СанПиН 2.2.2/2.4.1340-03. – СПб.: Издательство ДЕАН, 2003. – 32 с.
11 Воронова В.М. Определение категории тяжести труда: Метод. указ. к дипломному проектированию [Текст] // Воронова В.М., Егель А.Э. – Оренбург: Изд-во ОГУ, 2004. – 20 с.
12 Ефремов И. В. Расчет продолжительности эвакуации из общественных и производственных зданий при чрезвычайных ситуациях [Текст] : метод. указания по дипломному проектированию // Ефремов И. В. - Оренбург : ОГУ, 2008. - 28 с. - Библиогр.: с. 23.. - Прил.: с. 24.