Разработка технологии и оснастки для изготовления детали "Планка"
МИНИСТЕРСТВО ОБРАЗОВАНИЯ РОССИЙСКОЙ ФЕДЕРАЦИИ
ОРЛОВСКИЙ ГОСУДАРСТВЕННЫЙ ТЕХНИЧЕСКИЙ УНИВЕРСИТЕТ
Кафедра: «Автоматизированные процессы и машины пластической обработки материалов»
Расчетно-пояснительная записка
к курсовому проекту
по курсу: Технология листовой штамповки
на тему: Разработка технологии и оснастки для изготовления детали «Планка»
Проектант студент гр. 41-Д
Руководитель к.т.н, доцент
Орел 2008
Содержание
Задание на курсовой проект...................................................................................3
Аннотация................................................................................................................4
Введение…………………………………………………………………….…..…5
1. Анализ конструктивности формы и технологичности изготовления элементов детали операциями листовой штамповки………...……….…...……7
2. Составление технологической схемы штамповки…………………….…..…8
3. Разработка схемы раскроя материала………………………………….……...9
4. Определение величины потребного усилия штамповки по операциям и полного технологического усилия………………………………………..….....10
5. Выбор оборудования………………………………………………….……....12
6. Определение центра давления штампа……………………………………...13
7. Расчет исполнительных размеров пуансонов и матриц…………………....15
8. Проектирование технологических и вспомогательных деталей штампов..16
9. Расчет пуансона на прочность……………………………..………………...17
Заключение……………………………………………………………………….21
Список использованных источников…………………………………………...22
Задание на курсовой проект
Студенту группы 41-Д Жаркову С.В.
Специальность 150201, факультета новых технологий и автоматизации производства
Тема проекта Разработка технологии и оснастки для изготовления детали “Планка”
Исходные данные для проектирования Чертеж детали “Планка”
Содержание основных разделов пояснительной записки в соответствии с методическими указаниями
Перечень графических работ Штамп для вырубки-пробивки -1л. Деталировочные чертежи -2л.
Примечание_____________________________________________________________________________________________________________________________________________________________________________________________________________________________________________________
Дата выдачи
Срок сдачи проекта
Руководитель проекта И.И.Бурнашев__________________
Аннотация
Курсовой проект выполнен на тему: «Разработка технологии и оснастки для изготовления детали «Планка». В ходе выполнения курсового проекта разработаны:
Оптимальная технология изготовления заданной детали;
Комплект штампов для ее изготовления.
Кроме этого дан анализ технологичности конструкции детали, разработаны технологическая схема штамповки и схема раскроя материала, определена величина потребного усилия по операциям, проведен расчет исполнительных размеров пуансонов и матриц, и расчет пуансона на прочность.
Введение
В общем комплексе технологии Машиностроения все возрастающее значение приобретает обработка металлов давлением, в том числе листовая штамповка. Это один из способов обработки, при котором металл пластически деформируется в холодном состоянии при помощи штампов. Листовая штамповка применяется для изготовления самых разнообразных деталей практически во всех отраслях промышленности связанных с металлообработкой.
Листовая штамповка представляет собой самостоятельный вид технологии, обладающей рядом особенностей:
высокой производительностью;
возможностью получения самых разнообразных по форме и размерам полуфабрикатов и готовых деталей;
возможностью автоматизации и механизации штамповки путем создания комплексов оборудования, обеспечивающих выполнение всех операций производственного процесса в автоматическом режиме (в том числе роторных и роторно-конвейерных линий);
возможностью получения взаимозаменяемых деталей с высокой точностью размеров, без дальнейшей обработки резанием.
Современное холодноштамповочное производство развивается по пути совершенствования традиционных и создания новых технологий и оборудования. При этом наметились тенденции создания холодноштамповочного оборудования для крупносерийного и массового производства автоматических линий и холодноштамповочных пресс-автоматов и оборудования для мелкосерийного, серийного и единичного часто переналаживаемого производства холодноштамповочного оборудования с числовым программным управлением, универсальных прессов, гибких производственных модулей с ЧПУ.
Целью данного курсового проекта является разработка технологического процесса для изготовления детали, заданной руководителем. Выполнение курсового проекта позволяет систематизировать, закрепить и расширить теоретические знания, а также приобрести опыт самостоятельного решения вопросов, связанных с проектированием рабочего инструмента для холодной листовой штамповки.
Основной задачей данного проектирования является разработка оптимальной технологии изготовления заданной детали.
Этапы реализации этой задачи:
анализ технологичности конструкции детали;
разработка технологической схемы штамповки;
разработка схемы раскроя материала;
определение величины потребного усилия по операциям;
выбор оборудования;
расчет исполнительных размеров пуансонов и матриц;
расчет пуансона на прочность
1. Анализ конструктивности формы и технологичности изготовления элементов детали операциями листовой штамповки
Под технологичностью следует понимать такое сочетание конструктивных элементов, которое обеспечивает наиболее простое и экономичное изготовление деталей при соблюдении техники и эксплуатационных требований к ним.
Основными показателями технологичности листовых холодноштамповочных деталей являются:
наименьший расход материала;
наименьшее количество и низкая трудоемкость операции;
отсутствие последующей механической обработки;
наименьшее количество требуемого оборудования и производственных площадей;
применение прогрессивных материалов;
наименьшее количество оснастки при сокращении затрат и сроков подготовки производства.
Общим результативным показателем технологичности является наименьшая стоимость штампуемых деталей.
Возможность формообразования при разделительных операциях определяется способностями материала заготовки изменять форму под действием деформирующего усилия и возможностью изготовления рабочих частей штампа способных осуществить заданное формоизменение. Деталь получаем за две операции: вырубка контура, пробивка отверстий. Конфигурация детали простая.
Для достижения качественных деталей при вырубке должны соблюдаться определенные требования по наименьшему расстоянию отверстий и пазов от края детали, а также минимальные диаметры вырубаемых отверстий.
Расстояние между пробиваемыми
отверстиями, а также между краем детали
и отверстием больше минимальных значений
перемычек, при которых можно использовать
пробивку, т.е. больше чем
таблица 1 /2/.

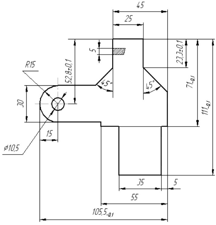
Масштаб 5:1
Рис.1 Эскиз для анализа технологичности формы детали
2. Составление технологической схемы штамповки
Технологическая схема штамповки включает в себя определение размеров плоской заготовки, необходимой для изготовления заданной детали, определения операций для изготовления детали, их качество и последовательность. Также оценивается возможность совмещения операций. Определение типа штампа с учетом серийности производства.
В рассматриваемом случае деталь гибке не подлежит, поэтому все размеры оставляем без изменений.
3. Разработка схемы раскроя материала
Понятие раскрой включает в себя такие составные элементы, как раскрой листа и раскрой полосы. Мерой эффективности раскроя служит коэффициент использования металла.
Раскрой полосы должен обеспечить: наилучшее качество детали, наилучшее использование материала, простоту конструкции штампа и наивысшую стойкость его рабочих частей, а также удобство и безопасность работы на штампе. Экономичность раскроя зависит от правильно выбранной величины перемычек. Ширина перемычек при вырубке (между деталями и по краям полосы) зависит от ряда факторов: толщины листа, свойств материала. типа штампа. Размеров и формы вырубаемого контура.
Рассчитаем ширину полосы
/2/
где
-
допуск на ширину ленты (таблица 1/2/), мм;
-
ширина перемычки, мм;
-
ширина полосы, мм;
-
размер вырубаемой детали, мм;

По ГОСТ 4986-70 выбираем ленту 12Х18Н9(М)
Находим коэффициент использования металла:

где
-
коэффициент использования металла;
-
площадь штампуемой детали,
;
Площадь


ширина ленты,
;
-
шаг подачи.


Рис.2 Эскиз схемы раскроя
4. Определение величины потребного усилия штамповки по операциям и полного технологического усилия
При вырубке и пробивке, потребное для этих операций усилие зависит от габаритных размеров вырубаемой детали и пробиваемых отверстий, толщины и механических свойств штампуемого материала, зазора между пуансоном и матрицей формы и состояния режущих кромок пуансона и матрицы, способа удаления деталей и отхода применяемой смазки.
Для операции «вырубка детали по контуру с пробивкой отверстий применяем инструмент с плоскими кромками.
Усилие вырубки и пробивки определяем по формуле
/1/
где
- усилие вырубки, кН;
-
периметр вырубаемого контура, включая
отверстие, мм;
-
толщина материала, мм;
-
сопротивление срезу, МПа.

.

(Приложение 1 /2/)


При вырубке деталь остается в матрице, а отход плотно охватывает пуансон. В связи с этим при рабочем ходе пуансона необходимо преодолеть не только сопротивление выруке-пробивки, но и сопротивление сил трения, возникающих при перемещении детали относительно матриц, а также сопротивление сил трения на контактной поверхности пуансону и отхода металла. В этом случае усилие пресса
/1/
Усилие для снятия с пуансона
полосы
и проталкивания детали через матрицу
принимаются в процентах от усилия
вырубки

где
=0,03
(по таблице 11 /2/)- коэффициент усилия
снятия.



где
=0,02
(по таблице 11/2/)- коэффициент проталкивания
детали (отхода) после штамповки.




Фактическое усилие берется больше расчетного усилия и принимается с поправочным коэффициентом 1,3 /1/, учитывающим наличие побочных явлений - неравномерность толщины материала, затупления режущих кромок и т.д.
Следовательно:


5. Выбор оборудования
Пресс для осуществления заданного технологического процесса листовой штамповки должен отвечать следующим требованиям:
иметь в своей структуре столько исполнительных механизмов, сколько требуется для обеспечения необходимых манипуляций над заготовкой;
развивать усилие, необходимое для деформирования заготовки;
иметь соответствующие скоростные параметры;
иметь необходимые размеры штампового пространства;
величина хода рабочих органов должна быть достаточной;
обеспечивать требуемую точность штамповки;
иметь необходимые размеры элементов крепления;
отвечать серийности производства.
При выборе типа процесса решающими обстоятельствами является характер операции и производства. Наиболее универсальными являются кривошипные прессы, на которых можно производить практически любые операции холодной штамповки - вырубку, пробивку, гибку, необходимую вытяжку, надсечку. Для операции «Вырубка детали по контуру с пробивкой отверстий» выбираем пресс однокривошипный простого действия открытый КИ2128
Таблица 1. Характеристики пресса
-
масса
4400
размер
1009-1990-2535
мощность
6,3
макс. скорость шпинделя
600
мин. скорость шпинделя
350
Частота ходов ползуна непрерывных, 1/мин
72
Расстояние между столом и ползуном, мм
320
Ход ползуна, мм
130
Номинальное усилие, кН
63
6 Определение центра давления штампа
Для правильной уравновешенной работы штампа необходимо вырезаемый контур расположить на матрице таким образом, чтобы центр давления совпадал с осью хвостовика (рис.3). В противном случае в штампе возникают перекосы, несимметричность зазора, износ направляющих, быстрое притупление режущих кромок, а затем и к поломке штампа. Нахождение центра давления штампа имеет смысл главным образом для сложных вырубных, многопуансонных пробивных и последовательных комбинированных штампов. Существует два способа нахождения центра давления штампа: 1) графический; 2) аналитический.
Аналитический способ нахождения центра давления штампа основан на равенстве момента равнодействующей нескольких сил сумме моментов этих сил относительно одной и той же точки. Составляем уравнения равенства моментов относительно обеих осей.
Уравнение моментов относительно оси Х:
;
(6.1)
Уравнение моментов относительно оси Y:
,
(6.2)
где Х – искомое расстояние от оси 0Y до центра давления;
Y - искомое расстояние от оси 0Х до центра давления;
х1, х2 - расстояния от оси 0Y до центра тяжести фигуры;
у1, у2 - расстояния от оси 0Х до центра тяжести фигуры;
Р1, Р2 – усилия вырубки каждой фигуры. При расчете вместо усилий вырубки следует подставлять длину соответствующего контура.
мм,
мм.

Рис.4 – Эскиз центра давления штампа
7 Расчет исполнительных размеров пуансонов и матриц
При определении исполнительных размеров пуансонов и матриц для разделительных операций следует исходить из размеров штампуемой детали, ее точность и характера износа штампа.
Размеры контура штампуемой детали и отверстий в ней определяется размерами оформляющей части штампа, т. е. матрицей при вырубке и пуансона при пробивке. Для получения штампуемого изделия с заданной степенью точности необходимо предусмотреть правильный выбор зазоров и допусков на рабочие размеры инструмента.
Исполнительные размеры пуансонов и матриц вырубного штампа определяем исходя из расположения поля допуска относительно номинального размера детали и совместного их изготовления.
Вырубка:
;
(7.1)
где
- исполнительные размеры матрицы и
пуансона;
-
припуск на износ пуансона (таблица 13
/2/);
,
-
предельное отклонение исполнительного
размера матрицы и пуансона ( таблица 13
/2/);
z – нормальный зазор между матрицей и пуансоном.
По таблице 13/2/ для 14 квалитета
находим значения Пи. По таблице 14/2/ при
уср=290 МПа, s=0,6 находим значения зазоров
z. По таблице 15/2/ находим поля допусков
для матрицы и пуансонов
,
рисунок 5,6.






Пробивка:
;
(7.2)
Отверстие
3 мм


R0.6 мм


Длина паза:


Ширина паза:


8. Проектирование технологических и вспомогательных деталей штампов
Проектирование матриц
Форма матрицы определяется формой и размерами штампуемой детали. Размеры круглой матрицы ориентировочно определяют исходя из размеров ее рабочей зоны. Размеры рабочей зоны:
aр х bр = 24 х 30
Размеры матрицы принимаем диаметр матрицы D=64мм.
Высоту штампа Нм находим по формуле:

где Рф – фактическая сила вырубки, кН
мм,
округляем значение до ближайшего из стандартного ряда Нм = 10мм.
Форму рабочих и провальных отверстий в матрице для пробивки и вырубке принимаем по табл.22/3/
Конструирование съемника
Неподвижный съемник предназначен для съема отхода и ленты с пуансона, выполняется с отверстиями, повторяющими контур соответствующего пуансона с зазором, определяемым по табл.28/3/. Наибольший двухсторонний зазор zc между съемником и пуансоном zc =0,9мм. Если зазор будет больше, лента будет застревать в зазоре. Толщина съемника составляет 10мм, зазор между съемником и матрицей 2мм – соответствует высоте направляющих планок.
9. Расчет пуансона на прочность
Проверочному расчету на прочность подлежат в основном наиболее нагруженные пробивные пуансоны небольших размеров.
Рассчитываем на прочность пуансон для пробивки отверстия 3 мм .
Материал пуансона – Сталь У8А Твёрдость 58…61HRC
Наименьшее сечение пуансона- 3 мм.
Расчет пуансона на сжатие в наименьшем сечении
/3/
где
-
усилие пробивки, Н;
-
площадь наименьшего поперечного сечения
пуансона,
;
-
допускаемое напряжение на сжатие, МПа,
для стали - 2500МПа.
/3/
где
-
толщина материала, мм;
-
длина контура пробиваемого отверстия,
мм;
-
сопротивление срезу
=290МПа
Н


Т. к. на практике может иметь
место неточность изготовления штампа
и некоторое смещение оси пуансона штампа
относительно оси матрицы, в результате
чего появится изгибающий момент, то
следует дополнительно проверить пуансон
на напряжение от изгиба
в близи посадочной его части.
Приняв величину смещения пуансона
равной половине зазора между матрицей
и пуансоном штампа
,
напряжение изгиба определяем по формуле
/3/
где

;
-
момент сопротивления пуансона,
.


Тогда суммарные напряжения




Сравнивая полученное действительное
напряжение
,
возникающее в пуансоне с допустимым
,
можно сделать вывод, что при
,

данный пуансон отвечает условию прочности на сжатие.
Определим какую наибольшую длину пуансона можно принять при конструировании штампа. Для штампа с направляющей плитой свободная длина пуансона определяется исходя из третьей расчетной формулы по Эйлеру

где Е- модуль упругости,

;
эквивалентный момент инерции,
,
определяемый поперечным сечением
пуансона;
n- коэффициент запаса. n=3.

.
Свободная длина пуансона должна
быть меньше критической, т. е.

.
Заключение
В данном курсовом проекте рассматриваются особенности холодной листовой штамповки, ее преимущества и недостатки, разработан технологический процесс изготовления детали - скоба, спроектирован штамп в котором совмещены все операции по изготовлению заданной детали. Особенность данного курсового проекта в том, что был изготовлен малоотходный раскрой материала, который позволяет наиболее эффективно использовать материал.
Выполнение курсового проекта позволило систематизировать, закрепить и расширить теоретические знания, а также приобрести опыт самостоятельного решения вопросов, связанных с проектированием технологического процесса и конструированием рабочего инструмента для холодной листовой штамповки.
Список использованных источников
Справочник конструктора штампов, Под редакцией Л.И. Рудмана. – М.: Машиностроение, 1988 г.
В.П. Романовский, Справочник по холодной листовой штамповки, - Л.: Машиностроение, 1979 г.
Зубцов М.Е., Листовая штамповка: Учебник для студентов вузов, обучающихся по специальности “Машины и технологии обработки материалов давлением”, 3-е изд., перераб. и доп. – Л.: Машиностроение, 1980 г. – 432 с.
Основные требования к текстовым документам ГОСТ 2.105.95 – М.: Издательство стандартов 1996 г.
Отчет о научно-исследовательской работе. Структура и правила оформления ГОСТ 7.32.-91-М.: Издательство стандартов 1996 г.
Анурьев В.И. Справочник конструктора-машиностроителя: В 3-х т. Т. 1. – 5-е изд., перераб. и доп. – М.: Машиностроение, 1980. -728с.
Кузнечно-прессовое оборудование, выпускаемое в 1992-1993гг. Номенклат. кат. / НПО “ЭНИКмаш” – М.