Разработка технологической карты на производство свай квадратного сечения
3
федеральное Агентство по образованию РФ
ШАХТИНСКИЙ ИНСТИТУТ (ФИЛИАЛ)
ЮЖНО-РОССИЙСКОГО ГОСУДАРСТВЕННОГО
ТЕХНИЧЕСКОГО УНИВЕРСИТЕТА (НПИ)
Факультет - ГЭФ
Кафедра - ЭУП
Специальность - 080502
Пояснительная записка
К КУРОВОМУ ПРОЕКТУ
по дисциплине: «Технология бетона строительных изделий и конструкций»
на тему: «Разработать технологическую карту на производства свай квадратного сечения»
Студент группы 3-4а ____________Шевченко Е.А.
курс, группа фамилия, и.о.
Руководитель к.т.н., доцент __________ Плешко М.С.
должность, звание фамилия, и.о.
К защите Защита принята с оценкой «__»__________2008 г. ________________________
___________________ «__»____________ 2008 г.
___________________ ________________________
подпись подпись
Шахты 2008 г.
Содержание
Введение
1. Основные положения проекта
1.1. Состав предприятия
1.2. Характеристика продукции
1.3. Сырьевые материалы и местные условия
1.4. Режим работы производства
2. Технология и организация производства
2.1. Технологическая схема производства
2.2. Расчет основных параметров технологических режимов
2.2.1. Армирование
2.2.2. Формование
2.2.3. Режим тепловой обработки (ТО)
2.2.4. Проектирование состава бетона.
2.3. Организация производства изделия
3. Проектирование технологического процесса
3.1 Расчет длительности элементных циклов
3.2. Проектная производительность линии
3.3. Расчет потребности производства в бетонных смесях, материалах и ресурсах
3.4. Численность и состав работающих
3.5. Контроль качества производства и готовой продукции
3.6. Охрана труда
Заключение
Список литературы
Введение
В современном строительстве широко используются в настоящее время изделия и конструкции различного назначения, отличающиеся по виду сырья, технологии производства в сборном и монолитном возведении зданий и сооружений. Одними из самих массовых конструкций являются бетонные и железобетонные, которые применяются и самых различных условиях. В настоящее время созданы необходимые условия для более широкого применения сборного железобетона во всех областях строительства и дальнейшего развития этой отрасли промышленности.
В настоящее время сборный железобетон получил наибольшее применение в жилищном строительстве. Другой не менее важной отраслью строительства, где сборный железобетон занимает доминирующее положение, является строительство промышленных зданий и сооружений.
С каждым годом расширяется применение сборного железобетона в железнодорожном строительстве.
Расширение промышленности сборного железобетона обусловлено размером гидротехнического, портового строительства, строительства крупных санитарно-технических инженерных сооружений, напорных и безнапорных водоводов из ЖБ труб.
Целью курсового проекта является разработка технологии производства квадратных свай в соответствии с ГОСТ 19804.2-79 и ГОСТ 19804. (Марка СНк15-40).
К основным задачам, которые необходимо решить при выполнении проекта, можно отнести: анализ состава предприятия, выпускаемой продукции и сырьевых материалов; технико-экономическое обоснование технологии и способа производства, выбор оборудования и проектирование технологической линии по производству изделия; разработку мер по контролю качества и охране труда.
1. Основные положения проекта
1.1. Состав предприятия
Состав предприятия включает в себя :
Производство ребристых
плит перекрытий происходит в основном
производственном цеху, размеры
которого-144
18м.
Приготовление бетонной смеси происходит в бетоносмесительном цеху и производиться в смесителях, соответствующих требованиям ГОСТ 16349-70 и ГОСТ 6508-81. Для смесей тяжелого бетона применяют гравитационные смесители.
Хранение арматурной стали, поступившую на завод следует хранить в арматурном цеху в закрытых складах по профилям, классам, диаметрам и партиям на стеллажах со свободными проходами в условиях, исключающих ее коррозию и загрязнение
Складирование и хранение цемента производится в специализированных силосных складах цемента. Разгрузку и транспортирование цемента следует осуществлять пневмотранспортом. Склад для хранения цемента делают закрытым и надежно защищенным от доступа атмосферной и грунтовой влаги. Не допускается хранить цемент во временных амбарных складах, на площадках под навесами и брезентовыми покрытиями, а также вблизи материалов, выделяющих аммиак. При хранении цемента не допускается одновременное складирование в одной емкости цемента разных марок и видов.
Складируются и хранятся крупных и мелких заполнители в складе заполнителей штабельно-линейного типа и полузакрытого способа хранения.
Порошкообразные химические добавки, применяемые в производстве, хранятся в складах химических добавок. Порошкообразные добавки поступают автотранспортом на завод в мешках. Хранятся до употребления в помещении склада.
Склады горюче-смазочных материалов располагаются на отдельных участках территории предприятия. Горюче-смазочные материалы поступают в металлических бочках. Склад выполняется из негорючих материалов и ограждается железобетонной стеной.
Прошедших технический контроль изделий до отгрузки их потребителю автотранспортом хранятся в складе готовой продукции. Склад готовой продукции представляет собой открытую прямоугольную площадку, оборудованный мостовым краном.
1.2. Характеристика продукции
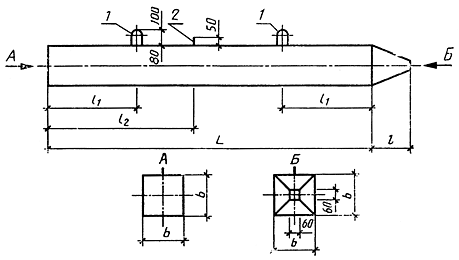
На данном заводе производят квадратные железобетонные сваи марки СНк15-40.
Сваи сплошного квадратного сечения с поперечным армированием ствола с напрягаемой продольной арматурой

Чертеж. 1
1- подъемные петли; 2- штырь для фиксации места строповки при подъеме на копер
Таблица 1
Характеристики квадратных железобетонных свай марки СНк15-40.
|
|
Номинальные размеры, мм |
Проектная марка |
Объем бетона, |
Масса сваи, |
Расход стали на |
||||
|
Марка сваи |
L |
l |
l> |
l> |
b |
бетона по прочности |
м> |
т |
одну сваю, |
|
|
|
|
|
|
|
на сжатие |
|
|
кг |
|
СНк15-40 |
15000 |
300 |
3100 |
4400 |
350 |
М400 |
2,42 |
6,05 |
74,8 |
1.3. Сырьевые материалы и местные условия
Цемент
Основные характеристики цемента приведены в таблице 2:
Таблица 2
Характеристики цемента
|
Цементный завод |
Марка цемента |
Активность цемента, МПа |
Коэффициент эффективности при пропаривании |
Группа эффективности при пропаривании |
Стоимость, руб./т |
Дальность Транспор- тирования, км |
|
|
в 28 сут |
после ТВО |
||||||
|
1 |
2 |
3 |
4 |
5 |
6 |
7 |
8 |
|
«Гигант» |
М 400 |
44,3 |
32,5 |
0,733 |
1 |
680 |
1360 |
Крупный заполнитель
Основные свойства крупного заполнителя приведены в таблице 3:
Таблица 3
Свойства и стоимость крупного заполнителя
|
Вид запол- нителя |
Зерновой состав, % |
Марка |
Стои- мость, руб/т |
Даль- ность, км |
Транс- порт |
|||||
|
d |
0,5(d+D) |
D |
1,25D |
прочность, МПа |
дробимость, % |
|||||
|
в сухом состоянии |
в водонасыщенном состоянии |
|||||||||
|
Щебень из гравия |
31,5-39,4 |
50,6-61,7 |
3,4-5,7 |
3,4-4,3 |
80 |
13,2 |
13,5 |
155 |
390 |
Ж/Д |
Мелкий заполнитель
Основные свойства песка приведены в таблице 4:
Таблица 4
Свойства и стоимость песка
|
Карьер |
Полные остатки |
ПГ |
Стои- мость, руб/т |
Даль- ность, км |
Tранспорт |
||||
|
1,25 |
0,63 |
0,315 |
0,16 |
<0,16 |
|||||
|
Аксайский |
1,3 |
1,5 |
1,8 |
6,4 |
100 |
2,1 |
90 |
25 |
Автомобиль |
Арматурная сталь
Арматурная сталь поставляется из РМЗ и основные свойства приведены в таблице 5:
Таблица 5
Свойство арматурной стали
|
Вид арматуры |
Класс арматуры |
Марка стали |
Диаметр |
|
Арматурные канаты |
К-7 |
23Х2Г2Т |
12 |
Вода
Для приготовления бетонной
смеси используют водопроводную питьевую,
а также любую воду имеющую водородный
показатель рН не менее 4, тоисть не
кислую, не окрашивающую лакмусовую
бумагу в красный цвет. Вода не должна
содержать сульфатов более 2700
(в пересчете на
)
и всех солей более 5000
.В
сомнительных случаях пригодность воды
для приготовления бетонной смеси
необходимо проверять путем сравнительных
испытаний образцов, изготовленных на
данной воде и на обычной водопроводной.
Для получения ровной и
гладкой поверхности ж/б изделий производим
смазку рабочих поверхностей форм
эмульсионной смазкой в виде эмульсии
«масло в воде » (прямая эмульсия) с
содержанием эмульсола ЭКС в количестве
10 мл на 100мл смазки. Эмульсионную смазку
следует наносить распылением через
форсунку. Расход эмульсионных смазок
составляет 200-300г на 1
поверхности
форм.
Смазка
Для получения гладкой и ровной поверхности ж/б изделий производят смазку рабочих поверхностей форм. Правильно выбранная и хорошо нанесенная смазка облегчает расформование изделия и способствует получению качественной поверхности. Используем смазку в виде эмульсии «масло в воде» (прямая эмульсия) с содержанием эмульсола ЭКС в количестве 10 мл на 100 мл смазки. Смазка типа эмульсионных наносится распылением через форсунку. Расход эмульсионных смазок составляет 200-300 г на 1 м2 поверхности формы.
1.4. Режим работы производства
Режим работы производства приведен в таблице 6.
Таблица 6
Режим работы производства
|
Название показателя |
Значение показателя |
|
Численность рабочих суток на выгрузку сырья и материалов |
365 дней |
|
Номинальное количество рабочих суток в году |
260 дней |
|
Число рабочих смен в сутки кроме тепловой обработки |
1 смена по 8 часов |
|
Число рабочих смен для тепловой обработки |
2 смены |
|
Продолжительность рабочей смены |
8 часов |
|
Годовой фонд времени работы технологического оборудования |
233 дня |
Принимается режим работы предприятия и рассчитывается количество рабочих суток в году для принятой схемы организации производства по формуле
Т>0> = К>и>(Т>н>–Т>осн>), сут,
где Т>п> – длительность плановых остановок на ремонт основного технологического оборудования, сут, принимается равным 7 сут. при стендовом производстве;
Т>н> – номинальное количество рабочих суток в год.
К>и –> коэффициент использования оборудования, К>и >= 0,92
Т>0> = 0,92*(260-7)=233 часа
2. Технология и организация производства
2.1. Технологическая схема производства
Производство квадратных свай осуществляется по стендовой технологии. Стендовый способ производства железобетонных изделий характеризуется следующими основными признаками: весь процесс производства осуществляется в неподвижных формах или на специальных стендах; изделие в процессе обработки остаются неподвижными, а рабочее и технологическое оборудование от одной формы к другой; за каждым стендом или формой закрепляется одно или несколько технологически однородных изделий.
Весь технологический процесс расчленяется на четыре рабочих поста:
1 пост – распалубка;
2 пост – армирование;
3 пост – формование;
4 пост – тепловая обработка.
1 пост. После извлечения изделия и формой из камеры тепловой обработки выполняется открытие продольных и поперечных бортов форм, распалубка и осмотр изделий, после чего изделия поступают на склад готовой продукции. Далее производится чистка и смазка форм. Чистку поддонов осуществляют вручную. В качестве смазки используют смазку в виде эмульсии «масло в воде ».
2 пост. Производится укладка арматурных каркасов в формы, фиксирование закладных деталей, установка деревянных пробок, установка фиксаторов защитного слоя бетона.
Пост первого пролета оборудован установкой для механического натяжения арматуры.
3 пост. Пост оборудован виброплощадкой и формовочной машиной.
4 пост. Для тепловой обработки железобетонных изделий применяются ямные пропарочные камеры, располагаемые параллельно формовочному пролету. Загрузка ямных камер осуществляется мостовым краном грузоподъемностью 10 т.
Стенки ямной пропарочной камеры сделаны из керамзитобетона марки М200. Пол камеры сделан с уклоном для стока конденсата в слив, оборудованный гидрозатвором и подключенный к общей системе слива конденсата. Предотвращение утечки пара через неплотности, образуемые крышкой и стенкой камеры, достигается применением гидравлического затвора. Такой затвор образуется швеллерами, заполняемыми водой и устанавливаемыми на верхнем обрезе стен камеры. Герметизация осуществляется при опускании крышки, по периметру которой приварены из металлического уголка ребра.
Сырье и материалы на производство в главный корпус доставляются:
-арматурные каркасы и сетки из арматурного участка доставляются к постам армирования мостовыми кранами;
-бетонная смесь поступает из бетоносмесительного цеха в бадьях по бетоновозной эстакаде, из которых выгружается в бункера бетоноукладчиков;
-смазка поступает из отделения приготовления смазки по трубопроводам.
Функциональная технологическая схема производства представлена на рис. 2.


2.2. Расчет основных параметров технологических режимов
2.2.1. Армирование
Натяжение арматуры в железобетонных конструкциях применяется для повышения трещиностойкости, долговечности, уменьшения деформативности конструкций. Производство предварительно напряженных конструкций осуществляется, как правило, по стендовой технологии и может выполняться механическим способом.
Механическое натяжение арматуры (стержневой, проволочной и канатной) производят гидродомкратами и натяжными машинами, которые оборудованы дополнительными приспособлениями для выполнения вспомогательных операций.
Натяжение арматуры на упоры форм или стендов может быть одиночным (каждый арматурный элемент натягивается отдельно) или групповым (одновременно натягивается несколько элементов) в зависимости от конструктивных особенностей изделия.

Рис.3 Схема для расчета длины заготовки арматуры при электротермическом натяжении:
1 – изделие; 2 – упоры поддоны; 3- зажимы; 4 – анкера; 5- захват с тягой.
Технологические расчеты механического натяжения арматуры включают расчет длины заготовки, тягового усилия домкрата и хода поршня.
Для расчета длины заготовки составляется схема для конкретного изделия и принятой технологии: натяжение на упоры длинного стенда, на упоры короткого стенда и на упоры формы.
При натяжении арматуры на упоры длинного или короткого стенда, где используются инвентарные тяги с захватами, длина заготовки должна быть меньше расстояния между упорами.
При натяжении на упоры короткого стенда (рис.) L>3>, мм, составляет
L>з>=l>и>+2l>а>+(800…1000).
L>з>=15000+2*50+1000=16100 мм
Тяговое усилие гидродомкрата устанавливается по формуле
P = 1,2 f m σ>0 >/ (10η),
где f – площадь поперечного сечения арматуры, см2;
m – количество одновременно напрягаемых проволок, канатов;
η – коэффициент полезного действия гидродомкрата, равный 0,94…0,96;
Р – тяговое усилие гидравлического домкрата, кН.
σ>0> - контролируемого напряжения, МПа (σ>0> = 0,7R>sn> = 0,7*1335 =
934,5 МПа)
R>sn> – нормативное сопротивление растяжению арматуры, МПа;
P = 1,2*4,52*10-4*934,5*106/(10*0,95) =53,4 кН
Необходимый ход поршня гидродомкрата рекомендуется находить по формуле
S = (0,008…0,012)L>з>.
S = 0,01*16100 = 161 мм
По величине тягового усилия и необходимого хода поршня подбирается домкрат. Если фактический ход поршня меньше требуемого по расчету, то производится натяжение с перехватом. Технические характеристики некоторых гидродомкратов и натяжных машин приведены в табл. 7.
Таблица 7
Техническая характеристика гидродомкратов для натяжения арматуры и натяжных машин
|
Показатели |
Марка оборудования |
|
СМЖ-738 |
|
|
Усилие натяжения, кН Ход поршня, мм Диаметр натягиваемой арматуры, мм Масса, кг Установочная мощность, кВт |
630 320 5 75 - |
|
Завод-изготовитель: Кемеровский «Строммашина» |
2.2.2. Формование
На выбор способа формования изделия значительное влияние оказывает принятая марка бетона по удобоукладываемости. Удобоукладываемость бетонной смеси назначается в зависимости от конструктивных особенностей железобетонных изделий и принятых способов формования.
Для формования квадратных свай, изготавливаемых на стенде, применяются наружные электромеханические вибраторы с направленными колебаниями (в данном случае ИВ-36, ИВ-74). Характеристики вибратора приведены в таблице 8.
Таблица 8
Характеристика вибратора
|
Показатели |
Наружные электромеханические с колебаниями |
|
направленными |
|
|
ИВ-36, ИВ-74 |
|
|
Вынуждающая
сила, кН
|
|
|
Максимальный момент дебалансов, Н·м |
0,46 |
|
Частота колебаний, Гц |
47 |
|
Мощность электродвигателя, кВт |
0,4 |
|
Давление воздуха, кПа |
- |
|
Расход воздуха, м3/мин |
- |
|
Размер вибронаконечника, мм: |
|
|
диаметр |
- |
|
длина |
- |
|
Масса, кг |
28 |
2.2.3. Режим тепловой обработки (ТО)
Цикл тепловой обработки (ТО) состоит из следующих основных этапов: предварительное выдерживание, подъем температуры, изотермический прогрев, остывание изделия.
При агрегатном способе продолжительность выдерживания изделий, одновременно прогреваемых в камере, будет различной в пределах времени загрузки агрегата, что не позволяет точно определить длительность их пребывания перед ТО. В этих случаях при проектировании предварительное выдерживание может приниматься равным 0,5 ч.
Скорость подъема температуры в камерах и термоформах следует назначать с учетом конструктивных особенностей изделий (однослойные, многослойные и т. п.), их массивности, конкретных условий производсва, но, как правило, не более 60 С/ч. Для изделий, к которым предъявляются повышенные требования по морозостойкости, скорость подъема температуры должна быть менее 20 С/ч.
Температура изотермического обогрева, если она специально не обоснована в процессе технико-экономического анализа или экспериментальными исследованиями, принимается по данным норм технологического проектирования. Для обычных бетонов общестроительного назначения, приготовленных на портландцементе, изотермическая выдержка осуществляется при температуре 80…85 С, бетонов с повышенными требованиями по морозостойкости и водонепроницаемости – при 60…70 С.
Скорость остывания среды в камере в период снижения температуры изделий из тяжелого бетона не должна превышать 30 С/ч, а при повышенных требованиях по морозостойкости и водонепроницаемости, а также при ТО изделий из мелкозернистого и напрягающего бетонов, многослойных и с отделочными слоями – должна быть не более 20 С/ч. При выгрузке изделий из камеры температурный перепад между поверхностью изделий и температурой окружающей среды не должен превышать 40 С.
Определим проектный класс бетона (В35), а аткже продолжительность циклов (периодов) ч, 10(3+4,5+2,5) ч.

Рис. 4. График режима ТО
Расчет параметров режима ТО сводится в табл. 9.
Таблица 9
Параметры тепловой обработки
|
Параметр |
Обозначение |
Величина |
|
Величина отпускной прочности, МПа |
R>о> |
24,5 |
|
Скорость подъёма температуры в камере, град/час |
V |
20 |
|
Длительность периода подогрева изделий при t = 20 оC |
τ>n> |
3 |
|
Длительность изотермического обогрева, ч |
τ>и> |
4,5 |
|
Остывание изделий в камере до t = 40 оС, ч |
τ>о> |
2,5 |
|
Испытание контрольных образцов после окончания цикла ТО, ч |
τ>исп> |
4 |
|
Длительность расчётного режима ТО, ч |
Т>о> |
10 |
2.2.4. Проектирование состава бетона
Целью проектирования состава бетона является определение оптимального состояния между используемыми материалами, при котором будет гарантирована требуемая прочность бетона, необходимая подвижность и экономичность бетонной смеси.
Данный расчет приемлем для определения состава тяжелого бетона общестроительного и специального назначения, а также допустим для определения расчетного состава бетона на пористых заполнителях.
Средний уровень прочности бетона определяется по формулам:
– при нормировании предела прочности по классам
МПа.
– при нормировании предела прочности по маркам
МПа.
где В, М – соответственно требуемые класс (35) и марка (400) бетона;
,
,
– коэффициенты, определяемые в зависимости
от среднего значения партионного
коэффициента вариации прочности бетона
V>n>.
При отсутствии данных следует принимать
=1,07,
=1,11,
=87.
– при Ц/В < 2,5
=
=
2,07
Где R>У> – средний контролируемый уровень прочности в проектном возрасте, МПа;
R>Ц> – активность цемента в возрасте 28 суток при твердении в нормально-влажностных условиях , (44,3),МПа;
А, – коэффициенты, значения которых принимаются в зависимости от качества заполнителей, для заполнителей среднего качества А = 0,6;
Для обеспечения требуемой прочности бетона после тепловлажностной обработки R>b>,>тво> значение Ц/В должно составлять
=
=2,32
где R>ц,тво> – активность цемента при пропаривании, МПа.
Расчет расхода цемента по морозостойкости:

,
где F- марка по морозостойкости, в циклах (F300),
R>Ц> – активность цемента в возрасте 28 суток при твердении в нормально-влажностных условиях , (443),кгс/см2.
Расчет расхода цемента по водонепроницаемости:

,
где W- марка по водонепроницаемость, в циклах (W4),
R>Ц> – активность цемента в возрасте 28 суток при твердении в нормально-влажностных условиях , (44,3),МПа.
Исходя из всех расчетов принимаем Ц/В=2,32.
Расход цемента, кг/м³, определяется по формуле
кг/м3.
где В – расход воды, л/м³, принимается равным 175 л/м3.
Расход крупного заполнителя, кг/м3, определяется по формуле:
кг/м3.
где
– коэффициент раздвижки заряда крупного
заполнителя, 1,2;
– пустотность крупного
заполнителя, 0,45;
– насыпная плотность
крупного заполнителя,1,43 т/м3,
;
– средняя плотность
крупного заполнителя, 2,6т/м3,
.
Расход мелкого заполнителя, кг/м³, определяется по формуле
кг/м3
Где ρ>ц> – истинная плотность цемента (для портландцемента 3,1 г/см³);
ρ>п> – истинная плотность песка (2,6 г/см³).
Далее производится проверка расхода мелкого заполнителя:
– определяется объем пустот в песке, м3,
V>ПП>* = 0,9V>ПП> ·П/ρ>нп >=0,9*0,365*492,5/1,65=98,05 м3
где 0,9 – коэффициент, учитывающий уменьшение пустотности песка при уплотнении бетонной смеси;
ρ>нп> – насыпная плотность песка, кг/м³;
V>ПП> – пустотность песка,
V>ПП>=1–(ρ>нп>/ρ>п>)=1-(1,65/2,6)=0,365
– определяется объем цементного теста, м3
V>ЦТ> =(Ц/ρ>ц>+В)=(406/3,1+175)=306 м3
– проверяется выполнимость условия слитности структуры бетона
V>ЦТ> >1,05V>ПП>*.
306>103
Расчетную плотность бетонной смеси, кг/м³, в уплотненном состоянии определяем по формуле
ρ>бс> = Ц + В + Щ(Г) + П=406+175+1312+492,5=2385,5 кг/м3
Содержание вовлеченного воздуха

Определение величины ВВ является итоговой проверкой расчета состава бетона, ее значение должно стремиться к нулю.
Результаты сводятся в таблицу 10.
Таблица 10
Параметры проектного состава бетона
|
Параметры |
Обозначение |
Величина |
|
Марка бетона |
М |
400 |
|
Класс бетона, МПа |
В |
311,2 |
|
Удобоукладываемость смеси, см, (жесткость, с) |
ОК (Ж) |
1 |
|
Марка цемента, кг/м3 |
МЦ |
400 |
|
Расход цемента (нормативный), кг/м3 |
Ц>н> |
400 |
|
Расход цемента (расчетный), кг/м3 |
Ц>р> |
406 |
|
Расход песка, м3/м3 |
П |
492,5 |
|
Расход щебня(гравия) , м3/м3 |
Щ(Г) |
1312 |
|
Расход воды, л\м3 |
В |
175 |
|
Расчётная плотность бетона, кг/м3 |
ρ>бс> |
2385,5 |
2.3. Организация производства изделия
В соответствии с принятой функциональной схемой производства проектируемого железобетонного изделия описывается состав и последовательность выполнения работ на каждом из постов технологической линии по изготовлению колонн. Рассматривается основное, вспомогательное и транспортное оборудование, приводятся данные о степени автоматизации производства.
По каждому технологическому процессу разрабатываются операционные нормали, определяющие технологические условия выполнения операции на рабочих постах, условия безопасности труда, состав исполнения, требования к качеству операций и необходимое оборудование и инструменты.
Таблица 11
Операционные нормали технологического процесса
|
Наименование поста: распалубка |
|
Наименование операций: установка формы с изделием, откидывание продольных бортов, обрезка стержней, съем поперечных бортов, съем изделия, чистка, смазка. |
|
Технологические условия: Установка формы с изделием производить мостовым краном с автоматической траверсой. Разбалчивание креплений формы производить ручным инструментом, откидывание продольных бортов – мостовым краном. Передачу напряжения на бетон производить после разрушения лаборатории при достижении бетоном требуемой передаточной прочности. Передачу
напряжения на бетон производить
обрезкой напряженных стержней
керосинорезом при температуре изделия
не более 40
Длительность разогрева 4…5 с, длина участка разогрева 50 мм. Выемку изделий из формы производить мостовым краном с помощью специальной траверсы после съема поперечных болтов формы. Чистку формы производить систематически с помощью ручного инструмента – скребка и металлической щетки. При чистке поверхности формы запрещается пользоваться острым ударными инструментами, оставляющими вмятины и царапины. Смазка
наносится на очищенную поверхность
тонким слоем толщиной 0,2 мм с помощью
удочки-распылителя. Направление струи
смазки должно быть под углом 90
|
|
Условия безопасности труда: Сварочные аппараты должны быть заземлены. Токопроводка должна быть тщательно изолирована. Электросварщики должны иметь щетки со светофильтром и спецовку. На рабочих местах электросварщиков необходимо укладывать резиновые коврики или деревянные решетки. При чистке и смазке форм рабочий должен иметь индивидуальные средства защиты. Не разрешается ходить по смазанной поверхности. |
|
Контроль качества: Прочность бетона к моменту распалубки контролируется лабораторией 1 раз в смену для каждой партии изделий. Качество обрезки стержней контролирует электросварщик и инженер ОТК в каждом изделии. Качество чистки контролируется постоянно формовщиком и инженером ОТК выборочно, 1 раз в смену; чистка должна обеспечить отсутствие остатков бетона Визуальный контроль качества смазывания внутренних поверхностей формы с целью недопущения подтеков и непромазанных мест контролируется постоянно для каждой формы формовщиком и инженером ОТК 1 раз в смену. |
|
Исполнители операций: Формовщик III разряда – 5 чел., резчик IV разряда – 1 чел., оператор V разряда – 1 чел., крановщик V разряда – 1 чел. |
|
Оборудование и инструменты: Мостовой кран, ручной инструмент, устройство для открывания бортов, скребок, щетка, распылитель. |
|
Наименование поста: армирование |
|
Наименование операций: укладка и нагрев стержней, установка продольных каркасов, установка монтажных петель, снятие и перемещение формы, сборка формы. |
|
Технологические условия: При установке арматурного каркаса в форму не допускается продольное смещение по относительно проектного положения более, чем на ±5 мм. Необходимо создать в бетоне по всему сечению или только в зоне растягивающих напряжений предварительное обжатие. Предварительное обжатие бетона достаточно – 5-6 МПа. Максимально
допускаемая температура арматурной
стали должна находиться в пределах
от 300 до 400
Для обеспечения обжатия бетона прочностные характеристики арматурной стали должны находиться в пределах упругих деформаций и не превышать 85-90% предела текучести стали. Сетки и каркасы из стальных арматурных стержней соединяют точечной контактной электросваркой. |
|
Условия безопасности труда: Трансформаторы должны быть заземлены. Изолирующая электрозащита средств: диэлектрические перчатки, инструмент с изолирующими рукоятками, изолирующие и токоведущие клещи, указатели высокого напряжения. Следует применять местную общеместную вентиляцию для удаления сварочного аэрозоля. Для уменьшения шума используется твердые пластмассы для покрытия поверхностей. Устанавливаются упругие материалы в местах упора и парения прутков арматуры. |
|
Контроль качества: Температура нагрева, величина натяжения осуществляется арматурщиком, ОТК. Постоянно, каждый стержень. Раз в смену по одной форме. Толщина слоя защитного осуществляется визуально, контрольным замером, бетонщиком, ОТК, два раза в смену по одной форме. Правильность установки каркаса и закладных деталей определяется визуально бетонщиком, ОТК. Постоянно по каждой форме, два раза в смену по одной форме. Соответствие формы проектным размерам осуществляется обмер рулеткой, уровнем, ОТК. Раз в квартал поштучно. Расстояния между упорами осуществляется обмером рулеткой, ОТК, раз в смену по одной форме. |
|
Исполнители операций: Формовщик III разряда – 3 чел., арматурщик IV разряда – 9 чел., крановщик V разряда – 1 чел. |
|
Оборудование и инструменты: Ручной инструмент, мостовой кран, гидродомкрат. |
|
Наименование поста: формование |
|
Наименование операций: установка формы на виброплощадку; укладка бетонной смеси в форму, уплотнение смеси в форму, очистка поста, обработка поверхности, съем формы и перемещение. |
|
Технологические условия: Процесс укладки и распределения бетонной смеси осуществляется с помощью бетонораздатчиков и бетоноукладчиков. Режимы формования должны обеспечить коэффициент бетонной смеси для тяжелого бетона – не менее 0,98. При
температуре наружнего воздуха ниже
0
Смазка должна иметь консистенцию, позволяющую наносить ее механизированным способом, т.е. распылением. Так же должна хорошо удерживаться на поверхности формы, недолжно происходить прилипание бетонного изделия к форме и не портить внешнего вида изделий. К формам всех видов предъявляют общие требования: простота сборки и разборки форм; высокая жесткость и способность сохранять свои формы и размеры при динамических нагрузках, неизбежно возникающих при производстве; масса по отношению к единице массы изделия должна быть минимальной. |
|
Условия безопасности труда: Устанавливаются звуко- и шумоизолирующие кожухи для защиты от вибрирования. Применяются звукопоглощающие облицовки. Применяются шумозащитные кожухи, экраны, кабины, наблюдения, глушители шума. Для защиты работающих в помещениях с шумным оборудование: звукоизолированное вспомогательное помещение; защита от шума – средствами индивидуальной защиты, наушниками, вкладышами, беруши. |
|
Контроль качества: Удобоукладываемость бетонной смеси предусмотрена в соответствии с ГОСТ 10181 контролируется два раза в смену по одной пробе лаборантом. Равномерность укладки производится методом замера линейкой, раз в смену по 1 форме – мастером цеха и постоянно по каждой форме – бетонщиком. Время уплотнения контролируется секундомером постоянно по каждой форме – бетонщиком и один раз в смену мастером цеха. Средняя плотность бетонной смеси ρ>факт> предусмотрена в соответствии с ГОСт 10181 один раз в смену по донной форме лаборантом. Прочность бетона контролируется ГОСТом 10180 и изготовлением контрольных образцов один раз в смену из партии лаборантом. |
|
Исполнители операций: Формовщик III разряда – 1 чел., оператор V разряда – 1 чел |
|
Оборудование и инструменты: Бетоноукладчик, наружный вибратор. |
|
Наименование поста: тепловая обработка (ТО) |
|
Наименование операций: предварительное выдерживаемое до пропаривания; подъем температуры; изотермический прогрев; охлождение. |
|
Технологические условия: Оптимальное время предварительного выдерживания от 2 до 10 часов, при этом бетон приобретает около 0,3-0,5 МПа. Подъем
температуры происходит со скоростью
25-30
Изотермическая
выдержка длится 6-8 часов при максимальной
температуре равной 80-90
Охлаждение
изделий происходит при температуре
30-40
Общая продолжительность пропаривания для изделий в среднем составляет 12-15 часов. В
нерабочее время в тепловых агрегатах
подачу в них теплоносителем следует
прекращать за 2-4 часа, до окончания
изотермического прогрева или понижения
температуры на 10-15
|
|
Условия безопасности труда: Необходимо предусматривать: теплоизоляцию ограждений камер, элементов термоформ; гидрозащиту теплоизоляционного слоя в ямных камерах, термоформах. |
|
Контроль качества: Соблюдение заданного режима термовлажности обработки с помощью автоматического регулирования контролируется лаборантом постоянно каждая камера. работу систем пароснабжения и автоматики при помощи осмотра и наблюдения раз в смену каждая камера контролируется мастером цеха и инженером КИП. |
|
Исполнители операций: Термист IV разряда – 1 человек. |
|
Оборудование и инструменты: Пропарочные камеры; приборы автоматического учета расхода тепловой энергии, регулирования, контроля температуры и влажностного режима, термоформа. |
3. Проектирование технологического процесса
3.1 Расчет длительности элементных циклов
Основными расчетными величинами при проектировании технологического проекта являются длительности операций и элементных циклов. Для более полного и точного учета времени, затрачиваемого на выполнение элементного цикла, составляется операционный график, в котором последовательно записываются все операции, по каждой из них определяется продолжительность механизированных и ручных операций.
Составление операционного графика рекомендуется выполнять в следующей последовательности:
– разрабатываются компоновочные схемы постов с размещением в плане основного технологического и транспортного оборудования;
– определяются необходимые расчетные параметры – объемы работ по операциям, длины рабочих и холостых ходов машин, высота и дальность перемещения, материалов и форм, уточняются нормы времени на ручные операции, состав рабочих, технические характеристики механизмов;
– рассчитывается длительность механизированных и ручных операций и разрабатывается первый вариант операционного графика;
- согласовывается возможность выполнения операций во времени и пространстве с помощью графоаналитического моделирования.
Операционный график производства ребристых плит по агрегатно-поточной линии размещен на чертеже.
Производим операции при изготовлении плит:
Таблица 12
Операции при изготовлении квадратных свай
|
Операции |
Оборудование |
Состав звена рабочих |
Продолжительность операций, мин |
||
|
профессия |
разряд |
численность |
|||
|
1 |
2 |
3 |
4 |
5 |
6 |
|
Снятие торцевых бортов формы |
Мостовой кран |
Формовщик |
III |
2 |
2 |
|
Обрезка стержней напряженной арматуры |
Ручной инструмент |
Резчик |
IV |
1 |
4 |
|
Открытие продольных бортов формы |
Устройство для открывания бортов |
Оператор Формовщик |
V III |
2 1 |
3 |
|
Съем и транспортирование изделия |
Мостовой кран |
Крановщик |
V |
1 |
5 |
|
Чистка формы |
Скребок, щетка |
Формовщик |
III |
1 |
3 |
|
Смазка формы |
Распылитель |
Формовщик |
III |
1 |
2 |
|
Укладка нижних сеток |
Ручной инструмент |
Арматурщик |
IV |
2 |
1 |
|
Укладка напрягаемой рабочей арматуры |
Мостовой кран |
Арматурщик |
IV |
2 |
6 |
|
Укладка продольных сеток |
Ручной инструмент |
Арматурщик |
IV |
2 |
3 |
|
Подъем бортов формы |
Мостовой кран |
Крановщик Формовщик |
V III |
1 3 |
1 2 |
|
Укладка верхних сеток и петель |
Ручной инструмент |
Арматурщик |
IV |
2 |
1 |
|
Натяжение рабочей арматуры |
Гидродомкрат |
Арматурщик |
IV |
1 |
8 |
|
Укладка бетонной смеси |
Бетоноукладчик |
Оператор |
V |
1 |
9 |
|
Виброуплотнение смеси |
Наружный вибратор |
Формовщик |
III |
1 |
6 |
|
Тепловая обработка |
Пропарочные камеры |
Термист |
IV |
1 |
600 |
3.2. Проектная производительность линии
Основным показателем деятельности предприятия является его производственная мощность – максимально возможный годовой выпуск продукции по заданной номенклатуре при полном использовании основного технологического оборудования. Она определяется мощностью цехов, технологических линий и определенных агрегатов, установленных на заводе. На стадии технологического проектирования рассчитывается проектная производительность (проектная мощность) полуконвейерной линии. Проектную производительность можно определить по формуле:
,
м3/год,
где P>ст> – проектная производительность одного стенда, м3/год;
B>р >– расчет годового фонда работы оборудования, 233 суток;
D>c> – количество оборотов стенда в сутки, 1об.;
V>ф> – объем одновременно формуемых изделий, м3 (1 изделия);
n – число изделий одновременно формуемых на стенде, 1шт.
м3.
,
м3/год,
,
м3/год
где P>ст.л >– проектная производительность всех стендов
P>ст.л>=
,
м3/год
3.3. Расчет потребности производства в бетонных смесях, материалах и ресурсах
Потребность производства в бетонных смесях, и материалах определяется в соответствии с программой выпуска железобетонных колонн по установленной производительности. В расчетах учитывается потери материалов при хранении, транспортировании и перегрузках. Часовую потребность принимают по максимальному часовому расходу смеси, определяемому по операционному графику. Расход материалов на 1 м3 бетонной смеси должен соответствовать проектному составу бетона.
Потребность технологического комплекса в сырьевых материалах представляется в таблице 13.
Таблица 13
Потребность цеха в бетонных смесях и материалах
|
Наименование материала, единица измерения |
Расход на 1м3 бетона |
Потребность производства, в |
|||
|
год |
сутки |
смену |
час |
||
|
Бетонная смесь, т |
1,306 |
5591,60 |
24,00 |
12,00 |
1,50 |
|
Цемент, т |
0,223 |
954,75 |
4,10 |
2,05 |
0,26 |
|
Песок, т |
0,273 |
1169,34 |
5,02 |
2,51 |
0,31 |
|
Щебень, т |
0,725 |
3105,89 |
13,33 |
6,67 |
0,83 |
|
Вода, т |
0,096 |
411,83 |
1,77 |
0,88 |
0,11 |
|
Арматурная сталь и закладные детали, т |
0,04 |
171,26 |
0,74 |
0,37 |
0,05 |
|
Смазка ЭКС, кг |
3,20 |
13700,48 |
58,80 |
29,40 |
3,38 |
Количество смазки для форм определяется из расчета 0,2 кг на 1 м3 смазываемой поверхности форм.
Расход цемента - Потери на: транспортирование –0,25%, разгрузка – 0,15%, складирование и хранение 0,2%. Подача на БСУ – 0,1%, Дозирование и подача в бетономешалку 0,05% - 0,9%. Расход цемента = 0,223 т/м3.
Расход песка – Потери: транспортирование – 1,9%. Расход песка = 0,273 т/м3.
Расход щебня - Потери: транспортирование - 1,2%, складирование и хранение -0,4%. Расход щебня = 0,725 т\м3
Расход воды - Потери: 1% .Расход воды = 0,096
Расход арматурной стали - Потери: 3%. Расход стали – 0,04 т.
Расход смазки - Потери: 1%. Расход смазки =3,20 кг.
S>ф> = 0,35 ·0,35 · 2 + 0,35 ·15 · 2 + 0,35 · 15 = 15,995 м2
m>см >= 0,2 ·S>ф> = 0,2 · 15,995=3,20 кг.
Необходимое количество тепловой энергии для ускоренного твердения изделий, кг, находящихся в одном тепловом агрегате,
Q>п >= q>п>·V>изд>·n,
Где V>изд> – объем бетона в форме, 1,8375 м3;
n – количество форм в камере, 6;
q>п>- удельный расход энергии на ускоренное твердение на м3 бетона, 250 кг/ м3;
Q>п >= q>п>·V>изд>·n=250·1,8375·6=2756,25 кг
Часовые расходы тепла в период подогрева и изотермического обогрева, кг/ч, рассчитываются по формулам:
кг/ч
кг/ч
где
– часовой расход тепловой энергии
(пара) в период подогрева;
– то же, в период
изотермического обогрева;
– длительность периода
подогрева, 3ч;
– длительность
изотермического обогрева, 4,5ч;
m – коэффициент, учитывающий неравномерность расхода тепла в отдельные периоды (m = 10).
Потребность электрической энергии на технологические нужды складывается из расхода энергии на работу двигателей, установленных на технологическом и транспортном оборудовании цеха, и энергии на нагрев напрягаемой арматуры.
Годовой расход электроэнергии, , рассчитывается по формуле
N = ΣPуст·Кс·Тр
где P>уст> – установленная мощность электродвигателя, кВт;
Т>р> – годовой фонд работы оборудования, ч (число часов работы при односменной работе принимается 4000 ч);
К>с> – коэффициент спроса,.
ΣPуст·Кс=0,26·0,4+79,7·0,3+0,25·14,1+2,2·0,3 +39,1·0,2= 34,58
N = ΣPуст·Кс·Тр=34,58·4000= 138320 кВт·ч
Суммарный расход электроэнергии в год, кВт·ч,
ΣN = N = 138320 кВт·ч
3.4. Численность и состав работающих
Для технологической линии состав производственной бригады определяем по конкретной расстановке рабочих по постам в соответствии с ранее разработанными операциями нормалями с операционным графиком производства.
Суточная численность рабочих в бригаде определяется путем суммирования по всем сменам. На основе полученных данных составляется штатная ведомость цеха таблица 14.
Таблица 14
Потребность цеха в бетонных смесях и материалах
|
Профессия рабочего |
Разряд |
Количество рабочих, чел |
|
1-я смена |
||
|
Крановщик |
V |
2 |
|
Формовщик |
III |
9 |
|
Арматурщик |
IV |
9 |
|
Оператор |
V |
3 |
|
Резчик |
IV |
1 |
|
Термист |
IV |
1 |
|
Всего: |
25 |
3.5. Контроль качества производства и готовой продукции
В соответствии с разработанной технологией производства рассматривается организация входного, операционного и приемочного контроля (табл. 15).
Под входным контролем понимается контроль качества продукции, поступившей на предприятие для производства железобетонных изделий.
Входному контролю подлежат материалы для приготовления бетонной смеси, арматурных изделий и закладных деталей, отделочные материалы.
Операционный контроль – это контроль за выполнением технологических требований на каждой операции производственного процесса.
Приемочный контроль – это контроль готовой продукции, по результатам которого принимается решение о её пригодности и поставке потребителю.
Задачей приемочного контроля является установление соответствия качественных показателей готовых изделий требованиям государственных стандартов. Общая номенклатура показателей качества железобетонных изделий установлена ГОСТ 13015.1 – 81 (с изм.). Приемочный контроль подразумевает также испытания и измерения готовых изделий и обобщения данных входного и операционного контроля.
Таблица 15
Организация контроля
|
Объект контроля |
Контролируемые параметры материалов, процессов, продукции |
Метод и средства контроля |
Периодичность и объем контроля |
Лицо, осуществляющее контроль |
|
1 |
2 |
3 |
4 |
5 |
|
Входной контроль |
||||
|
Цемент |
Вид, марка, наличие паспорта, объем партии |
По документам |
Каждая партия |
Отдел снабжения |
|
Активность, сроки схватывания, НГ, плотность |
Испытание
в бетоне |
То же |
Лаборант |
|
|
Заполнители |
Вид, наличие паспорта, объем партии |
По документам |
То же |
Отдел снабжения |
|
Зерновой состав |
ГОСТ 8269, ГОСТ 8735 |
То же |
Лаборант |
|
|
Дробимость щебня |
ГОСТ 8269 |
То же |
Лаборант |
|
|
Влажность |
ГОСТ 8269, ГОСТ 8735 |
Два раза в смену после выпадения осадков |
Лаборант |
|
|
Сталь арматурная и для закладных деталей |
Вид, класс, марка, наличие сертификатов, объем партии |
По сопровождающим документам ГОСТ 12004 |
Каждая партия |
Отдел снабжения, лаборант |
|
Операционный контроль |
||||
|
Обрезка арматуры |
Передаточная прочность |
Испытание контрольных образцов ГОСТ 10180 |
Раз в смену партией |
Лаборант |
|
Качество обрезки стержней |
Визуальный осмотр, линейка |
Каждое изделие |
ОТК |
|
|
Чистка, смазка формы |
Качество очистки и смазки |
Визуальный осмотр |
Раз в смену выборочно |
Мастер цеха |
|
Качество эмульсии |
Испытание пробы |
Раз в смену |
Лаборант |
|
|
Электротермическое натяжение арматуры, армирование |
Температура нагрева, величина натяжения |
По удлинению арматуры, автоматически концевым выключателем, частотный метод, ИПН |
Постоянно, каждый стержень. Раз в смену по одной форме |
Арматурщик ОТК |
|
Толщина защитного слоя |
Визуально Контрольный замер |
Каждая форма Два раза в смену по одной форме |
Бетонщик ОТК |
|
|
Правильность установки каркаса и закладных деталей |
Визуально |
Постоянно, по каждой форме. Два раза в смену по одной форме |
Бетонщик ОТК |
|
|
Сборка формы |
Соответствие формы проектным размерам |
Обмер рулеткой, уровнем |
Раз в квартал поштучно |
ОТК |
|
Расстояния между упорами |
Обмер рулеткой |
Раз в смену по одной форма |
ОТК |
|
|
Укладка и уплотнение смеси |
Удобоукладываемость бетонной смеси |
ГОСТ 10181 |
Два раза в смену по одной пробе |
Лаборант |
|
Равномерность укладки |
Толщина слоя, замер линейкой |
Постоянно по каждой форме |
Бетонщик |
|
|
Раз в смену по одной форме |
Мастер цеха |
|||
|
Время уплотнения |
Секундомер |
Постоянно по каждой форме |
Бетонщик |
|
|
Раз в смену |
Мастер цеха |
|||
|
Средняя плотность бетонной смеси ρ>факт> |
ГОСТ 10181 |
Раз в смену по одной формовке |
Лаборант |
|
|
Коэффициент уплотнения |
К>упл> = ρ>факт >/ρ>теор> |
То же |
Лаборант |
|
|
Прочность бетона |
ГОСТ 10180, изготовление контрольных образцов |
Раз в смену из партии |
Лаборант |
|
|
Тепловая обработка |
Соблюдение заданного режима тепловлажностной обработки |
Приборы автоматического регулирования |
Постоянно каждая камера |
Лаборант |
|
Работа систем пароснабжения и автоматики |
Осмотр и наблюдение |
Раз в смену каждая камера |
Мастер цеха, инженер КИП |
|
|
Подготовка к сдаче продукции |
Внешний вид изделий |
Визуально |
Каждое изделие |
ОТК |
|
Наличие дефектов |
Визуально |
То же |
ОТК |
|
|
Правильность укладки изделий |
Рулетка, схема размещения |
Два раза в смену |
Мастер цеха |
|
|
Качество маркировки изделий |
Визуально |
Постоянно каждое изделие |
ОТК |
|
|
Приемочный контроль |
||||
|
Прием изделий ОТК |
Отпускная прочность бетона |
Испытание контрольных образцов, ГОСТ 10180, ГОСТ 18105 |
Раз в смену партия |
Лаборатория |
|
Прочность бетона в проектном возрасте |
Испытание контрольных образцов, ГОСТ 10180, ГОСТ 18105 |
Раз в смену партия |
Лаборатория |
|
|
|
Испытание контрольных образцов по ГОСТ 10060 |
Раз в 6 месяцев партия |
Лаборатория |
|
|
Геометрические размеры изделия |
ГОСТ 13015.1, ГОСТ… |
Выборочно, 10 % от партии, но не менее 3 изделий |
ОТК |
|
|
Разность длин диагоналей, неплоскостность |
ГОСТ 13015.1, ГОСТ… |
То же |
ОТК |
|
|
Чистота поверхности |
ГОСТ 13015.1, ГОСТ… |
То же |
ОТК |
|
|
Расположение и номинальные размеры закладных деталей |
ГОСТ 13015.1, ГОСТ… |
То же |
ОТК |
|
|
Отпуск потребителю |
Укладка изделий на транспортные средства |
Визуально, правильность положения, крепление изделий |
Постоянно, каждое транспортное средство |
ОТК |
3.6. Охрана труда
В технологической части проекта приводятся требования к освещенности рабочих мест, по ограничению шума и вибраций, по обеспечению безопасности условий труда, включая требования по электро- и пожаробезопасности.
Освещенность на рабочем месте должна отвечать условиям оптимальной работ рения при заданных размерах объекта различия. Освещение должно быть равномерным, т.к. перевод взгляда с яркоосвещенной поверхности на темную вызывает повышенное утомление глаз из-за частой переадаптации. Отраженная блесткость устраняется путем использования матовых поверхностей, изменением угла наклона рабочей поверхности. Освещение не должно исключать цветопередачу.
В целом осветительная установка должна быть удобной, надежной, экономной, не создавать шума и не быть источником дополнительных опасностей.
Естественное и искусственное освещение в производственных и вспомогательных цехах, а также территории предприятия должно соответствовать требованиям СНиП II-4-79.
Необходимо использовать 2 метода для уменьшения вредных вибраций от рабочего оборудования:
1 метод, основан на уменьшении интенсивности возбуждающих сил в источнике их возникновения;
2 метод ослабления вибрации на пути их распространения через опорные связи от источника к другим машинам и строительным конструкциям. Но если не удается выполнить эти методы, то необходимо нанести на вибропоглощающие материалы.
Уровень вибрации на рабочих местах не должен превышать установленной ГОСТом 121.012-78. Для устранения вредного воздействия вибрации на работающих необходимо применять специальные мероприятия: конструктивные, технологические и организационные, средства виброизоляции виброгашения, дистанционное управление, средства индивидуальной защиты.
Уровень шума на рабочих местах не должен превышать допустимый ГОСТ 12.1.003-83. Для снимжения уровня шума следует предусматривать мероприятия по ГОСТ 12.1.003-83 и СНиП 11-12-77. Применяют шумозащитные кожухи, экраны, кабины, наблюдения, глушители аэродинамического шума; обработка стен и потолка звукоизолирующими облицовками. Для индивидуальной защиты применяют наушники различные, вкладыши, шлемы.
При производстве следует применять технологические процессы, не загрязняющие окружающую среду, и предусматривать комплекс мероприятий с целью ее охраны. Содержание вредных веществ в выбросах не должно вызывать их увеличения их концентрации в атмосфере населенных пунктов и в водоемах санитарно-бытового пользования выше допустимых величин установленных СНиП 245-71.
При производстве работ в цехах предприятий следует соблюдать правила пожарной безопасности в соответствии с требованиями ГОСТ 12.1.004-76. Следует соблюдать также требования санитарной безопасности, взрывобезопасности производственных участков, в том числе связанных с применением веществ, используемых для смазки форм, химических добавок, приготовлением их водных растворов и бетонов с химическими добавками.
Все работы, связанные с изготовлением сборных бетонов и железобетонных изделий, должны соответствовать требованиям СНиП III-4-80, а также ведомственным правилам охраны труда и техники безопасности.
Заключение
В данной курсовой работе был разработан проект по производству квадратных свай по стендовому способу. Принят режим работы технологической линии соответственно 233 суток.
Армирование производим натяжением арматуры механическим способом с помощью гидродомкрата СМЖ-738.
Формование изделия осуществляется с помощью наружного электромеханического вибратора с направленными колебаниями ИВ-36.
Тепловая обработка производилась в ямных камерах в течение 10 часов. В результате выполнения третей части был построен график ТО.
По данным расчета определили потребность производства в бетонной смеси и материала, который определился в соответствии с программой выпуска железобетонных изделий по установленной нами производительности 4281,4 м3/год.
Список используемой литературы
Плешко М.С. Методические указания к выполнению курсового проекта по дисциплине «Технология бетона, строительных изделий и конструкций». Шахтинский институт ЮРТГУ. – Новочеркасск: ЮРТГУ, 2004. – 26 с.
ГОСТы и СНиПы – ГОСТ 27215-87. Плиты перекрытий железобетонные ребристые для производственных зданий промышленных предприятий,1988,-15с.
Плешко М.С. Методические указания к практическим заданиям по дисциплине «Технология бетона, строительных изделий и конструкций». Шахтинский институт ЮРТГУ. – Новочеркасск: ЮРТГУ, 2004. – 36 с.
Баженов Ю.М., Комар А.Г. Технология бетонных и железобетонных изделий. – М.: Стройиздат, 1984. – 672 с.
>
>
>

.
к поверхности. Температура смазки
должна быть 60
Морозостойкость