Расчет буровой лебедки
Содержание
Введение
1. Анализ существующих конструкций буровых лебедок
1.1 Анализ конструкций буровых лебедок отечественного производства
1.2 Анализ конструкций буровых лебедок зарубежного производства
1.3 Описание выбранного прототипа
2. Расчетная часть
2.1 Расчет и выбор параметров буровой лебедки
2.2 Расчеты на прочность
2.2.1 Расчет на прочность барабана лебедки
2.2.2 Расчет венца цепного колеса
2.2.3 Расчет подъемного вала
3. Особенности монтажа, эксплуатации и ремонта
Список литературы
Приложение А
Приложение Б
Введение
Буровая лебедка — основной агрегат спуско-подъемного комплекса буровой установки. Она предназначена в основном для создания тягового или тормозного усилия в ведущей ветви талевого каната. Лебедка необходима для подъема и спуска бурильной колонны, ненагруженного элеватора, спуска обсадных колонн, удержания на весу неподвижной колонны или медленного ее опускания при подаче долота на забой в процессе бурения или расширения скважины. Катушечный вал и пневмораскрепитель лебедки часто используют для свинчивания и развинчивания резьбовых соединений бурильных и обсадных труб. Лебедка применяется для подтаскивания, и подъема труб, грунтоносок и других грузов, а также при монтаже буровых вышек и оборудования на них.
Лебедки монтируют на уровне пола буровой или под полом. Каждый из этих способов имеет свои преимущества и недостатки. При установке над полом буровой имеется свободный доступ ко всем узлам лебедки для их обслуживания и ремонта. Свободный доступ к катушечному валу исключает необходимость монтажа вспомогательной лебедки. Упрощается конструкция привода ротора от лебедки. При установке под полом буровой значительно уменьшаются высота и масса блочного основания, существенно снижается трудоемкость ее монтажа и демонтажа, что имеет немаловажное значение для сокращения сроков строительства буровых.
Буровая лебедка состоит из жесткой сварной металлической рамы, на которой смонтированы на подшипниках качения подъемный вал с барабаном для навивки талевого каната, катушечный и трансмиссионный валы. Все валы кинематически связаны между собой цепными передачами, которые передают им крутящие моменты от коробки скоростей и используются для регулирования частоты вращения валов. Лебедки кинематически связаны с коробками скоростей и двигателями привода цепной или карданной передачей.
Бурильная колонна из скважины поднимается при больших затратах мощности, а спускается под действием собственного веса. Поэтому лебедки должны иметь достаточно мощный привод и надежную тормозную систему для поглощения энергии спуска колонн. В процессе подъема бурильной колонны ее вес (нагрузка на крюке) постепенно уменьшается и соответственно снижается затрата мощности привода. Для увеличения степени загрузки двигателей привода рационально повышать скорость подъема колонны. Таким образом, с целью обеспечения высокого коэффициента использования мощности привода лебедки должны быть многоскоростными.
Для подъема ненагруженного элеватора лебедки должны иметь независимую повышенную скорость. Переключение с любой из скоростей на повышенную скорость «холостого» подъема должно происходить быстро, легко и плавно, что достигается установкой двойной цепной передачи для привода подъемного вала. Поочередное включение одной из этих передач производится с помощью оперативных фрикционных муфт, которыми управляют с пульта бурильщика. В процессе подъема колонн переменной массы скорости в коробке передач переключаются периодически. Большинство лебедок не имеет оперативного управления скоростями.
Талевый канат на барабан лебедки навивается и свивается с различными скоростями. Скорость движения ведущей ветви талевого каната зависит от скорости движения крюка и числа струн в оснастке талевой системы. Скорость крюка при подъеме колонны наибольшего веса обычно составляет 0,3—>0,5 м/с, а скорость подъема ненагруженного элеватора—1,7—2 м/с. Более высокие скорости подъема резко ухудшают условия намотки и укладки каната на барабане лебедки и не дают существенного выигрыша во времени. Наибольшая скорость спуска бурильной колонны не превышает 3 м/с, а наименьшая — при спуске обсадных колонн может снижаться до 0,2 м/с.
Исходя из назначения, функций и условий эксплуатации, к буровым лебедкам предъявляют следующие основные требования.
1. Кинематическая схема лебедки и выбранные соотношения скоростей должны обеспечивать наиболее рациональное использование установленной мощности привода. При этом коэффициент полезного действия агрегата в целом должен иметь высокое значение.
Для подъема ненагруженного элеватора в каждой лебедке необходимо предусмотреть независимую повышенную скорость на подъемном валу.
Тормозная система должна быть надежной в эксплуатации. Каждую лебедку следует оснащать двойной тормозной системой.
Необходимо, чтобы скорости лебедки включались при помощи муфт фрикционного типа оперативно, легко и плавно.
Кинематическая схема лебедки должна предусматривать возможность передачи движения на механизм подачи долота и ротор.
Конструкция лебедки должна обеспечивать бесперебойную ее работу до капитального ремонта или списания. Затраты времени на монтаж и демонтаж лебедки должны быть минимальными. Все передачи лебедки необходимо закрывать прочными ограждениями.
Конструкция лебедки должна позволять проведение мелкого текущего ремонта ее в условиях буровой.
В данной работе мы ставим своей целью на основании конструкции предложенного прототипа просчитать геометрические размеры основных деталей лебедки и проверить их прочность.
1. Анализ существующих конструкций буровых лебедок
Буровые лебедки различаются по мощности и другим техническим параметрам, а также по кинематическим и конструктивным признакам.
Мощность буровых лебедок, регламентируемая для отечественных лебедок ГОСТ 16293—82, находится в пределах 200—2950 кВт в зависимости от глубин бурения.
По числу скоростей подъема различают двух-, трех- четырех- и шестискоростные буровые лебедки. За рубежом применяются восьми- и десятискоростные буровые лебедки. Скорости подъема изменяются путем переключения передач между валами лебедки либо посредством отдельной коробки перемены передач.
В зависимости от используемого привода различают буровые лебедки со ступенчатым, непрерывно-ступенчатым и бесступенчатым изменением скоростей подъема. Ступенчатое изменение скоростей подъема имеется в буровых лебедках с механическими передачами от тепловых двигателей и электрических двигателей переменного тока. При гидромеханических передачах лебедки с теми же двигателями имеют непрерывно-ступенчатое изменение скорости подъема. В случае использования привода от электродвигателей постоянного тока, скорости подъема лебедки изменяются бесступенчато по кривой постоянства мощности двигателя.
По схеме включения быстроходной передачи различают буровые лебедки с независимой и зависимой «быстрой» скоростью. Как известно, при спуске бурильных и обсадных труб в соответствии с последовательностью выполняемых операций используются две скорости: тихая — для приподъема колонны труб с целью освобождения клиньев или элеватора и быстрая —для последующего подъема незагруженного элеватора за очередной свечой. Для ускорения спуска переключение указанных скоростей не должно много времени и поэтому осуществляется фрикционными муфтами с поста бурильщика. Буровые лебедки с независимой схемой скоростей позволяют поднимать незагруженный элеватор на быстрой скорости независимо от тихой скорости, используемой для приподъема. При зависимой схеме незагруженный элеватор поднимают на разных скоростях, равных либо пропорциональных скорости, используемой для приподъема колонны труб.
По числу валов различают одно-, двух- и трехвальные буровые лебедки. Одно- и двухвальные лебедки снабжаются отдельной коробкой перемены передач. В трехвальных лебедках скорости подъема изменяются с помощью передач, установленных между валами самой лебедки. Для вспомогательных работ двух- и трехзальные буровые лебедки снабжаются фрикционной катушкой. В случае использования одновальной лебедки для этого подключают дополнительную вспомогательную лебедку.
Буровые лебедки различаются по числу скоростей, передаваемых ротору, и кинематической схеме передач, установленных между лебедкой и ротором.
По способу управления подачей долота различают буровые лебедки с ручным и автоматическим управлением, осуществляемым посредством регулятора подачи долота.
Наряду с указанными особенностями различают лебедки с капельной и струйной смазками цепных передач; воздушным и водяным охлаждением тормозных шкивов; гидродинамическим и электромагнитным вспомогательными тормозами; ручным и дистанционным управлением.
1.1 Анализ конструкций буровых лебедок отечественного производства
Техническая характеристика наиболее распространенных буровых лебедок отечественного производства приведена в таблице 1.1 ([1], табл. 37).
Таблица 1.1 Техническая характеристика буровых лебедок
|
Показатели |
У2-2-11 |
У2-5-5 |
ЛБУ-1100 |
ЛБУ-1700 |
|
Максимальное натяжение ведущей ветви каната, кН |
210 |
273 |
250 |
340 |
|
Диаметр, мм: талевого каната бочки барабана тормозных шкивов |
28 650 1180 |
32 800 1450 |
32 750 1450 |
35 835 1450 |
|
Длина бочки барабана, мм |
840 |
1030 |
1350 |
1445 |
|
Число слоев каната на барабане |
4 |
5 |
3 |
4 |
|
Мощность привода, кВт |
662 |
809 |
809 |
1250 |
|
Число валов лебедки |
2 |
3 |
1 |
1 |
|
Число прямых скоростей: коробки перемены передач лебедки ротора |
3 6 3 |
4 5 4 |
3 6 3 |
3 6 3 |
|
Число обратных скоростей: коробки перемены передач лебедки ротора |
1 2 1 |
4 4 4 |
1 2 1 |
1 2 1 |
|
Исполнение «быстрой» скорости |
Зависимое |
Независ. |
Зависимое |
Независ. |
|
Тип вспомогательного тормоза |
Гидравлический |
Электро-магнитный |
Гидравли-ческий |
|
|
Ширина тормозной колодки, мм |
230 |
230 |
230 |
230 |
|
Число слоев навивки каната на барабан |
4 |
5 |
3 |
4 |
|
Масса, т |
21,3 |
27,1 |
40,2 |
51,3 |
Наиболее простые по кинематической и конструктивной схеме одновальные однобарабанные лебедки (рисунок 1.1). Подъемный вал с барабаном 2 приводится непосредственно от коробки передач 1 двумя цепными передачами 3 к 4, которые попеременно включаются с помощью осевых фрикционных муфт. Благодаря двойной цепной передаче в лебедке в 2 раза больше скоростей, чем в коробке передач. Эти лебедки имеют значительно меньшую массу по сравнению с двух- и трехвальными, меньшие габариты и соответственно более легко выполняются их монтаж и демонтаж. Основной недостаток этой схемы — отсутствие катушечного вала и, как следствие, невозможность выполнения вспомогательных операций. Эта схема не используется в реально существующих конструкциях буровых лебедок по следующим причинам. Однобарабанные лебедки целесообразно применять в буровых установках большой грузоподъемности, для которых устанавливают вспомогательную лебедку в виде отдельного агрегата. Однако создать коробку передач большой необходимой мощности трудно. Лебедки малой и средней мощности по массе не вызывают особых затруднений в монтаже и транспортировке, поэтому их выполняют универсальными.

Рисунок 1.1 Схема одновальной лебедки
Лебедка У2-5-5 наиболее широко применяется в бурении. Она входит в комплект буровых установок БУ-4000. Кинематическая схема ее показана на рисунке 1.2. Это двухвальная однобарабанная лебедка со встроенным зубчатым редуктором и зубчатой коробкой передач, выполненной в виде отдельного агрегата и кинематически связанной с лебедкой карданными валами 6 и 9 (коробка передач на схеме не показана). Коробка передач сообщает лебедке все пять скоростей и может изменять направление вращения, что необходимо при работе с дизельным приводом.
Через карданный вал 9 и вал-шестерню (z = 27) зубчатое колесо (z =93) редуктора лебедки сообщает подъемному валу четыре первых скорости. Привод барабана лебедки 13 на этих скоростях включается путем пуска сжатого воздуха в спаренную шинно-пневматическую муфту 8. Параллельно через карданный вал 6, трансмиссионный вал 5 и цепную передачу со звездочками z = 25 и z = 28 от коробки передач сообщается подъемному валу независимая повышенная скорость V. Она включается шинно-пневматической муфтой 7 и предназначена в основном для подъема ненагруженного элеватора.
Вал 5 находится в постоянном вращении и передает движение через цепную передачу 4 со звездочками z =19 и z =35 катушечному валу 3, на котором смонтирована фрикционная катушка 1 с планетарной передачей 2. Вращение катушечного вала не зависит от включения шинно-пневматической муфты 7. От редуктора лебедки через шестерню (z = 44) мощность передается на трансмиссионный вал ротора 10. Далее через цепную передачу со звездочками z = 45 и z = 21 мощность передается на приводной вал ротора 12. Привод ротора включается в работу сдвоенной шинно-пневматической муфтой 11.
С левой стороны барабана на подъемном валу на подшипниках качения установлено цепное колесо 16 с кулачковой полумуфтой. Через это колесо подъемный вал цепной передачей связан с автоматом подачи долота на забой. Соосно с подъемным валом установлен гидродинамический тормоз 14. Кулачковая муфта 15 включает в работу или гидродинамический тормоз во время спуска колонн, или автомат подачи долота в процессе бурения.
Лебедка У2-2-11 предназначена для комплектации буровых, установок БУ-3000 с дизельным или электроприводом. Кинематическая схема ее приведена на рисунке 1.3. Лебёдка состоит из двух валов: подъемного вала 13 с барабаном и трансмиссионного вала 5. Из-за отсутствия катушечного вала необходима установка на буровой вспомогательной лебедки. Привод лебедки осуществляется от цепной коробки перемены передач, которая имеет три скорости.

Рисунок 1.2 Кинематическая схема лебедки У2-5-5
Имея две собственных скорости, лебедка вместе с коробкой передач располагает шестью скоростями. Первая включается на коробке передач, остальные — с пульта бурильщика с помощью шинно-пневматических муфт. Реверсионное вращение валов лебедки в установках с дизельным приводом включается на коробке скоростей. В установках с электроприводом частота вращения вала лебедки изменяется с пульта бурильщика за счет реверса электродвигателей.
Цепная коробка передач кинематически связана с трансмиссионным валом лебедки цепной передачей 4, по которой передаются три прямые и одна обратная скорости. При включенной шинно-пневматической муфте 2 (ШПМ-1070) и выключенной 7 (спаренная ШПМ-700) с трансмиссионного вала 5 на подъемный вал 13 цепной передачей 3 передаются I, II и III скорости. Эти же скорости передаются цепной передачей 15 на трансмиссионный вал привода ротора, с которого включением скоростей муфты 11 (ШПМ-500) через цепную передачу 12 движение передается приводному валу ротора.
Выключив муфту 2 и включив муфту 7, через цепную передачу 8 на подъемный вал передаются IV, V и VI скорости. Цепными передачами 16 и 6 подъемный вал с барабаном соединяется с регулятором подачи долота. РПД включается в работу кулачковой муфтой 14. Вал гидродинамического тормоза 10 соединяется - с подъемным валом путем включения кулачковой муфты 9. Подъемный вал цепной передачей соединен с командоаппаратом 1. Цепные передачи подвода мощности к подъемному валу — трехрядные с шагом цепи 50,8 мм, для привода ротора и включения РПД — двухрядные с тем же шагом.
Лебедка ЛБУ-1100 состоит из собственно лебедки III, коробки скоростей II, регулятора подачи долота I и трансмиссии привода ротора IV (рисунок 1.4). Одновальная однобарабанная лебедка установлена на отдельной раме, которая с помощью стяжек соединяется с общей рамой коробки скоростей и РПД. Трансмиссия привода ротора также смонтирована па отдельной раме.

Рисунок 1.3 Кинематическая схема лебедки У 2-2-11
Подъемный вал 25 лебедки с барабаном смонтирован на подшипниках качения, корпуса которых установлены на раме. Справа на валу на подшипниках качения смонтировано двойное цепное колесо с z = 40, которое сблокировано с шинно-пневматической муфтой 27. На конце вала посажена кулачковая полумуфта 28, которая соединяет подъемный вал с валом электромагнитной тормозной машины 29. Электромагнитный тормоз включается в работу путем передвижения на тормозном валу ответной кулачковой полумуфты. Привод полумуфты — пневматический с дистанционным управлением. Слева на подъемном валу на подшипниках качения установлено цепное колесо с z = 81, сблокированное с шинно-пневматической муфтой 2. На конце вала установлена звездочка для соединения его цепной передачей с тахогенератором 1.
Приводной блок лебедки состоит из цепной коробки скоростей и регулятора подачи долота. В коробке скоростей смонтированы на подшипниках качения трансмиссионный вал 21 и промежуточный вал 24. На трансмиссионном валу жестко посажены два цепных колеса с z = 27 и на подшипниках качения установлено цепное колесо с z = 30, сблокированное с кулачковой полумуфтой 18. Вторая полумуфта 19 сблокирована с зубчатым колесом 20, С правой стороны трансмиссионного вала находится шинно-пневматическая муфта 22 для включения привода. С левой стороны на этом же валу смонтирован шкив тормозной шинно-пневматической муфты 11, которая предназначена для быстрого торможения валов и их фиксации при переключении скоростей кулачковыми муфтами и зубчатым зацеплением. Для смазки подшипников и цепей установлен масляный шестеренчатый насос 10, привод которого осуществляется от трансмиссионного вала с помощью клиноременной передачи.
На промежуточном валу на подшипниках качения смонтированы цепные колеса с z = 52 и z = 34, сблокированные соответственно с кулачковыми полумуфтами 13 и 15. На этом же валу неподвижно посажены цепные колеса с z=27 и z = 39 и зубчатое колесо 23. Левый конец промежуточного вала 24 соединяется соосно с помощью шинно-пневматической муфты 9 со вторым промежуточным валом 4, на котором неподвижно посажено цепное колесо с z=21 и шинно-пневматическая муфта 5 для соединения его с валом редуктора РПД. Регулятор подачи долота смонтирован на общей раме с коробкой скоростей и состоит из редуктора 6, колодочного тормоза 7 и приводного электродвигателя 8.
Трансмиссия привода ротора состоит из цепной передачи 30, передающей мощность с подъемного вала через спаренную шинно-пневматическую муфту 31 коническому редуктору 32. От него передача осуществляется через вертикальный карданный вал к верхнему коническому редуктору, который связан горизонтальным карданным валом непосредственно с приводным валом ротора.

Рисунок 1.4 Кинематическая схема лебедки ЛБУ-1100
Прямые I, II и III скоростей передаются с трансмиссионного вала 21 через цепные передачи 12, 16 и 17 путем поочередного включения кулачковых муфт 13, 14, 15 и 18, 19. С промежуточного вала 24 через шинно-пневматическую муфту 9, цепную передачу 3 и шинно-пневматическую муфту 2 скорости передаются на подъемный вал барабана лебедки. Скорости IV, V и VI с промежуточного вала 24 передаются цепной передачей 26 через шинно-пневматическую муфту 27 подъемному валу 25. Обратное вращение подъемного вала осуществляется при введенных в зацепление зубчатых колесах 20—23. Цепные передачи 3 и 26 обеспечивают две обратные скорости барабана лебедки.
Промышленностью выпускаются две модификации лебедок типа ЛБУ: ЛБУ-1100М1 и ЛБУ-1100М2, Отличие их заключается в том, что во второй модификации применено водяное охлаждение тормозных шкивов. Лебедки ЛБУ-1100 предназначены для комплектации установок БУ-5000. При этом в установках с электроприводом трансмиссия ротора обычно отсутствует, а привод ротора осуществляется от отдельного электродвигателя.
Лебедка ЛБУ-3000 принципиально отличается от всех других отечественных буровых лебедок. В отличие от лебедок с механическими трансмиссиями частота и направление вращения подъемного вала с барабаном в этой лебедке изменяются легко и плавно (бесступенчато) по кривой постоянства мощности. Это достигается за счет непосредственного подсоединения к подъемному валу двух электродвигателей постоянного тока. При спуске колонн приводные электродвигатели работают в режиме генераторов и выполняют функции тормозных машин.
В лебедку ЛБУ-3000 входят три закрытых цепных редуктора,, смонтированных на общей раме и служащих одновременно опорами для валов. Кроме них промежуточный и подъемный валы имеют по одной дополнительной подшипниковой опоре, смонтированной на раме. РПД и двигатели привода установлены на отдельных рамах, соединенных с рамой лебедки стяжными болтами. Весь лебедочный агрегат устанавливается на бетонном фундаменте. На раме лебедки с задней стороны находится масляная станция, предназначенная для смазки подшипников и цепей редукторов.
Лебедки ЛБУ-3000 (У2-300) в буровых установках Уралмаш 300ДЭ, Уралмаш 300Э и БУ-15000 установлены под полом буровой. Тормозная рукоятка, расположенная у пульта бурильщика, соединена системой рычагов и тяг с тормозным валом ленточных тормозов.
1.2 Анализ конструкций буровых лебедок зарубежного производства
Фирмы США выпускают лебедки, рассчитанные на самую различную глубину бурения (табл. 1.2), с механическим, дизель-гидравлическим и электрическим приводами ([2], табл. II.11). Обычно на лебедках применяют ленточный тормоз, который способен к самозатягиванию и хорошо поддается ручному управлению. Дизельный привод для лебедок выполняется в трех вариантах: передача мощности с помощью цепной трансмиссии, через гидротрансформатор (дизель-гидравлический привод) и через муфтовые передачи (табл. 1.3) ([2], табл. II.12).
Таблица 1.2 Технические характеристики лебедок, выпускаемых фирмами США

Фирма Braden Winch, отделение фирмы Braden Industries, Inc., предлагает широкий выбор лебедок, используемых при разработке нефтяных и газовых месторождений. Эти лебедки устанавливают на автомобилях, транспортирующих буровые установки. Фирма производит также автомобили, тягачи, сварочные машины и транспортные средства общего назначения (более подробное описание продукции фирмы приведено в рекламном разделе сборника).
Таблица 1.3 Техническая характеристика муфтовых передач лебедок, выпускаемых фирмами США

1.3 Описание выбранного прототипа
По заданию прототипом в нашей работе является буровая лебедка ЛБУ-1100, кинематическая схема которой приведена на рисунке 1.4.
Техническая характеристика лебедки приведена в таблице 1.1
На рисунке 2.1 ([3], с. 174-175)показана буровая лебедка ЛБУ-1100, основные конструктивные элементы которой повторяются в других моделях современных отечественных и зарубежных лебедок для эксплуатационного к глубокого разведочного бурения. Лебедка монтируется на сварной металлической раме 4, приспособленной для ее перевозки и перемещения подъемным краном при монтажно-демонтажных работах. К раме приварены корпуса масляных ванн 3 и 10 цепных передач, соединяющих лебедку с коробкой перемены передач. В отцентрированных отверстиях корпусов масляных ванн установлен подъемный вал с барабаном 7 буровой лебедки.
В корпусе 10 размещается вторая цепная передача, используемая для привода вала 11 трансмиссии ротора. Вал трансмиссии ротора на сферических роликоподшипниках устанавливается в дополнительной расточке корпуса 10 и выносной опоре 12, закрепленной на рамс лебедки. Масляные ванны, закрытые крышками и промежуточными кожухами 15 и 19, соединяются с коробкой перемены передач. Для устранения утечек масла, используемого для смазки цепных передач, в стыковых разъемах масляных ванн устанавливаются прокладки.
Промежуточные кожухи при транспортировке лебедки вводятся во внутреннюю полость масляных ванн, а наружные их фланцы закрываются кожухами 16 и 18. На раме со стороны пульта 2 бурильщика смонтированы стойка 8 балансира, тормозной вал 17 и вал 5 рукоятки управления ленточным тормозом. Электромагнитный тормоз 14 крепится к раме соосно с подъемным валом и соединяется с ним кулачковой муфтой 13. На раме установлены два тахогенератора 9 и 20.
Тахогенератор 9 предназначен для контроля частоты вращения стола ротора и соединяется цепной передачей с валом 11 трансмиссии ротора. Тахогенератор 20 соединяется с валом электромагнитного тормоза и предназначен для контроля скорости спуска колонн труб при автоматическом режиме работы электротормоза. На стойке 1 установлен командоаппарат комплекса АСП для блокировки перемещений механизма захвата свечи и талевого блока. Привод командоаппарата осуществляется от цепной звездочки на подъемном валу лебедки.
К раме крепится воздухопровод 6 системы пневматического управления лебедкой.
Подъемный вал (Приложение А) —основа буровой лебедки. Между коренными подшипниками 15 подъемного вала 19 напрессованы ступицы дисков барабана 18. В правом более доступном для работы диске имеется внутренний прилив (сечения А—А и С—С) для крепления талевого каната планкой 32 и болтами 33. В буровых лебедках канат крепится с внутренней либо наружной стороны диска. Узел крепления должен быть надежным и удобным в работе. Наружное расположение узла крепления более доступно и удобно для быстрого крепления и освобождения каната. Недостаток наружного крепления — повреждение витков каната в результате трения с верхней кромкой углубления для заделки каната.
Наиболее распространены простые в изготовлении барабаны с гладкой наружной поверхностью. Для улучшения намотки барабан лебедки снабжается съемными накладками, имеющими параллельные и переходные спиральные канавки для укладки витков каната. Симметричное расположение параллельных и спиральных участков канавки на длине отдельных витков способствует снижению инерционных нагрузок от дисбаланса, создаваемого в результате одностороннего увеличения радиуса навивки в местах перехода смежных слоев каната.


Рисунок 2.1 Буровая лебедка ЛБУ-1100
К дискам барабана крепятся тормозные шкивы 16 (Приложение А). В рассматриваемой конструкции тормозные шкивы снабжены кольцевой рубашкой для охлаждающей воды. Вода в тормозных шкивах циркулирует по замкнутому циклу. Для этого через устройство 8 на торце вала и трубку, установленную внутри вала, по трубам 20 вода поступает в правый, а затем в левый шкив, из которого по кольцевому пространству между отверстием вала и подводящей трубкой отводится в приемный бак для последующего использования. Пробки 17 в тормозных шкивах служат для слива воды во избежание ее замерзания при длительных остановках лебедки.
Коренные роликовые радиально-сферические подшипники 15 подъемного вала, установленные в расточках корпуса масляной ванны, смазываются густой смазкой через тавотницы 34. Внутренние обоймы роликоподшипников фиксируются па валу распорными втулками, а наружные — торцовыми крышками корпуса подшипника. Для компенсации температурных удлинений вала между корпусом 35 и наружной обоймой 36 одного из подшипников имеется необходимый зазор (узел 1 Приложение А). Радиальные и торцовые лабиринтные уплотнения в крышках служат для удержания смазки в подшипниках.
Цепное колесо 1 тихоходной передачи и шкив шинно-пневматической муфты 12 имеют общую ступицу 2, посаженную на вал на свободно вращающихся роликовых радиально-сферических подшипниках, подобных подшипнику 21. На валу внутренние обоймы подшипников фиксируются втулками. Наружная обойма правого подшипника в расточке ступицы фиксируется от осевых перемещений пружинным кольцом и крышкой. Левый подшипник в ступице устанавливается свободно. Обод 10 шинно-пневматической муфты 12 планшайбой 5 крепится к ступице 6, напрессованной на вал.
Воздух для включения шинно-пневматической муфты 12 поступает через вертлюжок 7, воздухопровод 4 и клапан-разрядник 11. При отказе муфты и в случае недостаточного давления воздуха для соединения муфты используются аварийные болты 9, которые ввертываются в приливы планшайбы и входят в пазы шкива. По правилам безопасности установка аварийных болтов 9 обязательна при использовании буровой лебедки для подъема вышки. Разъемное соединение цепного колеса 1, шкивов 14, 24 и планшайб 5, 26 со ступицами позволяет ремонтировать муфты и заменять цепное колесо без съема напрессованных на вал ступиц.
Кожух 13 предохраняет шкив 14 от попадания масла. Подшипники ступицы 2 смазываются с помощью масленки 3 с трубкой, ввернутой в ступицу. Аналогично на другом конце подъемного вала установлены шинно-пневматическая муфта 25 и цепные колеса 22 «быстрой» скорости лебедки и 23 трансмиссии ротора. Воздух к шинно-пневматической муфте 25 поступает через вал электромагнитного тормоза, вертлюжок 28, отверстие в вале 19, воздухопровод 30 и клапан-разрядник 31.
Кулачковые полумуфты 27 и 29 используются для соединения подъемного вала с валом электромагнитного тормоза. Для устранения биения при вращении крупные детали подъемного вала и вал в сборе подвергаются балансировке. Все болтовые соединения подъемного вала лебедкой законтрены.
Вал 9 привода ротора устанавливается на двух роликовых радиально-сферических подшипниках 1 (рисунок 2.2). Левый подшипник устанавливается в корпусе масляной ванны. Корпус правого подшипника крепится к раме буровой лебедки. Подшипники закрыты фланцевыми крышками, снабженными лабиринтным уплотнением. Ведущее двухрядное цепное колесо 3 вращается от подъемного вала и установлено на ступице 11, закрепленной на валу шпонкой. Ведомое цепное колесо z = 27 выполнено в виде шкива-звездочки 4, свободно вращающейся относительно вала на роликоподшипниках 10.
Планшайба 7 шинно-пневматической муфты 6 с помощью шпонки жестко закреплена на валу 9. Воздух в муфты подводится через вертлюжок 12 и отверстия в вале. В аварийных случаях для соединения муфты могут быть использованы болты 8. На вертлюжке 12 имеется цепная звездочка для привода тахогенератора, контролирующего частоту вращения стола ротора. Противоположная консоль вала 9 может быть использована для соединения с двигателем в случае индивидуального привода ротора. Подшипники смазываются через тавотницы 2 и 5.

Рисунок 2.2 Вал привода ротора в сборе
2. Расчетная часть
2.1 Расчет и выбор параметров буровой лебедки
К основным параметрам буровых лебедок относятся мощность, скорости подъема, тяговое усилие, длина и диаметр барабана лебедки. От правильного выбора указанных параметров зависят производительность, экономичность, габариты и масса лебедки, которые существенно влияют на эффективность бурения, транспортабельность и монтажеспособность всей буровой установки.
Определяем скорость ходовой струны каната на i-ой скорости по известной зависимости
(2.1.1)
где v>i> – скорость подъема на i-ой скорости, м/с;
i>т.с> – кратность оснастки.
По ([3], табл. II.3) i>т.с> = 14.
Максимальная скорость подъема ограничивается безопасностью управления процессом подъема и предельной скоростью ходовой струны, при которой обеспечивается нормальная навивка каната на барабан лебедки. Для предотвращения затаскивания талевого блока на кронблок из-за ограниченного тормозного пути скорость подъема крюка, согласно требованиям безопасности, не должна превышать 2 м/с.
Для талевых механизмов с кратностью оснастки принимаем t>т.с>˂10 v>max>=2,0 м/с.
Минимальная скорость подъема — резервная и используется для технологических целей: при расхаживании колонн бурильных и обсадных труб; при ликвидации осложнений и аварий, связанных с затяжкой и прихватом бурильных труб; при подъеме колонны труб через закрытые превенторы; при подъеме колонны труб в случае отказа одного из двигателей привода лебедки. Величина минимальной скорости подъема принимается в установленных практикой бурения пределах: v>min>=0,2 м/с.
Отношение предельных скоростей определяет диапазон регулирования скоростей подъема лебедки:
(2.1.2)
Промежуточные скорости подъема определяются из геометрического ряда чисел
(2.1.3)
где φ-знаменатель геометрической прогрессии.
(2.1.4)
где k — число передач.
Разбивка скоростей в геометрической прогрессии позволяет обеспечить относительно равное изменение смежных скоростей, и поэтому большая часть скоростей располагается в зоне низших передач, используемых для подъема колонн бурильных и обсадных труб сравнительно большего веса. Наряду с этим геометрический ряд передач позволяет сохранить степень загрузки буровой лебедки при переходе с одной передачи на последующую.
В соответствии с числом передач прототипа, принимаем k = 6.

Итак, определяем промежуточные скорости подъема:
-вторая скорость

-третья скорость

-четвертая скорость

-пятая скорость

-шестая скорость окончательно

Определяем скорости ходовой струны каната:
-первая скорость

-вторая скорость

-третья скорость

-четвертая скорость

-пятая скорость

-шестая скорость

Диаметр барабана выбираем в зависимости от диаметра талевого каната:
(2.1.5)
где d>к>-диаметр каната, м.
В соответствии с диаметром каната d>к>=32 мм ([3], табл. 11.3), применяемом на прототипной лебедке принимаем d>к>=32 мм.

Принимаем D>б>=740 мм.
Диаметр конечного слоя навивки каната на барабан
(2.1.6)
где α=0,93 — коэффициент, учитывающий уменьшение диаметра навивки вследствие смещения каната в промежутки между витками нижнего слоя;
К-число слоев навивки.
В соответствии с числом слоев навивки К=3 ([3], табл. 11.3), применяемом на прототипной лебедке принимаем К=3.

По допускаемым отклонениям ходовой струны талевого каната длину барабана выбираем в пределах
(2.1.7)
где l>б>- длина барабана, м;
Н – расстояние между осями подъемного вала буровой лебедки и направляющего шкива кронблока, м.
Принимаем Н примерно равной высоте буровой вышки Н=45 м.

Принимаем l>б>=1500мм.
2.2 Расчеты на прочность
Расчеты на прочность деталей и узлов лебедки выполняются по тяговому усилию, возникающему при допускаемой нагрузке на крюке, с учетом веса подвижных частей талевого механизма, кратности оснастки и потерь на трение при подъеме.
Определяем наибольший крутящий момент М>кр> на подъемном валу лебедки:
(2.2.1)
где N – номинальная приводная мощность лебедки, Вт;
ω>б> – угловая скорость вращения барабана, с-1.
Принимаем N = 900*103 Вт.
Угловая скорость вращения барабана определится по формуле
(2.2.2)

Зная максимальный диаметр навивки каната на барабане D>к> и наибольший крутящий момент М>кр> на подъемном валу лебедки можно вычислить натяжение ведущей ветви каната
(2.2.3)
2.2.1 Расчет на прочность барабана лебедки
После выбора конструкции и определения основных размеров, барабана необходим его расчет на прочность. При навивке каната в стенках бочки барабана возникают напряжения сжатия, изгиба и кручения. В связи с тем что осевой и полярный моменты сопротивления сечения барабана большие, напряжения изгиба и кручения, возникающие в стенке барабана, несущественны. Поэтому расчет проводят только по напряжениям сжатия ([1], с.309)
(2.2.1.1)
где Р>в> - натяжение ведущей ветви каната, Н;
s — толщина стенки бочки барабана, м;
А — коэффициент, зависящий от числа навиваемых слоев и других факторов;
[σ>сж>]-допустимые напряжения сжатия, Па.
Принимаем по аналогии с прототипом s = 80 мм = 0,08 м.
Допустимые напряжения сжатия материала бочки барабана [σ>сж>]=500МПа ([1], табл. 6), считая, что бочка барабана изготовлена из углеродистой стали 30.
При числе слоев навивки К=3 коэффициент А равен([1], с. 309):
(2.2.1.2)
где λ — коэффициент, зависящий от диаметра каната, модуля его упругости Е>к> и толщины стенки барабана
(2.2.1.3)
где Е = 2,1*105 МПа —модуль упругости стали;
Е>к>- модуль упругости каната, МПа.
(2.2.1.4)
где а=0,33…0,35 ([1], с.157).




Условие прочности выполняется.
2.2.2 Расчет венца цепного колеса
Рассчитаем и сконструируем ведомое цепное колесо (поз. 1 Приложение А) передачи «тихой» скорости (поз. 3 рисунок 1.4). Посредством этой передачи подъемному валу лебедки сообщаются I, II и III «тихие» скорости.
В передаче применена стандартная приводная роликовая трехрядная цепь по ГОСТ 13568.
Известны числа зубьев звездочек передачи: ведущее колесо z>1> = 21, ведомое колесо z>2> = 81.
Определяем передаточное число передачи
(2.2.2.1)
Определяем максимальный (на I скорости) крутящий момент на малой звездочке М>1>
(2.2.2.2)
Частота вращения барабана определится по формуле

Определяем коэффициент эксплуатации цепи
(2.2.2.3)
где k>Д> - коэффициент, учитывающий динамичность передаваемой нагрузки;
k>а> - коэффициент, учитывающий длину цепи (межосевое расстояние);
k>р> - коэффициент, учитывающий способ регулировки натяжения цепи;
k>н> - коэффициент, учитывающий наклон передачи к горизонту;
k>с> - коэффициент, учитывающий качество смазки передачи и условия ее работы;
k>реж> - коэффициент, учитывающий режим работы передачи.
Определяем значения коэффициентов:
k>Д> = 1,0 при равномерной нагрузке ([4], табл. 3.3.2);
k>а> = 0,80 ([4], табл. 3.3.3);
k>р> = 1,25 для нерегулируемой передачи ([4], табл. 3.3.4);
k>н> = 1,0 при наклоне линии центров до 600;
k>с> = 1,0 ([4], табл. 3.3.6);
k>реж> = 1,45 при круглосуточной работе ([4], табл. 3.3.8).

Определяем предварительно шаг цепи
(2.2.2.4)
где [р]-допускаемое давление в шарнирах, МПа;
m-число рядов цепи.
По ([5], табл. 5.15) принимаем [р]=20 МПа.

Принимаем по ([4], табл. 3.1.1) параметры цепи: шаг цепи t>ц>=38,1 мм, диаметр валика d=11,10 мм, длина втулки B=148,88 мм, разрушающая сила F=381 кН.
Скорость цепи
(2.2.2.5)
Окружное усилие
(2.2.2.6)
Сила, нагружающая подъемный вал
(2.2.2.7)
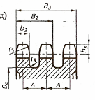
Рассчитываем профиль зубьев звездочки цепного колеса согласно ГОСТ 591-69, как профиль без смещения центров дуг впадин (рисунок 2.1).

Рисунок 2.1 Профиль зубьев без смещения центров дуг впадин.
Диаметр делительной окружности
(2.2.2.8)
Коэффициент высоты зуба по ([4], табл. 3.5.2) к=0,575.
Диаметр окружности выступов
(2.2.2.9)
Радиус впадины
(2.2.2.10)
Диаметр окружности впадин
(2.2.2.11)
Радиус сопряжения
(2.2.2.12)
Половина угла впадины
(2.2.2.13)
Угол сопряжения
(2.2.2.14)
Половина угла зуба
(2.2.2.15)
Радиус головки зуба
(2.2.2.16)
Прямой участок профиля
(2.2.2.17)
Расстояние от центра дуги впадины до центра головки зуба
(2.2.2.18)
Рассчитываем размеры зубьев и венцов цепного колеса (см. рисунок 2.2).

Рисунок 2.2. Размеры зубьев и венца.
Радиус закругления зуба
(2.2.2.19)
Расстояние от вершины зуба до линии центров дуг закруглений
(2.2.2.20)
Диаметр обода наибольший
(2.2.2.21)
Ширина зуба звездочки
(2.2.2.22)
Ширина венца многорядной звездочки
(2.2.2.23)
Остальные размеры венца назначаем конструктивно.
2.2.3 Расчет подъемного вала
Подъемный вал рассчитываем, ориентируясь на размеры вала прототипной лебедки ЛБУ-1100 ([3], с.476) по методике, приведенной в ([3], с.476-477, табл. 1П).
Чертеж вала показан на рисунке Приложения Б.
Схема нагружения подъемного вала и эпюры изгибающих и крутящих моментов см. на рис. 2.3. Величины изгибающих и крутящих моментов приняты пропорциональными величинам, приведенным на эпюрах моментов прототипного вала ([3], рис.21П) и увеличены в соответствии изменением размеров барабана и натяжения ходовой струны каната.
Материал вала по ([3], с.476)-сталь марки 34XН1М, термообработка—до твердости НВ 217—269; механические свойства: предел прочности на растяжение-сжатие σ>в> = 780 МПа; предел прочности на кручение τ>в> = 650МПа.
Приведем подробно расчет для сечения А-А. Проверочный расчет остальных опасных сечений вала сведем в таблицу 2.1.
Примем предварительно диаметр вала в сечении А-А d>А-А>=280 мм.
Определяем экваториальный момент сопротивления сечения
(2.2.3.1)
где К>х >- коэффициент ослабления сечения.
По ([3], табл. III.3) К>х>=1,0 как для вала с одним шпоночным пазом.


Рисунок 2.2 Схема нагружения подъемного вала и эпюры изгибающих моментов
Определяем полярный момент сопротивления сечения
(2.2.3.2)
где К>0>- коэффициент ослабления сечения.
По ([3], табл. III.3) К>0>=1,0 как для вала с одним шпоночным пазом.

Номинальные напряжения изгиба
(2.2.3.3)
Номинальные напряжения кручения
(2.2.3.4)
Запас прочности при изгибе
(2.2.3.5)
Запас прочности при кручении
(2.2.3.6)
Общий запас на статическую прочность
(2.2.3.7)
Допускаемый запас прочности найдем по ([3], табл. 2П) [S]=3,2.
Принимаем цикл напряжений изгиба симметричным, тогда амплитуда напряжений при изгибе, σ>а>=σ=62,44 МПа, среднее напряжение σ>m>=0.
Принимаем цикл напряжений кручения асимметричным, тогда амплитуда напряжений при кручении τ>а>=τ/2=13,8 МПа, среднее напряжение τ>m>=τ/2=13,8МПа.
Коэффициент концентрации напряжений при изгибе К>σ> : от влияния шпоночного паза К>σ> = 2,25 ([3], рис. 12П); от влияния напрессовки К>σ>=6,15([3], табл. III.1). Принимаем К>σ> = 6,15.
Коэффициент концентрации напряжений при кручении К>τ> : от влияния шпоночного паза К>τ> = 2,15 ([3], рис. 13П); от влияния напрессовки К>τ>=4,42([3], табл. III.1). Принимаем К>τ> = 4,42.
Коэффициент, учитывающий масштабный эффект К>d >=0,52 ([3], рис. III.5).
Коэффициент, учитывающий состояние поверхности К>f>=1,15 ([3], рис.III.6).
Коэффициент упрочнения при обкатке роликами К>v>=2,2 ([3], табл. III.2).
Коэффициент снижения предела выносливости:
-при
изгибе
(2.2.3.8)
-при
кручении
(2.2.3.9)
Предел выносливости стали марки 34ХН1М по ([3], табл. III.5):
-при
изгибе
(2.2.3.10)
-при
кручении
(2.2.3.11)
Коэффициент эквивалентности по ([3], табл. 2П): при изгибе К>эσ>=0,5; при кручении К>эτ>=0,5.
Коэффициент чувствительности к асимметрии цикла по ([3], табл. III.5): при изгибе ψ>σ>=0,1; при кручении ψ>τ>=0,05.
Запас прочности по переменным напряжениям:
-при
изгибе
(2.2.3.12)
-при
кручении
(2.2.3.13)
Общий запас прочности по переменным напряжениям
(2.2.3.14)
Допускаемый запас прочности по переменным напряжениям [n]=1,6 ([3], табл. 2П).
Диаметры других участков валов назначаем конструктивно.
Таблица 2.1 Расчет опасных сечений подъемного вала.
|
Параметр |
Единица измерения |
Обоз-начение |
Способ определения |
Результаты расчета для сечений вала |
|||
|
Д-Д |
В-В |
С-С |
Б-Б |
||||
|
1 |
2 |
3 |
4 |
5 |
6 |
7 |
8 |
|
Диаметр сечения |
10-3м |
d |
220 |
225 |
235 |
270 |
|
|
Коэффициенты ослабления сечения: -экваториальный -полярный |
- |
К>х> К>0> |
По ([2], табл. III.3) |
1,08 1,12 |
1 1 |
1 1 |
1 1 |
|
Момент сопротивления: -экваториальный -полярный |
10-3м3 |
W>и> W>к> |
(2.2.3.1) (2.2.3.2) |
1,128 2,340 |
1,118 2,235 |
1,273 2,547 |
1,931 3,863 |
|
Изгибающий момент |
кН*м |
М>и> |
Рис 2.2 |
- |
- |
69,7 |
112,3 |
|
Крутящий момент |
кН*м |
М>к> |
Рис 2.2 |
119 |
119 |
119 |
82,4 |
|
Номинальные напряжения: изгиба кручения |
МПа |
σ τ |
(2.2.3.3) (2.2.3.4) |
- 50,85 |
- 53,24 |
54,75 46,72 |
58,16 21,33 |
|
Запас прочности при: изгибе кручении |
- |
S>σ> S>τ> |
(2.2.3.5) (2.2.3.6) |
- 12,78 |
- 12,21 |
14,25 13,91 |
13,41 30,47 |
|
Общий запас на статическую прочность |
- |
S |
(2.2.3.7) |
12,78 |
12,21 |
9,95 |
12,27 |
|
Допускаемый запас прочности |
- |
[S] |
По ([2], табл. 2П) |
3,2 |
3,2 |
3,2 |
3,2 |
|
Амплитуда напряжений при: изгибе кручении |
МПа |
σ>а> τ>а> |
- 25,4 |
- 26,6 |
54,75 23,4 |
58,16 10,7 |
|
|
Среднее напряжение при: изгибе кручении |
МПа |
σ>m> τ>m> |
- 25,4 |
- 26,6 |
0 23,4 |
0 10,7 |
|
|
Коэффициент концентрации напряжений при изгибе: шпоночный паз напрессовка |
- |
К>σ> |
([2], рис. 12П) ([2], табл. III.1) |
- - |
- - |
- 6,15 |
- 6,15 |
|
Коэффициент концентрации напряжений при кручении: шпоночный паз напрессовка |
- |
К>τ> |
([2], рис. 13П) ([2], табл. III.1) |
2,15 4,42 |
- 4,42 |
- 4,42 |
- 4,42 |
|
Коэффициент, учитывающий масштабный фактор |
- |
К>d> |
([2], рис. III.5) |
0,52 |
0,52 |
0,52 |
0,52 |
|
Коэффициент, учитывающий состояние поверхности |
- |
К>f> |
([2], рис.III.6) |
1.15 |
1,15 |
1,15 |
1,15 |
|
Коэффициент упрочнения от обкатки роликами |
- |
К>v> |
([2], табл. III.2) |
2,2 |
2,2 |
2,2 |
2,2 |
|
Коэффициент снижения предела выносливости: при изгибе при кручении |
- |
К>и> К>к> |
(2.2.3.8) (2.2.3.9) |
- 4 |
- 4 |
5,5 4 |
12,1 4 |
|
Предел выносливости стали марки 34ХН1М при: изгибе кручении |
МПа |
σ>-1> τ>-1> |
(2.2.3.10) (2.2.3.11) |
367 211 |
367 211 |
367 211 |
367 211 |
|
Коэффициент эквивалентности: при изгибе при кручении |
- |
К>эσ> К>эτ> |
([2], табл. 2П) |
0,5 0,5 |
0,5 0,5 |
0,5 0,5 |
0,5 0,5 |
|
Коэффициент чувствительности к асимметрии цикла при: изгибе кручении |
- |
ψ>σ> ψ>τ> |
([2], табл. III.5) |
0,1 0,05 |
0,1 0,05 |
0,1 0,05 |
0,1 0,05 |
|
Запас прочности по переменным напряжениям: при изгибе при кручении |
- |
n>σ> n>τ> |
(2.2.3.12) (2.2.3.13) |
- 4,05 |
- 3,87 |
2,44 4,41 |
2,29 9,62 |
|
Общий запас прочности по переменным напряжениям |
- |
n |
(2.2.3.14) |
4,05 |
3,87 |
2,13 |
2,23 |
|
Допускаемый запас прочности по переменным напряжениям |
- |
[n] |
([2], табл. 2П) |
1,6 |
1,6 |
1,6 |
1,6 |
3. Особенности монтажа, эксплуатации и ремонта
Монтаж.([6], с.483; [7], с. 337-340)
Все движущиеся части лебедки, ротора, КПП и редуктора должны иметь прочные металлические ограждения и кожуха, надежно закрывающие доступ к ним со всех сторон.
Тормозные колодки и ленты должны иметь рекомендованные изготовителем крепления.
Ходовой конец талевого каната должен крепиться к специально предусмотренному на барабане лебедки устройству таким образом, чтобы исключались деформации и истирание каната в месте его крепления; на барабане лебедки при самом нижнем положении талевого блока должно оставаться не менее трех витков каната.
При монтаже необходимо добиваться соосности валов редуктора, трансмиссии и привода.
При работе на катушках буровых и вспомогательных лебедок должны соблюдаться следующие требования:
а) масса поднимаемого (перемещаемого) груза не должна превышать допускаемой нагрузки на канат; соблюдать массу на подъем груза и величину тягового усилия на перемещение;
б) соблюдать требование РД-200-98 пункта 2.4.6: «Конструкция вспомогательной лебедки должна обеспечивать плавное перемещение и надежное удержание груза на весу. С пульта управления лебедкой оператору должен быть обеспечен обзор места работы и перемещения груза. При невозможности выполнения этого требования устанавливается дублирующий пульт;
в) высота подъема груза не должна превышать высоту стояка.
Эксплуатация. ([6], с.483; [7], с. 337-340)
Необходимо следить за правильной намоткой каната на барабан буровой лебедки.
Появление ударов при включении барабана указывает на удлинение одной из цепей. Поэтому в растянутой цепи нужно заменить одну пару рядовых звеньев одним замковым звеном, при этом категорически запрещается излишняя натяжка цепи. Если такая замена не удается, то надо продолжать работу на растянутой цепи.
При использовании буровых лебедок, не имеющих фиксатора положения тормозной рукоятки, для укрепления последней должны применяться устройства в виде цепи, прочно прикрепленной к полу, или мягкого троса, пропущенного через пол, с привязанным к нему грузом необходимой массы.
Тормозные ленты буровой лебедки после прекращения торможения должны оттягиваться пружинами так, чтобы в нерабочем состоянии тормозные колодки не соприкасались с поверхностью тормозного шкива (обода).
Запрещается работать изношенными тормозными колодками и колодками ШПМ.
Буровая лебедка должна быть оборудована устройством, обеспечивающим правильную укладку витков наматываемого на барабан талевого каната; направлять канат на барабан лебедки ломом или другими предметами запрещается.
Выполнять все регламентные работы проверок при приеме смены; достоверно и в полном объеме давать информацию о состоянии оборудования при сдаче смены.
Запрещается работать с неисправной или плохо отрегулированной тормозной рукояткой; при полном торможении лебедки тормозная рукоятка должна находиться на расстоянии 80-90 см от пола буровой.
Необходимо систематически следить за исправностью пневмосистемы; запрещается производство каких-либо работ при нарушении геометричности воздухопроводов, идущих к пневмоцилиндру тормоза лебедки.
Регулярно производить осмотр и чистку мест под балансиром и коленчатым валом тормозной системы; не допускать обледенения тормозной системы.
Спуск колонны бурильных или обсадных труб с включением гидротормоза производить с глубины, указанной в технической характеристике буровой установки.
Ремонт. ([6], с.483; [7], с. 337-340)
При ремонте лебедки необходимо выполнять все требования, предъявляемые к ответственным подъемным механизмам. Все детали должны соответствовать чертежам завода-производителя, а собираемые при ремонте узлы — техническим условиям на их изготовление и сборку.
Узлы лебедки, ротора, редуктора подлежат замене при появлении трещин, деформации отколов, при негерметичности и утечках в картерах, при нарушении крепления и появлении разбалансировки вращающихся деталей.
При смене шиннопневматических муфт центровки не требуется, нужно только, чтобы борт обода муфты входил в заточку диска и плотно прилегал к его торцу. Чтобы избежать дополнительной развертки отверстий, перед разборкой муфты следует отметить ее положение по отношению к диску.
При любом ремонте, связанном со снятием валов, нельзя удалять планки, фиксирующие корпуса подшипников. При последующей установке валы должны лечь в гнезда между планками. Никакой дополнительной выверки не требуется.
Сварочные ремонтные работы выполняются квалифицированными сварщиками. Рекомендуется применять обмазанные электроды марки Э42. Изготовленные из специальной стали валы лебедки не допускают сварки. Если в мастерских нельзя достигнуть необходимой точности обработки тормозных шкивов, то при замене их следует проточить поверхности торможения непосредственно на лебедке.
При ремонте надо проверять межцентровые расстояния между валами лебедки и их параллельность, которая должна быть в пределах 0,5—0,8 мм на длине валов. Обработка поверхностей зубьев цепных колес (звездочек) свыше 1мм нарушает равномерную работу цепных передач и вызывает частые разрывы цепей. Звездочки с износившимися зубьями при капитальном ремонте обязательно заменяются. После среднего или капитального ремонта для приработки деталей и выявления недостатков лебедку обкатывают вхолостую в течение нескольких часов.
При ремонте лебедки У2-5-5 наибольшее значение имеет центровка валов редуктора с валом барабана, с трансмиссией V скорости и трансмиссией ротора, которая должна быть в пределах 0,5—0,8мм. Необходимо периодически осматривать зубчатые колеса в редукторе, проверять, нет ли трещин на приводном валу шестерни со стороны барабана лебедки. При обнаружении трещин вал шестерни надо немедленно заменить.
Список литературы
1. Северинчик Н.А. Машины и оборудование для бурения скважин. М.: Недра, 1986. - 368с.
2. Американская техника и промышленность. Сборник рекламных материалов. Выпуск III. США. Фирма «Чилтон и Ко». 1977. -407 с.
3. Баграмов Р.А. Буровые машины и комплексы: Учебник для вузов. - М.: Недра, 1988. – 501 с.:ил.
4. Курмаз Л.В. Детали машин. Проектирование: учебн. пособие / Л.В. Курмаз, А.Т. Скойбеда. – Мн.: УП «Технопринт», 2002. – 290 с.
5. Курсовое проектирование деталей машин: Учебн. пособие для техникумов/С.А. Чернавский, Г.М. Ицкович, К.Н. Боков и др.- М.: Машиностроение, 1980. 351 с., ил.
6. Буровые установки Уралмашзавода. Г.В. Алексеевский. Изд. 2, перераб. и доп. М., изд-во «Недра», 1971 г., стр. 496.
7. Муравенко В.А., Муравенко А.Д., Муравенко В.А. Буровые машины и механизмы. Том 2., Москва-Ижевск: Институт компьютерных исследований, 2002, 464 стр.
Приложение А

Приложение Б
