Расчет и проектирование вертикального кожухотрубного теплообменника для пастеризации продукта
Министерство аграрной политики Украины
Сумский национальний аграрный университет
Кафедра технологического оборудования пищевых производств
КУРСОВОЙ ПРОЕКТ
по дисциплине “Процессы и аппараты пищевых производств”
Тема работы: Расчет и проектирование вертикального кожухотрубного теплообменника для пастеризации продукта.
|
Руководитель проекта Студент Группа |
Юхименко Н. П. Калюжный Д.В. ТМЯ-0503-1 |
2007
Министерство аграрной политики Украины
Сумский национальний аграрный университет
Кафедра технологического оборудования пищевых производств
ПОЯСНИТЕЛЬНАЯ ЗАПИСКА
К КУРСОВОМУ ПРОЕКТУ
по дисциплине “Процессы и аппараты пищевых производств”
Тема работы: Расчет и проектирование вертикального кожухотрубного теплообменника для пастеризации продукта.
|
Руководитель проекта Студент Группа |
Юхименко Н.П. Калюжный Д.В. ТМЯ-0503-1 |
2007
Министерство аграрной политики Украины
Сумский национальний аграрный университет
Кафедра технологического оборудования пищевых производств
Задание на курсовой проект
по дисциплине „Процессы и аппараты пищевых производств
Студенту Калюжному Д. В. группы ТМЯ-0503-1 II курса
Тема курсового проекта “Расчет и проектирование вертикального кожухотрубного теплообменника для пастеризации продукта”
Основные начальные данные: Расчитать и спроектировать вертикальный кожухотрубный теплообменник (G=2,8
)
для пастеризации продукта
от начальной температуры t>1>=12
0C до конечной
температуры t>2>=70
0C. Продукт
попадает в трубное пространство
принудительно с помощью насоса и
движется по трубам со скоростью w=2,0
,
горячий теплоноситель (греющий водяной
пар) попадает в межтрубное пространство
с t>п>=140 0С
Перечень обязательного графического материала: технологическая схема участка пастеризации продукта, сборочный чертеж теплообменника кожухотрубного, всего 1,25 листа формата А1.
Рекомндуемая специальная литература: процессы и аппараты пищевых производств; Расчет и проектирование теплообменников; методические указания к выполнению курсового проекта/Сумы: Сумский национальный аграрный университет, 2002. – 26 с.
Срок выполнения ____________________________________
Срок защиты _______________________________________
Дата выдачи задания «___» _______________ 2007р.
|
Руководитель проекта |
Юхименко Н. П. |
СОДЕРЖАНИЕ
|
ВВЕДЕНИЕ 1 Теоретические основы теплообменного процесса. Выбор конструкции аппарата 1.1 Одноходовой кожухотрубный теплообменник 1.2 Общие сведения о развальцовке труб теплообменника 2 Расчетно-конструкторская часть
3 Расчеты и выбор вспомогательного оборудования 3.1 Выбор насоса 3.2 Выбор резервуаров 4 Новизна принятых конструктивных и технологических решений ВЫВОД СПИСОК ИСПОЛЬЗОВАННОЙ ЛИТЕРАТУРЫ Приложение А. Кожухотрубный теплообменник |
ВВЕДЕНИЕ
Рациональное и эффективное использование тепловой энергии является сегодня определяющим фактором в выборе стратегии технического и технологического перевооружения предприятий.
Качество, цена, надежность, экономичность и доступность сервисного обслуживания – вот те критерии, на которые ориентируется большинство организаций, принимающих решение о закупке необходимого оборудования. В этой связи не вызывает сомнений актуальность высококачественных теплообменных кожухотрубных аппаратов находящим самое широкое применение в пищевой, нефтехимической, химической промышленности, в ЖКХ, энергетике.
Ясность, наглядность и очевидность технико-экономических преимуществ новейших технических и технологических решений по сравнению с морально устаревшим оборудованием является основным и необходимым условием, которое должно учитываться при выборе соответствующего оборудования. Но самым важным критерием выбора аппарата является его экономическая обоснованность. Экономия теплоресурсов позволяет снизить цену на изготвляемую продукцию, что не мало важно в условиях жесткой конкуренции.
1 Теоретические основы теплообменного процесса. Выбор конструкции аппарата
Тепловые процессы — технологические процессы, которые протекают со скоростью, обусловленной законами теплопередачи.
Теплообменные аппараты — аппараты, предназначенные для проведения тепловых процессов.
Теплоносители — тела (среды), которые принимают участие в теплообмене.
Существует три способа переноса тепла: теплопроводность, конвективный теплообмен и тепловое излучение.
Теплопроводность – явление переноса тепловой энергии непосредственным контактом между частичками тела.
Конвективный теплообмен – процесс распространения в следствии движения жидкости или газа.
Естественная (свободная) конвекция обусловлена разностью плотности в разных точках объема теплоносителя, который возникает вследствие разности температур в этих точках.
Вынужденная конвекция обусловлена принудительным движением всего объема теплоносителя.
Тепловое излучение – процесс передачи тепла от одного тела к другому, распространением электромагнитных волн в пространстве между этими телами.
Теплоотдача — процесс переноса тепла от стенки до теплоносителя или в обратном направлении.
Теплопередача — процесс передачи тепла от более нагретого менее нагретому теплоносителю через разделяющую их поверхность или твердую стенку.
При проектировании теплообменных аппаратов тепловой расчет сводится к определению необходимой поверхности теплообмена F, (м2), по основному уравнению теплопередачи:
, (1.1)
|
где |
Q – тепловая нагрузка теплообменника, (Вт); t>ср> – средняя разность температур, (0С);
К
– коэффициент теплопередачи,
Коэффициент теплопередачи показывает, какое количество теплоты передается от горячего теплоносителя к холодному за 1 с через 1 м2 стенки при разности между теплоносителями, равной 1 град. |
Тепловую нагрузку теплообменника определяют из уравнения теплового баланса. Если пренебречь потерями тепла к окружающей среде, которые обычно не превышают 5%, то уравнение теплового баланса будет иметь вид:
Q=Q>1>=Q>2>, (1.2)
|
где |
Q>1> и Q>2> – количество тепла, которое отдал горячий теплоноситель и которое передано холодному теплоносителю соответственно, (Вт). |
Во время теплообмена между теплоносителями уменьшается энтальпия (теплосодержание) горячего теплоносителя и увеличивается энтальпия холодного теплоносителя. Уравнение теплового баланса (1.2) в развернутом виде:
Q=G>1>(i>1п>-i>1к)> =G>2>(i>2к>-i>2п>), (1.3)
|
где |
G>1>
и G>2>
– затрата горячего и холодного
теплоносителя соответственно,
i>1п>,
i>1к>
– начальная и конечная энтальпии
горячего теплоносителя,
i>2п>,
i>2к>
– начальная и конечная энтальпии
холодного теплоносителя,
|
Если во время теплообмена не изменяется агрегатное состояние теплоносителей, энтальпии последних приравнивают произведению теплоемкости на температуру и тогда уравнение теплового баланса (1.3) будет иметь вид:
Q=G>1>c>1>(t>1п>-t>1к>) =G>2>c>2>(t>2к>-t>2п>), (1.4)
|
где |
c>1>
и с>2>
– средние удельные теплоемкости
горячего и холодного теплоносителей
соответственно,
t>1п>, t>1к> – температуры горячего теплоносителя на входе в аппарат и на выходе из него, (0С); t>2к>, t>2п> – температуры холодного теплоносителя на выходе из аппарата и на входе в него, (0С). |
Из
уравнения (1.4) можно найти затраты
горячего или холодного теплоносителей
при известных значениях других параметров.
В случае использования в качестве
горячего теплоносителя насыщенного
водяного пара величин i>1п>,
,
и i>1к>,
,
в уравнении (1.3) будут соответственно
энтальпиями пара, который поступает, и
конденсата, который выходит из
теплообменника. Уравнение теплового
баланса, предполагая, что отдача тепла
при охлаждении пара к температуре
конденсации и при охлаждении конденсата
незначительная:
Q=G>гр>(i>1п>-i>1к>) =G>2>c>2>(t>2к>-t>2п>), (1.5)
|
где |
где
G>гр>
– затрата греющего пара,
|
Предполагая, что отдача тепла при охлаждении пара к температуре конденсации и при охлаждении конденсата незначительная, уравнение теплового баланса (1.5) можно записать в виде:
Q=G>гр>r=G>2>c>2>(t>2к>-t>2п>), (1.6)
|
где |
r
– удельная теплота конденсации,
|
По
уравнениям (1.5) и (1.6) определяют затраты
водяного пара. Если греющий пар является
влажным, то теплоту конденсации умножаем
на степень сухости водного пара. Если
имеем тепловые потери в окружающую
среду, то величину тепловой нагрузки
необходимо умножить на коэффициент,
который учитывает тепловые потери.
Энтальпию и удельную теплоту конденсации
греющего пара определяют по справочникам
[6,10]. Коэффициент теплопередачи К,
,
для плоской теплообменной поверхности:
, (1.7)
|
где |
>1>,
>2>
– коэффициенты теплоотдачи
соответственно для горячего и холодного
теплоносителя,
Коэффициент теплоотдачи показывает, какое количество теплоты передается от теплоносителя к 1 м2 поверхности стенки (или от стенки поверхностью 1 м2 к теплоносителю) в единицу времени при разности температур между теплоносителем и стенкой 1 град. >ст> – толщина теплообменной стенки, (м);
>ст>
– коэффициент теплопроводности
материала стенки,
Коэффициент теплопроводности показывает, какое количество теплоты проходит вследствие теплопроводности в единицу времени через единицу поверхности теплообмена при падении температуры на один градус на единицу длины нормали к изотермической поверхности. |
Коэффициенты теплоотдачи определяют из критерия Нуссельта, а последний находят по разным критериальным уравнениям в зависимости от конкретных условий теплообмена. В случае развитого турбулентного движения жидкостей в трубах и каналах (Re>10000):
Nu=
(1.8)
Для критериев Nu, Re и Pr за определяющую температуру принимается средняя температура жидкости, а для критерия Pr>ст> — температура стенки. По линейным размерам в критериях Nu и Re берется внутренний диаметр трубы или эквивалентный диаметр канала. При ламинарном движении (Re<2300):
Nu=
(1.9)
Для воздушного теплоносителя формулы (1.8) и (1.9) соответственно:
Nu=0,018Re0,8; (1.10)
Nu=0,13Re0,33Gr0,1. (1.11)
Для случая движения теплоносителя в межтрубном пространстве кожухотрубных теплообменников:
Nu=С(d>е>Re)0,6Pr0,33, (1.12)
|
где |
С – коэффициент, который учитывает присутствие сегментных перегородок в межтрубном пространстве; d>е> – эквивалентный диаметр межтрубного пространства, (м). |
,
(1.13)
|
где |
f – плоскость поперечного сечения потока, (м2); П – периметр сечения потока, (м); D – внутренний диаметр кожуха, (м); d – внешний диаметр трубы, (м); z – количество ходов по трубному пространству; n – количество труб в одном ходе. |
При поперечном обтекании пучка труб (угол атаки 90о), шахматном и коридорном расположении труб соответственно:
Nu=
(1.14)
Nu=
(1.15)
Среднюю
разность температур
,
(0С),
в случае прямотечения и противотечения
определяют как среднелогарифмическую
разность:
,
(1.16)
|
где |
t>б>, t>м> – большая и меньшая разности температур между теплоносителями на концах теплообменника, (0С). |
Если
2,
то среднелогарифмическую разность
можно заменить без заметной погрешности
среднеарифметической разностью:
.
(1.17)
Для аппаратов с перекрестным и смешанным течением теплоносителей средняя разность температур находится путем умножения значения среднелогарифмического температурного напора достигаемого при противотечейной схеме движения теплоносителей на поправочный коэффициент, который определяется по справочникам [4-6].
1.1 Кожухотрубный теплообменник
Для проведения процесса пастеризации продукта выбирается кожухотрубная конструкция теплообменника.
К

Рисунок 1- Кожухотрубный теплообменник
ожухотрубные теплообменники наиболее широко распространены впищевых производствах.
Кожухотрубный вертикальный одноходовой теплообменник
с неподвижными трубными решетками (см. рис. 1) состоит из цилиндрического корпуса-1, который с двух сторон ограничен приваренными к нему трубными решетками-2 с закрепленными в них греющими трубами-3 (см. рис. 2), концы которых закреплены в специальных трубных решетках путем развальцовки, сварки, пайки, а иногда на сальниках. Пучок труб делит весь объем корпуса теплообменника на трубное пространство, заключенное внутри греющих труб, и межтрубное. К корпусу прикреплены с помощью болтового соединения два днища-5. Для ввода и вывода теплоносителей корпус и днища имеют патрубки-4. Один поток теплоносителя, например жидкость, направляется в трубное пространство, проходит по трубкам и выходит из теплообменника через патрубок в верхнем днище. Другой поток теплоносителя, например пар, вводится в межтрубное пространство теплообменника, омывает снаружи греющие трубы и выводится из корпуса теплообменника через патрубок.
Кожухотрубные теплообменники могут быть с неподвижной трубной решеткой или с температурным компенсатором на кожухе, вертикальные или горизонтальные. В соответствии с ГОСТ 15121-79, теплообменники могут быть двух- четырех- и шестиходовыми по трубному пространству.
Греющие трубы в трубных решетках размещают несколькими способами: по сторонам и вершинам правильных шестиугольников(в шахматном порядке), по сторонам и вершинам квадратов (коридорное) и по концентрическим окружностям. Такие способы размещения обеспечивают создание компактной конструкции теплообменника.
Из-за маленькой скорости движения теплоносителей одноходовые теплообменники характеризуются низкими коэффициентами теплоотдачи. С целью интенсификации теплообмена в кожухотрубных теплообменниках пучок труб секционируют, разделяют на несколько секций (ходов), по которым теплоноситель проходит последовательно. Разбивка труб на ряд ходов достигается с помощью перегородок в верхнем и нижнем днищах. Так же секционировать можно и межтрубное пространство за счет установки направляющих перегородок. Благодаря всем этим способам достигается повышение скорости теплоносителя, что приводит к увеличению коэффициента теплоотдачи в трубном пространстве.
При проектировании кожухотрубных теплообменников теплоноситель, который наиболее загрязняет поверхность теплообмена, направляют в трубное пространство, которое легче очищать.
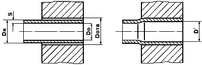
1.2 Ообщие сведения о развальцовке труб теплообменника
Наиболее распространенный способ крепления труб в решетке — развальцовка. Трубы вставляют в отверстия решетки с некоторым зазором, а затем обкатывают изнутри специальным инструментом, снабженным роликами (вальцовкой). При этом в стенках трубы создаются остаточные пластические деформации, а в трубной решетке — упругие деформации, благодаря чему материал решетки после развальцовки плотно сжимает концы труб. Однако при этом материал труб подвергается наклепу (металл упрочняется с частичной потерей пластичности), что может привести к растрескиванию труб. С уменьшением начального зазора между трубой и отверстием в решетке наклеп уменьшается, поэтому обычно принимают зазор 0,25 мм. Кроме этого для обеспечения качественной развальцовки и возможности замены труб необходимо, чтобы твердость материала трубной решетки превышала твердость материала труб.
Развальцовочное соединение должно быть прочным и плотным (герметичным). Прочность соединения оценивают усилием вырыва трубы из гнезда, плотность — максимальным давлением среды, при котором соединение герметично.Развальцовка является наиболее распространенным способом получения прочных и герметичных соединений труб с трубными решетками (коллекторами) теплообменных аппаратов.
Для получения надежного соединения трубы с трубной решеткой (коллектором) необходимо выполнить следующее условие:
D' = Dо +
+
KxS,
где D'-
расчетный внутренний диаметр трубы
после развальцовки
Dо-
внутренний диаметр трубы до развальцовки
-
диаметральный зазор между трубой и
трубной решеткой
(
=
Dотв - Dн)
S-толщина стенки трубы
К- коэффициент,
учитывающий тип теплообменного
аппарата:
К =
0,1 - для конденсаторов,
маслоохладителей, водоподогревателей,
испарителей, бойлеров и т.п.
К = 0,2 - для котлов

Для того, чтобы правильно выбрать инструмент для развальцовки труб в трубных решетках, необходимо располагать следующей информацией:
материал трубной решетки;
диаметр отверстий трубной решетки “Dотв” (см. рис. 3);
толщина трубной решетки “H” (см. рис. 3);
шаг перфорации (расстояние между центрами соседних отверстий) “t” (см. рис. 10);
наличие в отверстиях трубной решетки уплотнительного рельефа, формируемого шариковым раскатником (см. рис. 4);
наличие в трубной решетки канавок (см. рис. 5);
наличие двойных трубных решеток, их толщины “Н>1>” и “Н>2>” и расстояние “B” между трубными решетками (см. рис.9);
материал трубы;
наружный диаметр трубы "Dн" (см. рис.6);
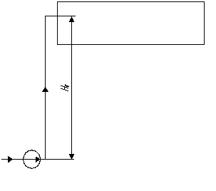
толщина стенки трубы "S" (см. рис.6);
высота выступания труб "h" над плоскостью трубной решетки (см. рис.6);
глубина развальцовки труб "L" (см. рис.6);
наличие отбуртовки конца трубы (см. рис.8);
наличие сварки в соединении трубы с трубной решеткой (см. рис.7)


2 Расчетно-конструкторская часть.
2.1 Тепловой расчет аппарата.
Исходные
данные. Проектируемый кожухотрубный
теплообменник предназначен для
пастеризации продукта от начальной (на
входе в аппарат) температуры t>1>=12
0С,
до конечной (на выходе из аппарата) t>2>=70
0С.
Производительность аппарата G=2,8
.
Продукт попадает в трубное пространство
принудительно с помощью насоса и
двигается по трубам со скоростью w=2,0
.
Греющий пар подводится в меж трубное
пространство с температурой t>п>=140
0С.
Теплообменные трубы 302,5
мм (внешний диаметр d=30 мм, толщина стенки
>ст>=2,5
мм), длина труб в пучке l>Т>=2,5
г. Материал труб — медь, толщина слоя
загрязнения на поверхности трубок
=0,001
г, абсолютная шероховатость внутренней
стенки трубки =0,01.
Коэффициент полезного действия (к.п.д)
насоса
=0,8.
Средняя
разность температур теплоносителя и
продукта
,
0С
(по формуле (1.16)):
,
t>б>=t>п>-t>1>=140-12=128 0С, (2.1)
t>м>=t>п>-t>2>=140-70=70 0С. (2.2)
Так
как
=1,8292,
то средний температурный напор можно
находить с определенной точностью как
среднеарифметическую разность
(соответственно формуле (1.17)):




0С.
Средняя температура продукта t>ср>, 0С:
t>ср>=t>п>-t>ср>=140-99=41 0С. (2.3)
Разность температур теплоносителя и стенки t>1>, 0С:
t>1>=(R>1>/R)t>ср>=(0,6)99=59,4 0С (2.4) 1 Разность температур стенки и продукта t>2>, 0С:
0С.
(2.5)
Температура стенки со стороны теплоносителя t>ст1>, 0С:
t>ст1>=t>п>-t>1>=140-59,4=80,6 0С. (2.6)
Температура стенки со стороны продукта t>ст2>, 0С:
t>ст2>=t>ср>+t>2>=41+33,66=74,66 0С. (2.7)
Температура пленки конденсата теплоносителя t>пл>, 0С:
t>пл>=0,5(t>п>+t>ст1>)=0,5(140+80,6) =110,3 0С. (2.8)
Теплофизические
свойства пленки конденсата (при
температуре пленки t>пл>=110,3
0С)
(соответственно [6]): динамический
коэффициент вязкости жидкости
>пл>=0,22810-3
(Пас),
удельная теплоемкость c>пл>=4,2103
,
коэффициент теплопроводности >пл>=0,682
и плотность >пл>=950
.
Удельная теплота конденсации пара (при
температуре t>п>=140
0С)
r=2150103
(соответственно [6]).
Коэффициент
теплоотдачи от греющего пара к стенкам
теплообменных трубок >1>,
:
(2.9)

.
Теплофизические
свойства продукта, который нагревается
(при температуре t>ср>=41
0С)
(соответственно [6]): динамический
коэффициент вязкости >пр>=0,71910-3
(Пас),
коэффициент объемного расширения
>пр>=0,39710-3
,
удельная теплоемкость c>пр>=4159
,
коэффициент теплопроводности >пр>=0,634
и плотность >пр>=991
.
Теплофизические
свойства пристеночного слоя продукта
(при температуре t>ст2>=74,66
0С)
(соответственно [6]): коэффициент
динамической вязкости >ст>=0,410-3
(Пас),
удельная теплоемкость c>ст>=4225
,
коэффициент теплопроводности >ст>=0,669
и плотность >ст>=975
.
Критерий Рейнольдса (Re) для потока продукта:
(2.10)
Критерий Прандтля для потока продукта (Pr) и для пристеночного слоя продукта (Pr>ст>):
,
(2.11)
.
(2.12)
Критерий Нуссельта (Nu) (для случая развитого турбулентного движения жидкостей в трубах и каналах (Re>10000) по формуле (1.8)):
Nu=
Nu=
=355.
Коэффициент
теплоотдачи от стенки теплообменных
труб к продукту >2>,
:

(2.13)
Термическое
сопротивление стенки ( без учета
термического сопротивления загрязнений)
R>ст>,
:
R>ст>=
,2
(2.14)
Общий
коэффициент теплопередачи между средами
К,
(по формуле (1.7)):
.
Тепловая нагрузка аппарата (количество тепла, которое передается через поверхность теплообмена от теплоносителя до продукта) Q, (Вт) (по формуле (1.4)):
Q=Gc>пр>(t>2>-t>1>)=2,84159(70-12)=675422 Вт.
Необходимая поверхность теплообмена F, (м2) (по формуле (1.1)):
(м2).
Затрата
теплоносителя (греющего пара) G>гр>,
:

.
(2.15) 3
2.2 Конструктивный расчет аппарата
Площадь сечения всего потока продукта (площадь сечения пучка труб) f, (м2):
(м2),
(2.16)
Количество труб n>1> в трубном пучке:
(2.17)
принимается n>1>= 3 теплообменных трубы в каждом ходе по трубному пространству.
Уточнённое
значение скорости движения продукта
w,
:

.
(2.18)
Расчетная длина одной трубки в трубном пучке L, (м):
(м).
(2.19)
Количество ходов теплообменника z:
,
(2.20)
принимается z=4 хода по трубному пространству кожухотрубного теплообменника.
Необходимое количество теплообменных труб в трубной решетке n:
n=zn>1>=43=12 труб. (2.21)
Диаметр трубной решетки D>р>, (мм):
>
>(мм),
(2.22) 4
Внутренний диаметр кожуха теплообменника D, (мм):
D=t(b-1)+4d=59,4(5-1)+430=358 (мм), (2.23)
принимается для изготовления кожуха теплообменника труба 360х5 мм.
Живое сечение межтрубного пространства f>мт>, (м2):
f>мт>=0,785((D-2s) 2-nd 2)=
=0,785((0,360-20,005)2-120,032)=87,6810-3 (м2). (2.24)
По
уравнению объемных затрат V,
:
,
(2.25)
определяются диаметры патрубков d, м, для рабочих сред:
.
(2.26)
Диаметр патрубка для входа пара в аппарат, d>п>, (м):
(м).
Диаметр патрубка для выхода конденсата пара, d>к>, (м):
(м).
Диаметр патрубка для входа продукта в аппарат, d>вх>, (м):
(м).
Диаметр патрубка для выхода продукта из аппарата, d>вих>, (м):
(м).
2.3 Гидравлический расчет аппарата
Полное гидравлическое сопротивление теплообменного аппарата, Р (Па):
(2.27)
5
Для изотермического турбулентного движения в гидравлично - шероховатых трубах (соответственно /6/):
(2.28)
6
Сумма коэффициентов местных сопротивлений >г> в аппарате:

,
(2.29) 7
(Па)
Мощность привода насоса N, (Вт), необходимая для перемещения продукта по трубному пространству теплообменного аппарата:
(Вт)
(2.30) 8
V=
. (2.31)
N=
(Вт).
2.4 Расчеты на прочность
Допустимые напряжения при расчете по предельным нагрузкам емкостей и аппаратов, которые работают при статических одноразовых нагрузках, определяются согласно ГОСТ 14249-89.
Расчет на прочность гладкой цилиндрической обечайки кожуха, нагруженной внутренним избыточным давлением, проводится согласно ГОСТ 14249-89.
|
|
|
|
Рисунок 11 – |
Расчетная схема обечайки кожуха теплообменника |
Исполнительная толщина стенки обечайки s, (мм):
ss>р>+с (2.32) 9
(мм),
(2.33) 10
с=с>1>+с>2>+с>3 > (2.34) 11
где с>1>=П=0,115=1,5 (мм), (2.35) 12
с=1,5+0+0=1,5 (мм),
Исполнительная толщина стенки обечайки s, (мм):
ss>р>+с=0,41+1,5=1,91 (мм).
Соответственно приведенным в ГСТУ 3-17-191-2000 значений минимальным толщинам стенок обечаек и днищ принимается s=5,0 мм.
Внутреннее избыточное давление, которое допускается [р], (МПа):
(МПа)
(2.36)
Условие применения расчетных формул (для обечаек и труб при D (200 мм):
,
(2.37)
условие выполняется.
3 Расчеты и выбор вспомогательного оборудования.
3.1 Выбор насоса
В
соответствии с технологической схемой
участка пастеризации продукта для
перекачивания продукта выбирается
шесть центробежных насосов марки Х20/18
с параметрами: подача Q= 5,510-3
,
напор Н= 10,5 (м), частота вращения вала n=
48,3 (с-1),
коэффициент полезного действия >н>=0,6
, приводной электродвигатель типа
АО2-31-2 мощностью N>н>=3квт.
|
|
|
|
|
Рисунок 12 – Схема установления насоса |
Выбранный насос разрешает достичь геометрической высоты подъема жидкости H>Г>11 м с учетом потерь напора на преодоление гидравлического сопротивления теплообменного аппарата Р=84453 Па.
3.2 Расчет объема накопительного резервуара и уравнительного бака для пастеризованного продукта.
Номинальный объем емкости накопительного резервуара и уравнительного бака для исходного раствора пастеризованного продукта и конденсата:
(м3),
(3.1) 13
Выбирается пять горизонтальных емкостных аппарата.
4 Новизна принятых конструктивных решений
Теплообменные аппараты составляют многочисленную группу теплосилового оборудования, занимая значительные производственные площади и превышая зачастую 50% стоимости общей комплектации в теплоэнергетике, химической, нефтеперерабатывающей и пищевой промышленности, и ряде других отраслей. Поэтому правильный выбор теплообменников представляется исключительно важной задачей.
К настоящему времени можно выделить два наиболее распространенных типа теплообменных аппаратов - кожухотрубные и пластинчатые.
Широко известные традиционные кожухотрубные аппараты, обладая рядом преимуществ, вместе с тем имеют и очень существенные недостатки. В частности - неблагоприятные массогабаритные характеристики, низкие показатели надежности. Эти аппараты почти всегда требуют применения грузоподъемного оборудования, предполагают наличие значительных свободных площадей и далеко не всегда могут быть смонтированы, а тем более заменены при ремонте без демонтажа конструкций здания. Применение в этих аппаратах латунных и гладкостенных труб дополняет неприглядную техническую характеристику. Латунь при определенных условиях (которые почти всегда создаются в теплообменниках, применяемых в отоплении и горячем водоснабжении) подвержена обесцинкованию даже в пресной воде. Цинк попадает в воду горячего водоснабжения, кроме того, происходит разрушение стенок труб.
Но даже и когда эти условия не создаются, усиливается влияние другого отрицательного фактора - образование накипи и иных отложений на стенках труб, что приводит к потере работоспособности аппаратов по критерию "тепловая эффективность".
Следует принять во внимание и достаточно высокие цены на эти аппараты вследствие использования большого количества цветного металла.
На сегодняшний день кожухотрубные теплообменники на порядок уступают пластинчатым теплообменникам.
Сравнение пластинчатых теплообменников с кожухотрубными теплообменниками (см. рис.13)
О

Рисунок 13 - Теплообменники
бычно кожухотрубные теплообменники эффективно используются при давлениях теплоносителя более 25 кгс/см2. Но при давлениях до 25 кгс/см2 пластинчатые теплообменники являются значительно более эффективными.При аналогичных параметрах пластинчатые теплообменники в 3-6 раз меньше по габаритам и составляют 1/6 от веса кожухотрубных теплообменников. Таким образом, экономятся не только площади под установку, но и снижаются начальные затраты. Конструкция кожухотрубного теплообменника обеспечивает гораздо меньшие коэффициенты теплопередачи, чем пластинчатого при аналогичной потере давления. Даже в самых лучших кожухотрубных теплообменниках значительные поверхности труб находятся в мертвых зонах, где отсутствует теплопередача. В отличие от кожухотрубных пластинчатые теплообменники могут быть легко разобраны для обслуживания и ремонта без демонтажа подводящих трубопроводов. Для обслуживания пластинчатых теплообменников требуется площадь в 3-6 раз меньше, чем для кожухотрубных.
Основные преимущества использования пластинчатых теплообменников.
1. Экономичность и простота обслуживания.
При засорении пластинчатый теплообменник может быть разобран, промыт и собран в течение 4-6 часов. В кожухотрубных теплообменниках процесс очистки трубок часто ведет к их разрушению и заглушению.
2. Низкая загрязняемость поверхности теплообмена вследствие высокой турбулентности потока жидкости, образуемой рифлением, а также качественной полировки теплообменных пластин.
3. Срок эксплуатации первой выходящей из строя единицы - уплотнительной прокладки - у ведущих европейских производителей достигает 10 лет. Срок работы теплообменных пластин - 20-25 лет. Стоимость замены уплотнений колеблется в пределах 15-25% от стоимости пластинчатого теплообменника, что экономнее аналогичного процесса замены латунной трубной группы в кожухотрубном теплообменнике, составляющей 80-90% от стоимости аппарата.
4. Стоимость монтажа пластинчатого теплообменника составляет 2-4% от стоимости оборудования, что на порядок ниже, чем у кожухотрубного теплообменника.
5. Даже теплоноситель с заниженной температурой в системах теплоснабжения позволяет нагревать воду в пластинчатом теплообменнике до требуемой температуры.
6. Индивидуальный расчет каждого пластинчатого теплообменника по оригинальной программе завода-изготовителя позволяет подобрать его конфигурацию в соответствии с гидравлическим и температурным режимами по обоим контурам.
7. Гибкость: в случае необходимости площадь поверхности теплообмена в пластинчатом теплообменнике может быть легко уменьшена или увеличена простым добавлением или извлечением пластин.
8. Двухступенчатая система горячего водоснабжения, реализованная в одном пластинчатом теплообменнике, позволяет значительно сэкономить на монтаже и уменьшить требуемые площади под индивидуальный тепловой пункт.
9. Конденсация водяного пара в пластинчатом теплообменнике снимает вопрос о специальном охладителе, т.к. температура конденсата может быть 50 С и ниже.
10. Меньше ограничений в работе: замерзание воды в пакете пластин не приводит к фактическому повреждению аппарата. После оттаивания пластинчатый теплообменник готов к эксплуатации, а кожухотрубный теплообменник получает повреждение трубок.
11. Устойчивость к вибрациям: пластинчатые теплообменники высокоустойчивы к наведенной двухплоскостной вибрации, которая может вызвать повреждения кожухотрубного теплообменника.
Рассмотрим сравнительную характеристику кожухотрубного и пластинчатого теплообменника (см. рис.14)

Добиться того, чтобы кожухотрубный теплообменный аппарат обладал комплексом преимуществ не уступающих, а даже и превосходящих пластинчатый теплообменник, удалось, соединив воедино целый ряд давно известных, но не реализуемых по технологическим причинам рекомендаций (а также - ряд новшеств): увеличением поверхности теплообмена (оребрением ее со стороны теплоносителя с меньшим коэффициентом теплоотдачи), у величениемкоэффициента теплоотдачирациональным подбором гидродинамики теплоносителя, плотно упакованные трубные пучки; особотонкостенные трубки уменьшенного диаметра, имеющие специальный профиль; неметаллические трубные решетки, изготавливаемые по специально отработанной технологии. Корпус аппарата также имеет ряд особенностей: особотонкостенные трубы, термическая разгруженность цепочки "корпус-трубный пучок" путем применения плавающих трубных решеток (обеспечивается разборность аппарата и снимаются ограничения по подаче холодной и горячей сред в любую полость), повышение надежности по показателю взаимопроникновения сред благодаря применению двойного уплотнения с сигнальными отверстиями, использование специальных направляющих перегородок. Как для теплопередающих трубок, так и для корпусов используются высоколегированные коррозионностойкие стали или титановые сплавы, что обеспечивает заданные показатели надежности при характерных для наших теплообменников повышенных скоростях движения сред.
Для проведения процесса пастеризации продукта спроектирован теплообменный кожухотрубній аппарат: кожух 3605 мм, теплообменные трубы 302,5 мм, расположение труб в трубной решетке — по сторонам и вершинам квадратов (корридорное), количество труб n=12, количество ходов по трубному пространству z=4; площадь поверхности теплообмена F=2,43 м2.
ВЫВОД
Данный курсовой проект представляет собой комплекс расчетно-графических работ, по конструированию, выбору кожухотрубного теплообменника и подбору вспомогательного оборудования к нему для проведения технологических процессов в мясной промышленности.
Спроектированный на основании расчетов и подборов четырехходовой кожухотрубный теплообменный аппарат позволяет проводить необходимые процессы с заданными параметрами.
В ходе проведения проектных и расчетных работ (конструктивный расчет, гидравлический расчет, расчет на прочность) выбраны конструктивные единицы, подтверждена механическая надежность, экономически-обоснованный выбор (материал труб, длина и т. д.), конструктивное совершенство аппарата. Эти факторы являются основными для высокопродуктивной, бесперебойной работы оборудования в промышленных условиях.
Список использованной литературы
1ГОСТ 14249-89. Сосуды и аппараты. Нормы и методы расчета на прочность. — Взамен ГОСТ 14249-89; Введ. 18.05.89. — М.: Гос. ком. СССР по стандартам, 1989. — 80 с., ил.
2ГСТУ 3-17-191-2000. Посудини та апарати стальні зварні. Загальні технічні умови. — На заміну ОСТ 26-291-94; Введ. 16.02.2000. — К.: Державний комітет промислової політики України, 2000. — 301 с., іл.
3ДНАОП 0.00-1.07-94. Правила устройства и безопасной эксплуатации сосудов, работающих под давлением. Введ. 01.03.1995. — К.: Государственный комитет Украины по надзору за охраной труда, 1994. — 200 с., ил.
4Машины и аппараты химических производств: примеры и задачи. Учебное пособие для студентов втузов, обучающихся по специальности «Машины и аппараты химических производств» / И.В.Доманский, В.П.Исаков, Г.М.островский и др.; Под общ. ред. В.Н.Соколова. — Л.: Машиностроение, 1982.
5Основные процессы и аппараты химической технологии: Пособие по проектированию / Г.С.Борисов, В.П.Брыков, Ю.И.Дытнерский и др. Под ред. Ю.И.Дытнерского, 2-е изд., перераб. И дополн. — М.:Химия, 1991.
6Павлов К.Ф., Романков П.Г., Носков А.А. Примеры и задачи по курсу процессов и аппаратов химической технологии: Учебное пособие для вузов / Под ред. П.Г.Романкова. — 9-е изд., перераб. и доп. — Л.: Химия, 1981.
7Проектирование процессов и аппаратов пищевых производств / Под ред. В.Н. Стабникова. — К.: Вища школа, 1982.
8Разработка конструкции химического аппарата иего графической мо дели. Методические указания. - Иваново, 2004.
9Справочник по теплообменникам, М.Химия, 1982. 328 с.
10Стабников В.Н., Лисянский В.М., Попов В.Д. Процессы и аппараты пищевых производств. М.:Агропромиздат, 1985.
11Теплофизические свойства газов, растворителей и растворов солей. Справочник /Сост. Е.М.Шадрина и др. Иваново. 2004.
12Уплотнения подвижных соединений: Методические указания\Сост. Э.Э.Кольман-Иванов; МИХМ.- М., 1992. – 32 с.
13– теплообменные аппараты.
14– общие сведения о развальцовке труб.
15– кожухотрубные теплообменники.
16– сравнение кожухотрубного и пластинчатого теплообменников.
|
Документация |
|||||
|
А4 |
СНАУ 00.00.00 000 ПЗ |
Пояснительная записка |
|||
|
А1 |
СНАУ 00.00.00 000 СБ |
Сборочный чертеж |
|||
|
Сборочные единицы |
|||||
|
А4 |
1 |
СНАУ 00.00.01 000 СБ |
Распределительная камера |
1 |
|
|
А4 |
2 |
СНАУ 00.00.02 000 СБ |
Крышка |
1 |
|
|
А4 |
3 |
СНАУ 00.00.03 000 СБ |
Пучок трубный |
1 |
|
|
Детали |
|||||
|
А4 |
4 |
СНАУ 00.00.00 001 |
Пробка |
1 |
|
|
А4 |
5 |
СНАУ 00.00.00 002 |
Прокладка |
||
|
Стандартные изделия |
|||||
|
6 |
Болт М12х45 ГОСТ 7798 |
12 |
|||
|
7 |
Болт М16х55 ГОСТ 7798 |
8 |
|||
|
8 |
Гайка М12 ГОСТ 5915 |
12 |
|||
|
9 |
Гайка М16 ГОСТ 5915 |
8 |
|||
|
10 |
Гайка М20 ГОСТ 5915 |
48 |
|||
|
11 |
Прокладка А-40-0,25 ГОСТ 15180 |
2 |
|||
|
12 |
Прокладка А-50-0,25 ГОСТ 15180 |
1 |
|||
|
13 |
Прокладка А-125-0,25 ГОСТ 15180 |
1 |
|||
|
14 |
Прокладка А-300-0,25 ГОСТ 15180 |
2 |
|||
|
15 |
Фланец II-40-0,25 ГОСТ 12821 |
2 |
|||
|
16 |
Фланец II-50-0,25 ГОСТ 12821 |
1 |
|||
|
17 |
Фланец II-125-0,25 ГОСТ 12821 |
1 |
|||
|
18 |
Шайба 12 ГОСТ 11371 |
12 |
|||
|
19 |
Шайба 16 ГОСТ 11371 |
8 |
|||
|
20 |
Шайба 20 ГОСТ 11371 |
48 |
|||
|
21 |
Шпилька М2090 ГОСТ 22032 |
24 |
|||
|
Материалы |
|||||
|
22 |
Почва ГФ-021 ГОСТ 26129 |
кг |
|||
|
23 |
Эмаль ПФ-115 серая ГОСТ 6465 |
кг |
1 Отношение термического сопротивления со стороны теплоносителя к общему термическому сопротивлению R>1>/R=0,6 и отношение термического сопротивления стенок (за счет материала стенок и загрязнений) к общему термическому сопротивлению R>ст>/R=0,06 принимается соответственно [6].
2
где
>ст>
–
толщина
стенки трубы, м; >ст>
–
коэффициент теплопроводности материала
теплообменных труб (соответственно к
[6]),
.
3 где x – коэффициент, который учитывает тепловые затраты в окружающую среду.
4 где >1> – коэффициент заполнения трубной решетки (>1>=0,6…0,8 для многоходовых по трубному пространству теплообменных аппаратов);
– угол, который образуется центральными линиями трубных рядов с горизонталью (=60…700).
5 где – коэффициент гидравлического трения; >м> – коэффициент местного сопротивления.
6 где – абсолютная шероховатость поверхности труб (для чистых цельнотянутых медных труб =0,0015…0,01 мм соответственно к [6]), мм.
7 где >i> – коэффициенты местных сопротивлений (входящая и выходящая камеры >1>=1,5, вход в трубы и выход из них >2>=1, поворот на 1800 между ходами >3>=2,5 соответственно к [6]).
8 где V – объемный расход продукта, м3/с; - коэффициент полезного действия насоса.
9 где s>р> – расчетная толщина стенки обечайки, мм; с – сумма увеличений до расчетной толщины стенки, мм.
10 где р – расчетное внутреннее избыточное давление, МПа; D – внутренний диаметр посудины, мм; [] – допустимые напряжения для материала обечайки кожуха при расчетной температуре стенки, МПа; >р>=1,0 – коэффициент прочности продольного стыкового сваривательного шва (обечайка кожуха не имеет последнего благодаря выбору для её изготовления трубы).
11 где с>1> – увеличение для компенсации коррозии и эрозии, мм; с>2> и с>3> – увеличение для компенсации минусового допуска и технологическое увеличение соответственно (согласно требований ГОСТ 14249-89 учитываются в случае, когда их суммарное значение превышает 5% номинальной толщины листа), мм.
12 где П – коррозионная проницаемость материала, мм/год; – срок службы аппарата, лет.
13 где – продолжительность рабочей смены, с; – коэффициент заполнения емкости.
;

