Расчет и проектирование одноступенчатого зубчатого редуктора
Министерство образования Республики Беларусь
Минский государственный машиностроительный колледж
Расчетно-пояснительная записка
к курсовому проекту по «Технической механике»
Тема: Расчет и проектирование одноступенчатого зубчатого редуктора
Разработал:
учащийся гр.1-Дк
Зеньков Д.И.
Минск 2005
Перечень документов
Расчетно-пояснительная записка
Сборочный чертеж одноступенчатого цилиндрического редуктора
Спецификация
Чертеж вала тихоходного
Чертеж колеса зубчатого
Содержание
|
1 Краткое описание работы привода 2 Кинематический расчет привода 2.1 Определение требуемой мощности и выбор двигателя 2.2 Определение частоты вращения и угловой скорости каждого вала 2.3 Определение мощностей и вращающих моментов на каждом валу 3 Расчет закрытой зубчатой косозубой передачи 3.1 Исходные данные 3.2 Расчет параметров зубчатой передачи 4 Расчет тихоходного вала привода 4.1 Исходные данные 4.2 Выбор материала вала 4.3 Определение диаметров вала 4.4 Эскизная компоновка вала 4.5 Расчет ведомого вала на изгиб с кручением 5 Расчет быстроходного вала привода 5.1 Исходные данные 5.2 Выбор материала вала 5.3 Определение диаметров вала 5.4 Определение возможности изготовления вала-шестерни 5.5 Эскизная компоновка вала 5.6 Расчет ведомого вала на изгиб с кручением 6 Подбор подшипников быстроходного вала 7 Подбор подшипников тихоходного вала 8 Подбор и проверочный расчет шпонок быстроходного вала 9 Подбор и проверочный расчет шпонок тихоходного вала 10 Выбор сорта масла 11 Сборка редуктора Список использованной литературы |
1 Краткое описание работы привода
Тяговым органом заданного привода является цепной конвейер В цепных передачах (рис.1, а) вращение от одного вала к другому передается за счет зацепления промежуточной гибкой связи (цепи) с ведущим / и ведомым 2 звеньями (звездочками).

Рис.1 Схема цепной передачи
В связи с отсутствием проскальзывания в цепных передачах обеспечивается постоянство среднего передаточного числа. Наличие гибкой связи допускает значительные межосевые расстояния между звездочками. Одной цепью можно передавать движение одновременно на несколько звездочек (рис.1, б). По сравнению с ременными цепные передачи имеют при прочих равных условиях меньшие габариты, более высокий КПД и меньшие нагрузки на валы, так как отсутствует необходимость в большом предварительном натяжении тягового органа.

результате чего появляются дополнительные динамические нагрузки в передаче; более высокие требования к точности монтажа передачи по сравнению с ременными передачами; значительный шум при работе передачи.
Цепные передачи предназначаются для мощности обычно не более 100 кВт и могут работать как при малых, так и при больших скоростях (до 30 м/с). Передаточные числа обычно не превышают 7.
Применяемые в машиностроении цепи по назначению подразделяются на приводные, передающие энергию от ведущего вала к ведомому; тяговые, применяемые в качестве тягового органа в конвейерах; грузовые, используемые в грузоподъемных машинах. Из всех типов природных цепей наибольшее распространение имеют роликовые с числом рядов от 1 до 4, втулочные , одно- и двухрядные, и зубчатые.
Кинематическая схема привода цепного конвейера приведена на рис.2.
Вращение привода передается от электродвигателя 1 ведущим звездочкам цепного конвейера 8 посредством клиноременной передачи 2, муфт 3 и 5, косозубого одноступенчатого редуктора 4, цепной передачи 6 и зубчатой открытой прямозубой передачи 7. При этом на кинематической схеме римскими цифрами обозначены тихоходные (I, III, VI) и быстроходные (II, IV, V) валы соответствующих передач.

Рис.2 Кинематическая схема привода цепного конвейера.
2 Кинематический расчет привода
2.1 Определение требуемой мощности и выбор двигателя
Исходные данные:
тяговое усилие цепи F>t>=13кН
скорость цепи V=0,35 м/с
шаг тяговой цепи Р>t>=220мм
число зубьев ведущих звездочек z=7
срок службы привода – 4 года в две смены.
Определяем мощность на тихоходном валу привода по формуле (1.1) [1,с.4]
Р>VI>= F>t>· V (2.1)
где Р>VI> - мощность на тихоходном валу:
Р>VI>=13·0,25=3,25кВт.
Определяем общий КПД привода по формуле (1.2) [1,с.4]
По схеме привода
(2.2)
где[1, с.5, табл.1.1]:
-
КПД ременной передачи;
-
КПД зубчатой закрытой передачи;
-
КПД цепной передачи;
-
КПД зубчатой открытой передачи;
-
КПД одной пары подшипников качения;
-
КПД муфты.
Сделав подстановку в формулу (1.2) получим:


Определяем мощность, необходимую на входе[1,с.4]
(2.3)
где Р>тр> – требуемая мощность двигателя:


Определяем частоту вращения и угловую скорость тихоходного вала
(2.4)
об/мин
(2.5)

Выбираем электродвигатель [1,с.390,табл. П1,П2]
Пробуем двигатель 4А112М4:
Р>дв.>=5,5кВт;
n>с>=1500об/мин;
S=3,7%
d>дв.>=32мм.
Определяем асинхронную частоту вращения электродвигателя по формуле (1.3) [1,c.6]:
n>a>=n>c>·(1-S); (2.6)
n>a>=1500·(1-0,037);
n>a>=1444,5 об/мин
Определяем общее передаточное число привода
; (2.7)

Производим разбивку прердаточного числа по ступеням. По схеме привода
U>общ.>=U>р.п.>· U>з.з.>· U>ц.п.>· U>з.о.>; (2.8)
Назначаем по рекомендации [1,c.7,c36]:
U>р.п.>=3;
U>ц.п.>=3;
U>з.о.>=4; тогда
U>з.з.>= U>общ.>/( U>р.п.>· U>ц.п.>· U>з.о.>);
U>з.з.>=2,94, что входит в рекомендуемые пределы
Принимаем U>з.з.>=3.
Тогда

Находим:
(2.9)
;
Допускается ∆U=±3%
Принимаем окончательно электродвигатель марки 4А112М4
2.2 Определение частоты вращения и угловой скорости каждого вала
По формуле (2.5) определяем угловую скорость вала двигателя
;
;
n>дв.>=1444,5 об/мин.
По схеме привода (рис.1) определяем частоты вращения и угловые скорости каждого вала
;
;
;
;
;
;
;
;
;

;
;
; 
; 
;
;
;
;
; 
что близко к полученному в п.2.1.
2.3 Определение мощностей и вращающих моментов на каждом валу
Определяем мощность на каждом валу по схеме привода

;
;
;
;


;
;
;
;
;
;
;
;
;
;
;
;
что близко к определенному ранее в п.2.1.
Определяем вращающие моменты на каждом валу привода по формуле
(Нм) (2.10)
;
;
Нм;
;
;
Нм;
;
;
Нм;
;
;
Нм;
;
;
Нм;
;
;
Нм;
;
;
Нм.
Проверка:
(2.11)
;
Нм
Все рассчитанные параметры сводим в табл.1.
Таблица 1
Параметры кинематического расчета
|
№ вала |
n, об/мин |
ω, рад/с |
Р, кВт |
Т, Нм |
U |
|
Дв. |
1444,5 |
151,27 |
4,15 |
27,43 |
3 |
|
I |
481,5 |
50,42 |
3,985 |
79,03 |
|
|
1 |
|||||
|
II |
481,5 |
50,42 |
3,866 |
76,67 |
|
|
3 |
|||||
|
III |
160,5 |
16,8 |
3,674 |
218,69 |
|
|
1 |
|||||
|
IV |
160,5 |
16,8 |
3,565 |
212,2 |
|
|
3 |
|||||
|
V |
53,5 |
5,6 |
3,353 |
598,75 |
|
|
4 |
|||||
|
VI |
13,375 |
1,4 |
3,187 |
2276,4 |
3 Расчет закрытой косозубой передачи
3.1 Исходные данные
Мощность на валу шестерни и колеса Р>2>=3,866 кВт
Р>3>=3,684 кВт
Вращающий момент на шестерне и колесе Т>2>=76,67 Нм
Т>3>=218,69 Нм
Передаточное число U=3
Частота вращения шестерни и колеса n>2>=481,5 об/мин
n>3>=160,5 об/мин
Угловая скорость вращения шестерни и колеса ω>2>=50,42 рад/с
ω>3>=16.8 рад/с
Передача нереверсивная.
Расположение колес относительно опор симметричное.
3.2 Расчет параметров зубчатой передачи
Выбираем материал для шестерни и колеса по табл.3.3 [1,c.34]:
шестерня – сталь 40Х, термообработка – улучшение 270НВ,
колесо - сталь 40Х, термообработка – улучшение 250НВ.
Определяем допускаемое контактное напряжение по формуле (3.9) [1,c.33]:
(3.1)
где σ>Hlimb> – предел контактной выносливости при базовом числе циклов;
К>HL> – коэффициент долговечности;
[S>H>] – коэффициент безопасности;
по [1,c.33]: К>HL> =1; [S>H>] =1,1.
Определяем σ>Hlimb> по табл.3.2 [1,c.34]:
σ>Hlimb> =2НВ+70; (3.2)
σ>Hlimb>>1> =2270+70; σ>Hlimb>>1> =610МПа;
σ>Hlimb>>2> =2250+70; σ>Hlimb>>1> =570МПа.
Сделав подстановку в формулу (3.1) получим
;
МПа;
;
МПа.
Определяем допускаемое расчетное напряжение по формуле (3.10) [1,c.35]:
(3.3)
;
МПа.
Определяем межосевое расстояние передачи по формуле (3.7) [1,c.32]:
(3.4)
где К>а> – числовой коэффициент;
К>Hβ> – коэффициент, учитывающий неравномерность распределения нагрузки по ширине венца;
- коэффициент ширины;
Т>2> – вращающий момент на колесе (по схеме привода Т>2>=Т>3>)
Выбираем коэффициенты:
К>а> =43 [1,c.32];
К>Hβ> =1,1 [1,c.32,табл.3.1];
=0,315
назначаем по ГОСТ2185-66 с учетом рекомендаций
[1,c.36];
Т>2>=Т>3>=218,69Нм.
Подставив значения в формулу (3.4) получим:
;
мм;
Принимаем окончательно по ГОСТ2185-66 [1,c.36]
мм.
Определяем модуль [1,c.36]:
(3.5)
;
;
Принимаем по ГОСТ9563-60 модуль m>n>=2,0мм [1,c.36]
Определяем суммарное число зубьев по формуле (3.12) [1,c.36]:
(3.6)
Принимаем предварительно β=12º (β=8º…12º), тогда cosβ=0,978
;
;
Принимаем
зуба.
Определяем число зубьев шестерни и колеса по формулам (3.13) [1,c.37]:
;
;
;
;
;
;
.
Уточняем фактическое передаточное число
;
; 
Определяем отклонение передаточного числа от номинального
;
.
Допускается ∆U=±3%
Уточняем угол наклона зубьев по формуле (3.16) [1,c.37]:
(3.7)
;
;
.
Определяем делительные диаметры шестерни и колеса по формуле (3.17) [1,c.37]:
(3.8)
;
мм;
;
мм.
Проверяем межосевое расстояние
(3.9)
;
мм.
Определяем остальные геометрические параметры шестерни и колеса
;
; 
;
;
(3.10)
;
(3.11)
мм;
;
мм;
;
мм;
;
мм;
;
мм;
;
мм;
;
мм
;
мм;
;
мм;
;
мм.
Проверяем соблюдение условия (т.к. Ψ>ba><0,4)
;
;
;
0,315>0,223
Значит, условие выполняется.
Определяем окружные скорости колес

;
м/с;
;
;
м/с;
м/с.
Назначаем точность изготовления зубчатых колес – 8В [1,c.32].
Определяем фактическое контактное напряжение по формуле (3.6) [1,c.31]
(3.12)
где К>Н> – коэффициент нагрузки:
К>Н> =К>Нά> К>Нβ> К>Н>>>;
К>Нά> – коэффициент, учитывающий неравномерность распределения нагрузки между зубьями;
К>Нβ> - коэффициент, учитывающий неравномерность распределения нагрузки по ширине;
К>Н>>> - коэффициент, учитывающий динамическую нагрузку в зацеплении.
Уточняем коэффициент нагрузки
К>Нά> =1,09; [1,c.39, табл.3.4]
К>Н>>> =1; [1,c.40, табл.3.6]
;
;
,
тогда К>Нβ> =1,2; [1,c.39, табл.3.7]
К>Н> =1,091,21; К>Н> =1,308.
Сделав подстановку в формулу (3.12) получим
;
МПа.
Определяем ∆σ>Н>
;
;
недогрузки,
что допускается.
Определяем силы в зацеплении
- окружная
; (3.13)
;
Н;
- радиальная
; (3.14)
;
Н;
- осевую
; (3.15)
;
Н.
Практика показывает, что у зубчатых колес с НВ<350 выносливость на изгиб обеспечивается с большим запасом, поэтому проверочный расчет на выносливость при изгибе не выполняем.
Все вычисленные параметры заносим в табл.2.
Таблица 2
Параметры закрытой зубчатой передачи
-
Параметр
Шестерня
Колесо
m>n>,мм
2
βº
10º16’
h>a>,мм
2
h>t>,мм
2,5
h,мм
4,5
с, мм
0,5
d,мм
63
187
d>а>,мм
67
191
d>f>,мм
58
182
b, мм
44
40
а>W>,мм
125
v, м/с
1,59
1,58
F>t>, Н
2431
F>r>, Н
899,3
F>а>, Н
163,7
4 Расчет тихоходного вала редуктора
4.1 Исходные данные
Исходные данные выбираем из табл.1 и табл.2 с округлением до целых чисел:
Н;
Н;
Н.
;
Н;
Т>3>=219Н;
d=187мм;
b=40мм.
По кинематическое схеме привода составляем схему усилий, действующих на валы редуктора. Для этого мысленно расцепим шестерню и колесо редуктора. По закону равенства действия и противодействия :
F>a1>= F>a2>= F>a>;
F>t1>= F>t2>= F>t>;
F>r>>1>= F>r>>2>= F>r>.
Схема усилий приведена на рис.3.

Рис.3 Схема усилий, действующих на валы редуктора
4.2 Выбор материала вала
Назначаем материал вала. Принимаем сталь 45 с пределом прочности σ>в> = 700МПа
[1,c.34, табл.3.3].
Определяем пределы выносливости материала вала при симметричном цикле изгиба и кручения
[1,c.162]
[1,c.164]
;
МПа;
;
.
4.3 Определение диаметров вала
Определяем диаметр выходного конца вала под полумуфтой из расчёта на чистое кручение
(4.1)
где [τ>к>]=(20…40)Мпа [1,c.161]
Принимаем [τ>к>]=30Мпа.
;
мм.
Согласовываем d>в> с диаметром муфты упругой втулочной пальцевой МУВП, для этого определяем расчетный момент, передаваемый муфтой
Т>р3>=Т>3>К (4.2)
где К – коэффициент, учитывающий условия эксплуатации привода.
К=1,3…1,5 [1,c.272, табл.11.3]
Принимаем К=1,5
Подставляя в формулу (4.2) находим:
Т>р3>=2191,5;
Т>р3>=328,5Нм.
Необходимо соблюдать условие
Т>р3><[T] (4.3)
где [Т] – допускаемый момент, передаваемый муфтой.
В нашем случае необходимо принять [Т] 500Ни [1,c.277, табл.11.5]
Тогда принимаем окончательно
d>м2>=40мм;
l>м2>=82мм. (Длина полумуфты) Тип 1, исполнение 2.
Проверяем возможность соединения валов стандартной муфтой
;
;
мм.
Так как
соединение
валов стандартной муфтой возможно.
Принимаем окончательно с учетом стандартного ряда размеров R>а>40:
мм.
Намечаем приближенную конструкцию ведомого вала редуктора (рис.4), увеличивая диаметр ступеней вала на 5…6мм, под уплотнение допускается на 2…4мм и под буртик на 10мм.

Рис.4 Приближенная конструкция ведомого вала
мм;
мм
– диаметр под уплотнение;
мм
– диаметр под подшипник;
мм
– диаметр под колесо.
4.4 Эскизная компоновка ведомого вала
Назначаем предварительно
подшипники шариковые радиальные
однорядные средней серии по
мм
подшипник №308, у которого D>п>=90мм;
В>п>=23мм
[1,c.394,
табл.П3].
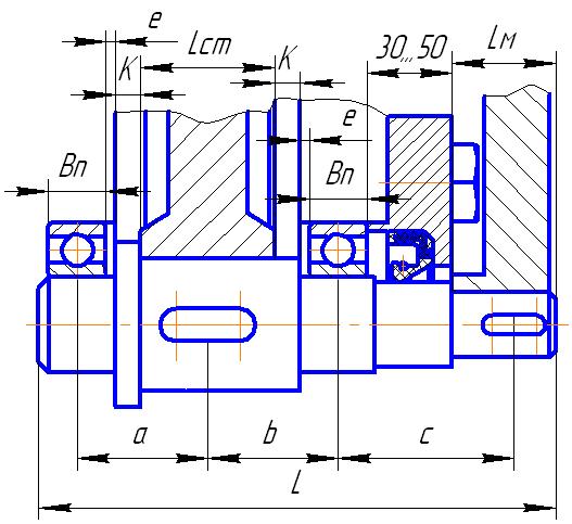
Выполняем эскизную компоновку вала редуктора. Необходимо определить длину вала L и расстояния от середины подшипников до точек приложения нагрузок a, b и с (рис.5).

Рис.5 Эскизная компоновка ведомого вала
е=(8…12)мм – расстояние от торца подшипника до внутренней стенки корпуса редуктора;
К=(10-15)мм – расстояние от внутренней стенки корпуса до торца зубчатого колеса.
Принимаем
l>ст>=b+10мм – длина ступицы колеса:
l>ст>=40+10=50мм;
(30…50)мм - расстояние от торца подшипника до торца полумуфты.
Принимаем 40мм.
Определяем размеры а, b, с и L.
а=b=Вп/2+е+К+lст/2;
а=b=23/2+10+11+50/2;
а=b=57,5мм
Принимаем а=b=58мм.
с= Вп/2+40+lм/2;
с=23/2+40+82/2;
с=93,5мм
Принимаем с=94мм.
L=Вп/2+a+b+c+ lм/2;
L=23/2+58+58+94+82/2;
L=262,5мм;
Принимаем L=280мм.
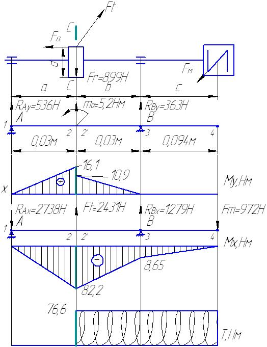
4.5 Расчет ведомого вала на изгиб с кручением.
Заменяем вал балкой на опорах в местах подшипников.
Рассматриваем вертикальную плоскость (ось у)
Изгибающий момент от осевой силы Fа будет:
m>а>=[Fad/2]:
m>а>=164·18710-3/2;
m>а>=30,7Нм.
Определяем реакции в подшипниках в вертикальной плоскости.
1m>Ау>=0
-R>By>·(a+b)+F>r>·a- m>а>=0
R>By>=(F>r>·а- m>а>)/ (a+b);
R>By>= (899·0,058-30,7)/ 0,116;
R>By>==184,8Н
Принимаем R>By>=185Н
2m>Ву>=0
R>А>>y>·(a+b)-F>r>·b- m>а>=0
R>А>>y>==(F>r>·b+ m>а>)/ (a+b);
R>А>>y> =(899·0,058+30,7)/ 0,116;
R>А>>y> =714,15Н
Принимаем R>А>>y>=714Н
Проверка:
F>Ку>=0
R>А>>y>- F>r>+ R>By>=714-899+185=0
Назначаем характерные точки 1,2,2’,3 и 4 и определяем в них изгибающие моменты:
М>1у>=0;
М>2у>= R>А>>y>·а;
М>2у>=714·0,058;
М>2у> =41,4Нм;
М>2’у>= М>2у>- m>а>(слева);
М>2’у>=41,4-30,7;
М>2’у> =10,7Нм;
М>3у>=0;
М>4у>=0;
Строим эпюру изгибающих моментов М>у>, Нм (рис.6)
Рассматриваем горизонтальную плоскость (ось х)
1m>Ах>=0;

Рис.6 Эпюры изгибающих и крутящих моментов ведомого вала.
F>М>·(a+b+с)-R>Вх>·(a+b)- F>t>·a=0;
972·(0,058+0,058+0,094)-R>Вх>·(0,058+0,058)-2431·0,058=0;
R>Вх>=(204.12-141)/0,116;
R>Вх>=544,13Н
R>Вх>544Н
2m>Вх>=0;
-R>Ах>·(a+b)+F>t>·b+F>м>·с= 0;
R>Ах>=(24310,058+9720,094)/0,116;
R>Ах>=2003,15Н
R>Ах>2003Н
Проверка
m>Кх>=0;
-R>Ах>+ F>t>- F>м>+R>Вх>=-2003+2431-972+544=0
Назначаем характерные точки 1,2,2’,3 и 4 и определяем в них изгибающие моменты:
М>1х>=0;
М>2х>= -R>Ах>·а;
М>2х>=-2003·0,058:
М>2х>=-116,2Нм;
М>3х>=- F>м> ·с;
М>3х>=-972·0,094;
М>3х>=-8,65Нм
М>4х>=0;
Строим эпюру изгибающих моментов М>х>.
Крутящий момент
Т>I-I>=0;
Т>II-II>=T>1>=F>t>·d/2;
Т>II>>->>II>=243118710-3/2;
Т>II>>->>II>=227,3Нм
5 Расчет быстроходного вала редуктора
5.1 Исходные данные
Исходные данные выбираем из табл.1 и табл.2 с округлением до целых чисел:
Н;
Н;
Н.
;
Н;
Т>3>=212,2Н;
d=63мм;
b=44мм.
Схема усилий, действующих на валы редуктора приведена на рис.3.
5.2 Выбор материала вала
Назначаем материал вала. Принимаем сталь 45 с пределом прочности σ>в> = 700МПа
[1,c.34, табл.3.3].
Определяем пределы выносливости материала вала при симметричном цикле изгиба и кручения
[1,c.162]
[1,c.164]
;
МПа;
;
.
5.3 Определение диаметров вала
Определяем диаметр выходного конца вала под полумуфтой из расчёта на чистое кручение по формуле (4.1):
;
мм.
Согласовываем d>в> с диаметром муфты упругой втулочной пальцевой МУВП, для этого определяем расчетный момент, передаваемый муфтой по формуле (4.2):
Т>р3>=Т>3>К
где К – коэффициент, учитывающий условия эксплуатации привода.
К=1,3…1,5 [1,c.272, табл.11.3]
Принимаем К=1,5
Подставляя в формулу (4.2) находим:
Т>р3>=2191,5;
Т>р3>=328,5Нм.
Необходимо соблюдать условие (4.3)
Т>р3><[T]
где [Т] – допускаемый момент, передаваемый муфтой.
В нашем случае необходимо принять [Т] 500Ни [1,c.277, табл.11.5]
Тогда принимаем окончательно
d>м2>=40мм;
l>м2>=82мм. (Длина полумуфты) Тип 1, исполнение 2.
Проверяем возможность соединения валов стандартной муфтой
;
;
мм.
Так как
соединение
валов стандартной муфтой возможно.
Принимаем окончательно с учетом стандартного ряда размеров R>а>40:
мм.
Намечаем приближенную конструкцию ведомого вала редуктора (рис.7), увеличивая диаметр ступеней вала на 5…6мм, под уплотнение допускается на 2…4мм.

Рис.7 Приближенная конструкция ведущего вала
мм;
мм
– диаметр под уплотнение;
мм
– диаметр под подшипник;
мм
– диаметр под колесо.
5.4 Определение возможности изготовления вала-шестерни
Определяем размер х (рис.8)
(5.1)

Рис.8 Схема для определения размера х
По ГОСТ23360-78 для диаметра 45мм предварительно выбираем шпонку сечением bh=149мм. Подставив в формулу (5.1) значения получим
;
мм,
так как размер получился отрицательный, значит изготовление вала и шестерни отдельно невозможно. Определяем размеры вала-шестерни (рис.9).

Рис.9 Приближенная конструкция вала-шестерни
мм;
мм
– диаметр под уплотнение;
мм
– диаметр под подшипник;
мм
– диаметр технологического перехода;
мм – диаметр впадин зубьев;
мм – диаметр вершин зубьев;
мм
– делительный диаметр.
5.5 Эскизная компоновка вала-шестерни
Назначаем предварительно
подшипники шариковые радиальные
однорядные средней серии по
мм
подшипник №308, у которого D>п>=90мм;
В>п>=23мм
[1,c.394,
табл.П3].
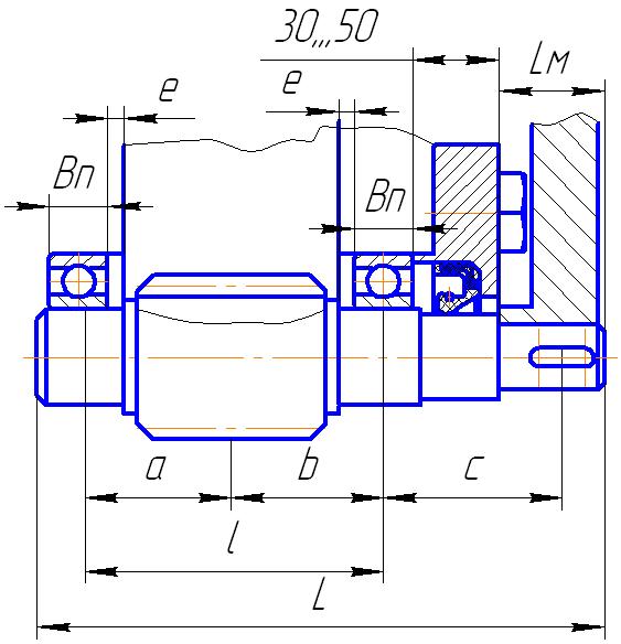
Выполняем эскизную компоновку вала редуктора. Необходимо определить длину вала L и расстояния от середины подшипников до точек приложения нагрузок a, b и с (рис.10).
l=(0,8…1)d>а> – расстояние между серединами подшипников;
l=(0,8…1)67; принимаем l=60мм;
а=b=l/2;
а=b=30мм;
(30…50)мм - расстояние от торца подшипника до торца полумуфты.
Принимаем 40мм.
с= Вп/2+40+lм/2;
с=23/2+40+82/2;
с=93,5мм
Принимаем с=94мм.
L=Вп/2+a+b+c+ lм/2;
L=23/2+30+30+94+82/2;
L=206,5мм;
Принимаем L=210мм.

Рис.10 Эскизная компоновка вала-шестерни
5.6 Расчет вала-шестерни на изгиб с кручением.
Заменяем вал балкой на опорах в местах подшипников.
Рассматриваем вертикальную плоскость (ось у)
Изгибающий момент от осевой силы Fа будет:
m>а>=[Fad/2]:
m>а>=164·6310-3/2;
m>а>=5,2Нм.
Определяем реакции в подшипниках в вертикальной плоскости.
1m>Ау>=0
-R>By>·(a+b)+F>r>·a- m>а>=0
R>By>=(F>r>·а- m>а>)/ (a+b);
R>By>= (899·0,03-5,2)/ 0,06;
R>By>==362,8Н
Принимаем R>By>=363Н
2m>Ву>=0
R>А>>y>·(a+b)-F>r>·b- m>а>=0
R>А>>y>==(F>r>·b+ m>а>)/ (a+b);
R>А>>y> =(899·0,03+5,2)/ 0,06;
R>А>>y> =536,16Н
Принимаем R>А>>y>=536Н
Проверка:
F>Ку>=0
R>А>>y>- F>r>+ R>By>=536-899+363=0
Назначаем характерные точки 1,2,2’,3 и 4 и определяем в них изгибающие моменты:
М>1у>=0;
М>2у>= R>А>>y>·а;
М>2у>=536·0,03;
М>2у> =16,1Нм;
М>2’у>= М>2у>- m>а>(слева);
М>2’у>=16,1-5,2;
М>2’у> =10,9Нм;
М>3у>=0;
М>4у>=0;
Строим эпюру изгибающих моментов М>у>, Нм (рис.11)
Рассматриваем горизонтальную плоскость (ось х)
1m>Ах>=0;
F>М>·(a+b+с)-R>Вх>·(a+b)- F>t>·a=0;
972·(0,03+0,03+0,094)-R>Вх>·(0,03+0,03)-2431·0,03=0;
R>Вх>=(149,7-72,9)/0,06;
R>Вх>=1279,3Н
R>Вх>1279Н
2m>Вх>=0;
-R>Ах>·(a+b)+F>t>·b+F>м>·с= 0;
R>Ах>=(24310,03+9720,094)/0,06;
R>Ах>=2738,3Н
R>Ах>2738Н
Проверка
m>Кх>=0;
-R>Ах>+ F>t>- F>м>+R>Вх>=-2738+2431-972+1279=0
Назначаем характерные точки 1,2,2ё’,3 и 4 и определяем в них изгибающие моменты:
М>1х>=0;
М>2х>= -R>Ах>·а;
М>2х>=-2738·0,03:

Рис.11 Эпюры изгибающих и крутящих моментов вала-шестерни
М>2х>=-82,2Нм;
М>3х>=- F>м> ·с; М>3х>=-972·0,094; М>3х>=-8,65Нм
М>4х>=0;
Строим эпюру изгибающих моментов М>х>.
Крутящий момент
Т>I>>->>I>=0;
Т>II>>->>II>=T>1>=F>t>·d/2; Т>II>>->>II>=24316310-3/2; Т>II>>->>II>=76,6Нм
6 Подбор подшипников быстроходного вала
Исходные данные
n>2>=n>II>=481,5мин-1;
d>п2>=40мм;
R>А>>y>=536Н;
R>Ах>=2738Н;
R>By>=363Н;
R>Вх>=1279Н;
Н.
Определяем радиальные нагрузки, действующие на подшипники
;
; 
Здесь подшипник 2 – это опора А в сторону которой действует осевая сила F>а> (см. рис.11).
;
; 
Назначаем тип подшипника, определив отношение осевой силы к радиальной силе того подшипника, который ее воспринимает (здесь подшипник 2)
;
;
Так как соотношение меньше 0,35, то назначаем шариковый радиальный однорядный подшипник легкой серии по d>п2>=40мм [1,c.217, табл.9.22].
Подшипник № 208, у которого:
D>n>>1>=80мм;
В>n>>1>=18мм;
С>0>=17,8кН – статическая грузоподъемность;
С=32кН – динамическая грузоподъемность. [1,c.393, табл.П3].
Определяем коэффициент осевого
нагружения по отношению
.
;
;
При
е=0,19
[1,c.212,
табл.9.18].
Так как меньших значений отношения
нет ориентировочно считаем е=0,15
Проверяем выполнение неравенства
;
где V – коэффициент вращения, при вращении внутреннего кольца V=1.
.
Определяем номинальную долговечность подшипников в часах
[1,c.211]; (6.1)
F>э>=VF>r2>K>>K>τ>; [1,c.212];
где K>> - коэффициент безопасности;
K>> =1,3…1,5 [1,c.214, табл.9.19];
принимаем K>> =1,5;
K>τ> – температурный коэффициент;
K>τ> =1 (до 100ºС) [1,c.214, табл.9.20];
F>э>=127901,51; F>э>=4185Н=4,185кН.
Подставляем в формулу (6.1):
;
ч.
По условию срок службы редуктора – 4 года в две смены. Исходя из того, что в году 260 рабочих дней имеем:
L>зад>=260824; L>зад>=16640ч:
L>зад>>L>h>.
Необходимо выбрать подшипник средней серии по d>п2>=40мм [1,c.217, табл.9.22].
Подшипник № 308, у которого:
D>n>>1>=90мм;
В>n>>1>=23мм;
С>0>=22,4кН – статическая грузоподъемность;
С=41кН – динамическая грузоподъемность.
Подставляем в формулу (6.1):
;
ч.
Сейчас условие L>зад><L>h> выполняется.
7 Подбор подшипников тихоходного вала
Исходные данные
n>3>=n>III>=160,5мин-1;
d>п3>=40мм;
R>А>>y>=714Н;
R>Ах>=2003Н;
R>By>=185Н;
R>Вх>=544Н;
Н.
Определяем радиальные нагрузки, действующие на подшипники
;
; 
Здесь подшипник 2 – это опора А в сторону которой действует осевая сила F>а> (см. рис.6).
;
; 
Назначаем тип подшипника, определив отношение осевой силы к радиальной силе того подшипника, который ее воспринимает (здесь подшипник 2)
;
;
Так как соотношение меньше 0,35, то назначаем шариковый радиальный однорядный подшипник легкой серии по d>п3>=40мм [1,c.217, табл.9.22].
Подшипник № 208, у которого:
D>n>>2>=80мм;
В>n>>2>=18мм;
С>0>=17,8кН – статическая грузоподъемность;
С=32кН – динамическая грузоподъемность. [1,c.393, табл.П3].
Определяем коэффициент осевого
нагружения по отношению
.
;
;
При
е=0,19
[1,c.212,
табл.9.18].
Так как меньших значений отношения
нет ориентировочно считаем е=0,15
Проверяем выполнение неравенства
;
где V – коэффициент вращения, при вращении внутреннего кольца V=1.
.
Определяем номинальную долговечность подшипников в часах
[1,c.211]; (6.1)
F>э>=VF>r2>K>>K>τ>; [1,c.212];
где K>> - коэффициент безопасности;
K>> =1,3…1,5 [1,c.214, табл.9.19];
принимаем K>> =1,5;
K>τ> – температурный коэффициент;
K>τ> =1 (до 100ºС) [1,c.214, табл.9.20];
F>э>=121261,51; F>э>=3189Н=3,189кН.
Подставляем в формулу (6.1):
;
ч.
Условие L>зад><L>h> выполняется.
8 Подбор и проверочный расчет шпонки быстроходного вала
Выбор и проверочный расчет шпоночных соединений проводим по [4].

Рис.12 Сечение вала по шпонке
Для выходного конца быстроходного вала при d=34 мм подбираем призматическую шпонку со скругленными торцами bxh=10x8 мм2 при t=5мм (рис.12).
При длине ступицы муфты l>М>=82 мм выбираем длину шпонки l=70мм.
М
атериал
шпонки – сталь 45 нормализованная.
Напряжения смятия и
условия прочности определяем по формуле:
где Т – передаваемый момент, Нмм; Т>II>=76,7Н
l>р> – рабочая длина шпонки, при скругленных концах l>р>=l-b,мм;
[]>см> – допускаемое напряжение смятия.
С учетом того, что на выходном конце быстроходного вала устанавливается полумуфта из ст.3 ([]>см>=110…190 Н/мм2) вычисляем:
У
словие
выполняется.
9 Подбор и проверочный расчет шпонок тихоходного вала
Для выходного конца тихоходного вала при d=34 мм подбираем призматическую шпонку со скругленными торцами bxh=10x8 мм2 при t=5мм. Т>II>=218,7Н
При длине ступицы муфты l>М>=82 мм выбираем длину шпонки l=70мм.
С учетом того, что на выходном конце быстроходного вала устанавливается полумуфта из ст.3 ([]>см>=110…190 Н/мм2) и Т>III>=218,7Н вычисляем:

Условие выполняется.
Для соединения тихоходного вала со ступицей зубчатого колеса при d=45 мм подбираем призматическую шпонку со скругленными торцами bxh=14x9 мм2 при t=5,5мм. При l>ст>=50 мм выбираем длину шпонки l=40мм.
Материал шпонки – сталь 45 нормализованная. Проверяем напряжения смятия и условия прочности с учетом материала ступицы чугуна СЧ20 ([]>см>=70…100 МПа) и Т>III>=218,7Н:
У
словие
выполняется.
Выбранные данные сведены в табл.3.
Таблица 3
Параметры шпонок и шпоночных соединений
|
Параметр |
Вал-шестерня - полумуфта |
Вал-полумуфта |
Вал-колесо |
|
Ширина шпонки b,мм |
10 |
10 |
14 |
|
Высота шпонки h,мм |
8 |
8 |
9 |
|
Длина шпонки l,мм |
70 |
70 |
40 |
|
Глубина паза на валу t,мм |
5 |
5 |
5,5 |
|
Глубина паза во втулке t>1>,мм |
3,3 |
3,3 |
3,8 |
10 Выбор системы и вида смазки.
Скорость скольжения в зацеплении V>S> = 1.59 м/с. Контактные напряжения >Н >= 482,7 Н/мм2. По таблице 10.29 из [3] выбираем масло И-Т-Д-680.
Используем картерную систему смазывания. В корпус редуктора заливаем масло так, чтобы венец зубчатого колеса был в него погружен на глубину h>м >(рис.12):

Рис.13 Схема определения уровня масла в редукторе
h>м >>max> 0.25d>2 >= 0.25183 = 46мм;
h>м >>min>> >= 2m = 22 = 4мм.
При вращении колеса масло будет увлекаться его зубьями, разбрызгиваться, попадать на внутренние стенки корпуса, откуда стекать в нижнюю его часть. Внутри корпуса образуется взвесь частиц масла в воздухе, которым покрываются поверхности расположенных внутри корпуса деталей, в том числе и подшипники.
Объем масляной ванны
V = 0.65P>II> = 0.653,866 = 2.5 л.
Контроль уровня масла производится пробками уровня, которые ставятся попарно в зоне верхнего и нижнего уровней смазки. Для слива масла предусмотрена сливная пробка. Заливка масла в редуктор производится через съемную крышку.
И для вала-шестерни, и для зубчатого колеса выберем манжетные уплотнения по ГОСТ 8752-79. Установим их рабочей кромкой внутрь корпуса так, чтобы обеспечить к ней хороший доступ масла.
11 Сборка редуктора
Для редуктора принимаем горизонтальную конструкцию разъемного корпуса, изготовленного литьем из серого чугуна СЧ15. Устанавливаем зубчатую пару с подшипниками. Для предотвращения задевания поверхностей вращающихся колес за внутренние стенки корпуса внутренний контур стенок провести с зазором х=8…10мм [3]; такой же зазор предусмотреть между подшипниками и контуром стенок. Расстояние между дном корпуса и поверхностью колес принимаем у4х; у(32…40)мм
Для малонагруженных редукторов (Т>2>500Нм) определяем толщины стенок крышки и основания корпуса

;
мм,
принимаем
мм.
Для крепления крышек подшипников в корпусе и крышке предусматриваем фланцы. Крышки торцовые для подшипников выбираем по табл.143 (глухие) и 144 (с отверстием для манжетного уплотнения) [2, т.2, с.255].
Для быстроходного вала:
крышка торцовая глухая типа 2 исполнения 2 диаметром D=90мм ГОСТ18511-73;
крышка торцовая с отверстием для манжетного уплотнения типа 1 исполнения 2 диаметром D=90мм ГОСТ18512-73.
Для тихоходного вала:
крышка торцовая глухая типа 2 исполнения 2 диаметром D=80мм ГОСТ18511-73;
крышка торцовая с отверстием для манжетного уплотнения типа 1 исполнения 2 диаметром D=80мм ГОСТ18512-73.
Прорисовываем корпус и крышку редуктора с учетом рекомендаций [3.с.219].
Устанавливаем верхнюю крышку на винты и закручиваем пробки.
Список использованной литературы
С.А. Чернавский и др. «Курсовое проектирование деталей машин» М. 1987г.
Анурьев В.И. Справочник конструктора-машиностроителя: В 3 т. -8-е изд. перераб. и доп. Под ред. И.Н. Жестковой. – М.: Машиностроение, 1999
Шейнблит А.Е. Курсовое проектирование деталей машин: Учеб. пособие. – М.: Высш. шк., 1991
Чернин И.М. и др. Расчеты деталей машин. – Мн.: Выш. школа, 1978