Расчет и проектирование привода (редуктор) с клиноремённой передачей
Содержание
1. Задание по курсовому проектированию...........................................3
2. Введение..............................................................................................4
3. Расчет ременной передачи.................................................................6
4. Расчет редуктора.................................................................................8
5. Расчет валов
а) Быстроходный вал.........................................................................12
б) Тихоходный вал.............................................................................18
6. Выбор подшипников..........................................................................23
7. Выбор шпонок....................................................................................26
1.Задание по курсовому проектированию.
Разработать редуктор для передачи крутящего момента от электродвигателя к рабочей машине через муфту и клиноременную передачу.
Тип электродвигателя RA160L4;
Мощность двигателя Р>дв> = 15кВт;
Число оборотов в минуту n>дв> = 1460 об/мин;
Тип ременной передачи – клиноременная,
Редуктор – цилиндрический косозубый;
Передаточное число ременной передачи U>рем> = 2,8;
Передаточное число редуктора U>ред> = 5,6;
КПД редуктора η>ред> = 0,97;
КПД муфты η>муф> = 0,97;
КПД ременной передачи η>рем.пер>. = 0,94;
Время работы привода L = 15000 часов.
Режим работы – двухсменный.
Схема привода.
Электродвигатель асинхронный — клиноременная передача — редуктор.
Рабочая машина;
Клиноременная передача;
Редуктор;
Муфта;
Электродвигатель.

2. Введение.
Редуктором называют зубчатый, червячный или зубчато-червячный передаточный механизм, выполненный в закрытом корпусе и предназначенный для понижения угловой скорости, а, следовательно, повышения вращающего момента. Механизмы для повышения угловой скорости, выполненные в виде отдельных агрегатов, называются мультипликаторами. В редукторах обычно применяют зубчатые колеса с эвольвентным зацеплением, иногда используют зацепление М.Л.Новикова.
Редуктор проектируется для привода данной машины или по заданной нагрузке и передаточному числу без указания конкретного назначения.
Редуктора классифицируют:
По виду передач – на цилиндрические с параллельными осями валов; конические с перекрещивающимися осями валов; червячные с перекрещивающимися осями валов; комбинированные конически-цилиндрические; зубчато-червячные и другие.
По числу пар – одноступенчатые цилиндрические с прямозубыми колесами с
u 7 , с косозубыми или шевронными колесами при u10 и Р50 кВт; одноступенчатые конические с прямыми, косыми и криволинейными зубьями при u 5 и Р 100кВт; одноступенчатые червячные при u = 8...80 и Р 50кВт; многоступенчатые.
Зубчатая передача, оси валов которой пересекаются, называется конической. Конические зубчатые колеса изготавливают с прямыми, косыми и криволинейными зубьями и применяют там, где возникает необходимость передачи момента с одного вала к другому с пересекающимися осями. Конические зубчатые редуктора проектируют сравнительно небольших мощностей, так как консольное расположение шестерни на валу при значительных силах в зацеплении приводит к большим деформациям, нарушающим точность зацепления и нормальную работу передачи. Иногда применяют конические передачи, в которых шестерня расположена между опорами, а не консольно. Такая конструкция сложнее и дороже.
3.Рассчет ременной передачи.
Рассчитываем момент на ведущем валу
Т>вед> = Т>эд> = Р>эд>∙103 ∙30/π n>дв>
Т>вед> = 15∙103∙30/π∙1460 =100 Н∙м
Выберем диаметр ведущего шкива.
Пусть D>1> = 140 мм.
Рассчитаем скорость ремня:
υ = π D>1> n>дв> /60∙103
υ = π∙140∙1460/(60∙103) = 11 м/с
По мощности двигателя
Р>дв> = 15кВт и n>дв> = 1460 об/мин
Выбираем стандартный тип ремня:
тип Б;
Рассчитываем диаметр ведомого шкива:
D>2> = D>1>∙ U>рем> (1-ξ)
D>2> = 140∙2,8 (1-0,01) = 388 мм
Выбираем ближайшее значение из нормального ряда чисел:
D>2> = 400 мм
Рассчитываем фактическое передаточное число ременной передачи:
U>факт> = D>2> / D>1>(1-ξ)
U>факт> = 400/140(1-0,01) = 2,89
Рассчитываем межосевое расстояние:
Примем его равным D>1>+D>2> = 140+400 = 540 мм.
Длина ремня:
L>р> = 2 а + π (D>1>+D>2> )/2 + (D>2>- D>1>)2/4 а
L>р> = 2∙540 + π/2∙(140+400) + 2602/4∙(140+400) = 1959,53 мм
Выбираем ближайшее из нормального ряда чисел:
L>р> = 2000 мм
Тогда уточняем межосевое расстояние по стандартной длине:
а = (2L - π (D>1>+D>2> ) + [(2L - π (D>1>+D>2> ))2 – 8(D>2>- D>1>)2]1/2)/8
а = (2∙ 2000 – 3,14(140+400) + [(2∙2000 – 3,14 (140+400))2 – 8(140+400)2]1/2)/8 = 540,24 мм=
= 540 мм
Определяем угол обхвата ремня:
α = 180 – (D>1>-D>2>) ∙ 57°/a
α = 180 – 260∙ 57°/540 = 152,56° ≈ 150°. Значит, коэффициент угла обхвата, соответствующий углу обхвата равному 150° Сα = 0,92
Коэффициент, учитывающий длину ремня:
L>р>/ L>0> = 2000/2240 = 0,89 C>L> = 0,98
Коэффициент режима работы при двусменном режиме работы:
С>реж> = 1,38
Мощность, передаваемая при стандартных условиях ремнем Б, длиной
L>0> = 2240 мм P>0> = 2,90 кВт.
Допустимая нагрузка на ремень:
Р>допуст> = Р>0> Сα С>L>/ С>реж>
Р>допуст> = 2,90∙ 0,92∙0,98/1,38 = 1,9 кВт
Определение числа ремней:
Z = Р>дв>/Р>допуск> С>z>,
где С>z> = 0,9
Z = 15/1,9 ∙0,9 = 8,7.
Берем Z = 9
Усилие, действующее со стороны ременной передачи
F>P> = 1,7 ∙ Р>дв>∙103∙С>реж>∙sin(α>рем>/2)/ υ>ремня> ∙ С>α>∙С>z> = 3635 Н,
где
Р>дв> = 15 кВт
С>реж> = 1,38
α>рем> = 152,56˚
υ>ремня> = 11 м/с
С>α> = 0,95
С>z> = 0,9
Проверочный расчет:
4. Расчет редуктора.
|
Сталь 40Х. Термообработка. Улучшенная. |
|||
|
Шестерня |
НВ>1> = 270 НВ |
σ>в> = 900н/мм2, |
σ>г> =750 н/мм2 |
|
Колесо |
НВ>2> = 240 НВ |
σ>в> = 780н/мм2, |
σ>г> =540 н/мм2 |
Определяем число оборотов валов:
Ведущий вал:
n>1> = n>дв>/U>рем>
n>1> = 1460/2,8 = 505 об/мин
Ведомый вал:
n>2> = n>1>/U>ред>
n>2> = 505/5,6 = 90 об/мин
Определяем базовое число циклов:
N>НО1> = 30∙ НВ>1>2,4
N>НО2> = 30∙ НВ>2>2,4
N>НО1> = 30∙ 2702,4 = 20∙106 циклов
N>НО2> = 30∙2402,4 = 15∙106 циклов
Предельное напряжение при базовом числе циклов:
σ>н>>limb>>1 >= 2∙НВ>1> + 70
σ>н>>limb>>2 >= 2∙НВ>2> + 70
σ>н>>limb>>1 >= 2∙270 + 70 = 610 н/мм2
σ>н>>limb>>2 >= 2∙240 + 70 = 550 н/мм2
Число циклов нагружения:
N>НЕ1> = 60∙ n>1>∙L>1>
N>НЕ2> = >НЕ1>/ U>ред>
N>НЕ1> = 60∙ n>1>∙L>1> = 60∙505∙15000 = 60,6∙106 циклов
N>НЕ2> = N>НЕ1>/ U>ред> = 60,6/5,6 = 10,8∙106 циклов
Коэффициент долговечности:
К>HL> = 1, т.к. N>НЕ >> N>НО>
Предельное напряжение:
σ>н>>lim>>1> = σ>н>>limb>>1>∙ К>HL>
σ>н>>lim>>2> = σ>н>>limb>>2>∙ К>HL> ∙
σ>н>>lim>>1> = 610∙1 = 610 н/мм2
σ>н>>lim>>2> = 550∙1 = 550 н/мм2
Допускаемое напряжение:
σ>НР1> = 0,9 ∙ σ>н>>lim>>1>/ Sн
σ>НР2> = 0,9 ∙ σ>н>>lim>>2>/ Sн
σ>НР> = 0,45 (σ>НР1 >+ σ>НР2>)
σ>НР>>min> = σ>НР2>
σ>НР1> = 0,9∙610/1,1 = 499,1 ≈ 500 Н∙м
σ>НР2> = 0,9∙550/1,1 = 450 Н∙м
σ>НР> = 0,45 (500> >+ 450) = 225,45 Н∙м
σ>НР>>min> = σ>НР2> = 450 Н∙м
Рассчитываем межцентровое расстояние зубчатой передачи:
а>w> = Ка (U>ред> + 1) [Т>1> К>нβ>/ψ>ва>U>ред> σ>НР>2]1/3
Ка = 430 – коэффициент межцентрового расстояния
Т>1> = 270 Н∙м
ψ>ва> = ψ>в>>d> ∙2/(U>ред> + 1) – коэффициент отношения ширины зуба к межцентровому расстоянию.
ψ>в>>d> = 1 К>нβ> = 1,05 – коэффициент отношения ширины зуба к диаметру.
Тогда, следовательно,
ψ>ва> = 0,303
а>w> = 430 (5,6 + 1) [270∙ 1,05/(0,303∙5,6∙4502)]1/3 = 266,18 мм
Выбираем из нормального ряда чисел по ГОСТ 2144 – 76:
а>w>> >= 315 мм
а>w>> >= (Z>1>+Z>2>)m>n>/2 cosβ
Примем β = 10°
Определяем модуль зацепления
m>n>= 2 а>w>> >cosβ/Z>1> (1+U>ред>)
Определяем числа и угол наклона зубьев, предварительно задав угол наклона
Примем β = 10°
Возьмем Z>1> = 20 зубьев.
Тогда
m>n>= 2∙315> >cos10/(20∙ (1+5,6)) = 4,7 мм
Выбираем из нормального ряда чисел для модуля зацепления, беря меньший по значению:
m>n>= 4,5 мм
Найдем суммарное число зубьев
(Z>1>+Z>2>) = 2 а>w>> >cosβ/ m>n>> >
(Z>1>+Z>2>) = 2 315> >cos10/ 4,5> >= 138 зубьев
Тогда:
Z>1> = (Z>1>+Z>2>)/ (1+U>ред>)
Z>2> = (Z>1>+Z>2>) - Z>1>
Z>1> = 138/ (1+5,6) = 21
Z>2> = 138 – 21 = 117 зубьев.
Найдем фактическое передаточное число редуктора:
U>ред. факт> = Z>2>/ Z>1> = 117/21 = 5,57
U>ред. факт> = 117/21 = 5,57
Найдем косинус угла наклона зубьев:
Cosβ = (Z>1>+Z>2>)m>n> / 2 а>w>
Cosβ = 138∙4,5 / 2∙315= 0,9857
Считаем:
d>1> = m>n> Z>1>/ cosβ
d>2> = m>n> Z>2>/ cosβ
d>1> = 4,5∙21/ 0,9857 = 95,87 мм
d>2> = 4,5∙117/ 0,9857 = 534,13 мм
Проверка:
d>1> + d>2> = 95,87+534,13 = 630 мм = 2 а>w> . Верно.
Тогда ширина колес:
b>2> = ψ>ва> а>w>
b>1> = b>2> + (2..4) m>n>
b>2> = 0,303∙315 = 95,445 ≈ 95 мм
b>1> = 95 + 2 ∙ 4,5 = 104 мм
Проверка:
b>2> ∙ sinβ≥4m>n>
95 ∙ sinβ≥4∙4,5
16,800≥18
Неверно. Следовательно, нужно изменить m>n> или угол β.
Возьмем m>n>=4,0 мм
Найдем суммарное число зубьев:
(Z>1>+Z>2>) = 2 а>w>> >cosβ/ m>n>> >
(Z>1>+Z>2>) = 2 315> >cos10/ 4,0> >= 155 зубьев
Тогда:
Z>1> = (Z>1>+Z>2>)/ (1+U>ред>)
Z>2> = (Z>1>+Z>2>) - Z>1>
Z>1> = 155/ (1+5,6) = 23 зуба
Z>2> = 155-23 = 132 зуба
Найдем фактическое передаточное число редуктора:
U>ред. факт> = Z>2>/ Z>1>
U>ред. факт> =132/23 = 5,74
Найдем косинус угла наклона зубьев:
Cosβ = (Z>1>+Z>2>)m>n> / 2 а>w>
Cosβ = 155∙4,0/ 2∙315= 0,9841;
Тогда:
β = 10,23˚
Считаем:
d>1> = m>n> Z>1>/ cosβ
d>2> = m>n> Z>2>/ cosβ
d>1> = 4,0∙23/ 0,9841= 93,48 мм
d>2> = 4,0∙132/0,9841= 536,52 мм
Проверка: d>1> + d>2> = 93,48+536,52 = 630 мм = 2 а>w> . Верно.
Тогда ширина колес:
b>2> = ψ>ва> а>w>
b>1> = b>2> + (2..4) m>n>
b>2> = 0,303∙315 = 95,445 ≈ 95 мм
b>1> = 95 + 2∙4,0 = 103 мм ≈ 100 мм
Проверка:
b>2> ∙ sinβ≥4m>n>
95∙sinβ≥4∙4
16,873≥16 Верно.
Определяем диаметры вершин зубьев d>a> и впадин d>f> зубчатых колес:
d>a> = d + 2∙ m>n>
d>f> = d – 2,5∙ m>n>
d>a1> =93 + 2∙ 4 = 101 мм
d>a2> = 537 + 2∙ 4 = 545 мм
d>f1> = 93 – 2,5∙ 4 = 83 мм
d>f>>2> = 537 – 2,5∙ 4 = 527 мм
5. Расчет валов:
5.1 Быстроходный вал.

Так как d>f>>1> = 83 мм – принимаем вал-шестерню.
Момент на ведущем валу:
Т>1> = Т>дв>∙ U>факт>∙ η>рем.пер>
Т>1> = 100∙2,89∙0,94 = 271,66 Н м ≈ 270 Н∙м
Проведем подборку диаметров составляющих вала:
d = (T>1>∙103/0,2[τ])1/3
d = (270∙103/0,2∙10)1/3 = 51,3 мм.
Выбираем из стандартного ряда чисел:
d = 50 мм
d>1 >= d>1>+ (4..5) мм = 55 мм
d>п >≥ d>2>+ (4..5) мм = 60 мм
d>2 >= d>п>+ 5 мм = 65 мм
d>4 >= d>3>+ (6..10) мм = 75 мм
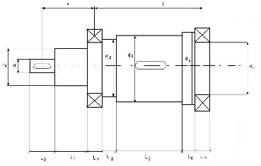
Проведем подборку длин составляющих вала:
L>0> = (1,6..2) d = 100 мм
L>1> = 20..25 мм = 25 мм
L>п> ≈ 0,5 d>п> = 30 мм
L>2> = 10..12 мм = 12 мм
L>3> = b>2> = 95 мм
L>4> = L>2> = 12 мм
L>5> = L>1> = 25 мм
Тогда:
L = 149 мм
а = 90 мм
Расчет зубчатой пары: (Расчет вала на прочность)
Окружная сила
F>t> = 2T>1>∙103/d>1>
F>t>> >= 2∙270∙103/55 = 9818 Н
Осевое усилие
F>a> = F>t> ∙ tg β
F>a> = 9818 ∙ tg 10,23 = 1771 Н
Радиальная нагрузка
F>r> = F>t> ∙ tg α / cosβ
F>r> = 1771∙tg20/cos10,23 = 655 Н
Рассчитываем число оборотов первого (быстроходного) вала редуктора:
n>вед (быстроходный вал редуктора)> = n>дв>/ U>факт>
n>вед (быстроходный вал редуктора)> = 1460/2,89 = 505 об/мин
Построение эпюр:















l


Rb>A> = 0,5∙ F>r> + F>a>∙d>1>/2L
Rb>B> = 0,5∙ F>r> - F>a>∙d>1>/2L
Rb>A> = 0,5∙655 + 1771∙50/2∙149 = 333,44 Н
Rb>B> = 0,5∙655 – 1771∙50/2∙149 = 321,56 Н
Проверка: Rb>A> + Rb>B> - F>r> = 0
333,44+321,56 – 655 = 0 Верно.
М>1> = Rb>A>∙ L/2
М = Rb>B> ∙ L/2
М>1> = 333,44∙149/2∙1000 = 24,84 Н∙м
М = 321,56∙149/2∙1000 = 23,96 Н∙м
М>1> = 333,44∙149/2∙1000 = 24,84 Н∙м
М = 321,56∙149/2∙1000 = 23,96 Н∙м












RГ>А> = RГ>В> = 0,5∙F>t>
М>2> = F>t>∙ L/4
RГ>А> = RГ>В> = 0,5∙ 9818 = 4909 H
М>2> = 9818∙149/4∙1000 = 365,72 Н∙м
Проверка: RГ>А> + RГ>В> - F>t> = 0
4909 + 4909 – 9818 = 0 Верно.














а 


R>AP> = F>P>∙ (L + a)/L
R>BP> = F>P>∙ a/L
M>P> = F>P>∙ a
R>AP> = 3635∙ (149 + 90)/149 = 5831 H
R>BP> = 3635∙ 90/149 = 2196 H
M>P> = 3635∙90/1000 = 327,15 Н∙м
Рассчитаем общий момент:
M>ОБЩ> = [(M>1>)2 + (M>2>)2]1/2
M>ОБЩ> = [(24,84)2 + (365,72)2]1/2 = 366,56 Н∙м
Проверочный расчет ведущего вала.
Сталь 40х улучшенная.
Шестерня НВ>1> = 270 НВ σ>в> = 900н/мм2, σ>г> =750 н/мм2
Колесо НВ>2> = 240 НВ σ>в> = 780н/мм2, σ>г> =540 н/мм2
Коэффициент запаса для нормальных напряжений:
n>σ> = σ>-1>/(K>σ>>p>∙ σ>a> + ψ>σ>∙ σ>m>),
где σ>-1> – предел выносливости гладкого образца при симметричном цикле напряжений изгиба. σ>-1> = 410 МПа
σ>a> – амплитуда номинальных напряжений изгиба, σ>a> ≈ М>ОБЩ>/0,1d>п>3 = 64,1 МПа
σ>m> – среднее значение номинального напряжения, σ>m> = 0.
K>σ>>p> – эффективный коэффициент концентрации напряжений для детали.
БЕРЕМ ИЗ ТАБЛИЦЫ 3,5
Тогда:
n>σ> = 410/(3,5∙ 64,1) = 1,83
Коэффициент запаса для касательных напряжений:
n>τ> = τ>-1>/(K>τ>>p>∙ τ>a> + ψ>τ>∙ τ>m>),
где τ> -1> – предел выносливости гладкого образца при симметричном цикле напряжений кручения. τ> -1> = 240 МПа
τ>a> – амплитуда номинальных напряжений кручения,
τ>m> – среднее значение номинальных напряжений, τ>a> = τ>m> = 1/2∙τ = 10,1
K>τ>>p> – эффективный коэффициент концентрации напряжений для детали.
БЕРЕМ ИЗ ТАБЛИЦЫ 2,5
ψ>τ> = 0,1
Тогда:
n>τ> = 240/(2,5∙10,1 + 0,1∙ 10,1) = 9,21
Общий коэффициент запаса прочности на совместное действие изгиба и кручения:
n = n>σ> ∙ n>τ> /[ (n>σ>)2 + (n>τ>)2]1/2
n = 1,83∙9,21 /[1,832 + 9,212]1/2 = 1,81
Проверка соблюдения условия прочности:
n>min> ≥ [n], где [n] = 1,5..3,5
1,81≥ 1,5
5.2 Тихоходный вал.

Проведем подборку диаметров составляющих вала:
Момент на тихоходном валу:
T>2> = T>1>∙U>ред>∙η>ред> = 270∙5,6∙0,97 = 1466,64 Н∙м ≈ 1500 Н∙м
d = (T>2>∙103/0,2[τ])1/3 = (1500∙103/0,2∙20)1/3 = 72,1 мм.
Выбираем из стандартного ряда чисел:
d = 71 мм
d>1 >= d>1>+ (4..5) мм = 75 мм
d>п >≥ d>2>+ (4..5) мм = 80 мм
d>2 >= d>п>+ 5 мм = 85 мм
d>3 >= d>2>+ 2 мм = 87 мм
d>4 >= d>3>+ (6..10) мм = 95 мм
Проведем подборку длин составляющих вала:
L>0> = (1,6..2) d = 142 мм
L>1> = 20..25 мм = 25 мм
L>п> ≈ 0,5 d>п> = 40 мм
L>2> = 10..12 мм = 12 мм
L>3> = b>1> = 100 мм
L>4> = L>2> = 12 мм
Тогда:
L = 164 мм
а = 115 мм
Окружная сила
F>t> = 2T>2>∙103/d>1> = 2∙1500∙103/71 = 40000 Н
Осевое усилие
F>a> = F>t> ∙ tg β = 40000 ∙ tg 10,23 = 7219 Н
Радиальная нагрузка
F>r> = F>t> ∙ tg α / cosβ = 40000∙tg20/cos10,23 = 14794 Н
Построение эпюр:















l


Rb>A> = 0,5∙ F>r> + F>a>∙d>1>/2L
Rb>B> = 0,5∙ F>r> - F>a>∙d>1>/2L
Rb>A> = 0,5∙14794 + 7219/2∙164 = 7419 Н
Rb>B> = 0,5∙14794 – 7219/2∙164 = 7375 Н
Проверка: Rb>A> + Rb>B> - F>r> = 0
7419+7375 - 14794 = 0 Верно.
М>1> = Rb>A>∙ L/2
М = Rb>B> ∙ L/2
М>1> = 7419∙164/2∙1000 = 608,4 Н∙м
М = 7375∙164/2∙1000 = 604,8 Н∙м












RГ>А> = RГ>В> = 0,5∙F>t>
М>2> = F>t>∙ L/4
RГ>А> = RГ>В> = 0,5∙ 40000 = 20000 H
М>2> = 40000∙164/4∙1000 = 1640 Н
Проверка: RГ>А> + RГ>В> - F>t> = 0
20000+20000 - 40000 = 0 Верно.













а 


R>AM> = F>M>∙(L+a)/L
R>BM> = F>M>∙a/L
F>M> = 125 (T>2>)1/3
F>M> = 125∙(1500)1/3 = 1430,9 Н
R>AM> = 1430,9∙(164+115)/164 = 2434,3 Н
R>BM> =1430,9∙ 115/164 = 1003,4 Н
Мм = F>M> ∙ а
Мм = 1430,9∙115/1000 = 164,6 Н
Найдем общий момент:
M>ОБЩ> = [(M>1>)2 + (M>2>)2]1/2 + 0,5∙Мм
M>ОБЩ> = [(608,4)2 + (1640)2]1/2 + 0,5∙164,6 = 1831,5 Н
Проверочный расчет ведомого вала.
Сталь 40х улучшенная.
Шестерня НВ>1> = 270 НВ σ>в> = 900н/мм2, σ>г> =750 н/мм2
Колесо НВ>2> = 240 НВ σ>в> = 780н/мм2, σ>г> =540 н/мм2
Коэффициент запаса для нормальных напряжений:
n>σ> = σ>-1>/(K>σ>>p>∙ σ>a> + ψ>σ>∙ σ>m>),
где σ>-1> – предел выносливости гладкого образца при симметричном цикле напряжений изгиба. σ>-1> = 410 МПа
σ>a> – амплитуда номинальных напряжений изгиба, σ>a> ≈ М>ОБЩ>/0,1d>п>3 = 1831,5/0,1∙803 =
= 35 МПа
σ>m> – среднее значение номинального напряжения, σ>m> = 0.
K>σ>>p> – эффективный коэффициент концентрации напряжений для детали.
БЕРЕМ ИЗ ТАБЛИЦЫ 3,0
Тогда:
n>σ> = 410/(3,0∙ 35,77) = 3,82
Коэффициент запаса для касательных напряжений:
n>τ> = τ>-1>/(K>τ>>p>∙ τ>a> + ψ>τ>∙ τ>m>),
где τ> -1> – предел выносливости гладкого образца при симметричном цикле напряжений кручения. τ> -1> = 240 МПа
τ>a> – амплитуда номинальных напряжений кручения,
τ>m> – среднее значение номинальных напряжений, τ>a> = τ>m> = 1/2∙τ = 10,1
K>τ>>p> – эффективный коэффициент концентрации напряжений для детали.
БЕРЕМ ИЗ ТАБЛИЦЫ 2,3
ψ>τ> = 0,1
Тогда:
n>τ> = 240/(2,3∙10,1 + 0,1∙ 10,1) = 9,9
Общий коэффициент запаса прочности на совместное действие изгиба и кручения:
n = n>σ> ∙ n>τ> /[ (n>σ>)2 + (n>τ>)2]1/2
n = 3,82∙9,9 /[3,822 + 9,92]1/2 = 3,56
Проверка соблюдения условия прочности:
n>min> ≥ [n], где [n] = 1,5..3,5
3,56 ≥ 1,5
6.Выбор подшипников.
Так как у нас косозубая передача в редукторе, то следует выбрать шариковые радиальные подшипники, которые можно использовать при небольшой
(до 30%) свободной осевой нагрузке.
Выбираем шариковый радиальный однорядный подшипник №112
по ГОСТ 8338-75 для быстроходного вала.
Основные характеристики подшипника средней серии:
Наружный диаметр:
D = 130 мм;
Ширина:
b = 31 мм;
Фаска:
r = 3,5 мм
Базовая динамическая грузоподъемность:
С>r> = 92,3кН;
Базовая статическая грузоподъемность:
Со>r> = 48 кН;
Время работы:
L>H> = 15000 ч.
Выбираем самую нагруженную опору:
R>A> = [(RГ>А>)2+ (Rb>А>)2]1/2
R>B> = [(RГ>B>)2+ (Rb>B>)2]1/2
R>A> = [49092 + 333,442]1/2 = 4920,3 Н
R>B> = [49092 + 321,562]1/2 = 4919,5 Н
Значит, самая нагруженная опора А.
F>A>/ Со>r> = 1771/48∙103 = 0,036 e = 0,22;
Так как F>A>/ R>A> = 1771/4920,3 = 0,36 > e = 0,22 X = 0,56; Y = 1,99
Произведем расчет нагрузки на подшипник:
F>экв> = (X∙V∙F>R> + Y∙F>A>) ∙ K>δ>∙K>T>> >,где
X – коэффициент восприятия радиальной нагрузки. X = 0,56
Y – коэффициент восприятия осевой нагрузки. Y = 1,99
V – коэффициент, учитывающий вращения кольца по отношению к нагрузке. V = 1.
K>δ> – коэффициент безопасности. K>δ> = 1,3
K>T> – температурный коэффициент. K>T> = 1.
F>экв> = (0,56 ∙1,99 ∙ 4920,3 + 1,99 ∙ 1771) ∙1,3∙1 =11709,7 Н
Определяем базовый расчет ресурса подшипника L>H>:
L>H> = 106∙[C>r>/ F>экв>]3/60∙n>1>
n>1> = n>дв>/U>рем> = 1460/2,8 = 505 об/мин
L>H> = 106∙[92300/ 11709,7]3/60∙505 = 16163,1 ч.
Этот ресурс нас удовлетворяет, значит, оставляем этот подшипник.
Выбираем шариковый радиальный однорядный подшипник №216 по ГОСТ 8338-75 для тихоходного вала.
Основные характеристики подшипника легкой серии: Основные характеристики подшипника средней серии:
Наружный диаметр:
D = 140 мм;
Ширина:
b = 26 мм;
Фаска:
r = 3 мм
Базовая динамическая грузоподъемность:
С>r> = 57,0 кН;
Базовая статическая грузоподъемность:
Со>r> = 45,4 кН;
Время работы:
L>H> = 15000 ч.
Выбираем самую нагруженную опору:
R>A> = [(RГ>А>)2+ (Rb>А>)2]1/2
R>B> = [(RГ>B>)2+ (Rb>B>)2]1/2
R>A> = [200002 + 74192]1/2 = 21332 Н
R>B> = [200002 + 73752]1/2 = 21316 Н
Значит, самая нагруженная опора А.
F>A>/ Со>r> = 7219/45,4∙103 = 0,15 e = 0,32;
Так как F>A>/ R>A> = 7219/21322 = 0,36 > e = 0,32 X = 0,56; Y = 1,31
Произведем расчет нагрузки на подшипник:
F>экв> = (X∙V∙F>R> + Y∙F>A>) ∙ K>δ>∙K>T>> >,где
X – коэффициент восприятия радиальной нагрузки. X = 0,56
Y – коэффициент восприятия осевой нагрузки. Y = 1,31
V – коэффициент, учитывающий вращения кольца по отношению к нагрузке. V = 1.
K>δ> – коэффициент безопасности. K>δ> = 1,3
K>T> – температурный коэффициент. K>T> = 1.
F>экв> = (0,56 ∙1,31 ∙ 14794 + 1,31 ∙7219) ∙1,3∙1 =26402 Н
Определяем базовый расчет ресурса подшипника L>H>:
L>H> = 106∙[C>r>/ F>экв>]3/60∙n>1>
n>2> = n>1>/U>ред> = 505/5,6= 90 об/мин
L>H> = 106∙[57000/ 26402]3/60∙90 = 16352,2 ч.
Этот ресурс нас удовлетворяет, значит, оставляем этот подшипник.
7.Выбор шпонки.
7
.1
Быстроходный вал.
Проверяем прочность шпоночного соединения под ведомым шкивом ременной передачи d = 50 мм
Берем шпонку призматическую:
Сталь 60
b = 16 мм – ширина шпонки
L>ш> = 45..180 мм.- рабочая длина
h = 10 мм – высота шпонки
t>1> = 6 мм – глубина погружения в вал
t>2> = 4,5 мм – высота выпирания шпонки.
Возьмем L>ш> = 60 мм
Проверим шпонку на смятие:
σ>см> = 2∙Т>1>/(h – t>1>)∙d∙L>ш> ≤ [σ>см>] = 100 МПа
σ>см> = 2∙270∙103/(10 – 6)∙50∙60 = 45 МПа <100 МПа
Проверяем прочность шпоночного соединения под колесом тихоходного вала
d = 87 мм.
Берем шпонку призматическую:
Сталь 60
b = 25 мм – ширина шпонки
L>ш> = 70..280 мм.- рабочая длина
h = 14 мм – высота шпонки
t>1> = 9 мм – глубина погружения в вал
t>2> = 5,4 мм – высота выпирания шпонки.
Возьмем L>ш> = 70 мм
Проверим шпонку на смятие:
σ>см> = 2∙Т>1>/(h – t>1>)∙d∙L>ш> ≤ [σ>см>] = 100 МПа
σ>см> = 2∙1500∙103/(14 – 9)∙87∙70 = 98 МПа <100 МПа
Проверяем прочность шпоночного соединения под полумуфтой тихоходного вала d = 71 мм.
Берем шпонку призматическую:
Сталь 60
b = 20 мм – ширина шпонки
L>ш> = 50..220 мм.- рабочая длина
h = 12 мм – высота шпонки
t>1> = 7,5 мм – глубина погружения в вал
t>2> = 4,9 мм – высота выпирания шпонки.
Возьмем L>ш> = 100 мм
Проверим шпонку на смятие:
σ>см> = 2∙Т>1>/(h – t>1>)∙d∙L>ш> ≤ [σ>см>] = 100 МПа
σ>см> = 2∙1500∙103/(12 – 7,5)∙71∙100 = 93,8 МПа <100 МПа
Выбранные нами шпонки проверены на смятие. Все они удовлетворяют нас.
Результирующая таблица выбранных шпонок:
|
Шпонка |
b |
h |
L |
t>1> |
t>2> |
|
Под колесом |
25 |
14 |
70 |
9 |
5,4 |
|
Под муфтой |
20 |
12 |
100 |
7,5 |
4,9 |
|
Под рем.пер. |
16 |
10 |
60 |
6 |
4,5 |
12. Список литературы:
1. Чернилевский Д.В.
Курсовое проектирование деталей машин и механизмов: Учебное пособие. – М.: Высшая школа, 1980 г.
2. Дунаев П.Ф., Леликов О.П.
Конструирование узлов и деталей машин. Учебное пособие для вузов. М.: Высшая школа, 1985 г.
3. Иванов М.И.
Детали машин: Учеб. Для студентов высших технических учебных заведений. – 5-е изд., перераб. – М.: Высш. шк., 1991 г.