Расчет и проектирование привода для пластинчатого конвейера
2
Содержание
Введение 4
Техническая характеристика изделия. 5
Обоснование выбора конструкции 6
1.1 Задача 8
1.2 Расчетная схема 8
1.3 Данные для расчета 8
1.4 Условия расчета 8
1.5 Выбор двигателя 9
1.6 Определение передаточных отношений 10
1.8 Вывод 15
2 Расчет конической передачи 16
2.1 Задача 16
2.2 Расчетная схема 16
2.3 Данные для расчета 16
2.4 Условие расчета 17
2.5 Выбор материала и расчет допускаемых напряжений 17
2.6 Проектный расчет передачи 18
2.7 Вывод 25
3 Расчет промежуточной прямозубой цилиндрической зубчатой передачи 26
3.1 Задача 26
3.2 Расчетная схема 26
3.3 Данные для расчета 26
3.4 Условие расчета 27
3.5 Выбор материала и расчет допускаемых напряжений 27
3.6 Проектный расчет передачи 28
3.7 Проверочный расчет передачи 32
3.8 Вывод 35
4 Расчет тихоходной прямозубой цилиндрической зубчатой передачи 36
4.1 Задача 36
4.2 Расчетная схема 36
4.3 Данные для расчета 36
4.4 Условие расчета 37
4.5 Выбор материала и расчет допускаемых напряжений 37
4.6 Проектный расчет передачи 38
4.7 Проверочный расчет передачи 42
4.8 Вывод 45
5 Ориентировочный расчет валов 46
5.1 Задачи 46
5.2 Расчетные схемы 46
5.3 Данные 47
5.4 Условия расчета 47
5.5 Расчет быстроходного вала 47
5.6 Расчет 1 промежуточного вала 48
5.7 Расчет 2 промежуточного вала 48
5.8 Расчет тихоходного вала 48
5.9 Вывод 49
6 Эскизная компановка 50
6.1 Цель 50
6.2 Данные для компановки 50
6.3 Условие компановки: 51
7 Проверочный расчёт валов 52
7.1 Цель 52
7.2 Расчётная схема 52
7.3 Данные 52
7.4 Условия 53
7.5 Построение эпюр 53
7.6 Определение коэффициента запаса прочности в опасных сечениях 57
7.7 Вывод 61
9 Шпоночные соединения 66
9.1 Задача 66
9.2 Расчетная схема 66
9.3 Данные 66
9.4 Условия расчета 67
9.5 Подбор соединения 67
9.6 Расчет 67
9.7 Вывод 68
10 Муфты 69
11 Смазка 70
Заключение 71
Список литературы 72
Введение
Редуктором называют механизм, состоящий из зубчатых или червячных передач, выполненный в виде отдельного агрегата и служащий для передачи мощности от двигателя к рабочей машине. Кинематическая схема привода может включать, помимо редуктора, открытые зубчатые передачи, цепную или ременную передачу.
Назначение редуктора — понижение угловой скорости и повышение вращающего момента ведомого вала по сравнению с валом ведущим, понижение числа оборотов. Механизмы для повышения угловой скорости, выполненные в виде отдельных агрегатов, называют ускорителями или мультипликаторами.
Редуктор состоит из корпуса (литого чугунного или сварного стального), в котором помещают элементы передачи - зубчатые колеса, валы, подшипники и т. д. В отдельных случаях в корпусе редуктора размещают также устройства для смазки зацеплений и подшипников (например, внутри корпуса редуктора может быть помещен шестеренчатый масляный насос) или устройства для охлаждения (например, змеевик с охлаждающей водой в корпусе червячного редуктора).
Редуктор проектируют либо для привода по заданной нагрузке (моменту на выходном валу) и определенной машины, либо передаточному числу без указания конкретного назначения. Второй случай характерен для специализированных заводов, на которых организовано серийное производство редукторов.
В данной курсовой работе необходимо спроектировать привод для пластинчатого конвейера. Данный привод состоит из электродвигателя, муфты и трехступенчатого коническо-целендрического редуктора.
Техническая характеристика изделия.
Двигатель
Тип – 4А112М2У3
Мощность – 7.5 кВт
Обороты – 2900 об/мин.
Редуктор
Тип - коническо-цилиндрический трехступенчатый
Передаваемая мощность – 6 кВт;
Передаточное отношение – 35
Обороты быстроходного вала – 2900 об/мин.
Обороты тихоходного вала - 83 об/мин.
Межосевое расстояние – 140 мм
Межосевое расстояние – 200 мм
Привод
Обороты на выходе – 83 об/мин.
Крутящий момент на выходном валу – 697,4 Н·м
Мощность на выходе – 6,06 кВт
Обоснование выбора конструкции
Конические зубчатые колеса применяют в передачах, у которых оси валов пересекаются под некоторым углом. Наиболее распространены передачи с углом =90°.
Конические передачи сложнее цилиндрических в изготовлении и монтаже. Для нарезания конических колес требуются специальные станки и специальный инструмент. Кроме допусков на размеры зубьев здесь необходимо выдерживать допуски на углы, а при монтаже обеспечивать совпадение вершин конусов. Выполнить коническое зацепление с той же степенью точности, что и цилиндрическое, значительно труднее. Пересечение осей валов затрудняет размещение опор. Одно из конических колес, как правило, располагают консольно. При этом увеличивается неравномерность распределения нагрузки по длине зуба. В коническом зацеплении действуют осевые силы, наличие которых усложняет конструкцию опор. Все это приводит к тому, что, по опытным данным, нагрузочная способность конической прямозубой передачи составляет лишь около 0,85 цилиндрической. Несмотря на отмеченные недостатки, конические передачи имеют широкое применение, поскольку по условиям компоновки механизмов иногда необходимо располагать валы под углом.
В трехступенчатых коническо-цилиндрических редукторах коническая пара может иметь прямые, косые или криволинейные зубья. Цилиндрическая пара также может быть либо прямозубой, либо косозубой.
Наиболее употребительным диапазоном передаточных чисел для коническо-цилиндрических трехступенчатых редукторов можно считать и == 8÷15. В качестве максимальных передаточных чисел можно принимать: при прямозубых конических колесах U>max> == 22; при конических колесах с круговыми зубьями U>max> = 34 (в отдельных случаях U>max> = 40).
Асинхронные машины — это машины переменного тока. Слово «асинхронный» означает не синхронный или не одновременный. При этом имеется в виду, что у асинхронных машин частота вращения магнитного поля отличается от частоты вращения ротора. Асинхронные машины, как и все электрические машины, обладают свойством обратимости, т. е. могут работать как в режиме двигателя, так и в режиме генератора. Асинхронные двигатели имеют значительные преимущества по своим свойствам, характеристикам и эксплуатационным данным перед двигателями других типов. Такие двигатели могут быть однофазными, двухфазными и трехфазными; наибольшее распространение имеют трехфазные двигатели.
Трехфазные двигатели изобретены выдающимся русским электротехником М. О.. Доливо-Добровольским в 1889г. Конструкция двигателя, предложенная М. О. Доливо-Добровольским, была настолько проста, надежна и экономична, что в основных чертах сохранилась до настоящего времени. Подавляющее число электрических двигателей, используемых в промышленности, энергетике и других областях, являются асинхронными. Они широко применяются в станках, вентиляторах, насосах, автоматических системах и т. п. Диапазон мощностей асинхронных двигателей, выпускаемых промышленностью, составляет от долей ватта до тысяч киловатт.
Технические характеристики асинхронного двигателя. Число оборотов двигателя стандартизовано и равно 3000, 1500, 1000, 750 об/мин. Мощность двигателя различна и принимает значения в соответствии с его назначением и зависит от числа оборотов.
Муфты упругие втулочные обладают высокой амортизирующей способностью, допускают кратковременные пиковые нагрузки, в 2,5—3 раза превышающие номинальнные. По ГОСТ 20884—75 они предназначены для соединения валов при величине передаваемого вращающего момента от 20 до 40-103 Н-м. Предусматривается изготовление муфт двух типов — с цилиндрическим и с коническим отверстием, и двух исполнений — на длинные и на короткие концы валов с диаметром от 14 до 240 мм.
1 Кинематический расчет
1.1 Задача
Подобрать электродвигатель, разбить передаточные отношения по ступеням и определить силовые и скоростные параметры на валах привода
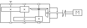
1.2 Расчетная схема

Рисунок 1.1 - Схема для расчета привода пластинчатого конвейера
1.3 Данные для расчета
Таблица 1.1 – Данные для расчета привода пластинчатого конвейера
-
Р>вых.> ,кВт
6
U>общ.>
35
Цилиндрическая передача I
прямозубая
Цилиндрическая передача II
прямозубая
Рама
Сварная
Смазка
Окунание
Корпус
Литой
Муфта
Зубчатая
1.4 Условия расчета
Двигатель подбираем по требуемой мощности и рекомендуемым оборотам. Передаточное отношение разбиваем согласно рекомендуемых диапазонов.
1.5 Выбор двигателя
Требуемую мощность электродвигателя определяют на основании исходных данных. Если указана мощность Р>вых.. >кВт, отнесенная к ведомому валу, то необходимая мощность электродвигателя
,
кВт (1.1)
где
—
коэффициент полезного действия (КПД)
привода, равный произведению частных
КПД;
-мощность
на выходе (из задания), кВт .
(1.2)
-
коэффициент полезного действия (КПД),
пары подшипников
=0,99 (таблица 1.1 [1]);
-коэффициент
полезного действия (КПД), конической
зубчатой передачи
=0,96
(таблица 1.1 [1]);
-коэффициент
полезного действия (КПД), цилиндрической
зубчатой передачи
=0,97
(таблица 1.1 [1]) .

кВт
По найденному значению мощности Р>тр., >кВт выбирают, как правило, асинхронный электродвигатель трехфазного тока. Выбираем электродвигатель (приложение П3 с.328 [1]). Электродвигатель серии 4А. Исполнение закрытое обдуваемое. Электродвигатель типоразмера 90L2. Номинальная мощность 7.5 кВт и число оборотов 2900об/мин.
1.6 Определение передаточных отношений
Передаточные отношения каждой передачи определяются из диапазонов установленных для каждого вида передач.
Для конической передачи i принимаем из диапазона i =2÷4, в данной курсовой работе i>кон.з.п.> =2.5.
Для цилиндрических передач i принимаем из диапазона i =2÷6, в данной курсовой работе i>пром.з.п.>=4.24; i>тих.з.п.>=3.3.
Для того что бы проверить правильность выбора передаточных отношений необходимо их перемножить и сравнить с общим передаточным отношением.
i>общ.>= i>кон.з.п.·> i>пром.з.п ·>i>тих.з.п>
i>общ.>=2.5·4.24·3.3=34,98
i>общ.>=35 по заданию.
35=35, значит передаточные отношения каждой передачи подобраны верно.
1.7 Силовые, скоростные параметры на валах
Мощность
По выходной мощности Р>вых.> кВт> ,> определяем мощность на каждом валу.
Р>IV>=
,
кВт (1.3)
где Р>IV> – мощность на 4 валу, кВт;
Р>вых.> – выходная мощность редуктора, кВт;
кВт
Р>III>=
где Р>III> – мощность на 3 валу, кВт ;
кВт
Р>II>=
где Р>II> – мощность на 2 валу, кВт ;
кВт
P>I>=
где Р>I> – мощность на 1 валу, кВт;
кВт
кВт
Мощность на I валу соответствует требуемой мощности.
2.Число оборотов каждого вала определяется по формуле (с.8 [2]).
n>дв.>= n>I>>в. >=2900 об/мин
n>II>>
в. >=
,
об/мин (1.4)
где n>I> – число оборотов на I валу, об/мин ,
i – передаточное число быстроходной передачи;
об/мин
n>III>>
в.>=
,
об/мин
где n>II> – число оборотов на II валу, об/мин ,
i – передаточное число промежуточной передачи;
об/мин
n>IV>>
в. >=
где n>I> – число оборотов на III валу, об/мин ,
i – передаточное число тихоходной передачи;
об/мин
Угловую скорость каждого вала определяем по формуле
,
с-1 (1.5)
где n –число оборотов на соответственном валу, об/мин.
Угловая скорость на I валу равна
с-1
Угловая скорость на II валу равна

с-1
Угловая скорость на III валу равна

с-1
Угловая скорость на IV валу равна

с-1
Крутящий момент на валах определяем по формуле
,
Н·м (1.6)
где Р – мощность соответствующего вала, кВт
ω- угловая скорость соответствующего вала, с-1.
Крутящий момент на валах
,
Н·м
Н·м
Крутящий момент на I валу равен
Н·м
Крутящий момент на II валу равен
,
Н·м
Н·м
Крутящий момент на III валу равен
,
Н·м
Н·м
Крутящий момент на IV валу равен
,
Н·м
Н·м
Все расчеты для удобства записываем в сводную таблицу
Таблица 1.1. – силовые и скоростные параметры привода
|
№ вала |
Р, кВт |
n , об/мин. |
ω , с-1 |
Т , Н·м |
I |
|
I |
6,93 |
2900 |
303,53 |
22,8 |
|
|
II |
6,57 |
1160 |
121,4 |
54,2 |
|
|
III |
6,31 |
274 |
28,68 |
220,1 |
|
|
IV |
6,06 |
83 |
8,69 |
697,4 |
1.8 Вывод
Р в приводе уменьшилось не значительно из-за потерь в подшипниках. Число оборотов и угловая скорость в приводе сильно уменьшились из-за больших передаточных отношений.
2 Расчет конической передачи
2.1 Задача
Провести проектный расчет, подобрать материал, определить основные геометрические параметры и проверить на контакт.
2.2 Расчетная схема
Рисунок 2.1 – Расчетная схема зацепления колес конической передачи
2.3 Данные для расчета
Данные для расчета передачи берем из кинематического расчета.
Таблица 2.1 - силовые и скоростные параметры для расчета промежуточной передачи
-
/Параметр
Р, кВт
Т, Н·м
ω, с-1
n, об/мин
I
1 вал
6,92
22,8
303,53
2900
2,5
2 вал
6,57
54,2
121,4
1160
2.4 Условие расчета
Проектный расчет ведем на контакт, так как основной вид разрушения закрытых зубчатых передач - поверхностное выкрашивание зубьев в зоне контакта. Проверяем на контакт и изгиб.
2.5 Выбор материала и расчет допускаемых напряжений
Материалы для изготовления конических зубчатых колес подбирают по таблице 3.3 [1]).Для повышения механических характеристик материалы колес подвергают термической обработке. В зависимости от условий эксплуатации и требований к габаритным размерам передачи принимаем следующие материалы и варианты термической обработки (Т.О.).
Примем для колеса и шестерни сталь 40ХН и вариант термообработки ( таблица 3.3 [1]);
колесо—улучшение и закалка ТВЧ по контуру, НRC 48…53;
шестерня—улучшение и закалка ТВЧ по контуру, НRC 48…53.
Определяем допускаемые контактные напряжения и напряжения изгиба отдельно для колеса [σ]>н2 >и [σ]>F>>2 >и шестерни [σ]>н1 >и [σ]>F>>1> по формулам (с.10 [2])
[σ]>н>=
·[σ]>н0>
; [σ]>F>=
·[σ]>F0>
где
-
коэффициент долговечности при расчете
по контактным напряжениям, так как
редуктор рассчитан на долгий срок
службы, то
=1
(с.11 [2])
-
коэффициент долговечности при расчете
по изгибу , так как редуктор рассчитан
на долгий срок службы, то
=1 (с.11 [2]).
Получаем, что
[σ]>н>=[σ]>н0> ; [σ]>F>=[σ]>F0>.
Определяем среднюю твердость зубьев колес НRC>ср>=0,5(48+53)=50,5 Мпа
По таблице 2.2 [2] находим формулу для определения допускаемого контактного напряжения
[σ]>н1>=[σ]>н2>=14· HRC>ср>+170 (2.1)
[σ]>н1>=[σ]>н2>=14· 50,5+170=880 МПа
Допускаемое напряжение на изгиб [σ]>F>>1>=[σ]>F>>2>=370 МПа (с.24 [2]).
2.6 Проектный расчет передачи
1. Определяем внешний делительный диаметр окружности колеса по формуле (с. 19 [2]) :

(2.2)
где
-
коэффициент вида конических колес,
(с. 20 [2]) ;
-
передаточное число быстроходной
передачи;
Т>2> - вращающий момент на 1 промежуточном валу, Н·м;
-
коэффициент неравномерности нагрузки
по длине зуба. Для прирабатывающихся
зубьев
= 1,45 (таблица 2.3 [2]);
-
допускаемое контактное напряжение
колеса с менее прочным зубом или среднее
допускаемое контактное напряжение,
н/мм2.

Полученное значение
внешнего делительного диаметра колеса
округляем до ближайшего стандартного
значения
.
2. Определяем углы делительных конусов, конусное расстояние и ширина колес.
Угол делительных конусов колеса и шестерни определим по следующим формулам (с. 20[2]):
для колеса:
i
=
2,5
=61,1985º

для шестерни


Конусное расстояние найдем по формуле (с. 20[2]):

(2.3)
где
-
делительный диаметр окружности колеса,
мм;

-
угол делительного конуса колеса.
Ширина колес
=0,0285·42,163=12
мм
Модуль передачи.
Для конических колес с круговым зубом находим внешний торцовый модуль передачи (с. 20[2]):

(2.4)
где
-
коэффициент вида конических колес,
=1(с.
20[2]);
-
коэффициент, учитывающий распределение
нагрузки по ширине венца,
=1,71(таблица
2.5[2]);
-ширина
колеса, мм;
[σ]>F> – допускаемое напряжение на изгиб, МПа.

.
Число зубьев колеса и шестерни.
Число зубьев колеса находим по формуле (с. 20 [2]):

(2.5)

Число зубьев шестерни определяем по формуле (с. 20 [2]):

(
2.6)
Фактическое передаточное число.


Отклонение от заданного передаточного числа не должно быть более 4%, то есть
Δi=
%
4%
Δi=
%=1,2
Отклонение составляет 1,2, что не превышает допускаемого значения - следовательно передаточное число конической передачи определено точно.
Окончательные размеры колеса и шестерни.
Угол делительных конусов колеса и шестерни (с. 21[2]):
для колеса:
i
=
2,5
=61,1985º

для шестерни




Делительные диаметры колес определим по формулам (с. 21[2]):
>
>
>
>
>
>(2.7)
>
>
Внешние диаметры колес найдем по формулам (с. 21[2]):
>
>
>
>> >
где
,
-
коэффициенты смещения,
=0,26;
=-0,26(таблица
2.7 и 2.8 [2]).
>
>>
(2.8)>
>
>
2.7 Проверочный расчет передачи
Силы в зацеплении.
Окружная сила на среднем диаметре колеса (с. 23 [2]):

(2.9)
где
=0,857·=мм
Н
Находим осевую силу на шестерне по формуле (с. 23 [2]):
(
2.10)
где>
>
- коэффициент учитывающий направление
вращения шестерни и направление наклона
зубьев, определяем по формуле (с. 23 [2]):

(2.11)
>
>
>
>
Н
Находим осевую силу на шестерне по формуле (с. 23 [2]):
(
2.12)
где>
>
- коэффициент учитывающий направление
вращения шестерни и направление наклона
зубьев, определяем по формуле (с. 23 [2]):

(2.13)
>
>
>
>
Н
Напряжение изгиба в зубьях колеса определим по формуле (с. 23 [2]):
>
>>
>(2.14)
где
-
коэффициент динамической нагрузки,
зависящий от окружной скорости колес
и степени точности передачи (с.16 [2]),
=1,1;
-
коэффициент неравномерности нагрузки
по длине зуба (с.16 [2]),
=1,44;
-
коэффициенты формы зуба шестерни и
колеса (с.16 [2]),
=3,92;
b - ширина колеса, мм;
-
торцовый модуль передачи, мм;
F>t> – окружная сила, Н;
-
коэффициент вида конических колес,
=1(с.
20[2]).
>
>МПа
Напряжение изгиба в зубьях шестерни определим по формуле (с. 23 [2]):
(
2.15)
где
-
коэффициенты формы зуба шестерни и
колеса (с.16 [2]),
=3,92;
-
коэффициенты формы зуба шестерни и
колеса (с.16 [2]),
=3,65;
-
напряжение изгиба на колесе, МПа.
>
>МПа
Так как [σ]>F>>1>=370
МПа, [σ]>F>>2>=370
МПа и σ>F>>1>=277,688
МПа, σ>F>>2>=298,23
МПа, что удовлетворяет условию [σ]>F>>1
>
σ>F>>1
>, [σ]>F>>2>
>
>
σ>F>>2>
, то колеса прошли проверку по напряжениям
на изгиб.
Проверяем зубья колес по контактным напряжениям по формуле (с.26 [2]):
>
>>
>(2.16)
где
-коэффициенты учитывающие распределение
нагрузки между зубьями, неравномерность
распределения нагрузки по длине
контактной линии, дополнительные
динамические нагрузки,
=1,45(с.26
[2]);
-
коэффициент вида конических колес,
=1,3
(с. 26[2]).
>
>>
>МПа
Определяем, погрешность
% (2.17)
%=1,8%
Колеса перегружено на 1,8%.
2.8 Вывод
При определении погрешности передаточного числа, получили Δi= 1,2% , что позволяет сделать вывод- передаточное число выбрано, верно.
Так
как [σ]>F>>1>=370
МПа, [σ]>F>>2>=370
МПа и σ>F>>1>=277,688
МПа, σ>F>>2>=298,23
МПа, что удовлетворяет условию [σ]>F>>1
>
σ>F>>1
>, [σ]>F>>2>
>
>
σ>F>>2>,
то колеса прошли проверку по напряжениям
на изгиб.
В результате расчетов
определили, что
1,8%
перегрузки. Это величина не превышает
допустимого значения (5 % перегрузки и
10 % недогрузки), следовательно, колеса
прошли проверку по контактным напряжениям.
3 Расчет промежуточной прямозубой цилиндрической зубчатой передачи
3.1 Задача
Провести проектный расчет, подобрать материал, определить основные геометрические параметры и проверить на контакт.
3.2 Расчетная схема
Рисунок 2.1 – Расчетная схема зацепления колес
3.3 Данные для расчета
Данные для расчета передачи берем из кинематического расчета.
Таблица 3.1 - силовые и скоростные параметры для расчета промежуточной передачи
-
/Параметр
Р, кВт
Т, Н·м
ω, с-1
n, об/мин
i
2 вал
6,576
54,2
121,4
1160
4,24
3 вал
6,312
220,1
28,68
274
3.4 Условие расчета
Проектный расчет ведем на контакт, так как основной вид разрушения закрытых зубчатых передач - поверхностное выкрашивание зубьев в зоне контакта. Проверяем на контакт и изгиб.
3.5 Выбор материала и расчет допускаемых напряжений
Материалы для изготовления зубчатых колес подбирают по таблице 3.3 [1].Для повышения механических характеристик материалы колес подвергают термической обработке. В зависимости от условий эксплуатации и требований к габаритным размерам передачи принимаем следующие материалы и варианты термической обработки (Т.О.).
Рекомендуется назначать для шестерни и колеса сталь одной и той же марки, но обеспечивать соответствующей термообработкой твердость поверхности зубьев шестерни на 20—30 единиц Бринеля выше, чем колеса.
Примем для колеса и шестерни сталь 40ХН и вариант термообработки ( таблица 3.3 [1]);
колесо—улучшение: НВ 280;
шестерня—улучшение: НВ 250.
Для непрямозубых колес расчетное допускаемое контактное напряжение определяют по формуле (3.9 [1])
,
МПа (3.1)
где σ>н>>lim>> >>b> – предел контактной выносливости при базовом числе циклов (таблица 3.2 [1])
σ>н>>lim>> >>b>=2НВ+70 (3.2)
для колеса σ>н1>>lim>> >>b>=2·280+70=630н/мм2;
для шестерни _σ>н2>>lim>> >>b>=2·250+70=570 н/мм2.
-
коэффициент долговечности; если число
циклов нагружения каждого зуба колеса
больше базового, то принимают
= 1
[п]>Н> — коэффициент безопасности; для колес из нормализованной и улучшенной стали, а также при объемной закалке принимают [п]>Н> = 1,1—1,2, принимаем [п]>Н> = 1,15
[σ]>н1>=
МПа
[σ]>н2>=
Мпа
Принимаем наименьшее значение [σ]>н >=495,65 Мпа
Допускаемые напряжения на изгиб определяем по формуле
[σ]>Fa>=1,03·HB (3.3)
[σ]>F>>1>=1,03·280=288,4 МПа
[σ]>F>>2>=1,03·250=257,5 МПа
3.6 Проектный расчет передачи
Важнейшим геометрическим параметром редуктора является межосевое расстояние, которое необходимо для определения геометрических параметров колес.
1. Определяем межосевое расстояние по формуле (с.11 [2]) :

(3.4)
-
вспомогательный коэффициент. Для
косозубых передач
=43, для прямозубых —
=49,5;
-
передаточное число промежуточной
передачи;
Т>2> - вращающий момент на 2 промежуточном валу, Н·м;
-
коэффициент неравномерности нагрузки
по длине зуба. Для прирабатывающихся
зубьев
= 1(см. 3.1, п. 1 [1]);
-коэффициент
ширины венца колеса, равный 0,28...0,36 —
для шестерни, расположенной симметрично
относительно опор (с. 13 [2]).
-допускаемое
контактное напряжение колеса с менее
прочным зубом или среднее допускаемое
контактное напряжение, Н/мм2.
=49,5·(4,24+1)·
=142,6
мм
Полученное значение
межосевого расстояния
округляют в большую сторону до стандартного
по СТ СЭВ 310-76 : 40, 50, 63, 71, 80, 90, 100, 112, 125, 140,
160, 180, 200, 220, 250, 280, 315 мм. Принимаем
=140
мм.
2. Выбирают модуль в
интервале m=(0,01÷0,02)
, по СТ СЭВ 310—76 (в мм)
m=(0,01÷0,02) ·100=(1÷2)мм
Модуль принимаем из стандартного ряда (с.30 [1]) m=2мм
3. Определяем суммарное число зубьев данной передачи по формуле (с.13 [2]) :
Z>Σ>=
(3.5)
где
-
межосевое расстояние, мм;
m –модуль передачи, мм;
Z>Σ>=
Находим число зубьев на шестерни по формуле (с.14 [2]) :
Z>1>=
(3.6)
где
-
передаточное число промежуточной
передачи.
Z>1>=
Число зубьев на колесе находится по формуле (с.14 [2]) :
Z>2> =Z>Σ> - Z>1 >(3.7)
где Z>1> – число зубьев шестерни.
Z>2> =140-27=113
4. определяем фактическое передаточное число по формуле (с.18 [2]) :

(3.8)
где Z>2> – число зубьев колеса.

Погрешность при выборе передаточного числа определяем по формуле (с.18 [2]) :
Δi=
% (3.9)
Δi
=
%=1,4%
Погрешность составляет всего 1,4% , что позволяет сделать вывод, что передаточное число выбрано верно.
Определяем диаметры колес (с.41 [1]) .
Делительные диаметры:
шестерни
=
мм
колеса
=
мм
Диаметры окружностей вершин и впадин шестерни
d>a>>1>=d>1>+2m =54+2·2=58 мм
d>f>>1>=d>1>-2,5m = 54-2,5·2 =49 мм
колеса
d>a>>2>=d>2>+2m =226+2·2 =230 мм
d>f>>2>=d>2>-2,5m = 226-2,5·2=221 мм
Определяем ширину шестерни и колеса.
Ширину колеса находим по формуле (с.41 [1]) :
b>2>=
·
(3.10)
где
- коэффициент ширины венца колеса, равный
0,28...0,36 — для шестерни, расположенной
симметрично относительно опор, принимаем
=0,3
(с. 13 [2]).
b>2>=140·0,3 =42 мм
Ширина шестерни больше на (3÷8) мм чем у колеса
b>1>= b>2>+(3÷8)=42+5=47 мм.
3.7 Проверочный расчет передачи
Определяем точность найденных диаметров по межосевому расстоянию
(3.11)
мм
Таким образом, найденные диаметры определены, верно.
Определяем силы в зацеплении:
Окружная сила направлена по касательной в точки касания колеса и шестерни.

(3.12)
где Т>2> - вращающий момент на 2 промежуточном валу, Н·м;
d>2 >– делительный диаметр шестерни, мм.
Н
Радиальная сила направлена к центру окружности и определяется по формуле (с.19 [2]) :

(3.13)
где F>t> – окружная сила, Н;
α – между геометрической суммой радиальной и осевой силами,
β- угол наклона зубьев, tg β=0,364.
Н
Проверяем зубья колес по напряжениям изгиба. Должно выполняться неравенство





Для колеса

(3.14)
где
-
коэффициент, учитывающий распределение
нагрузки между зубьями. (с.15 [2]),
=0,91;
-
коэффициент динамической нагрузки,
зависящий от окружной скорости колес
и степени точности передачи (с.16 [2]),
=1,4;
-
коэффициент неравномерности нагрузки
по длине зуба (с.16 [2]),
=1,25;
-
коэффициент, учитывающий наклон зуба,
=
;
-
коэффициенты формы зуба шестерни и
колеса (с.16 [2]),
=3,61;
b>2> - ширина колеса, мм.
Мпа
Для шестерни
(3.15)
где
-
коэффициенты формы зуба шестерни и
колеса (с.16 [2]),
=3,61;
-
коэффициенты формы зуба шестерни и
колеса (с.16 [2]),
=3,92;
-
напряжение изгиба на колесе, Мпа.
Мпа
Так как [σ]>F>>1>=547,83
МПа, [σ]>F>>2>=495,65
МПа и σ>F>>1>=390,5
МПа, σ>F>>2>=359,91
МПа, что удовлетворяет условию [σ]>F>>1
>
σ>F>>1
>, [σ]>F>>2>
>
>
σ>F>>2
>то колеса прошли проверку
по напряжениям на изгиб.
Проверяем зубья колес по контактным напряжениям .
(3.18)
где
,
,
-коэффициенты
учитывающие распределение нагрузки
между зубьями, неравномерность
распределения нагрузки по длине
контактной линии, дополнительные
динамические нагрузки, так как редуктор
рассчитан на долгий срок службы то
=1,
=1,
=1.
=498,41
МПа
Определяем, погрешность допускаемого напряжения
%
(3.19)
%=0,5%
Колеса перегружены на 0,5%.
3.8 Вывод
При определении погрешности передаточного числа, получили Δi= 1,4% , что позволяет сделать вывод- передаточное число выбрано, верно.
Так как [σ]>F>>1>=547,83 МПа, [σ]>F>>2>=495,65 МПа и σ>F>>1>=390,5 МПа, σ>F>>2>=359,91 МПа то колеса прошли проверку по напряжениям на изгиб.
В результате расчетов
определили, что
0,5%
перегрузки. Это величина не превышает
допустимого значения (5 % перегрузки и
10 % недогрузки), следовательно, колеса
прошли проверку по контактным напряжениям.
В результате проверочного расчета убедились, что полусумма делительных диаметров равна межосевому расстоянию.
4 Расчет тихоходной прямозубой цилиндрической зубчатой передачи
4.1 Задача
Провести проектный расчет, подобрать материал, определить основные геометрические параметры и проверить на контакт.
4.2 Расчетная схема

Рисунок 4.1 – Расчетная схема зацепления колес
4.3 Данные для расчета
Данные для расчета передачи берем из кинематического расчета.
Таблица 3.1 - силовые и скоростные параметры для расчета промежуточной передачи
-
/Параметр
Р, кВт
Т, Н·м
ω, с-1
n, об/мин
i
3 вал
6,312
220,1
28,68
274
3,3
4 вал
6,06
697,4
8,69
83
4.4 Условие расчета
Проектный расчет ведем на контакт, так как основной вид разрушения закрытых зубчатых передач - поверхностное выкрашивание зубьев в зоне контакта. Проверяем на контакт и изгиб.
4.5 Выбор материала и расчет допускаемых напряжений
Материалы для изготовления зубчатых колес подбирают по таблице 3.3 [1]).Для повышения механических характеристик материалы колес подвергают термической обработке. В зависимости от условий эксплуатации и требований к габаритным размерам передачи принимаем следующие материалы и варианты термической обработки (Т.О.).
Рекомендуется назначать для шестерни и колеса сталь одной и той же марки, но обеспечивать соответствующей термообработкой твердость поверхности зубьев шестерни на 20—30 единиц Бринеля выше, чем колеса.
Примем для колеса и шестерни сталь 40ХН и вариант термообработки ( таблица 3.3 [1]);
колесо—улучшение: НВ 280;
шестерня—улучшение: НВ 250.
Для непрямозубых колес расчетное допускаемое контактное напряжение определяют по формуле (3.9 [1])
,
МПа (4.1)
где σ>н>>lim>> >>b> – предел контактной выносливости при базовом числе циклов (таблица 3.2 [1])
σ>н>>lim>> >>b>=2НВ+70, МПа (4.2)
для колеса σ>н1>>lim>> >>b>=2·280+70=630н/мм2;
для шестерни _σ>н2>>lim>> >>b>=2·250+70=570 н/мм2.
-
коэффициент долговечности; если число
циклов нагружения каждого зуба колеса
больше базового, то принимают
= 1
[п]>Н> — коэффициент безопасности; для колес из нормализованной и улучшенной стали, а также при объемной закалке принимают [п]>Н> = 1,1—1,2, принимаем [п]>Н> = 1,15
[σ]>н1>=
МПа
[σ]>н2>=
Мпа
Принимаем наименьшее значение [σ]>н >=495,65 Мпа
Допускаемые напряжения на изгиб определяем по формуле
[σ]>Fa>=1,03·HB, МПа (4.3)
[σ]>F>>1>=1,03·280=288,4 МПа
[σ]>F>>2>=1,03·250=257,5 МПа
4.6 Проектный расчет передачи
Важнейшим геометрическим параметром редуктора является межосевое расстояние, которое необходимо для определения геометрических параметров колес.
1. Определяем межосевое расстояние по формуле (с.11 [2]) :

(4.4)
-
вспомогательный коэффициент. Для
косозубых передач
=43, для прямозубых —
=49,5;
-
передаточное число тихоходной передачи;
Т>2> - вращающий момент на 2 промежуточном валу, Н·м;
-
коэффициент неравномерности нагрузки
по длине зуба. Для прирабатывающихся
зубьев
= 1(см. 3.1, п. 1 [1]);
- коэффициент ширины венца
колеса, равный 0,28...0,36 — для шестерни,
расположенной симметрично относительно
опор
=0,3
(с. 13 [2]).
-
допускаемое контактное напряжение
колеса с менее прочным зубом или среднее
допускаемое контактное напряжение,
н/мм2.
=49,5·(3,3+1)·
=203,1
мм
Полученное значение
межосевого расстояния
округляют в большую сторону до стандартного
по СТ СЭВ 310-76 : 40, 50, 63, 71, 80, 90, 100, 112, 125, 140,
160, 180, 200, 220, 250, 280, 315 мм. Принимаем
=200
мм.
2. Выбирают модуль в
интервале m=(0,01÷0,02)
, по СТ СЭВ 310—76 (в мм)
m=(0,01÷0,02) ·200=(2÷4)мм
Модуль принимаем из стандартного ряда (с.30 [1]) m=2мм
3. Определяем суммарное число зубьев данной передачи по формуле (с.13 [2]) :
Z>Σ>=
(4.5)
где
-
межосевое расстояние, мм;
m –модуль передачи, мм;
Z>Σ>=
Z>Σ> – суммарное число зубьев передачи.
Находим число зубьев на шестерни по формуле (с.14 [2]) :
Z>1>=
(4.6)
где
-
передаточное число промежуточной
передачи.
Z>1>=
Число зубьев на колесе находится по формуле (с.14 [2]) :
Z>2> =Z>Σ> - Z>1 >(4.7)
где Z>1> – число зубьев шестерни.
Z>2> =200-47=153
4. определяем фактическое передаточное число по формуле (с.18 [2]) :

(4.8)
где Z>2> – число зубьев колеса.

Погрешность при выборе передаточного числа определяем по формуле (с.18 [2]) :
Δi=
% (4.9)
Δi
=
%=1,5%
Погрешность составляет всего 1,5% , что позволяет сделать вывод, что передаточное число выбрано верно.
Определяем диаметры колес (с.41 [1]) .
Делительные диаметры:
шестерни
=
мм
колеса
=
мм
Диаметры окружностей вершин и впадин шестерни
d>a>>1>=d>1>+2m =94+2·2=98 мм
d>f>>1>=d>1>-2,5m = 94-2,5·2 =89 мм
колеса
d>a>>2>=d>2>+2m =306+2·2 =310 мм
d>f>>2>=d>2>-2,5m =153-2,5·2=148 мм
Определяем ширину шестерни и колеса.
Ширину колеса находим по формуле (с.41 [1]) :
b>2>=
·
где
-
межосевое расстояние, мм;
- коэффициент ширины венца
колеса, равный 0,28...0,36 — для шестерни,
расположенной симметрично относительно
опор, принимаем
=0,3
(с. 13 [2]).
b>2>=200·0,3 =60 мм
Ширина шестерни больше на (3÷8) мм чем у колеса
b>1>= b>2>+(3÷8)=60+5=65 мм.
4.7 Проверочный расчет передачи
Определяем точность найденных диаметров по межосевому расстоянию
(4.10)
мм
Таким образом, найденные диаметры определены, верно.
Определяем силы в зацеплении:
Окружная сила направлена по касательной в точки касания колеса и шестерни.

(4.11)
где Т>2> - вращающий момент на 2 промежуточном валу, Н·м;
d>2 >– делительный диаметр шестерни, мм.
Н
Радиальная сила направлена к центру окружности и определяется по формуле (с.19 [2]) :

(4.12)
где α – между геометрической суммой радиальной и осевой силами,
β- угол наклона зубьев, tg β=0,364.
Н
Проверяем зубья колес по напряжениям изгиба. Должно выполняться неравенство





Для колеса

(4.13)
где
-
коэффициент, учитывающий распределение
нагрузки между зубьями. (с.15 [2]),
=1;
-
коэффициент динамической нагрузки,
зависящий от окружной скорости колес
и степени точности передачи (с.16 [2]),
=1,4;
-
коэффициент неравномерности нагрузки
по длине зуба (с.16 [2]),
=1,25;
-
коэффициент, учитывающий наклон зуба,
=
;
-
коэффициенты формы зуба шестерни и
колеса (с.16 [2]),
=3,61.
Мпа
Для шестерни
(
4.14)
где
-
коэффициенты формы зуба шестерни и
колеса (с.16 [2]),
=3,61;
-
коэффициенты формы зуба шестерни и
колеса (с.16 [2]),
=3,88;
-
напряжение изгиба на колесе, Мпа.
Мпа
Так как [σ]>F>>1>=547,83 МПа, [σ]>F>>2>=495,65 МПа и σ>F>>1>=233,67 МПа, σ>F>>2>=217,41 МПа , то колеса прошли проверку по напряжениям на изгиб.
Проверяем зубья колес по контактным напряжениям .

где
,
,
-коэффициенты
учитывающие распределение нагрузки
между зубьями, неравномерность
распределения нагрузки по длине
контактной линии, дополнительные
динамические нагрузки, так как редуктор
рассчитан на долгий срок службы, то
=1,
=1,
=1
.
=491,28
МПа
Определяем, как нагружены колеса:
%=0,88%
Колеса недогружены на 0,88%.
4.8 Вывод
При определении погрешности передаточного числа, получили Δi= 1,5% , что позволяет сделать вывод- передаточное число выбрано, верно.
Так как[σ]>F>>1>=547,83 МПа, [σ]>F>>2>=495,65 МПа и σ>F>>1>=233,67 МПа, σ>F>>2>=217,41 МПа то колеса прошли проверку по напряжениям на изгиб.
В результате расчетов
определили, что
0,88%
недогрузки. Это величина не превышает
допустимого значения (5 % перегрузки и
10 % недогрузки), следовательно, колеса
прошли проверку по контактным напряжениям.
В результате проверочного расчета убедились, что полусумма делительных диаметров равна межосевому расстоянию.
5 Ориентировочный расчет валов
5.1 Задачи
Определить основные размеры валов редуктора предварительно.
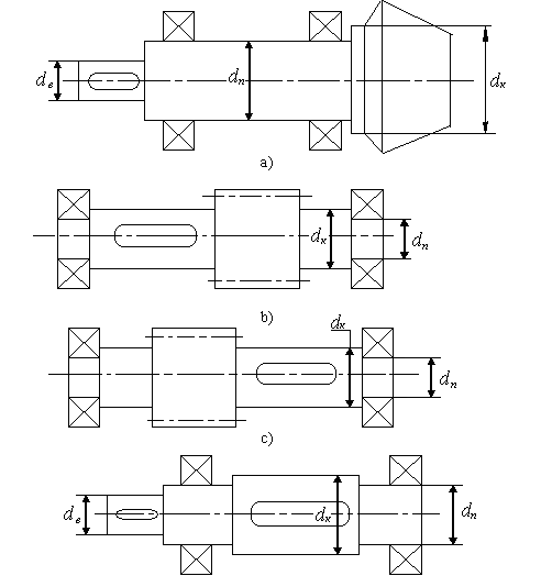
5.2 Расчетные схемы

Рисунок 5.1 – Схемы для расчета a) быстроходного вала; b) 1 промежуточного вала; c)2 промежуточного вала; d) тихоходного вала.
5.3 Данные
Крутящий момент быстроходного вала – 22,8 Н·м
Крутящий момент 1 промежуточного вала –54,2 Н·м
Крутящий момент 2 промежуточного вала – 220,1 Н·м
Крутящий момент тихоходного вала – 697,4 Н·м
5.4 Условия расчета
Расчет валов ведем по заниженным допускаемым напряжениям на чистое кручение.
5.5 Расчет быстроходного вала
Расчет быстроходного вала ведется по следующим формулам
>
>
>
>
>
>
где Т- крутящий момент на валу, Н·м;
>
>>
- >диаметр
входного конца вала, мм;> >
>
>>
>- диаметр вала под
подшипники, мм;> >
>
>-
диаметр вала под колесо, мм.
>
>мм
Для того чтобы вести
дальнейший расчет необходимо выбрать
стандартный диаметр входного конца
вала под муфту. Выбираем упругую муфту
с торообразной оболочкой. Муфта выбирается
по диаметру выходного вала двигателя
(
мм).
Тогда >
>=25
мм.
>
>
мм
>
>
мм
5.6 Расчет 1 промежуточного вала
>
>
>
>>
>мм
Так как при расчете
значение >
>>
>оказалось меньше, чем
значения валов применяемых в практике,
то принимаем >
>=
30 мм.
>
>>
>мм.
5.7 Расчет 2 промежуточного вала
>
>
>
>>
>мм
>
>
>
>>
>мм
5.8 Расчет тихоходного вала
>
>
>
>>
>мм
>
>
>
>>
>мм
>
>
>
>>
>мм
5.9 Вывод
При расчёте быстроходного вала необходимо подобрать диаметр выходного конца вала под муфту. При подборе нужно руководствоваться стандартными значениями диаметров муфт. Для входного конца быстроходного вала подбираем упругую муфту с торообразной оболочкой, так как она больше всего подходит для соединения двигателя и выходного конца вала редуктора.
При расчёте первого промежуточного вала диаметры валов получились маленькими по сравнению с применяемыми в производстве, поэтому мы увеличиваем значение диаметров валов к большему из ближайших стандартных значений.
6 Эскизная компановка
6.1 Цель
Определить расстояние между точками приложения сил на валах.
6.2 Данные для компановки
Быстроходная передача (берём из пункта 2.6) :
>
>> >
>
>
>
>
>
>
=61,1985º



=15,45
мм
Промежуточная передача (берём из пункта 3.6):
=140
мм.
=
мм
=
мм
d>a>>1>=58 мм
d>f>>1> =49 мм
d>a>>2> =230 мм
d>f>>2>=221 мм
b>1>=47 мм.
b>2> =42 мм
Тихоходная передача (берём из пункта 4.6):
=200
мм.
=
мм
=
мм
d>a>>1>=98 мм
d>f>>1> =89мм
d>a>>2>=310 мм
d>f>>2>=148 мм
b>1>=65 мм.
b>2> =60 мм
Диаметры валов (берём из пунктов 5.5 5.6 5.7 5.8):
Быстроходный вал:
>
>>
=>25мм
>
>>=>35мм
>
>>
>=30мм
1 Промежуточный вал:
>
>>=>30мм
>
>>
>=25мм
2 Промежуточный вал:
>
>>=>36мм
>
>>
>=30мм
Тихоходный вал:
>
>>
=>40мм
>
>>=>50мм
>
>>
>=45мм
6.3 Условие компановки:
Выполняется графически, расстояния определяются непосредственным замером с компановки.
7 Проверочный расчёт валов
7.1 Цель
Провести проверочный расчёт валов в виде уточнённого расчёта.
7.2 Расчётная схема

7.3 Данные
F>t>>3 >=1947,78 Н
F>r>>3 >=708,99 Н
F>t>>2 >= 1407,28 Н
F>r>>2 >=68,113 Н
F>a>>2 >=1161,02 Н
7.4 Условия
Проверочный расчёт производим в виде определения коэффициента запаса прочности в опасных сечениях
7.5 Построение эпюр
Определение реакций, построение эпюр изгибающих моментов первого промежуточного вала.
Примем вал за балку, закрепленную с двух концов на подвижно шарнирных опорах. Силы в подшипниках заменим на реакции опор. И рассчитаем изгибающий момент в каждой точке приложения сил.
Определяем реакции опор в плоскости (XoY) действия сил
Сумма моментов относительно точки А равен нулю.




Сумма моментов относительно точки В равен нулю





Н
Проверка:

833,5-708,89+68,113-192,7=0
Определяем реакции опор в плоскости (XoZ) действия сил
Сумма моментов относительно точки А равен нулю


Н
Сумма моментов относительно точки В равен нулю



Н
Проверка:

-1710,86+1947,78+1407,28-1644,6=0
Определяем реакции
(7.1)
(7.2)
Н
Н
Определяем общий изгибающий момент в каждом опасном сечении по формуле

(7.3)
Н∙мм
Н∙мм
Производим расчет изгибающих моментов для построения эпюр.
Участок 1
0
Х
45
В плоскости ХоУ

Х>1>=0 М=0
Х>2>=45 мм М=37507,5 Н∙мм
В плоскости ХоZ

Х>1>=0 М=0
Х>2>=45 мм М=-76988,7 Н∙мм
Участок 2
0
Х
89
В плоскости ХоУ

Х>1>=0 М=37507,5 Н∙мм
Х>2>=89 мм М=48597,79 Н∙мм
В плоскости ХоZ

Х>1>=0 М=-76988,7 Н∙мм
Х>2>=89 мм М=-55902,8Н∙мм
Участок 3
0
Х
34
В плоскости ХоУ

Х>1>=0 М=0 Н∙мм
Х>2>=34 мм М=-6551,8Н∙мм
В плоскости ХоZ

Х>1>=0 М=0 Н∙мм
Х>2>=34 мм
М=-55902,8Н∙мм

7.6 Определение коэффициента запаса прочности в опасных сечениях
Материал вала – сталь 45.
Примем, что нормальные напряжения от изгиба изменяются по симметричному циклу, а касательные от кручения .
Коэффициент запаса прочности рассчитываем для опасных сечений ( опасным сечением является, то сечение вала, где наибольший изгибающий момент; есть концентратор напряжений; наименьший диаметр вала).
Коэффициент запаса прочности определяем по формуле (6.17 [1]):
(
7.4)
где
-
коэффициент запаса прочности нормальных
напряжений, определяется по формуле
(6.18 [1]):

(7.5)
где
-
предел выносливости стали при симметричном
цикле изгиба; для углеродистой стали
;
(
-
предел прочности (таблица 3.3 [1])
=780
Н·мм, тогда
Н·мм.
-
эффективный коэффициент концентрации
нормальных напряжений
=1,36
(таблица 6.2 [1] );
-
масштабный фактор для нормальных
напряжений;
=0,88 (таблица 6.8 [1] );
-
амплитуда цикла нормальных напряжений,
равная наибольшему напряжению изгиба
в рассматриваемом сечении, определяем
по формуле ( с. 285 [1] ):

(7.6)
где М - изгибающий момент в данном сечении (из эпюр);
момент сопротивления сечения нетто, определяется по формуле:
для концентратора напряжений – шпонка:

(7.8)
для концентратора напряжений – совпадение с краем шестерни:

(7.9)
где
-
коэффициент запаса прочности нормальных
напряжений, определяется по формуле
(6.18 [1]):
(7.10)
где
-
предел выносливости стали при симметричном
цикле изгиба; для углеродистой стали
;
тогда
Н·мм.
-
эффективный коэффициент концентрации
касательных напряжений
=1,14
(таблица 6.2 [1] );
-
масштабный фактор для нормальных
напряжений;
=0,77 (таблица 6.8 [1] );
-
амплитуда цикла касательных напряжений,
равная наибольшему напряжению изгиба
в рассматриваемом сечении, определяем
по формуле ( с. 285 [1] ):
(7.11)
где М>к> – крутящий момент в данном сечении (кинематического расчета);
W-момент сопротивления сечения нетто, определяется по формуле:
для концентратора напряжений – шпонка:
(7.12)
для концентратора напряжений – совпадение с краем шестерни:
(7.13)
-
коэффициент чувствительности материала
к асимметрии цикла,
=0,1
( с. 100 [1] ).
Предварительный расчет размеров шпонок :
Таблица 7.1 – Расчет шпонок
|
Вал |
d, мм |
l, ст |
T, Н∙мм |
b, мм |
h, мм |
t>1, >мм |
t>2, >мм |
l, шп мм |
l, раб мм |
σ, Н∙мм |
|
1 |
25 |
50 |
22800 |
8 |
7 |
4 |
3,3 |
45 |
37 |
16,4 |
|
2 |
30 |
42 |
54200 |
10 |
8 |
5 |
3,3 |
40 |
30 |
40 |
|
3 |
36 |
50 |
220100 |
10 |
8 |
5 |
3,3 |
45 |
35 |
116 |
|
4 |
40 |
90 |
697400 |
22 |
14 |
9 |
5,4 |
80 |
58 |
120 |
|
50 |
65 |
697400 |
14 |
9 |
5,5 |
3,8 |
63 |
59 |
80,8 |
Рассчитываем коэффициент запаса прочности для шестерни:
мм3
=2·6,28·103
=12,56·103 мм3
Н/мм2
Н/мм2



Рассчитываем коэффициент запаса прочности для колеса ( шпоночный паз:
мм3
мм3
Н/мм2
Н/мм2



7.7 Вывод
При уточнённом расчёте мы рассчитывали коэффициент запаса прочности, который позволяет одновременно учитывать как касательные, так и нормальные напряжения на вал. Для того чтобы выполнялось условие прочности, необходимо чтобы [n]= >10 (с.95[3]). Сравнивая расчётный результат с допускаемым значением можно сделать вывод, то жёсткость вала обеспечивается.
8 Подбор и проверка подшипника качения и скольжения
8.1 Цель
Подобрать и проверить подшипники на долговечность.
8.2 Расчётная схема

Подшипник номер 305, шариковый радиальный, внутренний диаметр 25мм, серия диаметра средняя.
Данные
D=62 мм
d=25 мм
мм
C=29,6 kH – динамическая грузоподъёмность
kH-
статическая грузоподъёмность
V – коэффициент вращения; при вращающемся внутреннем кольце подшипника V=1
8.4 Условие
Подшипник подбираем по диаметру вала и направлению воспринимаемой нагрузки, а проверяем на долговечность с учётом динамической нагрузки.
8.5 Подбор подшипника
На первом этапе подшипник выбираем по диаметру вала, характеру нагрузки (действующими силами), частоте вращения вала, по условиям работы, наиболее дешевые шариковый радиальный средней серии 305(ГОСТ 8388-75).
Характеристика подшипника:
Наружный диаметр подшипника D=62 мм;
Внутренний диаметр подшипника d=25 мм;
Ширина подшипника B=17 мм;
Динамическая грузоподъёмность C=17,3 kH;
Статическая грузоподъёмность
kH;
Расчёт подшипника
(1.1)
где
-
эквивалентная нагрузка, Н
m – показатель степени: m=3,33 – для роликовых подшипников;
- коэффициент учитывающий
влияние качества подшипника и качества
его эксплуатаций; при обычных условиях
работы подшипника
=0,7…0,8
– для шариковых подшипников;
n – частота вращения внутреннего кольца подшипника соответствующего вала, об/мин.



е=0,02235
у=1,9865
х=0,56





8.7 Вывод
Полученный результат долговечности подшипника удовлетворяет условию 10000<L>h><40000 ч., то предварительно выбранные подшипники пригодны для конструирования подшипниковых узлов.
9 Шпоночные соединения
9.1 Задача
Подобрать и проверить соединения колес, шкивов, звездочек с валами.
9.2 Расчетная схема

Рисунок 9.1 – Шпоночное соединение с призматической шпонкой
9.3 Данные
Таблица 9.1-Данные для расчета шпоночных соединений
-
Вал
d, мм
l, ст
T, Н∙мм
1
25
50
22800
2
30
42
54200
3
36
50
220100
4
40
90
697400
50
65
697400
9.4 Условия расчета
Подбор осуществляем по диаметру вала и длине ступицы.
9.5 Подбор соединения
Выбираем призматические шпонки ГОСТ 23360-78.
Таблица 9.2 – Параметры шпонок
-
Вал
d, мм
l, ст
T, Н∙мм
b, мм
h, мм
t>1, >мм
t>2, >мм
l, шп мм
1
25
50
22800
8
7
4
3,3
45
2
30
42
54200
10
8
5
3,3
40
3
36
50
220100
10
8
5
3,3
45
4
40
90
697400
12
8
5
3,3
80
50
65
697400
14
9
5,5
3,8
63
9.6 Расчет
Призматические шпонки, применяемые в проектируемом редукторе, проверяем на смятие.
Условие прочности
(
9.1)
где h – высота шпонки, мм;
t>1 >–глубина паза в валу, мм;
l>р>- рабочая длина
шпонки, l>p>=l>ш>-b
-
допускаемое напряжение на смятие,
Н/м2.
Расчет шпоночных соединений сводим в таблицу.
Таблица 9.3-
-
Вал
d, мм
l, ст
T, Н∙мм
b, мм
h, мм
t>1, >мм
t>2, >мм
l, шп мм
L>раб>, мм
σ, Н∙мм
1
25
50
22800
8
7
4
3,3
45
25
16,4
2
30
42
54200
10
8
5
3,3
40
30
40
3
36
50
220100
10
8
5
3,3
45
36
116
4
40
90
697400
12
8
5
3,3
80
40
120
50
65
697400
14
9
5,5
3,8
63
50
80,8
9.7 Вывод
Рассчитанное допускаемое напряжение для каждой шпонки не превышает допускаемого напряжения на смятие. Следовательно, выбранные шпонки смогут передавать необходимый крутящий момент.
10 Муфты
В проектируемом приводе применяем компенсирующую разъемную муфту нерасцепляемого класса в стандартном исполнении.
Для соединения выходного конца двигателя и быстроходного вала редуктора применяем упругую (исходя из задания) муфту упругую втулочно-пальцевую.
Муфту выбираем по большему диаметру выходных концов соединяемых валов и расчетному моменту Т>р>, который должен быть в пределах номинального:

(10.1)
где К- коэффициент режима нагрузки (таблица 10.26 [3]), для конвейера К=1,8;
Т- вращающий момент на соответствующем валу редуктора, Т=22,8 Н·м;
Т>ном >– номинальный момент(таблица 9.7 [1]).
Принимаем муфту с номинальным моментом Т>ном>=80 Н·м, соединяющую вал двигателя диаметром d=16мм и быстроходный вал редуктора диаметром d=25мм.
Т>р>=1,8·22,8=41,04 Н·м
Значение расчетного момента удовлетворяет условию 10.1. Следовательно, выбранная муфта обеспечит компенсацию радиального, осевого и углового смещения валов.
11 Смазка
Смазывание зубчатых зацеплений и подшипников применяют в целях защиты от коррозии, снижения коэффициента трения, уменьшения износа, отвода тепла и продуктов износа от трущихся поверхностей, снижения шума и вибраций. Для редукторов общего назначения применяют непрерывное смазывание жидким маслом картерным непроточным способом (окунанием). Этот способ применяют для зубчатых передач при окружных скоростях от 0,8 до 12,5 м/с.
При смазывании зубчатых колес окунанием подшипники качения обычно смазываются из картера в результате разбрызгивания масла колесами, образования масляного тумана и растекания масла по валам.
Определение количества масла.
Для редукторов при смазывании окунанием объем масляной ванны определяем из расчета 0,5…0,7л. масла на 1кВт передаваемой мощности.
V>треб>=(0,5÷0,7)·2=1÷1,4л
Объем масляной ванны определяем по формуле
V=h·l·b, (11.1)
Где h-высота масляной ванны, дм;
l – длина масляной ванны, дм;
b – ширина масляной ванны, дм.
V=0,46·5,6·1,43=3,68 л
Рассчитанный объем масляной ванны соответствует необходимому объему в расчете на 1 кВт передаваемой мощности.
Заключение
В данной учебной курсовой работе мы рассчитали привод пластинчатого конвейера. По заданию необходимо было разбить общее передаточное отношение так, что бы U>общ>=35. При расчете каждой передачи коническо-цилиндрического редуктора получили, что передаточное отношение конической передачи составило 2,5, промежуточной-4,24; тихоходной-3,3. Фактическое общее передаточное отношение составит Uф>общ>=2,5·4,24·3,3=34,98.
Таким образом рассчитанное общее передаточное отношение отличается от заданного на 3 %, что допустимо при расчетах.
Рассчитанная выходная мощность отличается от заданной на 1%, что так же не превышает допустимого значения.
Для удобства монтажа и процесса изготовления выбираем вместо сварной рамы литую плиту.
Список литературы
1 С.А. Чернавский и др. Курсовой проектирование деталей машин . М.: Машиностроение , 1980 .-352 с.
2 П.Ф Дунаев, О.П. Леликов . Детали машин. Курсовое проектирование. – М.: Высш. шк., 1984. – 336 с.
3 А. Е. Шейнблит Курсовое проектирование деталей машин: Учебное пособие. – калининград: Янтар. сказ, 2002. - 454 с.
4 М. Н. Иванов , Детали машин: Учебник для студентов втузов /Под ред. В. А. Финогенова. – 6-е изд., перераб. – М.: Высш. шк., 1998. –383 с.
