Расчет и проектирование привода лебедки
Министерство сельского хозяйства и продовольствия Республики Беларусь
УО «Белорусская государственная сельскохозяйственная академия»
Расчетно-пояснительная записка
к курсовому проекту по «Деталям машин и основам конструирования»
Тема: Расчет и проектирование привода лебедки
Выполнил:
студент гр.
специальность
Проверил:
2009
Содержание
Введение
1. Кинематический и силовой расчет
2. Расчет косозубой передачи
3. Расчет шевронной передачи
4. Расчет валов редуктора
5. Расчет и конструирование подшипниковых узлов
6. Подбор и проверочный расчет шпонок
7. Определение конструктивных размеров зубчатой передачи
8. Определение конструктивных размеров корпуса
9. Определение конструктивных размеров крышек подшипников
10. Выбор масла, смазочных устройств
16. Выбор и проверочный расчет муфт
17. Сборка редуктора
18. Техника безопасности
Список использованной литературы
Введение
В создании материально-технической базы значительная роль отводится подъемно-транспортному машиностроению, перед которым поставлена задача широкого внедрения во всех областях народного хозяйства комплексной механизации и автоматизации производственных процессов, ликвидации ручных погрузочно-разгрузочных работ и исключения тяжелого ручного труда при выполнении основных и вспомогательных производственных операций. Современные поточные технологические и автоматизированные линии, межцеховой и внутрицеховой транспорт, погрузочно-разгрузочные операции органически связаны с применением разнообразных грузоподъемных машин и механизмов, обеспечивающих непрерывность и ритмичность производственных процессов.
Правильный выбор грузоподъемного оборудования является основным фактором нормальной работы и высокой эффективности производства. Нельзя обеспечить устойчивый ритм производства на современной ступени его интенсификации без согласованной и безотказной работы современных средств механизации внутрицехового и межцехового транспортирования сырья, полуфабрикатов и готовой продукции на всех стадиях обработки и складирования. Успешно осуществляется переход от применения отдельных видов подъемно-транспортной техники к внедрению высокопроизводительных комплексов. Создаются принципиально новые системы грузоподъемных машин для комплексной механизации и автоматизации погрузочно-разгрузочных, транспортных и складских работ. Современные высокопроизводительные грузоподъемные машины, имеющие высокие скорости и большую грузоподъемность, появились в результате постепенного совершенствования машин в течение долгого времени.
В грузоподъемных машинах применяют электропривод с двигателями постоянного и переменного тока. Основным преимуществом двигателей постоянного тока является возможность регулирования скорости в широких пределах и получения механических характеристик, наиболее полно удовлетворяющих требованиям, предъявляемым к работе грузоподъемных машин. Кроме того, двигатели постоянного тока обладают большей перегрузочной способностью и более напряженным режимом работы.
Электропривод с двигателем переменного тока по сравнению с приводом постоянного тока обладает более низкой стоимостью и меньшими затратами при эксплуатации, вследствие более простой и надежной конструкции. Кроме того, электродвигатели переменного тока получают электроэнергию непосредственно из сети, а для электродвигателей постоянного тока требуются индивидуальные или цеховые преобразовательные устройства.
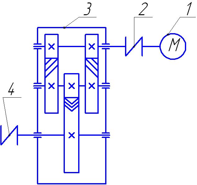
Примерный вид привода лебедки приведен на рис.1

Рис.1 Примерная схема привода лебедки
где: 1-двухступенчатый редуктор, 2-электродвигатель, 3-ограничитель подъема.
Кинематическая схема заданного привода лебедки приведена на рис.2.
Вращение привода передается от вала электродвигателя 1 к выходной муфте 4 через входную муфту 2 и двухступенчатый редуктор 3.

Рис.2 Кинематическая схема привода лебедки.
1. Кинематический и силовой расчет
Исходные данные:
вращающий момент на выходном валу Т>3>=1260Нм;
угловая скорость выходного вала ω>3>=4с-1;
Определяем мощность на выходном валу Р>3>= Т>3>х ω>3>=1260х4=5040Вт.
Определяем общий КПД привода по схеме привода
η>общ>=η>кп> η>шп> η>м> η>п> (1.1)
где [1, с.5, табл.1.1]: η>кп>=0,97- КПД косозубой передачи;
η>шп>=0,97 - КПД шевронной передачи;
η>м>=0,982 – потери в муфтах;
η>п>=0,993- коэффициент, учитывающий потери на трение в подшипниках 3-х валов.
Сделав подстановку в формулу (2.1) получим:
η>общ.>=0,97*0,97*0,982*0,993=0,877
Определяем мощность, необходимую на входе [1,с.4]
Р>тр>=Р>3>/η>общ.> (1.2)
где Р>тр> – требуемая мощность двигателя:
Р>тр>=5,04/0,877=5,75кВт
Выбираем электродвигатель [1,с.390,табл. П1,П2]
Пробуем двигатель 4А132М6У3:
Р>дв.>=7,5кВт;
n>с>=1000об/мин;
S=1,3%
d>дв.>=38мм.
Определяем номинальную частоту вращения электродвигателя по формуле (1.3) [1,c.6]:
n>ном>=n>c>·(1-S); n>ном>=1000·(1-0,013);
n>ном>=870 об/мин
По формуле (2.4) определяем угловую скорость вала двигателя
ω>дв>=πn>дв>/30=π*870/30=91,1рад/с;
Определяем общее передаточное число привода
U=ω>дв.>/ω>3>=91,1/4=22,8
Производим разбивку передаточного числа по ступеням. По схеме привода
U>общ.>=U>1>· U>2>; (1.3)
Назначаем по рекомендации [1,табл.1.2]:
U>1>=5;
тогда
U>2>= U>общ.>/U>1>;
U>2>=4,56, что входит в рекомендуемые пределы
Принимаем U>2>=4,5.
Тогда уточняем передаточное число привода по формуле (2.3):
U>общ.>=5х4,5=22,5
Принимаем окончательно электродвигатель марки 4А136М6 с d>вых>=38мм.
Угловые скорости определяем по формуле
ω=πn/30 (1.4)
По схеме привода (рис.2) и формуле (1.4) определяем частоты вращения и угловые скорости каждого вала
n>1>= n>дв>
n>2>= n>дв>/U>1>=870/5=174об/мин;
ω>2>=πn>2>/30=π*174/30=18,2 рад/с;
n>3>= n>2>/U>2>=174/4,5=38,7 об/мин;
ω>3>=πn>3>/30=π*38,7/30=4 рад/с.
Определяем мощность на каждом валу по схеме привода
Р>1>=Р>дв> η>м>=7,5*0,98=7,35 кВт;
Р>2>=Р>1> η>кп> η>п>=7,35*0,97*0,992=7,06 кВт;
Р>3>=Р>2> η>шп >η>п> =7,06*0,97*0,99=6,78 кВт.
Определяем вращающие моменты на каждом валу привода по формуле
(Нм) (1.5)
;
;
;
.
Все рассчитанные параметры сводим в табл.1.
Параметры кинематического расчета Таблица 1
|
№ вала |
n, об/мин |
ω, рад/с |
Р, кВт |
Т, Нм |
U |
|
Дв |
870 |
91,1 |
7,5 |
82,3 |
|
|
1 |
870 |
91,1 |
7,35 |
80,7 |
5 |
|
2 |
174 |
18,2 |
7,06 |
388 |
|
|
4,5 |
|||||
|
3 |
38,7 |
4 |
6,78 |
1964 |
2. Расчет косозубой передачи
2.1 Исходные данные
Мощность на валу шестерни и колеса Р>1>=7,35 кВт
Р>2>=7,06 кВт
Вращающий момент на шестерне и колесе Т>1>=80,7 Нм
Т>2>=388 Нм
Передаточное число U=5
Частота вращения шестерни и колеса n>1>=870 об/мин
n>2>=174 об/мин
Угловая скорость вращения шестерни и колеса ω>1>=91,1 рад/с
ω>3>=18,2 рад/с
Угол наклона зубьев β>1>=13˚
Расположение колес относительно опор симметричное.
2.2 Расчет параметров зубчатой передачи
Выбираем материал для шестерни и колеса по табл.3.3 [1,c.34]:
шестерня – сталь 40Х, термообработка – улучшение 270НВ,
колесо - сталь 40Х, термообработка – улучшение 250НВ.
Определяем допускаемое контактное напряжение по формуле (3.9) [1,c.33]:
(2.1)
где σ>Hlimb> – предел контактной выносливости при базовом числе циклов;
К>HL> – коэффициент долговечности;
[S>H>] – коэффициент безопасности;
по [1,c.33]: К>HL> =1; [S>H>] =1,1.
Определяем σ>Hlimb> по табл.3.2 [1,c.34]:
σ>Hlimb> =2НВ+70; (2.2)
σ>Hlimb>>1> =2270+70; σ>Hlimb>>1> =610МПа;
σ>Hlimb>>2> =2250+70; σ>Hlimb>>1> =570МПа.
Сделав подстановку в формулу (3.1) получим
;
МПа;
;
МПа.
Определяем допускаемое расчетное напряжение по формуле (3.10) [1,c.35]:
(2.3)
;
МПа.
Определяем межосевое расстояние передачи по формуле (3.7) [1,c.32]:
(2.4)
де К>а> – числовой коэффициент;
К>Hβ> – коэффициент, учитывающий неравномерность распределения нагрузки по ширине венца;
- коэффициент ширины;
Т>2> – вращающий момент на колесе
Выбираем коэффициенты:
К>а> =43 [1,c.32];
К>Hβ> =1,1 [1,c.32,табл.3.1];
=0,315
назначаем по ГОСТ2185-66 с учетом рекомендаций
[1,c.36];
Т>2>=388Нм.
Подставив значения в формулу (3.4) получим:
;
мм;
Принимаем окончательно по ГОСТ2185-66 [1,c.36]
мм.
Определяем модуль [1,c.36]:
(2.5)
;
;
Принимаем по ГОСТ9563-60 модуль m>n>=2,0мм [1,c.36]
Определяем суммарное число зубьев по формуле (3.12) [1,c.36]:
(2.6)
Так как β=13º (β=8º…12º), тогда cosβ=0,974
;
;
Принимаем
зуба.
Определяем число зубьев шестерни и колеса по формулам (3.13) [1,c.37]:
;
;
;
;
;
.
Уточняем фактическое передаточное число
;
; 
Отклонения передаточного числа от номинального нет.
Определяем делительные диаметры шестерни и колеса по формуле (3.17) [1,c.37]:
(2.8)
;
мм;
;
мм.
Проверяем межосевое расстояние
(2.9)
;
мм.
Определяем остальные геометрические параметры шестерни и колеса по формулам:
;
; 
;
;
(2.10)
;
(2.11)
мм;
;
мм;
;
мм;
;
мм;
;
мм;
;
мм;
;
мм
;
мм;
;
мм;
;
мм.
Проверяем соблюдение условия (т.к. Ψ>ba><0,4)
;
;
;
0,315>0,223
Значит, условие выполняется.
Определяем окружные скорости колес

;
м/с;
;
;
м/с;
м/с.
Назначаем точность изготовления зубчатых колес – 8В [1,c.32].
Определяем фактическое контактное напряжение по формуле (3.6) [1,c.31]
(2.12)
где К>Н> – коэффициент нагрузки:
К>Н> =К>Нά> К>Нβ> К>Н>>>;
К>Нά> – коэффициент, учитывающий неравномерность распределения нагрузки между зубьями;
К>Нβ> - коэффициент, учитывающий неравномерность распределения нагрузки по ширине;
К>Н>>> - коэффициент, учитывающий динамическую нагрузку в зацеплении.
Уточняем коэффициент нагрузки
К>Нά> =1,01; [1,c.39, табл.3.4]
К>Н>>> =1; [1,c.40, табл.3.6]
;
;
,
тогда К>Нβ> =1,09; [1,c.39, табл.3.7]
К>Н> =1,011,091; К>Н> =1,1.
Сделав подстановку в формулу (3.12) получим
;
МПа.
Определяем ∆σ>Н>
;
;
недогрузки,
что допускается.
Определяем силы в зацеплении
- окружная
; (2.13)
;
Н;
- радиальная
; (2.14)
;
Н;
- осевую
; (2.15)
;
Н.
Практика показывает, что у зубчатых колес с НВ<350 выносливость на изгиб обеспечивается с большим запасом, поэтому проверочный расчет на выносливость при изгибе не выполняем.
Все вычисленные параметры заносим в табл.2.
Таблица 2. Параметры закрытой зубчатой передачи
-
Параметр
Шестерня
Колесо
m>n>,мм
2
βº
13º
h>a>,мм
2
h>t>,мм
2,5
h,мм
4,5
с, мм
0,5
d,мм
53
267
d>а>,мм
57
271
d>f>,мм
48
252
b, мм
54
50
а>W>,мм
160
v, м/с
2,4
F>t>, Н
2906
F>r>, Н
1086
F>а>, Н
250,7
3. Расчет шевронной передачи
Исходные данные:
Мощность на валу шестерни и колеса Р>1>=7,06 кВт
Р>1>=6,78 кВт
Вращающий момент на шестерне и колесе Т>1>=388 Нм
Т>2>=1964 Нм
Передаточное число U=4,5
Частота вращения шестерни и колеса n>1>=174 об/мин
n>2>=38,7 об/мин
Угловая скорость вращения шестерни и колеса ω>1>=18,2 рад/с
ω>3>=4 рад/с
Угол наклона зубьев β=45˚
Расположение колес относительно опор симметричное.
Материал зубчатых колес сталь
45 с термообработкой – улучшение; для
колеса твердость 235…262 НВ>2>
(248 НВ>2ср>),
>Т>
= 540 Н/мм2,
наибольшая толщина сечения заготовки
;
для шестерни 269…302 НВ>1>
(285 НВ>1ср>),
>Т>
= 650 Н/мм2,
при диаметре заготовки шестерни
.
При этом обеспечивается
прирабатываемость зубьев:
.
Интерполированием, т.е. находим промежуточные значения функции по известным ее частным значениям, [1,табл.4.15] находим число циклов напряжений, соответствующее пределу выносливости:
для колеса – N>HO>>2> = 16,2106,
для шестерни – N>HO>>1> = 22,5106 .
Рекомендуется N>F>>0> = 4106 – наработка.
Находим число циклов нагружения зубьев (колеса и шестерни) за весь срок службы:
;
;
;
;
где
- ресурс (срок службы) передачи, примерно
три года при двухсменной работе.
Принимаем значения коэффициентов:
K>HL> = 1, учитывает влияние срока службы и режима нагрузки передачи,
K>FL> = 1, учитывает долговечность работы.
Определяем допускаемые контактные напряжения []>HO> и напряжения изгиба []>FO>, соответствующие числу циклов напряжений N>HO> и N>FO> [3, табл. 4.6] для материалов зубьев колеса и шестерни:
;
;
;
;
;
;
Определяем допускаемые напряжения с учетом ресурса (срока службы) передачи:
;
;
;
;
;
;
Чтобы рассчитать
межосевое расстояние, принимаем
расчетные коэффициенты:
– коэффициент ширины венца [1,табл.
4.6],
,
– коэффициент неравномерности нагрузки
по длине зуба (табл. 4.18; 4.20).
Тогда межосевое расстояние передачи равно:

где К>а> =43 – числовой коэффициент для шевронной передачи;
Т>2>=232Нм.
Подставив значения в формулу (5.1) получим:
;
мм;
Принимаем окончательно по ГОСТ2185-66 [1,c.36]
мм.
Определяем модуль [1,c.36]:
;
;
Принимаем по ГОСТ9563-60 модуль m>n>=4,0мм [1,c.36]
Определяем суммарное число зубьев по формуле:

β=45º, тогда cosβ=0,707
;
;
Принимаем
зуба.
Определяем число зубьев шестерни и колеса по формулам [1,c.37]:
;
;
;
;
.
Уточняем фактическое передаточное число
;
; 
Отклонения передаточного числа от номинального нет.
Определяем делительные диаметры шестерни и колеса по формуле (3.11):

;
мм;
;
мм.
Проверяем межосевое расстояние
;
мм.
Определяем остальные геометрические параметры шестерни и колеса по формулам (2.10)
;
; 
;
;
;
мм;
;
мм;
;
мм;
;
мм;
;
мм;
принимаем b>2>=80мм;
;
мм;
;
мм
;
мм;
;
мм;
;
мм.
Проверяем соблюдение условия (т.к. Ψ>ba><0,4)
;
;
;
0,315>0,056
Значит, условие выполняется.
Определяем окружные скорости колес

;
м/с;
;
;
м/с;
Принимаем для расчетов
м/с.
Определяем силы в зацеплении
- окружная
;
;
Н;
- радиальная
;
;
Н;
- осевого усилия нет.
Принимаем 9-ую степень точности изготовления колес [1,табл.4.5].
Принимаем коэффициенты динамической нагрузки: K>HV>=1,2 (Н≤350HB); К>FV>=1,02 [1,табл. 4.13]. Принимаем коэффициенты формы зуба некорригированного зацепления: для шестерни z>1> = 16, Y>F>>1> = 4,4; а для колеса z>2 >= 72, Y>F>>2 >= 3,61. Проверяем зубья колеса по контактным напряжениям и по напряжениям изгиба:
Расчетное контактное напряжение:
;
;
Определяем ∆σ>Н>
;
;
недогрузки, что допускается.
Расчетные напряжения изгиба в основании ножки зубьев колеса и шестерни:
;
;
;
;
Прочность зубьев на изгиб обеспечивается
Все вычисленные параметры заносим в табл.3.
Параметры закрытой шевронной передачи Таблица 3
-
Параметр
Шестерня
Колесо
m>n>,мм
4
z
16
72
βº
45º
h>a>,мм
4
h>f>,мм
5
h,мм
10
с, мм
0,5
d,мм
90,5
409,5
d>а>,мм
98,5
422,5
d>f>,мм
80,5
399,6
b, мм
80
62
ω, рад
18,2
4
а>W>,мм
250
v, м/с
0,8
Т, Нм
388
1964
F>t>, Н
9593
F>r>, Н
4938
4. Расчет валов редуктора
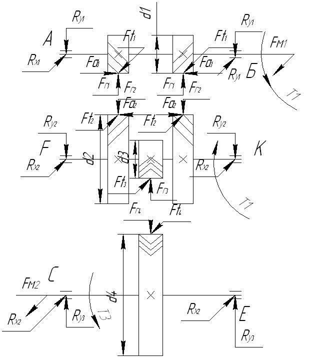
По кинематической схеме привода составляем схему усилий, действующих на валы редуктора. Для этого мысленно расцепим шестерню и колесо редуктора. По закону равенства действия и противодействия:
F>a1>= F>a2>= F>a1>;
F>t1>= F>t2>= F>t1>;
F>r1>= F>r2>= F>r1>;
F>t3>= F>t4>= F>t2>;
F>r3>= F>r4>= F>r2>.
Схема усилий приведена на рис.3.
Так как на валу промежуточного вала находится 3 зубчатых колеса, этот вал будет определяющим для внутренней ширины корпуса редуктора и расчет валов начнем с него.
4.1 Расчет промежуточного вала
Исходные данные выбираем из табл.1,3 с округлением до целых чисел:
Схема усилий действующих на валы редуктора
F>a>>1>= F>a>>2>= F>a>>1>=251Нм;
F>t>>1>= F>t>>2> =F>t>>1>= 2906Нм;
F>r>>1>= F>r>>2>= F>r>>1>= 1086Нм;
F>t>>3>= F>t>>4>= F>t>>2>=9592Нм;
F>r>>3>= F>r>>4>= F>r>>2>=4938Нм;
Нм;
Нм.

Рис.4 Схема усилий, действующих на валы редуктора
d1=53мм;
d2=267мм;
d3=90,5мм;
Т>1>=81Н;
Т>2>=388Н;
Т>2>=388Н;
b>1>=54мм;
b>2>=50мм;
b>3>=82мм;
Назначаем материал вала. Принимаем сталь 40Х, для которой [1, табл.8.4]
σ>в>=730Н/мм2;
Н/мм2;
Н/мм2;
Н/мм2.
Определяем диаметр выходного конца вала под подшипником из расчёта на чистое кручение

где [τ>к>]=(10…20)Мпа [1,c.161]
Принимаем [τ>к>]=30Мпа.
;
мм.
Принимаем окончательно с учетом стандартного ряда размеров R>а>40:
мм.
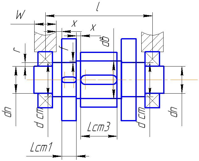
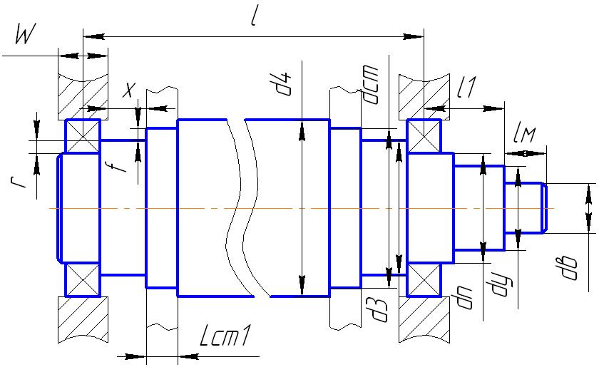
Намечаем приближенную конструкцию промежуточного вала редуктора (рис.4), уменьшая диаметр ступеней вала на 5…6мм

Рис.5 Приближенная конструкция промежуточного вала
d>в>=52мм;
Lст1=в>1>=54мм;
Lст3=в>3>=82мм;
х=8мм;
W=50мм;
r=2,5мм;
f=1,2мм;
d>ст>= d>в>-3f=48мм;
d>п>≥ d>ст>-3r=40мм;
l=2Lст1+Lст3+4х+W=326мм.
Так как осевые силы от двух
косозубых колес взаимно компенсируются,
их можно не учитывать в расчетах, поэтому
предварительно назначаем предварительно
подшипники шариковые радиальнные
однорядные средней серии по
мм
подшипник №308, у которого D>п>=90мм;
В>п>=23мм
[1,c.394,
табл.П3].
Заменяем вал балкой на опорах в местах подшипников.
Рассматриваем вертикальную плоскость (ось у)
Изгибающий момент от осевой силы Fа будет:
m>а>=[Fad/2]:
m>а>=251·26710-3/2;
m>а>=33,5Нм2.
Определяем реакции в подшипниках в вертикальной плоскости.
1m>F>>у>=0
-R>Ку>·0,272-F>t>>1>·0,0,06+F>t>>3>·0,06+ m>а> –F>t>>1>·0,212=0
R>К>>y>=(4938·0,06-1086·0,212-1086·0,0,06)/ 0,272;
R>К>>y>==60Н
Учитывая симметричность нагрузок:
R>Fy> =60Н
Назначаем характерные точки 1, 2, 3, 4 и 5 и определяем в них изгибающие моменты:
М>1у>=0;
М>2у(слева)>=-R>Fy>·0,06;
М>2у(слева)>=-3,5
М>2у(справа)>= М>2у> -m>а>;
М>2у>=-37;
М>3у>=-F>r>>3>·0,076;
М>3у>=-412,5Нм2;
М>4у(слева)>= М>2у(справа)> =-37;
М>4у(справа)>= М>2у(слева)>=-3,5;
М>4у>=0;
Строим эпюру изгибающих моментов М>у>, Нм (рис.6)
Определяем реакции в подшипниках в горизонтальной плоскости.
1m>F>>х>=0
R>Кх>·0,272-F>r>>1>·0,0,06- m>а>+F>r>>3>·0,06+ m>а> -F>r>>1>·0,212=0
R>Кх>=(-4938·0,06+1086·0,212+1086·0,06)/ 0,272;
R>Кх>==34,5Н

Рис.6 Эпюры изгибающих и крутящих моментов промежуточного вала.
Учитывая симметричность нагрузок: R>F>>х> =34,5Н
Назначаем характерные точки 1, 2, 3, 4 и 5 и определяем в них изгибающие моменты:
М>1у>=0;
М>2у>=-Т>2>/2;
М>3у>=-F>r>>3>·0,076;
М>3у>=-194Нм2;
М>4у>=-Т>2;>
М>4у>=-388;
М>4у>=0;
Строим эпюру изгибающих моментов М>у>, Нм (рис.6)
Крутящий момент
Т>1-1>=0;
Т>2-2>=-T>2>/2=-194Нм2;
Т>3-3(слева)>=-T>2>/2=-194Нм2;
Т>3-3(справа)>=T>2>/2=194Нм2;
Т>4-4>=T>2>/2=194Нм2;
Т>5-5>=0.
В соответствии с рис.6 наиболее опасным является сечение 3-3, в котором имеются концентраторы напряжений от посадки зубчатого колеса с натягом, шпоночного паза и возникают наибольшие моменты.
Исходные данные для расчета:
М>3х>= 388Нм2;
М>3у>=412,5Нм2;
Т>3-3>=388Нм2;
d=52мм;
в=16мм – ширина шпонки,
t=6мм – глубина шпоночного паза,
l=45мм – длина шпонки.
При расчете принимаем, что напряжения изгиба изменяются по симметричному циклу, а напряжения кручения – по отнулевому циклу.
Определяем результирующий изгибающий момент:
Нм2.
Эквивалентный момент:
Нм2.
Определяем диаметр вала в рассчитываемом сечении при допускаемом напряжении при изгибе [σ>-1>]>и>=60МПа:
мм.
Условие соблюдается.
Определяем напряжения изгиба:
σ>и>=М>и>/W;
где W – момент сопротивлению изгибу. По [1,табл.22.1]:
мм3
σ>и>=627000/7611=53,7Н/мм2.
При симметричном цикле его амплитуда равна:
σ>а>= σ>и> =53,7Н/мм2.
Определяем напряжения кручения:
τ>к>=Т>3-3>/W>к>;
где W>к> – момент сопротивлению кручению. По [1,табл.22.1]:
мм3
τ>к>=338000/16557=13,2Н/мм2.
При отнулевом цикле касательных напряжений амплитуда цикла равна:
τ>а>= τ>к> /2=13,2/2=6,6 Н/мм2.
Согласно примечанию к табл. 0.2 [3] в расчет принимаем концентрацию напряжений от посадки зубчатого колеса, для которой по табл.0.5 [3] (интерполируя) К>σ>/К>ν>=3,9; К>τ>/К>d>=2,8.
По табл. 0.3…0.4 [3]: К>F>=1,0 – для шлифованной посадочной поверхности; К>ν>=1,0 – поверхность вала не упрочняется.
Определяем коэффициенты концентрации напряжении вала:
(К>σ>)>D>=( К>σ>/К>ν>+ К>F>-1)/ К>ν>=(3,9+1-1)/1=3,9;
(К>τ>)>D>=( К>τ>/К>ν>+ К>F>-1)/ К>ν>=(2,8+1-1)/1=2,8.
Определяем пределы выносливости вала:
(σ>-1>)>D>=σ>-1>/(К>σ>)>D>=370/3,9=94,9 Н/мм2;
(τ>-1>)>D>=τ>-1>/(К>τ>)>D>=200/2,8=71,4 Н/мм2.
Определяем коэффициенты запаса прочности:
s>σ>=(σ>-1>)>D>/ σ>а>=94,9/53,7=1,8;
s>τ>=(τ>-1>)>D>/ τ>а>=71,4/6,6=10,8.
Определяем расчетный коэффициент запаса по нормальным и касательным напряжениям:

Сопротивление усталости вала в сечении 3-3 обеспечивается, расчет вала на жесткость не проводим.
4.3 Расчет ведомого вала редуктора
Исходные данные выбираем из табл.1,3 с округлением до целых чисел:
Схема усилий действующих на валы редуктора представлена на рис.3
F>t>>4>= 9592Н;
F>r>>4>=4938Н;
d4=267мм;
Т>4>=1964Н;
b>4>=82мм;
Назначаем материал вала. Принимаем
сталь 40Х, для которой [1, табл.8.4] σ>в>=730Н/мм2;
Н/мм2;
Н/мм2;
Н/мм2.
Определяем диаметр выходного конца вала под полумуфтой из расчёта на чистое кручение

где [τ>к>]=(20…25)Мпа [1,c.161]
Принимаем [τ>к>]=20Мпа.
;
мм.
Принимаем окончательно с учетом стандартного ряда размеров R>а>40:
мм.
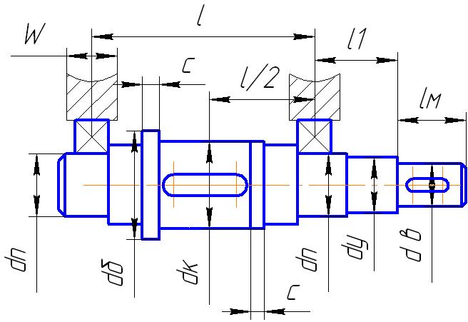
Намечаем приближенную конструкцию ведомого вала редуктора (рис.5), увеличивая диаметр ступеней вала на 5…6мм, под уплотнение допускается на 2…4мм и под буртик на 10мм.

Рис.7 Приближенная конструкция ведомого вала
мм;
мм
– диаметр под уплотнение;
мм
– диаметр под подшипник;
мм
– диаметр под колесо;
мм
– диаметр буртика.
Учитывая, что осевых нагрузок
на валу нет назначаем подшипники
шариковые радиальные однорядные средней
серии по
мм
подшипник №318, у которого D>п>=190мм;
В>п>=43мм
[1,c.394,
табл.П3].
Из расчета промежуточного вала принимаем l=326мм, остальные размеры:
W=65мм;
l>м>=105мм (длина полумуфты МУВП на момент 2000Нм;
l>1>=35мм.
Определим размеры для расчетов:
l/2=163мм;
с=W/2+ l>1>+ l>м>/2=170мм – расстояние от оси полумуфты до оси подшипника.
Проводим расчет ведомого вала на изгиб с кручением.
Заменяем вал балкой на опорах в местах подшипников.
Определяем реакции в подшипниках в вертикальной плоскости.
-R>Е>>y>·0,326+F>r>>4>·0,163=0
R>Е>>y>= 4938·0,163/ 0,326;
R>Е>>y>= R>С>>y>=2469Н

Рис.7 Эпюры изгибающих и крутящих моментов ведомого вала
Назначаем характерные точки 1,2 и 3 и определяем в них изгибающие моменты:
М>1у>=0;
М>2у>= -R>С>>y>·0,168;
М>2у> =-400Нм2;
М>3у>=0;
Строим эпюру изгибающих моментов М>у>, Нм2 (рис.8)
Рассматриваем горизонтальную плоскость (ось х)
1m>Ех>=0;
-R>Сх>·0,336+ F>t>·a=0;
R>Сх>=(5540·0,476+9592·0,168)/0,11;
R>Сх>=38622Н
2m>Сх>=0;
-R>Ех>·0,336+F>t>·0,168+F>М2>·0,140= 0;
R>Ех>=(95920,0,168+55400,14)/0,336;
R>Ех>=7104Н
Назначаем характерные точки 1,2,3 и 4 и определяем в них изгибающие моменты:
М>1х>=0;
М>2х>= - F>М2>·0,14
М>2х>=-7104·0,14;
М>2х>=994Нм;
М>3х>=-R>Сх> ·0,168;
М>3х>=38622·0,168;
М>3х>=6488Нм
М>4х>=0;
Строим эпюру изгибающих моментов М>х>.
Крутящий момент
Т>1-1>= Т>2-2>= Т>3-3>= T>1>=1964Нм;
T>4-4>=0.
Исходные данные выбираем из табл.1,3 с округлением до целых чисел:
Схема усилий действующих на валы редуктора представлена на рис.3
F>t>>1>= 2906Н;
F>r>>1>=1086Н;
F>а1>=250,7Н;
d>1>=267мм;
Т>1>=80,7Н;
b>1>=54мм;
Назначаем материал вала. Принимаем
сталь 40Х, для которой [1, табл.8.4] σ>в>=730Н/мм2;
Н/мм2;
Н/мм2;
Н/мм2.
Определяем диаметр выходного конца вала под полумуфтой из расчёта на чистое кручение

где [τ>к>]=(20…25)Мпа [1,c.161]
Принимаем [τ>к>]=20Мпа.
;
мм.
Диаметр выходного конца двигателя по произведенному расчету в п.1равен 38мм.
Принимаем окончательно с учетом стандартного ряда размеров R>а>40:
мм.
Намечаем приближенную конструкцию ведущего вала редуктора (рис.9), с учетом того, что уже известны межосевые расстояния между подшипниками и между шестернями.

Рис.9 Приближенная конструкция ведущего вала
d>в>=32мм;
Lст1=в>1>=54мм;
х=8мм;
W=50мм;
r=2,5мм;
f=1,2мм;
d>у>=35мм-ближайшее большее стандартное значение диаметра под уплотнение
d>п>≥ d>у> принимаем ближайшее большее стандартное значение диаметра под подшипник dп =40мм;
d>3>= d>п>+2r=50мм;
Примем d>ст> =d>1>=50мм, облегчение прохода шестерни через диметр d>1> при сборке обеспечим заданием допуска d10(-0,08/-018) на размер d>1>.
d>ст>= d>3>+5f=63мм;
l=2Lст1+Lст3+4х+W=326мм.
l>м> =58мм – принимаем для муфты МУВП с диметрами отверстий 32 и 36 мм;
l>1>=52мм – принимаем предварительно.
Так как осевые силы от двух косозубых колес взаимно компенсируются, их можно не учитывать в расчетах, поэтому предварительно назначаем подшипники шариковые радиальные однорядные средней серии по dп =40мм подшипник №308, у которого D>п>=90мм; В>п>=23мм [1,c.394, табл.П3].
Производим расчет ведущего вала на изгиб с кручением.
Заменяем вал балкой на опорах в местах подшипников.
Рассматриваем вертикальную плоскость (ось у)
Определяем реакции в подшипниках в вертикальной плоскости.
1m>Ау>=0
R>By>·0,172-F>r>·0,06-F>r>·0,212 =0
R>By>=1086·0,384 /0,172;
R>By>=2224Н
R>А>>y> = R>By>=2224Н
Назначаем характерные точки 1,2,3 и 4 и определяем в них изгибающие моменты:
М>1у>=0;
М>2у>= R>А>>y>·а;
М>2у>=2224·0,06;
М>2у> =133,5Нм;
М>3у>= М>2у> =133,5Нм;
М>4у>=0;
Строим эпюру изгибающих моментов М>у>, Нм (рис.10)
Рассматриваем горизонтальную плоскость (ось х)
1m>Ах>=0;
F>М1>·0,327-R>Вх>·0,272-F>t>·0,06-F>t>·0,212=0;
R>Вх>=(2906(0,272+0,212)-718·0,327)/0,272;
R>Вх>1019Н
2m>Вх>=0;
R>Ах>·0,272-F>t>·0,212-F>t>·0,06+F>М>>1>·0,055= 0;
R>Ах>=(2906(0,212+0,06)-718·0,055)/0,272;
R>Ах>395Н

Рис.10 Эпюры изгибающих и крутящих моментов ведущего вала
Назначаем характерные точки 1,2, 3, 4, 5 и определяем в них изгибающие моменты:
М>1х>=0;
М>2х>= -R>Ах>·0,06;
М>2х>=-395·0,06;
М>2х>=-23,7Нм;
М>3х>= -R>Бх>·0,06;
М>3х>= -1019·0,06=-61,1Нм;
М>4х>=F>М1> ·0,055;
М>4х>=-718·0,055=-39,5Нм;
М>5х>=0;
Строим эпюру изгибающих моментов М>х>.
Крутящий момент
Т>1-1>=0;
Т>1-1>=T>1>/2=80,7/2=40,35Нм;
Т>2-5>= T>1>=80,7Нм.
5. Расчет и конструирование подшипниковых узлов
Предварительно выбранные подшипниками с действующими на них радиальными нагрузками приведены в табл.5.
Таблица 5. Параметры выбранных подшипников
|
Ведущий вал |
Промежуточный вал |
Ведомый вал |
|
|
№ |
308 |
308 |
318 |
|
d, мм |
40 |
40 |
80 |
|
D, мм |
90 |
90 |
190 |
|
С, кН |
41 |
41 |
143 |
|
С>о>, кН |
22,4 |
22,4 |
99 |
|
R>Ах>, Н |
395 |
34,5 |
36612 |
|
R>Ау>, Н |
1019 |
34,5 |
7104 |
|
R>Бх>, Н |
2224 |
60 |
2469 |
|
R>Бу>, Н |
2224 |
60 |
2469 |
|
F>r>, Н |
251 |
267 |
4938 |
Подшипники устанавливаем по схеме «враспор». Определяем долговечность подшипников ведомого вала, имеющего наибольшую радиальную нагрузку.
Определяем эквивалентную динамическую нагрузку
F>э>=(ХVF>r>>А>+YF>аА>) K>>K>τ>; [1,c.212];
где K>> - коэффициент безопасности;
K>> =1,3…1,5 [1,c.214, табл.9.19];
принимаем K>> =1,3;
F>аА>=0;
Х=1 для шариковых подшипников;
V – коэффициент вращения, при вращении внутреннего кольца V=1
K>τ> – температурный коэффициент;
K>τ> =1 (до 100ºС) [1,c.214, табл.9.20];
F>э>=1х1х4938х1,3х1=6,4кН<C=143кН
Определяем номинальную долговечность подшипников в часах
[1,c.211];
;
ч.
Долговечность обеспечена.
6. Подбор и проверочный расчет шпонок
Выбор и проверочный расчет шпоночных соединений проводим по [3]. Обозначения используемых размеров приведены на рис.11.

Рис.11 Сечение вала по шпонке
6.1 Шпонки ведущего вала
Для выходного конца быстроходного вала при d=32 мм подбираем призматическую шпонку со скругленными торцами по ГОСТ23360-78 bxh=10x8 мм2 при t=5мм (рис.11).
При длине ступицы шкива l>ш>=58 мм выбираем длину шпонки l=50мм.
Материал шпонки – сталь 40Х нормализованная. Напряжения смятия и условия прочности определяем по формуле:
(7.1)
где Т – передаваемый момент, Нмм; Т>1>=80700 Нмм.
l>р> – рабочая длина шпонки, при скругленных концах l>р>=l-b,мм;
[]>см> – допускаемое напряжение смятия.
С учетом того, что на выходном конце быстроходного вала устанавливается полумуфта из ст.3 ([]>см>=110…190 Н/мм2) вычисляем:

Условие выполняется.
Для шестерен быстроходного вала при d=50 мм подбираем призматическую шпонку со скругленными торцами bxh=14x9 мм2 при t=5,5мм, t>1>=3,8мм (рис.10).
При длине ступицы шестерни l>ш>=54 мм выбираем длину шпонки l=45мм.
Материал шпонки – сталь 45 нормализованная. Проверяем напряжение смятия, подставив значения в формулу (10.1):

Проверим толщину тела шестерни между впадиной зуба и пазом для шпонки (см. рис.12). Для изготовления шестерни отдельно от вала должно соблюдаться условие:
s≥2,5m, где m – модуль зубчатой передачи.

Рис.11 Схема для проверки возможности изготовления отдельной шестерни
s=[d>f> – (d>к> + 2t>1>)]/2=[48 – (50+2х3,3)]/2=-8,6<0,
т.е. шестерню невозможно изготовить отдельно, необходимо изготовление вала-шестерни.
6.2 Шпонки промежуточного вала
Для зубчатых колес промежуточного вала при d=48 мм подбираем призматическую шпонку со скругленными торцами bxh=14x9 мм2 при t=5мм, t>1>=3,3мм (рис.10).
При длине ступицы шестерни l>ш>=54 мм выбираем длину шпонки l=45мм. Т>2>=388Нм=388000Нмм. С учетом того, что на промежуточном валу устанавливаются шестерни из стали 45 ([]>см>=170…190 Н/мм2) вычисляем по формуле (7.1):

Для шевронной шестерни вала при d=52 мм подбираем призматическую шпонку со скругленными торцами bxh=14x9 мм2 при t=5мм, t>1>=3,3мм (рис.11).
При длине ступицы шестерни l>ш>=82 мм выбираем длину шпонки l=70мм.
М
атериал
шпонки – сталь 45 нормализованная.
Проверяем напряжение смятия, подставив
значения в формулу (10.1):
Условие выполняется.
Проверим толщину тела шестерни между впадиной зуба и пазом для шпонки (см. рис.12). Для изготовления шестерни отдельно от вала должно соблюдаться условие:
s≥2,5m, где m – модуль зубчатой передачи.
s=[d>f> – (d>к> + 2t>1>)]/2=[80,5 – (52+2х5,5)]/2=11,5>10,
т.е. шестерню можно изготовить отдельно.
6.3 Подбор и проверочный расчет шпонок ведомого вала
Передаваемый момент Т=1964Нм=1964000Нмм.
Для выходного конца ведомого вала при d=80 мм подбираем призматическую шпонку со скругленными торцами bxh=22x14 мм2 при t=9мм.
При длине ступицы полумуфты l>М>=105 мм выбираем длину шпонки l=100мм.

Для зубчатого колеса ведомого вала при d=82 мм подбираем призматическую шпонку со скругленными торцами bxh=25x14мм2 при t=9мм.
При длине ступицы шестерни l>ш>=82 мм выбираем длину шпонки l=70мм.
С
учетом того, что на ведомом валу
устанавливаются шестерни из стали 45
([]>см>=170…190
Н/мм2)
вычисляем по формуле (7.1):
условие выполняется.
Таблица 6. Параметры шпонок и шпоночных соединений
|
Параметр |
вх.вал- полум |
промвал-косозуб |
промвал-шеврон |
вых.вал-шеврон |
вых.вал-полум. |
|
Ширина шпонки b,мм |
10 |
14 |
16 |
22 |
25 |
|
Высота шпонки h,мм |
8 |
9 |
10 |
14 |
14 |
|
Длина шпонки l,мм |
50 |
45 |
70 |
70 |
100 |
|
Глубина паза на валу t,мм |
5,5 |
5,5 |
6 |
9 |
9 |
|
Глубина паза во втулке t>1>,мм |
3,3 |
3,8 |
4,3 |
5,4 |
5,4 |
7. Определение конструктивных размеров зубчатых передач
Так как зубчатые колеса имеют относительно небольшие диаметры, изготовление их планируем из круглого проката. Конструкцию колес принимаем стандартную, т.е. зубчатое колесо состоит из обода, диска и ступицы, а шестерня – из обода и ступицы. Определяем конструктивные размеры каждой из частей (см. рис.12).
Диаметр и ширина обода равны соответственно диаметру вершин зубьев и ширине зубчатого колеса.
Определяем толщину обода зубчатых колес:
S>1>=2,2m + 0,05b>2>=2,2х2 + 0,05х54=7,1мм.
S>2>=2,2m + 0,05b>2>=2,2х5 + 0,05х82=15,1мм.
Длины ступиц и внутренние диаметры определены ранее. Наружные диаметры ступиц определяем по формуле:
d>ст>=1,55d;
d>ст1>=1,55х48=62мм, d>ст2>=1,55х52=81мм, d>ст3>=1,55х95=147мм.

Рис.12 Конструктивные размеры зубчатых колес
Из ряда Rа40 линейных размеров (по ГОСТ6636-69) выбираем d>ст1>=63мм, d>ст2>=85мм, d>ст3>=150мм.
Определяем толщину дисков С≥b /4.
С>1>=54/4=13,5мм. Принимаем С>1>=15мм,
С>2>=82/4=20,5мм. Принимаем С>2>=21мм,
Радиус R=2мм.
Размеры фасок обода и ступицы выбираем в зависимости от их диаметров 2,5…4мм
Принимаем α=45º, γ=0°
Все рассчитанные и выбранные значения сводим в табл.7.
Таблица 7. Конструктивные размеры зубчатых колес
|
Составная часть |
Наименование |
Колесо косозуб |
Шестерня шеврон |
Колесо шеврон |
|
Обод |
Ширина, мм |
54 |
- |
82 |
|
Диаметр(d>a>), мм |
271 |
- |
422,3 |
|
|
Толщина, мм |
7 |
- |
15 |
|
|
Фаска, ммх45° |
2,5 |
4 |
||
|
Ступица |
Диаметр внутренний, мм |
48 |
53 |
95 |
|
Диаметр наружный, мм |
63 |
71 |
||
|
Длина, мм |
42 |
85 |
150 |
|
|
Фаска, ммх45° |
2 |
4 |
4 |
|
|
Диск |
Толщина, мм |
15 |
- |
21 |
8. Определение конструктивных размеров корпуса
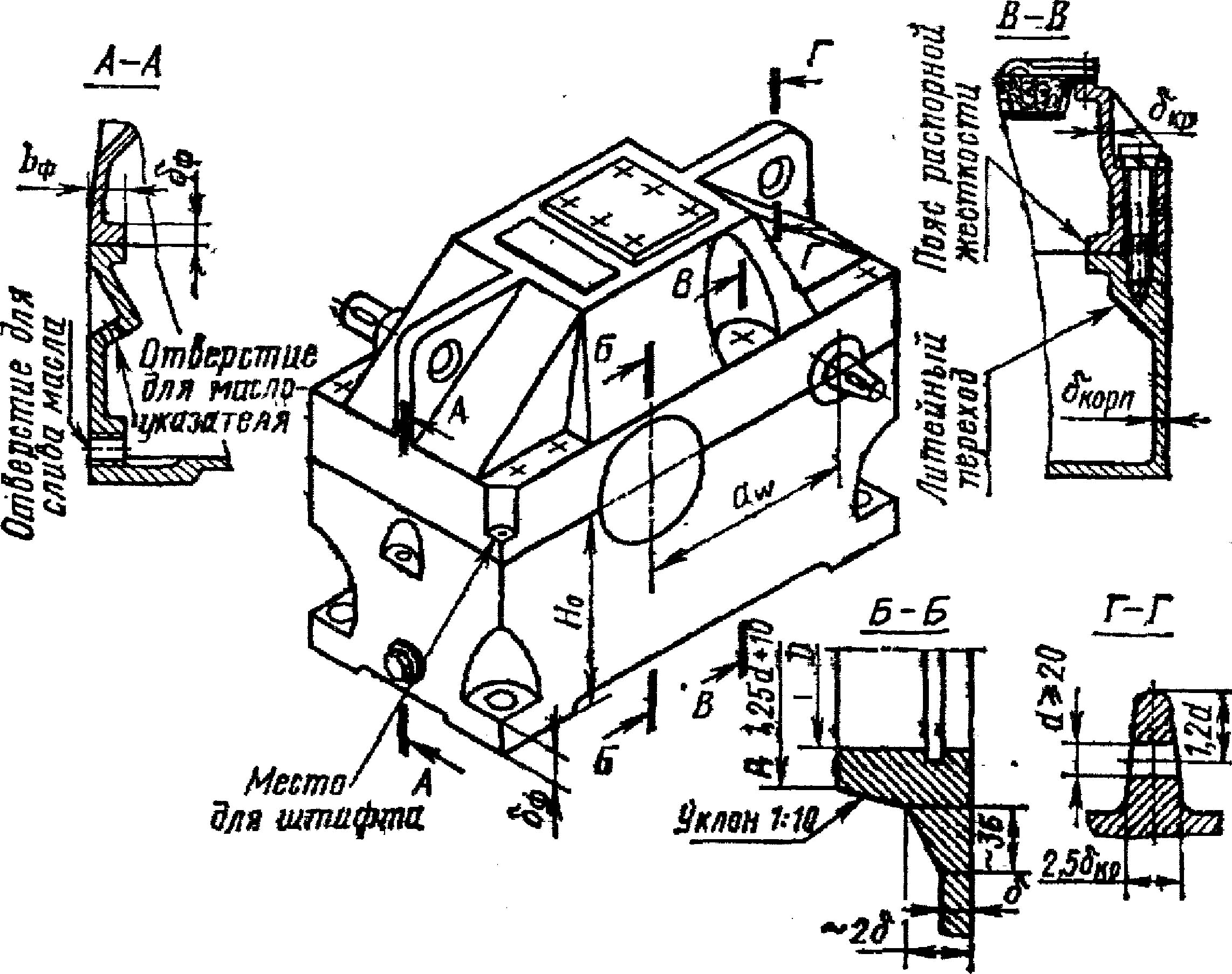
Принимаем за основу разъемную конструкцию чугунного корпуса, приведенную на рис.13.

Рис.13 Конструкция корпуса редуктора
Используя ориентировочные соотношения, определяем основные размеры корпуса.
Толщина стенки основания корпуса:


где Т>3> момент на тихоходном валу редуктора, Т>3> =1964Нм;
Принимаем δ>кор>=8мм.
Толщина стенки крышки корпуса δ>кр>=0,9δ>кор>=7мм.
Толщина ребра в основании δ>реб>=δ>кор>=8мм.
Толщина подъемного уха в основании δ>у>=2,5δ>кр>=18мм.
Диаметр подъемного уха d>у>=20мм.
Д
иаметр
стяжного болта:
Принимаем d>б>=10мм.
Диаметр штифтов d>шт>=(0,7…0,8)d>б>=8мм.
Толщина фланца по разъему δ>фл>= d>б>=10мм.
Диаметр фундаментного болта:

Принимаем d>ф>=16мм.
Ширина фланца b>ф>≥1,5 d>ф>=25мм.
Толщина лапы фундаментного болта δ>ф>=1,5 d>ф>=24мм.
Высота центров редуктора Н>о>=(1…1,12)а>w>=250мм.
Расстояние между торцом шестерни (вдоль оси) и выступающими элементами внутренней части корпуса Δ>1>=0,8δ>кор>=6мм.
Расстояние между зубьями колеса в радиальном направлении и торцом фланца, днищем основания Δ>2>=1,2δ>кор>=10мм.
Диаметр горловин корпуса под подшипник (см. разрез Б-Б на рис.13):
D=1,25d>подш>+10.
D>1>=1,25х90+10=122,5мм. Принимаем D>2>=125мм.
D>2>=1,25х190+10=247,5мм. Принимаем D>2>=250мм.
Дно корпуса делаем наклонным в сторону сливного отверстия. Угол уклона 1º.
Остальные размеры определяем по месту при разработке чертежа.
9. Определение конструктивных размеров крышек подшипников
Так как плоскость разъема корпуса проходит по осям валов крышки подшипников делаем закладными (рис.14).

Рис.14 Конструкция крышек подшипников
Определяем основные размеры крышек подшипников и заносим результаты в табл.8.
Таблица 8. Основные размеры крышек подшипников
|
Размер |
Обозначение |
Значение |
|
|
ведущий вал |
ведомый вал |
||
|
Наружный посадочный диаметр, мм |
D |
90 |
190 |
|
Внутренний диаметр по валу, мм |
d |
39 |
76,5 |
|
Внутренний диаметр по подшипнику, мм |
d1 |
77 |
175 |
|
Внутренний диаметр по манжете, мм |
d2 |
52 |
100 |
|
Толщина стенки и ширина буртика, мм |
b |
6 |
5 |
|
Высота буртика, мм |
с |
5 |
5 |
Остальные размеры определяем конструктивно при построении чертежа.
10. Выбор масла, смазочных устройств
Используем картерную систему смазывания. В корпус редуктора заливаем масло так, чтобы венец зубчатого колеса был в него погружен на глубину h>м >(рис.15):

Рис.15 Схема определения уровня масла в редукторе
h>м >>max> 0.25d>2 >= 0.25166,67 = 42мм;
h>м >>min>> >= 2m = 22 = 4мм.
При вращении колеса масло будет увлекаться его зубьями, разбрызгиваться, попадать на внутренние стенки корпуса, откуда стекать в нижнюю его часть. Внутри корпуса образуется взвесь частиц масла в воздухе, которым покрываются поверхности расположенных внутри корпуса деталей, в том числе и подшипники.
Объем масляной ванны принимаем из расчета 0,5 л на 1кВт передаваемой мощности V = 0,5P>II> = 0,55,335 = 2,7 л.
Контроль уровня масла производится жезловым маслоуказателем, который ввинчивается в корпус редуктора при помощи резьбы. Для слива масла предусмотрена сливная пробка. Заливка масла в редуктор производится через съемную крышку в верхней части корпуса.
Выбираем смазочный материал. Для этого ориентировочно рассчитаем необходимую вязкость:

где ν>50> – рекомендуемая кинематическая вязкость смазки при температуре 50°С;
ν>1> =170мм2/с – рекомендуемая вязкость при v=1м/с для зубчатых передач с зубьями без термообработки;
v=2м/с – окружная скорость в зацеплению

Принимаем по табл.8.32 118мм2/с. По табл.8.34 выбираем масло И-100А.
И для шестерни, и для зубчатого колеса выберем манжетные уплотнения типа 1 из ряда 1 по ГОСТ 8752-79. Установим их рабочей кромкой внутрь корпуса так, чтобы обеспечить к ней хороший доступ масла.
11. Выбор и проверочный расчет муфт
По задания – муфты упругие втулочно-пальцевые.
Исходя из отверстий в полумуфтах под валы и моментов на валах выбираем муфты: входную 250-32-1.1-38 11.2-У3 ГОСТ21424-75 с отверстиями 32 и 38мм, Т>1>=81Нм;
выходную 2000-75-1.1- 80-11.2-У3 ГОСТ21424-75 с отверстиями 75 и 80мм, Т>3>=1964Нм. Выходная муфта выполнена со шкивом, для торможения плоским ремнем.
Проводим проверочный расчет упругих элементов на смятие по формуле:
σ>см>=2Т/(zDld)≤ [σ>см>] (11.1)
и проверочный расчет пальцев на изгиб:
σ>и>=Тl/(0,1d2zD)≤ [σ>и>] (11.2)
где D-диаметр окружности расположения центров пальцев,
z-число пальцев,
d- диаметр пальца под резиновой втулкой,
[σ>см>] =2…4МПа - допустимое напряжение на смятие для резины.
[σ>см>] =60…80МПа - допустимое напряжение на изгиб для пальца.
Из справочника выбираем данные для входной 1 и выходной муфт:
Т>1>=250Нм; Т>2>=2000Нм; D>1>=100мм; D>2>=200мм; d>1>=14мм; d>2>=24мм; l>1>=121мм; l>2>=218мм; z>1>=6; z>2>=8.
Подставив значения в формулы (11.1) и (11.2) получим:
σ>см1>=2·250/(6·100·121·14)=0,49МПа≤ [σ>см>]
σ>см2>=2·2000/(8·200·218·24)=0,47МПа ≤ [σ>см>]
σ>и1>=250·121/(0,1·142·6·100)=0,025МПа≤ [σ>и>]
σ>и2>=2000·218/(0,1·242·8·200)=0,004МПа≤ [σ>и>]
Условия выполняются.
12. Сборка редуктора
Перед сборкой внутренние части корпусных деталей очищают и покрывают маслостойкой краской. Перед общей сборкой собираются валы с насаженными деталями. Подшипники перед сборкой нагреваются в масле. На ведущий вал-шестерню устанавливаются подшипники. В сквозную крышку подшипника устанавливается манжета. На вал-шестерню устанавливаются подшипниковые крышки и собранный вал устанавливается в корпус редуктора. На промежуточный вал надевается шевронная шестерня и 2 косозубых колеса. На промежуточный вал устанавливаются подшипниковые крышки и собранный вал устанавливается в корпус редуктора. На выходной вал надевается шевронное колесо, устанавливаются подшипниковые крышки и собранный вал устанавливается в корпус редуктора. Регулировка подшипников производится набором регулировочных прокладок, устанавливаемых между корпусом и подшипниковыми крышками. Сверху устанавливается крышка корпуса и прикрепляется к основанию. Устанавливается пробка для слива масла и жезловый маслоуказатель. В собранном редукторе быстроходный вал должен свободно проворачиваться. Собранный редуктор заливается маслом и обкатывается.
13. Техника безопасности
Вращающиеся детали (входные и выходные концы валов, муфты) должны иметь защитный кожух. Электрические провода должны иметь защитный экран (пропущены через трубку).
Концы проводов (подвод к электродвигателю) должны быть изолированы и закрыты крышкой.
Установка должна быть заземлена.
Рама после слесарной обработки и сварки не должна иметь заусенцев.
Проводить осмотр зацепления, регулировки, устранение неисправностей и сборочно-разборочные работы необходимо только при выключенном электродвигателе.
При работе не прикасаться к вращающимся деталям. Техническое обслуживание производить при полной остановке электродвигателя.
Регулярно контролировать уровень масла в редукторе и следить за наличием смазки в подшипниках.
Не допускать к работе лиц, которые не прошли инструктаж по технике безопасности и обслуживанию редукторной установки.
При обслуживании, монтаже и демонтаже пользоваться только исправными инструментами.
Не допускать грубых ударов по деталям во избежание их порчи.
При хранении все открытые детали должны иметь антикоррозийную окраску или смазку. Нельзя хранить детали в сырых помещениях.
Список использованной литературы
1. Дунаев П.Ф., Детали машин, Курсовое проектирование. М.: Высшая школа, 1990.
2. Скойбеда А.Т., Кузьмин А.В., Макейчик Н.Н., Детали машин и основы конструирования, Минск: «Вышейшая школа», 2000.
3. Шейнблит А.Е. Курсовое проектирование деталей машин: Учеб. пособие. – М.: Высш. шк., 1991
4. Чернин И.М. и др. Расчеты деталей машин. – Мн.: Выш. школа, 1978
5. Анурьев В.И. Справочник конструктора-машиностроителя: В 3 т. -8-е изд. перераб. и доп. Под ред. И.Н. Жестковой. – М.: Машиностроение, 1999