Расчет и проектирование привода ленточного конвейера (работа 1)
Федеральное агентство образования РФ
Санкт-Петербургская Государственная
Лесотехническая академия
Кафедра теории механизмов, деталей машин
и подъемно-транспортных устройств.
Дисциплина:
“Детали машин и основы конструирования”
курсовой проект
На тему:
расчет и проектирование
привода ленточного конвейера
расчетно-пояснительная записка
Факультет МТД
Курс III группа 3
Студент Афанасьев А.В.
Санкт-Петербург
Содержание
Введение
1. Расчетная схема привода. Исходные данные
2. Определение требуемой мощности электродвигателя приводной станции конвейера
3. Определение кинематических, силовых и энергетических параметров механизмов привода
4. Расчет клиноременной передачи
5. Выбор Редуктора
6. Выбор зубчатой муфты
Список используемой литературы
Приложение А
Введение
Курсовой проект выполняется по дисциплине “Детали машин и основы конструирования” и включает кинематический расчет, проектирование и выбор основных узлов привода ленточного конвейера.
В пояснительной записке приводится последовательность кинематического расчета привода с выбором типоразмеров стандартных узлов: электродвигателя, редуктора, а также расчет дополнительной клиноременной передачи с клиновым ремнем нормального сечения.
Выходной вал редуктора соединяется с валом приводного барабана при помощи компенсирующей зубчатой муфты. Выбор зубчатой муфты осуществляется по каталогу.
Регулирование скорости конвейера в процессе работы не предусмотрено.
Курсовой проект состоит:
пояснительная записка
чертеж привода конвейера в двух проекциях.
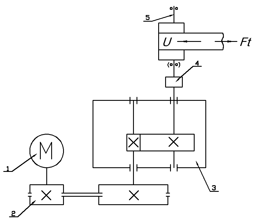
Расчетная схема привода. Исходные данные
Схема привода ленточного конвейера представлена на рисунке 1.

Рисунок 1 - Схема привода ленточного конвейера.
Асинхронный электродвигатель серии АИР 132 М4
Клиноременная передача
Одноступенчатый редуктор с цилиндрическими зубчатыми колесами типа ЦУ
Зубчатая муфта типа МЗ
Вал приводного барабанного конвейера
Данные по заданию на курсовой проект:
|
Тяговое усилие на барабане |
Ft ,кН |
3.8 |
|
Скорость ленты конвейера |
V, м/с |
2,1 |
|
Диаметр приводного барабана |
Д>Б>, м |
0,30 |
|
Число пар полюсов электродвигателя |
2 |
|
|
Режим работы двигателя |
легкий |
|
|
Срок службы привода |
Z>h>,часов |
10 000 |
Определение требуемой мощности электродвигателя приводной станции конвейера
Выбор электродвигателя.
Мощность на валу приводного барабана определяется по формуле (1).
Р>Б> = F>t>> >∙ V (1)
где:
|
F>t> =3,8 кН |
тяговое усилие на барабане |
|
V =2,1 м/с |
скорость ленты конвейера |
Подставляя значения в формулу (1) имеем:
Р>Б> = 3,8 ∙ 2,1 = 7,98 кВт
Значение общего КПД приводной станции конвейера определяется по формуле (2).
>общ> = >кл.рем. >∙ >ред. >∙ >муф. >∙ >Б> (2)
где:
|
>кл.рем>>.> = 0,95 |
КПД клиноременной передачи |
|
>ред. >= 0,98 |
КПД редуктора |
|
>муфт. >= 0,99 |
КПД муфты |
|
>Б> = 0,98 |
КПД барабана |
Подставляя значения в формулу (2) имеем:
>общ> = 0,95 ∙ 0,98 ∙ 0,99 ∙ 0,98 = 0,90
Требуемая мощность электродвигателя (кВт) определяется по формуле (3).
Р>треб.эл. >= Р>Б> / >общ >(3)
Подставляя значения в формулу (3) имеем:
Р>треб.эл. >= 7,98 / 0,90 = 8,87 кВт
Синхронная частота вращения вала электродвигателя (мин -1) определяется по формуле (4).
n>c> = (60 ∙ f) / р (4)
где:
-
f =50Гц
частота промышленного тока
р =2
число пар полюсов электродвигателя
Подставляя значения в формулу (2) имеем:
n>c> = (60 ∙ 50) / 2 = 1500 мин -1
Исходя из вышеприведенных расчетов принимаем типоразмер двигателя – АИР 132 М4 (n = 1500 мин -1 ; Р>дв> = 11 кВт). При выборе электродвигателя учитывалось, что асинхронные двигатели самые распространенные в промышленности и могут допускать длительную перегрузку не более 5 –10 %. А также номинальная мощность электродвигателя должна быть – Р>дв> Р>треб.эл>>.>
С учетом коэффициента скольжения двигателя S (%), определяем частоту вращения вала электродвигателя по формуле (5).
n>эл> = n>c> – (n>c> ∙ S) / 100 (5)
Подставляя значения в формулу (5) имеем:
n>эл> = 1500 – (1500 ∙ 3,5) / 100 = 1447,5 мин -1
Определение кинематических, силовых и энергетических параметров механизмов привода
Частота вращения вала приводного барабана (мин -1) определяется по формуле (6).
n>Б> = (60 ∙ V) / ( ∙ Д>Б>) (6)
где:
-
V = 2,1 м/с
Скорость ленты конвейера
Д>Б> = 0,3 м
Диаметр приводного барабана
Подставляя значения в формулу (6) имеем:
n>Б> = (60 ∙ 2,1) / (3,14 ∙ 0,3) = 134 мин -1
Общее передаточное отношение привода определяется по формуле (7).
Uпр = nэл / n>Б> (7)
Подставляя значения в формулу (7) имеем:
U>пр> = 1447,5 / 134 = 10,8
Предварительно примирим передаточное отношение клиноременной передачи равным 2, тогда используя формулу (8) найдем передаточное отношение редуктора.
U>пр> = U>кл.рем. >∙ U>ред>. (8)
Имеем:
U>ред.> = U>пр> / U>кл.рем. >= 10,8 / 2 = 5,4
Стандартное значение передаточного отношения зубчатого редуктора U>ред.ст >= 5,6. Уточним полученное значение передаточного отношения клиноременной передачи:
U>кл.рем.ст. >= U>пр> / U>ред.ст. >= 10,8 / 5,6 = 1,93
Определим значения мощности на каждом из валов привода конвейера.
Мощность на выходном валу электродвигателя (кВт) определяется по формуле (9).
Р>треб.эл. >= Р>рем1 >= 8,87 кВт (9)
Мощность на входном валу редуктора (кВт) определяется по формуле (10).
Р>1ред.> = Р>2рем.> = Р>треб. >∙ >кл.рем. >(10)
Подставляя значения в формулу (10) имеем:
Р>1ред.> = Р>2рем.> = 8,87 ∙ 0,95 = 8,43 кВт
Мощность на выходном валу редуктора (кВт) определяется по формуле (11).
Р>2ред.> = Р>1ред.> ∙ >ред. >(11)
Подставляя значения в формулу (11) имеем:
Р>2ред.> = 8,43 ∙ 0,98 = 8,26 кВт
Мощность на валу барабана определена ранее по формуле (1) и равна:
Р>Б> = 7,98 кВт
Определяем частоту вращения на каждом из валов редуктора.
n>эл> = n>1рем.> = 1447,5 мин -1
Частота вращения на входном валу редуктора (мин -1) определяется по формуле (12).
n>1ред> = n>2рем.> = n>эл. >/ U>кл.рем.ст>. (12)
Подставляя значения в формулу (12) имеем:
n>1ред> = 1447,5 / 1,93 = 750 мин -1
Частота вращения на выходном валу редуктора (мин -1) определяется по формуле (13).
n>2ред.> = n>1ред.> / U>ред.ст. >(13)
Подставляя значения в формулу (13) имеем:
n>2ред.> = 750 / 5,6 = 134мин -1
Частота вращения вала барабана равна:
n>Б> = n>2рем.> = 134мин -1
Определяем крутящие моменты на каждом из валов редуктора.
Крутящий момент (Нм) электродвигателя находится по формуле (13).
Т>эл. >= Т>1рем> = 9550 ∙ (Р>треб.эл >/ n>эл.>) (13)
Подставляя значения в формулу (13) имеем:
Т>эл. >= Т>1рем.> = 9550 ∙ (8,87 / 1447,5) = 58,52 Нм
Крутящий момент (Нм) на входном валу редуктора определяется по формуле (14).
Т>1ред.> = Т>2рем.> = Т>эл. >∙ U>кл.рем.ст. >∙ >кл.рем. >(14)
Подставляя значения в формулу (14) имеем:
Т>1ред.> = 58,52∙ 1,93 ∙ 0,95 = 107,3 Нм
Крутящий момент (Нм) на входном валу редуктора определяется по формуле (15).
Т>2ред.> = Т>1ред.> ∙ U>ред.ст. >∙ >ред >(15)
Подставляя значения в формулу (15) имеем:
Т>2ред.> = 107,3∙ 5,6 ∙ 0,98 = 588,86Нм
Крутящий момент (Нм) на приводном барабане определяется по формуле (16).
Т>Б.> = Т>2ред.> ∙ >муф.> ∙ >Б> (16)
Подставляя значения в формулу (16) имеем:
Т>Б.> = 588,82 ∙ 0,99 ∙ 0,98 = 571,31 Нм
Расчет клиноременной передачи.
Расчетная схема клиноременной передачи представлена на рис. 2.

Рисунок 2 - Расчетная схема клиноременной передачи.
Исходные данные для расчета:
-
Т>1рем. >= Т>эл.>
= 58,52 Нм
U>кл.рем.>
= 1,93
n>эл >= n>1рем. >
= 1447,5 мин -1
>Б> = 0,98
КПД барабана
Расчет проводим для клиноременной передачи нормального сечения.
Осуществим выбор сечения ремня по величине крутящего момента. Так как (50 <Т>рем.1 >= 58,52 <150) Нм, то выбираем тип сечения ремня “В”.
Диаметр d>1> (мм) меньшего (ведущего) шкива определяем по формуле (17).

d>1> = kd3√ Т>рем.1 >= (30…40) 3√ Т>рем.1 >(17)
Подставляя значения в формулу (17) имеем:
d>1> = 40 ∙ 3,89 = 155,6 мм
Принимаем стандартный диаметр шкива по ГОСТ 17383-73
d>1ст.> = 160 мм.
Скорость ремня (м/с) определяется по формуле (18).
U>1> = ∙ d>1ст. >∙ (n>1рем. >/ 60) (18)
Подставляя значения в формулу (18) имеем:
U>1> = 3,14 ∙ 0,16 ∙ (1447,5 / 60) = 12,12 м/с
Диаметр d>2> (мм) большего (ведомого) шкива ременной передачи определяется по формуле (19).
d>2> = d>1> ∙ U>кл.рем >∙ (1 – ε) (19)
где:
ε – коэффициент упругого проскальзывания, ε = 0,01…0,02. Для расчетов принимаем значение ε равное 0,015
Подставляя значения в формулу (19) имеем:
d>2> = 160 ∙ 1,93 ∙ (1 – 0,015) = 304,17 мм.
Принимаем стандартный диаметр шкива по ГОСТ 17383-73 d>2ст.> = 315 мм.
Уточенное значение передаточного отношения клиноременной передачи определяется по формуле (20).
U>кл.рем.ут.> = d>2ст.> / [d>1ст.> х (1 – ε)] (20)
Подставляя значения в формулу (20) имеем:
U>кл.рем.ут.> = 315 / [160 х (1 – 0.015)] = 2,0
Уточненное значение частоты вращения (мин -1) на входном
валу редуктора рассчитываем по формуле (21).
n>2рем.ут. >= n>1рем. >/ U>кл.рем.ут. >(21)
Подставляя значения в формулу (21) имеем:
n>2рем.ут. >= 1447,5 / 2,0 = 723,75 (мин -1)
Рекомендации по выбору межосевого расстояния ременной передачи имеют вид отображенный в формуле (22).
0,6 х (d>1ст.> + d>2ст.>) а>рем. > 1.5 х (d>1ст.> + d>2ст.>) (22)
Предварительно принимаем а>рем. >= 0,8 х (d>1ст.> + d>2ст.>).
а>рем.> = 0,8 х (160 + 315) = 380 мм.
Длина клинового ремня (мм) определяется по формуле (23).
L>рем.> = 2а>рем> + [(d>1ст.> + d>2ст.>)]/ 2 + [(d>2ст.> – d>1ст.>) 2] / 4а>рем> (23)
Подставляя значения в формулу (23) имеем:
L>рем.> = 2 х 380 + 745,75 + 15,80 = 1541,55 мм
Полученное значение согласовываем со стандартным.
L>рем.ст. >= 1600 мм
Находим уточненное значение межосевого расстояния по формуле (24).


а>рем. >=0,25 ∙ [(L>рем.ст. >– ) + √( L>рем.ст. >– )2 –8 y] (24)
Где:
,y – вспомогательные параметры и находятся по формулам (25) и (26) соответственно.
= 0,5 ∙ (d>1ст.> + d>2ст.>) (25)
y = 0,25 ∙ ((d>2ст.> – d>1ст.>) 2) (26)
Подставляя соответствующие значения в формулы (25) и (26) имеем:
= 0,5 ∙ 3,14 ∙ (160 + 315) = 745,75
y = 0,25 ∙ ((315 – 160)2) = 6006,25
Сводим получившиеся значения в формулу (24).
а >рем.> = 0,25∙(854,25 + 825,65) = 420 мм
Число пробегов ремня в секунду определяется по формуле (27).
= U>1> / L>р.ст. >(27)
Подставляя значения в формулу (27) имеем:
= 12,12/ 1,60 = 7,58
Угол охвата ремнем меньшего шкива (град) определяется по формуле (28).
>1> = 180 - 57 ∙ [(d>2ст.> – d>1ст.>) / а>рем>] (28)
Подставляя значения в формулу (28) имеем:
>1> = 180 - 57 ∙ [(315 – 140) / 510] = 159
Значение расчетной мощности, передаваемой одним ремнем сечением “В” с учетом действительных условий эксплуатации передачи (кВт) определяется по формуле (29).
Р>расч. >= Р>0> ∙ C>> ∙ C>L> ∙ C>p>> >(29)
где:
Р>0> – номинальная мощность (кВт) передаваемая одним ремнем. Находится по таблице П19 приложения и равна 2,89 кВт.
C>p> – коэффициент учитывающий режим работы ременной передачи в приводе конвейера. В соответствии с условием задания режим работы легкий, число смен принимаем равной двум, тогда C>p> = 1,1.
C>> - коэффициент, учитывающий действительный угол охвата ремнем меньшего шкива. C>> = 0,95.
C>L> – коэффициент длины ремня. Зависит от отношения L>рем.ст. >/ L>0.> Где L>0> – базовая длина ремня в зависимости от типа ремня. Для типа ремня “В” L>0> = 2,24. L>рем.ст. >/ L>0> = 1,60 / 2,24 = 0,71 Тогда C>L> = 0,84
Подставляя значения в формулу (29) имеем:
Р>расч. >= 2,89 ∙ 1,1 ∙ 0,95 ∙ 0,84 = 2,54 кВт
Предварительное количество ремней в комплекте определяется по формуле (30).
Z>рем.> = Р>1рем.> / Р>расч.> (30)
Подставляя значения в формулу (29) имеем:
Z>рем.> = 8,87 / 2,54 = 3,49
В зависимости от полученного значения Z>рем.> принимаем значение коэффициента C>z>, учитывающего неравномерность распределения нагрузки по ремням. C>z> = 0,90.
Расчетное число ремней с учетом неравномерности распределения нагрузки между ремнями определяется по формуле (31).
Z>рем.> = Р>1рем.> / (Р>расч.> ∙ C>z>) (31)
Подставляя значения в формулу (31) имеем:
Z>рем.> = 8,87 / (2,54 ∙ 0,95) = 3,88
Принимаем число ремней равной 4.
Сила предварительного натяжения одного ремня (Н) сечением “В” определяется по формуле (32).
F>01> = [(850 ∙ Р>1рем.>∙ C>L>) / (U>1> ∙ C>> ∙ C>p> ∙ Z>рем.>)] + q ∙ U>1>2 (32)
где:
q – масса одного метра длины клинового ремня, q = 0,3 кг / м
Подставляя значения в формулу (32) имеем:
F>01> = [(850 ∙ 8,87 ∙ 0,86) / (12,12 ∙ 0,95 ∙ 1,1 ∙ 4)] + 0,3 ∙ 12,12 2
F>01> = (6333,18 / 50,66) + 44,07 = 169,0 Н
Сила, действующая на валы со стороны ременной передачи (Н) определяется по формуле (33).
F>в> = 2 F>01> ∙ Z>рем.> ∙ sin (>1> / 2) (33)
Подставляя значения в формулу (32) имеем:
F>в> = 2 х 169 ∙ 4 ∙ sin 79,5 = 1326,96 Н
Ширина шкива (мм) определяется по формуле (34).
М = (Z>рем.> – 1)∙e + 2f (34)
где:
e и f – параметры ремня по справочным таблицам e = 19, f = 12,5
Подставляя значения в формулу (34) имеем:
М = (4 – 1) ∙ 19 + 2 ∙ 12,5 = 82 мм.
Так как М=82 мм >l>1 >= 80 мм, то выбираем для шкивов тип 2.
Осевая фиксация шкивов осуществляется:
малого шкива с помощью концевой гайки;
большого шкива с помощью гайки и стопорной шайбы с лапкой и носиком
Выбор редуктора
Выбор стандартного редуктора с цилиндрическими зубчатыми колесами осуществляется на основании передаточного отношения U>ред. >и при выполнении условия:
Т>2ред. > Т>ред.ном. >
где Т>ред.ном. >=1000Н∙м - значение номинального вращающего момента на выходном валу для редукторов ЦУ–160.
Т>2ред.>= 588,86 Н∙м < Т>ред.ном.>= 1000Н∙м
Вращающий фактический момент на выходном валу редуктора не превышает значение номинального (допустимого) вращающего момента на выходном валу для редуктора, следовательно, возможен выбор одноступенчатого редуктора ЦУ–160-5.6.
Выбор зубчатой муфты
Жесткая компенсирующая муфта (зубчатая муфта типа М3) позволяет компенсировать несоостность и угловые перемещения вала барабана по отношению к валу редуктора.
Диаметр расточки втулки муфты предварительно примем равным диаметру выходного вала редуктора d>вых.> = 55 мм.
Из справочной таблицы по выбору зубчатой муфты выпишем значение вращающего момента передаваемого этой муфтой:
М>к> = 1,6 кНм
Расчетный момент на выходном валу редуктора (Нм) определяется по формуле (36):
Т>расч. >= Т>2ред>. ∙ К>р >(36)
Где К>р> – коэффициент, учитывающий режим работы привода конвейера К>р> = 1,1.
Подставляя значения в формулу (36) имеем:
Т>расч. >= 588,86 ∙ 1.1 = 647,75 Нм
Условие М>к> Т>расч. >выполняется.
Справочное значение, передаваемое муфтой МЗ55Ц–1600 момента значительно больше расчетного момента, следовательно, данная муфта может быть принята к установке в приводе.
Число зубьев зубчатой муфты Z =40
Модуль зацепления m=3
Диаметр делительной окружности зубчатой муфты (мм) определяется по формуле (37):
d>w> = m ∙ z (37)
Подставляя значения в формулу (37) имеем:
d>w> = 3 ∙ 40 = 120 мм
Окружное усилие на делительной окружности муфты (Н) определяется по формуле (38):
F>t> = 2 ∙ Т>2ред. >/ d>w> (38)
Подставляя значения в формулу (38) имеем:
F>t> = 2 ∙ 588,86/ 0,12 = 9814,3 Н
Список используемой литературы
В.Е. Воскресенский. “Расчет приводов конвейеров. Детали машин и основы конструирования.”
П.Г. Гузенков “Курсовое проектирование по деталям машин и подъемно – транспортным машинам”. Москва Высшая Школа 1990
Н.А. Грубе, Г.И. Яковлев, Т.Г. Бочарова. “Проектирование и расчет приводов технологического и транспортного оборудования. Методические указания по курсовому и дипломному проектированию.”