Расчет и проектирование привода ленточного конвейера (работа 2)
Министерство Образования Республики Беларусь
Белорусский Национальный Технический Университет
Факультет транспортных коммуникаций
Кафедра “Строительные дорожные машины”
Пояснительная записка
к курсовому проекту
«Расчет и проектирование привода
ленточного конвейера»
Исполнитель:
Студент гр. 114125 Прушак Е.В
Руководитель:
Доцент каф. СДМ Шавель А.А
Минск - 2008
Содержание
Введение
1. Общие сведения
2. Расчётная часть
2.1 Кинематический расчёт и выбор электродвигателя
2.2 Расчёт плоскоременной передачи
2.3 Расчёт зубчатых передач
2.3.1 Быстроходная ступень
2.3.2 Тихоходная ступень
2.4 Расчет цепной передачи
3. Расчёт валов редуктора
4. Подбор подшипников
5. Проверка прочности шпоночных соединений
6.Расчет валов на усталостную прочность
7. Конструктивные размеры корпуса редуктора
8. Сборка редуктора
Список используемой литературы
Введение
В основе работы большинства машин и механизмов лежит преобразование параметров и кинематических характеристик движения выходных элементов по отношению к входным. Наиболее распространенным механизмом для решения данной задачи является редуктор, который представляет систему зубчатых передач выполненных в герметично закрытом корпусе.
Объектом данного курсового проекта является двухступенчатый цилиндрический редуктор общего назначения.
Цель работы — расчет и проектирование редуктора со следующими параметрами: мощность на выходе — 2,7 кВт, частота вращения вала электродвигателя — 750 об/мин; выходного вала — 40 об/мин.
Разработка редуктора выполнялась на основе теории зубчатых передач. При расчете отдельных элементов устройства использованы теории прочности и надежности.
В результате работы спроектирован редуктор, обеспечивающий заданные параметры и разработан его общий вид. Объем проведенных расчетов и конструкторских проработок позволяет перейти к разработке комплекта технической документации на двухступенчатый цилиндрический редуктор общего назначения.
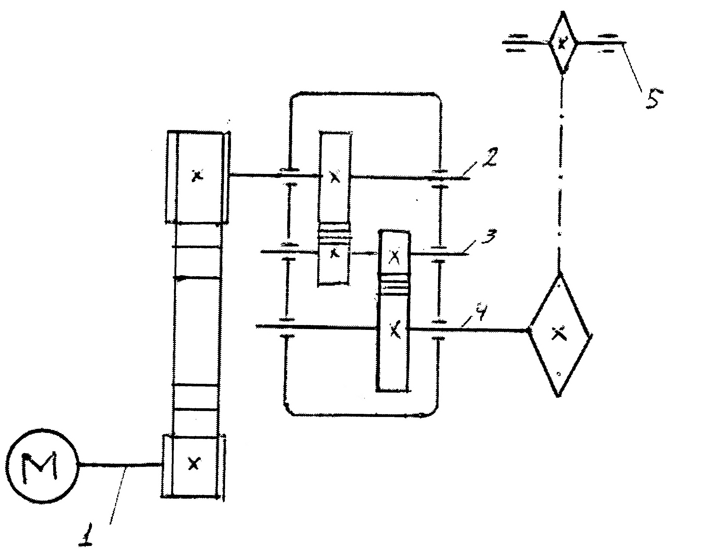
1. Общие сведения
Спроектированный привод, состоит из – двухступенчатого редуктора, электродвигателя, передающего вращение к редуктору через плоскоременную передачу общего назначения, цепной передачи, на выходе.
Ременная передача – это такие передачи в которых движение между 2-мя валами, имеющими пространственное расположение осуществляется по средствам гибкой связи и шкивов - ведущего и ведомого. Передача энергии осуществляется благодаря трению между ремнем и шкивами.
Преимущества ременных передач:
Возможность передачи вращения большие расстояния (до 15 метров);
Бесшумная и плавная работа;
Защита механизма от поломок;
Низкая цена
Недостатки ременных передач:
Непостоянство передаточного числа в следствии скольжения ремня на шкивах;
Повышенные нагрузки на валы и их опоры;
Низкая долговечность;
Необходимость защиты ременной передачи от масла;
Механизм, предназначенный для передачи вращения с одного вала на другой посредствам 2-х зубчатых колес находящихся в зацеплении, называется зубчатой передачей. Меньшее из колес называется шестерней, большее – зубчатым колесом (в общем случае оба называют колесами).
Преимущества зубчатых передач:
Возможность передачи больших мощностей (до 50000 кВт и более) в широком диапазоне окружных скоростей;
Постоянство передаточного числа;
Малые габариты, большая долговечность и надежность в работе;
Высокий КПД
;
Простота конструкции и обслуживания;
Слабые нагрузки на валы и их опоры;
Возможность изготовления из различных материалов;
Недостатки зубчатых передач:
Ограниченность передаточного
числа
;
Источник шума и вибраций;
Незащищенность от перегрузок;
Высокие требования к точности изготовления
Цепная передача-это механизм для передачи энергии между двумя параллельными валами с помощью цепи и звездочек. В зависимости от назначения цепи делятся на: приводные, грузовые и тяговые.
Преимущества цепной передачи:
Возможность передачи движения на значительные расстояния (до 8м);
Меньшие габариты по сравнению с ременными;
Постоянство среднего передаточного числа из-за отсутствия скольжения;
Высокий КПД (до 0,98);
Передача движения на несколько звездочек;
Меньшие нагрузки на валы по сравнению с ременной передачей;
Недостатки цепной передачи:
Неравномерность хода ведомой звездочки;
Значительный износ звеньев цепи;
Возникновения дополнительных динамических нагрузок;
Плохие условия смазки;
2. Расчётная часть.
2.1 Кинематический расчёт и выбор электродвигателя двигателя
При выполнении кинематического расчёта и выборе электродвигателя двигателя необходимо учитывать потери энергии, которые происходят в ременной передачи, в зацеплении зубчатых колёс с учётом потерь в подшипниках.
По табл. 1.2.1 [1] примем следующие значения КПД:
ηз - для закрытой зубчатой цилиндрической передачи: ηз = 0,98
ηц - для открытой цепной передачи: ηц = 0,92
ηр - для открытой ременной передачи: ηр= 0,94
ηп.п - подшипники(одна пара): ηп.п.= 0,9925
1) Общий КПД привода
ηобщ.
= ηз
*ηц*ηр*ηп.п.
= 0,98
*0,92*0,94*0,9925
= 0,806
2) Требуемая мощность двигателя:
Pэл.дв. = P5/ηобщ. = 2,0/0,806= 2,481 кВт
В таблице 16.7.1 [1] по требуемой
мощности выбираем электродвигатель
4A112МА6Y3
,с асинхронной частотой вращения 950
мин-1, с параметрами: Pдв = 3,0 кВт; J=2,17
кг*м
;Tmax/Tnom=
1,9; Масса 54 кг.
3) Общее передаточное отношение:
u
= nдв/nвых
= 950/100 = 9,5
Для передач выбрали следующие передаточные числа:
uр = 1,48
uц = 2,0 =>
uред=
u
/
uр
* uц
=9,5/1,48*2,0 = 3,209
uред = uбыстр* uтих
uбыстр
=
*(0,9)=
2 (после нормализации)
uтих= uр/uбыстр= 1,6045
4)Рассчитываем мощности на валах:
P1=2,481(требуемая мощность)
P2= P1* ηр* ηп.п.= 2,481*0,94*0,9925 = 2,3146 кВт
P3= P2* ηп.п* ηз=2,3146*0,9925*0,98 = 2,2513 кВт
P4= P3* ηп.п* ηз=2,2513 *0,9925*0,98 = 2,19 кВт
P5= P4* ηп.п* ηц=2,19 *0,9925*0,92 = 2,0 кВт
5) Рассчитываем частоты валов:
n1=950 мин-1
n2 = nдвиг/uр = 950/1.48= 642 мин-1
n3 = n2/uбыстр = 642/2 = 160 мин-1
n4 = n3/uтих = 321/1,6045 = 200 мин-1
n5 = n4/uц = 200/2= 100 мин-1
6)Рассчитываем крутящие моменты на валах:
T1 = 9,55* P1/ n1= (9,55*2,481*1000)/950 = 24,94 Н·м
T2 = 9,55* P2/ n2= (9,55*2,3146*1000)/632 = 34,43 Н·м
T3 = 9,55* P3/ n3= (9,55*2,2513 *1000)/321 = 67 Н·м
T4 = 9,55* P4/ n4= (9,55*2,19*1000)/200 = 104,57 Н·м
T5 = 9,55* P5/ n5= (9,55*2,0 *1000)/100 = 191 Н·м
7) Предварительные значения диаметров валов:
dвал =

d1 =
=
19 мм принимаем 20 мм
d2 =
=
21 мм принимаем 22 мм
d3=
=26
мм принимаем 26 мм
d4 =
=
30 мм принимаем 30 мм
d5 =
=
37 мм принимаем 38 мм
8) Сводная таблица
|
№ вала |
Частота вращения об/мин |
Мощность кВт |
Вращ. момент Н*м |
|
1 |
950 |
2,481 |
24,94 |
|
2 |
642 |
2,3146 |
34,43 |
|
3 |
321 |
2,2513 |
67 |
|
4 |
200 |
2,19 |
104,57 |
|
5 |
100 |
2,0 |
191 |

2.Расчет основных параметров зубчато-ременной передачи
Исходные данные:
Р1=2,481 кВт;
Р2=2,3146 кВт;
n1=950 мин-1;
n2 =642 мин-1;
uр = 1,48;
T1 = 24,94 Н·м;
T2 = 34,43 Н·м
Условие работы передачи
Межосевое расстояние а', мм (выбираем из компоновки)
1) модуль ремня с трапецеидальными зубьями:
m = f(P1,n1) (рисунок 2.4.2 источник 1) m = 4 мм
Основные параметры данного ремня:
Нр = 5,0; Н = 0,8 мм; hp = 2,5; Sp = 4,4 мм; R1 = 1,0 мм; R2 = 1,0 мм; 2φо = 40 град
2) Шаг зубьев:
Tp = π*t = 3,14*4 = 12,57 мм
3) Размеры ремня (смотри выше)
4) Минимальное число зубьев ведущего шкива, шт:
z1 = f(n1,m) (таблица 2.4.2 источник 1). Выбираем z1=16 ( ремень с металлокордом 5Л15)
5) Число зубьев ведомого шкива:
z1 = z2*u = 16*1,48 = 23,68 округляем до 24
6) Считаем действительное число передачи
u д.рем= z2/z1 = 24/16 = 1,5
*В связи с уточнением u передачи (см. исходные данные u п.6) следует корректировать передаточное число привода и содержание столбцов n и T в таблице.
7) Диаметр шкивов:
d1 = m* z1 = 16*4=64мм; d2 = m* z2 = 4*24=96 мм
8) Минимальное межосевое расстояние:
А min = 0,55(d1+d2)+Нр = 0.55*160+5 = 93 мм
Выбираем аp = 100 мм
9) Число зубьев ремня:
z2 <z1 zp = 2*a’/tp+0,5*(z1+z2)+f1*tp/a', где f1 = (z2-z1)2/(4π2)
f1 = (16-24) 2/(4π2) = 1,621
zp = 2*100/12,57+0.5*160+1,62*12,52/100 = 96,11
Выбираем zp = 100
10) Межосевое расстояние передачи при zp=100
Для a = (( аp-( z1+ z2)f2*tp , где f2 ( таблица 2.4.3 источник 1) f2 = 0,24987
А=((2*100-(24+16))*0,24987*12,57= 502,54 мм
11) a10> >= 1800-570*(96-64)/502,54 = 176,370
12)Число зубьев на дуге обхвата:
z01 = 16*176,370/3600 = 7,84
13) Ширина ремня:
Bp = P1Кt*Pt* z01
Где Кt = К1+К2 +К3 – сумма уточняющих коэффициентов, зависящих от типов двигателя К1 (таблица 2.4.5 источник 1) типа рабочей машины К2 (таблица 2.4.4 источник 1), передаточного числа К3, если u≥1, следовательно К3 = 0 Выбираем Д.В.С одноцилиндровый К1 = 1; выбираем подъемник К2 = 1,7;
Bp = 2,481*2,7/0,1*7,48 = 9,05 мм
14) Сила нагружающая вал передачи:
F = (1,10…1,05)*Ft
Ft = 2*103T1/d1 = 24,94*2*103/64=779,3 Н
F = (1,10…1,05)*779,3 = 857,32 Н
2.3.2Тихоходная ступень
Выбираем материалы со средними механическими характеристиками по табл. 16.2.1 [1]:
Для шестерни:
Сталь: 45Х
Термическая обработка: улучшение
Твердость: НВ 280
Для зубчатого колеса:
Сталь: 40Х
Термическая обработка: улучшение
Твердость: НВ 260
Расчет допускаемых контактных напряжений при расчете на усталость:
1) Определяем число часов работы передачи за весь срок службы:
L
= L
*365*K
*24*K
= 10*365*0,75*24*0,67 = 44019 часа
2) Определяем базовое число нагружений:
N
= 30(HB1)
= 30(280)
= 22,4*10
≤120*10
N
= 30(HB2)
= 30(260)
= 18,75*10
≤120*10
3) Расчетное число циклов нагружений:
N
= 60*ci*ni* L
*(∑K
*K
)
N
= 60*1*321*44019 (1
*0,5+0,8
*0,3+0,33*02)
= 6,0*10
N
= 60*1*200*44019 (1
*0,5+0,8
*0,3+0,33*02)
= 3,74*10
C>i> – число зацеплений зуба за один оборот
n>i>> >– число оборотов в минуту рассчитываемого колеса
L>h>> >– число часов работы передачи за весь срок службы (в часах)
K>Hj> - коэффициент времени (определяем с графика 1)
K>ti> - коэффициент нагрузки (определяем с графика 1)
т.к. N
<
N
выбираем формулу для расчета
коэффициента долговечности:
Z
=
=
Z
=
= 0,848 ≥ 0,75
Z
=
= 0,861 ≥ 0,75
Предел контактной выносливости:
σ
= 2*НВi
+ 70, МПа – для улучшенных колес
σ
= 2*280+70 = 630 МПа
σ
= 2*260+70 = 590 МПа
4) Коэффициент контактной выносливости:
σ
= (σ
/S
)0,9*Z
i- 1 или 2 (1- шестерня; 2- зуб. колесо)
-
предел контактной выносливости
- для улучшенных колес
Z>Ni>> >– коэффициент долговечности
S>Hi> – коэффициент запаса прочности (S>Hi>=1,1)
σ
= (630/1,1)*0,9*0,848 = 437,1МПа
σ
= (590/1,1)*0,9*0,861 = 415,6МПа
5) Допускаемые напряжения для передачи:
σ
=
min
( 0,45(σ
+
σ
);
1,25(σ
)
) =
min
( 0,45(437,1+415,6);
1,25*415,6)
= min(
384
МПа
; 520
МПа)
=> σ
=
384 МПа
6) Допускаемые напряжения изгиба:
σ
=
1,75*НВ1
=
1,75*280
=
490 МПа
σ
=
1,75*НВ2
=
1,75*260
=
455 МПа
Базовый предел выносливости (изгибной):
σ
= σ
*Ya*Yz
– для улучшенных колес
причем Ya = 1; Yz = 1(поковка)
σ
= σ
*
Ya*Yz
=
490*1*1
=
490 МПа
σ
= σ
*
Ya*Yz
= 455*1*1 = 455 МПа
7) Коэффициент запаса: SF1 = SF2 = 1,7 и gF = 6
Расчетное эквивалентное число циклов нагружений:
NFEi = 60*ci*ni*Lh*(∑K
*K
)
NFE1 =
60*1*321*44019 *(1
*0,5+0,8
*0,3+0,3
*02)
= 4,9*10
NFE2 =
60*1*200*44019 *(1
*0,5+0,8
*0,3+0,3
*02)
= 3,05*10
NFlim =
4*10
8)Коэффициент долговечности:
YNi =
1
Поскольку NFEi
>
NFlimi
принимаем YN1
= YN2
= 1
И определяем напряжения изгиба (при расчете на усталость):
σ
= (σ
/
SFi)*
YNi
σ
=
(490 МПа
/1,7)*1 =
288,2 МПа
σ
= (455 МПа /1,7)*1 = 267,7 МПа
Определение кинематических параметров передачи:
9) Определяем межосевое расстояние по формуле:
a>w>>
>
K>a>*(u+1)*
, мм
K>a> – коэффициент равный 495 для прямозубых передач
\U – передаточное число зуб. передачи («+» внешнее зацепление, «–» внутреннее зацепление)
T>2> – крутящий момент на ведомом колесе, Н*м
-
коэффициент учитывающий неравномерность
распределения нагрузки по длине
контактной линии
- коэффициент ширины зубчатого
колеса (венца)
По рекомендации приняли
=0,315
K>a>> >= 495 - коэф. для стальных косозубых колес
u = 1,6045 – передаточное отношение
T2 = 104,57Н*м – крутящий момент на втором валу
σ
= 384 МПа – допускаемое контактное
напряжение
= 0,5*
*(u+1)
= 0,5*0,315*(1,6045+1) = 0,4102
По рекомендации приняли
= 0,315
по
определяем коэффициент
K
= 1,0
a>w>>
>
495*(1,6045+1)*
= 125 мм
по ГОСТу a>w> = 125 мм
10) Определяем ширину зубчатого венца:
b
=
*
a>w>>
>= 0,315*125 = 39,375 мм
принимаем b
= 40 мм
b
= b
+4
= 40+4 = 44 мм
11) Определяем модуль зацепления:
mn = (0,015-0,03)* a>w>> >= 0,024*125=3 мм
принимаем mn =3 мм
12) Определяем суммарное число зубьев и угол наклона зубьев:
Z∑ = (2* a>w>> >/ mn)
Z∑ = (2*125/ 3) =83,33
следовательно Z∑ = 84
13) Определяем число зубьев меньшего (ведущего) колеса:
Z1 = Z∑/(u+1) = 84/(1,6045+1) = 21
Следовательно Z1 = 32
Z2= Z∑- Z1=84 – 32 = 52
14) Уточняем передаточное отношение:
u = 52 / 32 = 1,625
определяем погрешность передаточного отношения:
Δ = |1,6045-1,625| / 1,6045 = 1,28%
2,5% что допустимо
Определяем геометрические параметры зубчатых колес:
15) Начальные диаметры:
dw1 = mn *Z1 = 3,0 *32 = 96 мм
dw2= mn *Z2 = 3,0 *52 = 156 мм
16) Уточняем межосевое расстояние:
a>w>> >= (dw1+ dw2) / 2 = (96+156) / 2 = 126 мм
17) Определяем диаметры вершин:
da1 = dw1 + 2* mn = 96 + 2*3 = 102 мм
da2= dw2 + 2* mn = 156 + 2*3 = 162 мм
18) Определяем диаметры впадин зубьев:
df1= dw1-2,5* mn = 96 – 2,5*3 = 88,5 мм
df2= dw2-2,5* mn = 156 – 2,5*3 = 148,5 мм
19) Определяем окружную скорость в зацеплении:
V = (π*d w1*n1) / (60*1000) = (3,14*96 *321) / (60*1000) = 1,612 м/с
в зависимости от окружной скорости выбираем степень точности = 9
20)Определяем усилия действующие в зацеплении:
окружная: Ft
= (2*T1)
/ dw1
= (2*67) / (96*10
)
= 1390 кН
радиальная: Fr
= Ft
*tn(α
)
= 1390*0,364*103=
508 кН
осевая: Fa = 0
21)Выполняем проверочный расчет на контактную усталость:

,
где
-
коэффициент учитывающий геометрию
коэффициент Пуассона (для стали
0,3)
E>1>, E>2 >– модуль продольной упругости материалов (2,1*105)

- угол наклона зубьев

- коэффициент
торцового перекрытия

318,3
МПа
,
где
= 1

,09
- взяли по графику (стр.111 [2]) для степени
точности 8
= 1*1,1*1,09*1 = 1,199
МПа
МПа
- условие выполняется
22) Выполняем проверочный расчет на изгибную усталость:
, где

(стр.114) [2] источник 1)
(по графику рис. 6.14) [2] источник
1)
МПа
-
условие выполняется
2.3.2 Быстроходная ступень
Выбираем материалы со средними механическими характеристиками по табл. 16.2.1 [1]:
Для шестерни:
Сталь: 45Х
Термическая обработка: улучшение
Твердость: НВ 300
Для зубчатого колеса:
Сталь: 40Х
Термическая обработка: улучшение
Твердость: НВ 280
Расчет допускаемых контактных напряжений при расчете на усталость:
1) Определяем число часов работы передачи за весь срок службы:
L
= L
*365*K
*24*K
= 10*365*0,75*24*0,67 = 44019 часа
2) Определяем базовое число нагружений:
N
= 30(HB1)
=30(300)
= 26,4*10
≤ 120*10
N
= 30(HB2)
= 30(280)
= 22,4*10
≤ 120*10
3) Расчетное число циклов нагружений:
N
= 60*ci*ni* L
*(∑K
*K
)
N
= 60*1*642*44019 (1
*0,5+0,8
*0,3+0,33*02)
= 12,0*10
N
= 60*1*321*44019 (1
*0,5+0,8
*0,3+0,33*02)
= 6,0*10
C>i> – число зацеплений зуба за один оборот
n>i>> >– число оборотов в минуту рассчитываемого колеса
L>h>> >– число часов работы передачи за весь срок службы (в часах)
K>Hj> - коэффициент времени (определяем с графика 1)
K>ti> - коэффициент нагрузки (определяем с графика 1)
т.к. N
<
N
выбираем формулу для расчета
коэффициента долговечности:
Z
=
=
Z
=
= 0,8263 ≥ 0,75
Z
=
= 0,8484 ≥ 0,75
Предел контактной выносливости:
σ
= 2*НВi
+ 70, МПа – для улучшенных колес
σ
= 2*300+70 = 670 МПа
σ
= 2*280+70 = 630 МПа
4) Коэффициент контактной выносливости:
σ
= (σ
/S
)0,9*Z
i- 1 или 2 (1- шестерня; 2- зуб. колесо)
-
предел контактной выносливости
- для улучшенных колес
Z>Ni>> >– коэффициент долговечности
S>Hi> – коэффициент запаса прочности (S>Hi>=1,1)
σ
= (670/1,1)*0,9*0,8263 = 453 МПа
σ
= (630//1,1)*0,9*0,8484 = 437,3 МПа
5) Допускаемые напряжения для передачи:
σ
=
min
( 0,45(σ
+
σ
);
1,25(σ
)
) =
min
( 0,45(453 +437,3);
1,25*437,3)
= min(
400,6
МПа
; 546,6)
=> σ
=
400,6 МПа
6) Допускаемые напряжения изгиба:
σ
=
1,75*НВ1
=
1,75*300
=
525 МПа
σ
=
1,75*НВ2
=
1,75*280
=
490 МПа
Базовый предел выносливости (изгибной):
σ
= σ
*Ya*Yz
– для улучшенных колес
причем Ya = 1; Yz = 1(поковка)
σ
= σ
*
Ya*Yz
=
525*1*1
=
525 МПа
σ
= σ
*
Ya*Yz
= 490*1*1 = 490 МПа
7) Коэффициент запаса: SF1 = SF2=1,7 и gF = 6
Расчетное эквивалентное число циклов нагружений:
NFEi = 60*ci*ni*Lh*(∑K
*K
)
NFE1 =
60*1*642*44019 *(1
*0,5+0,8
*0,3+0,3
*02)=9,81*10
NFE2 =
60*1*321*44019 *(1
*0,5+0,8
*0,3+0,3
*02)
= 4,9*10
NFlim =
4*10
8)Коэффициент долговечности:
YNi =
1
Поскольку NFEi
>
NFlimi
принимаем YN1
= YN2
= 1
И определяем напряжения изгиба (при расчете на усталость):
σ
= (σ
/
SFi)*
YNi
σ
=
(525
МПа
/1,7)*1 =
308,8МПа
σ
= (490
МПа /1,7)*1 = 288,2 МПа
Определение кинематических параметров передачи:
9) Определяем межосевое расстояние по формуле:
a>w>>
>
K>a>*(u+1)*
, мм
K>a> – коэффициент равный 495 для прямозубых передач
U – передаточное число зуб. передачи («+» внешнее зацепление, «–» внутреннее зацепление)
T>2> – крутящий момент на ведомом колесе, Н*м
-
коэффициент учитывающий неравномерность
распределения нагрузки по длине
контактной линии
- коэффициент ширины зубчатого
колеса (венца)
По рекомендации приняли
=0,315
K>a>> >= 495 - коэф. для стальных косозубых колес
u =2 – передаточное отношение
T2 = 67 Н*м – крутящий момент на втором валу
σ
=400,6 МПа – допускаемое контактное
напряжение
= 0,5*
*(u+1)
= 0,5*0,315*(2+1) = 0,4725
По рекомендации приняли
= 0,315
по
определяем коэффициент
K
= 1,0
a>w>>
>
495*(2+1)*
= 103 мм
по ГОСТу a>w> = 100 мм
10) Определяем ширину зубчатого венца:
b
=
*
a>w>=0,315*100
= 31,5мм
принимаем b
= 32 мм
b
= b
+4
= 32+4 = 36 мм
11) Определяем модуль зацепления:
mn = (0,015-0,03)* a>w>> >= 0,03*100 = 3 мм
принимаем mn =3 мм
12) Определяем суммарное число зубьев и угол наклона зубьев:
Z∑ = (2* a>w>> >/ mn)
Z∑ = (2*100/ 3) =66
следовательно Z∑=66
13) Определяем число зубьев меньшего (ведущего) колеса:
Z1 = Z∑/(u+1) = 66/(2+1) = 22
Следовательно Z1 = 22
Z2 = Z∑- Z1=66 – 22 = 44
14) Уточняем передаточное отношение:
u = 44 / 22 = 2
определяем погрешность передаточного отношения:
Δ=|2-2| / 2=0 %
2,5% что допустимо
Определяем геометрические параметры зубчатых колес:
15) Начальные диаметры:
dw1 = mn *Z1 = 3,0* 22= 66 мм
dw2 = mn *Z2 = 3,0 *44 = 132 мм
16) Уточняем межосевое расстояние:
a>w>> >= (dw1+ dw2) / 2 = (66+132) / 2 = 99 мм
17) Определяем диаметры вершин:
da1 = dw1 + 2* mn = 66 + 2*3 = 72 мм
da2 = dw2 + 2* mn = 132+2*3 = 142 мм
18) Определяем диаметры впадин зубьев:
df1 = dw1-2,5* mn = 66 – 2,5*3 = 58,5 мм
df2 = dw2-2,5* mn = 96 – 2,5*3 = 138,5 мм
19) Определяем окружную скорость в зацеплении:
V = (π*d w1*n1) / (60*1000) = (3,14*66 *642) / (60*1000) = 2,22 м/с
в зависимости от окружной скорости выбираем степень точности = 9
20)Определяем усилия действующие в зацеплении:
окружная: Ft
= (2*T1)
/ dw1
= (2*34,43) / (66*10
)
= 1043 кН
радиальная: Fr
= Ft
*tn(α
)
= 1043*0,364*103=
0,378 кН
осевая: Fa=0
21)Выполняем проверочный расчет на контактную усталость:

,
где
-
коэффициент учитывающий геометрию
коэффициент Пуассона (для стали
0,3)
E>1>, E>2 >– модуль продольной упругости материалов (2,1*105)

- угол наклона зубьев

-
коэффициент торцового перекрытия

312,2МПа
,
где
=1

,09
- взяли по графику (стр.111 [2]) для степени
точности 8
=1*1,1*1,09*1=1,199
МПа
МПа
- условие выполняется
22) Выполняем проверочный расчет на изгибную усталость:
, где

(стр.114) [2] источник 1)
(по графику рис. 6.14) [2] источник
1)
МПа
-
условие выполняется
2.4 Расчет цепной передачи
Передаваемая мощность и частота вращения ведущей и ведомой звездочек являются исходными данными для расчета цепной передачи:
Исходные данные для расчёта:
передаваемая мощность —2,19 кВт;
частота вращения ведущей звездочки — 200 об/мин;
частота вращения ведомой звездочки — 100 об/мин;
передаточное число и>цеп> = 2
Так как цепная передача является последней передачей привода необходимо уточнить ее передаточное отношение, в связи с тем что в предыдущих передачах были произведены изменения передаточных отношений:
и>цеп >= uобщ /(uтих*uбыстр*uрем) = 9,5/ (1,625*2,0*1,5) = 1,95
После уточнения передаточного отношения переходим к расчету передачи:
1) Выбираем число зубьев меньшей звездочки:
z1 = 29-2u = 29-2*1,95 = 25,1
принимаем z1 = 25
2) Выбираем число зубьев большей звездочки:
z2= z1*u = 25*1,95 = 48,75
принимаем z2 = 49
3) Уточняем передаточное отношение:
u = z2 / z1 = 49 / 25 = 1,96
Δ = |1,95-1,96| / 1,95 = 0,513%
2,5% что допустимо
4) Вычисляем коэффициент эксплуатации:
Кэ = kд*kа*kн*kр*kсм*kп.
где
(источник 1)
kд = 1,0 - динамический при спокойной нагрузке;
ka = 1,0 - учитывает влияние межосевого расстояния [kа= 1 при ац=(30...60)*t];
kн = 1,0 - учитывает влияние угла наклона линии центров kн= 1, если этот угол не
превышает 60°, в противном случае kн= 1.25; у нас = 0°
kр = 1,25 - учитывает способ регулирования натяжения цепи, в нашем случае не регулируеться;
kсм = 1,0 - учитывает способ смазки, в нашем случае - периодическая смазка
kп = 1,25 - учитывает периодичность работы передачи, в нашем случае – 2 смены.
Кэ = kд*kа*kн*kр*kсм*kп.= 1,0*1,25*1,25*1,0*1,0*1,0 = 1,5625
5) Определяем предварительное значение шага цепи:
P
598*
,мм
где: Кэ = 1,5625; z1 = 25; n1 = 200 об/мин
Р = 2,19кВт; mр = 1,0
= (∑
i)
/ i = (30,9+29,4+28,1+25,7)/4 = 28,53
p598*
=17,25
мм
Выбираем цепь по таблице 3.1.1 [1] со следующими параметрами (источник 1):
p = 17,25 мм
d = 5,94мм
d1 = 11,91 мм
b = 12,70 мм
b6 = 18 мм
b7 = 15 мм
A = 22,78 мм
h = 18,2 мм
S = 1,05
см
6) Определяем площадь проекции опорной поверхности шарнира:
A = d
* b
= 5,94*12,70 = 75,438 мм
7) Определяем предварительную величину межосевого расстояния:
Aw = (30…50)*p = 30*19,05 = 571,5 мм
8) Определяем число звеньев цепи:
d1 = p/sin(3,14/z1) = 19,05 /(sin180/25) = 152 мм
d2=p/sin(3,14/z2) = 19,05 /(sin180/49) = 297,3 мм
l = (2aw+3.14/2*(d2+d1)+(d2-d1)
/4a
) / p = (2*571,5 +3,14/2*(152+297,3)+33,4)/ 19,05 = 97,56
nзв
= 2*a/p+(z2+z1)/2+((z2-z1)/2П)
*p/a
= 2*571,5 /19,05 +(49+25)/2+((49-25)/2*3,14)
*19,05/571,5
= 60+37+0,49 = 97,5
округляем nзв = 98
9) Уточняем межосевое расстояние:
а = р/4*
а = 19,05/4*
= 576,4 мм
10) Определяем окружную скорость в передаче:
V = (z1*p*n1)/60*1000;
V = (25*19,05*200)/60*1000 = 1,59 м/с
11) Определяем окружную передаваемую силу:
F = (60*1000*P)/ (z1*p*n1)
F = (60*1000*2,19)/(25*19,05*200) = 1,390 кН
12) Рассчитываем цепь на износостойкость:
q = (Ft*Kэ)/(Bвн*d*mp)
q = (1,390*1000*1,5625)/(11,91*5,94*1,0) = 30,7≤ 45 , что допустимо
13) Определяем усилия в ветвях:
F1 = Ft+Fv+Fq – в ведущей ветви
F2 = Fv+Fq – в ведомой ветви
Fv = qц*V
= 1 * 1,59
= 2,5281H-нагрузка
от центробежных сил
Fq = qц*a*q*Kf = 1*576,4*9,81*6 = 33,9H-сила от провисания цепи
Kf=6 при горизонтальном расположении цепи
F1 = 1390+2,5281+33,9=1426,43 Н
F2 = 2,5281+33,9=46,4281 Н
14) Определяем нагрузки действующие на валы:
Fв = Ft*Kb; Kb = 1,05-1,3;
Fв = 1,39 кН * 1,2 =1,668кН