Расчет и проектирование червячного редуктора (работа 2)
Министерство образования Республики Беларусь
Белорусский национальный технический университет
Кафедра «Детали машин, ПТМ и М»
Группа 302313
РАСЧЕТ И ПРОЕКТИРОВАНИЕ
ЧЕРВЯЧНОГО РЕДУКТОРА
Пояснительная записка
Разработал
студент Д.И.Зеньков
Консультант В.И.Шпиневский
2005
Содержание
Назначение и область применения привода
Выбор электродвигателя и кинематический расчет
Определение мощностей и передаваемых крутящих моментов валов
Расчет червячной передачи
Предварительный расчет диаметров валов
Подбор и проверочный расчет муфты
Предварительный выбор подшипников
Компоновочная схема
Выбор и проверочный расчет шпоночных соединений
Расчет валов по эквивалентному моменту
Расчет валов на выносливость (проверочный расчет)
Расчет подшипников на долговечность
Выбор системы и вида смазки
Расчет основных размеров корпуса редуктора
Порядок сборки и регулировки редуктора
Назначение квалитетов точности, шероховатости поверхности, отклонений формы и взаимного расположения поверхностей
Литература
1 Назначение и область применения привода
Нам в нашей работе необходимо рассчитать и спроектировать привод конвейера.
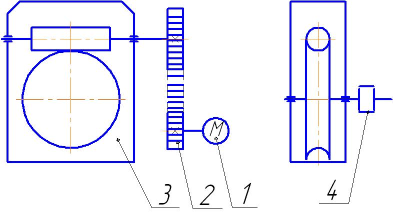
Привод предназначен для передачи вращающего момента от электродвигателя к исполнительному механизму. В качестве исполнительного механизма может быть ленточный или цепной конвейер. Привод состоит из двигателя 1 (рис.1), зубчато-ременной передачи 2, червячного редуктора 3 и муфты 4.
Редуктором называют механизм, состоящий из зубчатых или червячных передач, выполненный в виде отдельного агрегата и служащий для передачи мощности от двигателя к рабочей машине.
Назначение редуктора - понижение угловой скорости и повышение вращающего момента ведомого вала по сравнению с валом ведущим.
Редуктор состоит из литого чугунного корпуса, в котором помещены элементы передачи - червяк, червячное колесо, подшипники, вал и пр. Входной вал редуктора посредством зубчато-ременной передачи соединяется с двигателем, выходной посредством муфты - с конвейером.
Червячные редукторы применяют для передачи движения между валами, оси которых перекрещиваются.
Так как КПД червячных редукторов невысок, то для передачи больших мощностей в установках, работающих непрерывно, проектировать их нецелесообразно. Практически червячные редукторы применяют для передачи мощности, как правило, до 45кВт и в виде исключения до 150кВт.
2 Выбор электродвигателя и кинематический расчет
2.1 Исходные данные для расчета:
выходная мощность -
=3,2
кВт; выходная
частота вращения вала рабочей машины
-
=65 об/мин; нагрузка постоянная; долговечность
привода – 10000 часов.

Рис. 1 – кинематическая схема привода, где:
1 – двигатель; 2 – клиноременная передача; 3 – червячная передача; 4 – муфта
2.2 Определение требуемой мощности электродвигателя.
- требуемая мощность
электродвигателя (2.1)
где:
->
>коэффициент полезного
действия (КПД) общий.
х
(2.2)
где[3,
табл.2.2]:
-
КПД ременной передачи
-
КПД червячной передачи
-
КПД подшипников
-
КПД муфты


2.3 Определение ориентировочной частоты вращения вала электродвигателя
Определяем ориентировочную частоту вращения вала электродвигателя
(2.3)
где
- выходная частота вращения вала рабочей
машины
- общее передаточное число
редуктора.
,
где
- передаточное число ременной передачи,
передаточное
число червячной передачи.
Принимаем [3,табл.2.3]:
,



По
требуемой мощности
выбираем [2, т.3, табл.29] электродвигатель
трехфазный короткозамкнутый серии АИ
закрытый обдуваемый с синхронной
частотой вращения 1500мин-1
АИР112М4, с параметрами Рном = 5,5 кВт,
мин
-1,
S=3,7%,
мин -1.
2.4 Определение действительных передаточных отношений.
Определяем действительное передаточное соотношение из формулы (2.3)
Разбиваем
по
ступеням.
Принимаем
стандартное значение

Передаточное число ременной передачи
Принимаем
2.5 Определяем частоты вращения и угловые скорости валов.
-
угловая скорость двигателя;
-
число оборотов быстроходного вала;
-
угловая скорость быстроходного вала;
-
число оборотов тихоходного вала;
- угловая скорость
тихоходного вала.
3. Определение мощностей и передаваемых крутящих моментов валов
3.1 Определяем мощности на валах
Расчет ведем по [3]
Мощность
двигателя -
Определяем мощность на быстроходном валу
(3.1)

Определяем мощность на тихоходном валу
(3.2)

3.2 Определяем вращающие моменты на валах.
Определяем вращающие моменты на валах двигателя, быстроходном и тихоходном валах по формуле
(3.3)

4. Расчет червячной передачи
4.1 Исходные данные





4.2 Выбор материала червяка и червячного колеса
Для червяка с учетом мощности передачи выбираем [1, c.211] сталь 45 с закалкой до твердости не менее HRC 45 и последующим шлифованием.
Марка материала червячного колеса зависит от скорости скольжения
(4.1)
м/с
Для венца червячного колеса примем бронзу БрА9Ж3Л, отлитую в кокиль.
4.3 Предварительный расчет передачи
Определяем допускаемое контактное напряжение [1]:
[ σ>н>] =К>HL>С>v>0,9>в>, (4.2)
где С>v> –коэффициент, учитывающий износ материалов, для V>s>=2,39 он равен 1,21
>в>,- предел прочности при растяжении, для БрА9Ж3Л >в>,=500
К>HL> - коэффициент долговечности
К>HL>
=
,
(4.3)
где N=573>2>L>h>, (4.4)
L>h> – срок службы привода, по условию L>h>=10000ч
N=573х6,82х10000=39078600
Вычисляем по (4.3):
К>HL>
=
К>HL> =0,84
[ σ>н>] =0,84х1,21х500=510
Число витков червяка Z>1> принимаем в зависимости от передаточного числа при U = 10 принимаем Z>1> = 4
Число зубьев червячного колеса Z>2> = Z>1> x U = 4 x 10 = 40
Принимаем предварительно коэффициент диаметра червяка q = 10;
Коэффициент нагрузки К = 1,2; [1]
Определяем межосевое расстояние [1, c.61]
(4.5)

Вычисляем модуль
(4.6)
Принимаем по ГОСТ2144-76 (таблица 4.1 и 4.2) стандартные значения
m = 4
q = 10
а также Z>2> = 40 Z>1> = 4
Тогда пересчитываем межосевое расстояние по стандартным значениям m, q и Z>2>:
(4.7)

Принимаем aw = 100 мм.
4.4 Расчет геометрических размеров и параметров передачи
Основные размеры червяка.:
Делительный диаметр червяка
(4.8)

Диаметры вершин и впадин витков червяка
(4.9)
(4.10)
Длина нарезной части шлифованного червяка [1]
(4.11)
Принимаем b>1>=42мм
Делительный угол подъема γ:
γ =arctg(z>1>/q)
γ =arctg(4/10)
γ = 21 º48’05”
h>a>=m=4мм; h>f>=1,2x m=4,8мм; c=0,2x m=0,8мм.
Основные геометрические размеры червячного колеса [1]:
Делительный диаметр червячного колеса
(4.12)
Диаметры вершин и впадин зубьев червячного колеса
(4.13)
(4.14)
Наибольший диаметр червячного колеса
(4.15)
Ширина венца червячного колеса
(4.16)
Принимаем b>2>=32мм
Окружная скорость

(4.17)
червяка
-
колеса
-
Скорость скольжения зубьев [1, формула 4.15]
КПД редуктора с учетом потерь в опорах, потерь на разбрызгивание и перемешивания масла [1, формула 4.14]
Уточняем вращающий момент на валу червячного колеса
(4.18)

По [1, табл. 4.7] выбираем 7-ю степень точности передачи и находим значение коэффициента динамичности Kv = 1,1
Коэффициент неравномерности распределения нагрузки [1,формула 4.26]
В
этой формуле коэффициент деформации
червяка при q
=10 и Z>1>
=4
[1,табл. 4.6]
При незначительных колебаниях нагрузки вспомогательный коэффициент Х=0,6
Коэффициент нагрузки
4.5 Проверочный расчет
Проверяем фактическое контактное напряжение
МПа
< [G>H>]
= 510МПа.
Проверяем прочность зубьев червячного колеса на изгиб.
Эквивалентное число зубьев.
Коэффициент формы зуба [1, табл. 4.5] Y>F> = 2,19
Напряжение изгиба
Па = 92,713 мПа
Определяем окружные F>t>, осевые F>a> и радиальные F>r> силы в зацеплении соответственно на червяке и на колесе по формулам:
(4.19)
(4.20)
(4.21)



Данные расчетов сведены в табл.1.
Таблица 1
Параметры червячной передачи
-
Параметр
Колесо
Червяк
m
4
z
40
4
ha,мм
4
h>f>,мм
4,8
с, мм
0,8
d, мм
160
40
d>а>, мм
168
48
d>f>, мм
150,4
30,4
d>а>>m>, мм
172
-
b, мм
32
42
γ
21º48’05”
V, м/с
0,54
1,36
V>s>>, м/с>
1,64
F>t>, Н
8725
138
F>a>, Н
138
8725
F>r>, Н
3176
5 Предварительный расчет диаметров валов
5.1 Расчет ведущего вала
Ведущий вал – червяк (см.рис.2)

Рис.2 Эскиз червяка
Диаметр
выходного конца при допускаемом
напряжении
(согласно
табл. 7.1 [2]):
По ГОСТ принимаем d>1> =25мм
Диаметры подшипниковых шеек d>2 >=d>1>+2t=25+2х2,2=29,9мм
Принимаем d>2 >=30мм
d>3>≤d>f>>1>=47,88
Принимаем d>3 >=40мм
l>1 >=(1,2…1,5)d>1 >=1,4x25=35мм
l>2>≈1,5d>2 >=1,5x30=45мм
l>3> =(0,8…1)хd>am>=170мм
l>4> – определим после выбора подшипника
5.2 Расчет тихоходного вала
Ведомый вал – вал червячного колеса (см. рис.3)

Рис.3 Эскиз ведомого вала
Диаметр выходного конца
Принимаем ближайшее большее значение из стандартного ряда d>1 >=50мм
Диаметры подшипниковых шеек d>2 >=d>1>+2t=50+2х2,8=55,6мм
Принимаем d>2 >=60мм
d>3>= d>2 >+3,2r=60+3,2х3=69,6мм
Принимаем d>2 >=71мм
d>5>= d>3 >+3,2r=71+9,6=80мм
l>1 >=(1,0…1,5)d>1 >=1,2х50=60мм
l>2>≈1,25d>2 >=1,25х60=75мм
l>3> =(0,8..1)хd>am>=170мм
l>4> – определим после выбора подшипника
6 Подбор и проверочный расчет муфты
Определяем для муфты на выходном конце тихоходного вала расчетный момент М>р> [3]:
М>р>=>р>Т>2> , (6.1)
где >р> – коэффициент режима работы
Для ленточных конвейеров >р>=1,25-1,5
Принимаем >р>=1,4
М>р>=1,4х535,2=748 Нм
Исходя из задания на курсовую работу, расчетного момента и диаметра выходного вала d>2>=50мм выбираем [2,т.2,табл.12] муфту цепную с однорядной цепью 1000-1-50-1-У3 ГОСТ20761-80. Материал полумуфт – сталь 45.
Проводим проверочный расчет муфты по условию
[М>муфты>] М>р >,
1000748
Все параметры муфты в норме.
7 Предварительный выбор подшипников
Предварительный выбор проводим по табл.7.2.[2].
Так как межосевое расстояние составляет 100мм для червяка выбираем роликовые подшипники 7306 ГОСТ333-79, а для червячного колеса - 7512 ГОСТ333-79 (рис.4).

Рис.4 Подшипник ГОСТ333-79.
Параметры подшипников приведены в табл.2.
Таблица 2
Параметры подшипников
-
Параметр
7306
7512
Внутренний диаметр d, мм
30
60
Наружный диаметр D,мм
72
110
Ширина Т,мм
21
20
Ширина b,мм
19
28
Ширина с,мм
17
24
Грузоподъемность С>r>, кН
40
94
Грузоподъемность С>0>>r>, кН
29,9
75
8 Компоновочная схема.
Компоновочная схема редуктора с выбранными и рассчитанными размерами показана на рис.5.

Рис.5 Компоновочная схема редуктора
9 Выбор и проверочный расчет шпоночных соединений
Выбор и проверочный расчет шпоночных соединений проводим по [4].

Рис.6 Сечение вала по шпонке
9.1 Соединение быстроходный вал – шкив ременной передачи
Для выходного конца быстроходного вала при d=25 мм подбираем призматическую шпонку со скругленными торцами bxh=8x7 мм2 при t=4мм.
При l>1>=35 мм выбираем длину шпонки l=32мм.
М
атериал
шпонки – сталь 45 нормализованная.
Напряжения смятия и условия прочности
определяем по формуле:
где Т – передаваемый момент, Нмм;
l>р> – рабочая длина шпонки, при скругленных концах l>р>=l-b,мм;
[]>см> – допускаемое напряжение смятия.
С учетом того, что на выходном конце быстроходного вала устанавливается шкив из чугуна СЧ20 ([]>см>=70…100 Н/мм2) вычисляем:
У
словие
выполняется.
9.2 Соединение тихоходный вал – полумуфта
Для выходного конца тихоходного вала при d=50 мм подбираем призматическую шпонку со скругленными торцами bxh=14x9 мм2 при t=5,5мм.
При l>1>=60 мм выбираем длину шпонки l=45мм.
Материал шпонки – сталь 45 нормализованная. Проверяем напряжения смятия и условия прочности с учетом материала полумуфты – ст.3 ([]>см>=110…190 Н/мм2) и Т>2>=748 Нмм:

Условие выполняется.
9.3 Соединение тихоходный вал – ступица червячного колеса
Для соединения тихоходного вала со ступицей червячного колеса при d=71 мм подбираем призматическую шпонку со скругленными торцами bxh=20x12 мм2 при t=7,5мм.
При l>1>=32 мм выбираем длину шпонки l=32мм.
Материал шпонки – сталь 45 нормализованная. Проверяем напряжения смятия и условия прочности с учетом материала ступицы чугуна СЧ20 ([]>см>=70…100 МПа) и Т>2>=748 Нмм:

Условие выполняется.
Выбранные данные сведены в табл.3.
Таблица 3
Параметры шпонок и шпоночных соединений
|
Параметр |
Вал-шкив |
Вал-полумуфта |
Вал-колесо |
|
Ширина шпонки b,мм |
8 |
14 |
20 |
|
Высота шпонки h,мм |
7 |
9 |
12 |
|
Длина шпонки l,мм |
32 |
45 |
32 |
|
Глубина паза на валу t>1>,мм |
4 |
5,5 |
7,5 |
|
Глубина паза во втулке t>2>,мм |
3,3 |
3,8 |
4,9 |
10 Расчет валов по эквивалентному моменту
10.1 Исходные данные для расчета
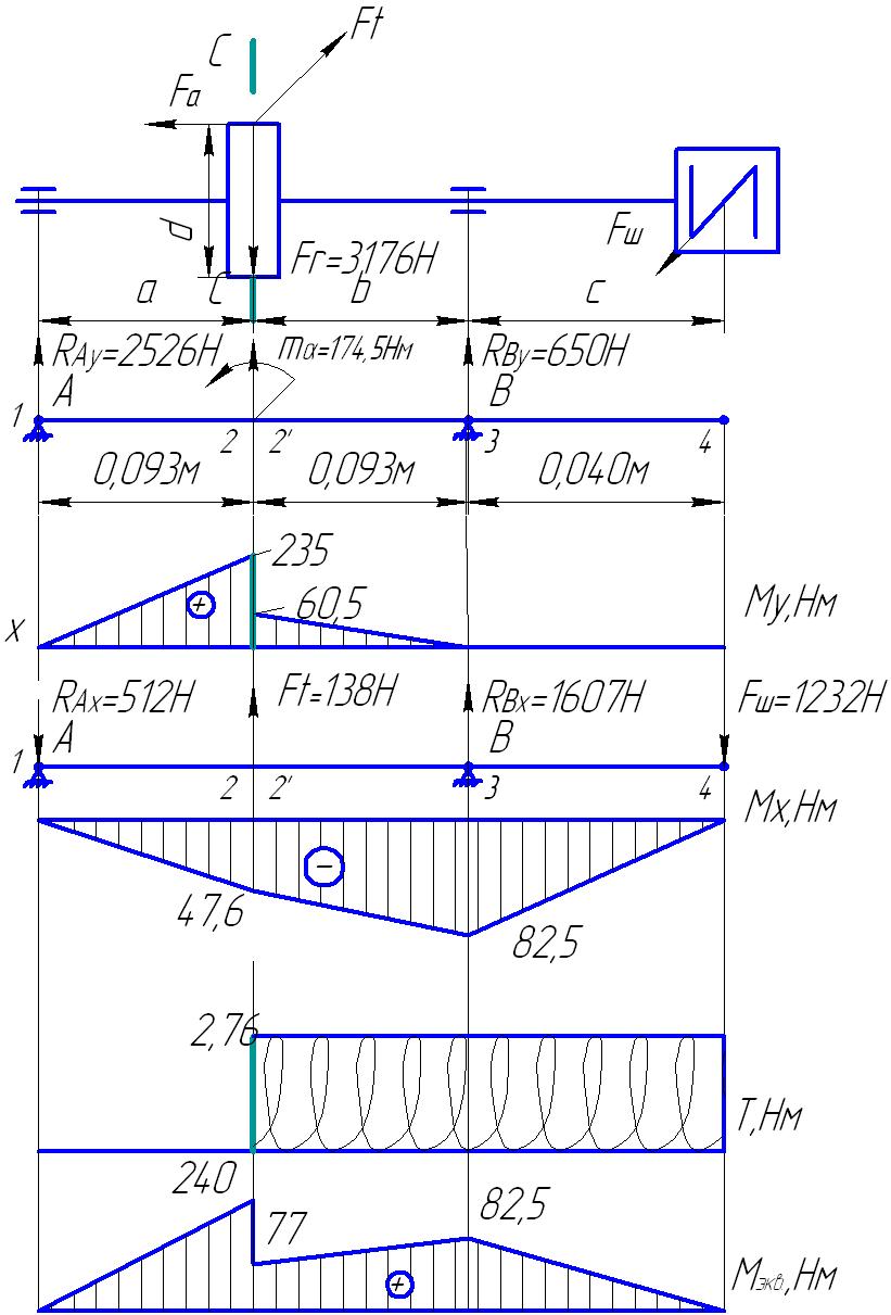
Составляем схему усилий, действующих на валы червячного редуктора (рис.7):

Рис.7 Схема усилий, действующих на валы червячного редуктора
Определяем консольную нагрузку на муфте [1,табл.6.2]:
; (10.1)

Н
Для определения консольной нагрузки на шкиве необходимо произвести расчет зубчато-ременной передачи.[1].
Определяем минимальный диаметр
ведущего шкива по диаметру вала
электродвигателя
d>ДВ>=32мм,
шпонка bхh=10х8мм.
Определяем минимальный диаметр ведущего шкива:
d>1>= d>ДВ>+h+10;
d>1min>=50мм.
Выбираем зубчатый ремень по ОСТ3805114-76 с модулем m=4, с трапецеидальной формой, шириной 84мм. Назначаем число зубьев ведущего шкива z=15.
Определяем делительный диаметр ведущего шкива:
d>1>=z x m
d>1>=60мм.
Определяем диаметр ведомого шкива:

где u-передаточное отношение передачи, u=2,2;

Принимаем
.
Определяем ориентировочное межосевое расстояние


Принимаем а=110мм.
Определяем расчетную длину ремня:


Принимаем l=550мм.
Уточняем значение межосевого расстояния по стандартной длине ремня:


180мм.
Определяем угол обхвата ремнем ведущего шкива:
;


Определяем скорость ремня:

где [v]-допускаемая скорость, для зубчатых ремней [v]=25м/с.


Определяем частоту пробегов ремня:

где [U]=30м-1 – допускаемая частота пробегов.

Определяем силу предварительного натяжения F>о> ремня:
(10.2)
где С – поправочные коэффициенты [3,табл.5.2].


Определяем консольную нагрузку на шкиве [3,табл.6.2]:



Для построения эпюр с учетом рис.5, данных табл.1 и пункта 7 определяем расстояния прилагаемых сил (рис.8).

Рис.8 Компоновочный эскиз вала
Все выбранные данные сводим в табл.4.
Таблица 4
Исходные данные для расчета валов
-
Параметр
Ведущий вал – червяк
Ведомый вал
Ft, Н
138
8725
Fr, Н
3176
Fa, Н
8725
138
Fм(Fш), Н
1232
5784
d, мм
40
160
а=b, мм
93
42
с, мм
67
86
10.2 Расчет ведущего вала – червяка.
Заменяем вал балкой на опорах в местах подшипников.
Рассматриваем вертикальную плоскость (ось у)
Изгибающий момент от осевой силы Fа будет:
m>а>=[Faxd/2]:
m>а>=8725·4010-3/2=174,5Нм.
Определяем реакции в подшипниках в вертикальной плоскости.
1m>Ау>=0
-R>By>·(a+b)+F>r>·a- m>а>=0
R>By>=(F>r>·0,093- m>а>)/ 0,186=(3176·0,093-174,5)/ 0,186=649,8Н
Принимаем R>By>=650Н
2m>Ву>=0
R>А>>y>·(a+b)-F>r>·b- m>а>=0
R>А>>y>==(F>r>·0,093+ m>а>)/ 0,186=(3176·0,093+174,5)/ 0,186=2526,2Н
Принимаем R>А>>y>=2526Н
Проверка:
F>Ку>=0
R>А>>y>- F>r>+ R>By>=2526-3176+650=0
Назначаем характерные точки 1,2,2’,3 и 4 и определяем в них изгибающие моменты:
М>1у>=0;
М>2у>= R>А>>y>·а;
М>2у>=2526·0,093=235Нм;
М>2>>’>>у>= М>2у>- m>а>(слева);
М>2’у>=235-174,5=60,5Нм;
М>3у>=0;
М>4у>=0;
Строим эпюру изгибающих моментов М>у>, Нм.
Рассматриваем горизонтальную плоскость (ось х)
1m>Ах>=0;
F>ш>·(a+b+с)-R>Вх>·(a+b)- F>t>·a=0;
1232·(0,093+0,093+0,067)-R>Вх>·(0,093+0,093)-138·0,093=0;
R>Вх>=(311,7-12,8)/0,186;
R>Вх>=1606,9Н
R>Вх>1607Н
2m>Вх>=0;
-R>Ах>·(a+b)+F>t>·b+F>ш>·с= 0;
R>Ах>=(12,834+82,477)/0,186;
R>Ах>=512,4Н
R>Ах>512Н
Проверка
m>Кх>=0;
-R>Ах>+ F>t>- F>ш>+ R>Вх>=-512+138-1232+1607=0

Рис.9 Эпюры изгибающих и крутящих моментов ведущего вала
Назначаем характерные точки 1,2,2’,3 и 4 и определяем в них изгибающие моменты:
М>1х>=0;
М>2х>= -R>Ах>·а;
М>2х>=-512·0,093=-47,6Нм;
М>3х>=- F>ш> ·с;
М>3х>=-1232·0,067=-82,5Нм
М>4х>=0;
Строим эпюру изгибающих моментов М>х>.
Крутящий момент
Т>I>>->>I>=0;
Т>II>>->>II>=T>1>=F>t>·d>1>/2;
Т>II>>->>II>=2,76Нм
Определяем суммарные изгибающие моменты:





Определяем эквивалентные моменты:







По рис.9 видно, что наиболее опасным является сечение С-С ведущего вала.
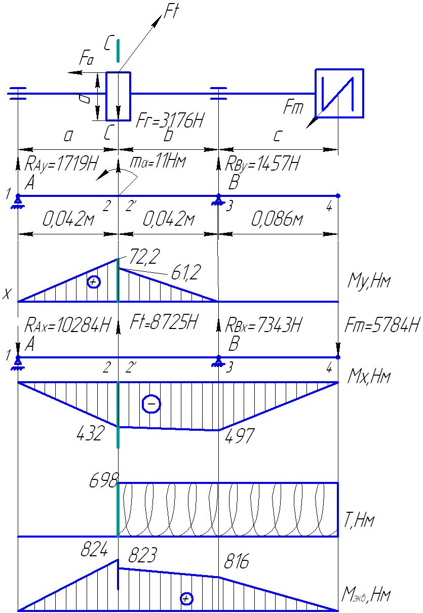
10.3 Расчет ведомого вала
Расчет производим аналогично п.10.1.
Заменяем вал балкой на опорах в местах подшипников.
Рассматриваем вертикальную плоскость (ось у)
Изгибающий момент от осевой силы Fа будет:
m>а>=[Faxd/2]:
m>а>=138·16010-3/2=11Нм.
Определяем реакции в подшипниках в вертикальной плоскости.
1m>Ау>=0
-R>By>·(a+b)+F>r>·a- m>а>=0
R>By>=(F>r>·0,042- m>а>)/ 0,084=(3176·0,042-11)/ 0,084=1457,04Н
Принимаем R>By>=1457Н
2m>Ву>=0
R>А>>y>·(a+b)-F>r>·b- m>а>=0
R>А>>y>==(F>r>·0,042+ m>а>)/ 0,084=(3176·0,042+11)/ 0,084=1718,95Н
Принимаем R>А>>y>=1719Н
Проверка:
F>Ку>=0
R>А>>y>- F>r>+ R>By>=1719-3176+1457=0
Назначаем характерные точки 1,2,2’,3 и 4 и определяем в них изгибающие моменты:
М>1у>=0;
М>2у>= R>А>>y>·а;
М>2у>=1719·0,042=72,2Нм;
М>2’у>= М>2у>- m>а>(слева);
М>2’у>=72,2-11=61,2Нм;
М>3у>=0;
М>4у>=0;
Строим эпюру изгибающих моментов М>у>, Нм.
Рассматриваем горизонтальную плоскость (ось х)
1m>Ах>=0;
F>m>·(a+b+с)-R>Вх>·(a+b)- F>t>·a=0;
5784·(0,042+0,042+0,086)-R>Вх>·(0,042+0,042)-8725·0,042=0;
R>Вх>=(983,3-366,45)/0,084;
R>Вх>=7343,2Н
R>Вх>7343Н
2m>Вх>=0;
-R>Ах>·(a+b)+F>t>·b+F>м>·с= 0;
R>Ах>=(366,45+497,4)/0,084;
R>Ах>=10284,2Н
R>Ах>10284Н
Проверка
m>Кх>=0;
-R>Ах>+ F>t>- F>m>+R>Вх>=-7343+8725-5784+10284=0
Назначаем характерные точки 1,2,2’,3 и 4 и определяем в них изгибающие моменты:
М>1х>=0;
М>2х>= -R>Ах>·а;
М>2х>=-10284·0,042=-432Нм;
М>3х>=- F>m> ·с;
М>3х>=-5784·0,086=-497Нм
М>4х>=0;
Строим эпюру изгибающих моментов М>х>.
Крутящий момент
Т>I>>->>I>=0;
Т>II>>->>II>=T>1>=F>t>·d>2>/2;
Т>II>>->>II>=698Нм
Определяем суммарные изгибающие моменты:





Определяем эквивалентные моменты:








Рис.10 Эпюры изгибающих и крутящих моментов ведомого вала
По рис.10 видно, что наиболее опасным является сечение С-С ведомого вала.
11 Расчет валов на выносливость
По рис.9 и рис.10 видно, что наиболее опасным является сечение С-С ведомого вала, где эквивалентный момент более, чем в три раза больше, чем у ведущего вала. Поэтому расчет на выносливость проводим только для ведомого вала.
Определяем суммарный изгибающий момент в сечении С-С

Рис.11 Схема для определения суммарного изгибающего момента
; (11.1)

Из табл.3 выбираем данные по шпонке:
Сечение шпонки b·h=20·12.
Глубина паза ваза t>1>=7,5мм
Диаметр вала d>к3>=71мм.
Определяем осевой и полярный моменты сопротивления в сечении С-С вала с учетом шпоночного паза [1. табл.8.5]
(11.2)
(11.3)
;
мм3;
;
мм3:
Определяем напряжение изгиба в сечении С-С
; (11.4)
;
;
Принимаем
.
Определяем напряжения кручения в сечении С-С

;
;
Принимаем
.
Определяем амплитудные и средние напряжения циклов перемен напряжений. По заданию вал неверсивный. Напряжения изгиба изменяются по симметричному циклу (рис.12), а напряжения кручения – по пульсирующему циклу (рис.13).

Рис.12 Цикл перемен напряжений изгиба

Рис.13 Цикл перемен напряжений кручения
Из рисунков следует:
- для перемен напряжений изгиба:
>v>=>и>; >м>=0; >v>=14МПа.
- для перемен напряжений кручения:
τ>v>=τ>и>=τ>к>/2; τ>v>=τ>и>=5МПа.
Определяем коэффициенты снижения выносливости в сечении С-С. Зубчатое колесо напрессовано на вал и шпонку по посадке с гарантированным натягом, тогда находим коэффициент нормальных напряжений.
έ>> и έ>τ> – масштабные факторы
Учитывая примечание 2 [1, с.166 табл.8.7]

[1,
с.166 табл.8.7]
;
β – коэффициент, учитывающий влияние шероховатости поверхности при высоте микронеровностей :
R>а>=0,32…2,5мкм;
β =0,97…0,9; [1, с.162]
Принимаем β =0,92.
Определяем коэффициент запаса усталостной прочности по нормальным напряжениям изгиба. [1, с.162]
(11.5)
;
.
Коэффициент чувствительности материала к асимметрии цикла по касательным напряжениям ψ>>=0,1.
Определяем коэффициент запаса усталостной прочности по нормальным напряжениям кручения. [1, с.164]
; (11.6)
; 
Определяем суммарный коэффициент запаса усталостной прочности в сечении вала С-С [1, с.162]
(11.7)
где [S]=1,5…5,5 – требуемый коэффициент запаса усталостной прочности [1, с.162]

Вывод: Расчетный коэффициент запаса усталостной прочности в пределах нормы, поэтому конструкцию вала сохраняем.
12 Расчет подшипников на долговечность
12.1 Расчет подшипников червяка на долговечность
Исходные данные
n>2>=652мин-1;
d>п3>=30мм;
R>А>>y>=2526Н;
R>Ах>=512Н;
R>By>=650Н;
R>Вх>=1607Н;
Н.
Определяем радиальные нагрузки, действующие на подшипники
; (12.1)
; 
Здесь подшипник 2 – это опора А в сторону которой действует осевая сила F>а> (рис.9).
;
; 
Назначаем тип подшипника, определив отношение осевой силы к радиальной силе того подшипника, который ее воспринимает (здесь подшипник 2)
;
;
Так как соотношение больше 0,35, то назначаем роликовый конический однорядный подшипник средней серии по d>п3>=30мм.
Подшипник № 7306, у которого:
D>n>>2>=72мм;
В>n>>2>=21мм;
С>0>=40кН – статическая грузоподъемность;
С=29,9кН – динамическая грузоподъемность
е=0,34 – коэффициент осевого нагружения;
У=1,78 – коэффициент при осевой нагрузке [1,c.402, табл.П7].
Определяем коэффициент Х при радиальной нагрузке [1,c.212, табл.9.18] в зависимости от отношения
;
где V – коэффициент вращения, при вращении внутреннего кольца V=1.

Тогда Х=0,4.
Изображаем схему нагружения подшипников. Подшипники устанавливаем враспор.

Рис.14 Схема нагружения вала-червяка
Определяем осевые составляющие от радиальных нагрузок
S=0,83eF>r> [1,c.216]
S>1>=0,830,341733; S>1>=489Н;
S>2>=0,830,342577; S>2>=727Н.
Определяем осевые нагрузки, действующие на подшипники.
F>aI>=S>1>;
F>aII>=S>2> +F>aI>;
F>aI>=489Н;
F>aII>=489+723; F>aII>=1216Н.
Определяем эквивалентную нагрузку наиболее нагруженного подшипника II
F>э2>=(ХVF>r>>2>+УF>aII>)K>>K>τ>;
где K>> - коэффициент безопасности;
K>> =1,3…1,5 [1,c.214, табл.9.19];
принимаем K>> =1,5;
K>τ> – температурный коэффициент;
K>τ> =1 (до 100ºС) [1,c.214, табл.9.20];
F>э2>=(0,412577+1,781216)1,51; F>э2>=3195Н=3,2кН
Определяем номинальную долговечность роликовых подшипников в часах
[1,c.211]; (12.2)
.
Подставляем в формулу (12.2):
;
ч.
По заданию долговечность привода L>hmin>=10000ч.
В нашем случае L>h>> L>hmin>, принимаем окончательно для червяка подшипник 7306.
12.1 Расчет подшипников тихоходного вала на долговечность
Исходные данные
n>2>=65,2мин-1;
d>п3>=60мм;
R>А>>y>=1719Н;
R>Ах>=10284Н;
R>By>=1457Н;
R>Вх>=7343Н;
Н.
Определяем радиальные нагрузки, действующие на подшипники (12.1)
; 
Здесь подшипник 2 – это опора А в сторону которой действует осевая сила F>а> (рис.10).
;
; 
Назначаем тип подшипника, определив отношение осевой силы к радиальной силе того подшипника, который ее воспринимает (здесь подшипник 2)
;
;
Так как соотношение больше 0,35, то назначаем роликовый конический однорядный подшипник средней серии по d>п3>=60мм.
Подшипник № 7512, у которого:
D>n>>2>=110мм;
В>n>>2>=30мм;
С>0>=94кН – статическая грузоподъемность;
С=75кН – динамическая грузоподъемность
е=0,392 – коэффициент осевого нагружения;
У=1,528 – коэффициент при осевой нагрузке [1,c.402, табл.П7].
Определяем коэффициент Х при радиальной нагрузке [1,c.212, табл.9.18] в зависимости от отношения
>е
где V – коэффициент вращения, при вращении внутреннего кольца V=1.

Тогда Х=0,4.
Изображаем схему нагружения подшипников. Подшипники устанавливаем враспор.

Рис.15 Схема нагружения тихоходного вала
Определяем осевые составляющие от радиальных нагрузок
S=0,83eF>r> [1,c.216]
S>1>=0,830,3927496; S>1>=2440Н;
S>2>=0,830,39210426; S>2>=3392Н.
Определяем осевые нагрузки, действующие на подшипники.
F>aI>=S>1>;
F>aII>=S>2> +F>aI>;
F>aI>=2440Н;
F>aII>=2440+3392; F>aII>=5832Н.
Определяем эквивалентную нагрузку наиболее нагруженного подшипника II
F>э2>=(ХVF>r>>2>+УF>aII>)K>>K>τ>;
где K>> - коэффициент безопасности;
K>> =1,3…1,5 [1,c.214, табл.9.19];
принимаем K>> =1,5;
K>τ> – температурный коэффициент;
K>τ> =1 (до 100ºС) [1,c.214, табл.9.20];
F>э2>=(0,4110426+1,785832)1,51; F>э2>=14550Н=14,55кН
Определяем номинальную долговечность роликовых подшипников в часах
[1,c.211]; (12.2)
.
Подставляем в формулу (12.2):
;
ч.
По заданию долговечность привода L>hmin>=10000ч.
В нашем случае L>h>> L>hmin>, принимаем окончательно для червяка подшипник 7512.
13 Выбор системы и вида смазки.
Скорость скольжения в зацеплении V>S> = 2,38 м/с. Контактные напряжения >Н >= 510 Н/мм2. По таблице 10.29 из [3] выбираем масло И-Т-Д-460.
Используем картерную систему смазывания. В корпус редуктора заливаем масло так, чтобы венец зубчатого колеса был в него погружен на глубину h>м >(рис.15):

Рис.16 Схема определения уровня масла в редукторе
h>м >>max> 0.25d>2 >= 0.25160 = 40мм;
h>м >>min>> >= m = 4мм.
При вращении колеса масло будет увлекаться его зубьями, разбрызгиваться, попадать на внутренние стенки корпуса, откуда стекать в нижнюю его часть. Внутри корпуса образуется взвесь частиц масла в воздухе, которым покрываются поверхности расположенных внутри корпуса деталей, в том числе и подшипники.
Объем масляной ванны
V = 0.65P>II> = 0.653,65 = 2.37 л.
Контроль уровня масла производится пробками уровня, которые ставятся попарно в зоне верхнего и нижнего уровней смазки. Для слива масла предусмотрена сливная пробка. Заливка масла в редуктор производится через съемную крышку.
И для вала-червяка, и для вала червячного колеса выберем манжетные уплотнения по ГОСТ 8752-79. Установим их рабочей кромкой внутрь корпуса так, чтобы обеспечить к ней хороший доступ масла.
14 Расчет основных элементов корпуса
Для предотвращения задевания поверхностей вращающихся колес за внутренние стенки корпуса внутренний контур стенок провести с зазором х=8…10мм [3]; такой же зазор предусмотреть между подшипниками и контуром стенок. Расстояние между дном корпуса и поверхностью колес принимаем
у4х; у(32…40)мм
Для малонагруженных редукторов (Т>2>500Нм) определяем толщины стенок крышки и основания корпуса

;
мм,
принимаем
мм.
Для крепления крышек подшипников в корпусе и крышке предусматриваем фланцы. Крышки торцовые для подшипников выбираем по табл.143 (глухие) и 144 (с отверстием для манжетного уплотнения) [2, т.2, с.255].
15 Сборка и регулировка редуктора
Конструкцию редуктора принимаем с верхним расположением червяка [3, рис.А10]. Порядок сборки следующий:
на червяк устанавливаем подшипники;
червяк с подшипниками устанавливаем в верхнюю крышку, регулируем зазоры в подшипниках кольцами и закрываем торцевыми крышками, сквозная крышка с манжетой;
устанавливаем на ведомый вал червячное колесо и подшипники, регулируем зазоры в подшипниках кольцами;
собранный вал устанавливается на корпус и закрывается верхней крышкой с червяком;
закрываем подшипники ведомого вала торцевыми крышками, сквозная крышка с манжетой;
верхняя крышка соединяется с корпусом с помощью винтов и фиксируется двумя штифтами;
в корпус устанавливаются пробки для слива и для контроля верхнего уровня;
в редуктор через верхнее отверстие в крышке заливается масло до верхнего уровня;
устанавливается верхняя пробка и крышка, закрывающая отверстие для заливки масла и контроля зацепления червячной передачи;
на быстроходный вал устанавливаем шкив ременной передачи, а на тихоходный полумуфту;
проверяем работу редуктора, вручную проворачивая быстроходный вал.
Редуктор собран и при изготовлении деталей без отклонений готов к подключению к приводу.
16 Назначение квалитетов точности, шероховатости поверхности, отклонений формы и взаимного расположения поверхностей
Выбор допусков, посадок и шероховатости поверхности проводим приняв, что детали редуктора изготавливаются по нормальной относительной точности размеров [3]. При выборе руководствуемся стандартным рядом параметров шероховатости. Выбранные значения параметров приведены в табл.5.
Параметры точности и шероховатости
Таблица 5
|
Наименование соединения, поверхности |
Шероховатость R>a>, мкм |
Посадка, допуск |
|
Соединение зубчатого колеса с валом |
1,25 |
H7/p6 |
|
Поверхность вала под подшипниками |
0,63 |
k6 |
|
Поверхность корпуса для посадки подшипников |
1,0 |
H8 |
|
Поверхность заплечиков вала |
0,8 |
H22 |
|
Поверхность выходного конца вала |
0,4 |
r6 |
|
Посадочная поверхность торцевых крышек |
6,3 |
h7 |
|
Поверхность зубьев: - колеса - червяка |
2,5 2,5 |
H22 H22 |
|
Поверхность червяка под подшипниками |
0,63 |
k6 |
|
Поверхность выходного конца быстроходного вала |
2,5 |
h7 |
|
Все остальные обрабатываемые поверхности |
6,3 |
H24,H24 |
|
Поверхности, получаемые литьем |
25 |
H25,H25 |
17 Тепловой расчет редуктора
Цель теплового расчета – проверка температуры масла в редукторе, которая не должна превышать допускаемой [t]>м>=80…95ºС. Температура воздуха вне корпуса редуктора обычно t>в>=20 ºС. Температура масла t>м> в корпусе червячной передачи при непрерывной работе без искусственного охлаждения определяется по формуле [3]:
(18.1)
где ή- КПД редуктора,
К>t> =9…17 Вт/(м2град) – коэффициент теплопередачи,
А – площадь теплоотдающей поверхности корпуса редуктор, м2
По [3, табл.11.6] исходя из межосевого расстояния 100мм определяем А=0,24
Подставив данные в (18.1) получим:

ºС[t]>м>
Температура редуктора в норме.
Литература
С.А.Чернавский и др. «Курсовое проектирование деталей машин» М. 1987г.
Анурьев В.И. Справочник конструктора-машиностроителя: В 3 т. -8-е изд. перераб. и доп. Под ред. И.Н.Жестковой. – М.: Машиностроение, 1999
Шейнблит А.Е. Курсовое проектирование деталей машин: Учеб. пособие. – М.: Высш. шк., 1991
Чернин И.М. и др. Расчеты деталей машин. – Мн.: Выш. школа, 1978
Иосилевич Г.Б., Строганов Г.Б., Маслов Г.С. Прикладная механика: Учеб. для вузов/Под ред. Г.Б.Иосилевича._М.:Высш.шк., 1989.-351с.