Расчет коробки скоростей металлорежущих станков (работа 1)
МИНИСТЕРСТВО ОБРАЗОВАНИЯ И НАУКИ УКРАИНЫ
ДОНЕЦЬКИЙ НАЦІИНАЛЬНЫЙ ТЕХНИЧЕСКИЙ УНИВЕРСИТЕТ
Механический факультет
Кафедра: "Металорежущие верстати и инструменты "
КУРСОВОЙ ПРОЕКТ
По дисциплине: " Металлообрабатывающее оборудование "
на тему: " Расчет коробки подач металлорежущих станков"
Исполнитель
Студент гр. МВС-02а
О.В. Романенко
Консультант В.П. Цокур
Нормо контролер В.В. Полтавець
Донецьк 2005
РЕФЕРАТ
Курсовой проект: с., 4 табл., 6 рис., 10 источников, 4 приложения.
Объект исследования – автоматическая коробка подач горизонтально-фрезерного станка мод. 6Р80.
В курсовом проекте выбран электродвигатель, определены передаточные отношения каждой ступени коробки, а также мощности, крутящие моменты, частоты вращения каждого вала. Рассчитаны модули для каждой передачи. Определены основные размеры зубчатых колес. Спроектированы передачи и проведен расчет ходового вала. Выбрана система смазки. Выбраны электромагнитные муфты и подшипники качения, а также выбраны и рассчитаны шпоночные соединения. Выполнены чертежи развертки коробки подач, свертки, общего вида горизонтально-фрезерного станка (прототипа), кинематическая схема, структурная сетка и график частот вращения.
СТАНОК, ВАЛ, ПОДШИПНИК, КОРОБКА ПОДАЧ, ЭЛЕКТРОМАГНИТНАЯ МУФТА, ЗУБЧАТОЕ КОЛЕСО, ПЕРЕДАТОЧНОЕ ОТНОШЕНИЕ, МОДУЛЬ
ЗАДАНИЕ
Спроектировать автоматическую коробку подач горизонтально-фрезерного станка.
Исходные данные:
Стол:
мм;
Знаменатель
геометрической прогрессии:
;
Предельные
значения подач стола:
мм/мин;
Автоматическая коробка подач
СОДЕРЖАНИЕ
ВВЕДЕНИЕ
1. ВЫБОРПРЕДЕЛЬНЫХРЕЖИМОВ РЕЗАНИЯ
1.1 Определение предельных значений режимов резания
2. КИНИМАТИЧЕСКИЙ РАСЧЁТ КОРОБКИ ПОДАЧ
2.1 Определение диапазона регулирования подач
2.2 Выбор структурной формулы коробки подач
2.3 Определение чисел зубьев групп передач
3. СИЛОВОЙ РАСЧЁТ КОРОБКИ ПЕРЕДАЧ
3.1 Выбор электродвигателя
3.2 Расчет крутящих моментов на валах
4. Расчет передач
4.1 Проектный расчёт
4.2 Определение диаметров валов
4.3 Определение основных параметров зацепления
5. РАСЧЁТ МЕХАНИЗМА ВИНТОВОЙ ПЕРЕДАЧИ С ГАЙКОЙ СКОЛЬЖЕНИЯ
5.1 Расчет на износостойкость по среднему удельному давлению
5.2 Расчёт ходовых винтов на прочность
5.3 Расчёт ходового винта на жесткость
5.4 Расчёт ходового винта на устойчивость
6. ВЫБОР И РАСЧЕТ ШПОНОЧНЫХ СОЕДИНЕНИЙ
6.1 Выбор шпоночных и шлицевых соединений
6.2 Расчет шпоночного соединения
7. ВЫБОР И РАСЧЕТ ПОДШИПНИКОВ
7.1 Выбор подшипников
7.2 Проверочный расчет подшипников расчетного вала
8. ВЫБОР И РАСЧЕТ МУФТ
8.1 Выбор и расчет упругой муфты
8.2 Выбор и расчет электромагнитных муфт
9. Разработка системы управления
10. ОПРЕДЕЛЕНИЕ СИСТЕМЫ СМАЗКИ
ЗАКЛЮЧЕНИЕ
Перечень ссылок
ПРИЛОЖЕНИЕ А. Спецификация
ВВЕДЕНИЕ
Перед станкостроением всегда будет стоять задача – создание металлорежущих станков, отвечающих современным требованиям машиностроения. Следовательно, требуется создание станков высокой производительности, точности и экономичности.
В настоящее время наблюдается тенденция на повышение уровня автоматизации производственных процессов. В производство все более внедряется автоматизированное оборудование, работающее без непосредственного участия человека или значительно облегчающее труд рабочего. Это позволяет значительно сократить трудоемкость производственного процесса, снизить себестоимость выпускаемой продукции, увеличить производительность труда. Поэтому главная задача инженеров - разработка автоматизированного оборудования, расчет его основных узлов и агрегатов, выявление наиболее оптимальных технических решений и внедрение их в производство.
Целью данного курсового проекта является разработка автоматической коробки подач горизонтально-фрезерного станка, переключение передач в которой осуществляется при помощи электромагнитных муфт.
1. ВЫБОР ПРЕДЕЛЬНЫХ РЕЖИМОВ РЕЗАНИЯ
1.1 Определение предельных значений режимов резания
При
мм/мин
– фрезерование пазов за один проход;
Концевая фреза: D=B=24мм;
t=0,6мм;
z=2;
S>z>=0,05мм;
При
мм/мин
– фрезерование уступов;
Цилиндрическая фреза: D=125мм;
B=40мм;
t=2мм;
z=12мм;
S>z>=0,3мм.
2. КИНИМАТИЧЕСКИЙ РАСАЧЁТ КОРОБКИ ПОДАЧ
2.1 Определение диапазона регулирования подач
Определим диапазон регулирования подач по формуле [2, с. 9]:
;
Определяем число ступеней коробки скоростей:
;
Принимаем
.
2.2 Выбор структурной формулы коробки подач
По
числу ступеней скоростей
и знаменателю геометрической прогрессии
[2, с. 24, табл. 5.1] выбираем типовую
структурную формулу .

Принимаем сложенную структуру БIII-2 (рисунок 1).
Для выбранной структуры коробки подач строим структурную сетку (рисунок 2).

Рисунок 1 – Схема сложенной структуры

Рисунок 2 – Структурная сетка
В
соответствии с нормами станкостроения,
по ОСТ21111-1-72 стандартный ряд значений
частот вращения, для знаменателя
прогрессии
,
имеет вид: 20; 25; 32; 40; 50; 63; 80; 100; 125; 160; 200;
250; 315; 400; 500; 630; 800; 1000; 1250; 1600; 2000; 2240. По
полученным данным строим график частот
вращения (рисунок 3).

Рисунок 3 – График частот вращения коробки скоростей
2.3 Определение чисел зубьев групп передач
При определении чисел зубьев
необходимо не только получить данное
передаточное отношение
,
но и обеспечить постоянную сумму зубьев
в пределах двух валовой передачи:
.
Исходя из найденных по графику частот вращения передаточных отношений, а также пользуясь таблицами 4.2, 4.3, 4.4 и 4.5 [3, с. 98-101]. Выбираем числа зубьев. Результаты выбора сведены в таблицу 3.
Таблица 3 – Числа зубьев зубчатых колёс коробки скоростей
|
Направление передачи (валы) |
I-II |
II-III |
III-IV |
IV-V |
II -V |
|
Передаточные отклонения |
|
|
|
|
|
|
Числа
зубьев:
|
|
|
|
|
|
|
|
55 |
55 |
55 |
58 |
58 |
3. СИЛОВОЙ РАСЧЁТ КОРОБКИ ПЕРЕДАЧ
3.1 Выбор электродвигателя
Для рассчитываемой коробки подач принимаем двигатель N=0,6 кВт.
n=1420об/мин.
3.2 Расчет крутящих моментов на валах
При определении крутящих моментов на валах используем формулу[7, с.64]:
;
где: Q – тяговая сила подачи;
t – шаг тягового вала в мм.
Тяговая сила подачи Q – определяется по формуле[7, с.23]:
;
где: k – коэффициент, учитывающий влияние опрокидывающего момента;
P>x> – составляющая силы резания в направлении подачи;
P>z> - составляющая силы резания, прижимающая стол к направляющим;
P>y> - составляющая силы резания, отрывающая стол от направляющих;
G – вес перемещаемых частей;
- приведенный коэффициент
трения на направляющих
;
где: Cp=101; x=0,88; y=0,75; U=1,0; q=0,87; ω=0; K>mp>=1; D=75 мм; t=3; S=0,3; B=60; z=8; n=125;
Нм;
;
отсюда
Нм;

Нм;
Н;
Нм.
4. Расчет передач
4.1 Проектный расчёт
;
где
– допускаемые напряжения на изгиб;
– коэффициент формы зуба
(выбирается из таблиц 2.3 [5]);
– число зубьев меньшего
колеса;
– мощность на валу меньшего
колеса;
– коэффициент ширины
зубчатого колеса;
- частота вращения вала.
мм;
Принимаем модуль m=1,5.
4.2 определение диаметров валов
мм;
Принимаем d>в>=25 мм.
4.3 Определение основных параметров зацепления
К основным параметрам зубчатых колес относятся модуль, межосевое расстояние, ширина зубчатых колес, диаметр делительной окружности, диаметр вершин зубьев и диаметр впадин зубьев [5].
Диаметр делительной окружности
;
Диаметр окружности вершин
;
Диаметр окружности впадин
;
Межосевое расстояние
;
Ширина зубчатого венца
.
В таблице 4 приведены основные размеры зацепления.
Таблица 4 – Основные размеры зацепления
-
№

,мм

,мм
,мм
,мм
,мм

1
2
3
4
5
6
7
8
9
1

1,5
18
30
27
30
23,25
41,25
2
37
30
55,5
58,5
51,75
3

21
30
31,5
34,5
27,75
4
34
30
51
54
47,25
5

18
30
27
30
23,25
6
37
30
55,5
58,5
51,75
7

26
30
39
42
35,25
8
29
30
43,5
46,5
39,75
9

19
30
28,5
31,5
24,75
10
36
30
54
57
50,25
11

1,5
32
30
48
51
44,25
12
23
30
34,5
37,5
30,75
13

19
30
28,5
31,5
39,75
43,5
14
39
30
58,5
61,5
54,75
15

37
30
55,5
58,5
51,75
41,25
16
18
30
27
30
23,25
17

1,5
38
30
57
60
53,25
43,5
18
20
30
30
33
26,25
19

38
30
57
60
53,25
20
20
30
30
33
26,25
21
1
29
30
43,5
46,5
39,75
22
29
30
43,5
46,5
39,75
5. РАСЧЁТ МЕХАНИЗМА ВИНТОВОЙ ПЕРЕДАЧИ С ГАЙКОЙ СКОЛЬЖЕНИЯ
5.1 Расчет на износостойкость по среднему удельному давлению
Расчет на износостойкость по среднему удельному давлению производится по формуле[7, с.102]
;
где: Q – наибольшая тяговая сила;
s – шаг винтовой линии резьбы;
t>2> – рабочая высота витка;
L – длина гайки;
z – число заходов резьбы;
d>ср> – средний диаметр резьбы.
Обозначая соотношение
,
получим

откуда
;
Для стандартных трапециидальных резьб:
;
тогда:
;
;
[ρ]=12*106 н/м2;
мм.
Принимаем d>ср>=27мм, d>max>=30мм, d>min>=23мм.
5.2 Расчёт ходовых винтов на прочность
Ходовой винт работает одновременно на растяжение (или сжатие) и кручение и рассчитывается на прочность по приведенному напряжению [7,с.102].
;
где:
- площадь поперечного сечения стержня
винта;
мм2;
M>к> – крутящий момент передаваемый винтом;
-
момент сопротивления сечения при
кручении.
После подстановки получим:
;
;
где
- к.п.д. винтовой пары:
;
где
- угол трения в резьбе;
β – угол подъёма средней винтовой линии резьбы:
;
;
Нм;
МПа.
5.3 Расчёт ходового винта на жесткость
В результате сжатия или растяжения ходового винта тяговой силы Q шаг резьбы винта изменяется на:
;
где E – модуль продольной упругости материала;
Изменение шага резьбы, вызванное закручиванием ходового винта моментом М>к> составляет:
;
Угол закручивания ходового винта на длине одного витка
;
поэтому
;
где G – модуль сдвига материала;
МПа;
J>p> – полярный момент инерции сечения винта.
мм2;
;
.
5.4 Расчёт ходового винта на устойчивость
Критическая тяговая сила определяется по формуле [7, с.104]:
;
где E – модуль продольной упругости материала;
J>min> – наименьший момент инерции поперечного сечения;
мм4;
vl – приведенная длина, v=1/2, l=33.
Н;
Расчётная формула запаса устойчивости:
.
6. ВЫБОР И РАСЧЕТ ШПОНОЧНЫХ СОЕДИНЕНИЙ
6.1 Выбор шпоночных и шлицевых соединений
Первый вал
Шпоночное соединение (рисунок 4), соединение муфты с валом.
Шпонка
ГОСТ 23360-78

Шпоночное соединение, соединение муфты с валом.
Шпонка
ГОСТ 23360-78

Второй вал
Шпоночное соединение, соединение зубчатого колеса с валов.
Шпонка

ГОСТ 23360-78

Третий вал
1) Шпоночное соединение, соединение зубчатого колеса с валов.
Шпонка

ГОСТ 23360-78

Четвертый вал
1) Шпоночное соединение, соединение зубчатого колеса с валов.
Шпонка

ГОСТ 23360-78

Пятый вал
1) Шпоночное соединение, соединение зубчатого колеса с валов.
Шпонка

ГОСТ 23360-78


Рисунок 4 – Шпоночное соединение
6.2 Расчет шпоночного соединения
Выбранная шпонка проверяется на смятие, по формуле:
;
где
–
вращательный момент, передаваемый
шпонкой;
–
диаметр вала;
–
высота шпонки;
–
рабочая длина шпонки,
;
–
количество шпонок;
–
допускаемое напряжение
смятия,
.
Пример: Шпонка

ГОСТ 23360-78

;
.
7. ВЫБОР И РАСЧЕТ ПОДШИПНИКОВ
7.1 Выбор подшипников
Подшипники выбираем, пользуясь справочником [9].
Шариковый подшипник ГОСТ 8338 – 75.
205:
.
7.2 Проверочный расчет подшипников расчетного вала
Основным расчетным параметром, который определяет работоспособность подшипниковой опоры, является долговечность подшипника, определяемая по формуле [8]:

где
–
динамическая грузоподъемность;
–
коэффициент формы тела
качения,
;
–
частота вращения подвижного
кольца;
–
приведенная нагрузка,

–
коэффициент кольца,
;
–
коэффициент безопасности,
из таблицы 8.1 [8]
;
–
коэффициент температурного
режима, из таблицы 8.2 [8]
;
,
–
коэффициент приведения(
,
);
–
радиальная и осевая
нагрузка на подшипники:
,
–
с.м. пункт 6.2;




Для проверки правильности выбора подшипника, необходимо чтобы выполнялось условие

Опора А:

Опора В:

Выбранный подшипник удовлетворяет условию.
8. ВЫБОР И РАСЧЕТ МУФТ
8.1 Выбор и расчет упругой муфты
Т.к. при запуске электродвигателя муфта испытывает кратковременные нагрузки, то входной вал и вал электродвигателя соединяем между собой упругой муфтой. Широкое распространение получили муфты с неметаллическими упругими элементами (наиболее простая из них – муфта упругая втулочно-пальцевая).
Муфту выбираем: а) по крутящему моменту на I валу


б) по диаметрам валов электродвигателя и редуктора
Минимальный и максимальный
растачиваемый диаметры отверстия
полумуфты

Диаметр вала электродвигателя

Диаметр вала

Муфта упругая втулочно-пальцевая 63 – 25 – 28 ГОСТ 21424 – 93 [10, табл. 1.6]
Расчет муфты заключается в проверочном расчете пальцев на изгиб, а втулок на смятие:


где
–
диаметр окружности расположения центров
пальцев,
;
–
диаметр пальцев,
;
–
толщина распорной втулки,
;
–
длина упругой втулки,
;
–
количество пальцев,
;
–
допустимое напряжение
при изгибе пальцев,
;
–
допустимое напряжение
смятия втулки,
;
–
расчетный момент,

где
–
крутящий момент на I
валу;
–
коэффициент, учитывающий
степень ответственности механизма [10,
табл. 1.2],
;
–
коэффициент, учитывающий
условия работы [10,
табл. 1.3],
;
–
коэффициент углового
сдвига [10, табл.
1.4],
;
–
наибольший крутящий
момент,
.



8.2 Выбор и расчет электромагнитных муфт
При выборе, муфта должна удовлетворять пяти условиям [3].
1. Номинальный передаваемый
момент муфты
должен
быть больше максимального приведенного
к ней статического момента нагрузки
:
,
где
– коэффициент запаса,
.
2. Вращающий момент муфты
должен быть больше максимального
приведенного к муфте момента трогания
механизма
,
т.е.
.
3. Муфта должна обеспечивать
заданные для механизма длительность
разгона
,
торможения
и
реверса
.
,
,
,
где
– приведенный момент инерции,
;
– частоты вращения,
;
– моменты вращения и
сопротивления движения,
.
4. Остаточный передаваемый
момент
должен быть меньше приведенного к валу
муфты минимального момента сопротивления
механизма
при движении на холостом ходу, т.е.
,
где
.
5. Средняя мощность потерь
должны быть меньше мощности допустимых
потерь
для выбираемой муфты.
,
где
– потери на трение;
– потери холостого хода;
– относительная продолжительность
включения муфты, %;
– джоулевы потери в обмотке муфты.
Потери на трение при разгоне
,
где
– число включений муфты в течение часа.
Потери на трение при торможении

Потери на трение при реверсе
.
Потери холостого хода
,
где
– относительная частота вращения дисков
при отключенной муфте.
9. Разработка системы управления
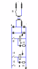
Для управления коробкой скоростей станка с ЧПУ применяются контактные электромагнитные муфты ЭМ…2 и бесконтактные электромагнитные муфты ЭМ…4. Применение таких муфт позволяет осуществлять переключение передач во время работы станка, как в холостом режиме работы, так и под нагрузкой [3].
Для питания электромагнитных муфт обычно применяются селеновые выпрямители. На рисунке 5 показана система питания группы электромагнитных муфт. Муфты включают и отключают по посредством управляющих контактов УК1, УК2 и т. д. При отключении муфты исчезающее магнитное поле наводит в её катушке э. д. с. Большой величины. Она может вызвать пробой изоляции катушки. Чтобы понизить э. д. с. нужно замедлить уменьшение магнитного поля. Это достигается применением резисторов R1, R2. Э. д. с. самоиндукции направлена в сторону убывающего тока; под ее действием по замкнутому через резистор контуру будет некоторое время протекать затухающий ток, который замедлит изменение магнитного потока и уменьшит величину э. д. с. Часто применяют вентили В1, В2. Они не пропускают тока через разрядные резисторы R1, R2, когда муфты включены, и в это время не будет потерь энергии в резисторах.

Рисунок 5 – Схема питания электромагнитных муфт
10. ОПРЕДЕЛЕНИЕ СИСТЕМЫ СМАЗКИ
Смазочная система станка служит для подачи смазочного материала ко всем трущимся поверхностям.
Существует несколько схем подвода смазочного материала к трущимся поверхностям.
Индивидуальная схема служит для подвода смазочного материала к одной смазочной точке, централизованная к нескольким точкам. В нераздельной схеме нагнетательное устройство присоединено к смазочной точке постоянно, в раздельной оно подключается только на время подачи смазочного материала. В проточной системе жидкий или пластичный материал используется один раз. В циркуляционной системе жидкий материал подается повторно. В системах дроссельного дозирования объем смазочного материала, подаваемого к смазочной точке, регулируется дросселем. В системах объемного дозирования могут регулироваться не только доза, но и частота подачи. В комбинированных системах могут быть предусмотрены объемное и дроссельное регулирование. Системы с жидким смазочным материалом в зависимости от способа его подачи к поверхностям трения могут быть разбрызгивающими, струйными, капельными, аэрозольными [3].
Для смазки данного станка принимаем комбинированную смазочную систему, которая состоит, из централизованной импульсной системы. Смазочный материал подается к каналам расположенных в нутрии валов под давлением, при этом происходит смазывание подшипников и охлаждение электромагнитных муфт. Смазка зубчатых передач осуществляется аэрозольным методом. Схема импульсной системы приведена на рисунке 6 состоящая из: 1 – указатель уровня смазочного материала; 2 – приемный фильтр; 3 – насос; 4 – фильтр напорной магистрали; 5 – манометр; 6 – смазочный дроссельный блок с ротаметрическими указателями; 7 – реле расхода смазочного материала; 8 – точки смазывания; 9 – указатель потока; 10 – точки смазывания с форсункой; 11 – точки смазывания; 12 – смазочный дроссельный блок; 13 – сливной магнитосетчатый фильтр; 14 – предохранительный клапан;15 – реле уровня; 16 – фильтр; 17 – резервуар.

Рисунок 6 – Схема импульсной централизованной смазочной системы
ЗАКЛЮЧЕНИЕ
В результате проделанной работы был произведен расчет коробки подач горизонтально-фрезерного станка, выбор и расчет параметров отдельных ее элементов: электромагнитных муфт, обеспечивающих автоматическое переключение передач коробки; подшипников качения, служащих опорами валов и зубчатых колес; системы смазки и смазочного материала, обеспечивающих непрерывный подвод смазочного материала ко всем механизмам станка. Были разработаны компоновочная схема и чертеж коробки подач с указанием его основных элементов.
Выполнен чертеж общего вида горизонтально-фрезерного станка модели 6Р80, где указаны его основные элементы, а также схематически показаны структурная сетка, график частот вращения и кинематическая схема проектируемой коробки скоростей.
Перечень ссылок
Справочник технолога машиностроителя. В 2-х т. Т.2/ Под ред. А.Г. Косиловой и Р.К. Мещерякова. – 4-е изд., перераб. и доп. – М.: Машиностроение, 1985. – 496 с.
Методические указания к курсовому проекту по курсу "Металлорежущие станки и промышленные роботы" (для студентов специальности 0501) / Сост.: Ю.А. Сапронов, В.Г. Кочергин, Н.В. Вяльцев, А.Е. Горша. – Донецк: ДПИ, 1987. – 48 с.
Кочергин А.И. Конструирование и расчет металлорежущих станков и станочных комплексов. Курсовое проектирование: Учеб. пособие для вузов. – Мин.: Выш. шк., 1991. – 382 с.
Методичні вказівки до виконання курсового проекту з деталей машин. "Вибір електродвигуна та визначення вихідних даних для розрахунку приводу" (для студентів напрямку "Інженерна механіка"). / Автори: Оніщенко В.П., Ісадченко В.С., Недосекін В.Б., – Донецьк: ДонНТУ, 2005. – 36 с.
Методичні вказівки до виконання курсового проекту з деталей машин. Розділ 2 "Проектування зубчастих черв'ячних передач" (для студентів напрямку "Інженерна механіка"). / Автори: В.П. Блескун, С.Л. Сулійманов.– Донецьк.: ДонНТУ, 2005. – 48 с.
Решетов Д.Н. Детали машин: Учебник для студентов машиностроительных и механических специальностей вузов. – 4-е изд., перераб. и доп. – М.: Машиностроение, 1989. – 496 с.
Металлорежущие станки. В 2-х т. Т.2/Под редакцией Н.С.Ачеркана второе переработанное издание – М.: Машиностроение, 1965. – 628 с.
Методичні вказівки до виконання курсового проекту з деталей машин. Розділ 3. Проектування валів та їх опор на подшипниках кочення (для студентів напрямку "Інженерна механіка)/ Автори: О.В. Деркач, О.В. Лукічов, В.Б. Недосєкин, Проскуряков С.В. – Донецьк: ДонНТУ, 2005. - 106 с.
Подшипники качения: Справочник/ Под. ред. В.Н. Нарышкина и Р.В. Коросташевского. - М.: Машиностроение, 1984 - 280с.
Методичні вказівки до виконання курсового проекту з деталей машин. Конструювання муфт і корпусів (для студентів напрямку "Інженерна механіка") / Сост. : В.С. Ісадченко, П.М. Матеко, В.О. Голдоб.н. – Донецьк: ДонНТУ, 2005. – 40 с.












