Расчет мощности и выбор двигателей нажимного устройства
Содержание
Расчет мощности и выбор электродвигателей нажимного устройства
Выбор преобразователя
Методика наладки электропривода
Смета на приобретение электрооборудования проектируемого электропривода
1. Расчет мощности и выбор электродвигателей нажимного устройства
Для нажимных устройств с большой частотой включений в час, т.е. на обжимных реверсивных толстолистовых и среднелистовых станах горячей прокатки применяются электродвигатели постоянного тока. Для этих нажимных винтов применяется, как правило, двухдвигательный привод, причём кинематическая схема предусматривает возможность раздельной работы винтов. Применение двухдвигательного привода объясняется стремлением уменьшить момент инерции привода, что особенно важно при большой частоте включений. По этой же причине на обжимных станах существует тенденция к снижению передаточного числа редуктора нажимного устройства с заменой червячной передачи цилиндрической и с применением двигателей вертикального исполнения. Кроме того, двухдвигательный электропривод получается более компактным и надёжным, при выходе из строя одного электродвигателя можно продолжать работу с половинной мощностью. Муфты сцепления позволяют воздействовать двумя электродвигателями на один нажимной винт, что иногда необходимо при его заклинивании.
Системы управления двухдвигательными электроприводами должны обеспечивать выравнивание токов отдельных электродвигателей. Наиболее простым способом выравнивания нагрузок в многодвигательном приводе является последовательное соединение якорей двигателей. Это допустимо при наличии достаточно жёсткой механической связи между электродвигателями; кроме того, изоляция последних должна быть выполнена на повышенное напряжение, практически на полное напряжение преобразователя. В качестве приводных двигателей нажимного устройства черновой клети устанавливаем два электродвигателя постоянного тока концерна Siemens типа 1GH6 228-ONA46-1VV3 с техническими данными, приведенными в табл. 1.1 (Приложение А)
Таблица 1.1 - Технические данные
электродвигателей постоянного тока
типа 1GH6 228-ONA46-1VV3
|
Наименование параметра |
Численное значение |
|
Номинальная мощность, кВт |
94.5 |
|
Номинальное напряжение, В |
420 |
|
Номинальный ток якоря, А |
264 |
|
Номинальная частота вращения, об/мин |
585 |
|
Сопротивление обмотки якоря, обмоток дополнительных полюсов и компенсационной обмотки при 120 ºС, Ом |
0,206 |
|
Индуктивность обмотки якоря, мГн |
5,83 |
|
Максимально допустимая частота вращения при снижении потока возбуждения, об/мин |
1740 |
|
Момент инерции якоря, кгм2 |
2,5 |
|
Мощность возбуждения, кВт |
3,5 |
|
Напряжение возбуждения, В |
310 |
|
Масса двигателя, кг |
950 |
|
К.П.Д. % |
83 |
Для проверки выбранных электродвигателей по нагреву использован уточнённый метод предельно-допустимого времени работы механизма, разработанный к.т.н., доцентом кафедры АЭМС ДонГТУ Полиловым Е.В.
- Наибольшая (установившаяся) осевая скорость перемещения нажимных винтов:
;
Время отработки критического перемещения

где:
-
максимальная потребная величина
эквивалентного ускорения в соответствии
с Приложение Б
Таблица 1.2 – Расчёт величин эквивалентных ускорений
|
мм |
с |
мм/с |
мм/с2 |
мм/с2 |
с |
|
60 |
2 |
60 |
60 |
0 |
1,414 |
|
50 |
2 |
50 |
50 |
0 |
1,291 |
|
120 |
2 |
120 |
120 |
0 |
2 |
|
55 |
2 |
55 |
55 |
0 |
1,354 |
|
45 |
2 |
45 |
45 |
0 |
1,225 |
Выбираем максимальную требуемую величину эквивалентного ускорения с учетом осевой скорости перемещения нажимных винтов
Расчётная величина критического перемещения исполнительного органа:

- Суммарный момент инерции, приведенный к валу электродвигателя:

- Фактическая продолжительности включения двигателя (приложение Б):

- для определения
учитываются только те перемещения, для
которых
(m-
количество перемещений, больших
критического);
-
для определения
суммирование производится для перемещений
(
-количество
перемещений, меньших критического)
Пересчетный коэффициент
(учитывающий постоянные потери
в электродвигателе и ухудшение условий
охлаждения
в неустановившихся процессах и в периоды
пауз):

Рассчитаем средний статический момент:

Номинальная требуемая мощность
электропривода, приведенная к величине
каталожной продолжительности включения
и величина кратности пуско-тормозных
токов, обеспечивающие работу
электродвигателя без перегрева для
случая стабилизации динамического
момента электропривода:

Коэффициент загрузки установленных электродвигателей:

Перегрузочная способность:

Приведенный расчет выполнен в прикладной программе MathCad (приложение Б)
2. Выбор преобразователя
Для питания якорных цепей выберем три преобразователя, два рабочих (по одному каждой машине) и один резервный.
Для питания якорных цепей, выбранных двигателей, из каталога (приложение В) выбираем преобразователь SIMOREG DC MASTER с исходными данными табл. 2.1.
Таблица 2.1 – Технические данные преобразователя SIMOREG DC MASTER 6RA7087 – 6DV62
|
Наименование параметра |
Значение |
|
Номинальный входной ток, А |
705 |
|
Питающее 3ф напряжение, В |
400 |
|
Номинальное выпрямленное напряжение, В |
420 |
|
Номинальный выпрямленный ток, А |
850 |
|
Номинальная мощность преобразователя, кВт |
357 |
|
Номинальное напряжение возбуждения, В |
325 |
|
Номинальный ток возбуждения, А |
30 |
|
Масса преобразователя, кг |
45 |
SIMOREG Выпрямители шкафного исполнения - это готовые к подключению, испытанные выпрямители для питания электродвигателей постоянного тока с регулируемой скоростью. Два микропроцессора реализуют все функции управления и регулирования, а также вспомогательные функции контроля и наблюдения. Устройства шкафного исполнения содержат все компоненты, которые требуются для эксплуатации электродвигателя постоянного тока с регулируемой скоростью.

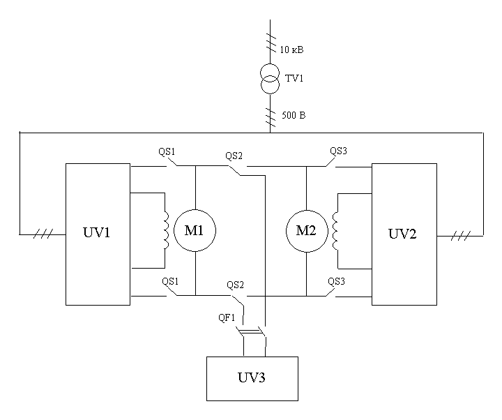
Рисунок 2 – Силовая однолинейная схема
Преобразователи шкафного исполнения могут подключаться непосредственно к сети трехфазного тока с номинальным напряжением 3 АС 50 Гц 400 В, 500 В, 690 В, 830ВиЗ АС 60 Гц 460В.
Другие подключаемые напряжения (от 90 Вдо 830 В) при частоте сети 60 Гц и 50 Гц.
Устройства шкафного исполнения поставляются как:
1 - и 2- квадрантные преобразователи с полностью управляемой 6-пульсной мостовой схемой выпрямления В6С (ном. токи от 30 до 2000 А).
4-х - квадрантные преобразователи со встречно-параллельным включением 2х полностью управляемых мостовых 6-пульсных схем (В6)А (В6)С (номинальные постоянные токи от 15 до 2000 А).
Специального исполнения для параллельного подключения нескольких преобразователей на одну нагрузку, 12-пульсного режима работы и для питания обмотки возбуждения - по запросу.
Семейство SIMOREG DC MASTER включает в себя все возможные варианты: от 6.3 кВт до 1900 кВт, для питания якоря и обмотки возбуждения и для одно/двух или четырёх квадрантной работы. Особенность SIMOREG DC MASTER – это высокие динамические характеристики: время нарастания тока или момента значительно менее 10 мс. Вы всегда сможете подобрать вариант исполнения для вашей задачи. Перечислим наиболее важные характеристики:
Полная интеграция в любую систему автоматизации
Возможность модульного расширения
От типовых применений до высокопроизводительных решений
Отказоустойчивые конфигурации до 12.000 А благодаря интеллектуальному параллельному подключению
Диапазон питающих напряжений от 400 В до 830 В
Быстрый и лёгкий запуск системы благодаря электронной настройке всех параметров
Единая философия управления
Не следует забывать, что SIMOREG DC MASTER поддерживает уникальное свойство продуктов Сименс - TIA (Totally Integrated Automation) Комплексное Решение для Автоматизации. При использовании продуктов Сименс вы выигрываете при разработке проекта и программировании, применяя единую базу данных и используя взаимодействие с широким спектром систем.
Устройства шкафного исполнения SIMOREG могут модульно оснащаться стандартизованными расширениями управления и функциональными расширениями (опциями) и этим приспосабливаться под особенности технологии и для решения конкретной поставленной задачи.
При заказе шкафа преобразователя SIMOREG с расширениями заказной номер соответствующего преобразователя указывается с опознавательным знаком"-Z" и дополняется краткими обозначениями желаемых опций (в любой очередности).
Дополнительно к опциям с краткими обозначениями устройства шкафного исполнения SIMOREG могут оборудоваться дополнительными опциями, например, параллельное подключение преобразователей для повышения мощности (максимум 6), 12-пульсное исполнения, адаптация дросселей, выключателей и пусковых аппаратуры к данным двигателя, сглаживающие дроссели на выходе, адаптация преобразователя к трансформаторам, устройства для питания обмотки возбуждения, изменение степени защиты.
Шкаф стандартно содержит следующие компоненты:
Преобразователь SIMOREGDC-MASTER 6RA70 с цифровой микропроцессорной системой регулирования для цепи якоря и цепи возбуждения
Главный выключатель (=D3-Q11)
Главный контактор (=D3-K11)
Контактор возбуждения (=G1-K11)
Автоматический выключатель защиты двигателя
Автоматы защиты вспомогательных цепей
Плавкие предохранители
Коммутирующие дроссели
Трансформатор напряжения управления
Элементы индикации и управления
Соединительные клеммы.
Компоненты готовы к подключению и установлены в шкафу RittalTS8. Все компоненты доступные с передней стороны шкафа, т.е. преобразователь шкафного исполнения может устанавливаться обратной стороной непосредственно к стене (перегородке).
SIMOREG DC MASTER 6RA70 полностью цифровые ведомые сетью преобразователи для подключения к сети трехфазного тока и служат для регулируемого питания цепи якоря и цепи возбуждения приводов постоянного тока с регулируемой скоростью. Указанный на заводской табличке номинальный постоянный ток (=максимально допустимый длительный постоянный ток) может превышаться при эксплуатации в1,8 раз. Максимальная длительность перегрузки зависит как от последовательности нагружения током перегрузки, так и от предыстории нагрузки и типа преобразователя.
Устройства могут быть полностью настроены с помощью стандартных, поставляемых в комплекте средств и не нуждаются ни в каких дополнительных программаторах или в измерительных приборах для параметрирования.
2 мощных 16-разрядных микропроцессора осуществляют все функции управления и регулирования для цепи якоря и цепи возбуждения.
Функции регулирования реализованы как программные модули, которые связываются с помощью установки соответствующих параметров. Как опция программного обеспечения (краткое обозначение SOO) могут быть заказаны дополнительные технологические функции как, например, технологические регуляторы, сумматоры, умножители и делители, логические блоки, элементы задержки, сигнализаторы предельного значения и т.д. Для построения более сложных технологических функций как, например, управление моталкой или синхронное движение может использоваться технологическая платаТ400 (краткие обозначения D30 ... D32). Устройства шкафного исполнения имеют более 3-х последовательных интерфейсов. Один служит для подключения панели управления OP1S, остальные можно использовать свободно, например, для связи преобразователей между собой по протоколу Peer-to-Peer или связи с ПК или с системой автоматизации по USS-протоколу.
Устройства шкафного исполнения могут с помощью интерфейсной платы СВР2 (краткое обозначение D36) подключаться к сети PROFIBUS.
Стандартный шкаф (При заказе шкафа без опций необходимо обратить внимание на следующее):
Каждый стандартный шкаф имеет установленный на двери потенциометр заданного значения и переключатель, с помощью которого подачаза данного значения может переключаться между этим потенциометром и другим входом.
Для двигателя вентилятора(ов) двигателя предусматривается вывод с автоматом защиты двигателя, который указан на страницах 31 и 32. При двигателях вентилятора с отличающемся от 400 В напряжением питания, требуемое напряжение двигателя вентилятора нужно указать (опцияY01), предполагается по умолчанию 400 В.
В устройствах шкафного исполнения для напряжения сети больше 415 В необходимо предусмотреть питание схемы управления для возбуждения, вентилятора двигателя и внутренних цепей шкафа 3 АС 400 В. Необходимая сила тока этого питания указана на страницах 18 и 19 для различных типов преобразователей. Для шкафов на напряжения до включая 415 В это питание берется от основных цепей. Кроме того, у преобразователей начиная с 1500 А, а также у преобразователей для напряжения сети более 415 В на двери установлен переключатель для подачи напряжения управления.
По умолчанию "E-STOP" не являетсяфункцией аварийного отключения. Только питание (якорь и возбуждение) отключается от сети и привод тормозится выбегом. Цепи управления остаются под напряжением.
Преобразователь имеет 4 цифровых входов с развязывающими реле, со стороны пользователя по умолчанию катушки выполняют ся на 230 В (для катушек 24 В нужно заказать опцию С51).
Пожалуйста проконтролируйте, что для стандартных шкафов напряжение сети = ном. напряжению преобразователя выбирается из ряда 400 В, 460 В, 500 В, 690 В, 830 В. Отличающееся напряжение сети и частоты должно указываться с опцией V48.
Для гальванической развязки преобразователя и сети установим трансформатор типа ТСЗ 500/10 (табл. 2.2)
Таблица 2.2 – Номинальные данные трансформатора ТСЗ 1000/6
|
Наименование параметра |
Значение |
|
Номинальное первичное напряжение, кВ |
6,3 |
|
Номинальное вторичное напряжение, кВ |
0,69 |
|
Номинальная мощность, кВт |
1000 |
|
Напряжение короткого замыкания, % |
8 |
|
Мощность короткого замыкания, кВт |
12,2 |
|
Мощность холостого хода, кВт |
2,55 |
|
Ток холостого хода, % |
1,5 |
Высоковольтные трассы проложим кабелем с нестекающей массой типа ААБлГ 3*70мм2 . Предназначен для прокладки в помещениях (туннелях, каналах, кабельных полуэтажах, производственных помещениях и др.) где существует опасность механического повреждения при эксплуатации.
Трассы от преобразователя до двигателя нажимного устройства проложим кабелем типа АВВБбГ 3*50 мм2 . Изоляция и оболочка из поливинилхлоридного пластика, броня из профилированной стальной ленты. Применяется для прокладки в пожароопасных помещениях, в пожароопасных каналах и туннелях. Этот кабель не рекомендуется прокладывать через воздушные промежутки более 5м, так как он имеет слабое сопротивляемости растягивающим усилиям.
Кабельную продукцию выбираем из [Л1, стр. 290]
Разъединители, обозначенные на
схеме рис.2 как QS1-QS3,
выбираем из [Л1, стр. 751, табл. 23-36] П12, с
номинальными данными
,

Автоматический выключатель выбираем из [Л1, стр. 748] типа АГП-750
Остальные оперативные цепи прокладываются многожильным медным кабелем в двойной поливинилхлоридной изоляции ПВХ 2,5мм2
3. Методика наладки электропривода
3.1 Праметрирование
Параметрирование - это процесс изменения установок значений (параметров) с помощью панели оператора, активирование функций преобразователя или отображение измеренных значений.
Параметры для основного преобразователя называются P, r, U или n параметрами. Параметры для опционной дополнительной платы называются H, d, L или c параметрами. Параметры основного блока отображаются на PMU первыми, затем - параметры технологической платы (если таковая установлена). Важно не путать параметры опциональной технологической программы S00 основного модуля с параметрами опциональной дополнительной платы (T100, T300 или T400). В зависимости от того, как установлен P052, отображаются только некоторые номера параметров (см. Раздел 11, Список параметров).
3.2 Запуск
1. Авторизация доступа
P051. . . Параметр ключа
0 Параметр нельзя изменить
40 Параметр может быть изменен
P052 . . . Выбор параметров, подлежащих отображению
0 Отображаются лишь параметры, значения которых отличаются от установленных по умолчанию
3 Отображаются все параметры
2. Настройка номинальных токов преобразователя
Номинальный постоянный ток якоря преобразователя необходимо настроить с помощью установки параметра P076.001(в_%),_если:

Номинальный постоянный ток возбуждения преобразователя необходимо отрегулировать с помощью параметра P076.002 (в_%), если:

3. Настройка фактического напряжения питания преобразователя
Р078. 001 Напряжение питания для цепи якоря (в вольтах)
Р078. 002 Напряжение питания для цепи возбуждения (в вольтах)
4. Ввод данных двигателя
Приведенные на табличке с номинальными параметрами двигателя данные должны быть введены в параметрах P100, P101, P102 и P114.
P100_._._. Номинальный ток якоря (в Амперах)
P101_._._. Номинальное напряжение якоря (в Вольтах)
P102_._._. Номинальный ток возбуждения (в Амперах)
P114_._._. Тепловая постоянная времени двигателя (в минутах).
5 Данные считывания фактической скорости
5.1 Работа с аналоговым тахогенератором
P083 = 1: Фактическая скорость считывается по каналу “Главное фактическое значение” (K0013)
P741 Напряжение тахогенератора при максимальной скорости (–270,00 В... +270,00 В)
5.2 Работа с импульсным датчиком скорости
P083 = 2: Фактическая скорость считывается с импульсного датчика скорости (K0040)
P140 Выбор импульсного датчика скорости
Р141 Количество импульсов датчика за оборот
P142 Согласование с напряжением сигналов импульсного датчика
0 Выходы импульсного датчика – сигналы 5В
1 Выходы импульсного датчика – сигналы 15В
P143 Установка максимальной скорости для работы импульсного датчика (импульс/оборот). Установленная в данном параметре скорость соответствует 100 % фактической скорости (K0040).
6 Данные возбуждения
6.1 Регулировка возбуждения
P082 = 0: Внутреннее возбуждение не используется (например, для двигателей с постоянным возбуждением)
P082 = 1: Возбуждение включается вместе с сетевым контактором (импульсы возбуждения разрешаются/запрещаются, когда сетевой контактор включается/отключается)
P082 = 2: Автоматическое подключение установки возбуждения останова, установленного через P257, после задержи, запараметрированной в P258, после того, как достигнуто состояние управления o7 или выше
P082 = 3: Ток возбуждения подключен постоянно
6.2 Ослабление поля
P081 = 0: Ослабление поля как функция скорости или ЭДС отсутствует
P081 = 1: Действие ослабления поля как функции внутреннего регулирования ЭДС таим образом, что в диапазоне ослабления поля, т.е. при скоростях выше номинальной скорости двигателя (= "пороговая скорость") ЭДС двигателя поддерживается постоянной на уровне задания EMF стан (K289) = P101 – P100 * P110.
7 Выбор основных технологических функций
7.1 Пределы тока
P171 Заводское ограничение тока в направлении момента I (в % от_P100)
P172 Заводсое ограничение тоа в направлении момента II (в % от P100)
7.2 Пределы момента
P180 Предел момента 1 в направлении момента I (в % от номинального момента двигателя)
P181 Предел момента 1 в направлении момента II (в % от номинального момента двигателя)
7.3 Формирователь рампы
P303 Время разгона 1 (в секундах)
P304 Время замедления 1 (в секундах)
P305 Начальное закругление 1 (в секундах)
P306 Конечное закругление 1 (в секундах)
8. Выполнение запуска оптимизации
8.1 Привод должен находиться в состоянии управления o7.0 или o7.1 (введите ВЫКЛЮЧЕНИЕ!).
8.2 Выберите один из следующих прогонов оптимизации в ключевом параметре P051:
P051 = 25 Запуск оптимизации для предуправления и регулятора тока якоря и возбуждения
P051 = 26 Запуск оптимизации регулятора скорости
P051 = 27 Запуск оптимизации для ослабления поля
P051 = 28 Запуск оптимизации для компенсации трения и момента инерции
8.3 Преобразователь SIMOREG переключается в состояние управления o7.4 на несколько секунд, а затем в o7.0 или o7.1 и ожидает ввода команды SWITCH-ON (ВКЛЮЧЕНИЕ) и OPERATING ENABLE (РАЗРЕШЕНИЕ УПРАВЛЕНИЯ).Введите команды SWITCH-ON (ВКЛЮЧЕНИЕ) и OPERATING ENABLE (РАЗРЕШЕНИЕ УПРАВЛЕНИЯ). Мигание десятичной точки на индикаторе состояния управления на PMU указывает, что запуск оптимизации будет выполнен после команды включения. Если команда включения не подается в течение 30 сек, состояние ожидания прекращается и отображается сообщение о сбое F052.
8.4 Как только преобразователь достигает состояния управления <o1.0 (ПРОГОН), выполняется запуск оптимизации. На PMU появляется отображение выполнения, содержащее 2-х разрядные числа, разделенные штрихом, который перемещается вверх и вниз. Эти 2 числа указывают (для персонала SIEMENS) текущее состояние выполнения оптимизации.
8.5 В конце выполнения оптимизации на панели оператора отображается P051 и привод переключается в состояние управления o7.2
4. Смета на приобретение электрооборудования проектируемого электропривода
|
Обозначение на схеме |
Описание продукта |
Кол. |
Цена, |
|
М1, М2 |
Двигатель постоянного тока концерна Siemens 1GH6 228-ONA46-1VV3-H54-z |
2 |
7560 |
|
UV1, UV2,UV3 |
Преобразователь SIMOREG DC MASTER 6RA7087 – 6DV62-0 |
3 |
29130 |
|
Программное обеспечение |
3000 |
||
|
QS1, QS2, QS3 |
Силовые рубильники |
3 |
190 |
|
TV1 |
Трансформатор ТС3 1000/6 |
1 |
8500 |
|
Кабель 10 кВ ААБлГ |
60м |
300 |
|
|
Кабель АВВБбГ 3*50 мм2 |
200м |
800 |
|
|
Монтажный инструмент |
1 комп. |
100 |
|
|
Стоимость монтажных работ в человеко-часах |
100 |
5000 |
|
|
Итоговая стоимость оборудования |
54580 |





