Расчет параметров гидропривода
Омский государственный технический университет
Кафедра «Авиа- и ракетостроения»
Курсовая работа
Выполнение расчетов по курсу «Гидропривод ЛА»
за II семестр 2005 учебного года
Омск 2005
Задача №1
Вентиляционная труба
диаметром
имеет длину
.
Определить давление
,
которое должен развивать вентилятор,
если расход воздуха, подаваемый по
трубе,
.
Давление на выходе из трубы равно
атмосферному. Местных сопротивлений
по пути не имеется. Кинематическая
вязкость воздуха при
,
плотность
,
шероховатость внутренней поверхности
трубы
.
Исходные данные:
.
Найти:
.
Решение:
-
давление на входе в вентиляционную
трубу.
-
суммарные потери давления.
– местных сопротивлений по пути
не имеется.
-
скорость течения.
-
потери давления на создание скорости.
-
число Рейнольдса. При
-
турбулентный режим течения.
При
;
– коэффициент трения.
-
потери давления на трение.
.
Задача №2
Расход воды
в горизонтальной трубе кольцевого
сечения, состоящей из двух концентрических
труб. Внутренняя труба имеет наружный
диаметр
,
а наружная труба имеет внутренний
диаметр
.
Найти потери напора
на трение на длине трубы
.
Кинематическая вязкость воды при
,
шероховатость труб
,
плотность
.
Исходные данные:
.
Найти:
.
Решение:
-
потери напора на трение.
-
площадь проходного сечения.
.
-
эквивалентный диаметр,
где
-
смачиваемый периметр.
.
При
-
турбулентный режим течения.
При
.
.
-
потери давления на трение.
.
Задача №3
Определить потери
давления на трение в трубах круглого
,
квадратного
и треугольного
(равносторонний треугольник) сечения
при равных длине, площади «живого»
сечения труб и скоростях движения воды.
Длина труб
,
площадь «живого» сечения
,
средняя скорость движения воды
.
кинематическая вязкость воды при
,
плотность
,
шероховатость труб
.
Исходные данные:
.
Найти:
,
,
.
Решение:
Определим потери
давления на трение в трубах круглого
сечения.
Площадь круглого
сечения
.
.
При
-
турбулентный режим течения.
При

.
.
Определим потери
давления на трение в трубах квадратного
сечения.
Площадь квадратного
сечения
,
где
-
сторона квадрата.
.
где
.
.
При
-
турбулентный режим течения.
При


.
Определим потери
давления на трение в трубах треугольного
(равносторонний треугольник)
сечения.
Площадь треугольного
сечения
,
где
-
сторона треугольника.
.
где
.
.
При
-
турбулентный режим течения.
При


.
Задача №4
Как изменится расход
мазута
при подаче его по круглой трубе диаметром
,
длиной
,
если потери давления в трубе составляют
,
а температура мазута составляет от
до
?
Кинематическая вязкость мазута при
,
при
,
плотность
и изменяется незначительно, шероховатость
трубы
.
Исходные данные:
.
Найти:
.
Решение:
При решении данной задачи не будем брать во внимание потери давления на создание скорости и считаем, что местных сопротивлений по пути не имеется:
и
.
Формула расхода
имеет вид:

1) Температура мазута
составляет
.
Примем:
.
.
При
-
ламинарный режим течения.
.
2) Температура мазута
составляет
.
Примем:
.
.
При
-
турбулентный режим течения.
При
;
.
;
.
-
при повышении температуры расход мазута
увеличился.
Задача №5
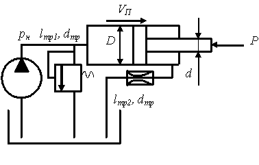
Определить потери
давления
и
в магистралях гидропередачи (рис. 1),
если расходы жидкости:
и
,
диаметры трубопроводов:
и
,
длины магистралей:
и
,
плотность рабочей жидкости
,
кинематическая вязкость жидкости при
.

Исходные данные:
.
Найти:
;
.
Решение:
-
суммарные потери давления.
1) Определим
.
-
скорость течения.
-
потери давления на создание скорости.
.
При
-
ламинарный режим течения.
.
-
потери давления на трение.
,
где
-
для угла поворота, равного
.
.
2) Определим
.
.
-
потери давления на создание скорости.
.
При
-
ламинарный режим течения.
.
-
потери давления на трение.
.
.
Задача №7
Определить потери
давления
при внезапном расширении трубопровода
с
до
,
если скорость воды в подводящем
трубопроводе
,
кинематическая вязкость при
,
плотность
.
Исходные данные:
.
Найти:
.
Решение:
,
где
;
;
.
Подставляя данные
равенства в формулу для
,
получим:
.
Задача №8
Для ограничения
расхода воды в водопроводной линии
установлена диафрагма. Избыточное
давление в трубе до и после диафрагмы
постоянны и равны соответственно
и
,
диаметр трубы
.
Определить необходимый диаметр отверстия
диафрагмы
с таким расчётом, чтобы расход в линии
был равен
,
если плотность воды при
.
Исходные данные:
.
Найти:
.
Решение:
Формула расхода жидкости через диафрагму:
,
где
-
коэффициент расхода:
;
-
площадь проходного сечения:
;
-
перепад давлений.
Преобразовав, получим:

Задача №6
Определить расходы
воды в трубе прямоугольного поперечного
сечения
с отношением сторон
и в круглой трубе
при той же площади поперечного сечения
,
если потери давления в этих трубопроводах
одинаковы и равны
,
а длина каждой трубы
.
Кинематическая вязкость воды при
,
плотность
.
Исходные данные:
.
Найти:
,
.
Решение:
Формула расхода
имеет вид:
.
Определим стороны прямоугольной трубы:

-
эквивалентный диаметр,
где
.
Определим диаметр круглой трубы:
.
Предположим, что режим течения ламинарный. Тогда
,
где
и
.
Откуда для прямоугольной трубы получаем:
.
.
При
-
ламинарный режим течения. Предположение
верно.
.
Для круглой трубы получаем:
.
.
При
-
ламинарный режим течения. Предположение
верно.
.
Задача №9
Определить теоретическую
,
полезную
и приводную
мощности насоса и крутящий момент
на его валу при расчётной подаче
и числе оборотов
,
если давления на выходе насоса
и на входе
;
объёмный КПД
и механический КПД
.
Решение:
.
.
.
.
Задача №10
Определить эффективную
мощность
и эффективный крутящий момент
на валу гидромашины с указанными в
задаче №10 параметрами при работе её в
режиме гидромотора.
Решение:
.

.

Задача №11
Рассчитать усилие
на
штоке гидроцилиндра и скорость
его перемещения при дроссельном
регулировании. Сечение регулирующего
дросселя
;
давление в напорной магистрали
(объёмные
и механические потери и давление в
сливной магистрали не учитывать); рабочая
площадь поршня
;
коэффициент расхода дросселя
;
плотность жидкости
.
Исходные данные:
.
Найти:
,
.
Решение:
Полагаем, что
давление слива мало:
.



Задача №12
Рассчитать мощность
,
подводимую к гидроцилиндру потоком
жидкости с параметрами: нагрузка на
штоке
,
скорость поршня
,
рабочая площадь поршня
,
сила трения в подвижных сочленениях
,
коэффициент перетечек через уплотнение
поршня
.
Решение:
;
;
Запишем условие равновесия поршня:
.
Отсюда
;
;
;
;
.
Задача №22
Определить давление
на входе в силовой цилиндр. Нагрузка на
штоке
,
скорость поршня
,
диаметры поршня
,
штока
,
трубопровода
,
длина трубопровода
.
Плотность жидкости
,
вязкость
.
Решение:
-
давление на выходе силового цилиндра.
-атмосферное
давление.
,
где
;
.
При
-
ламинарный режим течения.
.
Отсюда
.
Запишем условие равновесия поршня:
.
Отсюда
.
Задача №23
Определить нагрузку
на штоке
и скорость поршня
силового гидроцилиндра при перемещении
его вверх, если диаметры поршня
,
штока
,
трубопровода
,
длина трубопровода
.
Давление на входе в гидроцилиндр
,
производительность насоса
.
Плотность рабочей жидкости
,
вязкость
.
Решение:
.
.
.
При
-
ламинарный режим течения.
.
.
.
Запишем условие равновесия поршня:
.
Отсюда

Задача №24
Определить давление,
создаваемое насосом
,
и скорость поршня
,
если длина трубопроводов до и после
гидроцилиндра равна
,
их диаметры
,
диаметры поршня
,
штока
,
нагрузка на штоке
,
подача насоса
,
плотность рабочей жидкости
,
вязкость
.

Решение:
;
Давление в гидроцилиндре:
.
Уравнение расходов:
.
Потери давления в трубопроводах:
;

.
При
-
ламинарный режим течения.
.
.
.
.
.
Задача №25
Определить скорость
поршня
и
минимально допустимый диаметр
дроссельной шайбы в напорной линии
гидропривода, обеспечивающий перемещение
поршня гидроцилиндра без кавитации.
Растягивающая нагрузка на штоке
,
давление насоса
,
слива
,
насыщенных паров жидкости
,
диаметры дроссельной шайбы на сливе
,
поршня
,
штока
,
плотность рабочей жидкости
,
коэффициент расхода дроссельных шайб
.

Решение:
Условие работы без кавитации:
;
;
;
;
.
.
Расход через второй дроссель равен:
.
.
.
.
.
Задача №26
Пренебрегая
гидравлическими потерями в трубопроводах,
определить давление
за насосом и скорость перемещения поршня
.
Нагрузка на штоке
,
диаметр поршня
,
плотность рабочей жидкости
,
коэффициент расхода дроссельной шайбы
,
площадь проходного сечения дросселя
,
подача насоса
.

Решение:
Уравнение давлений:
.
.
.
Уравнение расходов:
.
.
.
Скорость поршня:
.
.
Задача №27
Определить давление
за насосом и диаметр дросселя
для перемещения поршня со скоростью
.
Нагрузка на штоке
,
диаметры поршня
,
штока
,
трубопроводов
,
длины трубопроводов до и после
гидроцилиндра
и
,
плотность рабочей жидкости
,
вязкость
,
коэффициент расхода дроссельной шайбы
,
подача насоса
.

Решение:
;
;
Уравнение расходов:
.


.
Из условий равенства расходов найдём:
и
;
;

.
При
-
ламинарный режим течения.
.
.
.
.
Находим давление насоса:
.
.
.
.
.
Задача №28
Определить давление
на входе в гидроцилиндр для перемещения
поршня вправо со скоростью
.
Нагрузка на штоке
,
диаметры поршня
,
штока
,
дросселя
,
плотность рабочей жидкости
,
коэффициент местного сопротивления
дроссельной шайбы
.
Другими местными сопротивлениями и
потерей давления на трение по длине
трубопроводов пренебречь.

Решение:
Уравнение давлений:

;
;
Из условия равенства расходов имеем:

;
Тогда:
;
Давление, создаваемое насосом:
.
Задача №29
Определить коэффициент
местного сопротивления дроссельной
шайбы
,
пренебрегая другими местными
сопротивлениями, для перемещения поршня
вправо со скоростью
.
Нагрузка на штоке
,
диаметры поршня
,
штока
,
дросселя
,
трубопроводов
,
длины трубопроводов до и после
гидроцилиндра
и
,
плотность рабочей жидкости
,
вязкость
,
давление на входе в гидроцилиндр
.

Решение:
Уравнения давлений:
;
.
.
Из условий равенства расходов найдём:
и
;


;
.
.
При
-
ламинарный режим течения.
.
.
.
.
.
.
.