Реализации частотного управления по минимуму потерь
МИНИСТЕРСТВО ОБРАЗОВАНИЯ И НАУКИ УКРАИНЫ
КАФЕДРА: ЭЛЕКТРОННЫХ АППАРАТОВ
КОНТРОЛЬНАЯ РАБОТА
ПО ДИСЦИПЛИНЕ: «ОСНОВЫ АВТОМАТИЗИРОВАННОГО ПРОЕКТИРОВАНИЯ ЭЛЕКТРОМЕХАНИЧЕСКИХ УСТРОЙСТВ И СИСТЕМ»
НА ТЕМУ: «РЕАЛИЗАЦИИ ЧАСТОТНОГО УПРАВЛЕНИЯ ПО МИНИМУМУ ПОТЕРЬ»
2003
1. Реализации частотного управления по минимуму потерь
Управление по минимуму потерь позволяет не только существенно снизить потери во всей системе, включая и питающую линию, но и обеспечивает высокое качестве механических характеристик во всем диапазоне частот. Эта система особенно перспективна для мощных двигателей. Применение управления по минимуму потерь для малых и средних двигателей также может быть целесообразным. В том случае, если система оптимального управления не сложнее системы стабилизации потока.
1.1 Расчет потерь в асинхронном двигателе
Потенциальную возможность для уменьшения потерь в электрических машинах можно выявить, анализируя изменение составляющих потерь в зависимости от режимов работы ЭП.
Расчет производиться для асинхронного двигателя 0,4 кВ мощностью 30 кВт.
Рассчитаем потери в номинальном режиме для асинхронного двигателя.
В
общем случае мощность потерь энергии
в электродвигателе удобно представлять
суммой потерь
,
не зависящих от нагрузки (постоянных
потерь) и потерь
,
определяемых нагрузкой двигателя
(переменных потерь).
(1)
С другой стороны суммарные потери можно определить как
Вт (2)
Постоянные потери мощности
включают в себя потери в стали
,
механические
и от тока возбуждения

Поток
АД создается током намагничивания
,
поэтому для АД потери от тока возбуждения
равны
(3)
Механические потери принимаем
(4)
Переменные потери определяются потерями в меди из потерь в обмотках статора и ротора за вычетом потерь от тока намагничивания. При работе в зоне номинальных скольжений (не больше номинального значения) из векторной диаграммы токов АД (рис…) следует, что
(5)

Рисунок Векторная диаграмма токов АД
Поэтому для АД
(6)
Потери в роторе можно определить как
(7)
Зная полные потери в двигателе и переменные потери, определим постоянные потери
(8)
Тогда потери в стали
(9)
Определим относительные значения составляющих потерь для номинального режима двигателя
(10)
(11)
(12)
(13)
(14)
1.2 Определения условия выполнения минимума потерь
Для АД относительные величины потерь определяются по формулам
(15)
(16)
где
– показатель, зависящий от марки
электротехнической стали.
Связь между током нагрузки и моментом на валу для АД имеет вид:
,
(17)
где
– угол между векторами тока
и
потока
(тока намагничивания
).
Для малых отношений в соответствии с
векторной диаграммой (рис…) можно
принять
.
Поэтому в относительных единицах взаимосвязь между моментом, током нагрузки и потоком в воздушном зазоре имеет вид
(18)
Для АД связь между целевой скоростью вращения и частотой питающей сети имеет вид
(19)
При работе в зоне малых скольжений можно записать
(20)
С учетом вышесказанного выражения для потерь будут иметь вид:
(21)
(22)
При
работе ЭП обычно задаются координатами
механического движения М и
,
поэтому варьируемыми переменными,
позволяющими изменять потери при
заданных значениях М и
являются лишь ток возбуждения
и поток
.
Если двигатель работает на линейном
участке кривой намагничивания (
),
тогда поток, при котором потери минимальны,
определяется из условия:
(23)
или
(24)
из (21) – (22) получаем
(25)
(26)
При
совместном решении (24) – (26) получаем
значение потока при котором потери в
двигателе минимальны для заданных
значений

(27)
Полные потери для оптимального тока получим из (21) и (22) при выполнении условия (27):
(28)
Потери
в двигателях при номинальном потоке
определяются из (22) и (21) для
:
(29)
С помощью (28) и (29) проанализируем, как изменяются потери в двигателе при различных условиях работы электропривода.
1.
Двигатель работает при номинальной
скорости (
)
с различными моментами на валу
.
Для

; (30)
(31)
Эти потери отличаются незначительно, так как (30) характеризует номинальный режим работы двигателя, который с энергетической точки зрения близок к оптимальному с потерями (31).
При
работе в режиме холостого хода

;
.
Таким
образом, регулирование потока при
переменной нагрузке и постоянной
скорости электропривода позволяет
уменьшить потери на величину не более
,
которая составляет 20–50 % от полных
потерь в номинальном режиме.
2.
Электропривод обеспечивает регулирование
скорости двигателя
справедливы
соотношения (30) и (31). Для малой скорости
эти соотношения имеют вид:
;
.
Легко
убедиться в том, что при
значение
,
т. е. если номинальное значение
переменных потерь
и потерь от тока возбуждения
одинаковы, то возможность для снижения
суммарных потерь здесь отсутствует.
1.3 Разработка системы оптимального управления
Не учитывая насыщение магнитопровода можно записать
(32)
т.е.
регулирования потока предполагает
необходимость поддержания требуемого
соотношения
.
В
соответствии с (27) поток
определяется моментом
на валу АД
. (33)
После подстановки (3.2) в (2.14) получаем, что
, (34)
где
– показатель, зависящий от марки
электротехнической стали.
Из векторной диаграммы (рис.) видно, что
.
С
учетом этих соотношений структурная
схема электропривода, приведенная на
рис 1 содержит асинхронный двигатель
(АД), преобразователь частоты (ПЧ), датчики
тока (ДТ) и напряжения статора (ДН),
регулятор напряжения (РН) и вычислительное
устройство (ВУ). В нем по мгновенным
значениям
и
вычисляется ток
,
затем с учетом частоты
определяется поток
.
Значение напряжения
,
необходимое для создания этого потока,
рассчитывается в соответствии с рис. 1
следующим образом:
, (35)
где
;
;
;
;
.
Регулятор
напряжения, сравнивая оптимальное
и текущее
значения напряжения, воздействует на
преобразователь частоты таким образом,
чтобы обеспечить их равенство и получить
требуемое значение
.
На рис. 2 показана структурная схема электропривода с регулятором потока (РП), воздействующим на канал регулирования напряжения ПЧ. В этой структурной схеме должен использоваться АД со встроенным датчиком потока. В качестве датчиков потока обычно используют специальные дополнительные обмотки на статоре или датчики Холла. Приведенная структурная схема исключает погрешность, связанную с необходимостью вычисления напряжения по (35).

Рисунок 1 Функциональная схема частотно управляемого асинхронного электропривода с регулятором напряжения

Рисунок 2 Функциональная схема частотно управляемого асинхронного электропривода с регулятором потока
Как
и в структурной схеме электропривода
постоянного тока, структурная схема
электропривода ПЧ-АД существенно
упрощается, если момент на валу АД
является однозначной функцией скорости
(рис). В этом случае поток
и соответственно напряжение
определяются только угловой скоростью
и частотой
.

Рисунок 3. Функциональная схема асинхронного электропривода с преобразователем частоты для механизма с вентиляторным моментом сопротивления
В рассматриваемой системе электропривода момент сопротивления АД определяется следующим образом:
(36)
Принимая
начальный момент сопротивления
равным нулю получим:

или

Если
принять во внимание, что
,
тогда оптимальный поток, необходимый
для уменьшения потерь определяется
следующим выражением:

Функциональный
преобразователь в схеме устанавливает
требуемую взаимосвязь между
и
.
Примерный вид зависимостей
и
для
показан на рис.

Рисунок 4. Зависимости оптимального потока и напряжения от частоты
Укажем одну из важных особенностей энергетической оптимизации АД при частотном управлении. Одна связана с принципиальной необходимостью учета нелинейности кривой намагничивания.
В
асинхронных ЭП с частотным управлением
поток пропорционален
.
В ПЧ осуществляется независимое
управление частотой и амплитудой
напряжения, приложенного к статору АД,
поэтому имеется возможность работать
при пониженных частотах с большими
значениями потока, существенно
превышающими номинальное значение. В
то же время можно доказать, что для
минимизации потерь при малых частотах
необходимо увеличивать поток по сравнению
с номинальным значением, т. е. АД
должен работать на нелинейном участке
кривой намагничивания. Учет кривой
намагничивания существенно усложняет
анализ условий существования минимума
электрических потерь, поэтому здесь не
приводится.
1.4 Анализ динамических режимов
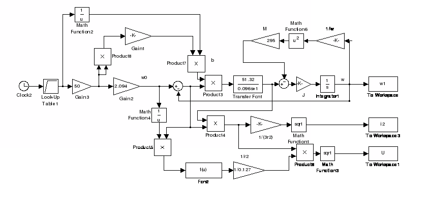
Для моделирования системы ПЧ-АД и исследования ее свойств воспользуемся линеаризованной моделью АД, представленной на рис. 3

Рисунок 5 Линеаризованная модель системы ПЧ-АД
Рассчитаем необходимые параметры модели
Абсолютная тестность механической характеристики



Электромагнитная постоянная времени

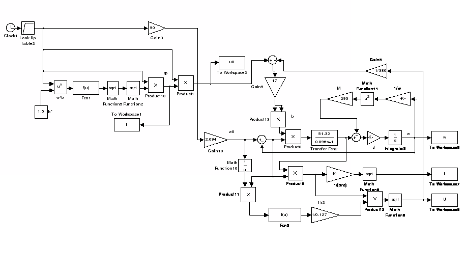
Для
расчетных параметров были составлены
математические модели системы ПЧ-АД с
законом управления
(рис 4) и законом оптимального управления
потоком (рис5). В качестве регулятора
напряжения принят пропорциональный
регулятор. Как будет показано далее,
такой выбор удовлетворяет поставленным
условиям и не требует сложных технических
решений при его реализации.
На рис. 6 представлены графики напряжения и потока в относительных единицах в системе оптимального управления при пуске.

Рисунок 6 Зависимости оптимального изменения потока и напряжения
Как видно характер изменения совпадает с рис 1.
На рис 7 приведены зависимости изменения от времени тока ротора и скорости для разомкнутой системы и системы оптимального управления.
Анализируя
полученные зависимости можно отметить
исходный характер пускового тока для
обоих систем, однако в установившемся
режиме работы ток в роторе
для оптимальной системы управления
20 % ниже чем 6 разомкнутой.
Потери при пуске АД определяются по формуле

Используя метод трапеций по данным, полученным в процессе моделирования в пакете MATLAB определены численные значения интегралов данных функций

а) в системе оптимального по минимуму потерь управления

б) в разомкнутой системе
Рисунок 7. Зависимости скорости от времени

а) в системе оптимального по минимуму потерь управления

б) в разомкнутой системе
Рисунок 8. Зависимости тока ротора от времени


Выразим теперь в относительных единицах переменные потери в АД под уравнения:


В связи с тем, что ток есть квадратная функция в системе оптимального управления переменные потери снижаются приблизительно на 40 %.

Рисунок
9. Разомкнутая система ПЧ-АД с законом
управления


Рисунок 10. Система оптимального по минимуму потерь управления частотно регулируемого электропривода