Составление схем расположения полей допусков стандартных сопряжений. Расчёт соединения подшипника качения с валом и корпусом. Расчет размерных цепей
Расчётно-графическая работа
«Составление схем расположения полей допусков стандартных сопряжений. Расчёт соединения подшипника качения с валом и корпусом. Расчет размерных цепей»
Содержание
1. Схемы расположения полей допусков стандартных сопряжений.
2. Соединение подшипника качения с валом и корпусом.
3. Расчет размерных цепей:
а) Решение задачи методом максимума – минимума (способ равных квалитетов);
б) Решение задачи теоретико-вероятностным методом (способ равных квалитетов).
Схемы расположения полей допусков стандартных сопряжений
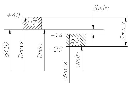
1 Гладкое цилиндрическое соединение
а) Ø178 H7/g6

|
Параметр |
Значение |
|
d(D) = |
178 мм |
|
es = |
-14 мкм |
|
ei = |
-39 мкм |
|
ES = |
40 мкм |
|
EI = |
0 мкм |
|
dmax = d + es= |
177,986 мм |
|
dmin = d + ei = |
177,961 мм |
|
Dmax = D + ES = |
178,04 мм |
|
Dmin = D + EI = |
178 мм |
|
Td = dmax - dmin = es – ei = |
25 мкм |
|
TD = Dmax – Dmin = ES - EI = |
40 мкм |
|
Smax = Dmax - dmin = |
79 мкм |
|
Smin= Dmin – d max = |
14 мкм |
|
Scp = (Smax + Smin) / 2 = |
46,5 мкм |
|
TS= Smax – Smin = |
65 мкм |
|
Характер сопряжения |
Зазор |
|
Система задания посадки |
Основное отверстие |
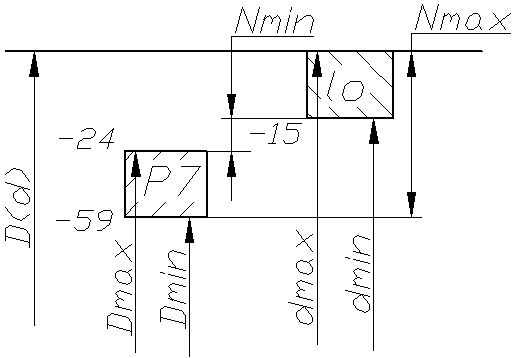
б) Ø70 S7/h7

|
Параметр |
Значение |
|
d(D) = |
70 мм |
|
es = |
0 |
|
ei = |
-30 мкм |
|
ES = |
-48 мкм |
|
EI = |
-78 мкм |
|
dmax = d + es= |
70 мм |
|
dmin = d + ei = |
69,97 мм |
|
Dmax = D + ES = |
69,952 мм |
|
Dmin = D + EI = |
69,922 мм |
|
Td = dmax - dmin = es – ei = |
30 мкм |
|
TD = Dmax – Dmin = ES - EI = |
30 мкм |
|
Nmin = dmin - Dmax |
18 мкм |
|
Nmax = dmax - Dmin |
78 мкм |
|
Ncp = (Nmax + Nmin) / 2 = |
48 мкм |
|
TN = Nmax – Nmin = |
60 мкм |
|
Характер сопряжения |
Натяг |
|
Система задания посадки |
Основной вал |
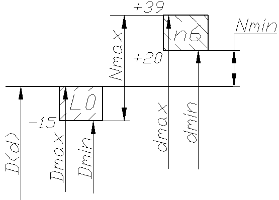
в) Ø 178H7/m6

|
Параметр |
Значение |
|
d(D) = |
178 мм |
|
es = |
40 мкм |
|
ei = |
15 мкм |
|
ES = |
40 мкм |
|
EI = |
0 |
|
dmax = d + es= |
178,04 мм |
|
dmin = d + ei = |
178,015 мм |
|
Dmax = D + ES = |
178,04 мм |
|
Dmin = D + EI = |
178 мм |
|
Td = dmax - dmin = es – ei = |
25 мкм |
|
TD = Dmax – Dmin = ES - EI = |
40 мкм |
|
Smax = Dmax - dmin = |
25 мкм |
|
Nmax = dmax - Dmin = |
40 мкм |
|
Scp = (Smax + Smin) / 2 = |
-7,5 мкм |
|
TS = Smax – Smin = |
65 мкм |
|
Характер сопряжения |
Переходная |
|
Система задания посадки |
Основное отверстие |
Для комбинированной посадки определим вероятность образования посадок с натягом и посадок с зазором. Расчет выполним в следующей последовательности.
- рассчитаем среднее квадратическое отклонение зазора (натяга), мкм

-
определим предел интегрирования


-
табличное значение функции Ф(z)= 0,32894
- вероятность натяга в относительных единицах
P>N>' = 0,5 + Ф(z) = 0,5 + 0,32894 = 0,82894
- вероятность натяга в процентах
P>N> = P>N>' x 100% = 0,82894*100%= 82,894%
- вероятность зазора в относительных единицах
P>З>' = 1 – P>N> = 1 - 0,82894 = 0,17106
- вероятность зазора в процентах
P>З> = P>З>' x 100% = 0,17103*100% = 17,103%

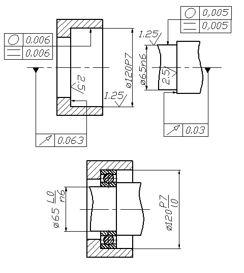
2 Соединение подшипника качения с валом и корпусом
Условное обозначение подшипника 0 - 213
Радиальная нагрузка 10300 Н
Характер нагружения – сильные удары и вибрация. Кратковременные перегрузки до 300% номинальной нагрузки.
Рабочая температура подшипника - до 120о С
Соединение жесткое (вал сплошной, корпус толстостенный)
Решение
- определяем размеры подшипника:
|
Номинальный диаметр отверстия |
Номинальный диаметр наружной цилиндрической поверхности наружного кольца |
Номинальная ширина подшипника |
Номинальная координата монтажной фаски |
|
65 мм |
120 мм |
23 мм |
2,5 мм |
- рассчитываем интенсивность нагрузки
Pr = Kd * Kt * Kj * Fr / b
где Kd - динамический коэффициент посадки, зависящий от характера нагрузки Kd = 2;
Kt - температурный коэффициент Kt = 1,05
Kj - коэффициент ослабления натяга в нежестких сопряжениях Kj = 2,3,
Fr = 6000 Н b = B - 2 *r =23 - 2 * 2,5 = 22,2 мм
Отсюда
Pr = 2 х 1,05 х 2,3 х 10300 / 0,022 = 2261 кН/м
- определяем посадки для внутреннего и наружного колец подшипника
Сопоставляя расчетную интенсивность нагрузки с допустимой и уточняя посадку для подшипника 0 класса точности назначаем посадки
|
|
Внутреннее кольцо |
Наружное кольцо |
|
Поле допуска, определяемое по допустимой интенсивности нагрузки |
n5, n6 |
P7 |
|
Уточненное поле допуска (по классу точности подшипника) |
n6 |
P7 |
|
Принятые посадки |
L0 / n6 |
P7 / l0 |
- рассчитываем сопряжения внутреннего и наружного колец подшипника
|
Параметр |
Внутреннее кольцо - вал |
Наружное кольцо - корпус |
|
Значение |
Значение |
|
|
d(D) = |
65 мм |
120 мм |
|
es = |
+39 мкм |
0 мкм |
|
ei = |
+20 мкм |
-15 мкм |
|
ES = |
0 мкм |
-24 мкм |
|
EI = |
-15 мкм |
-59 мкм |
|
dmax = d + es= |
65,039 мм |
120 мм |
|
dmin = d + ei = |
65,020 мм |
119,985 мм |
|
Dmax = D + ES = |
65 мм |
119,976 мм |
|
Dmin = D + EI = |
64,985 мм |
119,941 мм |
|
Td = dmax - dmin = es – ei = |
19 мкм |
15 мкм |
|
TD = Dmax – Dmin = ES - EI = |
15 мкм |
35 мкм |
|
Smax(Nmin) = Dmax - dmin = |
- 20 мкм |
- 9 мкм |
|
Smin(Nmax) = Dmin – d max = |
- 54 мкм |
- 59 мкм |
|
Scp = (Smax + Smin) / 2 = - Ncp = - (Nmax + Nmin) / 2 = |
- 37 мкм |
- 34 мкм |
|
TS(TN) = Smax – Smin = Nmax – Nmin= |
- 34 мкм |
50 мкм |
|
Характер сопряжения |
Натяг |
Натяг |
|
Система задания посадки |
Основное отверстие |
Основной вал |
Проверить условие прочности колец подшипника на разрыв, для чего рассчитать максимально допустимый натяг по формуле

где [] - допустимое напряжение на разрыв. [] = 400 МПа;
k>N> - коэффициент. k>N> = 2,8
d - 65 мм.

0,231 > 0,054 - условие прочности выполняется.
- изображаем схему расположения полей допусков (внутреннее кольцо подшипника - вал)

- изображаем схему расположения полей допусков (наружное кольцо подшипника - корпус)

определяем шероховатость
|
Посадочная поверхность вала |
1,25 мкм |
|
Посадочная поверхность отверстия корпуса |
1,25 мкм |
|
Поверхность опорных торцев заплечиков вала и корпуса |
2,5 мкм |
- определяем допуски формы посадочных поверхностей
|
Вал |
Отверстие |
|
|
Допуск круглости |
5 |
6 |
|
Допуск профиля продольного сечения |
5 |
6 |
|
Допуск непостоянства диаметра в поперечном сечении |
10 |
12 |
|
Допуск непостоянства диаметра в продольном сечении |
10 |
12 |
- определяем допуски расположения посадочных поверхностей
|
Допуски торцового биения заплечиков вала |
30 мкм |
|
Допуск торцового биения заплечиков отверстия корпуса |
63 мкм |
- изображаем эскиз подшипникового узла

3. Расчет размерных цепей
Решение задачи методом максимума – минимума (способ равных квалитетов)
Схема размерной цепи

|
Уменьшающее звено |
А4, мм |
14 |
|
Увеличивающие звенья |
А1, мм |
34 |
|
А2, мм |
20 |
|
|
А3, мм |
21 |
|
|
А5, мм |
12 |
|
|
А6, мм |
21 |
|
|
Замыкающее звено |
допуск A0, мм |
0,21 |
|
Номинальный размерA0 = ((А3+А2)-А4)+((А6+А5)-А4)-А1 (мм) |
12 |
Т.к. звенья размерной цепи являются размерами, величина которых не входит в один диапазон, то задачу решаем по способу равных квалитетов: - для каждого составляющего звена рассчитываем величину единицы допуска

- рассчитываем сумму единиц допуска всех составляющих размеров

- определяем расчетное значение числа единиц допуска

- определяем квалитет с числом единиц допуска ближайшим к расчетному числу единиц допуска – 8 квалитет;
- для выбранного квалитета назначаем, в соответствии со стандартом СТ СЭВ 144-75, допуски на размеры А2, А3,А4,А5,А6
-рассчитываем допуск размера А1

- из условия
подбираем квалитет для размера А1 – 7
квалитет;
- для размеров А1, А2, А3,А5,А6 которые являются увеличивающими звеньями размерной цепи назначаем предельные отклонения как для основного отверстия;
- для размера А4, который является уменьшающим звеном размерной цепи назначаем предельные отклонения как для основного вала;
- результаты расчетов сводим в таблицу
|
Размер, мм |
i |
Результаты промежу-точных расчетов |
IT8, мкм |
TАi, расчет, мкм |
Принято |
Верхнее откл-е |
Нижнее откл-е |
||
|
Обозна-чение |
Номин. вел-на |
Квалитет |
TАi,мкм |
ES (es),мкм |
EI (ei),мкм |
||||
|
A1 |
34 |
1,492 |
Сумма i = |
39 |
57 |
7 |
25 |
+25 |
0 |
|
A2 |
20 |
1,241 |
= 7,4 |
33 |
33 |
8 |
33 |
+33 |
0 |
|
A3 |
21 |
1,263 |
a>cp> = |
33 |
33 |
8 |
33 |
+33 |
0 |
|
А4 |
14 |
1,099 |
= 28,378 |
27 |
27 |
8 |
27 |
0 |
-27 |
|
А5 |
12 |
1,042 |
27 |
27 |
8 |
27 |
+27 |
0 |
|
|
А6 |
21 |
1,263 |
33 |
33 |
8 |
33 |
+33 |
0 |
В соответствии с расчетами устанавливаем для размеров А2, А3,А4,А5,А6 – 8 квалитет точности и основные отклонения ei>1>= ei>2> = ei>3> = ei>5 >= ei>6> = 0, es>1> = +0,025 мм, es>2> = +0,033 мм, es>3> = +0,033 мм, es>5> = +0,027 мм, es>6> = +0,033 мм. Для размера А1 – 7 квалитет. Основные отклонения для размера А4 - ES>4> = 0 мм, EI>4> = -0,027 мм
Проверка.
- максимальные значения составляющих размеров Amax>i> = A>i> + ES>i>(es>i>) :
A1max = 34 + 0,025 = 34,025 мм ;
A2max = 20+ 0,033 = 20,033 мм ;
A3max = 21 + 0,033 = 21,033 мм ;
A4max = 14 + 0,027 = 14,027 мм ;
A5max = 12 + 0 = 12 мм ;
A6max = 21 + 0,033 = 21,033 мм ;
- минимальные значения составляющих размеров Amin>i> = A>i> + EI>i>(ei>i>) :
A1min = 34 + 0 = 34 мм ;
A2min = 20 + 0 = 20 мм ;
A3min = 21 + 0 = 21 мм ;
A4min = 14 + (-0,027) = 13,973 мм ;
A5min = 12 + 0 = 12 мм ;
A6min = 21 + 0 = 21 мм - допуски составляющих размеров TA>i> = Amax>i> - Amin>i> : TA1 = 34,025 – 34= 0,025 мм ; TA2 = 20,033 – 20 = 0,033 мм ; TA3 = 21,033 – 21 = 0,033 мм ; TA4 = 14,027 – 13,973 = 0,054 мм ;
TA5 =12 – 12= 0 мм ;
TA6
=21,033 – 21 = 0,033 мм ;
- допуск замыкающего размера TAо
= 0,21 мм ; - проверка условия
:
0,025 + 0,033 + 0,033 + 0,054 + 0 + 0,033 = 0,178 < 0,21 - условие
выполняется.
Решение задачи теоретико-вероятностным методом (способ равных квалитетов)
Схема размерной цепи

|
Уменьшающее звено |
А4, мм |
14 |
|
Увеличивающие звенья |
А1, мм |
34 |
|
А2, мм |
20 |
|
|
А3, мм |
21 |
|
|
А5, мм |
12 |
|
|
А6, мм |
21 |
|
|
Замыкающее звено |
допуск A0, мм |
0,21 |
|
Номинальный размерA0 = ((А3+А2)-А4)+((А6+А5)-А4)-А1 (мм) |
12 |
Т.к. звенья размерной цепи являются размерами, величина которых не входит в один диапазон, то задачу решаем по способу равных квалитетов: - для каждого составляющего звена рассчитываем величину единицы допуска

- рассчитываем сумму квадратов единиц допуска всех составляющих размеров

- определяем расчетное значение числа единиц допуска

где k>o>, k>i> - коэффициенты рассеивания (для нормального закона распределения k>o>=1, k>i>=1);- определяем квалитет с числом единиц допуска ближайшим к расчетному числу единиц допуска – 10 квалитет; - для выбранного квалитета назначаем, в соответствии со стандартом СТ СЭВ 144-75, допуски на размеры А2, А3,А4,А5,А6;- рассчитываем допуск размера А4

- из условия
подбираем
квалитет для размера А1 – 10 квалитет;
- для размеров А1, А2, А3,А5,А6 которые
являются увеличивающими звеньями
размерной цепи назначаем предельные
отклонения как для основного отв.; - для
размера А4, который является уменьшающим
звеном размерной цепи назначаем предельные
отклонения как для основного вала; -
результаты расчетов сводим в таблицу
|
Размер, мм |
i |
i2 |
К |
Результаты промежу-точных расчетов |
IT10, мкм |
TАi, расчет, мкм |
Принято |
Верхнее откл-е |
Нижнее откл-е |
||
|
Обозна-чение |
Номин. вел-на |
Квалитет |
TАi,мкм |
ES (es),мкм |
EI (ei),мкм |
||||||
|
A1 |
34 |
1,492 |
2,226 |
k>i>= |
Сумма i2 = |
100 |
115 |
10 |
100 |
+100 |
0 |
|
A2 |
20 |
1,241 |
1,540 |
1 |
9,25 |
84 |
84 |
10 |
84 |
+84 |
0 |
|
A3 |
21 |
1,263 |
1,595 |
k>o>= |
a>cp> = |
84 |
84 |
10 |
84 |
+84 |
0 |
|
А4 |
14 |
1,099 |
1,208 |
1 |
69,056 |
70 |
70 |
10 |
70 |
0 |
-70 |
|
А5 |
12 |
1,042 |
1,086 |
70 |
70 |
10 |
70 |
+70 |
0 |
||
|
А6 |
21 |
1,263 |
1,595 |
84 |
84 |
10 |
84 |
+84 |
0 |
В соответствии с расчетами устанавливаем для размеров А2, А3,А5,А6 – 10 квалитет точности и основные отклонения ei>1>= ei>2 >= ei>3>= ei>5> = ei>6> = 0, es>1> = 0,100 мм, es>2> = +0,084 мм, ei>3> = +0,084 мм, es>5> =+0,070 мм, es>6>=+0,084мм. Для размера А1 – 10 квалитет. Основные отклонения А4 - ES>4> = 0 мм, EI>4> = -70.
Проверка.- максимальные значения составляющих размеров Amax>i> = A>i> + ES>i>(es>i>)
A1max = 34 + 0,100 = 34,100 мм ;
A2max = 20 + 0,084 = 20,084 мм
A3max = 21 + 0,084 = 21,084 мм ;
A4max = 14 + 0 = 14 мм ;
A5max = 12 + 0,070 = 12,070 мм ;
A6max = 21 + 0,070 = 21,070 мм
минимальные значения составляющих размеров Amin>i> = A>i> + EI>i>(ei>i>) : A1min = 34 + 0 = 34мм ;
A2min = 20 + 0 = 20 мм ;
A3min = 21 + 0 = 21 мм ;
A4min = 14 + (-0,070) = 13,93 мм ;
A5min = 12 + 0 = 12 мм ;
A6min = 21 + 0 = 21 мм ; - допуски составляющих размеров TA>i> = Amax>i> - Amin>i>
TA1 = 34,100 – 34 = 0, 100 мм ;
TA2 = 20,084 – 20 = 0,084 мм ; TA3 = 21,084 – 21 = 0,043 мм ;
TA4 = 14 – 13,93 = 0,070 мм ; TA5 = 12,070 – 12 = 0,070 мм ; TA6 = 21,070 – 21 = 0,070 мм ;
- допуск замыкающего размера TAо = 0,21 мм ;
- проверка условия
:
- условие выполняется.