Технология деревообработки
Министерство образования Российской Федерации
СИБИРСКИЙ ГОСУДАРСТВЕННЫЙ ТЕХНОЛОГИЧЕСКИЙ УНИВЕРСИТЕТ
Институт заочно-дистанционного образования и довузовской подготовки
Факультет: Химико-технологический
Кафедра: Технологии деревообработки
КОНТРОЛЬНАЯ РАБОТА
(ТД.000000.851.КнР)
Руководитель: Н.И.Лях
Разработала:
Студентка 1курса спец.0605
0505106, 3группа
Цыганкова О.В.
Расчетная часть
Исходные данные.
Таблица 1. Исходные данные к расчетной части контрольной работы.
|
Наименование детали (узла) |
Материал |
Размеры, мм |
Конструктивная характеристика |
Перечень операций для расчета производительности оборудования |
|
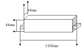
1. Брусок |
Бук |
110х44х44 |
Квадратного сечения, на концах шипы |
Шлифование, фрезерование шипов |
|
2. Щит |
ДСтП, облицованная строганным шпоном ценных пород |
1900х332х17 |
Облицованы пласти и кромки |
Облицовывание пластей и кромок |
Вычертить эскиз деталей
Брусок

Щит

|
Ведомость расчета древесных материалов |
||||||||||||||||||||||
|
Наименование деталей |
Исходные лесоматериалы |
Кол-во деталей в изделии, шт. |
Размеры деталей в чистоте |
Объем деталей
на одно изделие, м |
Припуски, мм |
Размер заготовки, мм |
Объем заготовок
на одно изделие, м |
Объем заготовок на
1000 изделий, м |
Процент произв-х и техн. потерь |
Объем заготовок на
1000 изделий с учетом потерь, м |
Процент выхода заготовок при раскрое |
Объем лесоматериалов
на 1000 изделий, м |
Процент чистого выхода |
Объем лесоматериалов
на программу, м |
||||||||
|
Наименование |
Порода |
Сорт |
Длина |
Ширина |
Толщина |
На длину |
На ширину |
На толщину |
Длина |
Ширина |
Толщина |
|||||||||||
|
1 |
2 |
3 |
4 |
5 |
6 |
7 |
8 |
9 |
10 |
11 |
12 |
13 |
14 |
15 |
16 |
17 |
18 |
19 |
20 |
21 |
22 |
23 |
|
Брусок |
Пиломатериал |
Бук |
1,2,3 |
1 |
1100 |
44 |
44 |
0,00213 |
15 |
5 |
5 |
1115 |
49 |
50 |
0,00273 |
2,73 |
5 |
2,87 |
49 |
5,85 |
36,38 |
58,54 |
|
Щит |
Сборочный |
1 |
1900 |
332 |
17 |
|||||||||||||||||
|
Основа щита |
ДСТП |
П-1, П-2 |
1 |
1900 |
332 |
16 |
0,6308 |
22 |
22 |
0 |
1922 |
354 |
17 |
0,68038 |
680,39 |
2 |
693,99 |
92 |
754,34 |
83,62 |
7543,43 |
|
|
Облицовка пласти |
Строганный шпон |
Бук |
1-2 |
2 |
1900 |
332 |
0,5 |
1,2616 |
20 |
15 |
0 |
1942 |
369 |
0,5 |
1,43319 |
1433,19 |
9 |
1562,18 |
64 |
2440,91 |
51,69 |
24409,12 |
|
Облицовка продольных кромок |
Строганный шпон |
Бук |
1-2 |
2 |
1900 |
17 |
0,5 |
0,0646 |
20 |
7 |
0 |
1942 |
24 |
0,5 |
0,09322 |
93,22 |
9 |
101,61 |
64 |
158,76 |
40,69 |
1587,59 |
|
Облицовка поперечных кромок |
Строганный шпон |
Бук |
1-2 |
2 |
332 |
17 |
0,5 |
0,01129 |
20 |
7 |
0 |
352 |
24 |
0,5 |
0,01689 |
16,89 |
9 |
18,42 |
64 |
28,78 |
39,23 |
287,76 |
Выбрать оборудование и произвести расчет производительности станков для выполнения указанных операций, определить потребное их количество для обработки 10000 деталей в смену.
Операция: Фрезерование шипов.
Выберем двусторонний шипорезный станок для ящичного прямого шипа, среднего типа, предназначенный для формирования прямых шипов с двух сторон в деталях длинной до 2000мм - Ш2ПА.
Технические характеристики станков для формирования ящичных шипов
Наибольший размер обрабатываемых деталей, мм:
Длина – 1250
Ширина – 250
Толщина – 100
Наибольшая длина шипа, мм – 50
Наибольшее перемещение, мм:
Шипорезных головок – 200
Скорость перемещения м/мин:
Шипорезных головок – 3,2; 4,5; 5,3; 6,5
Схема организации рабочего места.
Производительность двусторонних станков для формирования ящичных шипов
П =
шт/смена
Где
- цикл обработки детали (устанавливается
в соответствии с паспортными данными
и режимом обработки, мин)
-
кол-во одновременно обрабатываемых
деталей в пачке, шт
=
0,75 - 0,8
=
0,8 – 0,85
(Справочник мебельщика. Станки и инструменты, 1976. стр. 34)
Принимаем
-5шт,
=
15с = 0,25мин
П =
шт/смена
Потребное кол-во станков

где Q = 10000 шт/смена – сменное задание
Принимаем
=
2 станка
Операция: Облицовывание пластей.
Выберем линию МФП1.
Линия МФП1 предназначена для двухстороннего фанерования щитов строганным, лущеным и синтетическим (на основе пропитанных бумаг) шпоном по пласти быстрополимеризующихся карбамидными клеями горячего отверждения.
Техническая характеристика линии МФП1.
Расчет производительности линии:
Пересчитываем расчетную производительность линии на щиты заданного формата:
шт/ч
Тогда сменная производительность
шт/смена
Потребное кол-во линий:
(допускается
перегрузка 20% 1 станка)
Принимаем
=
7 линий
(Q = 10000 – сменное задание)
Операция: Облицовывание кромок.
Выбираем линию форматной обработки щитов МФК1.
Назначение линии: форматная обрезка прямоугольных щитов и последующее облицовывание кромок с помощью клеев – расплавов.
Техническая характеристика линии МФК1
Расчетная производительность (для щитов заданного формата)
щита/час
Сменное задание Q =10000 щитов/смена
Потребное кол- во линий

Принимаем
линий.
