Технология листовой штамповки (работа 2)
Федеральное агентство по образованию
САМАРСКИЙ ГОСУДАРСТВЕННЫЙ АЭРОКОСМИЧЕСКИЙ УНИВЕРСИТЕТ имени академика С.П. КОРОЛЕВА
Факультет летательных аппаратов
Кафедра производства летательных аппаратов и управления качеством в машиностроении
Курсовая работа
По теме: Технология листовой штамповки
Самара 2010
Реферат
Целью данного курсового проекта является разработка технологического процесса для изготовления детали, заданной руководителем. Выполнение курсового проекта позволяет систематизировать, закрепить и расширить теоретические знания, а также приобрести опыт самостоятельного решения вопросов, связанных с проектированием рабочего инструмента для холодной листовой штамповки.
Основной задачей данного проектирования является разработка оптимальной технологии изготовления заданной детали.
Этапы реализации этой задачи:
анализ технологичности конструкции детали;
разработка технологической схемы штамповки;
разработка схемы раскроя материала;
определение величины потребного усилия по операциям;
выбор оборудования;
расчет исполнительных размеров пуансонов и матриц;
сборочный чертеж.
Введение
В общем комплексе технологии машиностроения все возрастающее значение приобретает обработка металлов давлением, в том числе листовая штамповка. Это один из способов обработки, при котором металл пластически деформируется в холодном состоянии при помощи штампов. Листовая штамповка применяется для изготовления самых разнообразных деталей практически во всех отраслях промышленности связанных с металлообработкой.
Листовая штамповка представляет собой самостоятельный вид технологии, обладающей рядом особенностей:
высокой производительностью;
возможностью получения самых разнообразных по форме и размерам полуфабрикатов и готовых деталей;
возможностью автоматизации и механизации штамповки путем создания комплексов оборудования, обеспечивающих выполнение всех операций производственного процесса в автоматическом режиме (в том числе роторных и роторно-конвейерных линий);
возможностью получения взаимозаменяемых деталей с высокой точностью размеров, без дальнейшей обработки резанием.
Современное холодноштамповочное производство развивается по пути совершенствования традиционных и создания новых технологий и оборудования. При этом наметились тенденции создания холодноштамповочного оборудования для крупносерийного и массового производства автоматических линий и холодноштамповочных пресс-автоматов и оборудования для мелкосерийного, серийного и единичного часто переналаживаемого производства холодноштамповочного оборудования с числовым программным управлением, универсальных прессов, гибких производственных модулей с ЧПУ.
1. Технологическая часть
1.1 Анализ технологичности конструкции детали
Под технологичностью следует понимать такое сочетание конструктивных элементов, которое обеспечивает наиболее простое и экономичное изготовление деталей при соблюдении техники и эксплуатационных требований к ним.
Основными показателями технологичности листовых холодноштамповочных деталей являются:
наименьший расход материала;
наименьшее количество и низкая трудоемкость операции;
отсутствие последующей механической обработки;
наименьшее количество требуемого оборудования и производственных площадей;
наименьшее количество оснастки при сокращении затрат и сроков подготовки производства.
Общим результативным показателем технологичности является наименьшая стоимость штампуемых деталей.
Возможность формообразования при разделительных операциях определяется способностями материала заготовки изменять форму под действием деформирующего усилия и возможностью изготовления рабочих частей штампа способных осуществить заданное формоизменение.
Материал, из которого будет выполнена деталь – сталь 0,8 кП.
Характеристика стали 08кп (8кп):
Применение: для прокладок, шайб, вилок, труб, а также деталей, подвергаемых химико-термической обработке - втулок, проушин, тяг. Основные характеристики представлены в табл.1, табл. 2, табл. 3, табл.4.
Таблица 1 - Химический состав в процентах стали 08кп (8кп)
|
C |
Si |
Mn |
Ni |
S |
P |
Cr |
Cu |
As |
|
0.05-0.11 |
до 0.03 |
0.25-0.5 |
до 0.25 |
до 0.04 |
до 0.035 |
до 0.1 |
до 0.25 |
до 0.08 |
Таблица 2 - Температура критических точек стали 08кп (8кп)
|
Ac1=732, Ac3(Acm)=874, Ar3(Arcm)=854, Ar1=680 |
|
|
Твердость стали 08кп (8кп) калиброванного нагартованного |
HB=179 |
|
Твердость стали 08кп (8кп) горячекатанного отожженного |
HB=131 |
Таблица 3 - Физические свойства стали 08кп (8кп)
|
T |
E 10-5 |
a106 |
l |
r |
C |
R 109 |
|
Град |
МПа |
1/Град |
Вт/(м·град) |
кг/м3 |
Дж/(кг·град) |
Ом·м |
|
20 |
2.03 |
|
63 |
7871 |
|
147 |
|
100 |
2.07 |
12.5 |
60 |
7846 |
482 |
178 |
|
200 |
1.82 |
13.4 |
56 |
7814 |
498 |
252 |
|
300 |
1.53 |
14.0 |
51 |
7781 |
514 |
341 |
|
400 |
1.41 |
14.5 |
47 |
7745 |
533 |
448 |
|
500 |
|
14.9 |
41 |
7708 |
555 |
575 |
|
600 |
|
15.1 |
37 |
7668 |
584 |
725 |
|
700 |
|
15.3 |
34 |
7628 |
626 |
898 |
|
800 |
|
14.7 |
30 |
7598 |
695 |
1073 |
|
900 |
|
12.7 |
27 |
7602 |
703 |
1124 |
|
1000 |
|
13.8 |
|
|
695 |
|
Таблица 4 - Технологические свойства стали 08кп (8кп).
|
Свариваемость: |
без ограничений. |
|
Флокеночувствительность: |
не чувствительна. |
|
Склонность к отпускной хрупкости: |
не склонна. |
Сопротивление резу – 25 кгс/мм² (при вырубке);
Предел прочности - 30 кгс/мм²
Относительное удлинение – 35% (не менее)
Для изготовления детали будет применяться гибка. Произведем корректировку размеров детали, с учетом свойств материала детали 0,8 кП:
- Наименьший размер пробиваемых
отверстий:
мм.
Размер отверстия – 3 мм. Условие
выполняется;
- Наименьшее расстояние от края
отверстия до прямолинейного наружного
контура:
Условие выполняется.
- Наименьшее расстояние от края
отверстия до загнутой полки:
Условие не выполняется. Следовательно,
увеличим горизонтальный размер детали
до 48 мм и передвинем отверстия на 4 мм.
Тогда

- Наименьшее расстояние между
отверстиями
Условие выполняется.
- Наименьшая высота отгибаемой
полки
Условие выполняется.
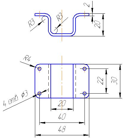
Размеры детали с учетом корректировки указаны на рис. 1.

Рис. 1 - Эскиз детали
1.2 Анализ вариантов технологических схем изготовления детали
Основными техническими признаками, влияющими на выбор варианта технологического процесса, являются: механические свойства и толщина материала, степень сложности конфигурации детали и ее габариты, требуемая точность детали, место расположения отверстий и точность расстояния между их осями и т.д. Основным экономическим признаком, от которого зависит решение вопроса экономической целесообразности того или иного варианта, является серийность производства.
Анализируя конструкцию и материал детали, могут приниматься следующие варианты технологических схем ее изготовления:
-раскрой листа на полосы;
-вырубка в штампе полосы заготовки с одновременной пробивкой в ней отверстий в штампе совмещенного действия;
-гибка заготовки в штампе;
-доводка детали вручную.
-раскрой листа на полосы;
-вырубка детали;
-пробивка 4х отверстий, диаметром 4мм;
-гибка заготовки в штампе;
-доводка детали вручную.
-раскрой листа на полосы;
-вырубка детали;
-сверление в кондукторе 4х отверстий, диаметром 4мм;
-гибка заготовки в штампе;
-доводка детали вручную.
Принимаем I вариант изготовления детали, т.к. он содержит меньшее количество операций и является более экономичным.
1.3 Расчет технологических параметров
1.3.1 Определение размеров заготовки
Размеры развертки детали:
,
где
- длина прямолинейных участков детали,
,

Итак, размеры заготовки штамповки детали: 76,4х30 мм.
1.3.2 Расчет ширины полосы материала для изготовления заготовки
Она в основном зависит от марки и толщины материала, величины перемычек между выбираемыми заготовками, расположения заготовок в полосе, конструкции штампа, точности работы оборудования для раскроя листов, применяемых средств механизации подачи полосы в штамп.
Принимаем для разрабатываемого процесса, что лист разрезается на полосы на гильотинных ножницах. Заготовки из полос вырубаются в штампе без бокового прижима полосы и с подачей материала в любую зону вручную.
Формула для расчета ширины полосы в этом случае имеет вид:

- величина перемычки между
заготовками,
- односторонний (минусовый) допуск
на ширину полосы,
- гарантийный зазор между полосой
и направляющими штампа,
В зависимости от расположения заготовки на полосе, ширина полосы может быть следующая:
,
.
1.3.3 Расчет шага расположения заготовок
По ГОСТу выбираем листы, габаритом 1000х2000 мм. При изготовлении деталей гибкой, необходимо, по возможности, соблюдать правило, чтобы линия сгиба не совпадала с направлением проката листа (рис. 2). Шаг расположения заготовок на полосе составляет:
,
.

Рисунок 2 – Расположение полос при раскрое листа
1.3.4 Определение количества заготовок
Определяем количество заготовок, которое можно получить по вариантам а) и б) (Табл.5)
Таблица 5 – Количество заготовок, получаемых из листов при различных вариантах раскроя.
|
Габариты листа мхм |
Вариант раскроя |
Количество (шт.) |
||
|
Полос из листа |
Заготовок из полосы |
Заготовок из листа |
||
|
1,0х2,0 |
а |
2000:84,8=23 |
1000:31,6=31 |
23х31=713 |
|
б |
1000:38,4=26 |
2000:78=25 |
26х25=650 |
|
|
1,2х2,0 |
а |
2000:84,8=23 |
1200:31,6=37 |
23х37=851 |
|
б |
1200:38,4=31 |
2000:78=25 |
31х25=775 |
Расчет коэффициента использования материала
Производим расчет коэффициента использования материала листов:
.
Для определения площади заготовки
f, разбиваем ее на фигуры простой
геометрической формы. Общая площадь
заготовки:
.



.
Таким образом, для разработки технологического процесса изготовления детали выбираем лист габаритом 1000х2000 и его раскрой по варианту а).
Использование оставшегося материала листа:
.
,
значит, можно использовать оставшуюся
полосу листа
,
изменив расположение заготовок на листе
(рис. 3). Количество заготовок из полосы
:
1000:84,8=11.
.
,
значит, оставшуюся полосу листа
использовать невозможно.
Следовательно,


Рисунок 3 – Расположение заготовок на листе
Расчет усилия резки листа на полосы
Произведем подбор гильотинных ножниц исходя из усилий резания и ширины отрезаемой полосы. Усилие резания определяем по формуле:
,
где
- толщина материала,
=25
кгс/мм²,
- угол створа ножниц,
=1,3
– коэффициент, учитывающий затупление
ножей, разброс толщины и механических
свойств материала и др.
(
24,8кН)
Ножницы для резки материала
толщиной
2,5
мм ,пределом прочности
50
кг/мм²и шириной реза
1600ммпо
каталогу выбираем модель Н473 (ГОСТ
6282-52). Правильность их выбора проверяем
по развиваемому усилию резания:
(
31,03кН)
Таким образом, для техпроцесса можно рекомендовать гильотинные ножницы модели Н473.
Определение усилия вырубки развертки детали и подбор пресса
Усилие резания материала при вырубке заготовок по наружному контуру определяем по формуле:
,
,
,
=10296кгс
(
103кН).
Усилие снятия полосы с пуансона:
,
где
- для штампа последовательного действия
(вырубка-пробивка).
.
Усилие проталкивания заготовки через матрицу:
,
где
- при вырубке на провал, n – количество
заготовок, находящихся одновременно в
цилиндрической шейке матрицы. Учитывая
необходимость периодического ремонта
– перешлифовки режущей кромки матрицы,
принимаем n=3:
.
Усилие резания при пробивке 4х отверстий:
(
18,8кН),
Усилие снятия заготовки с пуансона:
,
где
- для многопуансонного пробивного
штампа.
,
Усилие проталкивания отходов при пробивке отверстий:
,
где
- при вырубке с обратным выталкиванием,
n=3.
.
Общее усилие пресса, необходимое для выполнения этой операции, составит:
,
где
=1,3
– коэффициент, учитывающий потери,
затупление режущих кромок, разброс
толщины и механических свойств материала
и др.

Произведем выбор пресса по
каталогу оборудования , в зависимости
от
,
величины рабочего хода ползуна, закрытой
высоты габаритов штампа в плане.
При этом условно принимаем следующее:
-рабочий ход ползуна должен быть не менее 10-20 мм,
-закрытая высота штампа
мм,
-габариты штампа в плане 450х700мм.
Наиболее подходящим для нашего
случая выбираем пресс К 116 Б (усилие
пресса Р=360кН , ход ползуна h=64мм, габариты
стола пресса 480х720мм
=
300мм).
Определение усилий гибки детали, выбор марки пресса
Определим усилие гибки заготовки. Применяется четырехугловая гибка с прижимом:
,
где В=30мм – длина линии гиба,
=0,2
– коэффициент для двухугловой гибки.
(
9кН).
Выбираем пресс для выполнения операции четырехуголовой гибки с прижимом, при этом условно принимаем:
-ход ползуна не менее 2х высот
детали, т.е.
40мм,
-закрытая высота штампа
,
-габариты штампа в плане 350х750мм.
По каталогу выбираем пресс ЭР50
(усилие пресса Р= 500кН , ход ползуна h=
70мм , габариты стола пресса 370х575мм
=
265мм).
Расчет параметров пружинения материала
Радиус закругления пуансона, учитывающий отпружинивание заготовки после ее гибки, определим по формуле:
,
- внутренний радиус детали,
- модуль упругости материала,
2,96мм;
Угол пружинения материала после снятия внешней нагрузки:



Таким образом, в технических условиях на проектирование гибочного штампа необходимо задать радиус закругления пуансона 2,96мм , а угол сопряжения рабочих кромок пуансона 89,6º.
2. Конструктивная часть
2.1 Обоснование конструктивной схемы штампа
Штампы для гибки подразделяются на штампы простого, последовательного и совмещенного действия. В штампах простого действия за один ход подвижной части блока выполняется только одна операция или переход гибки. Штампы этой группы подразделяются на специальные и универсальные. Специальные штампы применяют для изготовления деталей простейшей формы однооперационной гибкой в одном штампе или для получения деталей сложной формы многопереходной поэлементной гибкой в штампах простого действия. Универсальные штампы применяют для получения однотипных деталей простой формы, но разных размеров, однопереходной гибкой или для выполнения деталей сложной формы многопереходной гибкой в одном и том же универсальном штампе.
Четырехугловую гибку деталей можно выполнять в штампе, обеспечивающем изгиб четырех углов одновременно (рис. 4, а). Однако при этом, ввиду повышенного растяжения металла из-за его защемления между пуансоном и матрицей, деталь получается со значительным искривлением полок (рис. 4, б). Для исключения таких искривлений гибку следует выполнять за два перехода в одном или двух штампах (рис. 4, в и г). Однако экономичнее использовать один штамп.

Рисунок 4 – Схемы штампов для четырехугловой гибки детали
2.2 Описание конструкции штампа, принцип действия
Двухугловой гибочный штамп показан на рис. 5. С его помощью будет выполняться четырехугловая гибка детали. Заготовку укладывают на прижим 1, действующий от выталкивателя 2. При опускании пуансона 3 заготовка сначала зажимается между пуансоном и выталкивателем, а затем изгибается с помощью матрицы 4 и принимает форму скобы. Затем деталь переворачивают загнутыми углами вниз и выполняется второй переход.
После гибки деталь из матрицы удаляется выталкивателем, действующим от нижнего буферного устройства.

Рисунок 5 – Двухугловой гибочный штамп
Определение исполнительных размеров элемента штампа.
К конструктивно-технологическим параметрам штамповой оснастки относятся:
1. Односторонний зазор z – между
матрицей и пуансоном при двухугловой
гибке. Он определяется в зависимости
от толщины материала
по формуле
,
где
– коэффициент, зависящий от длины
отгибаемых полок и толщины материала.

Радиус закругления рабочей
кромки матрицы

Глубина матрицы k=20мм
Радиус закругления пуансона
рассчитан в п. 3.7,
2,96мм;
Исполнительный размен матрицы
,
-номинальный
размер детали после гибки (1 переход),
=0,4
– коэффициент, определяющий долю
допуска,
=0
- предельное отклонение размера детали.

Техника безопасности при изготовлении детали
Техника безопасности и охрана труда работающих приобретают особое значение при холодной листовой штамповке. Избежать производственных травм в этой области можно различными путями.
При работе на открытых штампах, а также при штамповке из отдельных (штучных) заготовок их обязательно следует укладывать, а отштампованные детали удалять посредством какого-либо ручного инструмента (пинцетами, щипцами, линейками и т. д.). При штамповке из полосы рекомендуется применять штампы безопасной конструкции, например, закрытые штампы с направляющей плитой и с автоматически действующими упорами, ловителями, боковыми ножами и т. д. Особое внимание при конструировании прессов и штампов уделяется системе ограждения штампового пространства, так как в этой зоне максимальное число травм. Штамповое пространство ограждается решетками. Для защиты персонала используют блокирующие устройства, основной деталью которой являются фотоэлектрические датчики, расположенные в штамповом пространстве. Они дают команду на мгновенную остановку пресса при попадании в зону руки. Кроме того, в прессах используют двурукое включение. Здесь необходимо использовать педаль выше пола на 100 мм.
Также необходимо следить за уровнем освещенности на рабочем месте, ибо плохая освещенность может привести к различным видам травм.
2.3 Применение стандартных элементов
По ГОСТу выбираем стандартные элементы штампа.
Габаритные элементы матрицы определяем по таблице, исходя из размеров рабочей зоны: 80х40 – рабочая зона, 140х80 – габаритные размеры.
По ГОСТу 13125-83 принимаем обозначение
блока 1004-4354 и его размеры: d=32мм; расстояние
при нижнем положении верхней плиты
,
h=50мм,
,
А=160,
.
Обозначение плиты 1004-4354/001, обозначение
заготовки 1022-4448, колонки 1030-6045, втулка
1032-2643.
По ГОСТу 13112-83 принимаем размеры
заготовки: Н=50мм, h=25мм, А=160мм,
,
l=25мм,
,
r=45мм,
.
По ГОСТу 13118-83 принимаем размеры
колонок: D=32мм, L=160мм, l=8мм, R=3мм,
,
c=4мм..
По ГОСТу 13120-83 принимаем размеры
втулки: d=32мм,
,
D=43мм,
,
L=100мм, l=40мм,
,
,
.
Заключение
В данном курсовом проекте рассматриваются особенности холодной листовой штамповки, ее преимущества и недостатки, разработан технологический процесс изготовления детали - накладка, спроектирован штамп, в котором осуществляется первый переход операции гибки для изготовления заданной детали. Особенность данного курсового проекта в том, что был изготовлен малоотходный раскрой материала, который позволяет наиболее эффективно использовать материал.
Выполнение курсового проекта позволило систематизировать, закрепить и расширить теоретические знания, а также приобрести опыт самостоятельного решения вопросов, связанных с проектированием технологического процесса и конструированием рабочего инструмента для холодной листовой штамповки.
Список использованных источников
Рудман Л.И. Справочник конструктора штампов [Текст]/ Л.И. Рудман, В.Л. Марченко. – М.: Машиностроение, 1988 г.
Романовский В.П. Справочник по холодной листовой штамповки [Текст]/ В.П. Романовский. - Л.: Машиностроение, 1979 г.
Смеляков Е.П. Технология листовой штамповки в производстве летательных аппаратов [Текст]: метод. указания/ Е.П. Смеляков, Ю.В. Федотов, В.П. Самохвалов. - СГАУ, Самара, 2004. - 65 с.
Смеляков Е.П. Технология листовой штамповки в производстве летательных аппаратов [Текст]: метод. указания/ Е.П. Смеляков, П.Я. Пытьев. - СГАУ, Самара, 2002. - 65 с.
Смеляков Е.П. Основы конструирования штамповочной оснастки для изготовления листовой детали ЛА [Текст]: метод. указания/ Е.П. Смеляков, Ю.В. Федотов. - СГАУ, Самара, 2002. - 105 с.
ГОСТ 13125-83. Штампы для листовой штамповки. Блоки штампов с задним расположением направляющих узлов скольжения [Текст] – Введ. 1984-07-01. – М.: Издательство стандартов, 2001. - 18 с.
ГОСТ 13112-83. Штампы для листовой штамповки. Плиты-заготовки для штампов с задним расположением направляющих узлов. Конструкция и размеры [Текст] – Введ. 1984-07-01. – М.: Издательство стандартов, 2001. – 8 с.
ГОСТ 13118-83. Штампы для листовой штамповки. Втулки направляющие гладкие. Конструкция и размеры [Текст] – Введ. 1984-07-01. – М.: Издательство стандартов, 2001. – 11 с.