Технология работы рН-метра со стеклянным электродом
Федеральное агентство по образованию
Государственное образовательное учреждение высшего профессионального образования
Восточно-Сибирский государственный технологический университет
Кафедра автоматизации и электрооборудований промышленных предприятий
Курсовой проект
По учебной дисциплине «Автоматизация измерений контроля и испытаний»
Выполнил: ст-т гр.2124
Луданова Е.Д.
Улан-Удэ, 2008
1. Описание вторичного прибора
1.1 Основные характеристики
1.1.1Назначение изделия
рН-метр со стеклянным электродом предназначен для измерения показателя активности ионов водорода (pH), температуры водных растворов и электродвижущей силы (ЭДС).
Область применения pH-метра − на предприятиях теплоэнергетики, химической, металлургической, фармацевтической промышленности и для использования в сельском хозяйстве, в биологии и других отраслях промышленности.
1.1.2 Принцип работы рН-метра
В основу работы рН-метра положен потенциометрический метод измерения рН контролируемого раствора.
Электродная система при погружении в контролируемый раствор развивает ЭДС, линейно зависящую от значения рН. Сигнал (ЭДС) с электродной системы и сигнал с датчика температуры подаются на блок преобразовательный, в котором сигналы усиливаются, пре-образуются в цифровую форму.
Измеренное значение ЭДС электродной системы в рН-метре пересчитывается в значение рН с учетом температуры анализируемого раствора, т.е. выполняется автоматическая термокомпенсация, которая компенсирует только изменение ЭДС электродной системы.
1.1.3 Основные параметры
По устойчивости к климатическим воздействиям pH-метр имеет группу исполнения В4 по ГОСТ 12997-84.
По устойчивости к механическим воздействиям pH-метр имеет исполнение L1 по ГОСТ 12997-84.
По защищенности от воздействия окружающей среды pH-метр (за исключением электродов) имеет исполнение IP65 по ГОСТ 14254-96.
По устойчивости к воздействию атмосферного давления pH-метр имеет исполнение Р1 по ГОСТ 12997-84 атмосферное давление от 84 до 106,7 кПа.
Рабочие условия эксплуатации:
температура окружающего воздуха, 0С. от плюс 5 до плюс 50;
относительная влажность окружающего воздуха при температуре +35 0С и более низких температурах без конденсации влаги, %, не более 80;
атмосферное давление, кПа (мм рт. ст.) от 84,0 до 106,7 (от 630 до 800).
Условия применения pH-метра:
|
Параметры |
Условия работы pH-метра |
||
|
Нормальные |
Рабочие |
Предельные (ГОСТ 24314-80) |
|
|
Температура окружающего воздуха, °C |
+20 ± 2 |
от +5 до +40 |
от 0 до +60 |
|
Температура контролируемой среды, °C |
+25 ± 2 |
от +5 до +50 |
от +1 до +65 |
|
Давление контролируемой среды, МПа (кгс/см2) |
0,025 (0,25) |
0,025 (0,25) |
0,025 (0,25) |
|
Расход контролируемой среды, литров в час |
25 ± 5 |
от 5 до 40 (для растворов с удельной электрической проводимостью (в дальнейшем УЭП) меньше 5 мкСм/см - от 10 до 40 литров в час) |
от 1 до 50 |
|
Концентрация нерастворимых примесей в контролируемой среде, мг/л |
0,5 |
5,0 |
5,0 |
|
Концентрация нефтепродуктов в контролируемой среде, мг/л |
0,3 |
3,0 |
3,0 |
Электрическое питание pH-метра осуществляется от автономного источника постоянного тока напряжением от 2,2 до 3,4 В − от двух щелочных гальванических элементов типа АА либо от двух металлогидридных аккумуляторов типа АА.
Потребляемая мощность при номинальном напряжении питания
3,0 В, мВт, не более:
- без подсветки индикатора 20;
- с подсветкой индикатора 300.
Условия транспортирования в транспортной таре по ГОСТ 12997-84:
- температура, 0С от минус 5 до плюс 50;
- относительная влажность воздуха при 35 0С, % 95;
- синусоидальная вибрация с частотой 5-35 Гц, амплитудой смещения 0,35 мм в направлении, обозначенном на упаковке манипуляционным знаком
«Верх, не кантовать».
Требования к надежности
- средняя наработка на отказ (за исключением электродов), ч, не менее20000;
- среднее время восстановления работоспособности, ч, не более 2;
- средний срок службы pH-метров, лет, не менее 10.
Степень защиты блока преобразовательного, обеспечиваемая оболочкой IP65, соответствует ГОСТ 14254-96.
Диапазон измерения показателя активности ионов водорода (рН) pH-метра при температуре анализируемой среды (25,0±0,2) 0С, рНот 0,000 до 12,000.
Пределы допускаемой основной абсолютной погрешности pH-метра при измерении рН при температуре анализируемой среды (25,0±0,2) 0С и температуре окружающего воздуха (20±5) 0С, рН ±0,050.
Пределы допускаемой дополнительной абсолютной погрешности pH-метра ±0,100.
Диапазон измерения рН-метра при измерении температуры анализируемой среды, 0С от 0,0 до + 70,0.
Пределы допускаемой основной абсолютной погрешности рН-метра при измерении температуры анализируемой среды при температуре окружающего воздуха (20±5) 0С, 0,3.
Пределы допускаемой дополнительной абсолютной погрешности рН-метра при измерении температуры анализируемой среды, вызванной изменением температуры окружающего воздуха на каждые ±10 0С от нормальной (20±5) 0С в пределах рабочего диапазона температур от + 5 до + 50 0С,
Диапазон измерения преобразователя при измерении ЭДС, мВ от - 1000,0 до + 1000,0.
Пределы допускаемой основной абсолютной погрешности преобразователя при измерении ЭДС при температуре окружающего воздуха (20±5) 0С, мВ ±0,5.
Пределы допускаемой дополнительной абсолютной погрешности преобразователя при измерении ЭДС, вызванной изменением температуры окружающего воздуха, на каждые ±10 0С от нормальной (20±5) 0С в пределах рабочего диапазона температур от плюс 5 до плюс 50 0С, мВ ±0,3.
Диапазон измерения преобразователя при измерении рН, рН от 0,000 до 15,000.
Пределы допускаемой основной абсолютной погрешности преобразователя при измерении рН при температуре окружающего воздуха (20±5) С, рН ±0,020.
Пределы допускаемой дополнительной абсолютной погрешности преобразователя при измерении рН, вызванной изменением температуры анализируемой среды в диапазоне от 0 до плюс 70 0С (погрешность температурной компенсации преобразователя), рН ±0,020.
Пределы допускаемой дополнительной абсолютной погрешности преобразователя при измерении рН, вызванной изменением температуры окружающего воздуха, на каждые ±10 0С от нормальной (205) 0С в пределах рабочего диапазона температур от плюс 5 до плюс 50 0С, рН ±0,005.
Пределы допускаемой дополнительной абсолютной погрешности преобразователя при измерении ЭДС, вызванной влиянием сопротивления в цепи измерительного электрода на каждые 500 МОм в диапазоне изменения от 0 до 1000 МОм, мВ ±0,2.
Время установления выходных сигналов (показаний) преобразователя, с, не более 10.
Время установления выходных сигналов (показаний) pH-метра, мин, не более 10.
При подключении к персональному компьютеру (ПК) через порт USB pH-метр осуществляет обмен информацией с ПК.
1.1.4 Состав изделия
В состав pH-метра входят: Блок датчиков (индивидуальный) - 1 шт.
Блок электронного преобразования - 1 шт.
Скоба крепежная и основание с уплотнителем для крепления блока датчиков по 1 шт.
Розетка 2РМ14КПМ4Г1В1 - 1 шт.
Вилка 2РМ14КПМ4Ш1В1 - 1шт.
Кольцо обжимное - 2 шт.
Гибкий шланг для подключения блока датчиков длиной 80 см - 1 шт.
Дискета с прикладным программным обеспечением (только для модификации "И") - 1 шт. на партию до 5 pH-метров.
Индивидуальный паспорт.
Руководство по эксплуатации (одно на партию до до 5 преобразователей).
Свидетельство о калибровке.
Шприц одноразовый (1 шт. на партию до 5 pH-метров).1.3.2 В состав pH-метра, кроме того, может входить по отдельному заказу:Пульт программирования и контроля "КВАРЦ-П1".
В комплект поставки pH-метра, кроме того, должны входить:
Электрод измерительный стеклянный ЭСТ-0601, (паспорт ИТ 418422.001-08 ПС) или аналогичный - 1шт.
Электрод сравнения Эср-10105 (паспорт ИТ 418422.020-01 ПС) или аналогичный - 1шт.
Паспорт на электрод измерительный (1 на партию до трех электродов).
Паспорт на электрод сравнения (1 на партию до трех электродов).
1.2 Содержание технического описания
1.2.1 Устройство и работа
В pH-метре использован ряд методических и схемотехнических приемов, позволяющих проводить измерение э.д.с. с высокой точностью вне зависимости от наличия внешних электростатических и электромагнитных помех при любых (в том числе малых) значениях УЭП контролируемой среды, вплоть до теоретически чистой воды.
Для задания режимов работы pH-метра используется пульт программирования и контроля "КВАРЦ-П1", при необходимости подключаемый к блоку электронного преобразования.

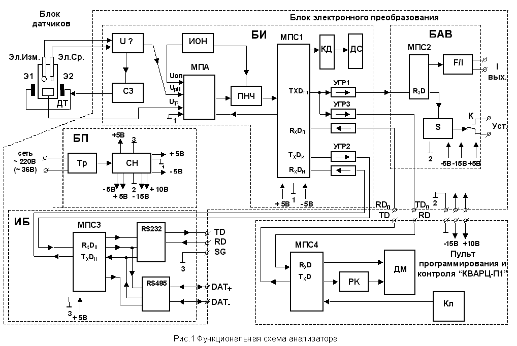
Рис. 1
pH-метр имеет проточный блок датчиков.
Корпус блока датчиков выполнен из органического стекла. В верхней части корпуса имеются два штуцера, снабженные накидными гайками и служащие для крепления электродов. В нижней части корпуса расположен цилиндрический измерительный объем, боковые поверхности которого ограничены двумя пластинами из нержавеющей стали - Э1 и Э2 (см. рис.1).
Эти пластины являются третьим экранирующим электродом блока датчиков, осуществляющим активное экранирование измерительного объема. В пластины вмонтированы штуцера, служащие для подключения блока датчиков к измеряемой среде.
Внутри измерительного объема располагаются чувствительные элементы электродов Эл.Изм. и Эл.Ср. и датчик температуры (ДТ). Соединение блока датчиков с блоком электронного преобразования осуществляется с помощью многожильного кабеля, один конец которого герметично и неразъемно соединен с блоком датчиков, а второй снабжен герметизированным разъемом для подключения к блоку электронного преобразования.
Через этот кабель в блок электронного преобразования передается сигнал от датчика температуры, а из блока электронного преобразования поступает сигнал на экранирующий электрод блока датчиков.
Блок электронного преобразования помещен в герметичный литой силуминовый корпус, состоящий из основания и крышки.
Элементы управления и регулировки отсутствуют. На левой боковой стенке основания расположены разъемы для подключения измерительного электрода и электрода сравнения. В основание корпуса вмонтированы пять герметизированных разъемов, служащих для соединения блока электронного преобразования с блоком датчиков и внешними цепями.
Назначение разъемов (рис.2):

Рис.2
Разъем "Д" - для подключения к блоку электронного преобразования pH-метра блока датчиков; разъем "С" - для подключения pH-метра к сети питания (для модификаций "с" и "д" через этот же разъем возможно осуществить подключение pH-метра к системе автоматического контроля и(или) управления, используя его выходные токовые или цифровые интерфейсные сигналы RS485); Вид разъемов блока электронного преобразования со стороны кабелей разъем "И" - для подключения pH-метра к системе автоматического контроля и (или) управления с помощью выходных цифровых интерфейсных сигналов (RS232 или RS485); разъем "В" - для подключения pH-метра к системе автоматического контроля и (или) управления или к внешним регистрирующим устройствам с помощью выходного токового сигнала и сигнала уставки сигнализации; разъем "П"- для подключения к блоку электронного преобразования pH-метра пульта программирования и контроля.
Блок электронного преобразования состоит из следующих основных функциональных узлов (см. рис.1):
БП - блок питания;
БИ - блок измерительный;
БАВ - блок аналоговых выходов;
ИБ - интерфейсный блок.
В свою очередь БП содержит:
Тр - сетевой трансформатор;
СН - стабилизатор напряжения.
БИ содержит:
ИОН - источник опорного напряжения;
U - предварительный усилитель с высоким входным сопротивлением;
С3 - схему защиты от помех;
МПА - аналоговый мультиплексор;
ПНЧ - преобразователь постоянного напряжения в частоту;
МПС1 - центральную микропроцессорную систему;
КД - контроллер дисплея;
ДС - дисплей символьный;
УГР1, УГР2, УГР3 - устройства гальванической развязки.
БАВ содержит:
МПС2 - микропроцессорную систему;
F/I - преобразователь частоты в ток;
S - схему управления реле уставки сигнализации;
К - реле уставки сигнализации.
ИБ содержит: МПС3 - микропроцессорную систему;
RS 232 - контроллер интерфейса RS 232;
RS 485 - контроллер интерфейса RS 485.
1.2.2 Средства измерения, инструмент и принадлежности
Для проведения работ по техническому обслуживанию рН-метра дополнительно требуются следующие инструменты и принадлежности, не входящие в комплект поставки:
- отвертка крестовая 2 мм;
- шприц медицинский 2 см3 для заливки электролита в электрод;
- колба К-2-1000-50;
- химический стакан В-1-250;
- раствор КСl с концентрацией 3 моль/дм3;
- раствор НСl концентрацией 0,1 моль/дм3.
1.2.3 Наставления по эксплуатации
рН-метр предназначен для измерения показателя активности ионов водорода (от 0 до 12 рН) и температуры водных растворов (от 0 до плюс 70 0С), а также ЭДС (от минус 1000 до плюс 1000 мВ).
При работе с рН-метром оберегать электроды и блок преобразовательный от ударов, поскольку в их конструкции использованы хрупкие материалы.
Глубина погружения электродов в раствор при измерении рН должна быть не менее 16 мм.
Уровень электролита в электродах при измерениях должен быть выше уровня анализируемого раствора.
Не допускается измерение рН, ЭДС и температуры в растворах, содержащих фтористоводородную кислоту или ее соли и вещества, образующие осадки и пленки на поверхности электродов, а также эксплуатация и хранение электродов, незаполненных электролитом.
Не допускается замыкание накоротко выхода на ПК.
1.2.4 Указание мер безопасности
Электробезопасность обслуживающего персонала обеспечивается, поскольку в приборе используется автономный источник постоянного тока напряжением от 2,2 до 3,4 В.
К работе с рН-метром допускается персонал, изучивший настоящее руководство и правила работы с химическими реактивами.
1.3 Дополнительные материалы и их содержание
1.3.1 Маркировка
На передней панели преобразователя измерительного нанесено наименование прибора и знак Госреестра.
На задней панели преобразователя укреплена табличка, на которой нанесены:
- товарный знак и наименование предприятия-изготовителя;
- наименование и условное обозначение pH-метра;
- заводской номер pH-метра и год выпуска.
На упаковочной коробке нанесены манипуляционные знаки: «Осторожно, хрупкое», «Верх, не кантовать». На упаковочной коробке наклеена этикетка, содержащая наименование и условное обозначение pH-метра, дату упаковки, товарный знак, телефоны, адрес и наименование предприятия-изготовителя.
1.3.2 Упаковка
Составные части рН-метра укладываются в картонную коробку в полиэтиленовых пакетах.
В отдельные пакеты укладываются блок преобразовательный, комплект инструмента и принадлежностей и руководство по эксплуатации и упаковочная ведомость.
Каждый электрод перед укладкой в картонную коробку помещается в картонный футляр.
Пространство между пакетами и стенками коробки заполняется амортизационным материалом.
1.3.3 Свидетельство об упаковки
рН-метр МАРК-903 (МАРК-903/1) №_______________________ упакован ООО «ВЗОР» согласно требованиям, предусмотренным в действующей технической документации.
________ _________________ __________________
должность личная подпись расшифровка подписи
«______»____________________ 200___ г.
1.3.4 Свидетельство о приемки
рН-метр МАРК-903 (МАРК-903/1) №________________________ изготовлен и принят в соответствии с обязательными требованиями государственных стандартов, действующей технической документацией и признан годным для эксплуатации.
Начальник ОТК
М.П. __________________ _______________________
личная подпись расшифровка подписи
«______»____________________ 200___ г.
1.3.5 Гарантийные обязательства
Изготовитель гарантирует соответствие рН-метра требованиям технических условий при соблюдении потребителем условий транспортирования, хранения и эксплуатации, установленных в настоящем руководстве по эксплуатации.
Гарантийный срок эксплуатации 24 месяца со дня ввода в эксплуатацию (с учетом замены электродов).
Гарантийный срок хранения 6 месяцев со дня изготовления.
Продолжительность установленных гарантийных сроков не распространяется на электроды. Претензии на указанные изделия предъявляются к их предприятиям-изготовителям.
Действие гарантийных обязательств прекращается при механических повреждениях по вине потребителя блока преобразовательного или электрода.
Изготовитель обязан в течение гарантийного срока бесплатно ремонтировать рН-метры при выходе их из строя либо при ухудшении технических характеристик ниже норм технических требований не по вине потребителя.
1.3.6 Сведения о рекламациях
В случае выявления неисправности в период гарантийного срока, а также обнаружения некомплектности при получении рН-метра, потребитель должен предъявить рекламацию предприятию «ВЗОР» письменно с указанием признаков неисправности и точного адреса потребителя.
1.3.7 Транспортирование и хранение
Условия транспортирования блоков преобразовательных в упаковке предприятия-изготовителя должны соответствовать условиям хранения 5 по ГОСТ 15150-69 по правилам и нормам, действующим на каждом виде транспорта.
Условия транспортирования электродов в упаковке предприятия изготовителя должны соответствовать условиям хранения 1 по ГОСТ 15150-69 при температуре не ниже минус 5 С с учетом сведений, приведенных в разделе «Правила хранения и транспортирования» на электроды, входящие в комплект поставки.
рН-метры следует хранить в упаковке предприятия-изготовителя в крытом помещении на стеллажах в условиях хранения 1 по ГОСТ 15150-69 с учетом сведений, приведенных в разделе «Правила хранения и транспортирования» на электроды, входящие в комплект поставки.
В помещениях для хранения не должно быть пыли, паров кислот и щелочи, агрессивных газов и других вредных примесей, вызывающих коррозию.
1.4 Проведение поверочных работ
Для применения в сферах государственного метрологического контроля и надзора рН-метры должны подвергаться поверке органами Государственной метрологической службы при выпуске из производства или ремонта и при эксплуатации. Поверка производится в соответствии с документом «рН-метр МАРК-903. Методика поверки».
Межповерочный интервал 1 год.
Для применения в сферах, на которые не распространяется государственный метрологический контроль и надзор, рН-метры при выпуске из производства или ремонта и при эксплуатации могут подвергаться калибровке. Калибровка производится в соответствии документом «рН-метр
МАРК-903. Методика поверки». Межкалибровочный интервал 1 год.
1.4.1 Операции поверки
-
Наименование операции
№ пункта настоящих рекомендаций
Необходимость проведения операции при
первичной п.
периодической п.
1 Внешний осмотр
1.4.7.1
+
+
2 Опробование
1.4.7.2
+
+
3 Определение предела основной допускаемой погрешности измерения
(
)1.4.7.3
+
+
4 Определение предела основной допускаемой погрешности измерения температуры
1.4.7.4
+
+
5 Определение .предела дополнительной допускаемой погрешности измерения
(
),
связанной с изменением температуры
контролируемой среды (погрешность
термокомпенсации)1.4.7.5
+
+
6 Определение предела дополнительной допускаемой погрешности измерения
(
),
связанной с изменением сопротивления
измерительного (стеклянного) электрода
и (или) электрода сравнения
(вспомогательного электрода)9.6
+
+
Примечания
1 Знак "+" означает, что операцию проводят.
2 Для приборов, предназначенных для работы в режиме измерения
,
операцию по пункту 3 таблицы при
первичной поверке не проводят.
3 Для приборов с ИП на основе дифференциального модулятор-демодулятор-модулятор усилителя (МДМ усилителя) с жидкокристаллическим индикатором и автономным источником питания операцию по пункту 6 таблицы не проводят.
1.4.2 Средства поверки
Для проведения поверки должны быть применены средства, указанные в таблице 2.
Таблица2
|
Номер пункта настоящих рекомендаций |
Перечень основных и вспомогательных средств поверки |
|
1.4.7.3; 1.4.7.5 |
Буферные
растворы - рабочие эталоны
|
|
1.4.7.3 |
Химические реактивы и (или) Государственные стандартные образцы (ГСО) состава водных растворов катионов и анионов* |
|
9.3-9.5 |
Водяной термостат с диапазоном регулирования температуры от 0 °С до 100 °С, допускаемая погрешность установления температуры контролируемой среды - в пределах ±0,2 °С |
|
1.4.7.3 -1.4.7.5 |
Вода дистиллированная по #M12291 1200005680ГОСТ 6709#S |
|
1.4.7.3 -1.4.7.5 |
Посуда лабораторная стеклянная мерная по #M12291 1200003853ГОСТ 1770#S |
|
1.4.7.3 -1.4.7.5 |
Термометры ртутные стеклянные лабораторные типа ТЛ-4, класс 1, по [3]** |
|
1.4.7.6 |
Калибратор напряжения постоянного тока 3-го разряда по #M12291 1200026249ГОСТ 8.027#S*** |
|
1.4.7.6 |
Магазин сопротивлений*** класса точности 0,2 |
|
1.4.7.6 |
Набор сопротивлений*** типа С5-29 мощностью рассеяния 0,5 Вт и номинальными значениями сопротивления 10 кОм, 20 кОм, 500 МОм |
|
1.4.7.2 |
Тераомметр типа Е6-13А |
|
* Химические реактивы и (или) тип и номенклатуру ГСО устанавливают в эксплуатационной документации (паспорте) на ионоселективные электроды. ** Допускается использование других типов термометров с метрологическими характеристиками не хуже указанных в таблице. *** Допускается
использование компаратора типа " |
Средства измерений должны быть исправны, иметь эксплуатационную документацию (ЭД) и свидетельства о поверке по ПР 50.2.006 [5], а оборудование - аттестаты по ГОСТ Р 8.568.
1.4.3 Требования к квалификации поверителя
К проведению поверки приборов допускаются лица, имеющие высшее или среднетехническое образование, опыт работы в области аналитической химии, ежегодно проходящие проверку знаний по технике безопасности, владеющие техникой потенциометрических измерений, изучившие настоящие рекомендации и аттестованные в качестве поверителя.
1.4.4 Требования безопасности
При проведении поверки соблюдают требования техники безопасности:
при работе с химическими реактивами - по ГОСТ 12.1.007 и ГОСТ 12.4.021;
при работе с электроустановками - по ГОСТ 12.1.019 и ГОСТ 12.2.007.0.
Помещение, в котором осуществляется поверка, должно соответствовать требованиям пожарной безопасности по ГОСТ 12.1.004 и иметь средства пожаротушения по ГОСТ 12.4.009.
Исполнители должны быть проинструктированы о мерах безопасности, которые должны соблюдаться при работе с приборами, в соответствии с инструкциями, прилагаемыми к приборам. Обучение работающих лиц правилам безопасности труда проводят по ГОСТ 12.0.004.
1.4.5 Условия-проведения поверки
Поверка должна проводиться в следующих условиях:
|
#G0температура окружающей среды |
(20±5) °С; |
|
относительная влажность воздуха |
от 30% до 80%; |
|
атмосферное давление |
от 84,0 до 106,7 кПа (от 630 до 800 мм рт.ст.); |
|
питание |
от сети переменного тока частотой (50±0,5) Гц и напряжением (220±4,4) В. |
Вибрация, тряска, удары, влияющие на работу прибора, не допускаются.
1.4.6 Подготовка к поверке
Для выполнения операций по 1.4.7.3-1.4.7.5 собирают установку для поверки прибора, схема которой приведена на рисунке А.1 приложения А. Для выполнения операций по 9.6 дополнительно собирают установку, схема которой приведена на рисунке Б.1 приложения Б.
Примечание - При использовании
компаратора "
ТЕСТ 01" при выполнении операций по
9.6 установку собирают в соответствии
со схемой, приведенной на рисунке В.1
приложения В.
Основное и вспомогательное оборудование, указанное в разделе 4, подготавливают к работе в соответствии с требованиями нормативных документов и ЭД. Поверяемый прибор в комплекте с ИП, датчиком температуры и электродами подготавливают к работе в соответствии с требованиями ЭД.
Буферные растворы - рабочие
эталоны
приготавливают, как указано в инструкции
на стандарт-титры для рН-метрии.
Калибровочные растворы - аттестованные
смеси для ионометрии готовят в соответствии
с указаниями ЭД (паспортом) на
ионоселективный электрод, входящий в
состав прибора.
Примечание - Буферные растворы и аттестованные смеси готовят непосредственно перед проведением измерений.
Для поверки приборов с пределом
допускаемой погрешности измерения не
более 0,03
готовят буферные растворы из стандарт-титров
1-го разряда; для приборов с пределом
допускаемой погрешности измерения не
более 0,1
используют буферные растворы - рабочие
эталоны
2-го разряда. Для приборов с пределом
допускаемой погрешности измерения
более 0,1
допускается использование буферных
растворов - рабочих эталонов
3-го разряда.
1.4.7 Проведение поверки
Внешний осмотр
При проведении внешнего осмотра проверяют визуально:
- комплектность прибора (ИП, электроды, соединительные провода) в соответствии с ЭД;
- наличие в ЭД на прибор его метрологических характеристик;
- наличие автономного источника питания (при необходимости);
- целостность корпусов, электродов, соединительных проводов (кабелей), отсутствие механических повреждений, препятствующих нормальному функционированию прибора;
- чистоту и целостность соединителей и гнезд;
- четкость и правильность маркировки в соответствии с ЭД (обозначение прибора, наименование или товарный знак предприятия-изготовителя, заводской номер ИП, заводской номер электродов, обозначение переключателей, соединителей, гнезд, зажимов).
Приборы, имеющие дефекты, которые затрудняют эксплуатацию, бракуют и к дальнейшей проверке не допускают.
Опробование
В соответствии с ЭД проверяют функционирование прибора в различных режимах работы. При изменении положения переключателей диапазонов (пределов) измерений и режимов работы и при возвращении их в исходное положение показания прибора должны восстанавливаться.
Примечание - При укомплектовании приборов гальваническими элементами питания проверяют их работоспособность.
В соответствии с указаниями ЭД при испытательном напряжении 10 В тераомметром проверяют сопротивление изоляции соединительных проводов (кабелей) электродов и входное сопротивление ИП. Измеренные значения сопротивлений должны соответствовать требованиям ЭД.
Погрешность измерения потенциала проверяют в соответствии с требованиями ЭД на ИП.
Приборы, результаты опробования которых не соответствуют требованиям ЭД, бракуют и к дальнейшей проверке не допускают.
Определение предела основной
допускаемой погрешности измерения
(
)
Предел основной допускаемой
погрешности измерения
(
)
определяют в режиме ручной или
автоматической термокомпенсации
Операции по настоящему подразделу
проводят с использованием буферных
растворов - рабочих эталонов
,
приготовленных в соответствии с помощью
двух буферных растворов - рабочих
эталонов
,
воспроизводящих значения
=1,65
и
=9,18
при температуре растворов (25±0,2) °С,
проводят настройку (градуировку) прибора
в соответствии с указаниями ЭД.
Для приборов с пределом допускаемой
погрешности измерения менее 0,03
про водят измерения
трех буферных растворов - рабочих
эталонов
,
воспроизводящих значения
=3,56,
=4,01
и
=10,00
при температуре растворов (25±0,2) °С.
Измерения повторяют не менее
трех раз (
3)
на каждом буферном растворе. Если
максимальное расхождение результатов
измерений
не превышает предела основной допускаемой
погрешности измерения, установленного
ЭД, результаты измерений усредняют и
находят среднеарифметическое измеренных
значений
для данного буферного раствора.
Для приборов с пределом допускаемой
погрешности измерения более 0,03
измеряют
одного из трех (с учетом преимущественного
диапазона измерений при эксплуатации
прибора) буферных растворов - рабочих
эталонов
,
воспроизводящих значения
=3,56,
=4,01
и
=10,00
при температуре растворов (25±0,2) °С.
Далее выполняют операции по 9.3.2.2.
Предел
основной допускаемой погрешности
измерения
рассчитывают для каждого значения
буферных растворов (см. 9.3.2.2) по формуле
,
(1)
где
- среднеарифметическое измеренных
значений
буферного раствора;
- значение
по ГОСТ 8.134, воспроизводимое буферным
раствором - рабочим эталоном
при температуре 25 °С.
Если для каждого (см. 9.3.2.2) и (или)
выбранного (см. 9.3.2.3) буферного раствора
значение
,
рассчитанное по формуле (1), не превышает
пределов допускаемой погрешности
измерений, указанных в ЭД, прибор признают
пригодным к дальнейшему проведению
поверки. В противном случае измерения
повторяют на свежеприготовленных
буферных растворах. Если при повторных
измерениях погрешность не соответствует
требованиям ЭД, прибор бракуют.
Примечание - Если прибор является многоканальным, то поверке подлежат все измерительные каналы.
Предел основной допускаемой
погрешности измерения
определяют по методике, указанной в
9.3.1-9.3.4, используя вместо буферных
растворов - рабочих эталонов
калибровочные растворы - аттестованные
смеси, приготовленные в соответствии
с 8.3.
Определение предела основной допускаемой погрешности измерения температуры
Предел основной допускаемой погрешности измерения температуры контролируемых сред определяют на отметках: 0, 20, 40, 60, 80, 100 °С шкалы температур поверяемого прибора путем сравнения его показаний с показаниями эталонного термометра.
Примечание - Количество отметок шкалы может быть увеличено или уменьшено исходя из реального диапазона измерений температуры поверяемого прибора, но с обязательным включением начального и конечного значений диапазона измерений поверяемого прибора.
Предел основной допускаемой погрешности измерения температуры контролируемых сред определяют по следующей методике.
В соответствии с указаниями руководства по эксплуатации проводят настройку (градуировку) прибора в режиме измерения температуры.
Погружают термокомпенсатор и термометр на глубину не менее 25 мм (или в соответствии с требованиями ЭД) в термостатируемый стакан с интенсивно перемешиваемой водой, имеющей температуру поверяемой отметки шкалы.
После выдержки в воде в течение не менее 3 мин регистрируют показания термометра и прибора.
Предел
основной допускаемой погрешности
измерения температуры контролируемых
сред рассчитывают по формуле
,
(2)
где
- температура воды, измеренная прибором,
°С;
-
температура воды, измеренная эталонным
термометром, °С.
Если значение
, рассчитанное для каждой выбранной
отметки шкалы температур поверяемого
прибора, не превышает пределов допускаемой
погрешности измерения, указанных в ЭД,
прибор признают пригодным к дальнейшему
проведению поверки. В противном случае
прибор бракуют и дальнейшую проверку
не проводят.
Определение предела дополнительной
допускаемой погрешности измерения
(
),
связанной с изменением температуры
контролируемой среды (погрешность
термокомпенсации)
Для определения предела допускаемой погрешности термокомпенсации применяют буферные растворы - рабочие эталоны из числа указанных в 1.4.7.3 с учетом преимущественного диапазона измерений при эксплуатации прибора.
Примечание - Для иономеров предел
допускаемой погрешности термокомпенсации
проверяют в режиме измерения
по аттестованным поверочным смесям.
Предел допускаемой погрешности термокомпенсации определяют по следующей методике.
Измеряют значения
буферного раствора - рабочего эталона
при температуре, соответствующей
верхнему пределу диапазона температурной
компенсации (например, 50 °С), или при
максимальной температуре, допускаемой
для эксплуатации используемого
измерительного (стеклянного) электрода.
Измерения повторяют не менее
трех раз (
3)
и оценивают максимальное расхождение
результатов измерения
.
Если максимальное расхождение результатов
измерения
не превышает предела допускаемой
погрешности измерения
,
то результаты измерений усредняют.
Далее находят измеренное среднеарифметическое
значение
для данного буферного раствора в данной
температурной точке.
Предел допускаемой погрешности
термокомпенсации
рассчитывают по формуле
,
(3)
где
- измеренное среднеарифметическое
значение
буферного раствора в проверяемой
температурной точке;
- воспроизводимое по ГОСТ 8.134
значение
буферного раствора - рабочего эталона
при температуре, равной температуре
проверяемой точки.
Если значение
,
рассчитанное по формуле (3), не превышает
пределов допускаемой погрешности,
указанных в ЭД, то прибор признают
пригодным к дальнейшему проведению
поверки. В противном случае прибор
бракуют и дальнейшую проверку не
проводят.
Погрешность ручной температурной компенсации определяют аналогично для числовых отметок шкалы термокомпенсатора.
Определение предела дополнительной
допускаемой погрешности измерения
(
),
связанной с изменением сопротивления
измерительного (стеклянного) электрода
и (или) электрода сравнения (вспомогательного
электрода)
Для определения предела
дополнительной допускаемой погрешности
измерения
(
)
используют: калибратор напряжения
постоянного тока 3-го разряда по ГОСТ
8.027; магазин сопротивлений класса
точности 0,2 по ГОСТ 8.028; набор сопротивлений
в соответствии с таблицей 2. Операции
по настоящему подразделу выполняют в
режиме измерения
.1.4.7.6.2
Погрешность ИП, связанную с изменением
сопротивления измерительного (стеклянного)
электрода, определяют по следующей
методике.
На вход ИП подают регулируемое
выходное напряжение, снимаемое с зажимов
калибратора напряжения, затем
последовательно устанавливают показания
ИП на начало и конец шкалы диапазона
измерений
(отметки N 1 и N 2 шкалы ИП соответственно).
Измеряют выходные напряжения
калибратора, соответствующие показаниям
ИП на двух отметках шкалы N 1 и N 2.
В соответствии со схемой В.1
(приложение В) устанавливают дополнительное
сопротивление
,
равное 0,5 ГОм, в цепи измерительного
электрода и измеряют выходные напряжения
калибратора, соответствующие показаниям
ИП на двух отметках шкалы N 1 и N 2.
Предел
дополнительной допускаемой погрешности
измерения
(
),
связанной с изменением сопротивления
измерительного электрода, рассчитывают
для каждой отметки шкалы N 1 и N 2 по формуле
,
(4)
где
- измеренное напряжение при дополнительном
сопротивлении
=0
ГОм в цепи измерительного электрода,
мВ;
- измеренное напряжение при
дополнительном сопротивлении
=0,5
ГОм в цепи измерительного электрода,
мВ.
Если значения
,
рассчитанные для каждой из отметок N 1
и N 2, не превышают пределов, указанных
в ЭД, прибор признают пригодным к
проведению дальнейшей поверки. В
противном случае прибор бракуют.
Погрешность ИП, связанную с изменением сопротивления электрода сравнения (вспомогательного электрода), определяют по следующей методике.
На вход ИП подают регулируемое
выходное напряжение, снимаемое с зажимов
калибратора напряжения, затем
последовательно устанавливают показания
прибора на отметках N 1 и N 2 шкалы ИП и
измеряют соответствующее выходное
напряжение
калибратора.
Устанавливают дополнительное
сопротивление
в цепи электрода сравнения (вспомогательного
электрода), равное 20 кОм, и далее проводят
операции по 1.4.7.6.3.1.
Напряжение
измеряют следующим образом. Устанавливают
дополнительное сопротивление
,
равное 10 кОм, и далее проводят операции
по 1.4.6.3.1.
Предел
дополнительной допускаемой погрешности
измерения
(
),
связанной с изменением сопротивления
электрода сравнения (вспомогательного
электрода), рассчитывают для каждой
отметки шкалы N 1 и N 2 и каждого значения
по формуле
,
(5)
где
- напряжение компаратора, измеренное
при сопротивлении
=10
кОм, мВ;
- напряжение компаратора,
измеренное при
,
равном 0 кОм или 20 кОм, мВ.
Если значения
,
рассчитанные по формуле (5) для каждой
отметки N 1 и N 2 шкалы ИП прибора и каждого
значения
,
не превышают пределов, указанных в ЭД,
прибор признают пригодным к дальнейшему
проведению поверки. В противном случае
прибор бракуют.
1.4.8 Оформление результатов поверки
Положительные результаты поверки оформляют путем нанесения оттиска поверительного свидетельства о поверке в соответствии с ПР 50.2.006 1.4.8.2 При отрицательных результатах поверки выдают извещение о непригодности по ПР 50.2.006 с указанием причин непригодности или делают соответствующую запись в ЭД на прибор.
При калибровке
-метров
и ионометров оформляют сертификат о
калибровке по форме приложения 2 ПР
50.2.016, также делают запись в ЭД при
необходимости. По требованию заказчика
на обороте сертификата приводят
фактические значения погрешностей
калибруемого прибора.
Приложение А
Установка для поверки прибора

Рисунок А.1 - Схема установки для поверки прибора
1 - термостат водяной; 2 - термометр эталонный;
3 - стакан с буферным раствором
- рабочим эталоном
(аттестованной смесью);
4 - электрод сравнения (вспомогательный электрод) из состава прибора;
5 - измерительный (стеклянный или ионоселективный) электрод из состава прибора;
6 - измерительный преобразователь из состава прибора;
7 - термокомпенсатор с соединительным кабелем.
Примечание - Вместо измерительных и вспомогательных электродов могут использоваться комбинированные электроды.
Приложение Б
Установка для определения пределов дополнительной допускаемой погрешности по 9.6

Рисунок Б.1 - Схема установки для определения пределов дополнительной допускаемой погрешности по 9.6
1 - магазин сопротивлений; 2 - ИП; 3 - калибратор напряжения;
4 - соединительные провода и
входные соединители (
)
цепи термокомпенсатора прибора;
5 - входной соединитель цепи измерительного (стеклянного) электрода;
6 - входной соединитель цепи электрода сравнения (вспомогательного электрода);
7 - входной соединитель цепи
заземления ИП;
и
- дополнительные сопротивления (имитаторы
электродной системы прибора); N 1 и N 2 -
начальная и конечная отметки шкалы ИП;
- измеряемое напряжение
Приложение В
Методика
определения пределов дополнительной
допускаемой погрешности по 9.6 с
использованием компаратора "
ТЕСТ 01"
В.1 Компаратор "
ТЕСТ 01" (далее - компаратор) подготавливают
к работе в соответствии с требованиями
эксплуатационной документации (ЭД).
Измерительный преобразователь прибора
подключают к компаратору в соответствии
со схемой, приведенной на рисунке В.1.

Рисунок В.1 - Схема соединений
приборов для выполнения операций по
9.6 с использованием компаратора "
ТЕСТ 01"
1 - выход цепи измерительного
электрода компаратора; 2 - выход цепи
вспомогательного электрода компаратора;
3 - вход цепи вспомогательного электрода
прибора; 4 - вход цепи измерительного
электрода прибора; 5 и 6 - входы цепи
термокомпенсатора прибора; 7- компаратор;
8 - ИП прибора; N 1 и N 2 - начальная и конечная
отметки шкалы ИП;
- выходы цепи термокомпенсатора