Технология ремонта центробежных насосов и теплообменных аппаратов цеха НПЗ ОАО "Салаватнефтеоргсинтез"
Введение
В связи с совершенствованием технологических процессов на предприятиях нефтеперерабатывающей и нефтехимической промышленности, повышением эксплуатационной надежности оборудования предъявляются высокие требования к качеству и срокам проведения ремонтных работ. Это в свою очередь, требует качественной разработки технологии ремонта оборудования.
Одной из важных задач в ремонте оборудования нефтеперерабатывающих и нефтехимических предприятий является ремонт центробежных насосов и теплообменных аппаратов, входящих в состав технологических установок.
Основные преимущества теплообменника с плавающей головкой заключаеся в следующем:
Теплообменник с плавающей головкой
- Отсутствуют напряжения в кожухе и местах крепления труб с трубной решеткой благодаря не закрепленному концу трубного пучка
- Разьемная конструкция – благодаря чему может одновременно происходить ремонт и чистка как кожуха так и трубного пучка
Основные преимущества центробежных насосов:
- Непульсирующий поток жидкости;
- Высокая приспасабливаемость к различным условиям благодаря применению соответствующих колес;
- Практически неограниченный выбор материалов;
- Отсутствие клапанов или иных встроенных элементов;
- Возможность работы при закрытой напорной линии.
Целью данного дипломного проекта является разработка технологии ремонта оборудования, установки Л-16-1, цеха № 9 НПЗ ОАО «Салаватнефтеоргсинтез» по заданным условиям.
1. Конструкторско-технологическая часть
Технологическое назначение оборудования
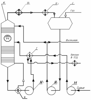
Конденсатор предназначен для охлаждения пропан – бутановой фракции (дистиллят) на установке Л-16-1 цеха №9 НПЗ ОАО «Салаватнефтеоргсинтез» в систему охлаждения установки.
Центробежный насос марки 2НГК 4х1 цеха №9 НПЗ ОАО «Салаватнефтеоргсинтез» предназначен для перекачки сырья с температурой до 100 0С в систему охлаждения установки.
Работа насоса и конденсатора в технической схеме установки заключается в следующем (см.рисунок 1.1).
Сырье подается в колонну насосом центробежного типа через теплообменник, где нагревается за счет отводимого из колонны остатка. Легкая часть сырья ( дистиллят ) выводится газом. Пары дистиллята охлаждаются и конденсируются в конденсаторе воздушного охлаждения и водяном конденсаторе, поступают в сепаратор где отделяются газообразные углеводы Газы выводятся из сепаратора в общую линию, дистиллят забирают насосом и направляется частично на верх колонны в качестве орошения, а балансовое количество либо в резервуарный парк, либо на дальнейшую переработку. Тяжелая часть сырья (остаток ) выводится с низа колонны через ребойлер подогреваемый водяным паром. Часть остатка испаряется в виде горячих паров, а часть возвращается в колонну для поддержания необходимой температуры низа колонны. Балансовая часть остатка забирается из ребойлера насосом и откачивается через сырьевой теплообменник на дальнейшую переработку или в парк.

Рисунок 1.1 – Схема технологическая узла ректификации установки Л-16-1 цеха №9 НПЗ.
Таблица 1.1 – Таблица оборудования
|
Обозн. |
Наименование |
Кол |
Примечание |
|
К |
Колонна ректификационная |
1 |
|
|
Х>2> |
Водяной холодильник |
1 |
|
|
С |
Сепаратор |
1 |
|
|
Р |
Ребойлер |
1 |
|
|
Н |
Насос сырьевой |
1 |
|
|
Н>1>,Н>2> |
Насос центробежный |
2 |
|
|
Х>1> |
Воздушный холодильник |
1 |
|
|
Т |
Теплообменник |
1 |
Таблица 1.2 – Техническая характеристика конденсатора
|
Параметры |
Ед. изм. |
|
|
давление расчетное в трубном пространстве |
1,0 |
МПа |
|
давление расчетное в межтрубном пространстве |
2,5 |
МПа |
|
температура расчетная |
100 |
С0 |
|
поверхность теплообмена |
450 |
м2 |
Таблица 1.3 – Техническая характеристика насоса.
|
Наименование |
Подача, м3/мин |
Напор, м |
Число оборотов об/мин |
Напряжение в сети, В |
Мощность двигателя, кВт |
Вес, кг |
|
2НГК-4х1 |
4 |
47 |
2950 |
380 |
200 |
248 |
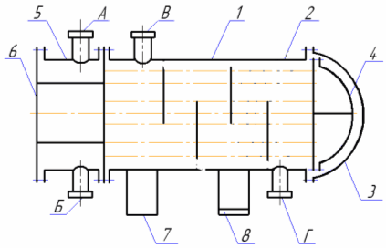
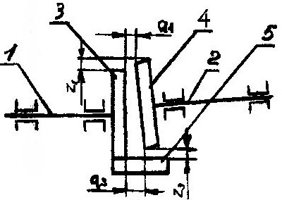
Описание конструкции конденсатора
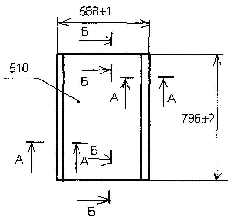
Конденсатор состоит из следующих основных частей (рисунок 1.2 ): кожуха – 1; трубного пучка – 2; крышки кожуха – 3; крышки плавающей головки – 4; камеры распределительной – 5; крышки распредкамеры – 6; опоры подвижной – 7; опора неподвижная – 8; А,Б,В,Г – штуцера.
Таблица 1.4 – Таблица штуцеров
|
Обозначение |
Наименование |
Кол. |
Проход условный Ду, мм |
Давление условное, МПа |
|
А |
Вход или выход воды |
11 |
200 |
1,6 |
|
Б |
Вход или выход воды |
11 |
200 |
1,6 |
|
В |
Вход продукта |
11 |
200 |
2,5 |
|
Г |
Выход продукта |
11 |
150 |
2,5 |

Рисунок 1.2 – Схема конструктивная конденсатора с плавающей головкой.
Описание конструкции насоса
Насос центробежный марки 2НГК-4х1. Состоит из следующих узлов деталей (рисунок 1.3);

Рисунок 1.3 – Продольный разрез насоса 2НГК 4х1
1 - ротор; 2 – упругая муфта; 3 - подшипники; 4 - рабочее колесо; 5 - сальниковое уплотнение; 6 - корпус;
Насос марки 2НГК-4х1 горизонтальная одноступенчатая центробежная машина с односторонним подводом жидкости к рабочему колесу. Насосы этого типа - консольные одноступенчатые с приводом от электродвигателя через упругую муфту. Перекачиваемая жидкость подается перпендикулярно к оси насоса, а отводится вертикально вверх (в зависимости от условий монтажа и эксплуатации напорный патрубок можно повернуть на угол, кратный 90°).
Привод насоса - взрывозащищенные электродвигатели. Корпус насоса прикреплен лапами к фундаментной плите. Насос и электродвигатель установлены на общей фундаментной плите и соединены упругой муфтой с проставком. Эта конструкция имеет преимущества по сравнению с насосами на отдельной стойке. Рабочее колесо - закрытого типа, насажено на вал и закреплено гайкой. Отверстие в крышке служит для подачи затворной жидкости к уплотнению. Уплотнение насоса изготовлено может быть в двух вариантах: мягкий сальник и торцовое уплотнение типа ДК-60С. Смазка подшипников может быть - жидкая или консистентная.
Все элементы насоса, кроме рабочего колеса и корпуса, как правило, унифицированы.
1.4 Материальное исполнение конденсатора
Для изготовления конденсатора выбраны следующие материалы (таблица 1.4).
Таблица 1.4 - Таблица материалов
|
Наименование детали |
Материал |
|
|
Марка |
ГОСТ или ТУ |
|
|
Обечайка центральная |
16ГС |
5520 – 79 |
|
Обечайка распределительной камеры |
ВСт3сп4 |
14637 - 79 |
|
Обечайка концевая |
16ГС |
5520 – 79 |
|
Обичайка крышки кожуха |
16ГС |
5520 – 79 |
|
Днище крышки кожуха |
16ГС |
5520 – 79 |
|
Днище крышки плавающей головки |
16ГС |
5520 – 79 |
|
Днище распределительной камеры |
16ГС |
5520 - 79 |
|
Решетка неподвижная |
16ГС |
5520 – 79 |
|
Решетка подвижная |
16ГС |
5520 – 79 |
|
Полукольцо стяжное |
16ГС |
5520 – 79 |
|
Фланец крышки плавающей головки |
16ГС |
5520 – 79 |
|
Крышка плоская |
16ГС |
5520 – 79 |
|
Патрубки штуцеров распредкамеры |
Сталь20 |
1050 – 74 |
|
Патрубки штуцеров кожуха |
16ГС |
5520 - 79 |
|
Шпильки фланцевых соединений |
Сталь 35Х |
4543-71 |
|
Гайки фланцевых соединений |
Сталь 35 |
1050-74 |
|
Прокладки |
Картон азбестовый в оболочке из АД 1 м |
759-89 |
|
Корпусные фланцы |
Сталь 20 |
1050-74 |
|
Фланцы штуцеров |
Сталь 20 |
1050-74 |
|
Трубки трубного пучка |
Сталь 20 |
1050-74 |
В соответствии с правилами устройства и безопасной эксплуатации сосудов работающих под давлением ПБ 03-576-03 { } указанные в таблице 1.4 материалы допускается применять при следующих рабочих параметрах (таблица 1.5).
Таблица 1.5 – Таблица пределов применения сталей
|
Наименование |
Пределы применения |
|
|
Температура, С0 |
Давление, Мпа |
|
|
Сталь листовая 16ГС |
От минус 400 до 2000 |
Не ограничено |
|
Труба сталь 20 |
От минус 300 до 4250 |
16 |
|
.Сталь листовая ВСт3сп4 |
От минус 200 до 2000 |
5(50) |
|
Шпильки фланцевывх соединений |
От минус 400 до 4250 |
16 |
|
Гайки фланцевых соединений |
От минус 100 до 4500 |
16 |
|
Прокладки |
От минус 200 до 2000 |
25 |
Материальное исполнение насоса
Таблица 1.6 – Материалы деталей проточной части центробежных нефтяных насосов
|
Деталь |
Материал |
ГОСТ |
|
Корпус насоса, крышка корпуса, внутренний корпус, направляющий аппарат |
Сталь 25Л |
977-65 |
|
Диск прижимной |
Сталь 20 |
1050-74 |
|
Уплотнительные кольца и вкладыши щелевых уплотнений |
Сталь 40Х |
4543-61 |
|
Вал |
Сталь 40Х |
4543-61 |
|
Колесо рабочее |
Сталь 25Л |
977-65 |
|
Уплотнительные кольца и втулки щелевых уплотнений и разгрузочный барабан |
Сталь 40Х |
4543-61 |
2. Расчет оборудования
2.1 Расчет конденсатора
2.1.1 Расчет толщин стенок обечайки кожуха, распределительной камеры, крышки кожуха по ГОСТ 14249-89
2.1.1.1 Данные для расчета. Внутренний диаметр обечайки кожуха, распред-ой камеры 1200 мм
Внутренний диаметр обечайки крышки кожуха 1200 мм
Давление расчетное в трубном пространстве 1 МПа
Давление расчетное в межтрубном пространстве 2,5 МПа
Расчетная температура в трубном и межтрубном пространстве 1000С
Прибавка для компенсации коррозии 2 мм
Прибавка для компенсации минусового допуска 0,8 мм
Прибавка технологическая 1,26 мм
Материал кожуха, крышки кожуха сталь 16ГС
Материал распределительной камеры сталь ВСт3сп4

Рисунок 2.1 – Камера распределительная:
1 – обечайка камеры распределительной
2 – плоская крышка камеры распределительной

Рисунок 2.2 – Кожух конденсатора
1 – обечайка концевая
2 – обечайка центральная
3 – обечайка крышки кожуха
2.1.1.2 Расчет толщины стенки обечайки кожуха
Толщина стенки обечайки кожуха рассчитывается на прочность по следующим формулам:
( 2.1
)
где:

( 2.2 )
где S – исполнительная толщина стенки обечайки кожуха, распределительной камеры, крышки кожуха, мм;
S>Р> – расчетная толщина стенки обечайки кожуха, распределительной камеры, крышки кожуха, мм;
С – суммарная прибавка к расчетной толщине стенки:
( 2.3 )
Где С>1> – прибавка для компенсации коррозии, мм;
С>2> – прибавка компенсации минусового допуска, мм
С=2+0,8=2,8 мм.
Р – расчетное внутреннее избыточное давление, МПа;
D – внутренний диаметр обечайки, мм;
[
]
– допускаемое напряжение при расчетной
температуре, МПа. Для стали 16ГС при
расчетной температуре 1000С
[
]
= 177 МПа;
-
коэффициент прочности продольного
сварного шва. При двухсторонней,
автоматической сварке и 100% контроле
качества сварного шва
=
1.
8,53
мм
S = 8,53+2,8=10,33 мм.
Принимаем S = 14 мм по стандарт на листы. Условия применения формулы:
( 2.4 )
0,01
< 0,1
Условие применения формулы выполняется.
Допускаемое внутреннее избыточное давление определяется по формуле:
( 2.5 )
3,27МПа;
Должно выполняться условие: [P] > P. ( 2.6 )
3,27 МПа > 2,5 МПа.
Условие выполняется.
2.1.1.3 Расчет толщины стенки обечайки распределительной камеры. Толщина стенки обечайки распределительной камеры рассчитывается по формуле 2.1 и по формуле 2.2:

допускаемое напряжение для стали ВСт3сп4 при расчетной температуре 1000С; [
]
= 149 МПа.
4,04
мм
6,84мм
Из условия несущей способности обечайки принято S = 14 мм. Формула применима при выполнении условия 2.4:

Условие выполняется.
Допускаемое внутреннее избыточное давление определяется по формуле:
2,9
МПа
Должно выполняться условие: 2,9 МПа > 1,0 МПа
Условие выполняется.
2.1.1.4 Расчет толщины стенки обечайки крышки кожуха. Толщина стенки обечайки крышки кожуха рассчитывается по формуле 2.1 и по формуле 2.2:
9,25
мм
S > 9,25 + 2,8 = 12,05 мм
Принята толщина S = 14 мм. Формула применима при выполнении условия:

Условие выполняется.
2.1.1.5 Расчет толщины стенки эллиптического днища крышки кожуха. Толщина стенки эллиптического днища рассчитывают по формулам:
;
( 2.7 )
где
;
( 2.8 )
где S>1> – исполнительная толщина стенки днища, мм;
S>1 Р> – расчетная толщина стенки днища, мм;
С – суммарная прибавка, мм:
С = С>1> + С>2> + С>3>, ( 2.9 )
где С>3> – прибавка технологическая, мм.
С = 2 + 0,8 + 1,26 =4,06 мм.
R – радиус кривизны в вершине днища, мм. Для стандартного днища с
Н =
;
R = D>ДН> = 1300 мм.
9,21
мм,
мм.
Принимаем S = 14 мм по стандарту на листы.
Условие применения формулы:


Условие применения формулы выполняется.
Допускаемое внутреннее избыточное давление:
( 2.10 )
2,69
МПа.
Должно выполняться условие: 2,69 МПа > 1,6 МПа
Условие выполняется.
2.1.2 Расчет толщин стенок трубных решеток
2.1.2.1 Данные для расчета. Наружный диаметр прокладки 1268 мм
Внутренний диаметр прокладки 1210 мм
Давление расчетное в межтрубном пространстве 2,5 МПа
Температура расчетная 1000С
Шаг расположения отверстий в решетке 32 мм
Диаметр отверстий в решетке 25,5 мм
Прибавка для компенсации коррозии 2 мм

Рисунок 2.3 – Трубная решетка
2.1.2.1.1 Расчет толщины неподвижной трубной решетки производится по следующей формуле:
( 2.11 )
где S*>p> – расчетная и принятая толщина неподвижной и подвижной трубных решеток, мм;
D>сп> – средний диаметр уплотнения, мм, определяется по формуле:
( 2.12 )
где D>нар> – наружный диаметр уплотнения, мм;
D>внутр> – внутренний диаметр уплотнения, мм
мм
Y>р> – коэффициент прочности трубной решетки, определяется по формуле:
( 2.13 )
где t>p> – шаг расположения отверстий в решетке, мм;
do – диаметр отверстий в решетке, мм.

Получается:
74,48
мм
Принимаем S>р> = 75 мм с учетом наплавки ЛО 62-1.
Толщина стенки подвижной трубной решетки принимается равной толщине неподвижной решетки.
2.1.3 Расчет укрепления отверстий в камере распределительной по ГОСТ 24755-81
2.1.3.1 Данные для расчета
Внутренний диаметр аппарата 1200 мм
Давление расчетное 2,5 МПа
Температура расчетная 1000С
Исполнительная толщина стенки обечайки камеры
распределительной 14 мм
Условный проход штуцера 200 мм
Длина штуцера 180 мм
Расчетная толщина стенки обечайки 4,06 мм
Исполнительная толщина стенки штуцера 16 мм
Прибавка к расчетной толщине стенки штуцера для
компенсации коррозии 2 мм
Прибавка для компенсации минусового допуска 0,8 мм
Материал обечайки Сталь 16ГС
Материал патрубка штуцера Сталь 16 ГС

Рисунок 2.4 – Схема укрепления отверстия
2.1.3.1.1 Расчет минимального диаметра отверстия, не требующего дополнительного укрепления, производится по следующей формуле:
,
( 2.14 )
где D>Р> – расчетный внутренний диаметр, мм.
S>p>> >– расчетная толщина стенки обечайки, мм
мм.
Следовательно, отверстия диаметром 285 мм и менее при толщине обечайки кожуха 14 мм дополнительного укрепления не требуют.
2.2 Расчет насоса
2.2.1 Расчет корпуса центробежного насоса
Задача расчета
Задачей проверочного расчета является определение отбракованной толщины стенки корпуса и сравнение ее с действительной толщиной стенки корпуса.

Рисунок 2.5 – Расчетная схема корпуса
2.2.1.1 Данные для расчета
Наибольшее рабочее давление в насосе, Р 0,5 МПа
Действительная толщина стенки корпуса насоса, δ>д >18 мм
Наибольший наружный диаметральный размер
корпуса в месте замера, D 280 мм
Рабочая температура, t>р> 100°С
Материал корпуса 25Л
Расчет
При проверочном расчете насоса должно выполняться условие:
δ>д> > δ>отбр> (2.15)
где δ>отбр> - отбраковочная толщина стенки корпуса, мм;
δ>д> - действительная толщина стенки корпуса, мм;
Определяется по формуле:
>
>,
(2.16)
где Р - наибольшее рабочее давление в насосе, МПа;
D - наибольший наружный диаметр,мм;
σ>пред >- предельное напряжение для материала корпуса, при t=100°C для стали 25Л δ>пред>=106 МПа;

Проверяем условие отбраковки 3>1,32 мм
Толщина стенки корпуса значительно превосходит отбраковочную, следовательно, прочность корпуса обеспечена.
2.2.2 Расчет вала насоса на прочность и виброустойчивость
Задачей расчёта является определение приведённого напряжения в опасном сечении вала к сравнении его с допускаемым, а также определение критической скорости вала и сравнении её с рабочей.
2.2.2.1 Данные для расчёта
Мощность на валу 4,5103 Вт
Число оборотов 2950 об/мин
Материал вала Сталь 40Х
Масса рабочего колеса 11,2 кг
Масса полумуфты 0,22 кг
2.2.2.1.1 Расчёт изгибающих и крутящих моментов. Рассчитываем напряжения в опасных сечениях вала.
R>A> и R>B> рассчитываются из условия:
Сумма изгибающих моментов относительно А и В(рисунок 2.6):
Σ М>D> = 0; G>K> · 627 - R>B> · 285 - R>A> · 130 = 0;
Σ M>C> = 0; R>A> · 497 – G>м >· 627 + R>В> · 360 = 0;
где G>M> – вес полумуфты, Н;
G>K> – вес колеса, Н;
R>B>=
;
(2.17)
R>A>=
;
(2.18)
R>A>=
=243
Н;
R>B>=
=349,2
Н.




G>м>
R>А>
R>в>
G>к>
А
B
D
155
130
C
627

286
7022
14,8

М
Рисунок 2.6 – Эпюры изгибающих и крутящих моментов
Проверка: М>D>> >= 0;
-G>м>∙627+ R>A>> > 497-R>B>∙342 =0; (2.19)
-2,2∙627+243 497-349∙342 = 0.
Крутящий момент рассчитывается по формуле:
(2.20)
где, n- число оборотов
N
-мощность
на валу,

2.2.2.1.2 Расчёт вала на прочность
Для обеспечения прочности вала в опасном сечении должно соблюдаться условие
(2.21)
где
- эквивалентное напряжение в опасном
сечении
- допустимое напряжение для
стали 40Х
,
(2.22)
где
-
напряжение возникающее под действием
изгибающего момента, Мпа
- напряжение кручения
возникающее под действием крутящего
момента, МПа
и
,
(2.23)
где, W>U>- осевой момент сопротивления вала, мм3
W>P>> >– полярный момент вала, мм3
М>и> и М>кр> – изгибающий и крутящий момент соответственно Н мм
мм3
(2.24)
мм3
(2.25)
где, d – диаметр вала в опасном сечении вала; d =40 мм
>
>6280
мм3
12560
мм3
6,1
Мпа
0,001178
Мпа
6,1
МПа
(2.26)
где, σ>d>- предел прочности материала вала, для стали 40Х σ>в>- 560МПа
n>max>- максимальный запас прочности вала
n>max>=1,6- 2,2, принимаем n>max>=2,2

(2.27)
6,1 Мпа ≤254 МПа
Условие прочности выполняется
2.2.2.1.3 Расчёт вала на виброустойчивость
Для виброустойчивого вала должно выполнятся условие:
(2.28)
где,
– рабочая скорость вала
>кр>
– критическая скорость вала
Ступенчатый вал для удобства заменяется эквивалентным ему гладким валом
(2.29)
где, d>i> – диаметр, мм
L>i>> >– ступень вала, мм
L – длина ступени, мм
55 42 55 52 53 30 20 235 40
Рисунок 2.7 – Конструктивные размеры вала

Критическая скорость вала определяется по формуле:
(2.30)
где, m>A>> >– масса единицы длины вала
(2.31)
Е – модуль упругости для вала, Е= 2>>1011МПа,
ρ – плотность вала, ρ=7,8103 кг/м3,



Рабочая скорость вала

Проверим виброустойчивость

Условие выполняется.
2.2.2.1.4 Расчет рабочего колеса
Задача расчета
Определение максимальных напряжений возникающихот действия центробежных сил и проверки условий прочности.
Данные для расчета
Наружный радиус диска колеса 175 мм
Радиус центрального отверстия 25 мм
Материал диска рабочего колеса сталь 25Л
Рабочая температура 100°С
Расчет
При определении напряжений в рабочем колесе центробежного насоса, рабочее колесо упрощенно принимается за плоский диск с отверстием.

Рисунок 2.8 – Расчетная схема рабочего колеса
Радиальные напряжения от действия центробежных сил в диске рабочего колеса определяются по формуле:
>
>
(2.32)
где: ρ – текущий радиус;
r – радиус центрального отверстия;
R – наружный радиус диска;
g – ускорение свободного падения, g=9,8·103мм/с2;
μ – коэффициент Пуансона, для стали μ=0,3;
i – удельный вес материала
диска, для стали, >
>;
ω>Р> – рабочая скорость вращения,
;
(2.33)
;
>
>>
>(2.34)
для ρ=R

для ρ =r

Кольцевые напряжения от действия центробежных сил определяются по формуле:
>
>>
>(2.35)
для ρ =R

для ρ =r

Максимальное напряжение возникает при р=r, σ>t>>2>=σ>max>;
Допускаемый местный запас прочности в дисках принимается n>m>=2;
Предел прочности материала колеса стали 25Л при t>раб>=100°C, σ>в>=100,4 МПа;
Допускаемое напряжение определяется:
(2.36)
>
>МПа
Должно выполняться условие: [σ]>σ>max>; 50,2 > 18,5
Условие прочности выполняется.
2.2.3 Задача расчета
Задачей расчета является проверка прочности пальцев муфты и шпоночного соединения муфты и вала.
Данные для расчета
Мощность на валу насоса 4,5 .103 Вт
Частота вращения вала насоса 2900 об/мин
Количество пальцев у муфты 10 шт.
Материал муфты и пальцев Ст 3
Материал упругой втулки резина СКС -30

Рисунок 2.8 - Полумуфта, палец и резиновая втулка - основные размеры.

Рисунок 2.9 - Шпонка призматическая.
Номинальный момент, передаваемый муфтой, определяется по формуле:
>
>>
>> >> >(2.37)

Расчетный момент определяется по формуле:
>
>>
>(2.38)
где R - коэффициент режима работы, для центробежного насоса R>p> = 1,5 - 2,0. Т>Р>=214,8=29,6 Нмм.
Проверка резиновых втулок на смятие поверхностей их соприкасания с пальцами, производится по формуле:
>
>≤
[σ],
(2.39)
где F>t>>1> - окружная сила, передаваемая одним пальцем, Н;
d>n> - диаметр пальца, мм;
l>в> - длина втулки, мм;
>
>
(2.40)
Где D>o> - диаметр болтовой окружности, мм;
Z - количество пальцев у муфты, шт;
>
>
>
>
где [σ>см>] - напряжение смятия, для резины [σ>см>] = 2,0 МПа; σ>см> < [σ]; 0,1 МПа< 2.0 МПа
Условие прочности на смятие выполняется.
Проверка шпонки на смятие производится по формуле:
>
>
≤ [σ>см>];
(2.41)
где h - высота шпонки, мм;
d>1> - диаметр вала, мм;
Т - номинальный момент, Н мм;
l>p> - расчетная длина шпонки, мм;
l>p>=l-В; (2.42)
где l – длина шпонки, мм;
В - ширина шпонки, мм;
>
>
>
>
[σ>см>]
– допускаемое напряжение смятия, для
стали [σ>см>]
= 100…150 МПа (2 стр. 234).
< [σ>см>],
1,6 МПа<100 МПа.
Условие прочности на срез выполняется.
Проверка шпонки на срез производится по формуле:
>
>≤
[τ>ср>];
(2.43)
где τ>ср> – допускаемое напряжение среза. Для стали τ>ср>=60…100 МПа; τ>ср> < [τ>ср>]; 0,4 МПа<60 МПа.
>
>
Условие прочности на срез выполняется.
3. Монтаж и эксплуатация аппаратов
3.1 Требования к монтажу конденсатора
Монтаж аппарата должен осуществляться в соответствии с проектом производства работ, разработанным специализированной проектной организацией.
Перед монтажом каждый теплообменный аппарат должен быть проверен на герметичность в соответствии с «Правилами устройства и безопасной эксплуатации сосудов, работающих под давлением», ПБ 03-576-03 { }.
Выверка положения аппарата в пространстве (горизонтальность, вертикальность, уклон) должна производиться с помощью регулировочных винтов или подкладных листов.
Установка аппаратов на фундамент должна осуществляться при минимальном выпуске регулировочных винтов.
Обвязка аппарата технологическими трубопроводами должна исключать передачу нагрузок на штуцера аппарата.
Перед сборкой фланцевых соединений штуцеров необходимо провести проверку сертификата на крепежные детали и прокладки для установления соответствия материала требованиям чертежей и маркировки завода-изготовителя.
Перед установкой шпильки, гайки и шайбы должны быть тщательно проверены на качество изготовления: при этом резьба должна быть чистой, без задиров, заусенцев, царапин и срывов, а поверхность ненарезной части шпилек гладкой. Гайка, надетая на резьбу шпильки не должна иметь слабины (шатаний, качаний) и должна навёртываться на всю резьбу вручную с небольшим усилием.
Перед сборкой фланцевых разъемов проверить визуально качество поверхности фланца: риски, забоины и другие дефекты не допускаются. Проверить размеры и состояние прокладки и соответствия ее размерам привалочных поверхностей стыкуемых фланцев.
Аппараты подлежат теплоизоляции из условий: теплопотерь, требований техники безопасности, предотвращения конденсации влаги.
Толщина и тип теплоизоляции должны приниматься согласно требованиям технической документации проектной организации, осуществляющей привязку аппарата.
Теплоизоляция должна выполняться специализированной организацией в соответствии с утвержденным проектом работ после завершения гидравлических и других испытаний аппарата.
3.2 Требования к монтажу насоса
-Установить насос (агрегат) на заранее подготовленный фундамент, выполненный в соответствии со строительными нормами.
-Установить фундаментные болты в колодцы фундамента и залить колодцы быстросхватывающим цементным раствором.
-После затвердения цементного раствора выставить по уровню с помощью прокладок агрегат горизонтально.
-Присоединить напорный и всасывающий трубопроводы. Допустимая непараллельность фланцев не должна быть более 0,15 мм на длине 100 мм.
-Запрещается исправлять перекос подтяжкой болтов или постановкой косых прокладок.
-Провести центрование валов насоса и двигателя, регулируя положение двигателя.
-Проверку радиального смещения осей насоса и двигателя производить приспособлением с установленным в нем индикатором, цена деления которого не более 0,01 мм, методом кругового вращения
-Максимальная величина несоосности определяется величиной разности 2-х показаний индикатора, делимой на два. Эта величина не должна превышать 0,12 мм.
3.3 Требования к пуску и остановки конденсатора
Предприятие – владелец обязано до пуска аппарата в эксплуатацию получить технологический регламент установки с условиями эксплуатации теплообменного оборудования.
Перед пуском аппарата в эксплуатацию необходимо произвести удаление воздуха из полостей аппаратов продувкой инертным газом.
Перед пуском теплообменного аппарата необходимо проверить:
- наличие разрешения Ростехнадзора на ввод аппарат в эксплуатацию;
- комплектность крепежа;
- надежность крепления фундаментных болтов;
- правильность и надежность присоединения технологических трубопроводов и КИП;
- состояние регулирующей, запорной и предохранительной арматуры, связанной с аппаратом по технологической схеме;
Гидравлическое испытание на монтажной площадке перед пуском аппарата в работу.
Перед началом гидравлического испытания теплообменного аппарата необходимо убедиться в отсутствии воздуха в обеих полостях аппарата.
Шкала манометра должна не более 2/3 шкалы превышать значение пробного давления.
Давление в испытываемом аппарате следует повышать плавно. Скорость подъема не должна превышать 5кгс/см2 в минуту.
Для снятия рабочих параметров аппарат должен быть обвязан предприятием-потребителем контрольно-измерительными приборами:
- манометрами – на входе и выходе трубного и межтрубного пространства;
- термометрами – на входе и выходе трубного и межтрубного пространства.
При пуске теплообменных аппаратов с компенсатором на плавающей головке среду следует подавать одновременно в трубное и межтрубное пространство.
При остановке понижение давления должно происходить постепенно. При этом гидравлические удары не допускаются.
3.4 Требования к пуску и остановке насоса
Пуск насоса
Запуск насоса в работу производить в следующем порядке:
внимательно осмотреть насос и двигатель. В случае запуска насоса после длительной стоянки провернуть вручную ротор насоса и убедиться в отсутствии помех вращению ротора;
убедиться в наличии смазки в подшипниках;
проверить состояние сальниковой набивки, провернув вал насоса;
подтянуть слегка и равномерно крышки сальников (зазор между корпусом насоса и фланцем крышки сальника должен быть не менее 5 мм);
открыть задвижку на входном трубопроводе и закрыть на напорном;
заполнить насос и входной трубопровод перекачиваемой жидкостью, подключив систему вакууммирования к резьбовому отверстию в верхней части крышки насоса. Если насос работает в системе с подпором, то заполнение насоса и всасывающей линии допускается проводить «самотеком»;
проверить направление вращения двигателя пробным его пуском;
при правильном направлении вращения двигателя открыть кран у манометра и по показаниям прибора убедиться, что напор насоса соответствует напору при закрытой задвижке (нулевой подаче);
постепенно открывать задвижку на нагнетании до получения требуемой подачи или напора.
Запрещается эксплуатация насосаза пределами рабочего интервала
Остановка насоса (агрегата)
Остановка насоса (агрегата) может быть проведена оператором или защитами двигателя.
Порядок остановки насоса (агрегата) оператором:
- закрыть медленно задвижку на напорном трубопроводе;
- кран у мановакуумметра;
- выключить двигатель, закрыть кран у манометра;
- закрыть задвижку на всасывании;
- отключить трубопровод подачи охлаждающей (затворной) жидкости к сальниковому уплотнению.
Насос и трубопровод не оставлять заполненными водой, если температура в помещении ниже 274 К (1°С), иначе замерзшая жидкость разорвет их.
При остановке на длительное время и последующей консервации, жидкость из насоса слить через сливные пробки.
Насос (агрегат) остановить в аварийном порядке в следующих случаях:
при повышении температуры нагрева подшипников свыше 363 К (90°С);
при нарушении герметичности насоса и трубопроводов;
при резком повышении потребляемой мощности;
при нагреве корпуса двигателя до температуры, превышающей температуру окружающей среды на 313 К (40°С).
При аварийной остановке насоса (агрегата) сначала отключить двигатель нажатием кнопки «СТОП», закрыть задвижку на напорном трубопроводе с последующим выполнением остальных операций.
3.5 Требования безопасности при эксплуатации конденсатора
Обслуживание теплообменных аппаратов, на которые распространяются действия «Правил устройства и безопасной эксплуатации сосудов, работающих под давлением», ПБ 03-576-03 { } а также предназначенных для взрывопожароопасных и ядовитых сред, может быть поручено лицам, достигшим 18-летнего возраста, прошедшим производственное обучение, аттестацию в квалификационной комиссии и инструктаж по безопасному обслуживанию сосудов.
Теплообменные аппараты должны эксплуатироваться в рабочей среде, имеющей свойства, которые указаны в паспорте, либо в менее опасной среде. Качество оборотной воды должно соответствовать требованиям «Укрупненных норм водопотребления и водоотведения для различных отраслей промышленности».
Охлаждение жидкости находящейся в аппарате, до точки ее замерзания не допускается.
Не допускается эксплуатировать теплообменные аппараты с электросварными трубами на средах 1-го и 2-го класса опасности таблица 4 ГОСТ 12.1.005-88 а также в случаях, когда смешение сред трубного и межтрубного пространства может привести к взрыву.
Нагружение аппарата давлением должно осуществляться постепенно, с 15 минут выдержками давлений на ступенях 0,25Р>раб>,; 0,5 Р>раб>,;0,75 Р>раб>, если в технической документации нет других указаний.
Скорость подачи газа и жидкости в аппаратах не должна вызывать возникновения статического электричества.
Циклическая нагрузка на кожухотрубные теплообменные аппараты допускаются в пределах 1000 циклов за весь период службы, если в технической документации нет других указаний.
Сброс продукта через зазор разведенных фланцев запрещается.
3.6 Требования безопасности при эксплуатации насоса
Обслуживание агрегатов периодическое и дистанционное и не требует постоянного присутствия обслуживающего персонала.
Категорически запрещается:
-работа насоса без обратного клапана и задвижки на линии нагнетания;
-работа насоса при закрытой напорной задвижке более 3 мин;
-запуск насоса без его предварительного заполнения перекачиваемой жидкости;
-последовательная работа насосов;
-устранять неисправности при работающем насосе.
-Насос не представляет опасности для окружающей среды.
3.7 Основные неисправности при эксплуатации конденсатора и метод их устранения
Таблица 3.1 - Основные неисправности к эксплуатации конденсатора и метод их устранения
|
Наименование неисправности |
Вероятная причина |
Метод устранения |
|
1 |
2 |
3 |
|
Утечки во фланцевых соединениях |
Ослабли болтовые соединения Вышли из строя прокладки |
Остановить аппарат. Сбросить давление. Подтянуть болтовые соединения. Остановить аппарат. Сбросить давление. Заменить прокладки. |
|
Течь в трубном пучке, переход среды из одного пространства в другое |
Разгерметизация в местах крепления труб Сквозная коррозия труб |
Остановить аппарат. Сбросить давление. Развальцевать и обварить трубы. Остановить аппарат. Сбросить давление. Заглушить дефектные трубки с двух концов коническими спецпробками и обварить их, или заменить дефектные трубки новыми. |
|
Нарушение теплообмена |
Загрязнение трубок Нарушена температура охлаждающей жидкости |
Остановить, прочистить трубный пучок Охладить (нагреть) охлаждающую жидкость |
3.8 Основные неисправности насоса при эксплуатации и методы их устранения
Таблица 3.2 – Основные неисправности насоса и методы их устранения.
|
Наименование неисправности, внешнее проявление и дополнительные признаки |
Вероятная причина |
Способ устранения |
|
1 |
2 |
3 |
|
1. Насос не подает жидкость а) стрелки приборов сильно колеблются. |
- насос не залит или недостаточно залит жидкостью; - велика высота всасывания; |
- залить насос и трубопровод жидкостью; |
|
б) мановакуумметр показывает разрежение выше требуемого. |
- происходит подсос воздуха в местах соединения во всасывающем трубопроводе или через сальник; - закрыта задвижка на всасывающем трубопроводе. |
-привести сопротивление всасывающей линии в соответствие с характеристикой насоса; - устранить неплотность соединений, обеспечить нормальную работу сальника; - открыть задвижку. |
|
2. Подача меньше требуемой по характеристике |
- обратное вращение вала; - низкая частота вращения; - велико сопротивление всасывающего или напорного трубопровода; - происходит подсос воздуха в местах соединения во всасывающем трубопроводе или через сальник; - высота всасывания превышает допустимую при заданной температуре; - засорены всасывающий трубопровод и насос; - сильный износ уплотняющего кольца. |
- переключить фазы электродвигателя; - параметры энергопитания довести до нормального; - привести сопротивление всасывающей или напорной линии в соответствие с характеристикой насоса; - устранить неплотность соединений, обеспечить нормальную работу сальника; - уменьшить допустимую высоту вса сывания; - очистить трубопровод и насос; - заменить уплотняющие кольца. |
|
3. «Горит» сальник |
- износилась набивка сальника; - слишком затянуты гайки крышки сальника; - в сальник не поступает затворная и охлаждающая жидкость. - износилась набивка сальника; - слишком затянуты гайки крышки сальника; - в сальник не поступает затворная и охлаждающая жидкость. |
- заменить набивку сальника; - ослабить затяжку гаек крышки сальника; - подать в сальник затворную и охлаждающую жидкость. - заменить набивку сальника; - ослабить затяжку гаек крышки сальника; - подать в сальник затворную и охлаждающую жидкость. |
|
4. Температура нагрева подшипников превышает температуру помещения более чем на 40…50К (40…50°С) |
- недостаточно смазки; - нарушена сносность валов; - загрязнена смазка; - износ подшипников. |
- добавить смазки; - отцентровать валы насоса и двигателя; - сменить смазку; - заменить подшипники; |
|
5.Завышена потребляемая мощность, двигатель нагревается |
- неправильная сборка насоса, вал не проворачивается вручную; - в насос попал песок или другие абразивные вещества; - насос работает за пределами рабочего интервала подач. |
- отрегулировать торцевые зазоры рабочего колеса, устранить перекосы; - разобрать насос и прочистить его; |
|
6. Ненормальный шум внутри насоса (в насосе происходит явление кавитации) |
- велика подача; - велико сопротивление на всасывании; - высокая температура перекачиваемой жидкости. |
- уменьшить подачу. - уменьшить подачу - уменьшить температуру |
|
7. Повышенная вибрация насоса |
- нарушена сносность насоса и двигателя; - насос не закреплен на раме. |
- произвести центрование валов; - закрепить насос на раме. |
3.9 Охрана окружающей среды
В процессе эксплуатации сказываются возможные места утечки продукта из аппарата и методы их предупреждения, требования к прокладкам, шпилькам и сборке фланцевых соединений.
В период эксплуатации обслуживающий персонал должен не реже одного раза в сутки осматривать внимание на фланцевые соединения и сальниковые устройства.
Материал прокладок должен быть эластичным чтобы деформироваться под действием возможно малых усилий и в то же время достаточно прочным, чтобы не раздавливаться при затяжке. Материал прокладок должен сохранять свои физические свойства при рабочей температуре.
Прокладки должны иметь гладкие поверхности без заусенцев, рванин и порезов. Необходимо проверять правильность обработки зеркала фланца. Зеркало фланцев под мягкие прокладки должны быть ровными и гладкими. Размеры выступов и впадин, а также пары зеркал фланцев должны соответствовать друг другу.
Следует помнить, что всякое нарушение герметичности, начиная с небольшого, постепенно, а иногда и быстро возрастает до недопустимых пределов, поэтому важно устранить любые нарушения герметичности в самом начале.
При работе центробежного насоса на Л-16-1 НПЗ ОАО «СНОС» ,марки 2НГК4х1, загрязнение происходит за счёт попадания в окружающую среду перекачиваемой жидкости через торцевые и сальниковые уплотнения.
Во избежание утечки рабочей среды следует следить за состоянием торцевых и сальниковых уплотнений. Сальниковую набивку следует наматывать отдельными кольцами, обеспечив протечку не более 60 капель в минуту. Между кольцами набивки установить плоские шайбы из материала, стойкостью к перекачиваемой среде (фторопласт, резина, металл). При применении набивки из фторопластовой стружки установка шайб обязательно.
Фонарное кольцо расположить относительно отверстия для подвода жидкости так, чтобы при подтяжке набивки в процессе эксплуатации отверстие не перекрывалось набивкой.
Решающее значение для создания герметичности имеет правильный выбор материала прокладок. Материал прокладки должен быть достаточно эластичным и в то же время достаточно прочным, чтобы не раздавливаться при затяжке и не выниматься из пространства между уплотняемыми поверхностями; материал должен сохранять свои физические свойства при рабочей температуре.
Паранитовая прокладка должна быть вырублена из цельного куска. Она должна состоять только из одного слоя без разрывов, надрезов, вмятин, задиров. Перед установкой прокладочное кольцо следует хорошо проварить в минеральном масле.
Утечки также неизбежны, если стальные фланцы стянуты болтами меньшего, чем по расчёту, диаметра, затяжка болтов неравномерна, канавки на фланцах отсутствуют или стали менее острыми. Все эти и другие практические требования следует строго соблюдать.
4. Ремонт оборудования
4.1 Подготовка конденсатора и насоса к ремонту
4.1.1 Подготовка конденсатора к ремонту
Подготовка конденсатора к ремонту включает выполнение следующих мероприятий:
- Снижается избыточное давление до атмосферного и аппарат освобождается от продукта.
- Отключается арматура и ставятся заглушки на всех отводящих и подводящих трубопроводах.
- Проводится продувка азотом или водянистым паром с последующей промывкой водой и продувкой воздухом.
-. Выполняется анализ на наличие ядовитых и взрывоопасных продуктов.
- Составляется план и получается разрешение на огневые работы, если они необходимы в процессе ремонта.
- Составляется акт сдачи в ремонт.
4.1.2 Подготовка насоса к ремонту
Перед сдачей в ремонт насос останавливают в определенной последовательности, изложенной в производственной инструкции.
В процессе остановки необходимо освободить машину перекачиваемой жидкости, удалить из нее взрывоопасные вещества. Для этого насос промывают растворами, нейтрализующими перекачиваемый продукт, а затем пропаривают.
Перед сдачей в ремонт машинисту необходимо отключить установку от действующих коллекторов, полностью снять избыточное давление в машине, напряжение на электрооборудовании, отключить его от системы электроснабжения, установить заглушки на всасывающей и нагнетательной линиях, отключить продувочные и анализоотборочные линии в насосах, работающих на взрывоопасных и токсичных газах. Машинист должен также проверить данные анализа, подтверждающие качество продувки или промывки машины и межступенчатой аппаратуры, наличие на пусковом устройстве плаката «Не включать — работают люди!».
Сдачу установки в ремонт оформляют актом, содержащим тип, марку, цеховой номер насоса, наименование ремонтной организации, подразделения, должность и фамилию представителя, подписывающего акт, наименование эксплуатационной службы, должность и фамилию ее представителей, номер паспорта (формуляра) сдаваемого в ремонт оборудования, число наработанных с начала эксплуатации и с момента последнего капитального ремонта машино-часов, указания по комплектности оборудования, а также соответствие принятых мер по правилам безопасного труда нормативно-технической документации (с ссылкой на номер или название документов), дату приемки в ремонт.
Перед началом разборки агрегата каждый разбираемый участок тщательно промывают и протирают. Подготавливают рабочее место так, чтобы при укладке снятых деталей не повредить их.
4.2 Дефектация и ведомость дефектов
4.2.1 Дефектация и ведомость дефектов конденсатора
4.2.1.1 Дефектация трубного пучка. Перед дефектацией наружная и внутренняя поверхности труб трубного пучка должны быть очищены. Для очистки могут применяться методы:
- гидромеханической очистки под давлением 15,0-63,0 МПа;
- химической очистки – прокачкой раствора ингибированной соляной кислоты или смеси органических растворителей;
- механической очистки с применением шампалов или специальных свёрл.
Гидромеханическая очистка труб производится с применением высокого давления (УВД).
Трубный пучок подлежит замене (ремонту), если:
- вышло из строя более 30% труб;
- не обеспечиваются необходимые параметры технологического процесса при меньшем количестве вышедших из строя труб.
4.2.1.2 Дефектация крепежных деталей. Крепежные детали (шпильки, гайки) проверяются внешним осмотром и замерами.
Крепежные детали отбраковываются в случае:
- наличия трещин, срывов или коррозионного износа резьбы;
- изгиба шпилек более 0,5 мм на 100 мм длины, наличия остаточных деформаций;
- износа боковых граней головок болтов и гаек более;
а) 0,5 мм при размере под ключ от 17 до 30 мм;
б) 1 мм при размере под ключ от 30 до 46 мм;
в) 1,5 мм при размере под ключ от 46 до 80 мм;
- коррозионного или эрозионного износа гладкой части тела, превышающего 3% от номинального размера.
4.2.1.3 Дефектация кожуха конденсатора. При внутреннем осмотре конденсатора особое внимание должно быть обращено на выявление следующих дефектов:
-. на поверхность металла корпуса:
- трещин, надрывов, коррозии стенок;
- выпучин;
- наличие щелочного растрескивания, особенно при температурах стенок выше 80 0С, в местах скопления и конденсации щелочи и в местах концентрации напряжений.
-. изменение геометрии корпуса в результате деформации стенок в виде выпучен, вмятин.
-. в сварных швах – трещин, свищей, пар, видимых непроваров, подрезов, коррозии.
Элементы конденсатора: обечайки, днища, крышки, штуцеров и т.п., у которых при наружном и внутреннем осмотрах замечена явная коррозия или другие дефекты, сопровождающиеся износом стенок, а также выборочно по поверхностям, где явная коррозия не замечена, подвергаются замеру толщин стенок.
Замеры толщины стенки производится неразрушающимися методами с использованием ультразвуковых приборов или путем засверловки и измерения толщины стенки мерительным инструментом с погрешностью 0,1 мм, а для толщин более 20 мм – с погрешностью не более +/-5% от измеряемой величины.
Предпочтение следует отдавать ультразвуковой дефектоскопии.
Выбор мест количества замеряемых точек по определению толщины стенки конденсатора, выбор методов неразрушающего контроля осуществляет лицо, производящее освидетельствование.
Если при первичном объеме контроля выявляются дефекты, то его объем должен быть удвоен, а в случаях неудовлетворительных результатов объем контроля должен быть 100%-ным.
Результаты замеров и фактическое расположение точек замеров отражается в коррозионной карте, а на корпусе конденсатора краской отмечаются места замеров, которые являются предпочтительными при проведении толщинометрии во время последующих освидетельствований.
Элементы конденсатора, доступ к которым для определения достаточной толщины неразрушающими методами контроля затруднен, должны разбираться и проверяться отдельно.
Места наиболее вероятного возникновения трещин в элементах конденсатора, в том числе и сварные швы, контролируются внешним осмотром с применением оптических приборов, а при необходимости – методом цветной, ультразвуковой дефектоскопии или другими методами неразрушающего контроля.
Выбор методов неразрушающего контроля сварных соединений производится в соответствии с ОСТ 26-2079-80 «Швы сварных соединений сосудов и аппаратов, работающих под давлением. Выбор методов неразрушающего контроля».{ }
Чувствительность и разрешающая способность выбранного метода должны обеспечивать надежное выявление недопустимых дефектов. Объем контроля определяется в соответствии с «Правилами устройства и бесопасной эксплуатации сосудов работающих под давлением», ПБ 03-576-03 { } и с учетом отраслевых инструкций по контролю.
Недоступные для контроля ультразвуковой дефектоскопией или радиографическим методом швы сварных соединений проверяются в соответствии с «Инструкцией по контролю сварных соединений, недоступных для проведения радиографического и ультразвукового контроля. РД 26-11-01.
При обнаружении на корпусе конденсатора выпучин, вмятин для каждого деформированного участка необходимо выполнить:
- замеры для определения размеров участка и фактической величины прогиба;
- осмотр наружной и внутренней поверхностей с дефектоскопией цветным методом зон повышенного напряжения;
- замер толщины металла в месте максимальной стрелы прогиба или дефектной поверхности по квадратной сетке с размером, назначенным лицом, производящим освидетельствование, и на «здоровом» металле для сравнения результатов;
- замер твердости металла с наружной или внутренней поверхности в зоне максимальной стрелы прогиба, а также «здоровом» металле для сравнения результатов;
- проверку правильности геометрической формы корпуса с оценкой степени его овальности;
- при необходимости, исследование микроструктуры металла неразрушающим методом путем снятия реплик на наружной или внутренней поверхности на дефектном и «здоровом» участках для сравнения результатов;
- цветную или магнитопорошковую дефектоскопию участков, на которых обнаружены поверхностные дефекты;
- ультразвуковой или радиационный контроль обнаруженных дефектов в металле;
- при необходимости, контрольную вырезку металла для исследования химического состава, физико-химических свойств и структуры металла;
- установление причины образования дефекта корпуса.
При осмотре сварных швов поверхность сварного шва и прилегающего к нему участка основного металла, шириной не менее 20 мм в обе стороны шва, должна быть зачищена от шланга и других загрязнений до металлического блеска.
В случае самомнения в качестве сварных соединений лицо, производящее освидетельствование, может назначить дополнительный контроль неразрушающими методами (замер твердости металла сварного шва, зоны термического влияния и основного металла, ультразвуковой контроль, стилоскопирование, исследование микроструктуры неразрушающим (безобразцовым) методом путем снятия реплик (оттисков) на шве и зонах термического влияния или контролирующую вырезку образца для исследования).
Результаты проверки сборки внутренних устройств конденсатора после осмотра и ремонта при необходимости оформляется актом, подписанным администрацией цеха.
Кроме того, конденсатор должен быть подвергнут гидравлическому испытанию на пробное давление. Рекомендуется гидравлическое испытание проводить в сопровождении акустико-эмиссиоонного (АЭ) контроля с последующей идентификацией зарегистрированных дефектов методом дефектоскопии.
Гидравлическое испытание конденсатора производится в соответствии с методическими указаниями.
Для гидравлического испытания должна использоваться вода с температурой не ниже +50С и не выше +400С.
Разность температур стенок конденсатора и окружающего воздуха не должна вызывать выпадение влаги на поверхности стенок конденсатора.
Обстукивание конденсатора под давлением запрещается.
При обнаружении пропусков давление в конденсаторе должно быть полностью снято, и устранена причина пропусков. Сброс давления производится также плавно, как и подъем.
После устранения дефектов испытания проводятся повторно.
Устранение дефектов и подтяжка крепежных соединений на конденсаторе, находящихся под давлением, не допускается.
Результаты дополнительных освидетельствований должны быть занесены в паспорт конденсатора.
При испытании конденсатора на герметичность должны соблюдаться следующие требования:
- испытание проводится при очередном техническом освидетельствовании, а также после ремонта с применением сварки и при разгерметизации;
- испытания проводят, как правило, после положительных результатов испытания на прочность и плотность;
- испытание производят воздухом инертным газом давлением, равным рабочему;
- если продолжительность испытания на герметичность не указана в проекте, ее устанавливает само предприятие.
Продолжительность испытания на герметичность должна быть не менее 4 часов – при периодических испытаниях.
Результаты испытания на герметичность оформляются актом.
Таблица 4.1 - Ведомость дефектов на ремонт конденсатора
|
Наимено-вание деталей и узлов подлежащих ремонту |
Перечень дефектов |
Мероприятия по их устроне-нию |
Необходимые материалы и запасные части |
||
|
Наименование |
ед. изм. |
Кол. |
|||
|
Пучок трубный |
Коррозионный износ трубок в количестве 10% |
Заменить дефектные трубы на новые |
Труба
l=6000 мм 98 штук |
кг |
564,7 |
|
Камера распре-дели-тельная |
Коррозион-ный износ обечайки камеры распределительной |
Заменить обечайку камеры на новую |
Лист
|
кг |
710 |
|
Сварочная проволока Св08ГА ГОСТ 2246-60 |
кг |
9,56 |
|||
|
Кожух |
Трещина вдоль сварного шва на расстоянии менее 100 мм |
Вырезать дефект-ную часть корпуса и устано-вить «латку» |
Лист 400 х 250 s = 16 мм стали 16ГС |
кг |
245,8 |
|
Электроды Э50А ГОСТ 9467-60 |
кг |
6,967 |
4.2.2 Дефектация и ведомость дефектов насоса
4.2.2.1. Дефектация вала и защитной гильзы. Наиболее характерными дефектами валов являются: искривление, износ шеек, резьбы и шпоночных пазов;
После разборки произвести контроль вала на наличие трещин, наружных трещин - магнитопорошковым методом и внутренних трещин -ультразвуковой дефектоскопией. При обнаружении трещины на валу его дальнейшая эксплуатация не допускается.
Проверить вал на прогиб, для этого вал устанавливают в центр токарного станка, и промеряется прогиб в нескольких сечениях, с помощью индикатора часового типа.
Шейку вала промеряют в трех сечениях (середина, края) и двух взаимно перпендикулярных плоскостях, с помощью микрометрической скобы.

Рисунок 4.1 – Схема измерения
Биение валов допускают не выше предусмотренных чертежами, а при отсутствии этих данных - не выше величин, приведенных в таблице 4.2.2.1
Таблица 4.2 – Величины биений вала
|
Места замера биения |
Величины биений, мм |
|
Шейки вала: под подшипники под промежуточный подшипник |
0,02 – 0,025 0,03 |
|
Опорные торцы вала |
0,025 |
Защитная гильза служит для защиты вала от износа в местах работы сальниковых уплотнений, не допускается конусность гильз более 0,1 мм, волнистость и овальность более 0,03 мм. Биение торцов гильз относительно внутреннего и наружного диаметров и биение рабочих поверхностей относительно посадочных мест внутреннего диметра гильзы не должно превышать 0,03 мм.
Максимальная разность между диаметром шейки вала и внутренним диаметром защитной гильзы не должна быть более 0,044 мм.
4.2.2.2 Дефектация подшипника каченя. Не допускаются к эксплуатации подшипники, имеющие следующие дефекты:
-трещины, выкрашивание металла на кольцах и телах качения;
-выбоины и отпечатки (лунки) на беговых дорожках колец;
-шелушение металла, чешуйчатые отслоения; -коррозионные раковины, забоины и вмятины на поверхностях качения, видимые невооруженным взглядом;
-трещины на сепараторе, отсутствие или ослабление заклепок сепаратора;
-заметная визуально ступенчатая выработка рабочих поверхностей колец.
При дефектации подшипников качения проверяют радиальные и осевые зазоры. Радиальный зазор определяют на приспособлении индикатором. Внутреннее кольцо подшипника закрепляют на плите конусной шайбой и по разнице показаний индикатора, при перемещении наружного кольца к индикатору и от него, определяют радиальный зазор. За величину радиального зазора принимают среднее арифметическое значение четырех измерений с поворотом одного кольца относительно другого на 90.

Рисунок 4.2 – Приспособление для измерения радиального зазора. 1 – индикатор
Подшипники заменяют, если радиальный зазор превышает 0,1 мм - для подшипников с внутренним диаметром до 50 мм; 0,15 мм - с диаметром 50-100 мм; 0,2 мм - с диаметром свыше 100 мм.
Осевой зазор подшипников качения определяют по индикатору на приспособлениях. Одно из колец подшипника, внутренне или наружное, закрепляют на приспособлении и по разнице показаний индикатора при перемещении свободного кольца из нижнего в верхнее положение определяют величину осевого зазора подшипника.

Рисунок 4.3 – Приспособление для измерения осевого зазора. 1, 2 – распорные кольца; а - зазор
4.2.2.3 Дефектация рабочего колеса с уплотняющими кольцами. Рабочие колеса не должны иметь трещин любого размера и расположения. Посадочные места и торцовые поверхности рабочих колес не должны иметь забоин, заусенцев и т.д.
Рабочие колеса не должны иметь износа лопаток и дисков от коррозии и эрозии более 25% от их номинальной толщины. Изгиб лопаток не допускается.
4.2.2 Ведомость дефектов на ремонт центробежного насоса
Таблица 4.3 - Ведомость дефектов на ремонт насоса
|
Наименование узлов и деталей подлежащих ремонту |
Характер неисправности |
Метод устранения |
Необходимые материалы |
||
|
Наименование |
Кол-во |
Ед.изм. |
|||
|
1 |
2 |
3 |
4 |
5 |
6 |
|
Вал |
Износ посадочных шеек вала |
Востановление хромированием |
Хромовый ангидрид Серная кислота |
1 1 |
л |
|
Вал |
Прогиб вала |
Термическая правка вала |
Асбестовый лист |
0,2 |
кг |
|
Подшипник |
Трещина |
Замена |
Подшипник ГОСТ 8338-57 |
1 |
шт. |
|
Сальниковое уплотнение |
Износ сальниковой набивки |
Замена сальниковой набивки |
Шнур |
0,3 |
кг |
|
Ротор |
Разбалансировка ротора |
Произвести балансировку ротора |
- |
- |
- |
|
Вал |
Расцентровка вала насоса с валом электродвигателя |
Произвести центровку вала |
- |
- |
- |
4.3 Технология устранения дефектов
4.3.1 Технология устранения дефектов конденсатора
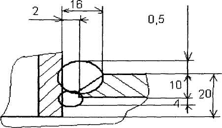
4.3.1.1 Технология ремонта трубного пучка с частичной заменой труб: Замену дефектных труб трубного пучка произвести в следующей технологической последовательности:
- рассверлить развальцованные концы трубы с обоих сторон на полную толщину трубной решетки. Диаметр сверла должен быть на 0,5 – 1 мм меньше диаметра отверстий трубной решетки;
- выбить трубы из трубного пучка;
- зачистить внутреннюю поверхность отверстий трубной решетки и все зеркало решеток со стороны труб от масла, окалины и загрязнений до металлического блеска;
- зачистить наружную поверхность трубы от торцов на расстояние превышающее толщину трубной решетки на расстояние превышающее толщину трубной решетки на 20 мм, а внутреннюю поверхность трубы на 15-20 мм со стороны торцов трубы;
- вставить трубы в трубные решетки. Для облегчения сборки труб с решетками, перед установкой труб, допускается нагрев решеток до 60-700С;
- развальцевать конец труб согласно рисунка 4.4

Рисунок 4.4 – Развальцовка конца труб
- проверить качество сборки под сварку и отсутствие загрязнений на свариваемой и прилегающих поверхностях. Произвести подогрев подготовленных под сварку соединений до температуры 150-2000С;
- произвести обварку труб в трубной решетке согласно рисунку 4.2. Для уменьшения остаточных напряжений обварку труб производить в разброс, например, в шахматном порядке. С целью получения более пластичного металла околошовной зоны сварку рекомендуется производить в два прохода ниточным швом. Наплывы и затеки металла шва с торца внутрь трубы не допускается. Обварку труб допускается производить ручной дуговой сваркой штучными электродами, а при необходимости получения более высокого качества соединений ручной аргонодуговой сваркой неплавящимся вольфрамовым электродом

Рисунок 4.5- Обварка труб
- после сварки произвести зачистку металла шва от шлака и излишнего усиления для проведения подвальцовки и контрольных операций.
- проконтролировать качество сварных соединений внешним осмотром 100% соединений.
- развальцевать трубы согласно рисунку 4.3 на глубину толщины трубной решетки минус 3 мм.

Рисунок 4.6. – Развальцовка труб
- выполнить опрессовку межтрубного пространства пробным давлением согласно требованиям Правил Ростехнадзора.
- исправление несплошностей соединений “труба решетка“ выявленных при гидроопрессовке, произвести путем полного удаления дефектного шва и сварки нового с обязательным соблюдением требований по зачистке, обезжириванию и просушке металла перед сваркой.
4.3.1.2.2 Технология изготовления обечайки камеры распределительной. Сборку камеры распределительной произвести в следующей технологической последовательности:
Обечайку изготовить в следующей технологической следовательности:
- Уложить основной лист на стол газорезательной машины до упоров, маркировкой вверх, при помощи электромостового крана;
- обрезать одну поперечную кромку листа при помощи газорезательной машины;
- снять основной лист со стола газорезательной машины при помощи электромостового крана;
- подать основной лист на сборочную плиту маркировкой вниз при помощи электромостового крана;
- зачистить торцы поперечных кромок заготовки и поверхность металла до металлического блеска на ширину 20 мм при помощи шлифмашинки;
- снять основной лист со сборочной плиты при помощи электромостового крана;
- установить основной лист на стол кромкострогательного станка при помощи электромостового крана;
- строгать поверхность;
- снять основной лист со стола станка;
- подать заготовку при помощи электро – мостового крана на сборочную плиту для зачистки, маркировкой вниз;
- зачистить кромки заготовки;
- зачистить торцы кромок заготовки. Поверхность металла поперечных кромок зачистить до металлического блеска на ширину 20 мм при помощи электро – мостового крана;
- строгать поверхность;
- переустановить заготовку для строжки кромки;
- строгать поверхность, выдержав размер;
- снять заготовку со стола кромкострогательного станка;
- подать заготовку на листогибочную машину (ЛГМ) маркировкой вниз при помощи электро – мостового крана;
- произвести подгибку кромок листовой заготовки до заданного радиуса;
- вальцевать обечайку по требуемому радиусу до сведения кромок, выдержав при этом размеры;
- прихватить продольный стык с наружной стороны РЭДС (смотри рисунок 4.7)

Рисунок 4.7 – Гибка и сборка обечайки;
- снять обечайку с ЛГМ;
- подать обечайку на сборочную плиту при помощи электромостового крана;
- в начале и конце продольного стыка установить вводную и выводную планки и приварить их к торцам обечайки по всей длине соприкосновения РЭДС (рисунок 4.7)
- зачистить места прихваток и места приварки планок от шлака и брызг металла;
- снять обечайку со сборочной плиты;
- контроль величин:
а) торцевого смещения «m»
б) радиального смещения «n»;
в) зазора между кромками «д»
- установить обечайку на сварочный стенд продольным стыком вниз при помощи электро – мостового крана;
- заварить внутренний шов обечайки автоматической сваркой под слоем флюса;
- зачистить шов от шлака;
- повернуть обечайку и установить стыком вверх;
- заварить наружный шов обечайки автоматической сваркой под слоем флюса;
- зачистит шов от шлака;
- поставить клеймо сварщика;
- снять обечайку со сварочного стенда;
- установить обечайку на стенд отделки;
-срезать вводную и выводную планки;
- зачистить места среза и сварные швы с обеих сторон от шлака, брызг металла, неровностей;
- вырезать места видимых трещин, раковин, срезать наплывы и другие видимые дефекты шва;
- зачистить места вырезки дефектов;
- заварить места вырезанных дефектов РЭДС;
зачитсит места заваренных дефектов от шлака и брызг металла. Осмотреть и промерить швы. Зачистить околошовные зоны под УЗД при помощи шлифмашинки;
- снять обечайку с отделочного стенда;
- термообработаь обечайку;
- установить обечайку в валки ЛГМ при помощи электро – мостового крана;
- калибровать обечайку с проверкой по шаблону (смотри рисунок 4.8)

Рисунок 4.8 – Контроль угловатостей обечаек.
- снять обечайку с листогибочной машины;
- контроль угловатости;
- подать обечайку на стенд УЗД, произвести ультразвуковой контроль сварных швов с наружной стороны по всей длине шва, выдать заключение УЗД, дефектные места отметить мелом;
- снять обечайку со стенда УЗД;
- установить обечайку на стенд исправления дефектов;
- вырезать дефектные места воздушно – дуговой строжкой;
- зачистить места строжки при помощи шлифмашинки;
- заварить дефектные места РЭДС;
- зачистить места подварки дефектов;
- проверить внешнюю отделку сварных швов;
- снять обечайку со стенда исправления дефектов;
- подать обечайку на стенд УЗД;
- произвести повторный ультразвуковой контроль мест исправления дефектов;
- снять обечайку со стенда;
- подать обечайку на роликоопоры;
- снять усиления сварного шва при помощи резака;
- зачистить шов заподлицо с основным металлом при помощи шлифмашинки;
- снять обечайку с роликоопор;
- установить обечайку на стенд зачистки кромок обечаек;
- зачистить поверхность металла внутри и снаружи обечайки до металлического блеска на ширину 20 мм от торца обечайки при помощи шлифмашинки;
- переход повторить для второго торца обечайки;
- снять обечайку со стенда зачистки кромок обечаек,
4.3.1.2.2 Технологическая последовательность сборки камеры распределительной:
- Установить фланец на сборочно-сварочную плиту электромостовым краном.
-. Равномерно по окружности фланца приварить шесть направляющих планок согласно рисунку 4.9. Планки приварить с внутренней стороны ручной дуговой сваркой. Режим и сварочный материал согласно таблице 4.4.
- Стыковать обечайку и фланец согласно рисунку 4.12

Рисунок 4.9 - Стыковка обечайки с фланцем
Таблица 4.4 - Сварочные материалы и ориентировочные режимы ручной дуговой сварки
|
Тип и марка электрода по ГОСТ 9467-75 |
Допустимая температура эксплуатации |
Положение шва |
Диаметр электрода, мм |
|||
|
3 |
4 |
5 |
||||
|
1 |
2 |
3 |
4 |
5 5 |
6 6 |
7 7 |
|
Э-50А (УОНИ 13/55) |
Не ниже минус 60° С, от минус 610С до минус 70°С после нормализации |
нижнее |
Величина сварного тока, А |
80-100 |
130-160 |
180-210 |
|
70-90 |
130-180 |
60-180 |
- Прихватить обечайку с фланцем ручной дуговой сваркой с внутренней стороны. Выдержать шаг прихваток 100/320 мм.
- Срезать планки абразивным инструментом.
- Зачистить места прихваток от шлака и брызг металла. Поверхность, подлежащую сварке зачистить шлифовальной машиной на ширину 20 мм до чистого металла.
- Установить обечайку с фланцем на сварочный стенд электромостовым краном.
- Заварить внутренний шов обечайки с фланцем автоматической сваркой под слоем флюса. Сварочный материал и режим сварки согласно таблице 4.5
Таблица 4.5 - Ориентировочные режимы автоматической сварки
|
SS, ммм |
вв, ммм |
ЯЯ, мм |
1, мм не более |
диаметр электрода, нм |
Ток сварки, А |
напряжение дуги, В |
скорость сварки, н/час |
скорость подачи проволоки, н/час |
|
14 |
2±1 |
22Ч |
224 |
5 |
600-680 |
32-35 |
32-34,5 |
52-57 |
- Зачистить сварной шов от шлака. Зачистку производить с помощью металлической щетки.
- Заварить наружный шов обечайки с фланцем автоматической сваркой под слоем флюса. Сварочные материалы и режим сварки согласно таблице 4.6.
- Произвести внешний осмотр и ультразвуковую дефектоскопию сварного шва.
- Повторить технологическую последовательность сварки фланца с противоположной стороны обечайки.
- Разметить места резки корпуса под штуцерное отверстие согласно рисунку 4.10, а.

а - схема вырезки отверстия б - схема подготовки кромки
Рисунок 4.10 - Схема разметки
- Просверлить в корпусе на разметочной линии отверстие диаметром 10 мм.
- Вырезать отверстие газокислородной резкой по разметке. Подготовить кромки отверстия в корпусе согласно рисунку 4.10, б.
- Установить патрубок штуцера в отверстие камеры распределительной и прихватить с наружной стороны к камере распределительной, количество прихваток не менее 3-х с наибольшим расстоянием между ними 200-250 мм.
- Приварить патрубок к камере распределительной с внутренней стороны. После приварки зачистить механическим способом корень шва с удалением прихватов с наружной стороны и контролем поверхности выборки цветной дефектоскопией. Выполнить наружный сварной шов приварки штуцера к камере распределительной. Сварной шов должен соответствовать рисунку 4.11

Рисунок 4.11 - Форма сварного шва
- Подготовить сварное соединение контролю и проконтролировать на отсутствие дефектов ультразвуковым или радиографическим способами.
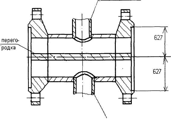
- Повторить технологическую последовательность вырезки отверстия и приварки патрубка для штуцера с хода рассола, находящегося в противоположной стороне от штуцера выхода рассола согласно рисунку 4.12.

Рисунок 4.12 - Камера распределительная (схематично)
- Произвести разметку на обечайке для приварки перегородок.
- Изготовить « перегородку» согласно рисунку 4.15
- Собрать « перегородку» с обечайкой с помощью прихватки и прихватить ручной электродуговой сваркой, электродами типа Э-50А марки УОНИ-13/55 согласно рисунку 4.13
23. Проконтролировать качество сборки.


Рисунок 4.13 – Перегородка
- Заварить «перегородку» ручной электродуговой сваркой электродами типа Э-50А, марки УОНИ-13/55. Сварной шов должен соответствовать рисунку 4.14.

Рисунок 4.14 - Эскиз сварного шва
- Проконтролировать качество сварного шва следующими методами:
а) внешним осмотром и измерениями;
б) механическими испытаниями сварных образцов;
в)ультразвуковой дефектоскопией или радиографическим методом.
4.3.1.3 Технология устранения трещины на корпусе. Технология устранения трещины, расположенной поперек сварного шва с выходом на основной металл, на расстоянии менее 100 мм от него, устраняется вырезкой и установкой «латки» в следующей последовательности:
- определить границы трещины методом цветной дефектоскопией;
- вырезать дефектный участок газопламенным способом и подготовить кромки под сварку огневым способом, согласно рисунка 4.15;

Рисунок 4.15 – Подготовка кромки под сварку
- зачистить кромки под сварку шлифовальным кругом, а также участки прилегающие к ним на расстоянии 20 мм до металлического блеска;
- проверить кромки на отсутствие дефектов цветной дефектоскопией;
- изготовить латку согласно рисунку 4.16. Латку формировать радиусом R = 1200 мм;

Рисунок 4.16 – Изготовление латки
- собрать латку с корпусом с помощью прихватки кромок аппарата латки ручной электродуговой сваркой, электродами типа Э-50А, согласно рисунку 4.17;

Рисунок 4.17 – Прихват кромок аппарата и латки
- проконтролировать качество сборки;
- заварить латку ручной электродуговой сваркой электродами типа
Э-50А. Заварку произвести в последующей последовательности указанной на рисунке 4.18 Сварной шов должен соответствовать рисунку 4.19;

Рисунок 4.18 – Последовательность заварки

Рисунок 4.19 – Сварной шов.
- зачистить сварной шов с внутренней стороны заподлицо с основным металлом.
- проконтролировать качество сварного шва следующими методами: внешним осмотром и измерениями; механическими испытаниями сварных образцов; ультразвуковой дефектоскопией или радиографическим методом.
4.3.2 Технология устранения дефектов насоса
4.3.2.1 Технологическая последовательность правки вала. Правку вала диаметром 100 мм произвести термическим способом в следующей технологической последовательности:
- Установить вал в центрах токарного станка.
- Построить диаграмму прогиба, записать его показания при каждом повороте в нескольких сечениях.
- Установить вал выпуклой стороной вверх. Участок вала в месте максимального изгиба обложить смоченным в воде листовым асбестом толщиной 10-12 мм и вырубить в нем прямоугольное окно длиной - 0,2 диаметра, шириной - 0,3 диаметра вала. Асбестовый лист закрепить на валу проволокой. Под вал установить индикатор.
- Произвести нагрев участка вала ограниченного окном в асбестовом листе пламенем газовой горелки до температуры не более 500°С - из углеродистой стали, и не более 600°С для легированной стали.
Пламя горелки установить почти вплотную к валу, передвигая его со скоростью не менее 0,5 м/с. После пробного охлаждения вал проверить индикатором, и при необходимости повторить процесс правки. При последнем нагреве произвести перегиб вала в сторону противоположную прогибу на 0,05-0,07 мм.
- Отжечь при температуре 500-600°С двумя горелками №6 и №7 вращая вал с частотой 15-20 оборотов в минуту для ликвидации напряжений.

1 - токарный станок
2 - асбестовый лист с прямоугольным окошком
3 -вал
4 – индикатор
Рисунок 4.20 – Схема правки вала термическим способом
4.3.2.2 Технологическая последовательность восстановления посадочных шеек вала. Износ посадочных шеек вала до 0,3 мм устраняется хромированием. Хромирование посадочных шеек вала включает в себя следующие операции:
- Подготовка детали к нанесению покрытия;
- Декапирование (анодная обработка);
- Хромирование;
- Обработка детали после нанесения покрытия.
Технологическая последовательность восстановления изношенных шеек вала производится в следующем порядке:
- Произвести механическую обработку шеек вала;
- Очистить деталь от окислов путем обработки шлифовальной шкуркой или мягкими кругами с полировальной пастой. Обезжирить деталь, промыв ее в растворителях (Уайт - спирите, дихлорэтане, бензине и др.);
- Установить вал на подвесное приспособление, обеспечить надежный электрический контакт с токопроводящей штангой, благоприятные условия для равномерного распределения покрытия по поверхности детали и для удаления пузырьков водорода, выделяющегося при электролизе.
- Нанести на поверхность, не подлежащую наращиванию, цапонлак в смеси нитроэмалью в соотношении 1/2 для ее защиты.
- Окончательно обезжирить подлежащую наращиванию поверхность путем электрохимической обработки в щелочных растворах следующего состава: едкий натр-10 кг/м, сода кальцинированная-25, тринатрийфосфат-25, эмульгатор 0П7 3-5 кг/м. Режим обезжиривания температура раствора 70-80 °С, плотность тока 5-10 А/дм, длительность процесса 1-2 минуты. После обезжиривания вал промывают в горячей, а затем в холодной воде
- Произвести декапирование для удаления тончайших окисных пленок с поверхности вала и наиболее прочного сцепления гальванического покрытия с подложкой.
- Завесить вал в ванну для хромирования и для прогрева выдержать 1-2 минуты без тока, а затем подвергнуть обработке на аноде в течении 30-45 секунд при анодной плотности тока 25-35 А/дм. После этого, не вынимая вал из электролита, переключить на анод и нанести покрытие.
- Промыть вал в ванне с дистиллированной водой (для улавливания электролита), затем в проточной, после чего погрузить его на 0,5-1 мин в 3-5 % раствор кальцинированной соды (для нейтрализации остатков электролита) и окончательно промыть в теплой воде.
- Обработать шейки вала до требуемого размера.
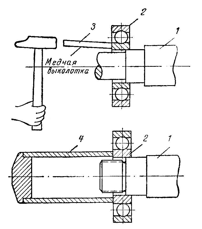
4.3.2.3 Технологическая последовательность замены подшипника качения. Замену подшипников качения произвести в следующей технологической последовательности:
- Выпрессовать старый подшипник с вала с помощью специального приспособления (съемника);
- Проверить посадочное место вала с помощью микрометрического инструмента;
- Промыть новые подшипники в нефтепродукте с температурой вспышки выше 61°С и смазать маслом;
- Нагреть подшипник до температуры 90-100°С в масленой ванне. Запрессовать подшипник на вал с помощью приспособления или медной выколотки (рисунок 4.21);
- Проверить правильность запрессовки подшипника и отсутствие защемление тел качения.

1 – вал; 2 – подшипник; 3 – медная выколотка; 4 – монтажная труба
Рисунок 4.21 – Насадка подшипника качения на вал при помощи молотка и медной выколотки и монтажной трубы
4.3.2.4 Технология центровки валов насоса и электродвигателя. Центровку осей валов центробежного насоса по полумуфтам произвести в следующей технологической последовательности:
- Проверить путём вращения, что валы центрируемых машин вращаются в подшипниках свободно, шейки валов чисты и не имеют повреждений;
- Проверить торцевое и радиальное биение полумуфт индикатором. При жёстких полумуфтах допускается торцевое биение не более 0,02 мм, радиальное 0,04 мм, при упругих полумуфтах соответственно допускается биение 0,04 и 0,06 мм. Если биение полумуфты больше допустимого, то рекомендуется проточить полумуфту по наружному диаметру и торцу на токарном станке;
- Произвести предварительную проверку соосности валов с помощью линейки и щупа по полумуфтам. Зазоры замеряют щупом при повороте полумуфт через каждые 90° (см. рисунок 4.25) по линейке;

1,2 – роторы; 3,4 – полумуфты; 5 – линейка клинового сечения
Рисунок 4.22 – Центровка валов по линейке (скобе) и щупу

Рисунок 4.23 – Центровка валов с помощью индикаторов
- Установить полумуфты по маркам, определяющим их рабочее положение и приспособление для центровки с индикаторами;
- Произвести проверку правильности и жёсткости установки приспособления. Для этого стрелки индикаторов установить в нулевое положение и полумуфты повернуть на 360°. При этом величины зазоров не должны выходить за пределы измерения индикаторных головок, а стрелки должны возвратиться в первоначальное положение;
- Произвести измерения в следующей последовательности. Стрелки индикаторов для измерения радиального и осевого зазора установить в положение «0». Роторы повернуть в направлении рабочего вращения на 90° и записать результаты в круговую диаграмму. Затем измерения произвести при повороте роторов на 180°, 270° и 360° по отношению к первоначальному. Последний замер является контрольным. На схеме отметить направление, в котором ориентируются при выполнение замеров, например, «смотреть от привода». Это нужно для определения направления перемещения роторов в случае расцентровки;

а) б) в)
а – положение ротора 0°; б – положение ротора 90°; в - положение ротора итоговое
Рисунок 4.24 – Круговая диаграмма записи результатов центровки
- Определить по полученным значениям взаимное положение роторов, то есть определяются величины параллельного смещения с>1> и с>2> и перекоса П>1> и П>2> осей центрируемых валов;
- Устранить расцентровку валов, если полученные значения расцентровки выходят за пределы допуска. Для обеспечения центровки валов необходимо смещать подшипники А и В присоединяемой машины, передвигая их по горизонтали или перемещая в вертикальной плоскости посредством добавления или убавления прокладок.

Рисунок 4.25 – Схема измерений по полумуфтам
Радиальный зазор а, характеризует параллельное смещение осей; осевой зазор б, характеризует перекос осей центрируемых валов
4.3.2.5 Технология замены сальниковой набивки. Замену сальниковой набивки произвести в следующей технологической последовательности:
- Намотать плотно шнур на стержень перед нарезкой колец, диаметром равным диаметру защитной втулки.
- Разрезать стык у колец изготовленных из прорезинных скатанных, дублированных и плетеных набивок для работы при постоянной температуре под углом 30-45° в плоскости кольца.
- Спрессовать кольца набивки перед установкой, под давлением на 0,2-0,3 МПа большим, чем давление перед уплотнением, в течении 3-5 минут. Для этого необходимо применять пресформу, размеры которой равны диаметрам втулки и расточки, а высота ширине одного кольца набивки.
При использовании колец из стружки фторопласта опрессовка обязательна.
- Удалить полностью изношенную набивку при перенабивке сальника, затем слегка смазать рабочие поверхности колец графитом, с маслом или с консистентной смазкой, стойкими к действию к действию перекачиваемого продукта.
- Установить каждое кольцо набивки отдельно, с последующим обжатием специальными разъемными проставочными втулками. Разрезы располагают через 120° при нечетном и через 180° или до 90° - при четном числе набивки.
Между кольцами набивки установить плоские шайбы из материала из материала, стойкостью к перекачиваемой среде (фторопласт, резина, металл). При применении набивки из фторопластовой стружки установка шайб обязательно.
Фонарное кольцо расположить относительно отверстия для подвода жидкости так, чтобы при подтяжке набивки в процессе эксплуатации отверстие не перекрывалось набивкой.
- Произвести предварительную затяжку пакета набивки без перекосов крышки сальника, до появления значительного сопротивления (затяжка гаек становиться тугой).
После этого гайки отпустить и через 5-7 минут подтянуть от руки. При правильной подтяжке вал насоса проворачивается с некоторым сопротивлением.
- Обкатать насос в течении 10 минут, не регулируя утечку, а затем подтянуть крышку поворотом гаек на 1/6 оборота через каждые 5-10 минут, добиться необходимого уровня утечки. Не допускается обкатка насоса без рабочей жидкости.
- В случае нагрева сальника при пуске насоса следует несколько раз включить и выключить его, пока сальник не начнет пропускать уплотняемую жидкость. Если утечки не будет, набивку заменить.
Утечка на валу необходима для нормальной работы уплотнения. Затяжка пакета набивки до полного прекращения утечки ведет к повышенному износу и уменьшению периода между подтяжками. Уровень утечки должен находится в пределах 0,5-2,0 л/ч, для агрессивных сред и 0,5-10 л/ч - для прочих.
Затвор жидкость подавать под давлением на 0,05-0,1 МПа (0,5-1,0 кгс/см2) большим, чем давление перед уплотнением.
После подтяжки сальника на величину 1,0-1,5 ширины кольца, т.е. после использования запаса регулирования, рекомендуется заменить весь пакет набивки, поскольку большая часть смазки (пропитки) потеряна и дальнейшая эксплуатация ведет к повышению износа защитный втулки. Иногда в виде исключения допускается давление одного кольца.
4.3.2.6 Технология балансировки ротора. Процесс статической балансировки ротора на роликах произвести в следующей технологической последовательности:
- Проверить качество опорных шеек балансируемой детали. Допускается овальность и конусность опорных шеек балансируемой детали не более 0,01 мм. Допустимое биение посадочных диаметров вала относительно опорных шеек не более 0,015 мм;
- Установить балансировочный станок и выверить его по уровню. Отклонение его по горизонтали не должно превышать 0,02 мм на 1 м длины;
- Уложить ротор на ролики станка и несколько раз, свободно поворачивая, дать ему возможность занять устойчивое положение. Отметить на рабочем колесе нижнюю ("тяжелую") точку;
- Перекатить ротор в положение, при котором найденная "тяжелая" точка расположена на горизонтальной оси (рисунок 4.29а), в диаметрально противоположной центру тяжести точке "А" ("легкое место"), прикрепить дополнительный груз "Р1" такой величины, чтобы деталь оказалась недоуравновешенной на такую величину, чтобы когда ротор отпустить, то она должна повернуться "тяжелым местом" вниз на угол φ=10-15°.
- Ротор перекатить так, чтобы точка "А" ("легкое место") совпала с горизонтальной осью, и к этой точке прикрепляют такой груз "Р2", чтобы ротор оказался неуравновешенным и при отпуске повернулся "тяжелым местом" вверх на угол φ=10-15°.
- Деталь повернуть несколько раз на произвольный угол и убедиться, что она занимает безразличное положение в состоянии покоя.

Рисунок 4.26 – Схема статической балансировки ротора
- Взвесит грузы "Р1" и "Р2" и определить вес уравновешивающего груза "PR":
>
>; (4.1)
8 Устранить дисбаланс снятием металла на внешнем ободе рабочего колеса в противоположной установке грузов "Р1" и "Р2".
4.3.2.7 Технологический процесс статической балансировки с определением скрытого дисбаланса:
- Окружность балансируемой детали (рабочего колеса) разделить на 6 или 8 равных частей, и выбранные точки пронумеровать (рисунок 4.30);
- Установить ротор на ролики так, чтобы точка 5 была на горизонтальной линии. В точке, лежащей на соответствующем луче на расстоянии "r", от оси вращения, подвесить небольшие грузики, постепенно увеличивая их суммарный вес до тех пор, пока ротор выйдет из условия равновесия и начнет постепенно поворачиваться на роликах на угол 10-15°. Снять с детали груз и взвесить его;
- Перекатить деталь на 1/6 окружности (или 1/8), повторяя операцию подбора груза для каждого из нанесенных делений, подвешивая грузики все время с одной стороны;
- Массу грузиков, выводящих деталь из состояния покоя, регистрировать в таблице и изобразить в виде графика (рисунок 4.29 б). Точки, в которых определены Р>m>>ах> и Р>min>, должны располагаться диаметрально противоположно;
- Определить массу уравновешивающего груза:
Дисбаланс
>
>>
>(4.2)

Рисунок 4.27 – График для определения веса груза Р>г>, уравновешивающего скрытый дисбаланс ротора
Уравновешивающий груз "Р>ур.г.>" закрепить на колесе со стороны "Р>m>>ах>" (точка 2), после чего делают окончательную проверку правильности балансировки.
- Устранить дисбаланс снятием металла с наружной переферийной поверхности полотна основного или покрывного дисков образивным кругом в секторе не более 180° с последующей полировкой до чистоты R>a> 2,5 (V6).
Глубина съема металла не должна превышать 0,3 мм для колес диаметром до 550 мм и не более 0,5 мм для колес диаметром более 550 мм.
Если при поворотах деталь занимает безразличное положение в состоянии покоя, она считается статически уравновешенной.
4.4 Испытание конденсатора и насоса после ремонта
4.4.1 Испытание конденсатора после ремонта
- После окончания ремонтных работ элементы теплообменных аппаратов в целом должны пройти испытание на прочность и плотность согласно требованиям аппарата.
- Гидравлическое испытание плотности крепления труб и трубных решеток должно проводится при давлении, применительно к расчётным условиям для кожуха.
При расчётном давлении P>0,5 МПа
(4.3)
где [
]>20>
- допускаемое напряжение для материала
аппарата и его элементов при температуре
20 0С,
МПа;
[
]>t>
– допускаемое напряжение для материала
аппарата и его элементов при рабочей
температуре, МПа.
Величина допускаемых напряжений определяется по ГОСТ 14249-81.
- При установке, отремонтированного оборудования (вновь изготовленного) трубного пучка в корпус сварной шов приварки трубной решётки к фланцу или кожуху в аппаратах типа Н и К подлежит контролю по всей длине.
- Плотность приварки укрепляющих колец и патрубков штуцеров проверяется пневматическим испытанием (до гидроиспытания аппарата) через контрольные отверстия при давлении 0,4 – 0,6 МПа с обмыливанием швов внутри и снаружи аппарата. Во всех случаях давление пневмоиспытания должно быть не более расчетного давления аппарата.
- Температура воды при гидравлическом испытании должна быть не ниже 50С и не выше 400С, если не имеется других указаний в технической документации и чертежах.
Допускается заменить гидравлическое испытание пневматическим (воздухом или другим нейтральным газом). В этих случаях испытание проводится с соблюдением особых мер предосторожности. Пневматическое испытание проводится при положительных результатах тщательного внутреннего и наружного осмотра сварных швов и контроля качества сварных соединений, выполненных при ремонте, при условии обязательном сопровождении испытанияметодом акустико-эмиссионного контроля.
- При проверке прочности аппарата под пробным давлением время выдержки должно быть:
- 10 мин. для аппаратов с толщиной стенки до 50 мм;
- 20 мин. для аппаратов с толщиной стенки от 50 до 100 мм.
Если при испытании есть падение давления в указанное время выдержки, то необходимо выяснить причину, устранить ее и повторить испытание вновь.
Затем пробное давление снижается до рабочего, при котором производится осмотр аппарата. Увеличение давления до пробного и снижение его до рабочего производится постепенно. Давление, равное рабочему, необходимого для осмотра аппарата.
- Гидравлическим испытаниям подвергаются отдельно трубное (распределительная камера и плавающая головка) и межтрубное (корпус и крышка кожуха) пространства.
- Пневмоиспытания теплообменных аппаратов, имеющих трубы или отверстия трубных решеток, отглушенные пробками, производить запрещается.
Перед гидроиспытанием таких аппаратов, во избежание несчастных случаев должны быть приняты особые меры предосторожности. Испытание производить только после полного удаления воздуха из аппарата. Место испытаний должно иметь ограждение. При испытании запрещается находиться против трубной решетки.
- После испытания межтрубного пространства и устранения обнаруженных дефектов (подвальцовки соединений, давших течь, замены дефектных труб и т.д.) устанавливается распределительная камера, крышка и подвергается испытанию трубное пространство. Для теплообменных аппаратов с плавающей головкой повторно испытываются межтрубное пространство после установки крышки кожуха.
- Теплообменники признаются выдержавшими испытание, если:
- в процессе испытания не замечается падения давления по манометру, течи, капель, потения или пропуска через сварные швы (пропуски через неплотности арматуры, если они не мешают сохранению пробного давления, не считаются течью);
- после испытания не замечается остаточных деформаций;
- не обнаруживается признаков разрыва.
- На каждый ремонт теплообменного аппарата составляется ремонтная документация в соответствии с требованиями ОТУ-3-01.
4.4.2 Испытание насоса после ремонта
Испытание насоса производят после среднего и капитального ремонтов. Целью испытаний после ремонтов является определение качества ремонта, проверка надежности работы торцового или сальникового уплотнения вала, герметичности насоса, величины вибрации насоса и трубопроводов, температуры подшипников, напора создаваемого насосом и при необходимости производительности, потребляемой мощности.
Испытания на месте установки насоса производят в следующей последовательности:
а) кратковременный пуск;
б) испытание насоса под рабочей нагрузкой.
Кратковременный пуск производится при заполненном насосе, открытой задвижке на всасывающей и закрытой на нагнетательной линии. При кратковременном пуске проверяют работу подшипников, системы смазки, охлаждения, уплотнений вала, герметичность насоса и вспомогательных трубопроводов, а также отсутствие посторонних шумов, ударов и повышенной вибрации. Продолжительность работы при кратковременном пуске не должна превышать 5 минут. При обнаружении неисправностей их устраняет ремонтный персонал. Испытание насоса под рабочей нагрузкой производит эксплутационный персонал. Продолжительность испытаний насоса под рабочей нагрузкой не менее 4-х часов. Утечки через сальниковые уплотнения не должны превышать 10 капель в минуту.
Выявленные при испытаниях (кратковременный пуск, испытания под рабочей нагрузкой) недостатки и дефекты устраняются, пока не будет достигнута:
- спокойная работа насоса без стуков, ударов и постороннего шума, вибрация в пределах требований нормативов;
- работа уплотнений вала в соответствии с нормами;
- отсутствие пропусков в соединениях.
Во время испытаний все показатели (напор, подача, число оборотов, температура подшипников и т.д.) снимаются при установившемся режиме работы.
4.5 Техника безопасности при ремонте
4.5.1 Требования безопасности при ремонте теплообменных аппаратов
- Для производства ремонтно-очистных работ каждую группу теплообменников надлежит обеспечивать подводам пара и воды.
- Перед началом работ трубное и межтрубное пространство теплообменного аппарата должны быть продуты паром.
- Запрещается производить работы с противоположной стороны теплообменника во время продувки его паром.
- Разлитые нефтепродукты при открытии теплообменника должны быть смыты водой.
- Работы по снятию крышек, выемке трубных пучков, а также очистке труб теплообменников должны быть механизированы.
4.5.2 Требования безопасности при огневых ремонтных работах
- К огневым ремонтным работам относятся электро- и газосварочные, кузнечные, паяльные и все другие работы с применением открытого огня.
- Огневые работы на территории завода и установок могут производится только по отдельным в каждом случае письменным разрешением главного инженера завода, его заместителей по производствам и начальников производств, согласованным с местной пожарной охраной.
- Огневые работы следует проводить на специальных площадках и в мастерских, оборудованных в соответствии с противопожарными нормами, правилами техники безопасности и промсанитарии. Эти работы проводятся по утвержденным в установленном порядке инструкциям и дополнительного оформления их проведения не требуется.
- На действующих комбинированных блочных установках (объектах) разрешается проведение огневых ремонтных работ на отдельно блоке (системе) при условии, что ремонтируемый блок полностью отглушен от действующих трубопроводов, аппаратов, агрегатов, и приняты меры, обеспечивающие безопасность на действующем и ремонтном объекте.
- Огневые работы могут производиться только после выполнения всех требований пожарной профилактики, обусловленных в разрешении или соответствующей инструкции.
- Сварщик имеет право приступить к работе только после получения письменного разрешения и личной проверки выполнении следующих требований, указанных в разрешении.
- Рабочий, работающий вместе со сварщиком, должны иметь те же средства индивидуальной защиты, что и сварщик.
- При ведении сварочных работ на лесах или подмостьях их необходимо покрывать кошмой или листами асбеста, чтобы подающий расплавленный металл не вызвал пожара или ожога проходящих людей.
- Огневые работы должны быть немедленно прекращены, если в процессе их проведения, не смотря на принятые меры обнаружено появление газа и нефтепродуктов около рабочего места или при других условиях, выживающих пожарную опасность.
- Электросварочный агрегат или трансформатор, а также его коммуникационная аппаратура должны устанавливаться в местах, где отсутствуют горючие газы, пары и разлитые нефтепродукты.
- Запрещается пользоваться в качестве обратного провода заземляющей проводки металлоконструкциями, корпусами технологической аппаратура и трубопроводами. В качестве обратного провода должен быть применен такой же провод, как и для электродержателя.
- Электросварочные аппараты, сварочные трансформаторы и свариваемые конструкции во время сварки должны быть заземлены. Заземление надлежит производить перед началом работы и не снимать до ее окончания.
- Запрещается присоединение заземляющих проводов к нефтепроводам, газопроводам и технологическим аппаратам.
- Передвижные сварочные установки во время их передвижения должны отключаться от сети.
- При электросварке сварщики обязаны закрывать лицо щитком или маской со вставленными в них защитными стеклами.
- Над сварочными установками, находящимися на открытом воздухе, должны быть навесы. При невозможности их устройства электросварочные работы во время дождя или снегопада необходимо прекратить.
- После окончания работы или при временном уходе электросварщика с рабочего места электросварочный аппарат должен быть выключен.
4.5.3 Требование безопасности при подъеме и перемещении грузов кранами
Грузоподъемные механизмы и такелажную оснастку перед ремонтными работами проверяют и освидетельствуют. Подъем груза массой более 60 кг и деталей меньшей массы на высоту более 3 м должен быть механизирован. Тали, одно- и двухблочные мостовые краны, грузоподъемностью 10-30 тонн с номинальным управлением должны иметь нанесенные на видном месте надписи о предельной грузоподъемности и дате очередного испытания. Сроки технического освидетельствования и испытания частичного – не реже одного раза в 12 месяцев, полного – не реже одного раза в 3 года. Внеочередное полное освидетельствование проводят при установке в машинном зале нового крана или крана, временно используемого при ремонте. Траверсы и захваты проверяют ежемесячно, стропы – каждые 10 дней, съемные грузозахватные устройства осматривают перед выдачей их в работу.
Перед подъемом проверяют соответствие массы груза грузоподъемности механизма и захватного приспособления.
Зону подъема ограждают предупредительными знаками. Команды на подъем, перемещение и спуск подает 1 человек. К обвязке канатами, соединению с подъемными устройствами и зачаливанию допускаются лица, имеющие удостоверения стропальщика. При подъеме крышек и других частей с них удаляют все незакрепленные детали. В местах соприкосновения стальных канатов с грузом ставят деревянные прокладки, чтобы исключить из повреждения. Расстроповку груза проводят после надежной установке на деревянные опоры высотой 50-100 мм для свободного удаления каната.
Не следует ударами лома или кувалды поправлять положение каната на грузе, особенно в подвешенном состоянии, или вручную удерживать их от соскальзывания. Нельзя находиться под висящем грузом или в непосредственной близости от него, оттягивать груз при его подъеме, перемещении и опускании; высвобождать защемленные грузом канаты, применяя кран или друге механизмы.
4.5.4 Техника безопасности при ремонте насоса
К ремонту насосных установок допускаются рабочие, изучившие особенности данного производства и правила безопасного поведения в цехе.
Разборку насосного оборудования производят только после отключения электродвигателей и аппаратуры управления от источников питания.
При ремонте насосного оборудования необходимо выполнять следующее:
– пользоваться исправным слесарным и измерительным инструментом соответствующих размеров;
– пользоваться только исправными грузоподъемными средствами, чарочными приспособлениями и стропами, строго соблюдая сроки их испытания;
Перед проведением ремонта насосов, работающих на взрывоопасных и токсичных газах, принимают следующие меры безопасности:
– отключают насосную установку от действующих коллекторов;
– полностью снимают избыточное давление и продувают инертным газом насосное оборудование и подключенные к нему трубопроводы до полного удаления из них рабочей среды, что должно быть подтверждено анализом; если внутри аппаратов или подключенных к ним газопроводов скопились конденсат или другие выделения, обладающие токсичными и взрывоопасными свойствами, принимают меры по дегазации, обеспечивающие полную безопасность при ремонте:
– отключают оборудование заглушками и отсоединяют от него продувочные, анализоотборочные и другие линии, связывающие его с другим оборудованием цеха;
- снимают напряжение с электрического оборудования; электрическое и другое силовое оборудование (паровое, газовое и т. д. полностью отключают от системы энергоснабжения;
– вывешивают на соответствующем электрическом щите и на пусковом устройстве плакаты «Не включать! Работают люди!», которые снимают только с разрешения начальника смены после завершения ремонта оборудования и выполнения соответствующих работ по подготовке оборудования к пуску.
Проводить ремонтные работы на действующем оборудовании запрещается.
При ремонте насосного оборудования отдельные детали и узлы массой более 20 кг рекомендуется поднимать, перемещать и опускать с помощью грузоподъемных механизмов. При этом в соответствии с требованиями Госгортехнадзора соблюдают следующие правила:
– масса поднимаемых и перемещаемых грузов не должна превышать грузоподъемности грузоподъемных механизмов;
– канаты, тросы и цепи должны быть исправны;
– место монтажных работ должно быть достаточно освещено;
– по окончании работ груз запрещается оставлять в подвешенном состоянии;
– перемещать грузы над находящимися внизу людьми запрещается;
– при подъеме и установке отдельных деталей и сборочных единиц необходимо опускать и поднимать груз равномерно.
При работе на высоте (трубопроводной эстакаде и т. п.) применяют предохранительные пояса. Переносные подмостки и стремянки перед началом работы должны быть проверены. Во время ремонта следят за инструментом и деталями, чтобы они не могли упасть вниз.
Слесарь-ремонтник обязан знать и правильно пользоваться первичными средствами пожаротушения.
Сварочные работы можно проводить только после получения специального разрешения, подписанного руководством цеха, отдела техники безопасности и пожарного надзора, и подготовки производственного помещения для сварочных работ.
4.5.5 Техника безопасности при проведении слесарных работах
- Пользоваться следует только исправными и предусмотренными для данных работ инструментами.
- Прочно нужно укрепить на верстаке слесарные тиски.
- Тиски должны содержаться в полной исправности, губки тисков не должны быть скошены.
- Обрабатываемая деталь должна прочно крепиться в тисках.
- Верстак необходимо устанавливать строго горизонтально: стол должен быть обит листовой сталью и иметь защитную сетку на длину верстака высотой 1 м.
- Поверхность верстака должна быть гладкой, без выбоин и заусенцев и должна содержаться в чистоте и порядке.
- Пол у верстака должен быть ровным и сухим, а перед верстаком необходимо положить исправную деревянную решетку или подставку.
- Детали, поступающие в обработку, укладывают в установленном порядке, не загромождая рабочего места и проходов.
- При спуске рычага тисков следует остерегаться удара по ноге и защемления руки между головками рычагов и винтом.
- При установке в тиски нужно осторожно обращаться с тяжелыми деталями, чтобы избежать ушибов при их падении.
- При работах, требующих разъединения или соединения деталей при помощи кувалды (молотка), выколотку необходимо держать клещами; выколотка должна быть из меди или другого мягкого металла. Нельзя находиться прямо против работающего кувалдой, следует стоять сбоку от него. Во время работы необходимо пользоваться защитными очками.
- При работах инструментом ударного действия рабочие должны пользоваться защитными очками для предотвращения попадания в глаза твердых частиц. Для защиты окружающих следует обязательно ставить предохранительные щитки.
- При пользовании клещами должны применяться кольца. Размеры колец должны соответствовать размерам обрабатываемых заготовок. С внутренней стороны ручек клещей должен быть упор, предотвращающий сдавливание пальцев руки.
- При работе клиньями или зубилами с помощью кувалд должны применяться клинодержатели с рукояткой длиной не менее 0,7 м.
- Отвертка должна выбираться по ширине рабочей части (лопатки), зависящей от размера шлица в головке шурупа или винта.
- Разрешается работать напильниками, ножовками и другими инструментами, имеющими заостренные хвостовики, только с прочно надетыми на хвостовики деревянными ручками с металлическими кольцами.
- При опиловке на станке деталей, имеющих пазы или отверстия, необходимо последние предварительно заделывать деревянными пробками.
- При шлифовке па станке наждачным полотном следует пользоваться жимками.
- При разрезке металла ручными пли приводными ножовками, необходимо прочно закреплять ножовочное полотно.
- Для того, чтобы при резке металла ножницами Ht было заусенцев, между половинками ножниц должен быть отрегулирован необходимый зазор, а сами ножи должны быть хорошо заточены.
- Для того, чтобы проверочные инструменты, плиты, линейки не могли упасть, их следует укладывать или устанавливать надежно на пол или стеллажи.
- Работая с абразивным инструментом, необходимо пользоваться защитными очками.
- Останавливать вращающийся инструмент рукам! или каким-либо предметом запрещается.
- При работе на заточных станках, должны соблюдаться требования инструкции по охране труда для заточников № 29.
4.5.6 Техника безопасности при работе с электрифицированным инструментом
- не подключать электроинструмент напряжением до 42 В к электрической сети общего пользования через автотрансформатор, резистор или потенциометр;
- запрещается вносить внутрь емкостей, металлического оборудования и помещения с повышенной опасностью поражения электротоком трансформатор или преобразователь частоты, к которому присоединен электроинструмент.
- при работе в подземных сооружениях (колодцах, камерах и т.п.), а также при земляных работах трансформатор должен находиться вне этих сооружений;
- запрещается натягивать, перекручивать и перегибать кабель, ставить на него груз, а также допускать пересечение его с тросами, кабелями и руковами газосварки;
- устанавливать рабочую часть электроинструмента в патрон и изымать сё из патрона, а также регулировать инструмент следует после отключения его от сети штепсельной вилкой и полной остановки;
- лицам, работающим с электроинструментом, запрещается разбирать и ремонтировать самим инструмент, кабель, штепсельные соединения и другие части;
- запрещается работать электроинструментом с приставных лестниц;
- запрещается удалять стружку или опилки руками во время работы инструмента Стружку следует удалять после полной остановки электроинструмента;
- при работе электродрелью предметы, подлежащие сверлению, необходимо надежно закрепить. Касаться руками вращающегося режущего инструмента запрещается;
- при сверлении электродрелью с применением рычага для нажима, необходимо следить, чтобы конец рычага не опирался на поверхность, с которой, возможно его соскальзывание. Использовать в качестве рычагов случайные предметы запрещается;
- запрещается обрабатывать электроинструментом обледеневшие и мокрые детали;
- работать электроинструментом разрешается вис помещения только в сухую погоду, а при дожде или снегопаде - под навесом на сухой земле или настиле;
- запрещается оставлять без надзора электроинструмент, присоединенный к сети, а также передавать его лицам, не имеющим права с ним работать;
- при внезапной остановке электроинструмента (исчезновении напряжения в сети, заклинивании движущихся частей и т.п.) он должен быть отключен выключателем. При переносе электроинструмента с одного рабочего места на другое, а также при перерыве в работе и сё окончании электроинструмент должен быть отсоединен от сети штепсельной вилкой;
- если во время работы обнаружится неисправность электроинструмента или работающий с ним почувствует хотя бы слабое действие тока, работа должна быть немедленно прекращена, а неисправный инструмент должен быть сдан для проверки и ремонта;
Запрещено использовать экетрооборудование при следующих дефектах:
- повреждение штепсельного соединения, кабеля или его защитной трубки;
- повреждение крышки щеткодержателя;
- нечеткая работа выключателя;
- искрение щеток на коллекторе, сопровождающееся появлением кругового огня на его поверхности;
- вытекание смазки из редуктора или вентиляционных каналов;
- появление дыма или запаха, характерного для горящей изоляции:
- появление повышенного шума, стука, вибрации;
- поломка или появление трещин в корпусной детали, рукоятке, защитном ограждении;
- повреждение рабочей части инструмента;
- если напряжение выше 42 В, работать в диэлектрических перчатках и диэлектрических галошах или на резиновом коврике.
- При работе с электрическими светильниками запрещается использовать автотрансформаторы, дроссельные катушки и реостаты для понижения напряжения.
- Вносить внутрь емкостей барабанов, газоходов и топок котлов, тоннелей и т.п. переносной понижающий трансформатор, к которому подключен светильник, запрещается.
- Провод светильника не должен касаться влажных, горячих и масляных поверхностей.
- Если во время работы обнаружится неисправность электролампы, провода или трансформатора, необходимо заменить их исправными, предварительно отключив от электросети.
Список используемой литературы
1 ГОСТ 15122-89. Теплообменники кожухотрубчатые с неподвижными трубными решетками и кожухотрубчатые с температурным компенсатором на кожухе. Основные параметры и размеры.-М.: Изд- во стандартов 1989- с27
2 ГОСТ 15121-79. Конденсаторы кожухотрубчатые с неподвижными трубными решетками и кожухотрубчатые с температурным компенсатором на кожухе. Основные параметры и размеры. .-М.: Изд- во стандартов 1979 – с29
3 ГОСТ 14246-79. Сосуды и аппараты. Нормы и методы расчета на прочность. .-М.: Изд- во стандартов 1989 – с 79
4. ГОСТ 24755-89 Сосуды и аппараты. Нормы и методы расчета на прочность укрепления отверстий. .-М.: Изд- во стандартов 1989- с 131
5 ПБ 03-576-03. Правила устройства и безопасной эксплуатации сосудов работающих под давлением Госгортехнадзор СССР, 1974 –с 89.
6 ПБ 09-540-03. Общие правила взрывобезопасности во взрывоопасных и взрывопожароопасных химических и нефтехимических производствах. Госгортехнадзор СССР, 1974.-с 69
7 Общие технические условия на ремонт кожухотрубчатых теплообменников. Волгоград, 1974.-с 87
8. Черняк Я.С., Дуров В.С. Ремонтные работы на нефтехимических предприятиях. М.: Химия, 1975.
9 Ермаков В.И., Шелн В.С. Ремонт и монтаж химического оборудования Л.: Химия, 1981.- с 356
10 Вухман Г.Л., Круглов С.А. Основы конструирования аппаратов и машин нефтеперерабатывающих заводов. М.: Машиностроение, 1978.-с 362
11 Ткаченко Г.П., Бриф В.М., Изготовление и ремонт кожухотрубчатой теплообменной аппаратуры. М.: Машиностроение, 1980.-с 255
12 ОСТ 26291-94. Сосуды и аппараты стальные сварные. Общие технические условия – М., ИПО ОБТ, 1996 – 355с.
13 Типовые технологические процессы изготовления аппаратов для химических производств. Под ред. А.Д. Никифорова.
14 Фармазов С.А. «Ремонт и монтаж оборудования химических и нефтеперерабатывающих заводов»: Учебник для техникумов, изд. 2-е, перераб. и доп. – М., Химия, 1988 – 34с.
15 Лащинский А.А., «Конструирование сварных химических аппаратов», Справочник – Л., Машиностроение, 1981 – 382с.
16 ВНИКТИнефтехимоборудование. Теплообменники кожухотрубные. Общие технические условия на ремонт. УО 38. 011.85-83. Волгоград 1985.
17 ОСТ 26-2079-80 Швы сварных соединений сосудов и аппаратов. Выбор методов неразрушаюшего контроля – М., ИПО ОБТ, 1996 – 365с
18 Елисеев Б.М. Расчет деталей центробежных насосов (справочное пособие). М., «Машиностроение», 1975, 208 с.
19 Расчет и конструирование машин и аппаратов химических производств: Примеры и задачи: Учебное пособие для студентов вузов/ Ф.М. Михалев, Н.П. Третьяков, А.И. Мильченко, В.В. Зобнин; под общей редакцией М.Ф. Михалева. Л.: Машиностроение, Ленингр. отд-ние, 1984 г. – 301 с., ил.
20 Рахмилевич З.З. Насосы в химической промышленности: Справ. изд. – М.: Химия, 1990. – 240 с.
21 Конструкции и расчет центробежных насосов высокого давления. Михайлов А.К. и Малюшенко В.В. М., «Машиностроение», 1971, 304 с.
22 Гидравлика, насосы и компрессоры. Бобровский С.А., Соколовский С.М. М., изд-во «Недра», 1972 г., 296 с.
23 Насосы и компрессоры. Елин В.И., Солдатов К.Н., Соколовский С.М. М.: Государственное научно-техническое издательство нефтяной и горно-топливной литературы, 1960, 398 с.
24 Нормативы для составления плановых калькуляций на капитальный ремонт технологического оборудования (затраты времени - нормы времени).
25 Общемашиностроительные нормативы времени на работу, выполняемые на металлорежущих станках. Москва, экономика, 1987г.
26 . Местные нормативы времени на выполнение ремонта оборудования, Справочник ОАО «СНОС».
27 Общемашиностроительные нормативы времени на слесарную обработку деталей и слесарно-сборочные работы по сборке машин. Москва. Машиностроение, 1974г.
28 Система планово-предупредительных ремонтов в машиностроительной промышленности. Ленинград. ЛИНИИ машиностроения, 1981 г,- с 78
29 Положение о планово-предупредительном ремонте технологического оборудования предприятия нефтеперерабатывающей и нефтехимической промышленности. Ч 1,2. Волгоград, 1977г. – с 91
30 . Положение о порядке оплаты труда в ОАО «СНОС» НПЗ Приказ №1415 от11.01.2005
31 ФЗ от 20 июля 2004 №70 «О ставках Единого социального налога на 2005 г».
32 Плановая калькуляция
на устранение дефектов оборудования
НПЗ 2008-2009 год.


























