Характеристика электродвигателя
МИНИСТЕРСТВО ОБРАЗОВАНИЯ И НАУКИ УКРАИНЫ
Кафедра Автоматизации производственных процессов
Курсовая работа
по дисциплине
«Основы теории электропривода»
2007
СОДЕРЖАНИЕ
РЕФЕРАТ
Введение
1. Выбор электродвигателя по мощности
1.1 Статическая нагрузочная диаграмма электропривода
1.2 Предварительный выбор электродвигателя по мощности и скорости
1.3 Динамическая нагрузочная диаграмма электропривода
1.4 Проверочный расчет электродвигателя по нагреву
1.5 Проверочный расчет электродвигателя по условиям пуска
1.6 Проверочный расчет электродвигателя по условиям допустимой перегрузки
2. Механические характеристики электропривода в рабочих режимах
2.1 Расчет и построение естественной и рабочей механических характеристик электропривода в двигательном режиме работы, определение величины сопротивления рабочей секции, статизма электропривода
2.2 Определение максимально возможного диапазона регулирования скорости привода при реостатном способе регулирования и регулирования скорости изменением напряжения
2.3 Определение необходимого статизма при увеличении диапазона регулирования в 10 раз с указанием способа снижения статизма
2.4 Расчет и построение статической пусковой диаграммы электропривода
2.4.1 Определение количества пусковых ступеней и секций, величин их сопротивлений
2.4.2 Определение плавности регулирования скорости при использовании пусковых сопротивлений в качестве регулировочных
2.4.3 Разработка силовой электрической схемы электропривода с учетом технологических условий работы механизма
2.5 Расчет и построение механических характеристик электропривода в тормозных режимах
2.5.1 Расчет и построение механической характеристики при силовом спуске пустой крюковой подвески в режиме рекуперативного торможения, определение величины сопротивления секции противовключения
2.5.2 Расчет и построение механической характеристики при спуске номинального груза с номинальной рабочей скоростью, определение величины тормозного сопротивления
2.5.3 Расчет и построение механической характеристики при спуске номинального груза с остановочной скоростью, определение величины тормозного сопротивления
3. Электромеханические переходные процессы в электроприводе
3.1 Расчет и построение
графиков переходных процессов
и (t)
при разгоне привода от нулевой начальной
скорости до рабочей

3.2 Расчет и построение
графиков переходных процессов
и (t)
при переводе привода из положения
"Подъем"
с рабочей скоростью
в положение "Спуск"
при опускании пустой крюковой подвески
в режиме рекуперативного торможения
со скоростью щ>щ0
3.3 Расчет и построение
графиков переходных процессов
и M(t) при торможении
электропривода в
конце подъема груза, определение места
установки конечного выключателя, ограничивающего высоту подъема крюковой подвески
4. Разработка принципиальной электрической схемы электропривода
Выводы
Перечень ссылок
РЕФЕРАТ
Объект проектирования: электропривод с двигателем постоянного тока.
Цель работы: выбрать электродвигатель по мощности, рассчитать и построить механические характеристики электропривода в рабочих режимах и электромеханические переходные процессы в электроприводе, разработать принципиальную электрическую схему электропривода.
ЭЛЕКТРОПРИВОД, РАСЧЕТ, МОЩНОСТЬ, СКОРОСТЬ, ХАРАКТЕРИСТИКА, СТРУКТУРА, СХЕМА, ПРОЦЕСС.
Введение
Электроприводом называется электромеханическая система, состоящая из электродвигательного, преобразовательного, передаточного и управляющего устройств, предназначенных для приведения в движение исполнительных органов рабочей машины и управления этим движением.
Нельзя представить себе ни одного современного производственного механизма, в любой области техники, который не приводился бы в действие электроприводом. В электроприводе основным элементом, непосредственно преобразующим электрическую энергию в механическую, является электродвигатель, который чаще всего управляется при помощи соответствующих преобразовательных и управляющих устройств с целью формирования статических и динамических характеристик электропривода, отвечающих требованиям производственного механизма.
Целью данной курсовой работы является расчет электродвигателя, входящего в состав электропривода механизма подъема мостового крана, а также создание системы управления электроприводом, которая бы обеспечила заданные режимы его работы.
1. Выбор электродвигателя по мощности
1.1 Статическая нагрузочная диаграмма электропривода
Для построения статической нагрузочной диаграммы необходимо найти статические моменты на двигателе, мощности и время на переходах.
Определим время подъема и опускания груза (крюковой подвески):

Все необходимые промежутки времени определяются с помощью пакета Mathcad 8
Определим продолжительность цикла:

Продолжительность включения механизма в статике:

Определим статические моменты на валу электродвигателя при подъеме и опускании грузов (крюковой подвески):

Таким образом, статическая диаграмма будет состоять из следующих участков: подъем груза (tр1), остановка механизма на время (to1), опускание груза (tр2), остановка на время разгрузки (to2), подъем крюковой подвески (tр3), остановка механизма подъема на время перемещения крюковой подвески к месту загрузки (to3), опускание крюковой подвески (tр4), остановка механизма на время загрузки (to4). Диаграмма представлена на рисунке 1.1.

Рисунок 1.1 — Статическая нагрузочная диаграмма
1.2 Предварительный выбор электродвигателя по мощности и скорости
Мощность электродвигателя с ближайшей стандартной продолжительностью включения ПВст выбираем из условия подъема номинального груза по расчетной мощности:

Т.к. tц>10 мин, то выбирается двигатель со стандартной продолжительностью включения ПВ=100% по условию Рн*100%>=Ррасч
Номинальную частоту вращения двигателя определим из формулы:

Исходя из условий nн> nр и Рн*100%>=Ррасч выберем электродвигатель постоянного тока 4ПФ160S. Он обладает следующими параметрами:
-мощность 15 кВт;
-ток якоря 79.6 А;
-номинальная частота вращения 850 об/мин;
-максимальная частота 4000 об/мин;
-напряжение якоря 220 В;
-кпд 80.7%.
1.3 Динамическая нагрузочная диаграмма электропривода
Определим динамический пусковой момент по формуле:

Где М1 и М2 – максимальный и минимальный пусковые моменты соответственно

Где ш – кратность пусковых моментов
Определим время подъема и опускания груза , для этого:

Момент инерции якоря

Момент инерции муфты с тормозным шкивом

Суммарный , приведенный момент инерции


Угловая скорость вращения вала двигателя
Время пуска привода для каждой операции

Для определения времени электрического торможения механизма подъема найдем суммарный приведенный момент инерции при торможении


Тормозные моменты

Где Kт – коэффициент запаса торможения.
Время торможения

Уточненное значение продолжительности включения


Число циклов в час

1.4 Проверочный расчет электродвигателя по нагреву
Определим эквивалентный момент по данным динамической нагрузочной диаграммы

Коэффициенты, учитывающие ухудшение условий охлаждения двигателя при пусках и торможениях


Эквивалентная мощность, соответствующая моменту эквивалентному
Должно выполняться условие

Т.е. оно выполняется
1.5 Проверочный расчет электродвигателя по условиям пуска
.
1.6 Проверочный расчет электродвигателя по условиям допустимой перегрузки

2 Механические характеристики электропривода в рабочих режимах
2.1 Расчет и построение естественной и рабочей механических характеристик электропривода в двигательном режиме работы, определение величины сопротивления рабочей секции, статизма электропривода
Естественную характеристику
электропривода построим по точкам с
координатами
и
.

Номинальный момент
Необходимые для построения значения скоростей найдем как:
Скорость холостого хода

где

-
Активное сопротивление обмотки якоря

Рабочую характеристику при рабочей скорости щр<щн строится по координатам щ=щ0, М=0; щ=щр, М=Мс1. Естественная и рабочая характеристики показаны на рисунке 2.1.

Рисунок 2.1 — Механические характеристики привода
Статизм определим из следующего соотношения:
дщ=(щ0-щн)*100%/щ0 дщ=7,172%
2.2 Определение максимально возможного диапазона регулирования скорости привода при реостатном способе регулирования и регулирования скорости изменением напряжения
При реостатном способе регулирования
скорости, скорость меняется при изменении
сопротивления якоря. Точность регулирования
при этом очень низкая —
Достаточно велики потери электрической
энергии на сопротивлении. Диапазон
изменения скорости при реостатном
регулировании (графически):
щ=щреост.min…щн=70.1…89
При регулировании скорости изменением напряжения получим следующий диапазон изменения скорости.
Минимально возможная скорость при регулировании напряжением:

тогда по построению

Напряжение, соответствующее минимальной скорости:

Максимально возможная скорость при регулировании напряжением:

Напряжение, соответствующее максимальной скорости:

Диапазон регулирования скорости: щ=щmin…щmax=0.042…96.25 при изменении напряжения U=Umin…Umax=15.865…220(B)
2.3 Определение необходимого статизма при увеличении диапазона регулирования до указанного в техническом задании с обоснованием способа снижения статизма и приведением необходимой структуры электропривода
Оптимальный статизм найдем как

2.4 Расчет и построение статической пусковой диаграммы электропривода
2.4.1 Определение количества пусковых ступеней и секций, величин их сопротивлений
Построим статическую пусковую диаграмму выхода на естественную характеристику, исходя из следующих соображений: aдоп=0.1(м/сІ), Vр=0.1(м/с)
Для подсчета ускорения воспользуемся
формулой:
где

Время разгона двигателя:

где



Количество пусковых ступеней
найдем как


Так как выходим на естественную
характеристику, то

больше

Получены следующие расчетные
значения:
количество пусковых ступеней — 1,
суммарное время разгона
сопротивление первой пусковой ступени

Сопротивление первой пусковой секции


Рисунок 2.2 — Статическая пусковая диаграмма
2.4.2 Определение плавности регулирования скорости при использовании пусковых сопротивлений в качестве регулировочных
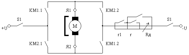
2.4.3 Разработка силовой электрической схемы электропривода с учетом технологических условий работы механизма

Рисунок 2.5 — Силовая схема электропривода
Силовая схема содержит высокомоментный двигатель постоянного тока, рубильники (S1), реверсивный мост и пусковые ступени с реостатом для регулирования скорости (Rд).
2.5 Расчет и построение механических характеристик электропривода в тормозных режимах
2.5.1 Расчет и построение механической характеристики привода при силовом спуске пустой крюковой подвески в режиме рекуперативного торможения, определение величины сопротивления секции противовключения
Для рекуперативного торможения найдем тормозной момент:

ЕДС, генерируемая приводом:

Ток противовключения :

Сопротивление противовключения:


Рисунок2.4-Рекуперативное торможение
2.5.2 Расчет и построение механической характеристики при реверсе по току якоря, определение величины сопротивления секции противовключения
Сопротивление секции противовключения найдем как

Точки для построения характеристики:
и
Точки для построения реверсивной
характеристики:
и


Рисунок 2.6 — Тормозные характеристики
2.6 Выводы
При рассмотрении работы электродвигателя, приводящего в действие производственный механизм, необходимо, прежде всего, выявить соответствие механических характеристик двигателя характеристике производственного механизма. Поэтому для правильного проектирования и экономичной эксплуатации электропривода необходимо изучать эти характеристики.
3 Электромеханические переходные процессы в электроприводе
3.1
Расчет и построение графиков переходных
процессов
и
при разгоне привода от нулевой начальной
скорости до рабочей

Так как процесс разгона двигателя происходит ступенчато (одна ступень), то имеем два переходных процесса. Для построения графиков переходных процессов найдем постоянные времени переходных процессов:

Тогда время переходных процессов найдем как:

График переходного процесса по
скорости будет комбинацией графиков
переходных процессов, происходящих при
разгоне до скорости, на которой шунтируется
пусковая секция и при разгоне до
необходимой скорости:


Рисунок 3.1 — Переходный процесс

График переходного процесса по
току будет комбинацией графиков
переходных процессов, происходящих при
разгоне до скорости, на которой шунтируется
пусковая секция и при разгоне до
необходимой скорости:


Рисунок 3.2 — Переходный процесс

3.2
Расчет и построение графиков переходных
процессов
и
при переводе привода из положения
«Вперед» в положение «Назад» для
получения максимальной скорости возврата
каретки
Перевод привода из положения
«Вперед» в положение «Назад» осуществим
поэтапно. Сначала затормозим двигатель
противовключением, после чего осуществим
его разгон в противоположную сторону
до скорости
,
а затем — до скорости
Разгон до каждой из скоростей будем
осуществлять ступенчато, как показано
в п.2.4, так как конечные скорости
пропорциональны.
Переходный процесс при торможении противовключением.
Постоянная времени переходного процесса:

Время переходного процесса:

Переходный процесс по скорости будет описываться уравнением

Переходный процесс по току будет описываться уравнением

Переходные процессы при разгоне
до скорости
.
По скорости:

По току:

Переходные процессы при разгоне
до скорости
.
По скорости:

По току:

График переходного процесса по скорости получим комбинацией графиков переходных процессов на каждом участке.

Рисунок 3.3 — Переходный процесс


Рисунок 3.4 — Переходный процесс

3.3
Расчет и построение графиков переходных
процессов
и
при сбросе и набросе наибольшей нагрузки,
определение пути на этом переходе с
учетом электромеханических процессов,
оценка ошибки позиционирования
Постоянную времени переходных процессов определим как

Время переходного процесса
определим

Переходные процессы по скорости:

Переходные процессы по току:


Рисунок 3.5 — Переходный процесс


Рисунок 3.6 — Переходный процесс

Путь при переходном процессе найдем из следующих соотношений:
где
—
число оборотов рабочего органа.
где
— число оборотов двигателя.
где
— угол поворота ротора двигателя за
время переходного процесса.

Тогда

Следовательно,

3.4 Выводы
Изучение переходных режимов электропривода имеет большое практическое значение. Результаты их расчетов позволяют правильно определить мощность электродвигателей и аппаратуры, рассчитать систему управления и оценить влияние работы электропривода на производительность и качество работы производственных механизмов.
4 Разработка принципиальной электрической схемы электропривода
Согласно заданию на проектирование, разрабатываем электрическую схему электропривода с использованием бесконтактных элементов.
Силовая часть схемы включает в себя цепи пуска высокомоментного ДПТ в функции ЭДС, его реверса, торможения противовключением и динамического торможения в функции тока.
В работе электропривода можно выделить следующие логические функции и условия, согласно которым осуществляется работа привода.
Логические функции.
— если «1», то двигатель работает
в режиме «вперед»;
— если «1», то двигатель работает
в режиме «назад»;
— если «0», то включается первая
рабочая скорость;
— если «0», то включается вторая
рабочая скорость;
— если «1», то двигатель работает
в режиме динамического торможения;
— если «1», то осуществлен пуск
двигателя в функции ЭДС;
— если «0», то двигатель работает
в режиме торможения противовключением.
Логические условия.
— если «1», то нажата кнопка SB1
(«стоп»), иначе — кнопка SB1
отпущена;
— если «1», то нажата кнопка SB2
(«пуск вперед»), иначе — кнопка SB2
отпущена;
— если «1», то нажата кнопка SB3
(«пуск назад»), иначе — кнопка SB3
отпущена;
— если «1», то нажата кнопка SB4
(«включение первой рабочей скорости»),
иначе — кнопка SB4
отпущена;
— если «1», то нажата кнопка SB5
(«возврат на номинальную скорость»),
иначе — кнопка SB4
отпущена;
— если «1», то нажата кнопка SB6
(«включение второй рабочей скорости»),
иначе — кнопка SB6
отпущена;
— если «1», то нажата кнопка SB7
(«возврат на первую рабочую скорость»),
иначе — кнопка SB7
отпущена;
,
— если «1», то в цепи якоря короткое
замыкание, иначе — номинальный режим;
— если «1», то в цепи якоря
перегрузка по току, иначе — номинальный
режим;
— если «1», то в цепи якоря есть
ток, иначе — тока нет;
— если «1», то в напряжение на
якоре достигло порогового значения,
при котором необходимо отключить
пусковое сопротивление, иначе —
напряжение меньше необходимого;
— если «1», то необходимо включить
секцию противовключения для предотвращения
броска тока, иначе такой необходимости
нет;
— если «1», то закончилась
временная выдержка, в течение которой
МТЗ может считаться не сработавшей,
иначе — МТЗ сработала.

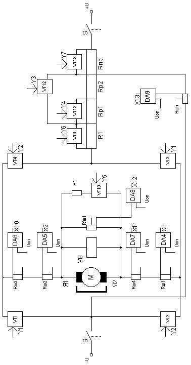
Рисунок 4.1 — Функциональная схема силовой части привода
Работа схемы.
Силовая схема электропривода состоит из высокомоментного ДПТ (М), реверсивного транзисторного мостового коммутатора (VT1..VT4), бесконтактных переключателей (VT6, VT10, VT12, VT13 и VT18), бесконтактных датчиков тока (Rш1..Rш4) и напряжения (R’ш1 и Rшп), а также компараторов тока и напряжения (DA4..DA9).
Исходное состояние — двигатель выключен.
Для пуска двигателя вперед,
необходимо нажать кнопку SB2.
При этом если не нажата кнопка «стоп»
(SB1),
есть напряжение на блоке питания схемы,
не сработали реле короткого замыкания
(Rш1
и Rш2)
и не сработала максимальная токовая
защита (Rш3)
и временная
задержка для того, чтобы схема не
отключилась при кратковременном набросе
тока, то двигатель начинает работать в
режиме «вперед». Таким образом, можно
записать следующее выражение:

Для пуска двигателя назад,
необходимо нажать кнопку SB3.
При этом если не нажата кнопка «стоп»
(SB1),
есть напряжение на блоке питания схемы,
не сработали реле короткого замыкания
(Rш1
и Rш2)
и не сработала максимальная токовая
защита (Rш3)
и временная
задержка для того, чтобы схема не
отключилась при кратковременном набросе
тока, то двигатель начинает работать в
режиме «назад». Таким образом, можно
записать следующее выражение:

Пуск в функции ЭДС осуществляется
автоматически при включении двигателя
вперед или назад и достижении напряжением
якоря порогового значения, а так же при
условии того, что в данный момент не
производится торможение противовключением.
Таким образом, можно записать следующее
выражение:

Включение первой рабочей скорости
(выключение переключателя VT12, поэтому
для включения скорости) осуществляется,
если нажата кнопка SB4 и не нажата кнопка
SB5, и закончился пуск в функции ЭДС.
Выражение для включения первой рабочей
скорости:
Для реализации этой функции применим
триггер RS-типа.
Включение второй рабочей скорости
(выключение переключателя VT13, поэтому
для включения скорости) осуществляется,
если нажата кнопка SB6 и не нажата кнопка
SB5, и включена первая скорость. Выражение
для включения второй рабочей скорости:
Для реализации этой функции применим
триггер RS-типа.
Динамическое торможение привода
осуществляется, если нажата кнопка
«стоп» (SB1), в цепи якоря протекает ток
(Rш4) и не производится торможение
противовключением. Выражение для
включения цепи динамического торможения
имеет вид:

Торможение противовключением
осуществляется, если произошла смена
направления движения (последовательно
были нажаты кнопки «стоп» и «пуск» в
одном из направлений) и сработало
бесконтактное реле напряжения Rшп.
Выражение для запуска торможения
противовключением будет иметь вид:

Бесконтактные переключатели (VT1..VT4, VT6, VT10, VT12, VT13 и VT18) реализованы на транзисторах, работающих в ключевом режиме. Компараторы (DA4..DA9) реализованы на базе операционных усилителей, работающих в компараторном режиме, типа 140УД12.
В реализации схемы управления
используется 4 элемента И
(2 двух-, 1 трех- и 1 четырехвходовый), 3
элемента И-НЕ
(2 двух- и 1 трехвходовый), 3 двухвходовых
элемента ИЛИ,
1 элемент ИЛИ-НЕ
и 4 асинхронных RS-триггера,
а также, для получения сигнала
(временная
задержка сигнала
),
— RC-цепочка.
Для реализации логики используем микросхемы серии К155.
Выводы
Управление электроприводами заключается в осуществлении пуска, регулировании скорости, торможения, реверсирования, а также поддержания режима работы привода в соответствии с требованиями технологического процесса.
В простейших случаях пуск, регулирование скорости и торможение осуществляется при помощи аппаратов ручного управления. Применение этих аппаратов связано с дополнительной затратой времени на управление и, следовательно, снижает производительность механизма. Кроме того, применение аппаратов ручного управления исключает возможность дистанционного управления, что неприемлимо в ряде современных автоматизированных установок.
Стремление устранить подобные недостатки ручного управления привело к созданию аппаратов полуавтоматического и автоматического управления.
Автоматическое управление электроприводами является одним из основных условий повышения производительности механизмов и производства продукции высокого качества.
Кроме того, автоматизация упрощает обслуживание механизмов, дает возможность осуществить дистанционное управление электроприводами. Последнее особенно важно там, где нельзя управлять двигателями в непосредственной близости по условиям территориального расположения машин или в связи с особенностями технологического процесса.
Перечень ссылок
Чиликин М.Г., Сандлер А.С. Общий курс электропривода: учебник для вузов. — 8-е изд., доп. И перераб. — М.:Энергоиздат, 2004. — 576 с., ил.
Забродин Ю.С. Промышленность электроника: учебник для вузов. — М.:Высш.школа, 2002. — 496 с., ил.
Руденко В.С. Приборы и устройства промышленной электроники. — К.:Техника, 2005. — 368 с.
Лебедев А.М и др. Следящие электроприводы станков с ЧПУ. — М.:Энергоатомиздат, 2003. — 223 с., ил.
Панкратов А.И. Методические указания к самостоятельной работе по дисциплине «Электрооборудование подъемно-транспортных машин» (для студентов спецальности 15.04). —:КИИ, 2005. — 35 с.
Панкратов А.И. Методические указания к самостоятельной работе по дисциплине «Электротехника, основы электроники и электрооборудование» (для студентов специальностей 12.01, 12.02, 11.06, 12.03, 12.05, 11.08). —:КИИ, 2004. — 27 с.
Панкратов А.И. Методические указания к самостоятельной работе по дисциплине «Автоматика и автоматизация производственных процессов» (для студентов спецальности 15.04). —:КИИ, 2006. — 16 с.
