Шліфування матеріалів
Курсова робота
З курсу "Різання матеріалів, верстати та інструменти"
Завдання
1. Особливості процесу різання при шліфуванні. Типи і основні характеристики абразивного матеріалу.
2. Визначити, з якою подачею висвердлювався отвір діаметром 15мм, якщо при цьому використовувалось свердло з нормальною заточкою і кутом 2φ = 116˚, а товщина зрізу складала 0,2мм.
3. За приведеними німими кінематичними схемами головного руху металорізальних верстатів згідно свого варіанту показати способи закріплення на валах елементів приводу (шківи, шестерні, муфти...) та визначити:
а) групу верстата;
б) можливе число ступенів частоти шпинделя;
в) найбільшу і найменшу частоту обертання шпинделя верстата за хвилину;
г) описати роботу коробки швидкостей по приведеній схемі.
4. Згідно свого варіанту заданої деталі розробити маршрутний технологічний процес виготовлення деталі з виробом заготовки відповідно заданому кресленню і виду виробництва.
Завдання виконувати в наступному порядку:
Подати креслення деталі в масштабі 1:1 на форматі А4 або А5.
Описати конструкцію і призначення деталі.
Розробити маршрутний технологічний процес виготовлення деталі з вибором заготовки, типу верстатів, інструменту і приспосіблень відповідно до заданого креслення і виду виробництва матеріал сталь 20х, виробництво дрібносерійне.
Розрахувати режим різання для однієї операції (переходу) по вибору студента.
1. Особливості процесу різання при шліфуванні. Типи і основні характеристики абразивного матеріалу.
Шліфування - процес різання металів за допомогою абразивного інструменту, ріжучим елементом якого є зерна. Зерна, що володіють високою твердістю, теплостійкістю і гострими кромками, сполучені спеціальними зв'язуючими речовинами в шліфувальні круги, сегменти, головки, бруски і шкірки; застосовують зерна і у вигляді паст і порошків.

Мал. 1. Схема роботи абразивних зерен
Виступаючі зерна (мал. 1) абразивного матеріалу, міцно закріплені в шліфувальному крузі зв'язуючою (цементуючою) речовиною, при обертанні круга з великою швидкістю (до 80 м/с) зрізають (дряпають) шар металу із заготівки у вигляді дуже дрібної стружки. Велике число стружок (до сотні мільйонів в хвилину) і їх мала товщина (декілька мікронів) обумовлюються малим розміром самих ріжучих зерен-різців і великою кількістю зерен, що одночасно беруть участь в різанні (царапанні). Унаслідок малого перетину зрізу і великої швидкості різання шліфування забезпечує високу точність (2- 1-й клас) і малу шорсткість обробленої поверхні (7-12-го класу), а тому цей процес частіше є остаточною (обробною) операцією. Проте шліфування успішно застосовують і для зняття великих об'ємів металу, замінюючи обробку заготовки різцем або фрезою.
Процес стружкоутворення при шліфуванні наближається до різання, здійснюваного зубом фрези. Не дивлячись на малі розміри шару, що зрізається, одержувана при шліфуванні стружка має ту ж будову і вигляд, що і стружка, одержувана при фрезеруванні. Тут також мають місце пружна і пластична деформація тепловиділення, зміцнення, знос і ін. Але оскільки не всі зерна однаково беруть участь в роботі, то разом з нормальною (дрібною) стружкою при шліфуванні виходить ще і металевий пил, який при високій температурі спікається. Висока температура при шліфуванні (до 1000-1500° З) виникає в результаті наявності біля зерен різноманітної, неправильної геометрії ріжучої частини (негативного переднього кута) і великої швидкості різання. Із збільшенням зносу зерен температура при шліфуванні підвищується, що може викликати деформацію деталі, структурні зміни і тріщини на обробленій поверхні. Для зниження температури при шліфуванні сталей застосовують рясне (10-60 л/міни) охолоджування. Змащувально-охолоджуючі рідини сприяють також видаленню абразивного і металевого пилу з повітря і очищенню порів круга від продуктів відходу, підвищують продуктивність і зменшують шорсткість обробленої поверхні; знижується і розм'якшення зв'язки круга, яке виходить унаслідок нагріву.
Разом із загальними явищами, властивими і іншим видам обробки металів різанням, процес шліфування має особливості:
ріжуча кромка шліфувального круга не суцільна, і переривиста, оскільки зерна розміщені один від одного на деякій відстані;
зерна шліфувального круга неправильної, закругленої на вершинах геометричної форми, довільно розташовані в крузі, що є причиною негативного і непостійного значення переднього кута;
унаслідок пірамідальної і закругленої форми ріжучої частини зерна виникає складна залежність між глибиною і шириною западини, утворюваної на обробленій поверхні кожним зерном-різцем;
в процесі роботи шліфувальний круг може самозаточуватися, тобто під дією підвищеного навантаження на затуплене зерно воно частіше за все колеться або викришується із зв’язки тим самим відкриваючи нові гострі зерна, які і продовжуватимуть різання;
внаслідок округлення вершини зерна і нульової товщини зрізу в момент, попередній царапанню - зрізанню (тобто при урізуванні), зерна піддаються великому тертю об поверхню різання, утворену зернами-різцями, що йдуть попереду;
процес зняття стружки зерном відбувається за короткий проміжок часу (0,0001-0,00005 с). Ці особливості роблять процес різання при шліфуванні складнішим, ніж при інших видах обробки, і створюють великі труднощі як при теоретичному, так і експериментальному його дослідженні.
Абразивні матеріали. Матеріали, що застосовуються у вигляді ріжучих зерен, діляться на дві групи: природні і штучні. До природних абразивних матеріалів відносяться мінерали - алмаз, корунд і наждак. Основною складовою частиною корунду і наждаку є окис алюмінію (глинозем); вони містять також сторонні домішки, що знижують їх якість, а тому в сучасному машинобудуванні майже не застосовуються. До штучних абразивних матеріалів відносяться електрокорунд, карбід кремнію, карбід бору, синтетичний алмаз.
Для з'єднання зерен в одне ціле застосовують зв'язуючі (цементуючі) речовини, так звані зв'язки. Від зв'язок залежить міцність утримання зерна в крузі і міцність самого круга, при обертанні якого виникають великі відцентрові сили. Зв'язки діляться на органічні і неорганічні. До органічних зв'язок відносяться вулканітова (В), бакелітова (Б) і глифталева (ГФ).
Твердість абразивного інструменту. Під твердістю абразивного інструменту мається на увазі здатність зв'язки утримувати зерно в інструменті при дії на нього зовнішніх сил. Чим легше викришується зерно з інструменту, тим м'якший інструмент, і навпаки. Твердість - важлива характеристика абразивного інструменту, від якої багато в чому залежать продуктивність і якість обробленої поверхні. Дуже твердий круг сприятиме виникненню припікання на обробленій поверхні або вимагатиме частої правки, оскільки зерна які затупилися не викришується з твердої зв'язки. Робота затупленими зернами приводить до більшої витрати потужності, до більшого тертя і тепловиділення, що може викликати не тільки припікання обробленої поверхні, але і викривлення деталі. Дуже м'який круг обсипатиметься, тобто швидко змінюватиме свою форму і розміри. Тому для кожного конкретного випадку обробки потрібен інструмент певної твердості.
Структура абразивного інструменту. Окрім матеріалу зерна, зернистості, твердості і зв'язки, абразивний інструмент визначає ще і структура. Структура характеризує будову абразивного інструменту залежно від кількісного співвідношення між зернами, зв'язкою і порами в одиниці об'єму.
Абразивний інструмент має 13 основних номерів структур (0-12), які діляться на три групи: щільні (0-3), середньо щільні (4-6) і відкриті (7-12). Номер структури визначає проміжки (відстань) між зернами: чим більше номер, тим більший проміжок. Правильний вибір структури абразивного інструменту сприятиме меншому заповненню порів стружкою, а отже, і підвищенню продуктивності. При підвищенні номера структури зменшуються припікання обробленій поверхні.
Маркіровка абразивного інструменту. Для конкретних умов обробки потрібен абразивний інструмент з певними фізико - механічними даними. У зв'язку з цим його маркірують з вказанням повної характеристики (абразивний матеріал, зернистість, твердість, зв'язка, структура, форма, розмір і максимальна окружна швидкість). Наприклад, маркування Э950СМ1К5 ПП150Х50Х65 30-35 м/с - означає, що шліфувальний круг із білого електрокорунду 9, зернистістю 50, средньомягкий 1, на керамічній зв’язці, структура № 5; форма плоска прямого профілю, із зовнішнім діаметром 150, шириною (висотою) 50, діаметром отвору 65 мм; окружна швидкість не більше 30-35 м/с.
Форма абразивного інструменту.
Шліфувальні круги. Основні форми шліфувальних кругів представлені на мал. 2. По ГОСТ 2424-67 передбачено 22 профілі шліфувальних кругів діаметром 3-1100 мм, заввишки 0,18-250 мм, з діаметром отворів 1-305 мм.
Плоскі круги прямого профілю ПП застосовують для круглого зовнішнього, внутрішнього і без центрового шліфування, для плоского шліфування периферією круга і для заточування інструменту. В останньому випадку як робоча поверхня використовують як поверхні торців, так і циліндрову.

Мал. 2. Основні форми шліфувальних кругів
Плоскі круги з двостороннім конічним профілем 2П застосовують для шліфування зубів шестерень і шліфування різьб. Плоскі круги з виточкою ПВ і з двосторонньою виточкою ПВД характерні тим, що у виточках поміщаються затискні фланці, які дозволяють вільніше підвести круг до оброблюваної заготовки і сумістити кругле шліфування з підрізуванням торця. Круги форм ПВД застосовують також при без центровому шліфуванні (для провідних кругів). Циліндрові круги-чашки ЧЦ застосовують для заточування інструментів і для плоского шліфування торцем, маючи надійне (фланцеве) кріплення до шпинделя верстата. Конічні круги-чашки ЧК застосовують для заточування ріжучого інструменту і плоского шліфування. Круги-тарілки 2Т мають дві конічні поверхні (під кутом а = 25° і = 5°), що полегшує правку круга по конічній поверхні, яка при заточуванні гвинтових поверхонь ріжучого інструменту є робочою поверхнею.
Абразивні інструменти (у тому числі і шліфувальні круги) виготовляють по класах А або Б.
Алмазні круги форми АПП мають алмазоносне кільце (товщиною 1-5 мм), закріплене на корпусі з дюралюмінію або сталі. Концентрація алмазних зерен в одиниці об'єму алмазоносного шару 50, 75, 100 і 150% (за 100%-ную концентрацію умовно прийнято зміст 0,878 мг алмазного прошка в 1 мм3 алмазоносного шару). Плоскі алмазні круги прямого профілю малих розмірів (діаметром до 13 мм) робляться цільними, без металевого корпусу.
Шліфпорошки з синтетичних алмазів, що використовуються для кругів і іншого виду алмазного інструменту, випускаються п’яти марок: АСО, АСР, АСВ, АСЬК і АСС. У міру переходу від марки АСО до марки АСС міцність шліфпорошків на стиснення підвищується; наприклад, для зернистості 160/125 міцність зерен алмазів, вказаних по порядку марок, виражається як 1 :2; 14 : 2; 96 : 5; 35: 10.
Шліфпорошки з природних алмазів випускають однієї марки - А. Алмазні мікропорошки з синтетичних алмазів випускають двох марок - АСМ і АСН, а з природних алмазів - мазкий АМ і АН.
Разом з кругами плоского прямого профілю алмазні круги роблять чашковими, тарілчатими, спеціальними (профільними); по ГОСТ 16167-70 - 16181-70 випускається 14 форм алмазних кругів різних розмірів. При позначенні форми алмазних кругів попереду ставиться буква А (наприклад, АПП, АПВ, АЧК).
Ельборові круги з ріжучим зерном з эльбора (Л) роблять подібно алмазним кругам, у вигляді ельборового шару, закріпленого на металевому корпусі. Концентрація эльборовых зерен в шарі 100, 125 і 150%. В порівнянні із стандартним абразивним і алмазним інструментом інструмент з эльбора має більш високі ріжучі властивості і стійкість, майже не має засолі в процесі шліфування і працює з меншим тепловиділенням. Все це робить эльбор одним з найперспективніших абразивних матеріалів.
Шліфувальні головки. Випускаються семи форм. Вони застосовуються для внутрішнього шліфування і для зачистки заготовок, коли не можуть бути застосовані шліфувальні круги. Головки приклеюються до спеціальних шпильок діаметр головки 3-40 мм.
Шліфувальні сегменти. Передбачені сегменти десяти різних форм, довжина сегментів 60-300 мм. Сегменти застосовують для плоского шліфування; шліфувальний круг в цьому випадку складається з декількох сегментів, закріплених в головці або в патроні. До достоїнств сегментних кругів відноситься те, що при пошкодженні якого-небудь сегменту не треба викидати весь круг, оскільки пошкоджений сегмент легко замінюється новим. Простір між сегментами полегшує підведення змащувально-охолоджуючих рідин до місця різання, відведення стружки і відпрацьованих частинок круга.
Шліфувальні бруски. Шліфувальні бруски застосовують для ручних слюсарних робіт, а також для (обробних операцій); в останніх випадках використовують бруски квадратні БК, плоскі БП і спеціальні плоскі хонінгувальні БХ, які закріплюють в спеціальних головках.
Шліфувальні шкірки. Шкірки складаються з основи (паперу, бавовняної тканини), на яку наклеєні абразивні зерна, і застосовуються для ручної і машинної зачистки і обробки різних деталей. Для шкірок, що працюють без водного охолоджування, застосовують мездровий клей; для роботи з водяним охолодженням шкірку (водостійку) виготовляють на спеціальних лаках і смолах. Шкірки роблять у вигляді листів і стрічок.
Окрім розглянутих основних форм абразивного інструменту, абразивні зерна використовують для шліфувальних дисків на фібровій основі, для нескінченних стрічок (на тканинній основі), для абразивних паст (коли зерна зв'язуються маслами, воском, тваринними жирами, стеарином і ін.). Пасти застосовують для доведення (притирання) ріжучого інструменту і окремих деталей машин.
2. Визначити, з якою подачею висвердлювався отвір діаметром 15мм, якщо при цьому використовувалось свердло з нормальною заточкою і кутом 2φ = 116˚, а товщина зрізу складала 0,2мм.

3. За приведеними німими кінематичними схемами головного руху металорізальних верстатів згідно свого варіанту показати способи закріплення на валах елементів приводу (шківи, шестерні, муфти...) та визначити:
а) групу верстата; шоста група, фрезерний
б) можливе число ступенів частоти шпинделя;


в) найбільша і найменша частота обертання шпинделя верстата за хвилину;

г) описати роботу коробки швидкостей по приведеній схемі.

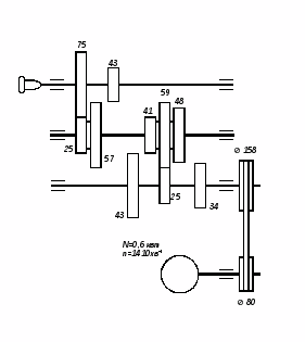
Обертання шпинделя передається від електродвигуна (N=0,6 квт. n=1410 хв-1) пасовою передачею через два шківи (Ø80 – Ø158) на вал ІІ (n>2>=713). На валу ІІ знаходяться три шестерні 34, 25, 43 які вступаючи в зачеплення з блоком 1надають валу ІІІ три швидкості (n>3>=505, n>3>=747, n>3>=669). Завдяки зубчатій передачі вільно насаджений на валу ІІІ блок 2 передає за допомогою двох зубчастих коліс 43, 75 на вал ІV шість швидкостей (n>4>=669, n>4>=400, n>4>=990, n>4>=168, n>4>=100, n>4>=249).
4. Згідно свого варіанту заданої деталі розробити маршрутний технологічний процес виготовлення деталі з виробом заготовки відповідно заданому кресленню і виду виробництва.
Завдання виконувати в наступному порядку:
Подати креслення деталі в масштабі 1:1 на форматі А4 або А3.
Описати конструкцію і призначення деталі.
Дана деталь призначена для кріплення важеля до корпусу. Робочою частиною є циліндрична поверхня діаметром 10 мм. на якій він повинен вільно обертатися, різьба М8 служить для її закріплення, а конус у свою чергу для фіксування. Фаска R 2,5мм призначена для плавного переходу різьби в конус. Вкручується деталь за допомогою викрутки.
Розробити маршрутний технологічний процес виготовлення деталі з вибором заготовки, типу верстатів, інструменту і приспосіблень відповідно до заданого креслення і виду виробництва матеріал сталь 20Х, виробництво дрібносерійне.
|
№операції |
№переходу |
Назва і зміст операції |
Верстат |
Інструмент |
|
005 |
Заготівельна операціяЗаготовка прокат круглий Ø 20мм l=65мм |
|||
|
010 |
1. 2. 3. 4. 5. |
Токарно-гвинторізна операціяВстановити заготовку в кулачковий самоцентруючий патрон закріпити і зняти.Підрізати торецьТочити заготовку до 15мм, l=45мм Точити заготовку до Ø 10мм, l=43мм . Точити заготовку під різьбу М8, l=18,5мм. |
Токарно-гвинторізний верстат 16К20 |
підрізний прохідний прохідний упорний прохідний |
|
6. 7. 8. |
Точити канавку l=4,4мм R 2,5мм. Точити заготовку під конусом < 1:10 на l=7мм . Нарізати різьбу М8 на довжину l=14,1мм. Відрізати заготовку витримуючи розмір l=45мм. |
прохідний упорний галтельний плашка М8 відрізний |
||
|
015 |
1. 2. |
Токарно-гвинторізна операціяВстановити заготовку в кулачковий самоцентруючий патрон закріпити і зняти. Підрізати торець з другого боку |
Токарно-гвинторізний верстат 16К20 |
підрізний |
|
020 |
1. 2. |
Токарно-гвинторізна операціяВстановити заготовку в механічні лещата закріпити і зняти. Фрезувати паз b=2мм h=1,5мм |
Горизонтально-фрезерний верстат 3М150 |
Фреза дискова B=2мм. |
Розрахувати режим різання для однієї операції (переходу) по вибору студента.
Токарна операція. Перехід 3.
глибина різання t=2мм.
подача S=0,4 мм/об.
розрахувати швидкість різання.

С>v>> >= 350
Х = 0,15
y = 0,20 таб. 17 ст. 269 Кочілова Т 2
m
= 0,35
K>v>= K>mv>· K>nv>· K>tu>· K>tc>· K>x>· K>r>=0,9 · 0,85 · 0,9=0,85

K>r>=1,0 таб 2
τв=610 мПа Кочілова Т 2
n>v>=1,0 таб 2
Kмv=0,9 таб 5
Kuv=0,85 таб 6 для Т5к6; Kτv=1,0 таб 7
Kτс=1,0 таб 8; Kφv=0,9 таб 18
Krv= - таб 18
Kмv=
=
1,23

Частота обертання


n>корек.>=1335 об/хв.
Дійсна швидкість

Хвилинна подача
Sхв=S мм/>об>∙n>кор>=0,4∙1335=534 мм/>хв>
7. Розраховуємо силу різання
Pz=10Cp ∙ tx ∙ Sy ∙ Vn ∙ Kp
Cp = 300; X = 1,0
y = 0,75 ст. 273 Кочілова Т 2
n= - 0,15 Kp=Kмp∙Kxp∙Kxp∙Kyp∙Kλp∙Krp
Kмp=
таб. 9 Kмp=
τв=610мПа
кφ>р>=0,89
кγ>р>=1,1 таб. 23 ст. 275 Кочілова Т 2
кλ>р>=1,0
кк>р>=0,87
Kp=1,03∙0,89∙1,1∙1∙0,87=0,88
Pz=10∙300∙21∙0,40,75∙84-0,15∙0,88=1080 H
Потужність верстату
Nел. дв.=Nріз/η η=0,75

Машинний час

хв L=l>1>∙l+l>2>
l>1>=1...3 приймаємо l>1>=1,5 мм
l>2>=t∙ctgφ=2 ctgφ45=2 мм
L=1,5+46,5+2=50 мм

