Электродвигатель асинхронный с короткозамкнутым ротором мощностью 200 КВт
Электродвигатель асинхронный с короткозамкнутым ротором мощностью 200 КВт
Содержание
Введение
1. Расчет и конструирование двигателя
1.1 Выбор главных размеров
1.2 Расчет обмотки статора
1.3 Расчет размеров зубцовой зоны статора и воздушного зазора
1.4 Расчет ротора
1.5 Расчет магнитной цепи
1.6 Расчет параметров рабочего режима
1.7 Расчет потерь
1.8 Расчет рабочих характеристик
1.9 Расчет пусковых характеристик
1.10 Тепловой и вентиляционный расчет
1.11 Механический расчет
2. Моделирование двигателя
3. Конструкторская часть
4. Выбор схемы управления двигателем
Заключение
Список литературы
Введение
Электрические машины применяются во всех отраслях промышленности, в сельском хозяйстве и в быту. Они выпускаются большими сериями и в индивидуальном исполнении. Во многих случаях электрические машины определяют технический уровень изделий, в которых они используются в качестве генераторов и двигателей. Проектирование электричесиких машин требует глубоких знаний и высокого профессионального мастерства.
Впервые электрические машины получили применение в промышленности более ста лет назад. Тогда же появились и первые рекомендации по их расчету. В конце прошлого века в Европе и Америке возникли крупные электротехнические фирмы «Сименс», «Вестингауз» и другие, на которых сложились крупные конструкторские и расчетные отделы.
Обычно электрические машины выпускают сериями. Серия – ряд машин возрастающей мощности, имеющих одну конструкцию и единую технологию производства на больших участках серии и предназначенных для массового производства. При проектировании серий машин важнейшее значение имеют вопросы унификации деталей, конструктивных узлов и нормализации ряда размеров. Все это связано с рациональной организацией производства как внутри завода, так и в объединении, выпускающем единую серию машин. При этом необходимо заботиться об экономической эффективности целой серии машин, а не одной машины.
При проектировании серий асинхронных машин выбирают внешние диаметры статора таким образом, чтобы при одном и том же внешнем диаметре при изменении длины машины получить несколько машин на различные мощности и частоты вращения. Для машин постоянного тока выбирают одинаковым диаметр якоря и, изменяя длину машины, проектируют на нем несколько машин различной мощности и на разные частоты вращения.
Такое построение серий приводит к сокращению количества штампов, уменьшению количества моделей для отливки станин и подшипниковых щитов, сохранению одних и тех же диаметров валов, унификации подшипниковых щитов, сокращению количества оснастки и измерительного инструмента. Широкая унификация облегчает применение гибких автоматизированных производств, облегчает кооперацию между заводами.
Начиная с 1950 г. асинхронные двигатели выпускаются в виде единых серий. Первой была серия А (АО), заменившая серии И2, АД, «Урал» и др.
В настоящее время выпускается единая серия асинхронных двигателей 4А и АИ. В серии 4А 17 габаритов, число ступеней мощности составляет 33, диапазон мощностей 0,06–400 кВт; высоты осей вращения 50–355 мм.
На базе единых серий изготовляются двигатели различных исполнений, предназначенные для работы в специальных условиях. Так, на базе арии 4А выпускаются следующие электрические модификации: с повышенным пусковым моментом, с повышенным скольжением, 10-полюсные и 12-полюсные, многоскоростные, на частоту сети 60 Гц, однофазные, с фазным ротором и другие, специализированные по таким конструкциям: встраиваемые, с встроенным электромагнитным тормозом, малошумные, с встроенной температурой защитой, с повышенной точностью но установочным размерам, высокоточные; специализированные по следующим условиям окружающей среды: влагоморозостойкие, химостойкие, тропические; узкоспециализированного исполнения: для сельского хозяйства, для судов морского флота, для холодного климата, лифтовые, фреономаслостойкие, полиграфические, швейные и др.
Справочные данные.
Тип двигателя 4A315М4У3, где
4 – номер серии, А – серия, h = 315 мм – высота оси вращения, М – меньший,
Р = 200 кВт, Un =380/660 B, n = 1500 об/мин, s>ном> = 0,013, X>> = 4,1, R>1>=0,014, R>2>=0,014, KПД = 94% сos() = 0,92, B>> = 0,79 Тл, A = 462 A/см, J = 3,8 A/мм2, X>1>=0,086, X>2>=0,12
В абсолютных единицах:
X>> = 7,6799Ом, R>1>= 0,02622Ом, R>2>=0,02622Ом, X>1>=0,161Ом, X>2>= 0,22478Ом.
Перевод в абсолютные единицы:
X>> = 4,1 1,87316 =7,6799 Ом; R>1> = 0,014 1,87316 = 0,02622 Ом; R>2> = 0,014 1,87316 = 0,02622 Ом; Х>1> = 0,086 1,87316 = 0,161 Ом; Х>2> = 0,12 1,87316 = 0,22478 Ом
1. Расчет и конструирование двигателя
1.1 Выбор главных размеров
Все расчеты выполняем по формулам из [1].
Высота оси вращения h = 315 мм. Определяем внешний диаметр статора D>a> по табл. 8.6 в зависимости от h: D>a>=0,52 м.
Внутренний
диаметр статора по (8.2.):
,
где k>D>
– коэффициент, характеризующий отношение
внутреннего и внешнего диаметров
сердечника статора, определяем по табл.
8.7:
k>D>=0.64423 D = 0.64423 0.52 = 0.335 м.
Полюсное деление по (8.3.): = D / (2p) = 0.335 / 4 = 0.263 м.
Расчетная мощность по (8.4.), где k>E> – отношение ЭДС обмотки статора к номинальному напряжению, определяем k>E> = 0.9723 по рис. 8.20, = 0,94 и cos=0.92 по рис. 8.21, а.
P = (P>2> k>E>) / ( cos) = (200 103 0,9723) / (0,94 0,92) = 2,249*105 В А
Электромагнитные нагрузки (предварительно по рис. 8.22, б).
А = 462 102 А/м B>> = 0,79 Тл.
Обмоточный коэффициент (предварительно для двухслойной обмотки): k>об1>=0.874.
Расчетная длина магнитопровода по (8.6.):
L>> = P / (k>b> D2 k>об1> А B>>) = 224900 / (1.11 0.3352 157,08 0.874 462 102 0.79) = 0.36 м.
где синхронная угловая скорость по (8.5.):
= 2f / p = 2 50 / 2 = 157,08 рад/с
Число пакетов равно 3

Отношение = L>> / = 0,36 / 0,263 = 1,368. Значение = 1,368 находится в допустимых пределах по рис. 8.25.
Аналог |
Расчет |
|
|
cos |
0,92 |
0,92 |
|
, % |
0,94 |
0,94 |
1.2 Расчет обмотки статора
Предельные значения t>Z>>1> по рис. 8.26. в зависимости от высоты оси вращения и полюсного деления:
t>Z>>1>>min>=0.017 м t>Z>>1>>max>=0.022 м.
Число пазов статора по (8.16):
Z>1min> =D / t>Z1max> = 0.335 / 0.017 = 61,9;
Z>1max> =D / t>Z1min> = 0.335 / 0.022 = 47,8.
Принимаем Z>1> = 60, тогда q>1> = Z>1> / 2рm = 60 / 2*(2 3) = 5. Обмотка двухслойная.
Зубцовое деление статора (окончательно):
t>Z>>1> = D / 2рmq = 0,335 / (4 3 5) = 17,54*10-3 м.
Число эффективных проводников в пазу (предварительно, при условии а = 4) по (8.17):
u>п> = D A / (I>1>>ном> Z>1>) = 0.335 46,2 103 / (202,866 60) = 3,999;
по (8.18):
I>1>>ном> = P>2> / (mU>1>>ном> cos ) = 200 103 / (3 380 0,92 0,94) = 202,866 A.
Принимаем а = 4, тогда u>п>=а u>п> = 16 проводников.
Окончательные значения:
число витков в фазе по (8.20.)
w>1> = (u>п> Z>1>) / 2аm = (16 60) / (2 4 3) = 40;
линейная нагрузка по (8.21.)
А = 2 I>1ном> w>1>m / D = (2 202,866 40 3) / ( 0,335) = 46,25 103 А/м;
магнитный поток по (8.22)
Ф = (k>Е> U>1ном>) / (4k>B> w>1> k>об1> f>1>) = (0,97226 380) / (4 1,11 40 0,874 50) = 47,56 10-3 Вб;
(для двухслойной обмотки k>об1>=0,874);
индукция в воздушном зазоре по (8.23)
B>> = (p Ф) / (D L>>) = (3 47,56 10-3) / (0.3335 0.36) = 0.79 Тл;
Значения А и В>> находятся в допустимых пределах.
Плотность тока в обмотке статора (предварительно) по (8.25):
J>1> = (AJ>1>) / A = 180 109 / 46,25 103 = 3,892 106 А/м2;
(AJ>1> = 180 109 А/м2 по рис. 8.27, б).
Площадь поперечного сечения эффективного проводника (предварительно) по (8.24):
q>эф> = I>1ном> / а J>1> = 202,866/ 4 3,892 106 = 13,03 10-6 м2.
Сечение эффективного проводника (окончательно): принимаем n>эл> = 4, тогда q>эл> = q>эф> / n>эл> = 13,03/ 4 = 3,257 мм2. Принимаем обмоточный провод марки
ПЭМП, а*b = 1*3,55 мм, q>эл> = 3,335 мм2, q>элср> = n>эл> q>эл> = 4 3,335 = 13,34 мм2.
Плотность тока в обмотке статора (окончательно) по (8.27):
J>1> = I>1ном> / а q>эл> n>эл> = 202,866/ 4 13,34 4 = 3,801 А/мм2.
Аналог |
Расчет |
|
|
Z>1> |
60 |
60 |
|
q>1> |
5 |
5 |
|
А, А/м |
46,2 103 |
46,25 103 |
|
B>>, Тл |
0,79 |
0,79 |
|
J>1>, А |
3,8 |
3,801 |
1.3 Расчет размеров зубцовой зоны статора и воздушного зазора
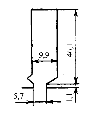
Паз статора определяем по рис. 8.28, б с соотношением размеров, обеспечивающих параллельность боковых граней зубцов.
Принимаем предварительно по табл. 8.10: B>Z>>1>=1,909 Тл; B>a>=1,4985 Тл, тогда (8.37):
b>z>>1>>min> = (B>> t>z>>1> L>>) / (B>z>>1> L>ст1> k>c>) = (0,79 17,54 10-3 0,36) / (1,909 0,36 0,95) = 7,64 10-3 м = 7,64 мм.
(по табл. 8.11 для оксидированной марки стали 2312 k>c>=0,95).
h>а> = Ф / (2B>a> L>ст1> k>c>) = 47,56 10-3 / (2 1,4985 0,36 0,95) = 46,4 10-3 м = 46,1 мм.

Размеры паза в штампе: b>ш> = 5,7 мм; h>ш> = 1,1 мм; h>к> = 1 мм.
По (8.38):
h>п> = (D>a> – D) / 2 – h>а> = (0,52 – 0,335) / 2 – 0,0464 = 0,0461 м = 46,1 мм.
По (8.40):
bп = t>z>>1> – b>z>>1> = 17,54 – 7,64 = 9.9 мм.
Паз и зубец статора показан на рисунке 1.
Размеры паза в свету с учетом припуска на сборку по (8.42):
b>п> = 0,3 мм, h = 0,3 мм.
Заполнение паза статора
-
Наименование
Размер, мм
по ширине паза
по высоте паза
Обмоточный провод изолированный 1,15*3,7
3,7*2=7,4
1,15*16*2=36,8
Пазовая изоляция и допуск на укладку
2,5
9,3
Всего: на паз без клина
9,9
46,1

Рис. 1 Паз и зубец статора
Минимальная и максимальная ширина зубца:

1.4 Расчет ротора
Воздушный зазор (по рис. 8.31) = 0,9 мм.
Число пазов ротора (по табл. 8.16) Z>Z>>2> = 50.
Внешний диаметр ротора: D>2> = D – 2 = 0,335 – 2 0,9 10-3 = 0,3332 мм
Длина магнитопровода ротора: l>2> = 0,39 м.
Зубцовое деление ротора: t>Z>>2> = D>2> / Z>2>= *0,3332 / 50 = 0,0209 = 20,9 мм.
Внутренний диаметр ротора равен диаметру вала, так как сердечник ротора непосредственно насаживается на вал D>j> = D>B> = k>B> D>а> = 0,23 0,52 = 0,120 м = 120 мм, k>B>= 0,23 по табл. 8.17).
Ток в обмотке ротора по (8.57):
I>2> = k>i> I>1> >I> = 0,936 202,866 4,196 = 796,6 А
Где (8.58): k>i> = 0,2 + 0,8cos = 0,2 + 0,8 0,92 = 0,936
[по (8.66): v>i> = (2m>1> w>1> k>об>>1>) / (Z>2> k>ск>) = (2 3 40 0,874) / 50 = 4,196
(пазы ротора выполняем без скоса – k>ск> = 1)].
Площадь поперечного сечения стержня (предварительно) по (8.68):
q>с> = I>2> / J>2> = 796,6 / 4,3 106 = 185 10-6 м2 = 185 мм2
(плотность тока в стержне клетки со вставными стержнями принимаем J>2> =4,3 106 А/м).
Паз ротора
определяем по рис. 8.41, а. Принимаем
=
0,5 мм.
Допускаемая ширина зубца по (8.75):
b>z>>2доп> = (B>> t>z>>2> l>>) / (B>z>>2> l>ст2> k>с>) = (0,79 20,9 10-3 0,36) / (1,8 0,36 0,97) = 9,5 10-3 м = 9,5 мм
(принимаем В>Z>>2> = 1,8 Тл по табл. 8.10).
Размеры паза:
b>1> = 4 мм
b>2> = 7 мм
h>П> = 40.5 мм


Рис. 2 Паз и зубец ротора
Площадь поперечного сечения стержня по (8,79):
q>с> = /8 (b>1>2 + b>2>2) + 0,5 (b>1> + b>2>) h>1> = /8 (42 + 72) + 0,5 (4 + 7) 40,5 = 185,025 мм.
Плотность тока в стержне: J>2> = I>2> / q>c> = 796,6 / 185,025 10-6 = 4,305 106 А/м2.
Короткозамыкающие кольца. Площадь поперечного сечения кольца по (8.72):
q>кл> = I>кл> / J>кл> = 3251 / 4,09 106 = 795 мм2;
I>кл> = I>2> / = 796,6 / 0,245 = 1626,27 А;
= 2sin (p / Z>2>) = 2sin (2 / 50) = 0,245;
J>кл> = 0,95J>2> = 0,95 4,09 106 = 4,09 106 А/м.
Размеры размыкающих колец:
h>кл> = 1,1h>П2> = 1,1 40 = 44 мм;
b>кл> = q>кл> / h>кл> = 795 / 44 = 18 мм;
q>кл> = h>кл> b>кл> = 44 18 = 795 мм2;
D>к.ср> = D>2> – h>кл> = 333,2 – 44 = 289,2 мм.
Аналог |
Расчет |
|
|
, мм |
0,9 |
0,9 |
|
D>2>, мм |
0,3332 |
0,3332 |
|
D>j>, мм |
0,12 |
0,12 |
|
b>1>, мм |
4 |
4 |
|
b>2>, мм |
7 |
7 |
|
h>П>, мм |
40 |
40 |
1.5 Расчет магнитной цепи
Магнитопровод из стали 2312, толщина листов 0,5 мм.
Магнитное напряжение воздушного зазора по (8.103):
F>> = 2/>0> B>> k>> = 1,59 106 0,79 1,222 0,9 10-3 = 1383 А;
k>> = t>z>>1> / (t>z>>1> – >1> ) = 17,54 / (17,54 – 3,539 0,9) = 1,222;
>1> = [(b>ш1> / )2] / (5 + b>ш1> / ) = [(5,7 / 0,9)2] / (5 + 5,7 / 0,9) = 3,539.
Магнитное напряжение зубцовой зоны статора по (8.104):
F>z>>1> = 2h>z1> H>z>>1> = 2 46,1 10-3 1442 = 132,9 А
где h>Z>>1> = h>П1> = 46,1 мм;
[расчетная индукция в зубцах по (8.105):
B>z>>1>>max> = (B>> t>z>>1> l>>) / (b>z>>1>>min> l>ст1> k>с1>) = (0,79 17,54 0,36) / (7,86 0,36 0,97) =1,86 Тл;
b>Z>>1>>min> = 7,86 мм; k>c> = 0,97 по табл. П1.7 [2] для В>Z>>1>>max> = 1,86 Тл находим H>Z>>1>>min> = =3490 A/м
B>z>>1>>min> = (B>> t>z>>1> l>>) / (b>z>>1>>max> l>ст1> k>с1>) = (0,79 17,54 0,36) / (12,5 0,36 0,97)= =1,17 Тл;
b>Z>>1>>max> = 12,5 мм; k>c> = 0,97 по табл. П1.7 [2] для В>Z>>1>>min> = 1,17 Тл находим H>Z>>1>>min> = 559 A/м.
B>z>>1ср> = (B>z>>1>>min> + B>z>>1>>max>) / 2 = (1,86+1,17) /2 =1,51 Тл
для В>Z>>1ср> = 1,51 Тл находим H>Z>>1ср> = 1150 A/м
H>z1>=1/6*(H>Z1min> +4 H>Z1>>ср> + H>Z1max>)=1442 A/м].
Магнитное напряжение зубцовой зоны ротора по (8.108):
F>z>>2> = 2h>z2> H>z>>2> = 2 0,0405 1129 = 90,36 А
(h>Z>>2> = h>П2>= 40,5 мм);
[индукция в зубце по (8.109):
B>z>>2>>max> = (B>> t>z>>2> l>>) / (b>z>>2>>min> l>ст2> k>с2>) = (0,79 20,9 0,36) / (9,35 0,37 0,97)= =1,77 Тл;
b>Z>>2>>min> = 9,35 мм; k>c> = 0,97 по табл. П1.7 [2] для В>Z>>1>>max> = 1,77 Тл находим H>Z>>1>>max> =2700 A/м
B>z>>2>>min> = (B>> t>z>>2> l>>) / (b>z>>2>>max> l>ст2> k>с2>) = (0,79 16,6 0,36) / (16,6 0,36 0,97)= =1 Тл;
b>Z>>2>>max> = 16,6 мм; k>c> = 0,97 по табл. П1.7 [2] для В>Z>>2>>min> = 1 Тл находим H>Z>>2>>min> = =409 A/м.
B>z>>2ср> = (B>z>>2>>min> + B>z>>2>>max>) / 2 = (1,77+1) /2 =1,39 Тл
для В>Z>>2ср> = 1,39 Тл находим H>Z>>2ср> = 917 A/м
H>z2>=1/6*(H>Z2min> +4 H>Z2>>ср> + H>Z2max>)=1129 A/м].
Коэффициент насыщения зубцовой зоны по (8.115):
k>z> = 1 + [(F>z>>1> + F>z>>2>) / F>>] = 1 + [(132,9 + 90,36) / 1383] = 1,2
Магнитное
напряжение ярма статора по (8.116):

F>a> = L>a> H>a> = 0,372 905 = 336,6 А;
L>a> = [(D>a> – h>a>)] / 2p = [(0,52 – 0,0464)] / 4 = 0,372 м;
h>a> = [(D>a> – D) / 2] – h>п>>1> = [(0,52 – 0,335) / 2] – 46,1 10-3 = 46,4 10-3 м;
В>а> = Ф / (2h>a> l>ст>>1> k>с>>1>) = 47,56 10-3 / (2 46,4 10-3 0,36 0,95) = 1,5 Тл;
(для В>а> = 1,42 Тл по табл. П1.6 [2] находим Н>а> = 40 А/м).
Магнитное напряжение ярма ротора по (8.121):
F>j> = L>j> H>j> = 125 10-3 2100 = 262,45 А;
L>j> = [(D>j> + h>j>)] / 2p = [(120+ 39,12) 10-3] / 4 = 125 10-3 м;

h>j> = 39,12 10-3 м;
В>j> = Ф / (2h>j> l>ст2> k>с2>) = 47,56 10-3 / (2 39,12 10-3 0,37 0,97) = 1,69 Тл;
(для В>j> = 1,69 по табл. П1,6 [2] находим Н>j> = 2100 А/м).
Магнитное напряжение на пару полюсов по (8.128):
F>ц> = F>> + F>Z>>1> + F>Z>>2> + F>a> +F>j>> >= 1383 + 132,9 + 90,36 + 336,6 + 262,45 = 2205 А
Коэффициент насыщения магнитной цепи по (8.129):
k>> = F>ц> / F>> = 2205 / 1383 = 1,595
Намагничивающий ток по (8.130):
I>> = (p F>ц>) / (0,9m w>1> k>об1>) = (2 2205) / (0,9 3 40 0,874) = 46,7 А
Относительное значение
I>>>*> = I>> / I>1ном> = 46,7/ 202,86 = 0,23. (допустимо)
1.6 Расчет параметров рабочего режима
Активное сопротивление обмотки статора по (8.132):
r>1> = k>R> >115> (L>1> / q>эф>а) = 1/43 10-6 *(60,5 / 4 13,34 10-6) = 0,02637 Ом,
для класса нагревостойкости изоляции F расчетная температура v>расч> = 120ºС;
для медных проводников = 10-6 / 43 Ом м
Длина проводников фазы обмотки по (8.134):
L>1> = l>ср> w>1> = 1,513 40 = 60,5 м
по (8.135): l>cp> = 2 (l>п1> + l>л1>) = 2 (0,38 + 0,376) = 1,513 м; l>п1> = l>1> = 0,38 м;
по (8.136): l>л1> = (K>л> b>кт>) + 2В = (1,276 0,219) + (2 0,025) = 0,376 м;
где В = 0,025 м



b>кт>=[(D+h>п1>)/2p]=[(0,335+0,0461)/4]1=0,219 м
Относительное значение
r>1*> = r>1> (I>1ном> / U>1ном>) = 0,02637 (202,86 / 380) = 0,01407 Ом.
Активное сопротивление фазы обмотки ротора по (8.168):
r>2> = r>c> + (2r>кл> / 2) = 78 10-6 + (2 0,8466 10-6 / 0,2452) = 83 10-6 Ом;
r>c> = >115> (l>2> / q>с>) = (10-6 / 41) (0,39 / 185 10-6) = 78 10-6 Ом;
r>кл> = >115> [D>клср> / (Z>2> q>кл>)] = (10-6 / 41) (0,2892 / 50 795 10-6)] = =0.8466 10-6 Ом;
где для вставной медной обмотки ротора р>115> = 10-6 / 41 Ом м.
Приводим r>2> к числу витков обмотки статора по (8.172) и (8.173):
r>2> = [r>2> 4m (w>1> k>об1>)2] / (Z>2> k>ск>2) = [0,83 10-6 4 3 (40 0,874)2] / 50 = =0,02436 Ом.
Относительное значение:
r>2*> = r>2> (I>1ном> / U>1ном>) = 0,02436 (202,86 / 380) = 0,013 Ом.
Индуктивное сопротивление фазы обмотки статора по (8.152):
x>1> = 15,8 (f>1> / 100) (w>1> / 100)2 [l>> / (p q)] (>п1> + >л1> + >д1>) = 15,8 (50 / 100) (40 / 100)2 [0,36 / (2 5)] (1,1 + 1,194 + 1,232) = 0,16044 Ом;
где
Коэффициент магнитной проводимости пазового рассеяния

Коэффициент магнитной проводимости лобового рассеяния

Коэффициент магнитной проводимости дифференциального рассеяния

Относительное значение:
x>1*> = x>1> (I>1ном> / U>1ном>) = 0,16 (202,86 / 380) = 0,08563 Ом.
Индуктивное сопротивление фазы обмотки ротора по (8.177):
x>2> = 7,9 f>1> l>> (>п2> + >л2> + >д2>) 10-6 = 7,9 50 0,36 (3,1 + 0,64 + 1,626) = 763 10-6 Ом
где
Коэффициент магнитной проводимости пазового рассеяния


Коэффициент магнитной проводимости лобового рассеяния

Коэффициент магнитной проводимости дифференциального рассеяния

Коэффициент проводимости скоса


-
Аналог
Расчет
r>1>, Ом
0,014
0,01407
r>2>, Ом
0,014
0,013
х>1>, Ом
0,086
0,08563
х>2>, Ом
0,22478
0,22383
1.7 Расчет потерь
Потери в стали основные по (8.187):
P>стосн> = P>1.0/50> (f>1> / 50) [(k>да> B>а>2 m>а>) + (k>д>>z>>1> B>z1>2 m>z1>)] = 1,75 [(1,6 1,422 194,4) + (1,8 1,5132 79,165)] = 1668 Вт;
m>z>>1> = h>z>>1> b>z>>1ср> Z>1> l>ст1> k>c>>1> >c> = 46,1 10-3 10,164 10-3 60 0,38 0,95 7,8 103 = 79,165 кг;
m>a>=π (D>a >– h>a>) h>a> l>ст>>1> k>c1> >c> = π (0.52> >– 0.0464) 0.0464 0.36 0.95 7,8 103=194,4
k>да> = 1,6; k>д>>z>>1> = 1,8
(P>1.0/50>
= 1,75 Вт/кг для стали 2312 по табл. 8.26; >c>
– удельная масса стали,
;
-
масса стали ярма и зубцов статора)
Поверхностные потери в статоре по (8.194):
P>пов1> = p>пов1> (t>z>>1> – b>ш1>) 10-3 Z>1> l>ст1> = 847,25 (20.9 – 5,7) 60 0,36 10-3 = 228,73 Вт.
Удельные поверхностные потери по (8.192):
p>пов1> = 0,5 k>0.1> [(Z>2> n>2>) / 10000]1,5 (b>0.1> t>z>>2> 103)2 = 0,5 1,8 [(50 1500) / 10000]1,5 (0,323 20.9)2 = 847,25 Вт/м2.
Принимаем k>02> = 1,8
b>0.1> = >0.1> k>> B>> = 0,335 1,222 0,79 = 0,323 Тл;
b>ш> / = 5,7 / 0,9 = 6,333 по рис. 8.53 >0.1> = 0,32.
Пульсационные потери в зубцах ротора по (8.200):
P>пул2> = 0,11 [(Z>1> n B>пул2>) / 1000]2 m>z>>1> = 0,11 [(50 1500 0,105/ 1000)2 72,7 = 720,466 Вт.
B>пул2> = (>1> B>z>>2ср>) / 2t>z>>2> = (3,539 0,9 10-3 1,386) / (2 20,9 10-3) = =0,105 Тл;
m>z>>2> = Z>2> h>z>>2> b>z>>2ср> l>ст2> k>с2> >с> = 50 40,5 10-3 12,985 10-3 0,37 0,97 7800 =72,7 кг.
Расчет пульсационных потерь в статоре и поверхностных в роторе не производим, так как они малы.
Сумма добавочных потерь в стали по (8.202):
P>ст.доб> = P>пов1> + P>пул1> + P>пов2> + P>пул2> = 228,73+ 720,466 = 949,2 Вт.
Полные потери в стали по (8.203):
Р>ст >= Р>ст.осн> + Р>ст.доб> = 1793 + 949,2 = 2742,1 Вт.
Механические потери по (8.210):

Холостой ход двигателя
I>х.х.> = (I>х.х.а>2 + I>>2) = (3,5542 + 46,72) = 46,84 А;
I>х.х.а> = (P>ст> + P>мех> + P>э1хх>) / (m U>1ном>) = (2742,1+ 1136,55 + 172,565) / (3 380) = 3,554 А;
здесь P>э1хх> 3 I>>2 r>1> = 3 46,72 0,0264 = 172,565 Вт.
cos = I>х.х.а> / I>х.х.> = 3,554 / 46,84 = 0,076
1.8 Расчет рабочих характеристик
Параметры по (8.184), (8.185), (8.223):
r>12> = P>ст>>.>>осн> / (m I>>2) = 1793 / (3 46,72) = 0,1462 Ом;
x>12> = (U>1>>ном> / I>>) – x>1> = (380 / 46,7) – 0,16044 = 7,975 Ом;

c>1> = 1 + (x>1> / x>12>) = 1 + (0,160444 / 7,975) = 1,02

Активная составляющая тока синхронного холостого хода по (8.226):
I>0a> = [P>ст>>.>>осн> + 3I>>2r>1>] / 3U>1> = [1793 + (3 46,72 0,02637)] / (3 380) = 1,724 А;
a = c>1>2 = 1,022 = 1,04; b = 0;
a = c>1> r>1> = 1,02 0,02637 = 0,0269 Ом;
b = c>1> [x>1> + (c>1> x>2>)] = 1,02 [0,16 + (1,02 0,224)] = 0,397 Ом.
Потери, не изменяющиеся при изменении скольжения,
Р>ст> + Р>мех> = 2742+ 1137 = 3878,6 Вт.
56. Рассчитываем
рабочие характеристики для скольжений
s=0,005;
0,010; 0,015; 0,020; 0,025, принимая предварительно,
что s>ном>
>
>0,014.
Результаты расчетов сводим в табл. 1.
Таблица 1. Данные расчета рабочих характеристик
|
№ п/п |
Расчетные формулы |
Раз-мерность |
Скольжение s |
|||||
|
0,005 |
0,01 |
0,015 |
0,02 |
0,025 |
s>ном> |
|||
|
0,013 |
||||||||
|
1 |
R=a+ |
Ом |
5.097 |
2.562 |
1.717 |
1.294 |
1.041 |
1.838 |
|
2 |
X=b+
|
Ом |
0.397 |
0.397 |
0.397 |
0.397 |
0.397 |
0.397 |
|
3 |
Z= |
Ом |
5.112 |
2.593 |
1.762 |
1.354 |
1.114 |
1.88 |
|
4 |
I’’=U>1>/Z |
А |
74.328 |
146.576 |
215.64 |
280.683 |
341.14 |
202.129 |
|
5 |
|
– |
0.997 |
0.988 |
0.974 |
0.956 |
0.934 |
0.977 |
|
6 |
|
– |
0.078 |
0.153 |
0.225 |
0.293 |
0.356 |
0.211 |
|
7 |
|
A |
75.828 |
146.575 |
211.84 |
270.094 |
320.51 |
199.304 |
|
8 |
|
A |
52.473 |
69.130 |
95.240 |
128.931 |
168.16 |
89.347 |
|
9 |
|
A |
92.213 |
162.059 |
232.26 |
299.289 |
361.94 |
218.415 |
|
10 |
|
A |
75.823 |
149.525 |
219.98 |
286.33 |
347.99 |
206.195 |
|
11 |
|
кВт |
86.444 |
167.096 |
241.49 |
307.907 |
365.37 |
227.207 |
|
12 |
|
кВт |
0.673 |
2.078 |
4.267 |
7.086 |
10.363 |
3.774 |
|
13 |
|
кВт |
0.420 |
1.634 |
3.537 |
5.992 |
8.850 |
3.107 |
|
14 |
P>доб>=0,005Р>1> |
кВт |
0.432 |
0.835 |
1.207 |
1.540 |
1.827 |
1.136 |
|
15 |
|
кВт |
5.404 |
8.426 |
12.890 |
18.495 |
24.919 |
11.896 |
|
16 |
Р>2>=Р>1>- |
кВт |
81.040 |
158.670 |
228.602 |
289.411 |
340.45 |
215.311 |
|
17 |
|
- |
0.937 |
0.950 |
0.947 |
0.94 |
0.932 |
0.948 |
|
18 |
|
- |
0.822 |
0.904 |
0.912 |
0.902 |
0.886 |
0.913 |
Номинальные данные спроектированного двигателя:
P>ном2> = 200 кВт; U>ном1> = 380 В; I>ном1> = 202,67 А; cos = 0,912; = 0,9486
1.9 Расчет пусковых характеристик
а) Расчет токов с учетом влияния изменения параметров под влиянием эффекта вытеснения тока (без учета влияния насыщения от полей рассеяния)
Расчет проводится по формулам табл. 8.30 в целях определения токов в пусковых режимах для дальнейшего учета влияния насыщения на пусковые характеристики двигателя. Расчет проводим для точек характеристик, соответствующих s=1; 0.8; 0.5; 0.1; 0,05; 0.064. Данные расчета пусковых характеристик с учетом влияния вытеснения тока сведены в табл. 2.
Определим критическое сопротивление без учёта влияния эффекта вытеснения тока и влияния насыщения от полей рассеяния.

Активное сопротивление обмотки ротора с учётом влияния эффекта вытеснения тока:
>расч.> = 115 С; >115> = 10-6 / 41 Ом м; b>c> / b>п> = 0,9 (b>с> – ширина стержня, b>п> – ширина паза).
h>c> = h>п> – h>ш> = 40,5 – 0,5 = 40 мм.
= 2 h>c> [(b>c> / b>п>) (f>2> / >115>) 10-7] = 85,344 h>c> s = 3,4;
для = 3,4 по рис. 8.57 находим = 2,4.
Глубина проникновения тока по (8.246):
h>r> = h>c> / (1 + ) = 0,04 / (1 + 2,4) = 11,76 мм.
Площадь сечения q>r> при b>1>/2 h>r> h>1> + b>1>/2
4/2 11,76 (44,5 + 4/2)
2 11,76 46,5
по (8.253) q>r> = (b>1>2 / 8) + [(b>1> + b>r>)/2 (h>r> – b>1>/2)] = [( 42) / 8] + [(4 + 4,015)/2 (11,76 – 4/2)] = 45,41 мм2, где b>r> = b>1> + [(b>2> – b>1>) / h>1> (h>r> – b>1>/2)] = 4 + [(7 – 4) / 44,5 (11,76 – 4/2)] = 4,015 мм.
Коэффициент
k>r>
по (8.247):

Коэффициент общего увеличения сопротивления фазы ротора под влиянием эффекта вытеснения тока по (8.257):
K>R> = 1 + [r>c> (k>r> – 1)]/ r>2> = 1 + [51,41 10-6 (2,974 – 1)] /83 10-6= 2,223,
где r>c> = r>c> = 51,41 10-6 Ом и r>2> = 83 10-6 Ом.
Приведённое сопротивление ротора с учётом вытеснения эффекта тока по (8.260):
r>2>>> = K>R> r>2> = 2,223 0,02436 = 0,05415 Ом.
Индуктивное сопротивление обмотки ротора с учётом влияния эффекта вытеснения тока по рис. 8.58 для = 3,4; = k>д> = 0,45:
по табл. 8.25, рис. 8.52а, ж и по (8.26)
K>x> = (>п2>>> + >л2> + >д2>) / (>п2> + >л2> + >д2>), где >п2> = 3,1, >л2> = 0,64, >д2> = 1,626, >п2>>> – коэффициент магнитной проводимости пазового рассеяния с учётом эффекта вытеснения тока.
>п2>>> = >п2> – >п2>>>, здесь >п2>>> = >п2> (1 – k>д>) = [(h>0> / 3b>1>) (1 – b>1>2/8q>с>)2 + 0,66 – h>ш>/2b>1>] (1 – k>д>) = [(45,3 / (3 4)) (1 – (42 / (8 185)))2 + 0,66 – (0,5 / (2 4))] (1 – 0,45) = 2,31. Тогда >п2>>> = 3,1 – 2,31 = 0,79. Следовательно,
K>x> = (0,79 + 0,64+ 1,626) / (3,1 + 0,64+1,626) = 0,57.
По (8.261) X>2>>> = x>2> K>x> = 0,57 0,224 = 0,127.
Пусковые параметры по (8.277) и (8.278):
X>12п> = k>> x>12> = 1,595 7,975 = 12,719 Ом, где k>> = k>r> = 1,595 и x>12> = 7,975 Ом;
c>1п> = 1 + (x>1> / X>12п>) = 1 + (0,16 / 12,719) = 1,013, x>1> = 0,16 Ом.
Расчёт токов с учётом влияния эффекта вытеснения тока:
по (8.280) для s = 1
R>п> = r>1> + (r>2>>> c>1п>) / s = 0,026 + (0,054 1,013) = 0,081 Ом, где r>1> = 0,026 Ом и r>2>>> = 0,054 Ом.
X>п> = x>1> + (c>1п> x>2>>>) = 0,16 + (1,013 0,127) = 0,29 Ом, где x>2>>> = 0,127 Ом.
По (8.281) ток в обмотке ротора:
I>2> = U>1> / (R>п>2 + X>п>2) = 380 / (0,0812 + 0,292) = 1264 А, где U>1> = 380 В.
По (8.283): I>1> = I>2> [{R>п>2 + (x>п> + X>12п>)2} / (c>1п> X>12п>)] = 1264 [(0,0812 + (0,29 + 12,719)2) / (1,013 12,719)] = 1276 А.
б) Расчет пусковых характеристик с учетом влияния вытеснения тока и насыщения от полей рассеяния.
Расчет проводим для точек характеристик, соответствующих s=1; 0.8; 0.5; 0.1; 0,05; 0,064, при этом используем значения токов и сопротивлений для тех же скольжений Расчет проводим для точек характеристик, соответствующих s=1; 0.8; 0.5; 0.2; 0. 1,0,064, при этом используем значения токов и сопротивлений с учетом влияния вытеснения тока. Данные расчета сводим в табл. 3. Пусковые характеристики представлены на рис. 4
Индуктивные сопротивления обмоток. Принимаем k>нас> = 1,2.
Средняя МДС обмотки, отнесенная к одному пазу обмотки статора по (8.263):
F>п.ср.> = 0,7 [(I>1> k>нас> u>п1>) / a] [k>> + (k>у1> k>об1> Z>1>/Z>2>)], где
I>1> – ток статора, I>1> = 1276 А;
а – число параллельных ветвей обмотки статора, а = 4;
u>п1> – число эффективных проводников в пазу статора, u>п1> = 16;
k>> – коэффициент, учитывающий уменьшение МДС паза, вызванное укорочением шага обмотки, k>> = 0,8;
k>у1> – коэффициент укорочения шага обмотки, k>у1> = 1.
Тогда, F>п.ср.> = 0,7 [(1276 1,2 16) / 4] [0,8 + (1 0,798 60/50)] = 1882,5 А.
По средней МДС рассчитывают фиктивную индукцию потока рассеяния в воздушном зазоре по (8.264):
B>Ф>>> = (F>п.ср.> 10-6) / (1,6 C>N>), где коэффициент C>N> по (8.265): C>N> = 0,64 + 2,5 [0,9 / (t>Z>>1> + t>Z>>2>)] = 0,64 + 2,5 [0,7 / (17,54 + 20,9)] = 1,022; = 0,9 мм.
Тогда, B>Ф>>> = (1882,5 10-6) / (1,6 0,9 10-3 1,022) = 1,279 Тл.
По полученному значению B>Ф>>> определяем отношение потока рассеяния при насыщении к потоку рассеяния ненасыщенной машины, характеризуемое коэффициентом k>>, значение которого находят по кривой рис. 8.61. Для B>Ф>>> = 1,279 Тл k>> = 0,94.
Далее рассчитываем значения дополнительного эквивалентного раскрытия пазов статора и ротора (c>э1> и c>э2>), магнитные напряжения которых будут эквивалентны МДС насыщенных участков усиков зубцов.
Для пазов статора его принимают равным по (8.266):
c>э1> = (t>Z>>1> – b>ш1>) (1 – k>>) = (17,54 – 5,7) (1 – 0,94) = 0,71 мм,
где b>ш1> = 5,7 мм.
Вызванное насыщением от полей рассеяния уменьшение коэффициента магнитной проводимости рассеяния паза статора по (8.269):

Коэффициент магнитной проводимости пазового рассеяния при насыщении определяют для статора из выражения (8.272):
>п1нас> = >п1> – >п1нас>, где >п1> – проводимость, рассчитанная без учёта насыщения >п1> = 1,87. Тогда >п1нас> = 1,1 – 0,021 = 1,079.
Коэффициент магнитной проводимости дифференциального рассеяния при насыщении участков зубцов статора по (8.274):
>д1нас> = >д1> k>> = 1,232 0,94 = 1,158, где >д1> = 1,232.
Индуктивное сопротивление фазы обмотки статора с учётом насыщения от полей рассеяния определяется по отношению сумм коэффициентов проводимости, рассчитанных без учёта и с учётом насыщения от полей рассеяния, по (8.275):
X>1нас> = x>1> (>1нас> / >1>) = x>1> (>п1нас> + >д1нас> + >л1>) / (>п1> + >д1> + >л1>) = 0,16 (1,079 + 1.158+ 1.194) / (1,1 + 1,232 + 1.194) = 0,157 Ом.
Коэффициент магнитной проводимости пазового рассеяния обмотки ротора с учётом влияния насыщения и вытеснения тока по (8.271):

Коэффициент магнитной проводимости дифференциального рассеяния ротора с учётом влияния насыщения по (8.274):
>д2нас> = >д2> k>> = 1.626 0,94 = 1.529, где >д2> = 1.626.
Приведённое индуктивное сопротивление фазы обмотки ротора с учётом влияния эффекта вытеснения тока и насыщения по (8.276):
X>2>>>>нас> = x>2> (>2нас> / >2>) = x>2> (>п2>>>>нас> + >д2нас> + >л2>) / (>п2> + >д2> + >л2>) = 0,224 (0.588+ 1.529+ 0.64) / (3,1 + 1.626+ 0.64) = 0.115 Ом.
По (8.278): c>1пнас> = 1 + (x>1нас> / X>12п>) = 1 + (0,157 / 12.719) = 1,012.
Расчёт токов и моментов (при s = 1).
R>п> = r>1> + (r>2>>> c>1пнас>) / s = 0,026 + (0.054 1,012) = 0.081 Ом, где r>1> = 0,026 Ом и r>2>>> = 0,054 Ом.
X>пнас> = x>1нас> + (c>1пнас> x>2>>>>нас>) = 0,157 + (1,012 0.121) = 0,28 Ом, где x>2>>>>нас> = =0.121 Ом.
Ток в обмотке ротора по (8.281):
I>2нас> = U>ном1> / (R2>пнас> + X2>пнас>) = 380 / (0.0812 + 0,282) = 1305.504 А, где U>ном1> = 380 В.
По (8.283): I>1нас> = I>2нас> [{R2>пнас> + (x>пнас> + X>12п>)2} / (c>1пнас> X>12п>)] = 1305.504 [{0,0812 + (0,28 + 12.719)2} / (1,012 12.719)] = 1317.944 А.
Кратность пускового тока с учётом влияния эффекта вытеснения тока и насыщения по (8.284): I>п*> = I>1нас> / I>ном> = 1317.944/ 202,86 = 6,499.
Кратность пускового момента с учётом влияния эффекта вытеснения тока и насыщения по (8.284): M>п*> = (I>2нас> / I>2ном>)2 K>R> (s>ном> / s) = (1305.504/ 190.468)2 2,223 0,0129 = 1.344.
Полученный в расчёте коэффициент насыщения:
k>нас> = I>1пнас> / I>1> = 1317.944/ 1276= 1,033
Таблица 2. Данные расчета пусковых характеристик двигателя без учета влияния насыщения
|
№ п/п |
Расчетная формула |
Размернос ть |
Скольжение |
|||||
|
1 |
0,8 |
0,5 |
0,1 |
0,05 |
|
|||
|
1 |
|
- |
3,414 |
3.05 |
2,414 |
1.08 |
0.763 |
0,862 |
|
2 |
|
- |
2,4 |
2,0 |
1,35 |
0,11 |
0.302 |
0.491 |
|
3 |
|
м |
0,0118 |
0,0133 |
0,017 |
0,036 |
0.0307 |
0,027 |
|
4 |
|
- |
2,974 |
2,478 |
1,681 |
1 |
1 |
1 |
|
5 |
|
- |
2,223 |
1,915 |
1,422 |
1 |
1 |
1 |
|
6 |
|
Ом |
0,0542 |
0,0467 |
0,0346 |
0,024 |
0.024 |
0,024 |
|
7 |
|
- |
0,45 |
0,5 |
0,625 |
0,95 |
0.975 |
0,97 |
|
8 |
|
- |
0,57 |
0,609 |
0,706 |
0,961 |
0,98 |
0,977 |
|
9 |
|
Ом |
0,127 |
0,136 |
0,158 |
0,215 |
0.2195 |
0,22 |
|
10 |
|
Ом |
0,081 |
0,085 |
0,097 |
0,273 |
0.52 |
0,414 |
|
11 |
|
Ом |
0,29 |
0,298 |
0,321 |
0,378 |
0.383 |
0,382 |
|
12 |
|
А |
1264 |
1224 |
1135 |
814,6 |
588.77 |
675,2 |
|
13 |
|
А |
1276,4 |
1237,4 |
1149,2 |
828,5 |
599.4 |
687 |
Таблица 3. Данные расчета пусковых характеристик двигателя с учетом влияния насыщения
|
№ п/п |
Расчетная формула |
Размерность |
Скольжение s |
|||||
|
1 |
0,8 |
0,5 |
0,1 |
0,05 |
s>кр> |
|||
|
0,064 |
||||||||
|
1 |
k>нас> |
– |
1,2 |
1,16 |
1,15 |
1,08 |
1,05 |
1,08 |
|
2 |
|
А |
1882 |
1764 |
1624 |
1099.8 |
773.52 |
912 |
|
3 |
|
Тл |
1,28 |
1,198 |
1,103 |
0.747 |
0.525 |
0,62 |
|
4 |
|
- |
0,94 |
0,94 |
0,955 |
0.98 |
0.98 |
0,98 |
|
5 |
|
мм |
0,71 |
0,71 |
0,533 |
0.237 |
0.237 |
237 |
|
6 |
|
- |
1,1 |
1,1 |
1,1 |
1,1 |
1,1 |
1,1 |
|
7 |
|
- |
1,158 |
1,158 |
1,177 |
1.208 |
1.208 |
1,208 |
|
8 |
|
Ом |
0,157 |
0,157 |
0,158 |
0.159 |
0.159 |
0,159 |
|
9 |
|
- |
1,012 |
1,012 |
1,012 |
1.013 |
1.013 |
1,013 |
|
10 |
|
мм |
1,022 |
1,022 |
0,767 |
0.341 |
0.341 |
0,341 |
|
11 |
|
- |
0,731 |
0,941 |
1,472 |
2.854 |
2.959 |
2,938 |
|
12 |
|
- |
1,529 |
1,529 |
1,553 |
1.594 |
1.594 |
1,594 |
|
13 |
|
Ом |
0,121 |
0,13 |
0,153 |
0.212 |
0.217 |
0,216 |
|
14 |
|
Ом |
0,081 |
0,085 |
0,096 |
0.273 |
0.52 |
0,413 |
|
15 |
|
Ом |
0,28 |
0,288 |
0,313 |
0.374 |
0.379 |
0,378 |
|
16 |
|
А |
1306 |
1263,4 |
1161,2 |
820.33 |
590.98 |
678,5 |
|
17 |
I>1нас> |
А |
1318 |
1276,3 |
1175,2 |
834.2 |
601.52 |
690,4 |
|
18 |
|
- |
1,033 |
1,031 |
1,023 |
1.007 |
1.004 |
1,005 |
|
19 |
|
- |
6,499 |
6,293 |
5,795 |
4.113 |
2.966 |
3,404 |
|
20 |
> |
- |
1,344 |
1,36 |
1,43 |
2.388 |
2.479 |
2,564 |
1.10 Тепловой и вентиляционный расчет
Превышение температуры внутренней поверхности сердечника статора над температурой воздуха внутри двигателя, °С:

По табл.
8.33 [1, c. 402]
принимаем
.
Электрические
потери в обмотке статора делятся на
потери в пазовой части
и потери в лобовых частях катушек
:


где
– коэффициент увеличения потерь, для
обмоток с изоляцией класса нагревостойкости
F

Тогда
.
По рис. 8.70,
б [1, с. 400]
принимаем среднее значение коэффициента
теплоотдачи с поверхности
.
Имеем
.
Перепад температуры в изоляции пазовой части обмотки статора, °С:

где
– расчетный периметр поперечного
сечения паза статора, равный для
полузакрытых трапецеидальных пазов:

где
и
– размеры паза в штампе (рассчитаны
ранее).
Для изоляции
класса нагревостойкости F
,
=0
Тогда
;
.
Перепад температуры по толщине изоляции лобовых частей:

=0
Тогда
;
;
.
Превышение температуры наружной поверхности лобовых частей над температурой воздуха внутри двигателя:

Имеем
.
Среднее превышение температуры обмотки статора над температурой воздуха внутри двигателя:

Получим
.
Превышение температуры воздуха внутри двигателя над температурой окружающей среды:

где
для
;
– сумма потерь, отводимых
в воздух внутри двигателя, Вт:

где

где
– сумма всех потерь в двигателе при
номинальном режиме и расчетной
температуре,
из табл. 1
для
.
Эквивалентная поверхность охлаждения корпуса с учетом поверхности ребер станины:

где
– условный периметр поперечного сечения
ребер корпуса двигателя; значение
которого принимаем по рис. 8.73
[1, с. 404]
для
.
Окончательно
;
;
;
.
Среднее превышение температуры обмотки статора над температурой окружающей среды:

Тогда
.
Проверка условий охлаждения двигателя.
Требуемый для двигателей со степенью защиты IP44 охлаждения расход воздуха:

где
– коэффициент, учитывающий изменение
условий охлаждения по длине поверхности
корпуса, обдуваемого наружным вентилятором:

Коэффициент
принимаем по рекомендациям [1, с. 407]
.
Тогда
;
;
Расход воздуха, обеспечиваемый наружным вентилятором, может быть определен по формуле:

Тогда
.
Нагрев частей двигателя находится в допустимых пределах (по табл. 7.1 [1, с. 212].
Вентилятор
обеспечивает необходимый расход воздуха,
так как
(по требованиям
[1, с. 407]).
Вывод: спроектированный двигатель отвечает поставленным в техническом задании требованиям.
1.11 Механический расчет
Электрические машины общего назначения в большинстве случаев выполняют с горизонтальным расположением вала. В этом случае вал несет на себе всю массу вращающихся частей, через него передается вращающий момент машины. При сочленении машины с исполнительным механизмом (для двигателя) или с приводным двигателем (для генератора) через ременную или зубчатую передачу, а также и через муфту на вал действуют дополнительные изгибающие силы. Кроме того, на вал могут действовать силы одностороннего магнитного притяжения, вызванные магнитной несимметрией, усилия, появляющиеся из-за наличия небаланса вращающихся частей, а также усилия, возникающие при появлении крутильных колебаний. Правильно сконструированный вал должен быть достаточно прочным, чтобы выдержать все действующие на него нагрузки без появления остаточных деформаций. Вал должен также иметь достаточную жесткость, чтобы при работе машины ротор не задевал о статор. Критическая частота вращения вала должна быть значительно больше рабочих частот вращения машины. При критической частоте вращения вынуждающая сила небаланса имеет частоту, равную частоте собственных поперечных колебаний вала (т.е. наступает явление резонанса), при которой резко увеличиваются прогиб вала и вибрация машины.
Валы изготовляют из углеродистых сталей, преимущественно из стали марки 45. Для повышения механических свойств сталей их подвергают термической обработке.
Размеры вала определяют при разработке конструкции. Валы имеют ступенчатую форму с большим диаметром в месте посадки магнитопровода ротора. Число ступеней вала зависит от количества узлов машины, размещаемых на нем (магнитопровод, коллектор, подшипники, вентилятор, контактные кольца и т.д.). При переходе с одного диаметра вала на другой для предупреждения недопустимой концентрации напряжений в местах переходов должны быть предусмотрены закругления (галтели) максимально возможного радиуса. Отношение радиуса галтели к диаметру вала должно быть больше 0,05. По этой же причине не следует применять отношение диаметров соседних ступеней вала более 1,3. Иногда для фиксации положения пакета магнитопровода ротора на валу предусматривается упорный буртик. Диаметр вала, см, в той его части, где размещается магнитопровод, предварительно можно выбрать по формуле:

где
– номинальная мощность, кВт;
– номинальная частота
вращения ротора, об/мин;
– коэффициент, значение
которого принимаем по рекомендациям
[2, c. 231]
равным
.
Тогда
.
По рекомендациям [3, с. 78] принимаем основные размеры: a=67,5 мм; d>3>=100 мм; d>2>=95 мм; d>4>=113 мм; d>5>=128 мм; d>6>=120 мм; L>1>=834 мм; L>2>=417 мм; L>4>=98 мм; L>5>=99 мм; L>6>=15 мм; L>7>=98 мм; а>1>=67,5 мм.
Размеры
свободного конца вала выбираем в
соответствии с ГОСТ 18709–73 и ГОСТ 20839–75
по табл.
11.1 ([1,
с. 233]):
,
.
Принимая, что ротор асинхронного двигателя представляет собой сплошной цилиндр с плотностью 8300 кг/м3, его массу можно определить по формуле:

Имеем
.
Прогиб определяем по формуле:

Тогда
.
Электрическая
машина сочленяется с исполнительным
механизмом одним из указанных способов:
через ременную передачу, зубчатую
передачу или через упругую муфту. При
работе машины возникают поперечные
силы
,
приложенные к выступающему концу вала
и соответственно вызванные натяжением
ремня, давлением на зубец шестерни или
же неточностью сопряжения валов и
изготовлением деталей муфты.
Эту силу
можно определить по формуле:

где
– номинальный вращающий момент,
:

– коэффициент, принимаем
равным
,
при условии передачи упругой муфтой;
– радиус делительной
окружности шестерни или радиус по
центрам пальцев муфты или окружности
шкива, м.
Получим:
;
.
Вал разбиваем на три участка: a, b и с.
По табл. 11.3; 11.4 [2, с. 236]:
;
;
.
Прогиб вала,
м,
под действием силы
на участке, соответствующем середине
магнитопровода, равна:

где
– модуль упругости;
Тогда
.
Сила
вызывает дополнительный прогиб вала
под серединой магнитопровода:


Первоначальное смещение ротора:

.
Силу одностороннего магнитного притяжения определяем по формуле:

.
Сила
вызывает дополнительный прогиб вала,
который пропорционален прогибу
от силы тяжести:

.
Установившийся прогиб под действием силы магнитного притяжения:

.
Результирующий прогиб вала определяется для наихудшего случая:

,
эта величина составляет 0.3313313% от , что является допустимым.
Критическую частоту вращения находим по приближённой формуле:

.
В расчёте на
прочность принимаем коэффициент
перегрузки

[2, с. 239].
Напряжение на свободном конце вала в сечении А:

где
– изгибающий момент;

– момент
сопротивления при изгибе;

Окончательно:
;
;
.
Напряжение на свободном конце вала в сечении B:

где
– изгибающий момент;

– момент
сопротивления при изгибе;

Окончательно:
;
;
.
Напряжение на свободном конце вала в сечении C:

где
– изгибающий момент;
– момент сопротивления
при изгибе;


Окончательно:
;
;
.
Напряжение на свободном конце вала в сечении D:

где
– изгибающий момент;

– момент
сопротивления при изгибе;

Окончательно:
;
;
.
Напряжения
во всех сечениях не превышают предела
текучести
для стали марки
45.
Выбор подшипников
Для определения
радиальной нагрузки на подшипники
и
будем исходить из наихудшего случая.
Схема определения радиальных реакций подшипников представлена на рис. 9, откуда:



.
Приведённая динамическая нагрузка равна:

где
– коэффициент учитывающий характер
нагрузки двигателя.
;
.

Рис. 9. Схема для определения радиальных реакций подшипников
Динамическая грузоподъёмность:

где
– требуемый срок службы.
;
.
Выбираем роликоподшипники радиальные с короткими цилиндрическими роликами по ГОСТ 8328–75.
ОПОРА A:
|
Тип |
|
|
|
>r, >>мм> |
|
|
|
32219 |
95 |
170 |
32 |
3,5 |
130000 |
3150 |
ОПОРА В:
|
Тип |
|
|
|
>r, >>мм> |
|
|
|
2319 |
95 |
200 |
45 |
4 |
20600 |
2500 |
2. Моделирование двигателя
Моделирование производим в программе MATLAB для параметров номинального режима.
Момент и скорость вращения двигателя

Ток фазы А

Зависимость скорости от момента

Моделирование производим в программе MATLAB для параметров пускового режима.
Момент и скорость вращения двигателя

Ток фазы А

Зависимость скорости от момента


Динамическая
механическая характеристика
:
– для номинальных параметров;
– для пусковых параметров;
– статическая механическая характеристика.
Анализ моделирования
1. При моделировании с номинальными параметрами пусковой момент получается ниже, чем при моделировании с пусковыми параметрами
2. Действующее значение тока статора и скольжение:
при моделировании I = 198 А и S = 1,35
расчетные I = 202,67 А и S = 0,01287
3. Ток холостого хода полученный: при моделировании I>хх> = 48 А;
расчетный I>хх> = 46,8 А.
Таким образом, параметры смоделированного двигателя совпадают с расчетными параметрами с допустимой точностью.
3. Конструкторская часть
Конструкторская часть состоит из 3-х листов формата А1, которые начерчены вручную (Листы 1, 2, 3) и листа формата А4, выполненном на компьютере.
На первом листе (Лист 1 – БГТУ.ЭМКП.021.001.ВО) изображён продольный и поперечный вид двигателя, который выполнен в закрытом исполнении, как того требует техническое задание. Масштаб чертежа 1:2. На поперечном виде двигателя, на местном разрезе показаны паз и зубец статора и ротора. Чертёж выполнен в соответствии со стандартами ЕСКД. На этом же листе в таблицах указаны основные технические и пусковые характеристики спроектированного двигателя в сравнении с аналогом и с заданием на курсовое проектирование. Проставлены все габаритные и присоединительные размеры. Таблица составных частей изделия, поясняющая конструкцию и принцип работы изделия представлена на отдельном листе А4.
Второй лист (Лист 2 – БГТУ.ЭМКП.021.002) содержит графики, полученные в результате моделирования и описывающие некоторые особенности работы двигателя. На этих графиках можно увидеть зависимость тока статора, момента и угловой скорости от времени. Они отображают работу АД с параметрами номинального и пускового режимов. Помимо этого второй лист содержит рабочие и пусковые характеристики. Также на этом листе располагается схема автономного инвертора напряжения для короткозамкнутого асинхронного двигателя, выбранная по заданию для конкретных параметров. Также здесь находится Т-образная схема замещения АД и векторная диаграмма, которая нарисована исходя из рекомендаций [1] в соответствующем масштабе. Основанием для построения этой диаграммы является уравнения токов и уравнений напряжений обмоток статора и ротора также расположенными на Листе 2.
На третьем листе (Лист 3 – БГТУ.ЭМКП.О21.003) графической части изображена обмотка статора. Схема размещения обмотки статора нарисована исходя из следующих условий:
Z>1> = 72, q>1> = Z>1> / 2рm = 72 / (6 3) = 4, 2p=6, = D / (2p) = 0.317 / 6 = 0.166 м, a=3, =5/6.
4. Выбор схемы управления двигателем
Выбор схемы управления производим по рекомендациям [8] с учетом требований задания курсового проекта:
– напряжение сети …………………………………….…………… 660 В
– мощность сети ……………………………………….неограниченная
– тип электропривода ………………………реверсивный, регулируемый
– характер нагрузки …………………………………………. постоянная
– условия пуска ……………………………………………… постоянный
– требования к регулированию скорости (для регулируемых
электроприводов) ……………………………………………… (0 –2)ω>ном>
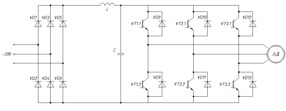
Схема управления АИН АД представлена на рис. 5.

Рис. 5. Автономный инвертор напряжения на IGBT транзисторах
Трехфазное напряжение, подаваемое из сети, поступает на выпрямитель сформированный из диодов VD1 … VD6, в котором происходит выпрямление этого напряжения. За счет IGBT транзистора VT1 и диода VD7 имеется возможность ограничивать напряжение, подаваемое на автономный инвертор напряжения, собранный на IGBT транзисторах VT1.1 … VT3.2 и диодах VD8 … VD13. Для уменьшения пульсаций преобразования тока, в схеме установлен дроссель L с достаточно большой индуктивностью, а с помощью конденсатора С происходит уменьшение пульсаций напряжения.
Заключение
В рамках данного курсового проекта был спроектирован асинхронный двигатель. Расчет проводился по методике, изложенной в [6], [9] с использованием персонального компьютера, что позволило исследовать влияние параметров двигателя на динамические характеристики машины.
Далее для сравнения предлагаются основные характеристики спроектированного двигателя, расчётные и полученные с помощью моделирования, а так же параметры аналогичного двигателя.
|
М>П>/М>Н> |
M>max>/М>Н> |
I>П>/I>Н> |
B>>, Тл |
S>Н>, |
S>К>, |
cos |
|
|
|
Аналог |
1,2 |
2,1 |
6,5 |
0,76 |
1,4 |
9,0 |
0,89 |
0,92 |
|
Расчёты |
1,386 |
2,13 |
5,15 |
0,79 |
1,76 |
17,6 |
0,893 |
0,926 |
|
Matlab |
1,3 |
2,01 |
5,6 |
1,7 |
11 |
Параметры спроектированного двигателя совпали с параметрами оригинала с допустимой точностью и полностью удовлетворяют требованиям технического задания.
В результате данной работы были получены навыки в проектировании асинхронного двигателя.
Список литературы
Копылов И.П. Проектирование электрических машин: В 2 т. / Под ред. И.П. Копылова. – М.: Энергоатомиздат, 1993.
Асинхронные двигатели серии 4А: Справ./ А.Э. Кравчик и др. – М.: Энергоиздат, 1982. – 504 с.
Справочник по электрическим машинам: В 2 т. / Под общ. Ред. И.П. Копылова, И.Б. Клокова. – М.: Энергоатомиздат, 1988.
Герман-Галкин С.Г. Компьютерное моделирование полупроводниковых систем. Matlab 6.0 – Санкт-Петергбург: Корона принт, 2001.-320 с.
Ключев В.И. Теория электропривода. – М.: Энергоатомиздат, 2001.-704 с.
Копылов И.П. Электрические машины. – М.: Высш. шк., 2000.-607 с.
Москаленко В.В. Автоматизированный электропривод. – М.: Энергоатомиздат, 1986.-464 с.\
Бурков А.Т. Электронная техника и преобразователи. – М. Транспорт, 1999. – 464 с.















































>




