Электронные цепи и микросхемотехника
Министерство Образования и Науки
Российской Федерации
Брянский Государственный Технический Университет
Кафедра "Автоматизированный электропривод"
Курсовой проект по дисциплине
"Электронные цепи и микросхемотехника"
Студент группы 05-ПЭ
Фролов С.В.
Преподаватели
Хвостов В.А.
Зотин В.Ф.
Зотин Д.В.
Брянск 2007
Содержание
Введение
Разработка однокаскадного УНЧ
Синтез преобразователя аналоговых сигналов на базе операционного усилителя
Разработка комбинационного логического устройства
Разработка источника питания для УНЧ
Список литературы
Введение
Основной задачей данного курсового проекта являлось приобретение навыков проектирования устройств электронной техники. При выполнении курсового проекта были спроектированы следующие устройства: усилитель низкой частоты на транзисторах, преобразователь аналоговых сигналов на базе операционного усилителя, комбинационно-логического устройство и транзисторный стабилизатор постоянного напряжения. Расчёты подкреплены моделированием в среде OrCAD. При выполнении курсового проекта необходимо решить ряд задач, тематика которых отражает основные разделы изучаемой дисциплины.
1. Разработка однокаскадного УНЧ
Исходные данные:
параметры источника сигнала:
U>вх> = -1…+1В
f>вх >= 1…10 кГц
R>i>= 1 МОм,
сопротивление нагрузки: Rн = 5кОм
напряжение источника питания: U>п> = +24В
коэффициент усиления напряжения: K>U> = -
Источник сигнала и нагрузка гальванически связаны с общим выводом (точкой нулевого потенциала); диапазон рабочих температур – 0…70 0С
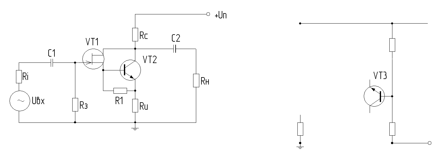
Сопротивления источника сигнала велико (R>i>= 1 МОм), поэтому необходимо использовать схематическое решение, при котором входное сопротивление усилителя значительно больше этого сопротивления. Этим условиям удовлетворяет усилитель на полевом транзисторе. Для этого подходит схема с общим истоком. Схема с общим затвором не подходит из-за того, что не обеспечивает большого входного сопротивления, а схема с общим стоком – из-за невысокой крутизны передаточной характеристики.

Рис.1.1 Усилительный каскад с общим истоком
Источник сигнала имеет достаточно большую амплитуду, поэтому необходимо использовать полевой транзистор (n – канальный с p-n переходом) с напряжением отсечки U>ЗИотс> > - 2B. Лучше всего использовать составной элемент из полевого и биполярного транзисторов, что позволит увеличить невысокую крутизну полевого транзистора. Введением отрицательной обратной связи по переменному току мы добьемся температурной стабилизации.
Выберем полевой транзистор. Так как напряжение питания равно U>п> = +24В, то у него U>C>>И>>max> должно быть больше 24В; U>ЗИотс> > - 2B (см. выше). Одним из таких транзисторов является 2N4222: U>ЗИотс> = - 4.1B, I>Снач> = 8мА, U>C>>И>>max> = 30В.
Выберем биполярный транзистор: это должен быть транзистор с U>КЭ> > 24В, большой мощности. Например, транзистор 2N2270: U>КЭ0> = 45В, Р>tot> = 1 Вт, I>К>>max> = 1A, h>21Э> = 50…200.
Определим эквивалентные параметры транзистора VT3:
I>Снач> . При этом U>ЗИ.>>VT>>3> = 0. Предположим, что транзистор VT2 находится в активном режиме, тогда U>БЭ.>>VT>>1> = 0.7В (кремниевый транзистор), тогда напряжение U>ЗИ.>>VT>>2> = - 0.7B, определим ток стока VT1 при этом напряжении:

Выберем сопротивление R1 таким образом, чтобы через него текла примерно 10-я часть тока стока транзистора VT1, R1 = 1.1кОм, тогда ток коллектора транзистора VT2:
,
I>Снач>>VT>>3>
= 0.253А.

Рис.1.2
Напряжение U>ЗИотс>>VT>>1> = U>ЗИотс>>VT>>3> = - 4.1B, крутизну транзистора VT3 для любого напряжения U>ЗИ> можно определить как S>VT>>3> = S>VT>>1> ·(h>21Э> + 1). Из этой формулы видно, что полученная эквивалентная схема на транзисторе VT3 будет обладать большей крутизной, чем один полевой транзистор и, следовательно, большим усилением.
Определив параметры транзистора VT3 можно перейти к расчёту схемы Рис.1.1.
Так, как амплитуда входного сигнала 1В, то выберем U>ЗИ> = - 2В, определим ток стока при этом напряжении:
.
Эквивалентный транзистор VT3 работает в режиме А. Необходимое смещение обеспечивается за счёт падения напряжения на резисторе R>И>:

Из стандартного ряда Е24 выбираем R>И> = 30Ом. Для обеспечения оптимального режима работы каскада потенциал стока примем равным половине напряжения питания, откуда определим сопротивление R>C>:

Из стандартного ряда Е24 выбираем R>C> = 180Ом. Ток затвора транзистора VT3 равен току затвора транзистора VT1 I>З> = 0.1нA, поэтому для обеспечения входного сопротивления 10МОм, можем выбрать резистор R>З> = 10МОм (при этом потенциал затвора изменится на незначительную величину). Конденсаторы выберем из условия:

ω>Н> – наименьшая частота. С>1> >> 0.8нФ, С>1> >> 0.16мкФ. Выберем С>1> = 0,1мкФ, С>2> =10мкФ.
Определим коэффициент усиления,
обеспечиваемый данной схемой. Коэффициент
усиления определяется как
,
где
- изменение выходного напряжения,
снимаемого со стока транзистора VT1.
Так как сопротивление нагрузки на
порядок выше сопротивления в цепи стока
то можно считать что практически весь
ток стока протекает через резистор R>C>,
поэтому:
,
- изменение входного напряжения
(напряжения генератора), так как
сопротивление R>З>
на порядок выше сопротивления R>i>
то можно считать, что
,
где
- напряжение между затвором и точкой
нулевого потенциала. Имеем:

Определим значение крутизны при U>ЗИ>=-2B:

Подставляя значение крутизны в выражение для коэффициента усиления, получим: К = 3.93.
Произведём моделирование разработанного УНЧ в программе OrCAD. Модель УНЧ в OrCAD изображена на Рис.1.3

Рис.1.3 Модель УНЧ в OrCAD
В результате моделирования выяснилось, что коэффициент усиления получается 4,1, что близко к рассчитанному значению.

Рис.1.4 Зависимости U>Н>(t) УНЧ

Рис.1.5.1 Зависимости U>Н>(t) УНЧ при T=0, 27, 70 0С и f = 5000Гц
Отклонение выходного напряжения при изменении температуры от напряжения при нормальной температуре составляет 15мВ.

Рис.1.5.2 Зависимости U>Н>(t) УНЧ при U>П> = 22.8, 24, 25.2 В
При уменьшении напряжении питания на 5% (U>П> = 22.8В) - U>Н> = 4.09В, при увеличении напряжения питания на 5% (U>П> = 25.2В) - U>Н> = 4.125В.

Рис.1.6. ЛАЧХ УНЧ

Рис.1.7 Спектральный состав выходного сигнала УНЧ

Рис.1.8 Статический режим работы УНЧ
Определим мощности, рассеиваемые на резисторах (Рис.1.8):

Выберем R2 типа МЛТ-1, 1Вт-180Ом±5%

Выберем R3 типа МЛТ-0.12, 0.12Вт-39Ом±5%

Выберем R5 типа МЛТ-0.12, 0.12Вт-1000Ом±5%

Выберем R6 типа МЛТ-1, 1Вт-10МОм±5%
Конденсатор С1 выберем типа К50-16-25В-10мкФ±20% (конденсатор неполярный), конденсатор С2 выберем типа К50-6-16В-0.1мкФ±20% (оксидно-электролитические алюминиевые неполярные).
Определим выходное сопротивление каскада: так как в рабочем диапазоне частот усиление не меняется, то эквивалентная схема замещения полевого транзистора не будет содержать реактивных элементов (емкостей переходов), то можно записать:

Проверим правильность выбора
транзистора 2N2270
без теплоотвода в каскаде УНЧ. Определим
мощность, рассеиваемую транзистором,
в статическом режиме:
- это и будет та максимальная мощность,
которую рассеивает транзистор, максимально
допустимая в 2 раза выше, следовательно,
первоначальное предположение относительно
выбора транзистора верно.
Определим КПД каскада:
=
2. Синтез преобразователя аналоговых сигналов на базе операционного усилителя
Функция, реализуемая преобразователем:

- параметры преобразователя:
- R>вх> ≥ 100кОм
- R>Н>>min>> >= 1кОм
параметры входного сигнала:
- амплитуда -2.5…+2.5В
- частота 1….100Гц.
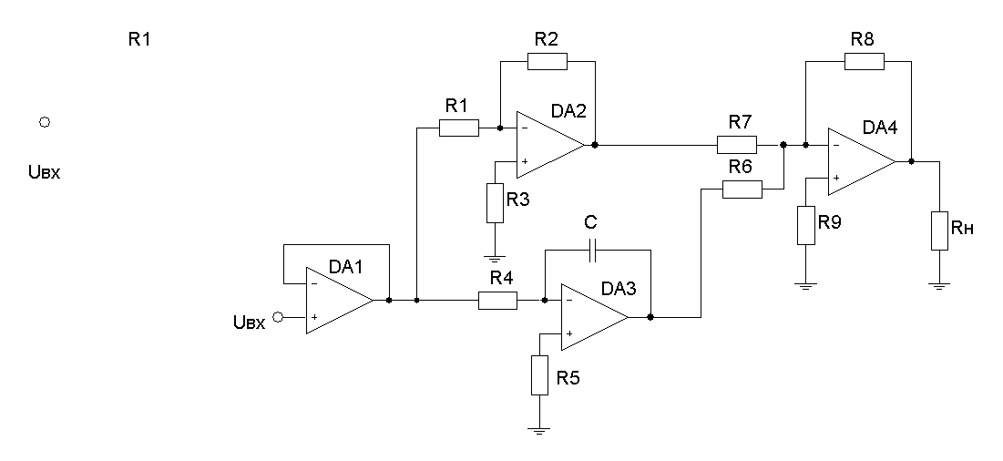
1. Разработка схемы электрической принципиальной преобразователя аналоговых сигналов на базе операционного усилителя (ОУ).
Рассмотрим функцию, реализуемую преобразователем, как передаточную функцию некоторого звена, затем представим это звено в виде набора простейших звеньев и реализуем каждое из них на ОУ:
,
где
,
тогда

Из этого уравнения видно, что
реализуемый преобразователь, должен
состоять из 3-х простейших звеньев:
пропорционального, интегрального и
суммирующего. Для синтеза преобразователя
необходимы: масштабный усилитель на
операционном усилителе (ОУ) с коэффициентом
усиления К = 4; интегрирующее устройство
на ОУ с постоянной времени интегрирования
и сумматор на ОУ. Принципиальная
электрическая схема преобразователя
аналоговых сигналов изображена на
Рис.2.1

Рис.2.1. Схема преобразователя аналоговых сигналов
Расчёт инвертирующего усилителя
Коэффициент усиления инвертирующего
усилителя равен - 4, потенциал инвертирующего
входа примем равным 0 (виртуальная
земля), тогда коэффициент усиления
равен:
и
по условию равен -4. Сопротивление R1,
выберем 10кОм, при этом потенциалы
инвертирующих входов интегратора и
усилителя равны 0 (виртуальная земля),
поэтому R2
= 4 R1,
R2
= 40кОм. Резистор R3
обеспечивает минимальное смещение по
постоянному току, его выберем из условия
Ом.
Расчёт инвертирующего интегратора
На практике реализовать идеальный инвертирующий интегратор практически невозможно, т.к. всегда существует некоторое смещение между входами ОУ, так как на постоянном токе нет обратной связи, то это небольшое смещение увеличивается в коэффициент усиления ОУ без обратной связи (десятки тысяч), что проявляется как появление постоянной составляющей в выходном сигнале. Следовательно, при выборе ОУ необходимо также обратить внимание и на этот факт.
Постоянная времени интегрирования
по условию
,
исходя из этого выберем значение емкости
С = 5мкФ, а сопротивление R4
= 10кОм. Сопротивление R4
= R5
= 10кОм.
Примем R6 = R7 = R8 = 10кОм, R9 = R6|| R7|| R8 = 3.3кОм
Расчёт напряжений питания ОУ
Входной сигнал имеет вид:
,
рассмотрим каждый ОУ в отдельности:
– для усилителя:
откуда
видно, что выходной сигнал изменяется
от -10…+10В, напряжение питания ОУ можно
принять 12В.
– для интегратора:
,
при самой малой частоте
входного сигнала:
,
видно, что выходной сигнал изменяется
от -8…+8В, напряжение питания ОУ можно
принять 10В.
– для сумматора:
,
видно, что выходной сигнал изменяется
от -12.8…+12.8В, напряжение питания ОУ можно
принять 18В.
Для всех ОУ можно принять U>п> = 18В.
Требования к ОУ: напряжение питания U>П >> 18B, выходной ток I>вых> > 12мА, скорость нарастания не важна (низкие частоты), по возможности малое напряжение смещения, малые токи смещения. Выберем ОУ OPA101В – операционный усилитель со входами на полевых транзисторах с p-n переходом, прецизионный.
U>П> = 10…40В, I>вых.>>max> = 45мА, U>сдв> = 50мкВ, I>см> = 10рА.
В качестве схемы согласования с источником входного сигнала (необходимо обеспечить входное сопротивление схемы не менее 100кОм) применим повторитель напряжения на OУ OPA101В.
Рассмотрим передаточную функцию идеального преобразователя:
,

Определим частоту сопряжения, для этого рассмотрим 2 случая:
1.

2.

Частоту определим как:

Преобразователь на всем диапазоне частот работает как усилитель. При подаче синусоидального сигнала на вход:

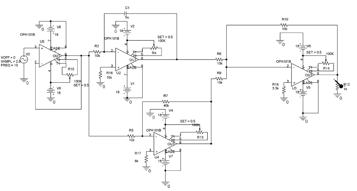
Рис.2.2 Схема аналогового преобразователя в OrCAD
Моделированием в OrCAD получим ЛАХЧ преобразователя (Рис.2.3)

Рис. 2.3 ЛАЧХ преобразователя в рабочем диапазоне частот(1…100Гц)
Построим ЛАЧХ данной передаточной функции в Matlab Simulink

Рис.2.4 ЛАЧХ идеального преобразователя

Рис.2.5 Выходной сигнал при подаче синусоидального входного
3. Разработка комбинационного логического устройства
КЛУ реализует управление объектом с помощью логического сигнала Y. Состоянию объекта соответствуют входные комбинации, заданные в шестнадцатеричном коде:
- включено при 2, 5, 6, А, Е;
- выключено при 1, 3, 7, 8, В, С.
Составим таблицу истинности для заданной функции (Таблица 3.1).
Таблица 3.1 Таблица истинности
-
HEX
X>1>
X>2>
X>3>
X>4>
y
23
22
21
20
2
0
0
1
0
1
5
0
1
0
1
6
0
1
1
0
А
1
0
1
0
Е
1
1
1
0
1
0
0
0
1
0
3
0
0
1
1
7
0
1
1
1
8
1
0
0
0
В
1
0
1
1
С
1
1
0
0
Так как количество логических переменных меньше 6, то для решения задачи минимизации логической функции применим метод карт Карно. Составим карту Карно для заданной таблицы истинности (Таблица 3.1), дополним карту Карно необходимыми значениями логической функции Y и произведем объединение соответствующих ячеек (Рис.3.1)

Рис.3.1 Карта Карно для заданной таблицы истинности 0* и 1* - добавленные произвольным образом значения функции Y
По полученной карте Карно составим логическую функцию y:
,
применим теорему де Моргана к полученному выражению:

Cоставим модель преобразователя в системе OrCAD (Рис.3.3) и произведём моделирование. Результатом моделирования является диаграмма логических состояний (Рис.3.2), подтверждающая адекватность синтеза КЛУ.

Рис.3.2 Диаграмма логических состояний КЛУ

Рис.3.3 Модель КЛУ в OrCAD
4. Разработка источника питания для УНЧ
В данной части курсового проекта необходимо разработать стабилизированный источник питания, который являлся бы источником питания для УНЧ, разработанного в первом задании. По заданию:
I>Н>=20…80мА
U>ВЫХ>=24В±0.15%
ΔU>П>=7мВ
U>ВХ>=127В±5%
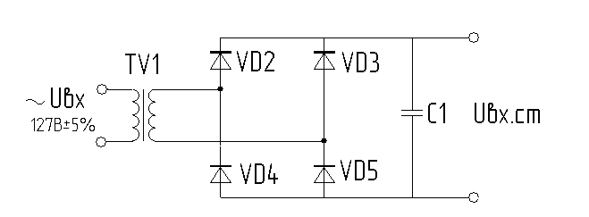
Источник питания содержит сетевой трансформатор, выпрямительный мост, сглаживающий фильтр и компенсационный стабилизатор напряжения последовательного типа. Схема источника питания приведена на Рис. 4.1

Рис.4.1 Источник питания УНЧ
Стабилизатором напряжения называется устройство, поддерживающее неизменным напряжение на нагрузке при изменении значений питающего напряжения и нагрузки, температуры окружающей среды и при воздействии других дестабилизирующих факторов, которые могут привести к изменению напряжения на нагрузке.
По принципу действия стабилизаторы напряжения подразделяются на параметрические и компенсационные. При этом под параметрическими стабилизаторами понимаются устройства, в которых стабилизация напряжения на нагрузке осуществляется в результате перераспределения напряжений между линейными и нелинейными элементами. В качестве
нелинейного элемента в параметрических стабилизаторах используются различные приборы, обладающие резко выраженной нелинейностью вольтамперных характеристик.
Компенсационные стабилизаторы напряжения постоянного тока представляют собой системы автоматического регулирования, содержащие цепь отрицательной обратной связи, по которой сигнал с выхода стабилизатора воздействует на его вход. Стабилизация напряжения на нагрузке в таких стабилизаторах осуществляется за счёт соответствующего регулирования тока, в качестве которого широко используются силовые транзисторы.
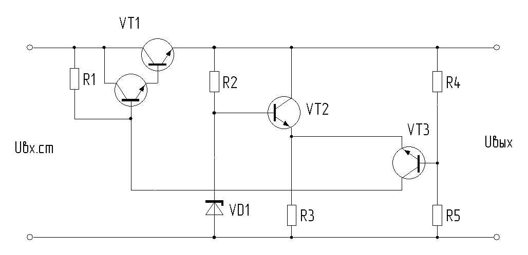
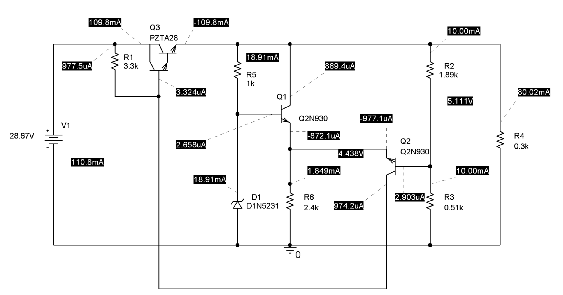
Выбранная схема компенсационного стабилизатора (КС) напряжения представлена на Рис.4.2

Рис.4.2 Компенсационный стабилизатор напряжения
Начнём расчёт схемы источника питания с расчёта компенсационного стабилизатора напряжения.
Качество работы стабилизатора оценивается следующими основными параметрами: коэффициентом стабилизации напряжения, внутренним сопротивлением, коэффициентом сглаживания пульсаций напряжения, температурным коэффициентом стабилизатора.
1) Определим коэффициент стабилизации. Коэффициент стабилизации показывает, во сколько раз стабилизатор уменьшает изменение питающего напряжения.

2) Определим выходное сопротивление (внутреннее сопротивление стабилизатора). Внутреннее сопротивление стабилизатора характеризует влияние изменений тока нагрузки стабилизатора на его выходное напряжение и определяется как отношение приращения выходного напряжения к вызвавшему его приращению тока нагрузки. Очевидно, что при малом значении внутреннего сопротивления стабилизатора ослабляется влияние изменений тока нагрузки на стабилизированное напряжение.

3) Определим минимальное напряжение
на входе стабилизатора напряжения (СН)
(Рис.4.2), приняв
= 3В (транзистор VT1):
,
где
-
выходное напряжение источника,
-
напряжение пульсаций на
входе СН,
- допустимый уровень пульсаций
на выходе СН.


4) Найдём входное напряжение СН.
Так как отклонение напряжение в сети от 127В - ± 5%, то после выпрямления и сглаживания минимальное напряжение, подаваемое на вход СН, отличается от номинального (при данном коэффициенте трансформации) на 5%, поэтому можно записать:


5) Важнейшим энергетическим
показателем стабилизаторов является
коэффициент полезного действия
,
равный отношению мощности,
потребляемой нагрузкой с выхода
стабилизатора
,
к мощности, потребляемой стабилизатором
от источника питания
.
Рассчитаем максимальную мощность,
потребляемую стабилизатором:
,
входной максимальный ток СН
складывается из максимального тока
нагрузки
,
тока стабилитрона
,
коллекторного тока транзистора VT2
,
тока делителя
и тока через сопротивление
R1
.

6) Определим максимальную мощность, потребляемую нагрузкой:

7) Рассчитаем КПД стабилизатора напряжения:

8) Выберем транзистор VT1:
I>к1>>max>
>

U>КЭ1>>max> > U>вх.>>max> - U>вых> = 1,05U>вх.ст> - U>вых> = 6.1В
P>K> > 0.68 Вт
По определённым максимально допустимым параметрам был найден транзистор PZTA28:
I>К>>max>=800мА, U>КЭ>>max>=80B, P>Kmax>=1 Вт, h>21э> > 20000
9) Определим I>б>>1>, приняв h>21>>э>> >=30000:

10) Рассчитаем сопротивление R1,
приняв
=
1мА :
= 3.23кОм.
Сопротивление выберем из ряда Е24 R1 = 3.3кОм
11) Выберем стабилитрон VD1 марки 1N5231 (U>ст >= 5,1В , I>ст >= 20мА P>ст.>>max> = 500мВт)
12) Определим сопротивление R2, считая I>б2> << I>ст> = 10мА:
=0.994кОм
Сопротивление выбираем из ряда Е24 R2 = 1кОм
13) Предположим, что транзисторы VT2 и VT3 находятся в активном режиме (кремниевые транзисторы), и будем считать падение напряжения U>БЭ1> = U>БЭ2> = 0.6В для каждого транзистора. На стабилитроне падает 5.1В, примем I>б3> << I>дел>,
(6)
После подстановки числовых значений и решения системы (6) получим:
R5=0.51кОм, R4=1.89кОм
Сопротивление выберем из ряда Е24 R5 = 0.51кОм, R4 = 1.87кОм
4) Выберем транзистор VT3:
I>к3>>max>>
U>КЭ3>>max> > U>вх >>max> – U>ст> = 26.87 – 5.1 = 21.77В
P>K> > 18.9 мВт
По заданным максимально допустимым параметрам был найден транзистор 2N930: I>К>>max>=30мА, U>КЭО>>max>=45B, P>Kmax>=0,60Вт, h>21э>=400
15) Выберем R3
= 2.4кОм, считая
=1мА
16) Выберем транзистор VT2:
I>к2>>max>>1мА
U>КЭ2>>max>> 24-5.1 = 18.9В
P>K> > 18.9 мВт
Заданным параметрам удовлетворяет транзистор 2N930
17) Рассчитаем выпрямитель и фильтр (Рис.4.3):

Рис.4.3 Мостовой выпрямитель и сглаживающий фильтр (С1)
U>ВХ>=220В±5%, ΔU>Пвх>=233мВ, U>вх.ст>=28.67В
Определим коэффициент пульсаций:

18) Рассчитаем эквивалентное входное сопротивление СН:
Rэкв=(U>вх.ст>)/(I>вх>>max>)=28.67В/111мА=285.28Ом
19) Определим ёмкость C1:


Выберем из ряда Е24 C1=2700мкФ
20) Найдём необходимое выходное напряжение трансформатора TV1, при котором выполняется условие U>вых. выпр>=28.67В:
U>вых выпр>≈0.95U>вх>- 2U>vdsat> = 0.95·127-1.2 = 119.45В
(принимаем U>vdsat>=0,6В),
21) Коэффициент трансформации:
K>тр>= (U>вх>)/(U>вх1>) = 119.45/28.67 = 4.17
22) Выберем диодыVD2-VD5:
,

Выберем диод 1N5820 (I>пр >>max> = I>пр и >>max> 60А, U>обр.>>max> = 400B), в момент зарядки емкости через диоды, включенные в прямом направлении течет ток зарядки конденсатора, который определяется сопротивлением конденсатора на данной частоте (ток порядка 32А)
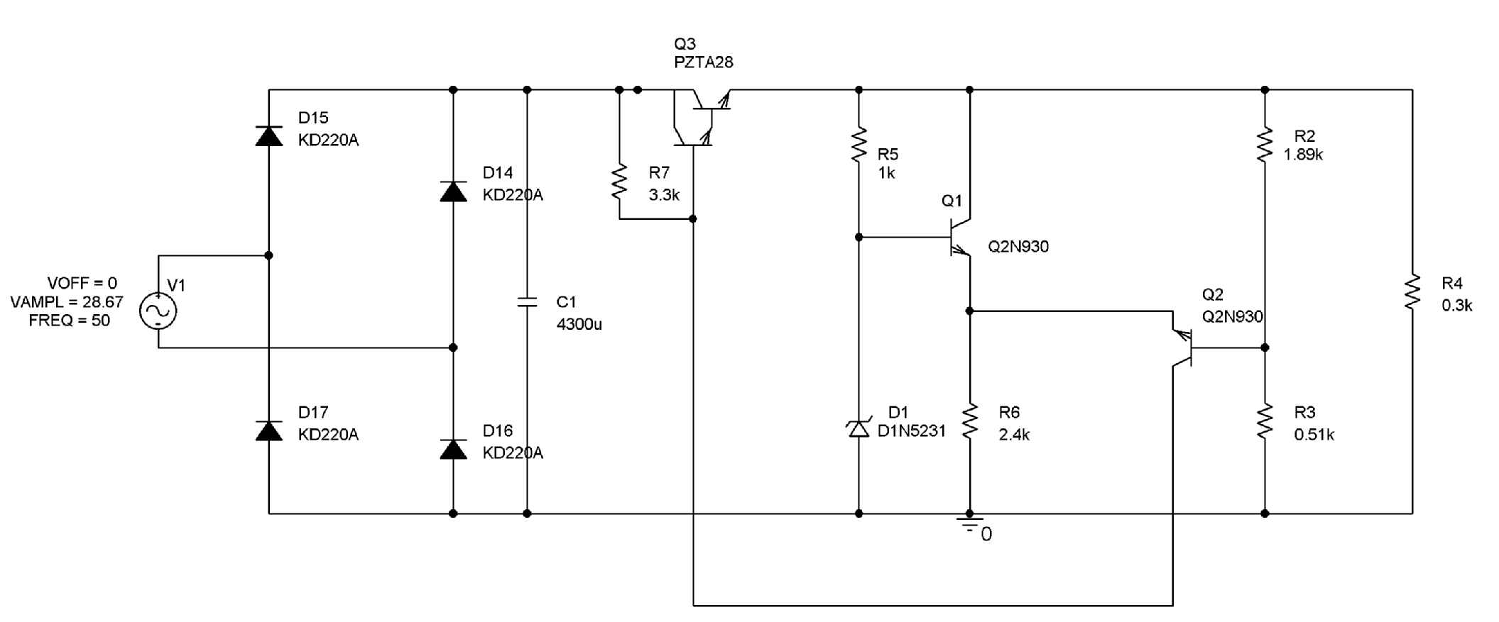
По выбранным элементам составим модель источника питания в системе OrCAD(Рис4.4) и произведём моделирование

Рис.4.4 Модель стабилизатора напряжения в OrCAD

Рис.4.5 Модель источника питания в OrCAD
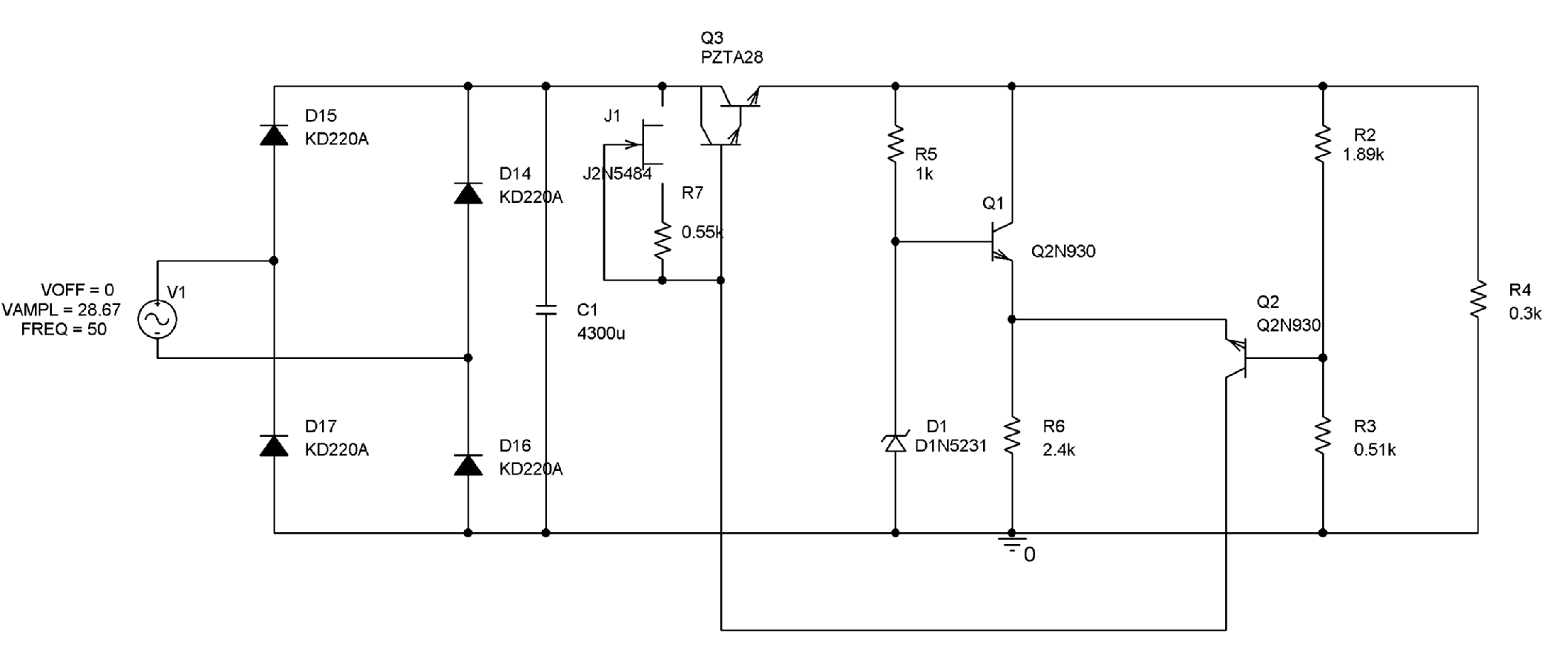
По результатам моделирования получили, что при пульсации входного напряжения ΔU>Пвх> = 0.233В, а пульсации выходного напряжения составляют ΔU>Пвых> = 16мВ, а необходимо добиться пульсации на выходе стабилизатора ΔU>Пвых> = 7мВ, этого естественно можно добиться, если увеличивать емкость
конденсатора (С1 – большие токи зарядки), но также возможно вместо резистора R1, использовать источник тока на полевом транзисторе. Схема полученного стабилизатора показана на Рис.4.6

Рис.4.6 Компенсационный стабилизатор напряжения
Источник тока должен давать ток
1мА. Выберем транзистор 2N5484
I>Снач>
= 3.3мА, U>ЗИотс>
= -1.2В. Из выражения определим
U>ЗИ>
= - 0.55В,
.
Смоделируем данную схему в OrCAD.

Рис.4.7 Модель источника в OrCAD

Рис.4.8 Зависимость U>вх.ст>(t) при U>c>=127В

Рис.4.9 Зависимость U>вых>(t) при U>c>=127В

Рис. 4.10 Зависимости U>вх.ст>(t) при U>С>=127В-5%=120.65В

Рис. 4.11 Зависимости U>вых>(t) при U>С> = 127В-5% = 120.65В

Рис. 4.12 Зависимости U>вх.ст>(t) при U>С>=127В + 5% = 133.35В

Рис. 4.13 Зависимости U>вых>(t) при U>С> = 127В + 5% = 133.35В

Рис. 4.14 Зависимость U>вых>(t) при температурах t=0, 27, 70 0C
Список литературы
1. Электронные цепи и микросхемотехника: Учебник/ Ю.А. Быстров, И.Г. Мироненко.- М.: Высш.шк., 2002г.
2. П. Хоровиц, У.Хилл Искусство схемотехники: Перевод с английского под ред. д.т.н М.В.Гальперина- М.; Мир, 1986
3. М.Х.Джонс. Электроника – практический курс. Перевод с английского Е.В.Воронова, А.Л.Ларина- М.: Постмаркет 1999
4. В.Г.Гусев, Ю.М.Гусев Электроника - М.: Высшая школа, 1991.