Электроснабжение цементного завода
ҚАЗАҚСТАН РЕСПУБЛИКАСЫ БІЛІМ ЖӘНЕ ҒЫЛЫМ МИНИСТРЛІГІ ПАВЛОДАР УНЕВРСИТЕТІНІҢ КОЛЛЕДЖІ
МИНИСТЕРСТВО ОБРАЗОВАНИЯ И НАУКИ РЕСПУБЛИКИ КАЗАХСТАН КОЛЛЕДЖ ПАВЛОДАРСКОГО УНЕВЕРСИТЕТА
Қорғауға руқсат ету
Допустить к защите
БЕКІТЕМІН/ УТВЕРЖДАЮ
Бөлім меңгерушісі/ Зав.отделением
_________________Данченко Л.П.
«___»__________________200_ж./г.
КУРСТЫҚ ЖОБАҒА ТҮСІНІК ХАТ
ПОЯСНИТЕЛЬНАЯ ЗАПИСКА
К КУРСОВОМУ ПРОЕКТУ
Тақырып/ Тема: Электроснабжение цементного завода
КЖ. ТХ КП. ПЗ
Баға/ Оценка: _____________
Жасады/ Разработал: ______________________________________
(қолы, мерзімі)(подпись, дата) (аты-жөні)(Ф.И.О.)
Жетекші/ Руководитель: _____________________________________
(қолы, мерзімі)(подпись, дата) (аты-жөні)(Ф.И.О.)
2007 ж./ г.
Содержание.
Введение.
Исходные данные на проектирование электроснабжения цехов цементного завода
генеральный план завода
Раздел I.
определение расчетных электрических нагрузок
Краткая характеристика среды производственных помещений
Определение расчетных электрических нагрузок
Определение расчетных нагрузок цехов по установленной мощности и коэффициенту спроса
Определение расчетной нагрузки завода в целом
Выбор мощности трансформаторов
Раздел II.
определение центра электрических нагрузок, построение картограммы и выбор расположения питающей подстанции
Раздел III.
выбор варианта электроснабжения
I вариант схемы электроснабжения
II вариант схемы электроснабжения
расчет тока короткого замыкания
вывод
список литературы
Введение.
Огромная роль энергетики в развитии народного хозяйства определяется тем, что любой производственный процесс во всех отраслях промышленности, в сельском хозяйстве, на транспорте, все виды обслуживания населения страны связаны со всевозрастающим масштабами использования энергии. В настоящее время уровень мирового потребления энергии перевалил за 2 млрд. тонн условного топлива, по прогнозам экспертов к 2020 году эта цифра возрастет до 30 млрд. тонн в год.
В процессе развития производительных сил непрерывно изменились и совершенствовались источники и виды энергии, используемые в производстве и быту. В далеком прошлом энергетической основой служила мускулистая сила людей, дополненная с двигательной силой животных, воды и ветра. С открытием способов использования энергии пара связана промышленная революция 18-го века, последующий рост производительности труда и технический процесс. Внедрение паровых машин позволило создать обособленные отрасли промышленности, так как предприятия могли находиться далеко от первичного источника энергии или места добычи топлива, то есть возникло определение производство энергии от ее потенциального источника.
С открытием на рубеже 18 и19 вв. электрической энергии начался новый этап технического процесса. Возможность передачи электроэнергии на большие расстояния позволила территориально отделить место производства энергии от ее потребителей. Источниками электроснабжения стали электростанции. В результате само производство электрической энергии, ее передача и распределение обособились в самостоятельную отрасль- электроэнергетику. Это открыло простор концентрации производства в различных отраслях, и создала возможности для бурного технического прогресса и размещения промышленности по всей стране. Генеральными направлениями в энергетики стали концентрация и централизация производства электроэнергии, создание электрических систем и их объединений.
Электроэнергетика является ведущей отраслью в тяжелой промышленности. Использование электроэнергии обеспечивает техническую вооруженность и рост производительности труда в народном хозяйстве, преобразует быт людей. Электроэнергия как энергоноситель обладает особыми свойствами. Она легко превращается в другие виды энергии, применяется для самых разнообразных целей и обеспечивает наибольшую интенсивность и наилучшие условия для управления ими.
Использования электрической энергии позволяет обеспечить требуемую быстроту и связанность производственных операций, необходимые для комплексной механизации производства. Поэтому электродинация во взаимосвязи с автоматизацией способна обеспечить резкое повышение производства труда, облегчить человеческий труд, повышать его производительность. Производство электрической энергии легко сосредоточить на электростанциях большой мощности и затем централизованно снабжать ею предприятия и других потребителей. Электроэнергия может быть передана на значительные расстояния, благодаря этому представляются возможным разумно использовать для нужд общества естественные источники энергии, удаленные от центров потребления.
Для силовых процессов бесспорными преимуществами обладает электрический привод, как более простой, надежный, удобный, позволяющий совершать конструкцию приводимой в движение рабочей машины, обеспечить автоматическое управление ею. Применение многодвигательного привода позволяет эффективнее использовать каждый рабочий элемент машины. Широкое распространение получает робототехника.
Использования электрической энергии позволяет разрабатывать и внедрять в производство наиболее совершенные технологические процессы. Применение электроэнергии в технологических процессах положило начало развитию ряда новых производств. С электротехнологией связано производство алюминия, магния, специальных сплавов, чистых металлов, развитие новых отраслей химии, применение новых более экономичных методов обработки металлов. Большой экономический эффект дает электродинация транспорта, она увеличивает массу и скорость поездов, исключает простои при чистке топки, при наборе воды и топлива, улучшает условия труда обслуживающего персонала, увеличивает КПД всей полной затраченной энергии.
Значение электродинации возрастает, так как замена электрической энергии непосредственного топлива способствует экономии живого труда, материалов и топлива.
Цель работы: выбрать схему внешнего электроснабжения предприятия на основе технико-экономических расчётов. Для этого необходимо определить расчётные нагрузки предприятия, построить картограмму нагрузок, произвести расчёт и выбор схемы внешнего электроснабжения.
Исходные данные на проектирование электроснабжения цехов цементного завода.
генеральный план представлен на рисунке 1.
ведомость электрических нагрузок представлена в таблице 1.
питание возможно осуществить от шин подстанции энергосистемы напряжением 110 кВ.
мощность системы S>с> = 700 МВА, реактивное сопротивление системы Х>с>=0.5
стоимость энергии 3.25 тенге/кВтч.
расстояние от подстанции энергосистемы до завода – 6.2 км.
Ведомость электрических нагрузок предприятия.
Таблица 1
|
№ по ген плану |
Наименование цехов |
Установленная мощность, кВт |
|
|
6 кВ |
0.4 кВ |
||
|
1 |
Насосная |
350 |
|
|
2 |
Столовая |
140 |
|
|
3 |
Заводоуправление |
60 |
|
|
4 |
Цех хранения мелющихся тел |
40 |
|
|
5 |
Матерьяльный склад |
30 |
|
|
6 |
Склад |
50 |

1. определение расчетных электрических нагрузок
Краткая характеристика потребителей электрической энергии
Краткая характеристика потребителей электроэнергии приведена в табл.1.1, 1.2 которые являются приемниками трехфазного переменного тока, частотой 50 Гц, напряжением 380/220 В.
Таблица 1.1
|
№ по ген плану |
Наименование цеха |
Категория потребителя по ПУЭ |
|
1 |
2 |
3 |
|
1 |
Насосная |
I |
|
2 |
Столовая |
III |
|
3 |
Заводоуправление |
I |
|
4 |
Цех хранения мелющихся тел |
III |
|
5 |
Матерьяльный склад |
III |
|
6 |
Склад |
III |
Краткая характеристика среды производственных помещений
Таблица 1.2
|
№ по ген плану |
Наименование цеха |
Характеристика производственной среды |
|
1 |
2 |
3 |
|
1 |
Насосная |
Нормальная |
|
2 |
Столовая |
Нормальная |
|
3 |
Заводоуправление |
Нормальная |
|
4 |
Цех хранения мелющихся тел |
Нормальная, пыльная |
|
5 |
Матерьяльный склад |
Нормальная |
|
6 |
Склад |
Нормальная |
Определение расчетных электрических нагрузок
К основным следует отнести методы определения расчетных нагрузок:
1) по установленной мощности и коэффициенту спроса:
Р>Р> = К>С> * Р>Н>
2) по средней мощности и коэффициенту формы графика нагрузок:
Р>Р> = К>Ф> * Р>с>
3) по средней мощности и коэффициенту максимума (метод упорядоченных диаграмм показателей графиков нагрузок:
Р>Р> = К>М> * Р>С>
4) по средней мощности и отклонению расчетной нагрузки от средней (статистический метод).
Первый метод расчета применяют для определения расчетной максимальной нагрузки узлов электроснабжения (цеха, корпус предприятия) на стадии проектного задания.
Второй метод с достаточной степенью точности позволяет определять расчетные нагрузки узлов на всех ступенях системы электроснабжения, начиная от шин цеховых подстанций и выше в сторону питания. При условии наличия графика нагрузки может считаться вообще в полнее удовлетворительным.
Третий метод наиболее точен и применяется для расчета нагрузок на всех ступенях системы электроснабжения, но при условии наличия данных о каждом приемнике узла.
Использования четвертого метода возможны во всех случаях, когда достаточно исходных данных для определения отклонения расчетной нагрузки от средней.
Вспомогательные методы определения расчетных нагрузок:
по удельному расходу энергии на единицу продукции.
по удельной нагрузки, приходящейся на единицу производственной площади.
Определение расчетных нагрузок цехов по установленной мощности и коэффициенту спроса.
Расчетная нагрузка (активная Р, и реактивная Q) силовых приемников цеха определяется из соотношений:
Р>Р> = К>С> * Р>Н>
Q>Р >= Р>Р >* tgφ
где Р>Н> – суммарная установленная мощность всех приемников цеха;
К>С> – средний коэффициент спроса
tgφ - соответствующий характерному для приемников данного цеха средневзвешенному значению коэффициента мощности
Расчетная нагрузка осветительных приемников цеха определяется по установленной мощности и коэффициенту спроса
Р> РО> = Р>НО> * К>С О>
где К>С О> – коэффициент спроса, для освещения
Р>НО> – установленная мощность приемников электрического освещения.
Величина Р>НО> может находиться и по формуле:
Р>НО> = Р>УДО> * F
где Р>УДО> – удельная нагрузка, Вт/м2 площади пола цеха. В нашем случаи:
Р>УДО> = 4.6 Вт/м2
Полная расчетная мощность силовых и осветительных приемников цеха определяется:

Расчетная активная и реактивная мощности групп приемников выше 1000В определяются из соотношений, а полная из выражения:
Р>Р> = К>С> * Р>Н>
Q>Р >= Р>Р >* tgφ

Активные суммарные, расчетные и реактивные нагрузки потребителей 0,38 кВ/0,22 кВ и 6 кВ в целом по предприятию определяются суммированием соответствующих нагрузок цехов
Определение расчетной нагрузки завода в целом
Полная расчетная мощность предприятия определяется по активным расчетным и реактивным нагрузкам цехов, с учетом расчетной нагрузки освещения территории предприятия, потерь мощности в трансформаторах и ГПП , с учетом компенсации реактивной мощности.
Активные суммарные расчетные и реактивные нагрузки предприятия по результатам расчетов (табл. 1.3) силовых приемников до 1000 В.
Р>Р> = 535 кВт; Q>Р> = 272.7 кВар;
Осветительных приемников (цехов и территорий):
Р> РО> = 24.1 кВт
Расчетная нагрузка 0.38 кВ цехов по установленной мощности и коэффициенту спроса
Таблица 1.3
|
№ по г плану |
Наименование цеха |
Силовая нагрузка |
|||||
|
Р>Н>, кВт |
К>С> |
Cosφ |
tgφ |
Р>Р>, кВт |
Q>Р>, кВар |
||
|
1 |
2 |
3 |
4 |
5 |
6 |
7 |
8 |
|
1 |
Насосная |
350 |
0.8 |
0.8 |
0.75 |
280 |
210 |
|
2 |
Столовая |
140 |
0.7 |
0.95 |
0.32 |
98 |
31.3 |
|
3 |
Заводоуправление |
60 |
0.9 |
0.98 |
0.2 |
54 |
10.8 |
|
4 |
Цех хранения мелющихся тел |
40 |
0.85 |
0.98 |
0.2 |
35 |
7 |
|
5 |
Матерьяльный склад |
30 |
0.85 |
0.98 |
0.2 |
25.5 |
5 |
|
6 |
Склад |
50 |
0.85 |
0.98 |
0. |
42.5 |
8.5 |
|
итого |
535 |
272.7 |
Расчетная осветительная нагрузка по цехам завода
Таблица 1.4
|
№ по ген плану |
Наименование цеха |
Осветительная нагрузка |
Силовая и осветительная нагрузка |
||||||
|
F, м2 |
Р>УД>, Вт/м2 |
Р>НО>, кВт |
К>СО> |
Р>РО>, кВт |
Р>Р>+ Р>РО>, кВт |
Q>Р>, кВар |
S>Р>, кВА |
||
|
1 |
2 |
3 |
4 |
5 |
6 |
7 |
8 |
9 |
10 |
|
1 |
Насосная |
1325 |
4.6 |
6.1 |
0.9 |
5.7 |
285.7 |
210 |
354.5 |
|
2 |
Столовая |
702 |
4.1 |
2.8 |
0.95 |
2.2 |
100.2 |
31.3 |
105 |
|
3 |
Заводоуправление |
982 |
4.1 |
4.02 |
0.87 |
3.6 |
57.6 |
10.8 |
59 |
|
4 |
Цех хранения мелющихся тел |
990 |
3.4 |
3.3 |
0.81 |
2.8 |
37.8 |
7 |
38.5 |
|
5 |
Матерьяльный склад |
825 |
3.4 |
2.8 |
0.8 |
2.2 |
27.7 |
5 |
28 |
|
6 |
Склад |
2798 |
3.4 |
9.5 |
0.85 |
7.6 |
50.1 |
8.5 |
51 |
|
итого |
23 |
24.1 |
272.7 |
636 |
Так как трансформаторы цеховых и главных понизительных подстанций еще не выбраны, то приближенно потери мощности в них определяются:
Р>т>=0,02S>p>; Q>т>=0,1S>p>

В нашем случаи:
=
354.5 кВА
Р>т>=0.02*636= 12.72 кВт
Q>т>=0,1*636 = 63.6 кВар
Необходимая мощность компенсирующих устройств по заводу в целом определяется:
Q>ку> = Pс>.г> (tg >ест.>tg >н.>)
где P>с.г> – активная среднегодовая нагрузка завода;
tg >ест> – соответствует средневзвешенному естественному коэффициенту мощности за год;
tg >н> – соответствует нормативному значению коэффициента мощности.
P>с.г>= (P>p>T>мах>)/T>дг>
где Т>мах> = 5300; Т>дг> – действительное годовое число работы потребителей электроэнергии.
P>с.г>= (535*5300)/8500 = 333.5 кВт
По заданным данным завода:
Cos >ест> = 0.95 (tg >ест> = 0.3)
Принимаем нормативное значение коэффициента мощности:
Cos >н.> = 0.96 (tg >н.> = 0.29)
Мощность компенсирующих устройств равна:
Q>ку >= 333.5*(0.3-0.29) = 3.33 кВар
Некомпенсированная мощность на шинах ГПП:
Q=Q>p> Q>ку>
где Q>p> – расчетная реактивная мощность завода, отнесенная к шинам ГПП с учетом коэффициента разновременности максимумов силовой нагрузки
К>рм> = 0.95;
Q
=(Q>p>+Q'>p>)
K>р.м>+Q>т>
Q
= Q>p>*
K>р.м>+Q>т>
= 272.7*0.95+63.6 = 322.6 кВар
Q=
Q
Q>ку>
= 272.7-3.33 = 269.3 кВар
В качестве компенсирующих устройств принимаем батареи статических конденсаторов. Определяем потери активной мощности в них:
P>ку>= Р>уд> * Q>ку>
где Р>уд> удельные потери активной мощности, составляющие 0,2% от Q>ку>
P>ку> = 0.006*3.33 = 0.019 кВт
Общая активная мощность с учетом потерь в компенсирующих устройствах на шинах подстанции:
Р = Р>рΣ> + ΔР>ку> = 535+0.019 = 535.019 кВт
где Р>рΣ> – расчетная активная мощность предприятия, отнесенная к шинам ГПП с учетом коэффициента разновременности максимума силовой нагрузки, К>рм> = 0.95;
Р>р> = (Р>р> + Р'>р>)* K>р.м> + Р>ро> +Р>т>
Р>р> = Р>p>* K>р.м>+Р>т>
Р>р> = 535*0.95+24.1+12.75=545.1 кВт
Расчетная нагрузка на шинах ГПП с учетом компенсации реактивной мощности равна:
S'>p>=
=
=
623
кВА
Предполагаем, что на предприятии будет предусмотрена ГПП. Потери мощности в трансформаторах ГПП ориентировочно определяются:
Р’>т>=0,02*S’>p>; Р’>т> = 0.02*623 = 12.4 кВт;
Q’>т>=0,1*S’>p>; Q’>т> = 0.1*623 = 62.3 кВар;
Полная расчетная мощность завода на стороне высшего напряжения ГПП будет равна:

S>p>
=
²=
667
кВА
Выбор мощности трансформаторов
Выбираем трансформаторы для линии с учётом перспективы развития энерголинии.
Выбираем трансформатор марки ТМН-2500/110
Напряжение: ВН = 115кВ НН = 11кВ
Потери: х.х. = 21-26 кВт К.З. = 85 кВт
I>x>>.>>x>>.> – 0.85 %
Напряжение К.З. на номинальной ступени – 10.5 %
Цена = 11825000 тенге
Определяем потери в трансформаторе, активное и индуктивное сопротивление:
∆Q>M> = (I>0> * S>н>) / 100 = ( 0.85* 2500) / 100 = 21,25 кВАр
R>тр> = (Р>кз> * U2>ном. т>) / S2>ном> = (85 * 1152) / 25002 = 0,17 Ом
X>тр> = (U>k> * U>н>2) / 100 * S>н> = (11 * 1152) / 100 * 2500 = 058 Ом
2. ОПРЕДЕЛЕНИЕ ЦЕНТРА ЭЛЕКТРИЧЕСКИХ НАГРУЗОК, ПОСТРОЕНИЕ КАРТОГРАММЫ И ВЫБОР РАСПОЛОЖЕНИЯ ПИТАЮЩЕЙ ПОДСТАНЦИИ
Для определения местоположения ГПП при проектировании системы электроснабжения на генеральный план промышленного предприятия наносится картограмма нагрузок, которая представляет собой размещенные на генеральном плане окружности, причем площади, ограниченные этими окружностями, в выбранном масштабе равны расчетным нагрузкам цехов. Для каждого цеха наносится своя окружность, центр которой совпадает с центром нагрузок цеха.
Главную понизительную подстанцию следует располагать как можно ближе к центру нагрузок, так как это позволяет приблизить высокое напряжение к центру потребления электрической энергии и значительно сократить протяженность как распределительных сетей высокого напряжения завода, так и цеховых электрических сетей низкого напряжения, уменьшить расход проводникового материала и снизить потери электрической энергии.
Площадь круга в определенном масштабе равна расчетной нагрузке соответствующего цеха Р>i> ;
P>i>=
R>i>
m
Из этого выражения радиус окружности:
r>i>>
>=
где Р>р>>i> - мощность i-го цеха, m – масштаб для определения площади круга (постоянный для всех цехов предприятия).
Осветительная нагрузка наносится в виде сектора круга, изображающего нагрузку до 1000 В. Угол сектора определяется:
= (S>р>>oi>360)/Р>р>>i>
Для определения места ГПП находится центр электрических нагрузок отдельно для активной (табл. 2.1) и реактивной (табл. 2.2) нагрузок, так как питание активной и реактивных нагрузок производится от разных установок (генераторы и компенсирующие устройства).
На генплан завода наносятся оси координат. Находим координаты центра электрических нагрузок каждого цеха.
Пример: насосная
х =159; у = 215
координаты центра электрических нагрузок завода определяются по формулам:
Х>ОА> = (Р>р>>i>*Х>i>)/ Р>р>>i> Y>ОА> = (Р>р>>i>*Y>i>)/ Р>р>>i> (2.1)
Х>ОР> = (Q>р>>i>*Х>i>)/ Q>р>>i> Y>ОР> = (Q>р>>i>*Y>i>)/ Q>р>>i>> > (2.2)
где Х>ОА>, Y>ОА> (Х>ОР>, Y>ОР>) – координаты центра активных (реактивных) нагрузок завода;
Х>i>,Y>i> – координаты центра нагрузок i-го цеха.
В нашем случае:
Х>ОА> = (280*159)/ 535 = 83 м
Y>ОА> = (280*215)/ 535 = 112 м
Х>ОР> = (210*159)/ 272.7 = 122 м
Y>ОР> = (210*215)/ 272.7 = 165 м
Принимаем для построения картограммы нагрузок масштаб: m =1 кВт/мм2
Определение ЦЭН активной мощности
Таблица 2.1
|
№ цеха по ген плану |
Р >pi> кВА |
Р >p>>о> кВт |
r>i> мм |
α град |
Х>i> м |
Y>i> м |
P>P> Х>i> кВтМ |
P>Pi> Y>i> кВтМ |
|
1 |
2 |
3 |
4 |
5 |
6 |
7 |
8 |
9 |
|
1 |
285.7 |
5.7 |
9.5 |
7.3 |
159 |
215 |
45426.3 |
61425.5 |
|
2 |
100.2 |
2.2 |
5.5 |
8 |
153 |
115 |
15330.6 |
11523 |
|
3 |
57.6 |
3.6 |
4.2 |
24 |
47 |
110 |
2707.2 |
6336 |
|
4 |
27.7 |
2.2 |
3 |
31 |
125 |
75 |
3462.5 |
2077.5 |
|
5 |
37.8 |
2.8 |
3.5 |
29 |
200 |
110 |
7560 |
4158 |
|
6 |
50.1 |
7.6 |
4 |
65 |
180 |
35 |
9018 |
1753.5 |
|
Итого: |
560 |
24.1 |
864 |
660 |
Определение ЦЭН реактивной мощности
Таблица 2.2
|
№ цеха по ген плану |
Q >pi> квар |
Х>i> м |
Y>i> м |
Q >pi>> >Х>i> кварм |
Q >pi>> >Y>i> кварм |
|
1 |
2 |
3 |
4 |
5 |
6 |
|
1 |
210 |
159 |
215 |
33390 |
45150 |
|
2 |
31.3 |
153 |
115 |
4789 |
3599 |
|
3 |
10.8 |
47 |
110 |
507.6 |
1188 |
|
4 |
7 |
125 |
75 |
861 |
525 |
|
5 |
5 |
200 |
110 |
1000 |
550 |
|
6 |
8.5 |
180 |
35 |
1530 |
297 |
|
Итого: |
272.7 |
3.Выбор варианта электроснабжения.
После определения электрической нагрузки и установления категории надёжности потребителя намечаются возможные варианты электроснабжения с питанием кабельными или воздушными линиями различных напряжений. Окончательный выбор одного из вариантов определяется сравнением технико-экономических показателей указанных вариантов. Обычно рассматриваются 2-3 варианта с выявлением капитальных затрат; ежегодных эксплуатационных расходов; расходов цветного металла; суммарных затрат.
Капитальные затраты на сооружение кабельных и воздушных линий определяются по укреплённым показателям стоимости сооружения 1 км линии и стоимости оборудования отдельных элементов проектируемой системы электроснабжения (трансформаторов, коммутационной, защитной и измерительной аппаратуры в комплектном исполнении – КТП, КРУ, КСО).
Стоимость электроэнергии определяется стоимости электроэнергии, вырабатываемой энергосистемой или промышленной электростанцией.
Величины отчислений, идущих на амортизацию, ремонт и обслуживание, приведены в таблице, при этом процент на амортизацию устанавливается таким, чтобы к концу срока службы линии или оборудования были полностью восстановлены расходы, затраченные на их установку. Так, если установлен срок службы оборудования 20 лет, то процент на амортизацию будет составлять
100/20 = 5 %.
Таблица
|
Наименование объекта сети |
Отчисление, % |
||
|
на аморт. и кап.рем. |
на текущ. рем. и обсл. |
Всего |
|
|
Воздушные линии, устанавливаемые на деревянных опорах. |
5,3 |
0,5 |
5,8 |
|
Воздушные линии, устанавливаемые на железобетонных и металлических опорах. |
3,5 |
2 |
5,5 |
|
Электрооборудование, установленное на подстанциях. |
3 |
2 |
5 |
|
Кабельные линии, прокладываемые в земле |
6,3 |
3 |
9,3 |
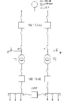
I вариант электроснабжения.

Рассчитываем капитальные и эксплуатационные расходы.
1) капитальные затраты оборудования берутся по стоимости оборудования и линии.
Выбираем масленые выключатели.
Масленые выключатели выбираются по I>расч> , U и S>откл> . С учетом прокладки двух линий.
I>расч> = S>р> / (√3*U) = 636 / (1.73*115) = 3.2 А
S>откл> = S>c> / X>c> = 700 / 0.5 = 1400 мВА
По полученным данным выбираем масленый выключатель по справочнику.
МКП – 110 Б
U=110 кВ I = 600 А
I>откл> = 20 кА I>уд> = 52 кА
S>откл> = 3800 мВА
Цена: 3250000 тенге
Выбираем по табличным данным отделители, короткозамыкатели и разъединители по I>расч> и U.
Отделители:
ОД – 110 У
U = 110 кВ I>ном> = 630 А
I>уд> = 80 кА I>п.т.> = 31.5 кА
t>откл> = 0.15/0.45с
цена: 2570000 тенге
К отделителю выбираем короткозамыкатель марки К.З – 110У
U = 110 кВ I>уд> = 82 кА
I>п.т.> = 12.5 кА t>откл> = 0.18/0.28с
цена: 50000 тенге
Разъединители марки РЛНД-110/600
I>термич> = 12 кА Цена: 52500тенге
Выбор линии. Выбираем двух цепную линию с сталеалюминевыми проводами.
Определение сечения провода по ј.
Максимальное время работы трансформатора 8400ч в год.
Ј = 1.0 А/мм2
I>р> = 36,7 кА
S>эк> = I’>p> / ј = 36,7 / 1 = 36,7
По условию возможного коронирования при напряжении 115 кВ следует принять по ПУЭ сечение провода не менее 70 мм2.
Стоимость 1 км линии = 800000 тенге.
К>л> = 1км/л*ℓ>л> = 800000*6,2 = 4960000 тенге
К>т> = 2*стоимость тр-ра = 2*1182500 = 23650000 тенге
Выбираем 2 масленых выключателей на напряжение 10 кВ марки ВМ В-10.
I>р> для напряжения 10 кВ = 1371 А.
U = 10 кВ I>ном> = 40 А
I>уд> = 25кА I>откл> = 10 кА
S>откл> = 170 мВА
Цена: 2500000 тенге
Разъединители на напряжение 10 кВ выбрали марки РВ- 10/400
I>термич> = 10 кА
Цена: 16000тенге
Выбор короткозамыкателей КЗ – 110М.
|
Параметры |
Каталожная |
Расчётная |
условия для |
|
величина |
величина |
выбора и |
|
|
аппарата |
установки |
проверки |
|
|
Номинальное |
110 |
110 |
Uном.а≥Uном.у |
|
напряжение, кВ |
|||
|
Номинальный |
31 |
3,2 |
Iном.откл≥Iр |
|
ток, кА |
|||
|
Динамическая стойкость, кА |
12.5 |
6.3 |
I>терм >≥ I>y> |
Выбор масляных выключателей МКП – 110Б – 2/5.
|
Параметры |
Каталожная |
Расчётная |
условия для |
|
величина |
величина |
выбора и |
|
|
аппарата |
установки |
проверки |
|
|
Номинальное |
110 |
110 |
Uном.а≥Uном.у |
|
напряжение, кВ |
|||
|
Номинальный |
25 |
3,2 |
Iном.откл≥Iр |
|
ток, кА |
|||
|
Номинальное |
3800 |
3800 |
Sоткл.ном≥Sр |
|
Sоткл, МВА |
|||
|
Динамическая стойкость, кА |
10 |
6,3 |
I>терм >≥ I>y> |
Выбор разъединителей РЛНД – 110М/600
|
Параметры |
Каталожная |
Расчётная |
условия для |
|
величина |
величина |
выбора и |
|
|
аппарата |
установки |
проверки |
|
|
Номинальное |
110 |
110 |
Uном.а≥Uном.у |
|
напряжение, кВ |
|||
|
Номинальный |
40 |
3,2 |
Iном.откл≥Iр |
|
ток, кА |
|||
|
Динамическая стойкость, кА |
12 |
6.3 |
I>терм >≥ I>y> |
Суммарные капитальные затраты.
К включают в себя стоимость выключателей, разъединителей и другого оборудования, установленного в камерах выключателей К, короткозамыкателей К, линии К и трансформаторов К.
К>Σ> = К>мв 110> + К>отдел> + К>к.з.> + К>р> + К>л> + К>тр> + К>мв10> + К>раъед>
К>Σ> = 46229000 тенге
Эксплуатационные расходы
ΔР>л> = Δр> >* I’>р>2 * 2*ℓ
ΔР>л> = 1.3*3552.16*2*3 = 27.7 кВт / А*км
где Δр – удельные потери Вт / А*км
Потери в трансформаторах.
ΔQ>х.х> = (I>х.х> /100)* S>ном.т> = (1,5/100)*2500=37,5 кВар
ΔQ>к.з.> = (U>к> /100)* S>ном.т> = (10.5 / 100)*2500 = 262,5кВар
Приведенные потери активной мощности при К.З.
ΔР’>м> = Δр>м> + К>эк> * ΔQ>к.з> = 1,3+0,06*262,5 = 158,8кВт
где К>эк> = 0.06 кВт/кВар
Приведенные потери активной мощности при Х.Х.
ΔР>х.х> = Δр>х.х.> + К>эк> * ΔQ>х.х> = 37,5+0.06*5,5 = 12,3 кВт
Полные потери в трансформаторах
ΔР>т> = 2*( ΔР>х.х> + К>з> * ΔР’>м>) = 2*(12,3+0.6*158,8)=215,1 кВт
Полные потери в линии и в трансформаторах
ΔР = ΔР>л> + ΔР>т> = 412,6 + 215,1 = 627,7 кВт
Стоимость потерь
С>п> = С* ΔР*Т>макс> = 3,25*5300*627,7 = 10812132
Стоимость амортизационных отчислений.
С>а> = Р>аΣ> * К>Σ> = 0.055*49584000 = 27271200тенге
Суммарные годовые эксплуатационные расходы
С>год> = С>п> + С>а> = 10812132+27271200 = 38083332тенге
Суммарные затраты.
З = С>год> + 0.15* К>Σ> = 38083332+0.15*49584000 = 45520932 тенге
Потери электрической энергии.
ΔW = ΔР * T>год> = 627,7*5300 = 3326810 кВт
Расход цветного металла (алюминия).
G = g * 2l = 0.86 * (2 * 6,2) = 10,6 Т.
II вариант электроснабжения.

При расчете второго варианта электроснабжения цена оборудование указано в первом варианте.
Суммарные капитальные затраты.
К>Σ> = К>мв 110> + К>отдел> + К>к.з.> + К>р> + К>л> + К>тр> + К>мв10> + К>раъед>
К>Σ> = 9750000+750000+210000+64000+5140000+100000+23650000+9920000=49584000 тенге
Стоимость амортизационных отчислений.
С>а> = Р>аΣ> * К>Σ> = 0.055*72740000 = 4000700 тенге
Суммарные годовые эксплуатационные расходы
С>год> = С>п> + С>а> = 1607760+4000700 = 5608460 тенге
Суммарные затраты.
З = С>год> + 0.15* К>Σ> = 5608460+0.15*72740000 = 16519460 тенге
Сводная таблица выбора варианта электроснабжения.
|
Вариант электроснабжения |
Капитальные затраты |
Масса цв.металла |
Суммарные затраты |
Потери эл.энергии |
Экспл. расходы |
|
1 |
46229000 |
10,6 |
16519460 |
21.5 |
3808332 |
|
2 |
49584000 |
10,6 |
45520932 |
21.5 |
5608460 |
Просчитав все затраты на сооружение наших схем более экономичным получается I вариант схемы электроснабжения. По первому варианту производим расчет токов короткого замыкания.
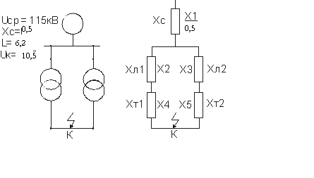
Расчет тока короткого замыкания.

Сопротивление линии:
X>2> = X>3> = X>л> = X>0> * L * (S>б> / U2>ср>);
X>2> = X>3> = X>л> = 0.4 * 6.2 * (700 / 1152 ) = 0.13 Ом.
Сопротивление трансформатора:
X>4> = X>5> = X>т> = (U>к > / 100) * (S>б> / S>ном.т.>);
X>4> = X>5> = X>т> = (10.5 / 100) * ( 700 / 2.5) = 29.4Ом.
Результирующее сопротивление:
X>рез> = X>1> + ((X>4> + X>4>) / 2);
X>рез> = 0,5 + ((0.13 + 29.4) / 2) = 15.26 Ом.
Базисный ток системы:
I>б> = S>б> / (√3 * 10.5);
I>б> = 700 / (1,73 * 10,5) = 38.5 кА.
Ток короткого замыкания в точке К:
I>кз> = I>б> / X>рез>;
I>кз> = 38.5 / 15.26 = 2.5 кА.
Ударный ток короткого замыкания в точке К:
I>у> = 2,55 * I>кз>;
I>у> = 2,55 * 2.5 = 6.3 кА.
Мощность трёхфазного короткого замыкания:
S>к.з.> = S>б> / X>рез>;
S>к.з.> = 700 / 15.26 = 45.8 МВА
Вывод: я выбрал схему внешнего электроснабжения предприятия на основе технико-экономических расчётов. Для этого я определил расчётные нагрузки предприятия, построил картограмму нагрузок, произвёл расчёт схемы внешнего электроснабжения.
Список литературы.
Б. Ю. Липкин «Электроснабжение промышленных предприятий и установок». Москва «Высшая школа» 1990г.
2. Фёдоров «Электроснабжение промышленных предприятий» Москва 1973 г.
3 Дьяков «Справочник по электрооборудованию».
4. Фёдоров А.А., Старкова А.Е. Учебное пособие для курсового и дипломного проектирования по электроснабжению промышленных предприятий: Учеб. пособие для вузов. – М.: Энергоатомиздат, 1987.
5. Князевский Б.А., Липкин Б.Ю. Электроснабжение промышленных предприятий: Учеб. пособие для вузов. – 3-е изд., перераб. и доп. – М.: Высшая школа, 1986.
6. Зюзин А.Ф., Поконов Н.З., Антонов М.В. Монтаж, эксплуатация и ремонт электрооборудования промышленных предприятий и установок: Учеб. для учащихся электротехнических спец. Техникумов. – 3-е изд., перераб. и доп. – М.: высшая школа, 1986.
1