Комплекс устройств НЭРПА
ДонГТУ Лабораторная работа № 3 АКГ - 04
АУТПТЭК Комплекс устройств НЭРПА Командиров А. В.
Цель работы: изучение назначения, функциональных возможностей и конструкции комплекса устройств НЭРПА.
1 ТЕОРЕТИЧЕСКИЕ ИССЛЕДОВАНИЯ
1.1 Общие указания
Комплекс устройств НЭРПА предназначен для автоматического считывания информация о номере рудничного электровоза, направлении его движения, а также для выдачи сигналов управления стрелочными переводами, схемами сигнализации, централизации и блокировки (СЦБ), вентиляционными дверьми и аппаратурой безопасности с движущегося электровоза.
Комплекс может применяться как локальная система автоматизации на рельсовом транспорте, так и в автоматизированных системах управления подземным электровозным транспортом, а также при оперативно-диспетчерском управлении на шахтах угольной промышленности.
Считанная информация по телемеханическим каналам поступает на диспетчерский пункт для последующей обработки.
Комплекс устройств НЭРПА обеспечивает:
Частотное управление переводом стрелки с движущегося электровоза (при движении электровоза против направления пера стрелки с помощью бесконтактного датчика, по направлению пера - врезом стрелочного перевода скатами электровоза).
Перевод стрелки кнопкой местного управления или с помощью рукоятки вручную.
Контроль положения и прижатия остряков стрелки с помощью сигнального указателя.
Управление вентиляционными дверьми с движущегося электровоза.
Управление аппаратурой безопасности и другими устройствами сигнализации; централизации и блокировок (СЦБ).
Прием, обработку и выдачу информационных кодовых сигналов о номере и направлении движения электровоза по каналам телемеханики на диспетчерский пункт.
Определение место нахождения электровоза на горизонте (крыле) шахты.
1.2 Состав комплекса устройств НЭРПА
В состав комплекса НЭРПА входят следующие устройства:
Передатчик сигналов локомотивный ЛПС - 1.
Приемник сигналов информации НПИ - 1.
Приемник сигналов управления НПУ
Переносной передатчик сигналов ГПЧ - 1.
Передающая и приемная антенны.
Комплекс НЕРПА-1
Передатчик сигналов локомотивный ЛПС - 1
Передатчик сигналов локомотивный содержит:
Генератор сигналов локомотивный ЛГС - 1. 1шт.
Антенна А - 1. 1 шт.
Генератор частотный переносной ГПЧ - 1 1шт.
Кнопочный взрывобезопасный пост управления КУ-92 - РВ 1шт.
Приемник сигналов информации НПИ - 1
Приемник сигналов информации содержит: аппарат приема сигналов информации АПСИ - 1; две антенны А - 1.
Приемник сигналов управления НПУ
Приемники выпускаются трех модификаций (НПУ-1, НПУ-2, НПУ- 3) Состоят НПУ из аппарата приема сигналов управления АПСУ (АПСУ-1 или АПСУ-2, АПСУ-3 в зависимости от модификации приемника ПТУ-1. НПУ-2, НПУ-3) и антенны А-1.
4.4 Комплекс НЭРПА-1
В состав комплекса НЭРПА входит имеющий самостоятельное применение комплекс НЭРПА-1 и приемник сигналов информации НПИ-1.
Комплекс НЭРПА-1 состоит из следующих блоков и устройств:
Привод моторный стрелочный ПМС-4
Пускатель приводов взрывобезопасный ППВ-2
Указатель сигнальный световой ССУ-2
Передатчик сигналов локомотивный ЛПС-1
Приемник сигналов управления НПУ-1
Комплекс НЭРПА, основным назначением которого является определение местонахождения электровоза, практически используется в малом объеме и только на шахтах, где внедрена или внедряется подсистема АСУТП "Локомотивный транспорт", однако широкое распространение получил комплекс НЭРПА-1 (составная часть комплекса НЭРПА).
Комплекс НЭРПА-1 является базовой и массовой аппаратурой автоматизации систем управления движением электровозного транспорта шахт, ее применение регламентируется правилами безопасности, а все составные части выпускаются по самостоятельным техническим условиям, так как, в свою очередь, могут входить составными частями в другие типы аппаратур.
1.3 Устройство комплекса НЭРПА-1. Взаимодействие составных частей и работа изделия в целом
Комплекс НЭРПА-1 предназначен для управления стрелочным переводам из кабины машиниста движущегося электровоза на подземном рельсовом транспорте угольных и сланцевых шахт, опасных по газу метану или угольной пыли.
Комплекс НЭРПА-1 обеспечивает:
перевод стрелки с движущегося электровоза (при движении электровоза против направления пера стрелки - с помощью бесконтактного датчики, по поправлению пера стрелки - "врезом" стрелочного перевода скатами электровоза);
перевод стрелки кнопкой местного управления;
перевод стрелки с помощью рукоятки вручную;
контроль положения и прижатия остряков стрелки с помощью сигнального указателя.
Привод моторный стрелочный ПМС-4
Привод моторный стрелочный ПМС-4 предназначен для управления стрелочным переводом рельсовых путей, с ходом остряков в пределах 70-110 мм.
Конструкция привода обеспечивает:
постоянное прижатие остряка стрелочного перевода к рамному рельсу с усилием не менее 50 кгс (при отключенном приводе);
осуществление, "вреза" стрелки с сохранением переведенного скатами подвижного состава положения и прижатием остряка к рамному рельсу;
перемещение остряков стрелки с помощью ручного перевода;
контроль положения стрелки в зоне, ограниченной расстоянием не более 4 мм от рамного рельса;
возможность возврата стрелки из любого положения в исходное при и попадании постороннего предмета между остряком и рамным рельсом посредством ручного перевода или повторным включением;
- защиту электродвигателя от перегрузок (разрыв цепи управления при нагрузке на шток, превышающий 140 кгс).
Передатчик сигналов локомотивный ЛПС-1
Передатчик сигналов локомотивный предназначен для формирования и передачи амплнтудно-модулированных сигналов высокой частоты с движущегося локомотива, содержащих код номера локомотива и команды управления для схем автоматики рудничного рельсового транспорта в условиях шахт, опасных по газу или угольной пыли.
Передатчик ЛПС-1 может применяться для работы совместно с приемниками сигналов управления НПУ и приемниками сигналов информации НПИ-1.
Устройство передатчика ЛПС-1, взаимодействие составных частей и работа изделия в цепом
Конструктивно генератор ЛГС 1 представляет собой сварной корпус, закрываемый сварной крышкой. Па нижней стенке корпуса расположены четыре кабельных ввода (иод кабель диаметром 11-17 мм).
Внутри корпуса расположены клеммники для подключения внешних, цепей, блок питания и выемной блок генераторов.
Антенна А-1 выполнена из пресс-материала. Витки катушки уложены в паз корпуса антенны, закрыты крышкой к залиты эпоксидным компаундом.
Антенны имеют вводную камеру, внутри которой расположены две клеммы для подсоединения кабеля.
Генератор частотный переносной ГЧП-1 представляет собой корпус и крышку, выполненные из пресс-материала. Внутри корпуса расположены печатные платы с элементами схемы и аккумулятор.
На крынке генератора расположены: переключатель частот, кнопка включения генератора в работу и розетка, закрытая крышкой, для включения в сеть 36 В при, заряде аккумулятора. На боковой стенке крышки имеется розетка (надпись "АНТЕННА") для подключения к генератору антенны А-1.
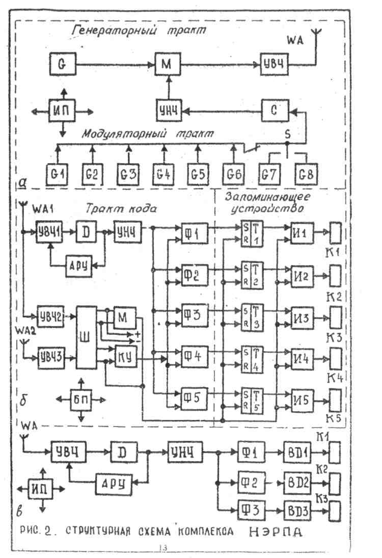
Схема электрическая структурная передатчика ЛПС-1 приведена на рис. 2,а.
Генератор ЛГС-1, работавший совместно с антенной WA , представляет собой передатчик амплитудно-модулированных колебаний, включающий в себя генераторный я модуляторный тракты и стабилизированный источник питания.
Генераторный тракт состоит из задающего генератора G, генерирующего колебания с частотой 110 кГц, предоконечного усилителя высокой частоты М, являющегося одновременно и модулируемым каскадом оконечного усилителя высокой частоты УВЧ, работавшего в режиме усиления модулированных колебаний.
Модуляторный тракт сострит из генераторов фиксированных частот GI-GS, сигналы которых смешиваются на потенциометрическом смесителе С и поступают на усилитель низкой частоты УНЧ. Усиленный смешанный низкочастотный сигнал поступает на модулируемый каскад М.
Промодулированный по амплитуде сигнал радиочастоты усиливается оконечным усилителем УВЧ и поступает на антенну WA , которая создает направленное поле магнитной индукции.
Подключением на вход смесителя модулирующих генераторов G1-G5 в комбинациях нормального двоичного пятиразрядного кода электровозу присваивается определенный номер.
Для реализации 25 номеров используются сочетания кодовых генераторов. Высокочастотный сигнал, промоделированный генераторами G6, G7 и G8, предназначается для управления схемами СЦБ и аппаратурой безопасности, а Промодулированный генератором G7 -для управления стрелочными переводами или вентиляционными дверьми.
Генератор низкой частоты G6 постоянно подключен на вход смесителя, а генераторы G1 или G8 подключаются машинистом на вход смесителя посредством двухкнопочного поста управления S.
При нейтральном положении кнопочного поста на вход смесителя поступают сигналы кодовых генераторов G1-G5 в комбинациях, указанных в табл. 1, и генератора G6 .
При попеременном подключении на вход смесителя генераторов G7 или G8 в зависимости or назначения управляющих сигналов, сигналы генераторов D1-G6 снимаются
Генератор несущей частоты G представляет собой индуктивно-емкостный генератор с трансформаторной обратной связью. Частота колебаний задающего генератора определяется параметрами резонансного контура и составляет ПО кГц. Связь задающего генератора с предокоyечньм каскадом усиления высокой М осуществляется обмоткой связи трансформатора через разделительный конденсатор.
Предоконсчный усилитель высокой частоты (моделирующий каскад) М и оконечный УЗЧ представляют собой резонансные усилители с трансформаторной межкаскадиой связью. Оба усилителя работает в режиме усиления модулированных колебаний. Нагрузкой оконечного каскада УВЧ является антенна WA, подключенная через разделочный трансформатор. Цепи антенны искробезопасны.
Модуляция в передатчике осуществляется в предоконечном каскаде М способом эмиттерной модуляции смещением. Этим достигается высокая линейность амплитудной модуляционной характеристики. Сигналы модулирующих генераторов Gl - G8 смешиваются на потенциометрическом смесителе и поступает на усилитель низкой частоты.
Усилитель построен по схеме с общим эмиттером с RC -связью. Усиленный сигнал с УНЧ поступает на модулируемый каскад.
За счет изменения напряжения смещения входной цепи транзистора модулируемого гармонического сигнала происходит модуляция по амплитуде сигнала несущей, частоты.
Модулирующие генераторы низкой частоты Gl - G8 представляет собой генераторы фиксированных частот с трансформаторной обратной связью в цепи эмиттера с неполным включением контура в цепь базы.
Связь между контуром и нагрузкой индуктивная. Частота настройки генераторов составляет 705, 795,900, 1020, 1150, 1300, 1470, 1660 Гц.
Генератор ГЧП-1 состоит из задающего генератора несущей частоты, предоконечного каскада выходного усилителя с рамочной антенной и модулирующих генераторов низкой частоты.
В качестве перечисленных функциональных узлов использованы узлы аппарата ЛГС-1 с незначительными схемными изменениями в части изменения режимов работы каскадов передатчика по постоянному току.
Приемники сигналов управления НПУ
Приемники сигналов управления НПУ предназначены для приема амплитудно-модулированных колебаний высокой частоты, их обработки и выдачи команд управления в схемы автоматики рудничного рельсового транспорта в условиях шахт, опасных по газу или угольной пыли.
Приемники НПУ выпускаются трех типов: НДУ-1, НПУ-2, НПУ-3 и могут быть использованы с передатчиком ЛПС-1 для управления стрелочными переводами из кабины движущегося локомотива (НПУ-1), а также в системах СЦБ, схемах управления вентиляционными дверьми и аппаратуры безопасности (НПУ-2, НПУ-3).
Устройство приемников НПУ, взаимодействие составных частей и работа изделия в целом
Приемники НПУ-1, НПУ-2 и НПУ-3 аналогичны по конструкции и отличаются значениями модулирующих частот в аппаратах приема сигналов управления (АПСУ-1-705 Гц, АПСУ-2-795 Гц, АПСУ-3-1660 Гц).
Конструктивно аппарат АПСУ представляет собой сварной корпус из листовой стали, закрываемый стальной сварной крышкой. Корпус имеет аппаратную и вводную камеры. В аппаратной камере размещены блокировочный выключатель и выемная панель с блоками питания, усилителем, выходным каскадом и избирателем частоты.
Схема электрическая структурная приемника НПУ приведена на рис. 2,
Приемник сигналов информации НПИ-1
Приемник сигналов информации НПИ-1 состоит из аппарата приема и выдачи кодированных сигналов информации о номере и направлении движения АНСИ-1 и двух приемных антенн А-1 (WA1, WA2).
Приемник сигналов информации НПИ-1 входит в комплекс аппаратуры НЭРПА.
2 ЭКСПЕРИМЕНТАЛЬНЫЕ ИССЛЕДОВАНИЯ
Порядок выполнения работы:
Изучите назначение аппаратуры НЭРПА, ее функциональные, возможности;, состав и конструктивные особенности.
Ознакомьтесь с комплексом устройств НЭРПА, расположенным на стенде, измерительными приборами и инструментом.
Измерьте сопротивление изоляции токоведущих частей относительно корпуса и данные защитите в отчет.
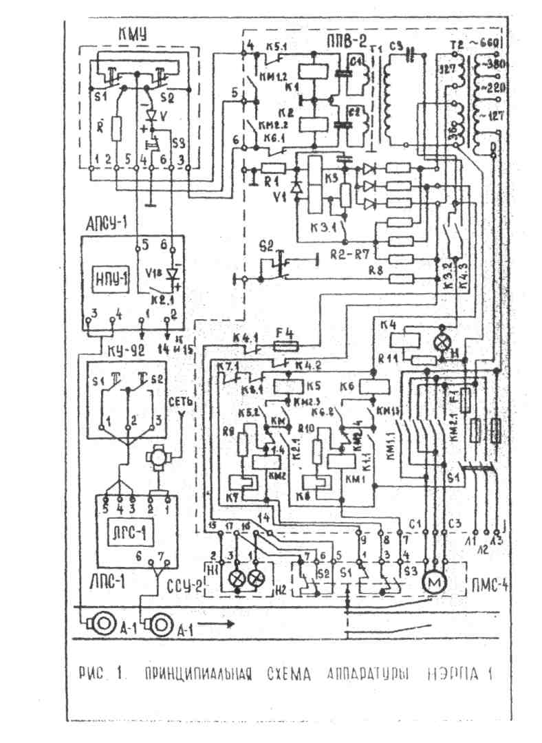
Проверьте правильность подключения устройств комплекса НЭРПА в соответствии с рис. I.
Подайте напряжение питания на устройства комплекса НЭРПА
Нажмите кнопку поста управления КУ-92 РВ, переметайте антенну А-1 передатчика ЛПС-1 на разных расстояниях от антенны А-1 приенннка БПУ. Зафиксируйте, на. каких расстояниях (по вертикали и горизонтали) между антеннами происходит срабатывание НПУ.
Проверьте работу приемника НПИ с помощью генератора. ГЧП-1 в последовательности:
подключите антенну А-1 к генератору ГЧП с помощью кабеля длиной 1-1,5 м и вилки и проверьте передатчик ЛПС-1 в такой последовательности:
на зажимах блока генераторов в аппарате ЛГС-1 отсоедините перемычки, с помощью которых набирается код номера электровоза; подайте напряжение питания на генератор ЛГС-1; антенну А-1, подключенную к генератору ЛГС-1, перемешайте параллельно антеннам приемников НПУ и НПИ-1 на высоте 500 мм; приемник НПУ-3 (1660 Гц) при этом должен сработать; при нажатии одной из кнопок поста КУ-92РВ должен сработать один из приемников - НПУ-1 (705Гц) или НПУ-2(795Гц); с помощью перемычек в соответствии с таблицей I установите в генераторе ЛГС-1 необходимый номер; перемешайте антенну генератора ЛГС-1 на расстоянии 500 мм над антеннами приемника НПЙ-1;
проверьте срабатывание приемника соответственно набранному номеру и направлению перемещения антенны генератора; проверьте работу аппаратуры при движении электровоза, при прохождении электровоза в зоне связи с антеннами приемник НПИ -I должен выдать кодированный сигнал, соответствующий номеру электровоза и направлению движения.
Измерьте напряжение на выходе генераторов и входе приемников цифровым вольтметром, а частоту - цифровым частотомером.
Таблица 2.1 – Назначения генераторов G
|
Генератор |
Частота, Гц |
Назначение |
|
G1 |
1470 |
Двоичный код, обозначающий номер электровоза |
|
G2 |
1300 |
|
|
G3 |
1150 |
|
|
G4 |
1020 |
|
|
G5 |
900 |
|
|
G6 |
1660 |
Сигнал неисправности электровоза |
|
G7 |
795 |
Дистанционный перевод стрелок |
|
G8 |
705 |
Все сигналы с генераторов G1 – G8 модулируются амплитудно на несущий сигнал частотой 11 кГц.
Выводы: В ходе выполнения лабораторной работы были изучены назначения, функциональне возможности и конструкция комплекса устройств НЭРПА. Так же были выяснены назначения и рабочие частоты формирующих генераторов G1 – G8 (см. таблю 2.1)

