Автоматизация редукционно–охладительной установки
Федеральное Агентство по Образованию
Федеральное Государственное
Образовательное Учреждение Среднего
Проффесионального Образования
«Дальневосточный Государственный
Межрегиональный Индустриально-
Экономический Колледж»
Специальность: 220301 «Автоматизация технологических процессов и производств»
Автоматизация редукционно–охладительной установки
СОДЕРЖАНИЕ
Введение
1 Общий раздел
1.1 Техническая характеристика предприятия
1.2 Уровень автоматизации предприятия. Обоснование необходимости автоматизации объекта
2 Технологический раздел
2.1 Технология производства. Описание технологического процесса участка производства
2.2 Выбор параметров, подлежащих контролю и регулированию
3 Специальный раздел
3.1 Обоснование выбора первичных устройств и приборов контроля
3.2 Свойство системы регулирования и выбор регуляторов
3.3 Выбор средств автоматизации, электроаппаратуры
3.4 Описание работы схем автоматического контроля и регулирования
3.5 Выполнение кабельных (импульсных) трасс
3.6 Выбор щита автоматизации
3.7 Описание компоновки средств контроля и регулирования на щите
3.8 Таблица соединений электрических проводок в щите
3.9 Расчётный раздел
3.9.1 Расчёт и выбор аппаратов и средств защиты
3.9.2 Расчёт сечения кабеля, проводов и выбор их типов
3.9.3 Расчёт специальных устройств САУ
4 Техника безопасности и противопожарная техника
4.1 Мероприятия по технике безопасности в условиях эксплуатации автоматических устройств
4.2 Противопожарные мероприятия на данном предприятии
5 Экономическая часть
5.1 Расчёт капитальных затрат на автоматизацию
5.2 Расчёт себестоимости продукции до и после автоматизации
5.3 Экономические обоснования автоматизации
5.4 Сводные технико–экономические показатели
Список используемых источников
ВВЕДЕНИЕ
Значение автоматизации в промышленности
В современном промышленном производстве все большее значение приобретает автоматизация. Усложняется оборудование и технологические процессы, повышаются требования к качеству и надёжности выпускаемой продукции. Управление технологическими комплексами вообще невозможно без средств автоматизации. Она способствует росту производительности труда.
Автоматизация производства – одно из важнейших направлений научно технического процесса, способных коренным образом преобразовать рабочие места, сделать труд рабочих более производительным, и менее травмоопасным.
Автоматика и автоматизация производственных процессов в настоящее время базируется на элементной базе, содержащей электрические, электромеханические, магнитные, гидравлические и другие средства автоматизации. В последние десятилетия особенно интенсивное развитие получили электронные устройства автоматики
Применительно к задачам автоматизации производственных процессов автоматизированное управление осуществляется с помощью автоматизированных систем управления технологическими процессами, в которых состояние технологического процесса и технологического объекта в целом анализируется с помощью ЭВМ.
Высшая форма автоматизации в настоящее время реализуется с помощью гибких производственных систем, создающих реальные предпосылки для перехода к безлюдной технологии, для существенного повышения эффективности современного промышленного производства. Гибкая производственная система призвана обеспечить комплексную автоматизацию всего производственного процесса, повысить производительность труда и качество продукции.
1. ОБЩИЙ РАЗДЕЛ
1.1 Техническая характеристика предприятия
Хабаровская теплоэлектроцентраль №1 расположена в южной части города Хабаровска, входит в объединенную энергетическую систему Востока, снабжающею электроэнергией Хабаровский, энергорайон и теплотой город Хабаровск.
Электростанция сооружалась в четыре этапа, первый турбоагрегат мощностью 25 тыс. кВт введен в эксплуатацию 28 сентября 1954 г., последний - мощностью 100 тыс. кВт в 1972 г.
До пуска Хабаровской ТЭЦ – 1 в городе работало 40 мало – экономичных ведомственных электростанций, в том числе дизельные и локомобильные суммарной мощностью 18 тыс. кВт.
На ТЭЦ установлено 16 котельных агрегатов высокого давления с параметрами 100 – 140 ата, 510 – 540 – 560оС девять турбоагрегатов мощностью 25 – 60 – 100 МВт, с теплофекациоными и производственным оборотом пара и три водогрейных котла ПТВМ – 100. Длина главного корпуса составляет 455 метров. Тепловая схема с поперечными связями по пару питательной воды. Имеются две топливо – подачи, производительностью 400 т/час для подпитки энергетических котельных агрегатов, водоочистные сооружения подпитки теплосети производительностью 3000 т/час.
В период эксплуатации на ТЭЦ проведена большая работа по совершенствованию технологической схемы автоматизации производственного процесса и механизации трудоемких работ, внедрено более 700 мероприятий по повышению надежности и экономичности работы ТЭЦ. Удельный расход условного топлива на отпущенный кВт час снижен на 356.7 грамм в сравнении с 1956 годом, и составил в 1983 году 233.1 г/кВтч, на тепло уменьшен с 189.9 кг/Гкал до 180.8 кг/Гкал.
Первый миллион кВтч электроэнергии ТЭЦ выработала 4 октября 1954 года. За весь период работы ТЭЦ на 1 января 1984 г выработано 56737943 тыс. кВтч электроэнергии и отпущено потребителям тепла 130938 тыс. Гкал.
Введены в эксплуатацию:
I Турбоагрегат ст.№1 - 28 сентября 1954г.
II Турбоагрегат ст.№ 2 – в 1955 г
III Турбоагрегат ст.№ 3 – в 1956 г.
IV Турбоагрегат ст.№ 4 – в 1958 г.
V Турбоагрегат ст.№ 5 – в 1958 г.
VI Турбоагрегат ст.№ 6 – в 1964 г.
VII Турбоагрегат ст.№ 7 – в 1967 г.
VIII Турбоагрегат ст.№ 8 – в 1969 г.
Удельная численность эксплуатационного персонала на 1000 кВт установленной мощности за период 1956 г до 1983 снижена с 10 человек до 1.8 человек.
На ТЭЦ постоянно проводится работа по модернизации и реконструкции оборудования и совершенствованию технологических процессов. Реконструирована схема газо-масляного уплотнения пяти генераторов, мощность генераторов увеличена на 17 мВт, модернизированы две турбины с частичной заменой проточной части и увеличением электрической мощности на 17% теплофикационного и производственного отбора пара; выполнена схема использования низко-потенциального тепла турбин. Рационализаторы ТЭЦ только за последние 10 лет подали 1211 рационализаторских предложений, внедрение которых позволило получит экономический эффект 789.4 тыс. рублей с экономить 4063 тут. За 30 лет создано довольно обширная сеть социально – бытовых и культурных учреждений. ТЭЦ имеет два общежития, базу отдыха в п. Бычиха на берегу Амура, дом культуры, пионерский лагерь и четыре детских дошкольных учреждения, стадион. На предприятии действует столовая, медицинский пункт, физиокабинет.
1.2 Уровень автоматизации предприятия. Основания необходимости автоматизации объекта
Автоматизация – процесс, при котором функции управления и контроля осуществляются методами и средствами автоматики. В применении к любому производству автоматизация характеризуется освобождением человека от непосредственного выполнения функций управления производственными процессами и передачей этих функций автоматическим устройствам. По степени автоматизации производства различают частичную, комплексную и полную автоматизацию.
Частичная автоматизация – это автоматическое выполнение отдельных производственных операций, осуществляемое в тех случаях, когда определённые технологические процессы вследствие своей сложности или быстродействия невыполнимы для человека. Функции человека при частичной автоматизации определяется технологическим процессом и сводится к участию в производственных операциях, контроле и управления. Частично автоматизируется, как правило, действующее производственное оборудование, при чём наиболее эффективно автоматизировать технологический процесс, который сравнительно легко можно функционально выделить из общего производства.
Комплексная автоматизация – автоматическое выполнение всех основных производственных операций участка, цеха, завода, электростанции и.т.д. как единого взаимосвязанного комплекса. Функции человека при комплексной автоматизации ограничиваются контролем и общим управлением. При комплексной автоматизации отдельные автоматические регуляторы и программные устройства, должны быть связаны между собой и образовывать единую систему управления.
Полная автоматизация – высшая ступень, при которой автоматизируются все основные и вспомогательные участки производства, включая систему управления и контроля. Управление и контроль автоматически с помощью вычислительных машин или специализированных автоматических устройств. Функции человека при полной автоматизации сводятся к наблюдению за работой оборудования и устранению возникающих неисправностей.
Хабаровская ТЭЦ 1 по уровню автоматизации относится к частичной.
Все процессы, которые человек не может выполнить (определить температуры пара, давления пара, расход пара и.т.д.) выполняются автоматическими устройствами, функции человека при этом сводятся к наблюдению, контролем и корректированию параметров технологического процесса.
2 ТЕХНОЛОГИЧЕСКИЙ РАЗДЕЛ
2.1 Технология производства. Описание технологического процесса участка производства
Редукционно–охладительная установка (РОУ) служит для понижения давления и температуры острого пара, вырабатываемого котлоагрегатами. С помощью РОУ резервируются промышленные и теплофикационные отборы паровых турбин, осуществляется связь между общими паропроводами паровых котлов высокого и среднего давления, редуцируется пар низких параметров во время растопки котлоагрегатов. Так на Хабаровской ТЭЦ 1 имеется пять РОУ 100/10 – 13 ата и три РОУ 140/10 – 16 ата, пар от которых подаётся в промколлектор. С промколлектора пар поступает на производство и на пиковые бойлера. РОУ 100/35 ата № 1, 2 служат для снабжения паром МЖК. С атмосферной РОУ 100/1,2 – 2,5 ата пар подаётся в теплофикационный коллектор. С теплофикационного коллектора пар поступает в основные бойлера и ПСГ № 1, 2. Растопочная РОУ 100/1,2 – 2,5 ата № 1 используется при растопке котлов ст. №1 – 8. Растопочные РОУ 140/1,2 – 2,5 ата № 2, 3 используются при растопке котлов ст. № 9 – 16. Пар с этих РОУ поступает в теплофикационный коллектор.
Для автоматизации выбирается РОУ 100/35 служащая для подачи пара на МЖК. Острый пар подаётся с температурой лежащей в пределах 280 С – 320 С и давлением лежащим в пределах 32 кгс/см² – 35 кгс/см². Пределы температуры и давления зависят от того какими нужны потребителю для нормального хода технологического процесса. Острый пар проходя через дроссельный клапан шиберного типа и решётки в пароохладителе дросселируется. Многоступенчатое дросселирование (в клапане и решётках) снижает уровень шума при расширении пара. Расход пара изменяется с помощью дроссельного клапана, аналогичного по конструкции регулирующему клапану. В пароохладитель впрыскивается вода через форсунки, за счёт её испарения происходит охлаждение пара. Питательная вода с давлением 35 кгс/см подаётся от питательных насосов (ЭПН). Регулятор получает сигнал по температуре или давлению редуцированного пара от термопары или Сапфира. При повышении температуры или давления от заданного значения, исполнительный механизм перемещает регулирующий клапан в сторону открытия до тех пор, пока температура или давление редуцированного пара не станет равной заданному значению. При понижении температуры или давления редуцированного пара, регулирующий клапан перемещается в сторону закрытия, до тех пор пока температура или давление редуцированного пара не станет равным заданному значению. Регулирование расхода воды осуществляется с помощью клапана постоянного расхода, независимо от фактической производительности редукционно–охладительной установки к клапану подводится постоянное количество воды. В клапане поток разветвляется на два потока, один из которых поступает на впрыск, а второй на слив. Перераспределение воды между впрыском и сливом осуществляется за счёт перемещения распределительного клапана, необходимость такого устройства поясняется примером: в РОУ с начальным давлением р1 = 12,75 кгс/см² и конечным давлением р2 = 1,27 кгс/см² вода на впрыск подаётся от питательного насоса и имеет давление рп.н. = 18 кгс/см². Фактически перед клапаном давление воды должно составлять рв = 3 кгс/см² ( с учётом потерь давления в форсунках). Избыток давления р = рп.н. – рв = 15 кгс/см² теряется в дроссельном устройстве. Чтобы перепад давления на дросселе был одинаковым и не зависел от производительности редукционно–охладительной установки, необходимо иметь постоянный расход воды через дроссельное устройство. Именно это и достигается при установке клапана постоянного расхода.
Редукционно–охладительная установка устанавливается для растопки котла, резервирования производственных отборов турбин и при отсутствии других источников пара требуемых параметров. В блочных схемах редукционно–охладительная установка используется не только при пусках блока, но и при сбросах нагрузки. Редукционно–охладительная установка с быстрым включением в работу называются быстро включающимися.
2.2 Выбор параметров, подлежащих контролю и регулированию
Основная задача управления процесса снижения давления и температуры состоит в стабилизации режима работы котла и турбин при оптимизации производительности котла и турбин и расхода топливно-энергетических ресурсов. Процесс снижения давления и температуры подвержен влиянию многих факторов. Главными являются: давление пара, температура пара, расход пара. Контроль давления острого и редуцированного пара, а также регулирование давления редуцированного пара необходимы, так как при изменении этих параметров может привести к нарушению технологического процесса и привести к аварийной ситуации. Контроль температуры острого и редуцированного пара, а также регулирование температуры редуцированного пара необходимы, так как при изменении этих параметров может привести к нарушению технологического процесса. Контроль расхода редуцированного пара необходим, для норм расхода потребителя.
Таблица 1-Перечень технологических параметров подлежащих контролю и регулированию
|
Наименование измеряемой величин |
Наименование значения параметра |
Тип преобразователя |
Место отбора |
Среда воздействия |
|
Регулирование температуры редуцированного пара |
280 - 320˚С |
Термопара ТХК |
Паропровод |
Пар |
|
Регулирование давления редуцированного пара |
32 - 35 кгс/см² |
Сапфир 22 М-ДИ |
Паропровод |
Пар |
|
Контроль давления острого пара |
100 кгс/см² |
Сапфир 22 М-ДИ |
Паропровод |
Пар |
|
Контроль температуры острого пара |
535˚С |
Термопара ТХА |
Паропровод |
Пар |
|
Контроль давления редуцированного пара |
32 - 35 кгс/см² |
Сапфир 22 М-ДИ |
Паропровод |
Пар |
|
Контроль расхода редуцированного пара |
16 т/ч |
Сужающее устройство ДК-100 Диффманометр ДМ 3583М |
Паропровод |
Пар |
|
Контроль температуры редуцированного пара |
280 - 320˚С |
Термопара ТХК |
Паропровод |
Пар |
3. СПЕЦИАЛЬНЫЙ РАЗДЕЛ
3.1 Обоснование выбора первичных устройств и приборов контроля
3.1.1 Контроль давления острого пара
В качестве первичного прибора для контроля давления острого пара используется тензопреобразователь «Сапфир 22 М-ДИ». Тензопреобразователь предназначен для измерения давления и преобразования его в унифицированный токовый сигнал. Сапфир имеет чувствительную металлическую мембрану, сверху которой припаяна сапфировая мембрана на поверхности которой размещены тензорезисторы, образующие мостовую измерительную схему, напряжение разбаланса подаётся на вход усилителя. При деформации двухслойной мембраны изменяется сопротивление тензорезисторов.
Таблица 2-Техническая характеристика «Сапфир 22 М-ДИ»
|
Параметры прибора |
Величина прибора |
|
Предел измерения, кгс/см² |
0 - 150 |
|
Питание, В |
36 |
|
Класс точности |
1,5 |
|
Условия эксплуатации : |
|
|
Влажность, % |
30 - 80 |
|
Температура окружающей среды, ˚С |
20±2 |
|
Масса, кг |
2,5 |
В качестве вторичного прибора используется компенсатор самопишущий с унифицированным сигналом КСУ-1. Предназначен для измерения и записи давления, значение которого преобразовано в электрический унифицированный сигнал постоянного тока 4 – 20 mA, конструктивно прибор выполнен из отдельных модулей и блоков (модуль измерительной мостовой схемы, модуль реохорда, блок питания) соединённые между собой проводами.
Таблица 3-Техническая характеристика КСУ – 1
|
Параметры прибора |
Величина прибора |
|
Предел измерения, кгс/см² |
0 - 150 |
|
Питание, В |
220 |
|
Потребляемая мощность, Вт |
30 |
|
Класс точности |
1 |
|
Условия эксплуатации : |
|
|
Влажность, % |
30 - 80 |
|
Температура окружающей среды, ˚С |
20±2 |
|
Масса, кг |
не более 8 |
|
Габариты, мм |
200х160х420 |
3.1.2 Контроль температуры острого пара
В качестве первичного прибора для контроля температуры острого пара используется термопара ТХК. Принцип работы основан на возникновение электродвижущей силы (ТЭДС) в цепи, составленной из двух разнородных проводников, при неравенстве температур в местах соединения концов проводников. Возникновение ТЭДС связано с наличием в металлах свободных электронов. Так как плотность свободных электронов в различных металлических электродах неодинакова, электроны диффундируют из электрода с большей плотностью свободных электронов в электрод с меньшей плотностью свободных электронов. Диффузия свободных электронов будет тем больше, чем больше температура спаев.
Таблица 4-Техническая характеристика термопары ТХА
|
Параметры прибора |
Величина прибора |
|
Предел измерения, ˚С |
-50…600 |
|
Градуировка |
ХА |
|
Конструкция головки |
Защитная арматура без штуцера материал сталь ОХВ17. Материал головки алюминиевый сплав. |
|
Длина монтажной части, мм |
300 - 2000 |
|
Масса, кг |
3 - 5 |
В качестве вторичного прибора используется компенсатор самопишущий с потенциометрической схемой КСП-2. Принцип действия основан на развитии термопарой ТЭДС которая компенсируется равным по величине, но обратным по знаку напряжения. Компенсатор состоит: 1 контур источник постоянного тока, резистор, сопротивление и реохорд; 2 контур нормальный элемент, нуль прибор; 3 контур термопара, нуль прибор, реохорд.
Таблица 5-Техническая характеристика КСП-2
|
Параметры прибора |
Величина прибора |
|
Предел измерения, ˚С |
0 - 600 |
|
Градуировка |
ХА |
|
Класс точности |
0,5 |
|
Питание, В |
220 |
|
Параметры прибора |
Величина прибора |
|
Условия эксплуатации: |
|
|
Влажность, % |
30 - 80 |
|
Температура окружающей среды |
20±2 |
|
Масса, кг |
не более 10 |
|
Габариты, мм |
320х240х400 |
3.1.3 Контроль давления редуцированного пара
В качестве первичного прибора для контроля давления редуцированного пара используется тензопреобразователь «Сапфир 22 М-ДИ», со шкалой от 0 до 50 кгс/см², описание тензопреобразователя находится в пункте 3.1.1. Описание технических характеристик прибора находится в таблице 2.
В качестве вторичного прибора используется компенсатор самопишущий с унифицированным сигналом КСУ-1, со шкалой от 0 до 50 кгс/см², описание компенсатора находится в пункте 3.1.1. Описание технических характеристик прибора находится в таблице 3.
3.1.4 Контроль расхода редуцированного пара
В качестве первичного прибора для контроля расхода редуцированного пара применяется сужающее устройство диафрагма камерная ДК-100 на которой создаётся перепад давления. Принцип действия основан на измерении разности до и после сужающего устройства и по этой разности определяется расход пара, проходящего по паропроводу.
Таблица 6 Техническая характеристика сужающего устройства ДК 100
|
Параметры прибора |
Величина прибора |
|
Условное давление, кгс/см² |
150 |
|
Внешний диаметр, мм |
50 |
|
Внутренний диаметр, мм |
35 |
|
Материал |
Сталь Х17 |
Уравнительные сосуды предназначены для поддержания постоянства уровней конденсата в обеих импульсных трубках. Применяются для измерения расходов жидких, парообразных сред с температурой – 350 С. Нужны для поддержания равенства уровня конденсата в импульсных трубках. Обозначаются СКМ – малые, предназначены для работы с сильфонными, мембранными дифманометрами. Цифры в обозначении указывают на допустимое условное давление.
Таблица 7- Техническая характеристика СКМ–150-5
|
Параметры прибора |
Величина прибора |
|
Наружный диаметр, мм |
13 |
|
Внутренний диаметр, мм |
10 |
|
Толщина, мм |
4 |
|
Давление, кгс/см² |
150 |
|
Тип |
СКМ-150-5 |
В комплекте с сужающим устройством работает дифманометр, который присоединяется к нему при помощи импульсных трубок, которые предназначены для передачи давления от сужающего устройства к дифманометру.
Таблица 8 - Техническая характеристика импульсных трубок
|
Параметры прибора |
Величина прибора |
|
Материал |
Сталь Х17 |
|
Толщина стенки, мм |
2 |
|
Диаметр, мм |
8 |
В комплекте с сужающим устройством работает дифманометр – расходомер типа ДМ 3583М применяемый для непрерывного измерения расхода пара по перепаду давления в сужающем устройстве. Дифманометр имеет встроенный дифференциально - трансформаторный преобразователь. Дифманометры, измеряющие разности давлений до и после сужающего устройства, и по этой разности, определяющие расход газа, пара или жидкости называются дифманометрами – расходомерами.
Таблица 9 - Техническая характеристика дифманометра ДМ 3583М
|
Параметры прибора |
Величина прибора |
|
Диапазон измерения, кгс/см² |
0 - 150 |
|
Питание, В |
220 |
|
Потребляемая мощность, ВА |
8 |
|
Класс точности |
1,5 |
|
Масса, кг |
18 |
В качестве вторичного прибора используется компенсатор самопишущий с дифференциально–трансформаторным преобразователем КСД-1, который предназначен для автоматического контроля расхода. Представляющий собой показывающий прибор с регистрацией на ленточной диаграмме. Состоит из ряда унифицированных блоков и модулей. Отдельные блоки соединяются при помощи штепсельных разъёмов.
Таблица 10 - Техническая характеристика КСД-1
|
Параметры прибора |
Величина прибора |
|
Диапазон измерения, т/ч |
0 - 20 |
|
Питание, В |
220 |
|
Класс точности |
1 |
|
Потребляемая мощность, ВА |
35 |
|
Условия эксплуатации: |
|
|
Влажность, % |
30 - 80 |
|
Температура окружающей среды, ˚С |
20±2 |
|
Масса. кг |
не более 8 |
|
Габариты, мм |
200х160х420 |
3.1.5 Контроль температуры редуцированного пара
В качестве первичного прибора для контроля температуры редуцированного пара используется термопара ТХК, описание термопреобразователя находится в пункте 3.1.2. Описание технических характеристик прибора находится в таблице 4.
В качестве вторичного прибора используется компенсатор самопишущий с потенциометрической схемой КСП-2, со шкалой от 0 до 400˚С, описание компенсатора находится в пункте 3.1.2. Описание технических характеристик прибора находится в таблице 5.
3.2 Свойство системы регулирования и выбор регуляторов
Эффективность систем автоматического регулирования (САР) зависит от правильного выбора автоматического регулятора.
Приступая к проектированию САР , необходимо знать особенности технологического процесса, устройство, возмущения и управляющие воздействия, с помощью которых можно изменить значения регулируемых величин.
3.2.1 Объект регулирования – одноёмкостный, регулируемая величина–температура
Необходимые показатели качества регулирования:
- Максимальное динамическое отклонения регулируемой величины.
t, ˚С = 20˚С
- Время регулирования tp = 10с
- Система регулирования должна обеспечить апериодический переходный процесс
Для выбора автоматического регулятора необходимо знать статические и динамические характеристики объекта. Статической характеристикой объекта называется зависимость регулируемой величины от регулирующего воздействия в различных установившихся режимах.

Рисунок 1- Статическая характеристика


Рисунок 2 - Статическая характеристика
τ=2 с,
τ/Т= 2/2,5=0,8 ,
К об.=∆t/∆М=20/5=4
На основании отклонения τ/Т=0,8 принимается регулятор непрерывного действия.
По графикам характеризующим процесс выбора закона управления по динамическим параметрам определяем динамический коэффициент Rд который характеризует степень воздействия регулятора на стабилизацию технологического параметра.
При τ/Т=0,8 по таблицам определяем Rд и рассчитываем расчётное время регулирования.
Расчётное время регулирования не превышает требуемого времени, следовательно для данного объекта управления применяется пропорциональный закон управления имеющий Rд =0,85 и tp/ τ =8 (с) т.к он обеспечивает оптимальное время 10 сек.
Расчет параметров настройки Кр по приближённой формуле
Кр = 0,3*Т/Коб* τ =0,3*2,5/4*2 =0,09
Кр проверяется по графическим зависимостям
Кр=Кс/Коб =0,35/4 =0,087
С помощью уравнения проверяется устойчивость системы управления с использованием критериев Гурвица и Михайлова.
Система автоматического управления описана дифференциальным уравнением.
Критерий Гурвица
35р3+14р2+18,5р+1=0
а
>1>=35а>2>=14
а>3>=18,5а>4>=1
∆>1>=а>1>=35>0,
∆>2>=а>1>*а>2>+0*а>3>=35*14=490>0,
∆>3>=а>1>*а>2>*а>3>+0*а>1>*0+а>4>*0*а>3>+0*а>2>*0+а>4>*а>1>*а>1>+а>3>*0*а>3>=35*14*18,5=9065>0
Согласно условию критерия Гурвица система устойчива.
Критерий устойчивости Михайлова.
35р3+14р2+18,5р+1=0,
p= iω,
35iω+14iω-18,5iω+1=0,
-35iω3-14iω2+18,5iω+1=0
Исходное уравнение делится на два равенства действительное и мнимое.
U>(>>ω>>)>=-14iω2+1=0,
V>(>>ω>>)>=-35iω3-18,5iω=0
Придавая ω значение ω=0; 0,25; 0,5; 0,75; 1; 1,5; 2; результаты расчета действительной и мнимой частей сводится в таблицу 11.
Таблица 11 – Таблица действительных и мнимых значений
|
ω |
0 |
0,25 |
0,5 |
0,75 |
1 |
1,5 |
2 |
|
U(ω) |
1 |
-0,875 |
-2,5 |
-6,875 |
-13 |
-20,875 |
-55 |
|
V(ω) |
0 |
5,165 |
4,875 |
0,885 |
-16,25 |
-45,714 |
-243 |

Рисунок 3 -Гадогроф
Согласно условию Михайлова система устойчива
3.2.2 Объект регулирования–одноёмкостный, регулируемая величина–давление
Необходимые показатели качества регулирования:
- Максимальное динамическое отклонения регулируемой величины.
t, ˚С = 2 кгс/см²
- Время регулирования tp = 15с
- Система регулирования должна обеспечить апериодический переходный процесс

Рисунок 4 - Статическая характеристика


Рисунок 5 - Кривая разгона
τ=1 с,
τ/Т= 1/2,6=0,38 ,
К об.=∆Р/∆М=2/5=0,4
На основании отклонения τ/Т=0,38 принимается регулятор непрерывного действия.
По графикам характеризующим процесс выбора закона управления по динамическим параметрам определяем динамический коэффициент Rд который характеризует степень воздействия регулятора на стабилизацию технологического параметра.
При τ/Т=0,38 по таблицам определяем Rд и рассчитываем расчётное время регулирования.
Расчётное время регулирования не превышает требуемого времени, следовательно для данного объекта управления применяется пропорционально-интегральный закон управления имеющий Rд =0,54 и tp/ τ =8 (с) т.к он обеспечивает оптимальное время 10 сек.
Расчет параметров настройки Кр,Ти по приближённым формулам
Кр = 0,6*Т/Коб* τ =0,6*2,6/0,4*1 =3,9,
Ти=0,8* τ+0,5*Т=0,8*1+0,5*2,6=2,1
Кр,Ти проверяется по графическим зависимостям
Кр=Кс/Коб =1,4/0,4 =3,5,
Ти=(Ти/ τ)* τ=2,3*1=2,3
В соответствии с выборным законом управления выбирается регулирующий прибор «Ремиконт Р-130».
Общие сведения прибора.
Микроконтроллер «Ремиконт Р-130» обладает полным набором функций, необходимых для современного цифрового регулятора.
«Ремиконт Р-130» предназначен для формирования управляющего сигнала по законам регулирования П, ПИ.
В настоящее время контроллер Ремиконт – 130 выпускается со следующими новшествами:
1) Блок -шлюза поставляется с новым модулем процессора ПРЦ; полностью взаимозаменяем с ранее выпускаемым модулем ПРЦ – новой версии программного обеспечения, позволяющий:
-устранять причины «зависания» блока-шлюза, возникающие при помещении в абонентском канале;
- устанавливать скорость обмена поинтерфейной связи абонентского канала на 4,8 и 9,6 Кбит/с.
2) Микросхемы памяти установлены в специальные высоконадежные, позволяющие производить их оперативность.
3) Для сохранения информации, при отключении питания вместо аккумулятора типа Д-0,06 на модуле ПРЦ-10М1 установлена специальная импортная литиевая батарея, со сроком службы и времени хранения информации до 10 лет и более.
4) Устранены причины сбоя конфигурации программ пользователя, хранящихся в ОЗУ, при выключении питания и длительном хранении.
5) Внедрен техпроцесс для проверки изделий при предельных значениях климатических условий эксплуатации.
Таблица 12 - Техническая характеристика Ремиконт Р-130
|
Параметры прибора |
Величина прибора |
|
Тип |
Ремиконт Р-130 |
|
Унифицированный аналоговый сигнал, mА |
4 – 20 |
|
Напряжение питания, В |
220 – 240 |
|
Выходной сигнал с термопары |
ТХК |
|
Влажность, % |
До 80 |
|
Температура, ˚С |
от 1 до 45 |
|
Время цикла, сек |
от 0,2 до 2 |
С помощью уравнения проверяется устойчивость системы управления с использованием критериев Гурвица и Михайлова.
Система автоматического управления описана дифференциальным уравнением.
Критерий устойчивости Михайлова.
3,5р3+5,5р2+17,6р+7=0,
p= iω,
3,5iω+5,5iω+17,6iω+7=0,
-3,5iω3-5,5iω2+17,6iω+7=0
Исходное уравнение делится на два равенства действительное и мнимое.
U>(>>ω>>)>=-5,5iω2+7=0,
V>(>>ω>>)>=-3,5iω3-17,6iω=0
Придавая ω значение ω=0; 0,25; 0,5; 1; 1,5; 2; 3; результаты расчета действительной и мнимой частей сводится в таблицу 13.
Таблица 13 - Таблица действительных и мнимых значений
|
ω |
0 |
0,25 |
0,5 |
1 |
1,5 |
2 |
3 |
|
U(ω) |
7 |
6,65 |
5,62 |
1,5 |
-5,37 |
-15 |
-42,5 |
|
V(ω) |
0 |
4,35 |
8,37 |
14,1 |
14,59 |
7,2 |
-41,7 |

Рисунок -Годограф
Согласно условию Михайлова система устойчива
3.3 Выбор средств автоматизации, электроаппаратуры
3.3.1 Автоматический выключатель
Автоматический выключатель используется в качестве защиты аппаратов от коротких замыканий и перегрузок, а также для нечастых оперативных отключений электрических цепей и отдельных электроприемников при нормальных режимах работы. Таким образом, автоматы выполняют функции рубильников, предохранителей.
Таблица 14 - Техническая характеристика АП50-2Т
|
Параметры прибора |
Величина прибора |
|
Номинальный ток расцепления, А |
10 |
|
Кратность уставки электромагнитного расцепителя номинальному току расцепления, А |
3,5 |
|
Число блокировочных контактов |
Два переключающих (2П) |
3.3.2 Ключ выбора режима
В качестве ключа для выбора режима используется переключатель ПВ1-10. Переключатель состоит из валика 1, на котором насажена секция для переключения цепей. Число цепей определяется числом подводимых к переключателю электрических линий. Секции разделяют перегородками 2 из пластмассы, а под ними по всей длине переключателя положена рейка 3 на которой неподвижные контакты 5 проходящие через все платы. Поворотом рукоятки изменяют положение кулачковых шайб и следовательно контактов 3 и 4. подвижные контакты 4 положены по всей длине оси 7, 5.

Рисунок 6 - Схема ключа выбора режима ПВ1-10
Таблица 15 - Техническая характеристика переключателя ПВ1-10
|
Параметры прибора |
Величина прибора |
|
Напряжение питания, В |
220 |
|
Частота, Гц |
50 |
|
Номинальный то контактов, А |
6 |
|
Число коммутированных цепей, шт. |
4-2 |
|
Фиксация коммутируемых цепей число независимых |
10º-120º |
|
Коммутируемых цепей |
1-4 |
3.3.3 Блок ручного управления БРУ-22
Блок ручного управления рассчитан на перемещения в автоматизированных системах управлениях техническими процессами и предназначен для переключения цепей управления исполнительными устройствами, индикации положения цепей управления.
Таблица 16 - Техническая характеристика БРУ-22
|
Параметры прибора |
Величина прибора |
|
Напряжение питания, В |
220 |
|
Параметры прибора |
Величина прибора |
|
Частота, Гц |
50 |
|
Температура окружающей среды, ºС |
+5-+50 |
|
Влажность, % |
30-80 |
|
Потребляемая мощность, ВА |
2,5 |
|
Масса, кг |
0,5 |
3.3.4 Указатель положения регулирующего органа
Дистанционный указатель положения ДУП предназначен для передачи на щит оператора сведений о положение регулирующего органа в системе регулирования. Показания измерительного прибора ИП, включенного в измерительную диагональ моста соответствуют положению выходного вала исполнительного механизма в процентах от полного угла поворота вала.

Рисунок 7 - Принципиальная электрическая схема ДУП
Таблица 17 - Техническая характеристика ДУП
|
Параметры прибора |
Величина прибора |
|
Напряжение питания, В |
220 |
|
Частота, Гц |
50 |
|
Потребляемая мощность, ВА |
23 |
|
Температура окружающей среды, ºС |
+5-+50 |
|
Быстродействие, С |
3 |
3.3.5 Пускатель бесконтактный реверсивный
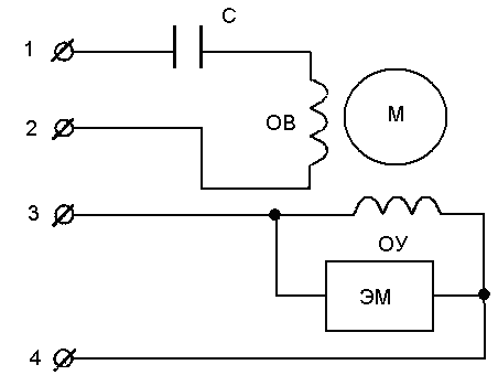
Пускатель бесконтактный реверсивный типа ПБР-2 Предназначен для управления асинхронным однофазным конденсаторным электродвигателем, который используется в качестве приводов исполнительном механизме типа МЭО-63/25-0,63.

Рисунок 8 - Принципиальная электрическая схема пускателя ПБР-2
Пускатель может управляться не только пассивными, но и активными сигналами с помощью дополнительных тиристорных ключей, срабатывание которых происходит при подаче управляющего напряжения. Кроме того, пускатель специальный выход для управления электромагнитным тормозом МЭО-63/25-0,63.
Таблица 18 - Техническая характеристика пускателя ПБР-2
|
Параметры прибора |
Величина прибора |
|
Напряжение питания, В |
220 |
|
Частота, Гц |
50 |
|
Потребляемая мощность, ВА |
88 |
|
Температура окружающей среды, ºС |
+5-+50 |
|
Токовый сигнал, mА |
5 |
|
Габариты, мм |
240х90х196 |
|
Быстродействие, С |
10 |
3.3.6 Регулирующий орган
В качестве регулирующего органа используется односедельный клапан прямого действия.

Рисунок 9 - Регулирующий орган
Таблица 19 - Техническая характеристика клапана
|
Параметры прибора |
Величина прибора |
|
Тип клапана |
VFGS 2 |
|
Диаметр трубы, мм |
15-125 |
|
Среда воздействия |
пар |
|
Максимальная температура, ºС |
350 |
|
Условное давление, кгс/см² |
40 |
|
Масса, кг |
60 |
3.3.7 Исполнительный механизм
Для перемещения регулирующего органа применяется электрический однооборотный исполнительный механизм типа МЭО-63/25-0,63

Рисунок 10 - Схема исполнительного механизма
3.4 Описание работы схем автоматического контроля и регулирования
3.4.1 Контроль давления острого пара
Для контроля давления острого пара используется тензопреобразователь Сапфир 22 М-ДИ (поз. 1а), унифицированный сигнал от тензопреобразователя поступает на вторичный прибор КСУ-1 (поз. 1в), где и регистрируется.
3.4.2 Контроль температуры острого пара
Для контроля температуры острого пара используется термоэлектрический преобразователь ТХА (поз. 2а), сигнал с термопреобразователя поступает на вторичный прибор КСП-2 (поз. 2б), где контролируется и регистрируется.
3.4.3 Регулирование давления редуцированного пара
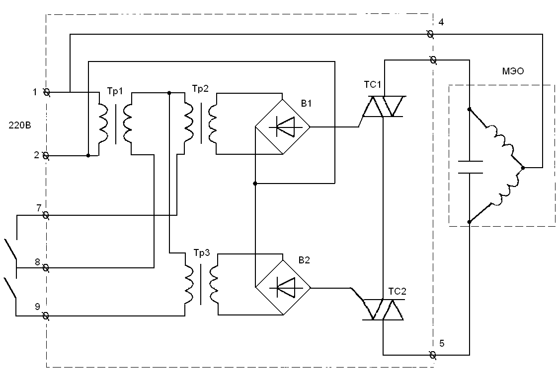
Для измерения давления редуцированного пара используется тензопреобразователь Сапфир 22 М-ДИ (поз.4а), выходящий токовый сигнал поступает на электронный регулятор РЕМИКОНТ Р-130 (поз.4б), где сравнивается с сигналом задания. Сигнал задаётся с помощью клавиатуры (поз. 4г) и мыши (поз. 4д ) и фиксируется на мониторе (поз. 4в). В регуляторе происходит сравнение сигналов, в случае отклонения от заданного параметра, с регулятора поступает сигнал, через ключ выбора режима ручного или автоматического (поз.3г), на тиристорный пускатель (поз. 3в), который включает исполнительный механизм (поз. 3б), приводящий в действие регулирующий клапан (поз. 3а), который действует до тех пор пока температура не станет равным заданному значению. Положение регулирующего органа показывает дистанционный указатель положения ДУП (поз.3д).
3.4.4 Регулирование температуры редуцированного пара
Для измерения температуры редуцированного пара используется термопара ТХК (поз.5а), выходящий сигнал поступает на электронный регулятор РЕМИКОНТ Р-130 (поз. 4б), где сравнивается с сигналом задания. Сигнал задаётся с помощью клавиатуры (поз. 4г) и мыши (поз. 4д) и фиксируется на мониторе (поз. 4в). В регуляторе происходит сравнение сигналов, в случае отклонения от заданного параметра, с регулятора поступает сигнал, через ключ выбора режима ручного или автоматического (поз. 6г), на тиристорный пускатель (поз.6в), который включает исполнительный механизм (поз. 6б ), приводящий в действие регулирующий клапан (поз. 6а ), который действует до тех пор пока давление не станет равным заданному значению. Положение регулирующего органа показывает дистанционный указатель положения ДУП (поз. 6д).
3.4.5 Контроль давления редуцированного пара
Для контроля давления редуцированного пара используется тензопреобразователь Сапфир 22 М-ДИ (поз. 7а) унифицированный сигнал от тензопреобразователя поступает на вторичный прибор КСУ-1 (поз. 7б), где контролируется и регистрируется.
3.4.6 Контроль расхода редуцированного пара
Для контроля расхода редуцированного пара в качестве первичного преобразователя используется сужающее устройство диафрагма камерная ДК-100 (поз. 8а), разность давлений по импульсным трубкам подаётся на дифманометр – расходомер ДМ 3583М (поз. 8б), где происходит преобразование разности давления в электрический сигнал, который поступает на вторичный прибор КСД-1 (поз. 8в), где контролируется и регистрируется.
3.4.7 Контроль температуры редуцированного пара
Для контроля температуры редуцированного пара используется термоэлектрический преобразователь ТХК (поз. 9а), сигнал с термопреобразователя поступает на вторичный прибор КСП-2 (поз. 9б), где контролируется и регистрируется.
3.5 Выполнение кабельных (импульсных) трасс
При эксплуатации силовых кабельных линий должно производится техническое обслуживание и ремонт, направление на обеспечение их надёжной работы. Для каждой кабельной линии при вводе в эксплуатацию должны быть установлены наибольшие допустимые токовые нагрузки. Нагрузки должны быть определены по участку трасс с наихудшими тепловыми условиями, если длина не менее 10 метров. Повышение этих нагрузок допускается на основе тепловых испытаний при условии, что нагрев жил не будет превышать допустимый государственными стандартами и техническими условиями. При этом нагрев кабелей должен проверятся на участках трасс с наихудшими условиями охлаждения. В кабельных сооружениях должен быть организован систематический контроль за тепловым режимом работы кабелей, температурой воздуха и работой вентиляционных устройств.
Температура воздуха внутри кабельных трасс туннелей, каналов и шахт в летнее время должна быть выше температуры наружного воздуха не более 10оС.
При сдаче в эксплуатацию кабельных линий на напряжение свыше 1000 В кроме документации, предусмотренной СНиП и отраслевыми правилами приёмки, должны быть оформлены и переданы энергопредприятию:
чертёж профиля кабельной линии в местах пересечения с дорогами и другими коммуникациями для кабельных линий на напряжение 35 кВ и для особо сложных трасс кабельных линий на напряжение 6-10 кВ;
акты состояния кабелей на барабанах и в случае необходимости протоколы разборки и осмотра образцов;
кабельный журнал;
инвентарная опись всех элементов кабельной линии;
акты строительных и скрытых работ с указанием пересечений и сближений кабелей со всеми подземными коммуникациями;
акты на монтаж кабельных муфт;
акты приёмки траншей, блоков, труб, каналов, под монтаж;
акты на монтаж устройств по защите кабельных линии от электрохимической коррозии, а также результаты коррозионных испытаний в соответствии с проектом.
Нагрузки кабельных линий измеряться периодически в сроки, установленные техническим руководителем энергообъекта.
Компоновка аппаратуры, арматуры и установочных изделий должна быть выполнена с учётом их конструктивных особенностей, функционального назначения, обеспечения удобства монтажа и эксплуатации, размеров монтажных зон щитов.
В помещениях химической очистки воды прокладка электропроводок осуществляется в стальных коробах.
Это наиболее распространенный способ монтажа электропроводок, систем автоматизации при прокладке больших потоков проводов и кабелей. Проводка и кабели в коробах укладываются россыпью, свободно без крепления, а на вертикальных и наклонных участках – укрепляют их скобами или бандажами. Размер защитного короба выбирается из условия максимального заполнения его поперечного сечения проводами и кабелями. Короба устанавливают на метал с помощью кронштейнов. Отдельные их секции соединяют сваркой. Соединяемые секции должны образовывать не только механическую, но и электрическую непрерывную цепь по всей длине трассы. Важность расположения короба не нормируется, но она должна обеспечивать свободный доступ, как для ведения монтажных работ, так и для эксплуатации. Короба, проложенные вблизи горячих трубопроводов, защищаются от влияния высоких температур теплоизолирующими экранами. Внутренняя поверхность коробов не должна иметь заусенец и острых кромок, потому что они могут повредить изоляцию токопроводящих жил проводов и кабелей. Места выхода проводок и кабелей из короба заполняют полиэтиленовыми втулками или выводят провода и кабели через патрубки защитных труб. Трассы из стальных коробов заземляют не менее чем в двух противоположных друг от друга местах.
3.6 Выбор щита автоматизации
Щит систем автоматизации предназначен для размещения на нём средств контроля и управления технологическим процессом, контрольно - измерительных приборов, сигнальных устройств, автоматического управления, защиты, блокировки, линий связи между ними.
Выбираем щит на основании ОСТ 36.13-76. тип ЩШ-ЗД.
Щит должен соответствовать ОСТ 36.13-76. и руководящим материалам РМ3-82-83. Щит предназначен для установки в закрытых помещениях с температурой окружающей среды от –30оС до +50оС и относительной влажностью не более 80%, с отсутствием вибрации агрессивных газов, паров и токопроводящей пыли.
Каркас состоит из четырёх стоек, скрепленных болтами, верхней и нижней рамки. С передней стороны каркаса между стойками устанавливают одну или две перемычки швеллера для крепления фасадных панелей. Стойка выполнена в виде швеллера с приваренными на концах кронштейнами, имеющими отверстия для крепления стоек к рамам. Рама сварена из двух одинаковых деталей швеллерного типа. На основании РТМ 25-91-82 необходимо чтобы между фланцами приборов, крепления хвостовых частей, было не менее 70мм снизу и не менее 30мм сверху.
Сам шкафной щит монтируется в аппаратном помещении на металлическом основании из швеллера, приваривается и заливается бетоном. Положение аппаратов внутри щита должно соответствовать требованиям инструкции эксплуатации.
Заземление приборов в щите производится: провод, прикрепленный к корпусу прибора, находящегося под напряжением, крепится к боковой стенке в нижней части щита. Щит крепится швеллером к общему заземлению цеха, которое подсоединено к металлическому пруту, забитого в землю на глубину 1,5-2 метра. Положение щита должно быть строго вертикальным. Щиты монтируются после завершения в них всех сборочных работ при t=+15˚С. Питание в щите осуществляется по кабельным трассам, в нижней части щита.
3.7 Описание компоновки средств контроля и регулирования на щите
Компоновка аппаратуры, арматуры и установочных изделий (в дальнейшем именуемые «аппаратура») должна быть выполнена с учётом их конструктивных особенностей, функционального назначения, обеспечения удобства монтажа и эксплуатации, размеров монтажных зон щитов.
Позиционные обозначения приборов и аппаратуры, установленных на фасадных панелях, выполняют штемпелеванием на задних поверхностях этих панелей в непосредственной близости от прибора (аппаратура).
Для обеспечения необходимых комфортных условий эксплуатации и безопасного обслуживания приборы и СА в щитах рекомендуется располагать на следующих расстояниях от нижней кромки опорной рамы:
1) 1700-1975 мм-трансформаторы, стабилизаторы, выпрямители (устанавливают в нижней части), сирены сигнальные, пускатели, источники питания малой мощности, патроны для освещения;
2) 700-1700 мм-выключатели, предохранители, автоматические выключатели, розетки;
3) 600-1900 мм-реле, регуляторы, функциональные блоки, элементы аналоговой и дискретной техники, преобразователи;
4) 800-700 мм-аппаратура пневматического питания;
5) 350-600 мм-сборки контактных зажимов горизонтальные; 350-600мм-вертикальные;
Размещение приборов и аппаратов не должно ухудшать или делать затруднительным монтаж и эксплуатацию их (снятие крышек, доступ к установочным отверстиям, а также органам управления аппаратов).
Установка аппаратуры внутри щитов по ОСТ 36.13-76 и ОСТ 36.ЭД113-79. Внутри щитов с приборами и СА на фасадных панелях, электрическую аппаратуру следует, как правило, располагать на левой стенке, а пневматическую - на правой для обеспечения необходимого удобства монтажа и эксплуатации. Компоновку аппаратуры рекомендуется выполнять в следующем порядке:
1) определить монтажную зону соответствующей плоскости щита;
2) определить на боковых стенках размеры «теней» от приборов или аппаратуры, установленных на фасадной панели или плоскости, с учётом потерь площади от конструкций, поддерживающих хвостовые части приборов (опор и боковых швеллеров);
3) наметить вариант взаимного расположения (композицию) устанавливаемых аппаратов и места прокладки горизонтальных жгутов проводов;
4) подобрать по соответствующему ТМ сборника 40 способы установки аппаратов. Если аппарат можно установить на одной и той же детали несколькими способами, предпочтение следует отдать наиболее простому (по металлоёмкости установочных деталей, количеству крепёжных деталей, компактности);
5) определить монтажные зоны аппаратов в соответствующих ТМ на основе принятых способов установки. Монтажные зоны аппаратов, отсутствующих в сборнике 40 и отличающихся от имеющихся в нём габаритными размерами аналогичных аппаратов, следует определять как сумму габаритных размеров устанавливаемого аппарата и разность размеров монтажной зоны и габаритных размеров аппарата-аналога;
6) определить вертикальный размер монтажной зоны горизонтального ряда скомпонованных аппаратов, для чего к высоте монтажной зоны аппаратов ряда необходимо добавить размер места для прокладки жгута проводов (труб).
3.8 Таблица соединений электрических проводок в щите
Таблица 20 - Таблица соединений электрических проводок в щите
|
Проводник |
Откуда идёт |
Куда поступает |
Данные провода |
Примеч |
|
Технические требования |
||||
|
Проводник |
Откуда идёт |
Куда поступает |
Данные провода |
Примеч |
|
Таблица соединений выполнена на основании схем электрической принципиальной Э3 и внешних проводок А5. |
||||
|
801 |
XTC:1 |
SF:1 |
||
|
802 |
SF:2 |
GB3:1 |
||
|
802 |
SF:2 |
PS1:1 |
||
|
802 |
SF:2 |
P2:1 |
||
|
802 |
SF:2 |
GB1:1 |
||
|
802 |
SF:2 |
P1:1 |
||
|
802 |
SF:2 |
KM1:1 |
||
|
802 |
SF:2 |
PS2:1 |
||
|
802 |
SF:2 |
PS3:1 |
||
|
802 |
SF:2 |
GB2:1 |
ПВ1-1 |
|
|
802 |
SF:2 |
PS4:1 |
||
|
802 |
SF:2 |
PS5:1 |
||
|
802 |
SF:2 |
KM2:1 |
||
|
802 |
SF:2 |
P3:1 |
||
|
802 |
SF:2 |
FU:1 |
||
|
803 |
XTC:2 |
PS1:2 |
||
|
803 |
XTC:2 |
GB3:2 |
||
|
803 |
XTC:2 |
P2:2 |
||
|
803 |
XTC:2 |
GB1:2 |
||
|
Проводник |
Откуда идёт |
Куда поступает |
Данные провода |
Примеч |
|
803 |
XTC:2 |
P1:2 |
||
|
803 |
XTC:2 |
KM1:2 |
||
|
803 |
XTC:2 |
PS2:2 |
||
|
803 |
XTC:2 |
PS3:2 |
||
|
803 |
XTC:2 |
GB2:2 |
||
|
803 |
XTC:2 |
PS4:2 |
||
|
803 |
XTC:2 |
PS5:2 |
||
|
803 |
XTC:2 |
KM2:2 |
||
|
803 |
XTC:2 |
P3:2 |
||
|
803 |
XTC:2 |
HL:2 |
||
|
803 |
XTC:2 |
XS:2 |
ПВ1-1 |
|
|
100 |
PS1:3 |
BK- |
||
|
101 |
PS1:6 |
BK+ |
||
|
102 |
XT1:2 |
GB1:5 |
||
|
103 |
XT1:1 |
GB1:6 |
||
|
104 |
XT1:26 |
PS2:6 |
||
|
105 |
XT1:30 |
PS2:8 |
||
|
106 |
XT2:1 |
PS3:1 |
||
|
107 |
XT2:2 |
PS3:2 |
||
|
108 |
XT2:3 |
PS3:3 |
||
|
109 |
XT2:4 |
PS3:6 |
||
|
110 |
XT3:2 |
GB2:5 |
||
|
Проводник |
Откуда идёт |
Куда поступает |
Данные провода |
Примеч |
|
111 |
XT3:1 |
GB2:6 |
||
|
112 |
XT3:26 |
PS4:6 |
||
|
113 |
XT3:30 |
PS4:8 |
||
|
114 |
PS5:3 |
BK- |
||
|
115 |
PS5:6 |
BK+ |
||
|
116 |
KM1:3 |
XT4:1 |
||
|
117 |
KM1:4 |
XT4:2 |
||
|
118 |
KM1:5 |
XT4:3 |
||
|
119 |
KM1:6 |
XT4:4 |
||
|
120 |
P2:27 |
SA1:5 |
ПВ1-1 |
|
|
121 |
P2:28 |
SA1:6 |
||
|
122 |
P2:28 |
SA1:7 |
||
|
123 |
SA1:1 |
XT4:20 |
||
|
124 |
SA1:2 |
KM1:8 |
||
|
125 |
SA1:3 |
XT4:6 |
||
|
126 |
SA1:4 |
SB1:3/4 |
||
|
127 |
XT4:19/23 |
KM1:7 |
||
|
128 |
XT4:5/9 |
KM1:9 |
||
|
129 |
SB1:1 |
XT4:24 |
||
|
130 |
SB1:2 |
XT4:10 |
||
|
131 |
SA1:8 |
KM1:10 |
||
|
132 |
XT4:16 |
P1:3 |
||
|
Проводник |
Откуда идёт |
Куда поступает |
Данные провода |
Примеч |
|
133 |
XT4:17 |
P1:4 |
||
|
134 |
XT4:18 |
P1:5 |
||
|
135 |
P2:21 |
P2:21 |
||
|
136 |
P2:22 |
P2:22 |
||
|
137 |
P2:23 |
P2:23 |
||
|
138 |
P2:13 |
HA:1 |
||
|
139 |
P2:14 |
HA:2 |
||
|
140 |
P2:15 |
H:1 |
||
|
141 |
P2:16 |
H:2 |
||
|
142 |
P2:17 |
HG:1 |
||
|
143 |
P2:18 |
HG:2 |
||
|
144 |
P2:30 |
BK- |
ПВ1-1 |
|
|
145 |
P2:31 |
BK+ |
||
|
146 |
P2:51 |
XT5:26 |
||
|
147 |
P2:52 |
XT5:30 |
||
|
148 |
XT5:1 |
GB3:6 |
||
|
149 |
XT5:2 |
GB3:5 |
||
|
150 |
P2:66 |
SA2:5 |
||
|
151 |
P2:67 |
SA2:6 |
||
|
152 |
P2:68 |
SA2:7 |
||
|
153 |
SA2:1 |
XT6:20 |
||
|
154 |
SA2:2 |
KM2:8 |
||
|
Проводник |
Откуда идёт |
Куда поступает |
Данные провода |
Примеч |
|
155 |
SA2:3 |
XT6:6 |
||
|
156 |
SA2:4 |
SB2:3/4 |
||
|
157 |
SB2:1 |
XT6:24 |
||
|
158 |
SB2:2 |
XT6:10 |
||
|
159 |
XT6:23/19 |
KM2:7 |
||
|
160 |
XT6:9/5 |
KM2:9 |
||
|
161 |
SA2:8 |
KM2:10 |
||
|
162 |
XT6:1 |
KM2:6 |
||
|
163 |
XT6:2 |
KM2:5 |
||
|
164 |
XT6:3 |
KM2:4 |
||
|
165 |
XT6:4 |
KM2:3 |
||
|
166 |
XT6:16 |
P3:3 |
||
|
167 |
XT6:17 |
P3:4 |
ПВ1-1 |
|
|
168 |
XT6:18 |
P3:5 |
||
|
169 |
P2:81 |
XT6:13 |
||
|
170 |
P2:82 |
XT6:14 |
||
|
171 |
P2:83 |
XT6:15 |
||
|
172 |
FU:1 |
XS:1 |
||
|
Земля |
Рейка для уст. |
BF1 |
||
|
Земля |
Рейка для уст. |
GB2 |
||
|
Земля |
Рейка для уст. |
PS4 |
||
|
Земля |
Рейка для уст. |
BP2 |
||
|
Проводник |
Откуда идёт |
Куда поступает |
Данные провода |
Примеч |
|
Земля |
Рейка для уст. |
PS5 |
||
|
Земля |
Рейка для уст. |
KM1 |
||
|
Земля |
Рейка для уст. |
P1 |
||
|
Земля |
Рейка для уст. |
Y1 |
||
|
Земля |
Рейка для уст. |
GB3 |
ПВ1-1 |
|
|
Земля |
Рейка для уст. |
P2 |
||
|
Земля |
Рейка для уст. |
BP3 |
||
|
Земля |
Рейка для уст. |
Y2 |
||
|
Земля |
Рейка для уст. |
KM2 |
||
|
Земля |
Рейка для уст. |
P3 |
3.9 Расчётный раздел
3.9.1 Расчет аппаратуры защиты
Автоматические выключатели используются в качестве защитных аппаратов от коротких замыканий и перегрузок, а так же для нечастых оперативных отключений электрических цепей и отдельных электроприёмников при нормальных режимах работы, автоматы выполняют функции рубильников, предохранителей и магнитных пускателей.
Выбирается по видам защиты автоматический выключатель с комбинированным расципителем. Автоматические выключатели более точны, надежны, безопасны в работе и обладают многократностью действий.
Таблица 21 - Приборы, используемые в цепи
|
Наименование |
Количество |
Мощность, ВА |
|
Регулятор Ремиконт Р-130 |
1 |
70 |
|
Компенсатор самопишущий КСУ-1 |
2 |
22 |
|
Компенсатор самопишущий КСД-1 |
1 |
40 |
|
Компенсатор самопишущий КСП-2 |
2 |
34 |
|
Пускатель тиристорный |
2 |
88 |
|
Исполнительный механизм МЭО-63/25-0,63 |
2 |
600 |
|
Блок питания |
3 |
10 |
|
Лампочка |
1 |
42 |
|
Дистанционный указатель положения ДУП |
2 |
23 |
|
Итого : |
1716 |
Выбирают автомат по номинальному напряжению сети :
Uном.а ≥ Uном.с, (стр. 113) [1]
где Uном.а - номинальное напряжение автоматического выключателя. В;
Uном.с – номинальное напряжение сети, В
220В=220В
Выбирают автомат по длительному расчётному току цепи :
Iн ≥ Iдл,
где Iн номинальный ток автомата, А;
Iдл длительный расчётный ток, текущий через автомат, А
Суммарная нагрузка в схеме равняется 1716 ВА.
Определяют расчетный ток цепи :
Iдл = S / U = 1716 / 220 = 7,8 A
По таблице 6.3 [1] номинальный ток автоматического выключателя равняется 10 А, так как 10 А > 7,8 А. и напряжением в 220В.
Выбираем автоматический выключатель типа АП50 – 2Т, на номинальный ток, 10 А.
Автоматический выключатель типа АП50 – 2Т предназначен для применения в цепях переменного тока частотой 50Гц, напряжением 220В. Выполнен в пластмассовом корпусе со степенью защиты IP20, имеет двух полюсное исполнение, и тепловой расцепитель.
Предохранители
Предохранитель предназначен для защиты сетей и отдельных электроприёмников от коротких замыканий и перегрузки. Работа плавки предохранителей основана на тепловом действии электрического тока. Когда ток в защищаемой цепи превышает определенное значение, плавкая вставка расплавляется, создавая разрыв цепи.
Предохранитель типа ПТ имеет номинальное напряжение до 220В и ток 10А номинальный ток плавких вставок 10 А. (стр. 113) [1]
3.9.2 Расчет питающего кабеля
Сечение проводов питающей и распределительных сетей системы электропитания приборов и средств автоматизации выбираются по условиям нагрева электрическим током и механической прочности.
Питающая и распределительная сеть системы электропитания относится, как правило, к сетям, не требующим зашиты от перегрузки, и защищаются только от коротких замыканий.
Сечения проводов и кабелей в соответствии с условием нагрева электрическим током определяется по таблицам допустимых длительных токовых нагрузок на провода и кабели с учетом условий их прокладки. Для практических расчётов условия нагревания проводов длительным расчётным током имеет вид:
Iдлит. доп. > Iрасч, [т. 6.13] [1]
19 ≥ 10 А,
где Iдлит. доп. – допустимый длительный ток для провода и кабеля при нормальных условиях прокладки, А;
Iрасч. – длительный расчётный ток линии, А
На основании таблицы выбираем кабель КВВГ с сечением жилы 2.5мм2 и 1.5мм2
КВВГ – кабель силовой с медными жилами с поливинилхлоридной изоляцией в поливинилхлоридной оболочке голый без брони с сечением жил 2.5мм2 и 1.5мм2
3.9.3 Расчёт специальных устройств САУ
Принимается исполнительный механизм типа МЭО-63/25-0,63
Принимается асинхронный электродвигатель типа RA80A4 имеющий следующие технические характеристики: S=600 ВА; P=0,55кВт ; n=1400 об/мин; cos =0,8.
Определяем передаточное число редуктора
i = nдв / np=1400/2=700,
где nдв - число оборотов двигателя
np - число оборотов редуктора (выбирается 0,5; 0,8; 1; 2.)
Определяем вращающий момент
M=9550*Pдв/nдв*n*i=9550*0,55/1400*0,75*700=1970кгс*м*9,81=19325,7Н*м
где Pдв - активная мощность двигателя, кВт;
n-КПД редуктора исполнительного механизма (пределы 0,7-0,75)
i-передаточное число редуктора
Проверочный расчёт для стопорного режима
Мс = Мн*2,5=(63*9,81)*2,5=1545Н*м,
М>Мс т.е. 19325,7Н*м > 1545Н*м
Выбранный тип исполнительного механизма удовлетворяет требованиям для перемещения регулирующего органа.
4. ТЕХНИКА БЕЗОПАСНОСТИ И ПРОТИВОПОЖАРНАЯ ТЕХНИКА
4.1 Мероприятия по технике безопасности в условиях эксплуатации автоматических устройств
К обслуживанию и ремонту контрольно-измерительных приборов на технологических агрегатах допускаются лица, прошедшие обучение и сдавшие экзамены по технике безопасности, знающие должностные и эксплуатационные инструкции. При опробовании приборов и средств автоматизации необходимо соблюдать следующие меры предосторожности:
- Пробное включение электроприборов производить только после проверки правильности сбора схемы, надежности контактов на всех приборах;
- Опробование приборов производить после отключения импульсных трасс от технологических аппаратов и трубопроводов.
Основными условиями безопасности работы при выполнении ремонтных работ является:
- Правильная организация рабочего места;
- Использование только исправного инструмента;
- Строгое соблюдение правил техники безопасности.
К основным средствам индивидуальной защиты до 1000В относятся:
а) диэлектрические перчатки;
б) слесарно-монтажный инструмент с изолирующими рукоятками;
в) указатели напряжения;
г) изолирующие клещи.
К дополнительным относятся: диэлектрические коврики, диэлектрические калоши, изолирующие подставки.
Пожары на предприятиях наиболее часто возникают из-за несоблюдения правил пожарной безопасности рабочими и инженерно-техническим персоналом.
Осуществление мероприятий, направленных на обеспечение пожарной безопасности возлагают на начальников цехов. Они несут ответственность за организацию пожарной охраны, выполнения в установленные сроки необходимых противопожарных мероприятий, а также за наличие и правильное содержание в цехах, мастерских и складах средств пожаротушения. На предприятиях должно быть организовано обучение всех рабочих правилам пожарной безопасности и их действием на случай пожара. В помещениях цехов имеются эвакуационные выходы, внутренние перегородки помещения выполняются из несгораемых материалов.
4.2 Противопожарные мероприятия на данном предприятии
Для обеспечения безопасности необходимо соблюдать противопожарные требования, предъявляемые к зданиям, сооружениям, оборудованию предприятия, выполнение которых препятствует возникновению пожара или препятствует его распространению за пределы очага.
Все производственные помещения должны иметь первичные средства пожаротушения для локализации огня и тушения пожара.
В каждом цехе, вблизи пожароопасных участков, на видном месте должны быть пожарные щиты с первичными средствами пожаротушения, к которым относятся лопаты, богры, ломы, вёдра, ёмкости с песком и с водой, несгораемые ткани и огнетушители ОХВП – 10, ОП – 5, ОУ – 2, внутренние пожарные краны. При ликвидации пожара на электроустановках можно пользоваться только огнетушителями ОП – 5 и ОУ – 2.
Кроме того должны применятся стационарные огнетушительные установки – пенные, спринклерные или пароводяные.
Внутренние пожарные краны устанавливают на лестничных клетках в коридорах, у входах и других местах. При каждом внутреннем пожарном кране должен быть выкидной рукав не менее 10 метров и ствол, которые размещаются в специальном шкафу.
Постоянный напор во внутренней противопожарной водопроводной сети должен обеспечивать получение струи не менее 6 метров. Число пожарных кранов должно быть таким, чтобы любая точка помещения могла быть полита водой из двух соседних пожарных кранов.
Применение электрической пожарной сигнализации, также способствует своевременному тушению огня. Она служит для быстрого оповещения службу пожарной охраны о возникшем пожаре.
Кроме того, все рабочие и служащие предприятия проходят противопожарную подготовку, которая состоит из противопожарного инструктажа и занятий по пожаротехническому минимуму.
5. ЭКОНОМИЧЕСКАЯ ЧАСТЬ
В этой части, по приведённой методике, производится расчёт экономической эффективности внедрения автоматизации редукционно-охладительной установи и сравнение технико-экономических показателей работы подразделения. Экономическая эффективность внедрения системы автоматического контроля и регулирования редукционно-охладительной установки определяется путём сопоставления технико-экономических показателей работы установки до и после внедрения системы. Расчётные данные сопоставимы, то есть объём выпускаемой продукции, материальных ресурсов, сменность работы принимается по двум вариантам.
В приведенной таблице 22 перечень показателей устанавливается применительно к проектируемому варианту внедрения автоматического устройства.
Таблица 22 – Исходные данные для расчёта
|
Показатели |
Единицы измерения |
Варианты |
|
|
До автоматизации |
После автоматизации |
||
|
1. Годовой выпуск редуцированного пара |
тонн |
29200 |
29600 |
|
2. Нормы расхода сырья, топлива, материалов, энергии на единицу продукции а) охлаждающая вода |
тонн |
0.023 |
0.021 |
|
б) Топливо (уголь) |
тонн |
0.887 |
0.880 |
|
в) Электроэнергия |
кВт/ч |
1,4 |
1,43 |
|
3. Цены: а) охлаждающая вода |
руб. |
300 |
300 |
|
б) уголь тонн |
руб. |
1643 |
1643 |
|
в) Электроэнергия кВт/ч |
руб. |
2.8 |
2.8 |
|
4. Кол-во рабочих, в том числе по профессиям, разрядам, категориям. а) Машинист турбины |
чел. |
6 (6 разряд) |
4 (6 разряд) |
|
б) Машинист обходчик |
чел. |
4 (5 разряд) |
2 (5 разряд) |
|
в) Слесарь КИПиА |
чел. |
- |
4 (5 разряд) |
5.1 Расчёт капитальных затрат на автоматизацию
Капитальные вложения – составная часть капитал образующих инвестиций. Они представляют собой затраты, направленные на создание и воспроизводство основных фондов.
В состав капитальных затрат входят:
- затраты на строительно-монтажные работы, связанные с реконструкцией зданий и устройством фундаментов для оборудования;
- затраты на приобретение оборудования;
- затраты на проектно-изыскательные работы;
- затраты на научные исследования.
Расчёт затрат на приобретение или изготовление оборудования определяют по действующим ценам и сводят в таблицу.
Таблица 23 – Сметно-финансовый расчёт на приобретение оборудования
|
Название |
Кол-во шт. |
Сметная стоимость (руб). |
|
|
За единицу |
Всего |
||
|
Регулятор Ремиконт Р-130 |
1 |
45000 |
45000 |
|
Щит шкафной ЩШЗД |
1 |
8500 |
8500 |
|
Компенсатор КСУ-1 |
2 |
12500 |
25000 |
|
Компенсатор КСД-1 |
1 |
12800 |
12800 |
|
Компенсатор КСП-2 |
2 |
15300 |
30600 |
|
Пускатель ПБР-2 |
2 |
12300 |
24600 |
|
Дифманометр ДМ 3583М |
1 |
9500 |
9500 |
|
Исполнительный механизм МЭО 100/25 |
2 |
6800 |
13600 |
|
Термопара ТХА |
2 |
950 |
1900 |
|
Название |
Кол-во шт. |
Сметная стоимость (руб). |
|
|
За единицу |
Всего |
||
|
Термопара ТХК |
1 |
860 |
860 |
|
Указатель РО |
2 |
650 |
1300 |
|
Сапфир 22М-ДИ |
3 |
6500 |
19500 |
|
Итого |
193160 |
Стоимость монтажных работ по установке оборудования, приобретённого со стороны и изготовленного силами предприятия, принимают по укрупнённым показателям в размере 47% от стоимости оборудования. Транспортные и складские расходы принимаются в размере 37% от стоимости оборудования. Затраты на запасные части – 15% от стоимости.
Таблица 24 – Капитальные вложения на приобретение и монтаж автоматических устройств
|
Наименование затрат |
Сумма, (руб). |
Источники расчета |
|
Стоимость оборудования |
193160 |
Таблица 23. |
|
Транспортные и складские расходы |
71469.2 |
37% от стоимости оборудования |
|
Стоимость монтажных работ |
90785.2 |
47% от стоимости оборудования |
|
Затраты на запасные части |
28974 |
15% от стоимости оборудования |
|
Плановые накопления |
115316.52 |
30% от суммы строк с 1 по 4 |
|
Итого |
499704.92 |
5.2 Расчёт технологической себестоимости производства 1 т редуцированного пара до и после автоматизации
Технологической себестоимостью называется себестоимость по изменяющимся статьям затрат. В тех случаях, когда отдельные эксплуатационные статьи не изменяются при внедрении автоматического устройства, они не учитываются.
При расчёте экономической эффективности внедрения новой техники, в технологическую себестоимость включают изменяющиеся статьи затрат по двум вариантам:
I - по базовому, действующему на предприятии;
II - по проектируемому, с учётом внедрения автоматического устройства.
По данной дипломной работе изменяются следующие статьи затрат:
- сырьё и основные материалы
- топливо
- электроэнергия;
- заработная плата рабочих с отчислениями на социальное страхование;
- амортизационные отчисления;
- затраты на текущий ремонт и межремонтное обслуживание оборудования.
5.2.1 Затраты на материальные ресурсы рассчитываются по формуле:
З = Ц * Н,
где Ц – цена единицы сырья, электроэнергии;
Н – норма расхода сырья, электроэнергии на единицу продукции.
Отсюда затраты составят до и после автоматизации:
З>1 >= Ц>1 >* Н>1>> ,>
З>2> = Ц>2 >* Н>2,>
где З>1 >– затраты до автоматизации;
З>2 >– затраты после автоматизации
Экономия затрат на единицу продукции составит:
Э = З>1 >- З>2>
а) затраты на охлаждающую воду:
З>1>> =>> 300*0.023 = 6.9 руб,>
З>2> = 300*0.021 = 6.3 руб,
Э = 6.3 - 6.9= -0.6 руб
б) затраты на уголь:
З>1 >= 1643*0.887 = 1457.34 руб,
З>2 >= 1643*0.880 = 1445.84 руб,
Э = 1445.84 - 1457.34= -11.5 руб
в) затраты на электроэнергию:
З>1 >= 1.4*2.8= 3.92 руб,
З>2 >= 1.43*2.8= 4 руб,
П = 4-3.92= +0.08 руб
5.2.2 Затраты на заработную плату
Годовой фонд заработной платы включает в себя:
- основную заработную плату (за отработанное время);
- дополнительную заработную плату (за неотработанное время –очередные, учебные, декретные отпуска);
- отчисления на социальное страхование.
Основная заработная плата состоит из:
- прямого фонда заработной платы;
- премии;
- прочих доплат (за вредность, праздничные и выходные дни, ночные смены, за бригадирство, за совмещение профессий);
Для определения затрат на заработную плату необходимо рассчитать годовой фонд заработной платы рабочих (основных), связанных с непосредственным управлением работой оборудования, и вспомогательных рабочих, обеспечивающих работу данного оборудования.
Исходными данными для расчёта являются:
- списочная численность рабочих (по базовому и проектируемому вариантам;
- годовой эффективный фонд рабочего времени одного рабочего в год (в часах);
-часовые тарифные ставки рабочих;
- размер доплат: премия – 25%, от прямого фонда заработной платы; прочие доплаты – 8% от прямого фонда заработной платы; районный коэффициент - 60% от основной зарплаты; дополнительная заработная плата – 12% от основной зарплаты с районным коэффициентом; норматив отчислений на единый социальный налог – 26%.
Часовые тарифные ставки должны соответствовать разрядам выполняемых работ на предприятии. Для расчёта эффективного годового фонда рабочего времени составляется баланс рабочего времени на год.
Таблица 25 – Баланс рабочего времени одного рабочего на 2007 год
|
Показатели |
Единицы измерения |
Количество |
|
1 Календарный фонд времени |
дни |
365 |
|
2 Праздничные и выходные дни |
дни |
113 |
|
3 Номинальный фонд времени |
дни |
253 |
|
4 Невыходы на работу (всего) в том числе - отпуск очередной; - отпуск учебный; - по болезни; - прочие, разрешённые законом; |
дни дни дни дни дни |
42 31 2 6 3 |
|
5 Эффективный фонд времени |
дни |
211 |
|
6 Продолжительность рабочего дня |
часы |
8 |
|
7 Эффективный фонд времени |
часы |
1688 |
Расчёт годового фонда заработной платы производится для базового и проектируемого вариантов, и сводится в таблицу 26.
Таблица 26 – Расчёт годового фонда заработной платы рабочих
|
Профессия |
Разряд |
Численность (чел.) |
Эффективный фонд рабочего времени |
Часовая тарифная ставка (руб). |
Прямой фонд заработной платы (руб). |
Премия – 25% (руб). |
Прочие доплаты 8% (руб). |
Основная зарплата (руб). |
Районный коэффициент – 60% (руб). |
Основная зарплата с районным коэффициентом (руб). |
Дополнительная зарплата 12% (руб). |
Годовой фонд зарплаты (руб). |
|
1 |
2 |
3 |
4 |
5 |
6 |
7 |
8 |
9 |
10 |
11 |
12 |
13 |
|
До автоматизации |
||||||||||||
|
Машинист турбины |
6 |
6 |
10128 |
23.63 |
239324.64 |
59831.16 |
19145.97 |
318301 |
190981.06 |
509282.83 |
61113.94 |
570396.77 |
|
Машинист обходчик |
5 |
4 |
6752 |
18.95 |
127950.4 |
31987.6 |
10236.03 |
170174.03 |
102104.42 |
272278.45 |
32673.41 |
304951.86 |
|
Итого |
10 |
875348.63 |
||||||||||
|
Профессия |
Разряд |
Численность (чел.) |
Эффективный фонд рабочего времени |
Часовая тарифная ставка (руб). |
Прямой фонд заработной платы (руб). |
Премия – 28% (руб). |
Прочие доплаты 8% (руб). |
Основная зарплата (руб). |
Районный коэффициент – 60% (руб). |
Основная зарплата с районным коэффициентом (руб). |
Дополнительная зарплата 12% (руб). |
Годовой фонд зарплаты (руб). |
|
После автоматизации |
||||||||||||
|
Машинист турбины |
6 |
4 |
6752 |
23.63 |
159549.76 |
44673.93 |
12763.98 |
216987.67 |
130192.6 |
347180.27 |
41661.63 |
398841.9 |
|
Обходчик по оборудованию |
5 |
2 |
3376 |
18.95 |
63975.2 |
17913.05 |
5118.01 |
87006.26 |
52203.75 |
139210.01 |
16705.2 |
175915.21 |
|
Слесарь КИПиА |
5 |
4 |
6752 |
18.75 |
126464.96 |
35410.18 |
10117.19 |
171992.34 |
103195.4 |
275187.74 |
33022.52 |
328210.26 |
|
Итого |
10 |
902967.37 |
Среднемесячная заработная плата рабочего до автоматизации,
ЗП = 875348.63/12 = 72945.71 руб./10 = 7294.57 руб
Среднемесячная заработная плата рабочего после автоматизации,
ЗП = 902967.37/12 = 75247.28 руб./10 = 7524.72 руб
Единый социальный налог 26% до автоматизации,
ЕСН = 875348.63*0.26 = 227590.64 руб
Единый социальный налог 26% после автоматизации,
ЕСН = 902967.37*0.26 = 234771.52 руб
Затраты по заработной плате, приходящиеся на 1 т редуцированного пара определяются по формуле,
З>зп> = ЗП>год >/ В>1,>
где ЗП – сумма годового фонда заработной платы рабочих руб;
В – годовой выпуск продукции, т
Затраты по заработной плате до автоматизации,
З>зп >= 875348.63 / 29200 = 29.977 руб
Затраты по заработной плате после автоматизации,
З>зп >= 902967.34 / 29600 = 30.505 руб
Удорожание по заработной плате
У = 30.505 - 29.977 = 0.528 руб
Затраты на единый социальный налог на 1 т редуцированного пара определяются по формуле,
З>с/с> = сумма отчислений на соц. страх / В
Затраты на единый социальный налог до автоматизации,
З>с/с >= 227590.64 / 29200 = 7.794 руб
Затраты на единый социальный налог после автоматизации,
З>с/с> = 234771.52 / 29600 = 7.931 руб
Удорожание на единый социальный налог,
У = 7.931 - 7.794 = 0.137 руб
Расчёт амортизационных отчислений
Амортизацией основных фондов называется постепенный перенос стоимости основных фондов на стоимость выпущенной продукции.
Амортизационные отчисления рассчитываются, исходя из стоимости новой техники и действующих норм амортизации.
Таблица 27 – Расчёт амортизационных отчислений
|
Наименование оборудования |
Первоначальная стоимость руб. |
Норма амортизации |
Сумма амортизации руб. |
|
Таблица 24 |
499704.92 |
25% |
124926.23 |
Затраты на амортизационные отчисления на 1 т редуцированного пара определяется по формуле,
З>а/о> = А>о >/ В,
где В – годовой выпуск продукции после автоматизации, т
З>а/о> = 124926.23 / 29600 = 4.22 руб
Затраты на текущий ремонт и межремонтное обслуживание принимаем в размере 17% от стоимости оборудования
З>тек.рем.> = сметная стоимость оборудования · 17%,
З>тек.рем> = 499704.92* 0,17 = 84949.83 руб
На единицу продукции,
З>тек.рем> = 84949.83 / 29600 = 2.869 руб
Все затраты по изменяющимся статьям сводим в таблицу 28.
Таблица 28 – Технологическая себестоимость производства 1 т редуцированного пара
|
Статьи затрат |
Сумма затрат на единицу продукции |
Экономия(-) Перерасход(+) |
|
|
До автоматизации |
После автоматизации |
||
|
Сырье и основные материалы: |
|||
|
Охлаждающая вода |
6.9 |
6.3 |
0.6 (-) |
|
Электроэнергия |
3.92 |
4 |
0.08 (+) |
|
Топливо (уголь) |
1457.34 |
1445.84 |
11.5 (-) |
|
Заработная плата рабочих |
29.977 |
30.505 |
0.528 (+) |
|
Единый социальный налог |
7.794 |
7.931 |
0.137 (+) |
|
Амортизационные отчисления |
--- |
4.22 |
4.22 (+) |
|
Статьи затрат |
Сумма затрат на единицу продукции |
Экономия(-) Перерасход(+) |
|
|
До автоматизации |
После автоматизации |
||
|
Текущий ремонт |
--- |
2.869 |
2.869 (+) |
|
Итого |
1505.93 |
1501.65 |
4.28 (-) |
Таким образом, технологическая себестоимость снижается на 4.28 руб.
5.3 Экономические обоснования автоматизации
Расчёт экономии на годовой выпуск,
Э>уг> = (С>1> – С>2>) * В,
где С>1> и С>2 >- технологическая себестоимость до и после внедрения автоматизации руб;
В - выпуск продукции после автоматизации, т
Э>уг> = (1505.93 – 1501.65) * 29600 = 126688 руб
Расчёт срока окупаемости капитальных вложений
Срок окупаемости капитальных вложений на внедрение системы автоматического регулирования и контроля редуцированного пара рассчитывается по формуле.
Т = К/Э>уг,>
где К – капитальные вложения руб;
Э>уг> - экономия условно-годовая руб
Т = 499704.92 /126688 = 3.94 года
Годовой экономический эффект,
Ээф = Э>уг >– К* Ен = 126688 – 499704.92 *0.15 = 51732.62 руб.
Таким образом, данная система является экономически целесообразной, так как расчётный срок окупаемости меньше нормативного, равного 5 годам.
5.4 Сводные технико–экономические показатели и выводы
Таблица 29 – Сводные технико-экономические показатели
|
Показатели |
Единица измерения |
Варианты |
Проектируемый вариант в %к базовому |
|
|
До автоматизации |
После автоматизации |
|||
|
Годовой выпуск редуцированного пара |
т |
29200 |
29600 |
101.3 |
|
Расход сырья, материалов а) Охлаждающая вода |
т |
0.023 |
0.021 |
91.3 |
|
Расход топлива |
т |
0.887 |
0,880 |
99.2 |
|
Расход электроэнергии |
кВт/ч |
1.4 |
1.43 |
102.1 |
|
Годовой фонд заработной платы |
руб. |
875348.63 |
902967.37 |
103.1 |
|
Численность рабочих |
чел. |
10 |
10 |
100 |
|
Производительность труда |
т |
2920 |
2960 |
101.3 |
|
Среднемесячная заработная плата рабочего |
руб. |
7294.57 |
7524.72 |
103.1 |
|
Технологическая себестоимость продукции |
руб. |
1505.93 |
1501.65 |
99.7 |
|
Капитальные вложения |
руб. |
--- |
499704.92 |
--- |
|
Экономия на годовой выпуск |
руб. |
--- |
126688 |
--- |
|
Годовой экономический эффект |
руб. |
--- |
51732.62 |
--- |
|
Срок окупаемости капитальных вложений |
лет |
--- |
3.94 |
--- |
Все вышеперечисленные показатели позволяют сделать вывод об экономической целесообразности внедрения системы автоматизации редукционно-охладительной установки.
Годовой экономический эффект от внедрения этой системы составит 51732.62 рублей, срок окупаемости капитальных вложений 3.94 года, что значительно ниже нормативного срока окупаемости, равного 5 годам.
В результате автоматизации будет достигнута экономия 126688 рублей. Что даст возможность предприятию получить дополнительную сумму дохода для его социально-экономического развития.
СПИСОК ИСПОЛЬЗУЕМЫХ ИСТОЧНИКОВ
1. Проектирование систем автоматизации технологических процессов А.С. Клюев Москва Энергоатомиздат 1990
2. Экономика предприятия под ред. В.Я. Горфинкеля. М., 1996
3. Экономика строительства под ред. И.С. Степанова. М., 1998
1