Проектирование аппарата, нагруженного внутренним и наружным давлением
Задание на проектирование
|
№ п/п |
Наименование исходных данных |
Обозначение |
Единицы измерения |
Величина параметров |
|
1 |
Внутренний диаметр аппарата |
Д>в> |
мм |
1000 |
|
2 |
Высота обечайки |
Н |
мм |
2000 |
|
3 |
Давление в аппарате |
Р |
МПа |
0,8 |
|
4 |
Температуры среды в аппарате |
t |
oC |
160 |
|
5 |
Среда |
- |
глицерин |
|
|
6 |
Водный раствор |
- |
% |
20 |
|
7 |
Плотность среды |
|
кг/м3 |
1050 |
|
8 |
Вид днища |
- |
коническое, α=450 |
|
|
9 |
Диаметр выходного штуцера |
Д>0> |
мм |
50 |
|
10 |
Давление в рубашке аппарата |
Р>руб> |
МПа |
0,2 |
|
11 |
Потребляемая мощность мешалки |
N>м> |
кВт |
7,6 |
|
12 |
Угловая скорость мешалки |
n>N> |
об/мин |
240 |
|
13 |
Срок эксплуатации |
|
год |
20 |
Рассчитать основные элементы корпуса аппарата: обечайка, днище, крышка, мотор-редуктор, фланец, патрубок, перемешивающее устройство, штуцер, технологическое отверстие, рубашка, уплотнение, материал аппарата, опоры аппарата.
Введение
Развитие химической и нефтехимической промышленности требует создания новых высокоэффективных, надежных и безопасных в эксплуатации технологических аппаратов. Применение веществ, обладающих взрывоопасными и вредными свойствами, ведение технологических процессов под большим избыточным давлением и при высокой температуре обусловливает необходимость детальной проработки вопросов, связанных с выбором средств защита для обслуживающего персонала, с прочностью и надежностью узлов и деталей аппаратов. Перед химическим машиностроением поставлена задача создания и выпуска высокопроизводительного оборудования. Химическое машиностроение должно внести большой вклад в развитие топливно-энергетического комплекса нашего государства.
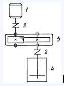
Темой проекта является проектирование аппарата, нагруженного внутренним и наружным давлением, и привода для механического перемешивающего устройства аппарата. В ходе проектирования производился расчет основных элементов аппарата в соответствии с рис. 1, находящихся под внутренним и наружным давлением с заданной рабочей средой и температурой.
Рис. 1. Кинематическая схема привода: 1-электродвигатель (асинхронный); 2-муфта (упругая); 3-одноступенчатый косозубый редуктор; 4-аппарат с мешалкой.
К перемешивающему устройству подбирался привод, для которого выполнялся кинематический, энергетический и силовой расчеты. Определялись основные размеры деталей передачи из условий прочности и жесткости, а также подбирались подшипники и муфты.
1. Основная часть
1.1Расчет оболочек нагруженных внутренним и внешним давлением
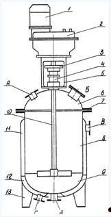
Во многих технологических процессах применяют емкостные аппараты с мешалки, которые работают под давлением в соответствии с рис. 1.1.

Рис. 1.1. Аппарат с мешалкой и её приводом: 1-электродвигатель; 2-редуктор; 3-муфта; 4-уплотнение; 5-стойка; 6-крышка; 7-фланцы; 8-обечайка; 9-днище; 10-мешалка; 11-рубашка; 12-днище рубашки; 13-опоры. Штуцеры: А - вход продукта; Б - люк; В - вход теплоносителя; Г - выход теплоносителя; Д - выход продукта.
Основным элементом аппарата является его цилиндрическая часть - обечайка 8. Вертикальное исполнение тонкостных цилиндрических аппаратов более выгодно, чем горизонтальное (в горизонтальных аппаратах появляются дополнительные изгибающие напряжения от силы тяжести самого аппарата и среды). Вертикальная обечайка закрывается днищем 9 снизу и крышкой сверху. В отличие от днищ, имеющих неразъемное соединение, крышки 6 являются отъемными частями, аппаратов. Днища и крышки изготавливают из тех же материалов, что я обечайки. Присоединение к аппаратам крышек и соединение отдельных частей аппарата осуществляется с помощью фланцев 7. Герметичность фланцевых соединений обеспечивается прокладками. Трубопроводы и контрольно-измерительные приборы присоединяются к аппаратам с помощью штуцеров, чаще фланцевых, реже резьбовых. Для осмотра аппарата, загрузки сырья и очистки аппарата, а также для сборки и разборки внутренних устройств служат люки Б. При съемных крышках аппараты могут быть без люков. Аппараты устанавливаются на фундаменте с помощью лап и опор 13. Перемешивание жидких сред в аппаратах производится либо механическими, либо пневматическими способами. Механическое перемешивание осуществляется мешалками 10. Для приведения во вращение механического перемешивающего устройства служит привод, состоящий из электродвигателя 1, редуктора 2 и муфт 3. Устанавливается редуктор на крышке вертикального аппарата с помощью стойки и опоры 5. Вал перемешивающего устройства вводится в аппарат через уплотнение 4, обеспечивающее герметичность. Уплотнение вала производится с помощью сальника, либо торцевым уплотнением. Жидкость вводится в аппарат через штуцер А, а выводится через штуцер Д. Обогрев аппарата осуществляется обычно с помощью рубашки 11, которую приваривают к корпусу стального аппарата. Диаметр рубашки принимают на 40-100мм больше диаметра аппарата. Обогревающую жидкость подают в рубашку через нижний, штуцер Г, а удаляют через верхний В, чтобы рубашка всегда была заполнена теплоагентом. Обогревающий пар подают в рубашку через верхний штуцер, а через нижний отводят конденсат.
В соответствии с правилами /1/ материалы, применяемые для изготовления аппаратов, должны обладать хорошей свариваемостью, а также прочностью и пластическими характеристиками, обеспечивающими хорошую работу аппарата в заданных условиях эксплуатации.
Элементы корпуса рассчитываются по двум вариантам: от действия внутреннего давления P(в) и наружного давления P(н).
1.1.1Прибавки к толщине элементов корпуса на коррозию. Выбор материала для обечайки, днища и крышки
Для изготовления химических аппаратов обычно используют, стали различных марок. При выборе материалов корпуса, рубашки, штуцеров учитываем их коррозионную стойкость в рабочей среде (в глицерин), которую принимаем по /2/ и /3/.
По коррозионной стойкости подходят 5 сталей: 15ХSМ, Х5М, Х18H10T, Х17Н13М2Т, OX23H38MЗДТ, и алюминий (ГОСТ 4785-65).
Рассчитаем скорость проникновения коррозии по формуле (1.1) по /4/:
П=
(1.1)
где П - скорость проникновения
коррозии (глубинный показатель), мм/год;
- показатель убыли массы при равномерной
коррозии стали, г/(м2∙ч)(по
/4/ принимаем
=0,2г/(м2∙ч);
- плотность стали (по /5/ принимаем
=7,96
г/см3).
П=
=0,22мм/год
- по формуле (1.1).
Отсюда, из условия коррозионной стойкости по /2/ выбираем материал обечайки, днища и крышки – сталь Х18H10T со скоростью проникновения коррозии
П<0.1*10-3м/год.
Для выбранного материала прибавку к расчетной толщине стенки элементов корпуса на коррозию определяем по формуле (1.2):
С=П·Т>а> (1.2)
где С - прибавка к расчетной толщине стенки элементов корпуса на коррозию, мм; Т>а> - амортизационный срок (T>a>=10лет).
С=П·Т>а>=0,1∙10-3·20=2∙10-3м – по формуле (1.2).
Материалы, у которых С>(2÷3)10-3м обычно не используют по /2/. Поправка С находится в пределах допустимых величин, т. к. С=2,010-3м<C>K>=3мм, по /3/.
1.1.2Определение расчетных значений давлений, температур, допускаемых напряжений и модуля упругости применяемых материалов
Расчетное давление принимаем равным рабочему давлению. Рабочее давление в аппарате - максимальное избыточное давление, возникающее при нормальном протекании рабочего процесса.
Рабочее внутреннее давление для элементов корпуса, находящихся ниже свободной поверхности жидкости определяем по формуле (1.3):
P(в)=P+P>гидр> (1.3)
где P(в) - рабочее внутренне давление, МПа; Р - избыточное внутреннее давление в аппарате над свободной поверхностью жидкости, P=0,8МПа; P>гидр >- гидростатическое давление рабочей жидкости (глицерин), МПа.
Гидростатическое давление P>гидр> вычисляем по формуле (1.4):
P>гидр>=10ρ>ж>·x (1.4)
где ρ>ж> - плотность рабочей жидкости (глицерин:> >ρ>ж>=1050кг/м3); х - расстояние от свободной поверхности жидкости до нижней точки днища аппарата, мм.
При заполнении на 0,75 (75%) высоты обечайки найдём x по формуле (1.5):
x=H∙0,75 (1.5)
где H – высота обечайки, мм.
x =2000·0,75=1500мм=1.5м – по формуле (1.5).
P>гидр>=10·1050∙1500∙10-9=0,01575 МПа=15,8∙10-3МПа - по формуле (1.4).
P>гидр> при определении расчетного давления учитываем в том случае, когда его величина составляет 5% и более от рабочего давления по формуле (1.6):
или 5% (1.6)
=1,97%
<5% - по
формуле (1.6).
Отсюда по формуле (1.3) принимаем: P(в)=P=0,8МПа.
При расчете аппарата с рубашкой за расчетное наружное давление P(н) принимаем давление, которое может возникнуть при самых неблагоприятных условиях эксплуатации, например, в связи с возможностью сброса внутреннего давления (опорожнение аппарата). P(н) рассчитаем по формуле (1.7):
P(н)=P>руб>+P>г> (1.7)
где P(н) - рабочее наружное давление, МПа; P>руб> - избыточное внешнее давление в рубашке аппарата, МПа; P>г> - гидростатическое давление рабочей жидкости (глицерин) в рубашке, МПа.
P>г> для рубашки определяется по формуле (1.4), т. е. P>г>= P>гидр>. При заполнении на 0,75 (75%) высоты рубашки x>руб>=x определяется по формуле (1.5), где x>руб> - расстояние от свободной поверхности жидкости до нижней точки днища рубашки, мм. P>г> при определении расчетного давления учитываем в том случае, когда его величина составляет 5% и более от рабочего давления по формуле (1.8):
или 5% (1.8)
=7,9%>5%
- по формуле (1.8).
Отсюда по формуле (1.7) принимаем: P(н)=P>руб>+Р>г>=(0,6+0,015)МПа= 0,62 МПа.
Следует отметить, что формула (1.3) соответствует условиям работы корпуса при отключении подачи теплоносителя в рубашку, т. е. при Р>руб>=0.
Расчетную температуру стенок корпуса принимаем равной температуре среды, соприкасающейся со стенкой, по формуле (1.9):
t=t>ж> (1.9)
где t - расчетная температура стенок корпуса, °С; t>ж> - температура перешиваемой среды в аппарате (глицерин; t>ж>=160°С).
По формуле (1.9) получаем: t=160°С.
Допускаемое напряжение для материала определяем по формуле (1.10):
[σ]=η·[σ]* (1.10)
где [σ] - допускаемое напряжение стали, МПа; η - поправочный коэффициент, для невзрывоопасных смесей η=1; [σ]* - допускаемое нормативное напряжение стали, МПа.
Для стали Х18H10T по табл. 1.1 при t=160°C принимаем: [σ]*=140МПа.
Таблица 1.1
Допускаемые напряжения [σ]* для коррозионностойкой стали Х18H10T принимаем по /5/
|
Сталь |
Значение [σ]*МПа при t,°С |
||||||||
|
100 |
150 |
200 |
250 |
300 |
350 |
400 |
410 |
420 |
|
|
Х18H10T |
156 |
148 |
140 |
132 |
123 |
113 |
103 |
102 |
101 |
*Прим.: для поковок из стали марки Х18H10T применяют допускаемые напряжения при температурах до 550С умножают на 0,95.
Отсюда по формуле (1.10) получим: [σ]=η·[σ]*=1·140∙0,95=133МПа.
Расчетное значение модуля упругости E при t=160°С принимаем по табл. 1.2: Е=197∙103МПа.
Таблица 1.2
Значения модулей упругости Е в зависимости от температуры по /5/
|
Сталь |
Значение Е/103 МПа (Н/мм2) при t,°С |
||||||||
|
20 |
100 |
150 |
200 |
300 |
400 |
500 |
600 |
700 |
|
|
Углеродистая |
199 |
191 |
186 |
181 |
171 |
155 |
- |
- |
- |
|
Легированная |
200 |
200 |
199 |
197 |
191 |
181 |
168 |
153 |
136 |
1.1.3Расчет элементов корпуса, нагруженных внутренним давлением
Элементы сосудов согласно нормам /3/ при нагружении внутренним давлением рассчитываем по формулам, основанным на безмоментной теории оболочек и третьей гипотезе прочности по /6/. При этом вводим соответствующие ограничения по конструктивным параметрам аппарата. Одно из основных ограничений находим по формуле (1.11):
(1.11)
где S - толщина стенки оболочки, мм; Д - расчетный диаметр, (Д=Д>В>=1000мм - внутренний диаметр аппарата).
Для рассматриваемой конструкции корпуса аппарата условие (1.11) выполняется со значительным запасом и позволяет напряженное состояние в оболочках считать плоским по уравнениям (1.12), (1.13), (1.14) и (1.15):
σ>1>=σ>t> (1.12)
σ>2>=σ>m> (1.13)
σ>3>=σ>p>≈0 (1.14)
где σ>1>, σ>2>, σ>3> - напряжения в оболочках корпуса, МПа; σ>t> - тангенциальное напряжение, МПа; σ>m> - меридиональное напряжение, МПа; σ>p> - нормальное (радиальное) напряжение, МПа.
Так как для рассматриваемых оболочек σ>t> меньше равно σ>m>, то условие прочности при наличии сварных швов имеет вид уравнения (1.15):
σ>экв>>3>=σ>1>-σ>3>=σ>t>≤φ[σ] (1.15)
где σ>экв3> - эквивалентное напряжение, МПа; φ - коэффициент прочности сварного продольного шва.
Таким образом, используя это условие прочности и известные зависимости для определения тангенциальных напряжений в оболочках различных типов можно для любой из них вычислить требуемую толщину.
Расчетные схемы оболочек, составляющих корпус аппарата, при нагружении его газовым и гидростатическим давлениями, приведены на рис. 1.2.

Рис. 1.2. Расчетные схемы элементов корпуса, нагруженного внутренним давлением: а - крышка аппарата; б - обечайка аппарата; в - днище аппарата.
1.1.3.1Определение толщины стенки обечайки
Толщину стенки цилиндрической обечайки аппарата в соответствии с рис. 1.3 определяем по формуле (1.16):
S>1>=
(1.16)
где S>1> - толщина стенки обечайки, мм;
P>1 >– расчетное давление на обечайку, МПа;
φ - коэффициент прочности сварного продольного шва, стыковой односторонний шов при ручной сварке φ=7.
Формула (1.16) справедлива при соблюдении условия (1.11).
При отношении гидростатического и рабочего давления меньше 5% принимаем по формуле (1.3): Р>1>=Р=0,8МПа, т. к. P>гидр> невелико.
S>1>=
=6∙10-3м
- по формуле (1.16).
Так как
- условие (1.11) выполняется.
Принимаем по нормальному ряду: S>1>=6мм.
1.1.3.2Определение толщины стенки стандартной эллиптической крышки
Толщину стенки эллиптической крышки аппарата определяем по формуле (1.17):
S>2>=
(1.17)
где S>2> - толщина стенки эллиптической крышки, мм; P>2>=Р=0,8МПа – расчетное давление на крышку, МПа; R - радиус кривизны в вершине крышки или днища, (для стандартных крышек и днищ: R=Д>В>=1000мм).
При отношении гидростатического и рабочего давления меньше 5% принимаем по формуле (1.3): Р>2>=Р=0,8МПа, т. к. P>гидр> невелико.
Для стандартных крышек по формулам (1.18) и (1.19) найдем R и h>В>:
R=Д>В> (1.18)
h>В>=0,25∙Д>В> (1.19)
где h>В> - высота крышки в соответствии с рис. 1.4. и по табл. 1.3:
По табл. 1.3 принимаем h>В>=250мм. По формуле (1.18): R=500мм.
S>2>=
5∙10-3м
- по формуле (1.17).
Принимаем по нормальному ряду: S>2>=5мм
Таблица 1.3
Размеры эллиптически отбортованных стальных крышек (днищ) для сосудов, аппаратов и котлов (ГОСТ 6533-78) по /7/
|
Д>В> |
h>1> |
h>В> |
S |
A |
V |
m |
|
мм |
м2 |
л |
кг |
|||
|
1000 |
25 |
250 |
5 |
1,21 |
161,7 |
46,2 |
|
6 |
55,5 |
|||||
|
8 |
74,4 |
|||||
|
10 |
93,4 |
|||||
|
12 |
1171 |
|||||
|
14 |
137,2 |
|||||
|
40 |
16 |
157,6 |
||||
|
18 |
178,0 |
|||||
|
20 |
198,7 |
|||||
|
22 |
219,5 |
|||||
|
25 |
251,1 |
|||||
|
28 |
294, |
|||||
|
30 |
319,9 |
|||||
|
32 |
342,6 |
|||||
|
60 |
34 |
1,27 |
177,4 |
365,6 |
||
|
36 |
388,8 |
|||||
|
38 |
412,2 |
|||||
|
40 |
435,0 |
|||||
|
45 |
495,0 |
1.1.3.3Определение толщины стенки конического днища
Для аппарата диаметром 273-3000мм, работающих под давлением, рекомендуется применять конические отбортованные днища с углами при вершине 60 (ГОСТ 12619-78). Для аппаратов, подведомственных Госгортехнадзору, центральный угол при вершине конуса днища должен быть не более 45. Днища могут быть изготовлены с толщиной стенки от 4 до 30мм.
Толщина стенки конического днища (рис. 1.5) определяем вначале по напряжениям изгиба в тороидальном переходе по формуле (1.20):
S>0>=
(1.20)
Где Р>3> – давление на стенки днища, МПа. Из-за незначительности величины гидростатического давления Р>3>=Р>1>=0,8МПа. Y – коэффициент формы днища.
Для конических днищ с α=45, Y=1.9
Коэффициент прочности кольцевого шва принимается равным 1,0 при условии, что расстояние между кольцевым швом и началом дуги не меньше
h>1>=
(1.21)
Если это расстояние h>1> меньше условия 1.21, то для стыкового кольцевого шва свариваемого с одной стороны, =0,8; для стыкового шва с подваркой со стороны вершины =0,95
5∙10-3м
Проверяем условие:
41,8мм
< 50мм, то =0,8
5мм
По таблице 1.4 для 2α=90 определяем S>0:>
Значение S при различных параметрах Д>в>, h>в>, r>в>, h>1>.
Таблица 1.4
|
Д>в>, мм |
h>в>, мм |
r>в>, мм |
h>1>, мм |
S, мм |
A, м2 |
V, м3 |
Масса, кг |
|
1000 |
566 |
160 |
40 |
6 |
1,45 |
0,214 |
69,6 |
|
50 |
8 |
1,49 |
0,222 |
93,3 |
|||
|
10 |
120,1 |
Принимаем S>o>=10мм
Толщина стенки конической части днища определяется по формуле:
(1.22)
Где Д>р> расчетный диаметр конического отбортованного днища:
(1.23)
Где r>в>=0,15∙Д>в>=0,15·1=0,15м
0,86м
0,0063м=6мм
Принимаем по нормальному ряду: S>3>=6мм. Однако во всех случаях толщина днища должна быть не меньше толщины обечайки, поэтому окончательно принимаем по стандартному ряду: S>1>= S>3>=6мм, S>2>=5мм, S>o>=10мм
Длина цилиндрической части отбортованного конического днища:
0,99м
Длина конической части ниже тороидального перехода:
1,18м
1.1.4Расчет элементов корпуса, нагруженных наружным давлением, на устойчивость
В тонких стенках аппаратов, работающих под наружным давлением, с рубашкой возникают напряжения сжатия, т. е. возможно вдавливание стенки внутрь. Под действием критического давления поперечное сечение первоначально круглой формы искажается, становится волнообразным, что приводит к потере устойчивости по /9/.
Принцип расчёта заключается в проверке на устойчивость толщин элементов корпуса, полученных из ранее полученных расчетных данных по /10/. Конструкция рубашки такова, что под действием наружного давления Р>руб> находятся обечайка, днище и крышка.
Эти элементы аппарата и рассчитываем на устойчивость по /11/. Расчетные схемы оболочек, составляющих корпус аппарата, при нагружении его наружным давлением, приведены на рис. 1.6.
Расчетное наружное давление для элементов корпуса P(н) определяем по формуле (1.7).
1.1.4.1Расчет обечайки
Исполнительная толщина цилиндрической обечайки должна удовлетворять условию устойчивости (1.21):
(1.21)
где σ>С >-
напряжение от сжимаемой осевой нагрузки,
которое определяется по формуле (1.22),
МПа; [σ>С>] -
допускаемое напряжение сжатия, которое
определяется по формуле (1.23), МПа;
- расчетное наружное давление на обечайку,
=Р>руб>=0,8МПа
по формуле (1.7); [P]
- допускаемое боковое давление обечайки,
которое определяется по формуле (1.25),
МПа.
σ>С>=
(1.22)
σ>С>=
=12,5МПа
– по формуле (1.22).
Допускаемое напряжение сжатия определяется по формуле:
[σ>C>]=
(1.23)
где K>С> - коэффициент, который рассчитывается по формуле (1.24):
К>С>
(1.24)
где
- параметр, зависящий от
по табл. 1.4:
Значения
для различных Д>В>
Таблица 1.5
|
|
25 |
50 |
75 |
100 |
125 |
150 |
200 |
250 |
500 |
|
|
0,024 |
0,048 |
0,072 |
0,1 |
0,12 |
0,14 |
0,15 |
0,14 |
0,12 |
зависит от
=125,
отсюда
=0,12
по табл. 1.4.
Для стали Х18H10T коэффициент продольной деформации (модуль упругости) при t=160°С: E=197∙103 МПа в соответствии с табл. 1.2.
К>С>
=0,112
- по формуле (1.24).
[σ>C>]=
=88,26МПа
- по формуле (1.23).
Допускаемое боковое давление для цилиндрических обечаек корпусов вертикальных аппаратов, работающих в области упругих деформаций, рассчитаем по формуле (1.25):
[P]=
(1.25)
где l>1> - расчетная длина обечайки (рис1.7), определяемая по формуле (1.27) при соблюдении условий: S>2>-S>1>≤2мм и S>3>-S>1>≤2мм, мм.
При этом должно выполняться условие (1.26):
(1.26)
l>1>=h+h>1>+h>2> (1.27)
где h - высота, определяемая по формуле (1.28), мм; h>1> - высота борта (по табл. 1.3: h>1>=25мм); h>2> - высота, определяема по формуле (1.29), мм.
h=H-100 (1.28)
h>2>=
(1.29)
H>ЭЛ> - высота, которая находится по формуле (1.30), мм:
H>эл>=
=
(1.30)
H>эл>=125мм - по формуле (1.30) и по табл. 1.3.
h>2>=
=41,67мм≈42мм
- по формуле (1.29).
h=2000-100=1900мм - по формуле (1.28).
l>1>=1900+25+42=1967мм - по формуле (1.27).
Проверяем условие (1.26):

1,97>0,20 – условие (1.26) выполняется.
[P]=
=0,066МПа
– по формуле (1. 25).
Проверяем условие устойчивости обечайки по формуле (1.21):

12,26>1 – условие устойчивости (1.21) не выполняется.
Рассчитаем
по формуле (1.31):
(1.31)
где
- расчетная наружная толщина обечайки,
мм.
=12,79мм
- по формуле (1.31).
Принимаем по стандартному ряду
с запасом:
=14мм.
1.1.5Исполнительная толщина стандартной эллиптической крышки, работающей в области упругих деформаций
Исполнительная толщина крышки должна удовлетворять условию устойчивости (1.32):
(1.32)
где
-
расчетная наружная толщина крышки,
которая вычисляется по формуле (1.33), мм:
(1.33)
где К>Э>
- параметр, зависящий от зависящий от
по табл. 1.6; R=Д>в>=1000мм,
- расчетное наружное давление на крышку,
=Р>руб>=0,8МПа
по формуле (1.7).
Значения К>Э> для различных R
Таблица 1.6
|
|
50 |
100 |
150 |
200 |
250 |
300 |
350 |
400 |
|
К>Э> |
0,90 |
0,92 |
0,94 |
0,95 |
0,96 |
0,97 |
0,98 |
0,98 |
К>Э>
зависит от
=333,33≈350,
отсюда К>Э>=0,98
по табл. 1.6.
=8,58мм
- по формуле (1.33).
151,98>140,71 - условие (1.32) выполняется.
Принимаем по стандартному ряду:
=10мм.
1.1.6Исполнительная толщина стандартного конического днища, работающего в области упругих деформаций
Исполнительную толщину конического днища проверяют на устойчивость при действии наружного давления, согласно рис. 1.6 (1.34):
(1.34)
где
- расчетное наружное давление на днище,
=Р>руб>=0,62МПа
по формуле (1.7), [p]
определяется по формуле (1.25), в которой
l>1>
заменяют на
,
Д>в> на
>
,
>
на
(Д>0>
– диаметр отверстия в днище (Д>0>=50мм),
,
К>э>=0,96 (1.35)

Расчетная длина конического
днища

Диаметр конического днища >
>
Допускаемое наружное давление
15,54МПа
Принимаем по нормальному ряду:
=6мм.
0,62<15.54 – условие (1.34) выполняется.
Однако во всех случаях толщина днища
должна быть не меньше толщины обечайки
по /8/, поэтому окончательно принимаем
по стандартному ряду:
=14мм.
=6мм.
1.2Подбор фланцев, прокладок и расчет фланцевых болтов
Фланцы являются деталями массового изготовления. С помощью фланцев осуществляются разъемные соединения аппаратов и трубопроводов. Фланцы, подобранные по ГОСТу или нормали, в расчете не нуждаются, их размеры таковы, что обеспечивается прочность и плотность соединения. Фланцы аппаратов с взрывоопасными, ядовитыми и пожароопасными веществами рассчитываем на давление 1÷1,6МПа по /10/, даже если давление в аппарате меньше.
Подбираем приварные фланцы для крепления крышки к обечайке аппарата по следующим данным: давление в аппарате P=0,8МПа; температура стенок t=160°С; внутренний диаметр аппарата Д>В>=1000мм; толщина стенок обечайки S>1>(H)=14мм, толщина стенок днища S>3>(H)=14мм, а толщина стенок крышки: S>2>(H)=6мм. В аппарате находится не токсичная, не обладающая взыво-, пожароопасностью среда – глицерин.
По ОСТ 26-427-70 подбираем размеры приварных фланцев с уплотнительной поверхностью выступ-впадина, которые имеют утолщенную шейку, придающую фланцам большую жесткость по /13/ в соответствии с рис. 1.8. Этот вид фланцев обычно применяют при более высоких давлениях и температурах. С увеличением температуры механическая прочность стали понижается и допускаемые рабочие давления в аппаратах оказываются ниже условных. Для аппаратов с высокой температурой средой выбираем фланцы, рассчитанные на большее условное давление по /14/. Болты для соединения фланцев применяют при давлении в аппарате до 1,6МПа, т. к. при более высоких давлениях у головки болта возникают местные напряжения, поэтому в таких случаях используют шпильки.
Для фланцев выбираем по ОСТ 26-426-79 материал - Х18Н10Т, для шпилек - сталь 4Х12Н8Г8МФБ, для гаек - Х18Н10Т. Наибольшее расчетное давление Р>р>=1,6МПа в аппарате (типа А) при выбранных материалах и температуре до 200°С при условном давлении P>y>= 1,6МПа, по рис. 1.9. и по /13/. Выбираем размеры фланцев по табл. 1.7 при P>y>=1,6МПа: Д>В>=1000мм; Д>Н>=1145мм; Д>1>=1105мм; Д>3>=1064мм; Дn=1024мм; Дm= 1050мм; b>1>=55мм; h>1>=95мм; d>0>=23мм; количество шпилек М20 - 44.
Таблица 1.7
Размеры в мм приварных встык фланцев с уплотнительной поверхностью выступ-впадина по /13/
|
Д>В> |
Д>Н> |
Д>1> |
Д>3> |
Дn |
Дm |
b>1> |
h>1> |
d>0> |
Болты, шпильки |
Р>у>, МПа |
|
|
диаметр резьбы |
кол-во |
||||||||||
|
1000 |
1145 |
1105 |
1064 |
1020 |
1044 |
50 |
85 |
23 |
М20 |
44 |
1,0 |
|
1024 |
1050 |
55 |
95 |
1,6 |
|||||||
|
1175 |
1125 |
1078 |
1036 |
1066 |
60 |
105 |
27 |
М24 |
52 |
2,5 |
Прокладки обеспечивают герметичность фланцевого соединения. Картон применяют при низких температурах и давлениях для воды и других нейтральных сред; паронит - для горячей воды, пара и многих химических веществ; резину - для кислых сред; металлические прокладки - для высоких давлений.
Выбираем материал прокладки - асбестоалюмминиевую гофрированную по табл. 1.8 и рис. 1.10.
Таблица 1.8
Пределы применения прокладочных материалов по /15/
|
Прокладочный материал |
Наибольшая температура среды, °С |
Наибольшее давление в аппарате, МПа |
|
Картон асбестовый |
500 |
0,6 |
|
Асбестовый шнур прографиченный |
300 |
0,3 |
|
Резина |
65 |
1,0 |
|
Паронит |
490 |
6,4 |
|
Медь |
250 |
5,0 |
|
Алюминий |
150 |
2,5 |
|
Сталь углеродистая (0, 10, 15) |
450 |
Любое |
|
Сталь Х18Н9Т |
600 |
Любое |
|
Асбестоалюмминиевые гофрированные |
500 |
4,0 |
|
Асбестостальные гофрированные |
500 |
4,0 |
По табл. 1.9. выбираем размеры прокладок при P>y>=1,6МПа:
Д>В>=1000мм; Д>1>=1065мм; Д>2>=1037мм; m>п>=0,244кг - масса прокладки, а≈3,6
Таблица 1.9.
Размеры в (мм) прокладки из асбометалических материалов (OCT 26-431-79) по /15/
|
Д>В> |
Д>1> |
Д>2> |
Р>у>, МПа |
Масса, кг |
||
|
сталь |
алюминий |
латунь |
||||
|
1000 |
1065 |
1037 |
1,0 |
0,324 |
0,244 |
0,402 |
|
1,6 |
||||||
|
1079 |
1051 |
2,5 |
0,32 |
0,248 |
0,410 |
Проверяем прочность шпилек М20 (44 штуки) из стали 4Х12Н8Г8МФБ.
Податливость шпильки
Где l>ш> – расчетная длина шпильки
l>ш>=В>1>+В>2>+6=55+60+6=120мм=0,12м
Е>ш>=215∙103Мпа
Площадь поперечного сечения шпильки
А>ш>=πd>1>2/4=3.14*20,52/4=329,90мм2
Податливость прокладки, приходящейся на одну шпильку
Размеры металлических прокладок для аппаратов в зависимости от P>у> и типа уплотнительной поверхности фланцев – для фланцев с поверхностью выступ-впадина по рис. 2.4.
Фланец типа А приваривается к крышке в соответствии с рис. 2.1.
Проверяем прочность шпилек М20 (24шт) из стали 4Х12Н8Г8МФБ. Шпильки к выбранным фланцам проверяем на прочность по допускаемым нагрузкам по условию (2.1):
F≤[F] (2.1)
где F - суммарная сила, действующая на шпильку, которая находится по формуле (2.3), кН; [F] - допускаемая нагрузка для шпилек, которая находится по табл. 2.5, при расчетной температуре t>п>, которая определяется по формуле (2.2), кН:
t>п>=0,95∙t>ж> (2.2)
t>п> - расчетная температура для шпилек, °С; t>ж>=80°С.
t>п>=0,95∙80=76°С - по формуле (2.2).
F=Q[K>СТ>(1-χ) +χ] (2.3)
где Q - сила, действующая на одну шпильку, которая определяется по формуле (2.4), кН; K>СТ> - коэффициент затяжки запаса против раскрытия стыка (по /9/ K>СТ>=1,4); χ - безразмерный коэффициент основной нагрузки, который рассчитывается по формуле (2.6).
(2.4)
Д>СП> - средний диаметр прокладки, который находится по формуле (2.5), мм; P - давление в аппарате (Р=1,25МПа).
(2.5)
Д>СП>=
=550,5мм
- по формуле (2.5) и табл. 2.3.
Q=
=12,4кН
- по формуле (2.4).
χ=
(2.6)
где λ>п>-податливость части прокладки, приходящейся на одну шпильку, МПа, которая находится по формуле (2.7);
λ>ш>-податливость шпильки, МПа, которая рассчитывается по формуле (2.9).
(2.7)
где l>п> - толщина прокладки, мм (l>п>=а=2мм) по рис. 2.3; Е>п> - модуль упругости для прокладки из паронита, который находим по табл. 2.4, МПа; А>п> - площадь поперечного сечения прокладки, приходящаяся на одну шпильку, которая находится по формуле (2.8), мм2.
Таблица 2.4
Модули упругости некоторых материалов по /15/
-
Материалы прокладок и крепёжных деталей
Модуль упругости, Е, МПа
Паронит или спрессованный асбест
3∙103
Сталь 4Х12Н8Г8МФБ
215∙103
Е>п>=3∙103МПа - по табл. 2.4.
>
>
(2.8)
где z - число шпилек (z=24шт).
А>п>=
=900,75мм2
- по формуле (2.8).
λ>п>=
=7,4∙10-4МПа
- по формуле (2.7).
Податливость шпильки рассчитываем по формуле (2.9):
(2.9)
где l>ш> - расчетная длина шпильки, которая определяется по формуле (2.10), мм; Е>ш> - модуль упругости стали для шпильки, который находим по табл. 2.4, МПа; А>ш> - площадь поперечного сечения шпильки, которая находится по формуле (2.12), мм2.
(2.10)
где B>2> - размер, который определяется по формуле (2.11):
(2.11)
B>2>=35+5=40мм - по формуле (2.11).
l>ш>=35+40+6=81мм - по формуле (2.10)
Е>ш>=215∙103МПа - по табл. 2.4.
(2.12)
где d>1> - внутренний диаметр резьбы, мм (по /15/ находим, что d>1>=20мм)
А>ш>=
=314,16мм2
- по формуле (2.12).
λ>ш>=
=1,2∙10-3МПа
- по формуле (2.9).
χ=
=0,38
- формуле (2.6) .
F=12,4[1,4(1-0,38)+0,38]=15,48кН.
[F]=24кН - возьмем по табл. 2.5 с запасом при температуре 200°С для шпильки М20.
15,48≤24 - условие (2.1) выполняется.
Таблица 2.5
Допускаемые нагрузки F (кН) для шпилек в зависимости от температуры при неконтролируемой затяжке по /15/
|
Материал шпильки |
Резьба |
Температура, °С. |
|||
|
20 |
200 |
400 |
500 |
||
|
Сталь 4Х12Н8Г8МФБ |
М20 |
26 |
24 |
22 |
21 |
|
М22 |
38 |
35 |
32 |
30 |
|
|
М24 |
47 |
43 |
39 |
38 |
|
|
М27 |
62 |
57 |
52 |
50 |
|
|
М30 |
73 |
68 |
63 |
60 |
Условие прочности для выбранных шпилек выполняется со значительным запасом.