Технологический процесс механической обработки детали (работа 1)
Федеральное агентство по образованию
Государственное образовательное учреждение высшего профессионального образования
Вятский государственный университет
Кафедра технологии автоматизированного машиностроения
Контрольная работа № 2
По дисциплине
«Технология машиностроения»
Киров 2010
Задание на контрольную работу №2
Разработка технологического процесса механической обработки детали (варианты задания даны в приложении А).
Дать краткое описание конструкции детали, указать материал, его химический состав и механические свойства.
Дать анализ технологичности конструкции детали.
Определить такт выпуска и тип производства.
Разработать технологический процесс механической обработки детали. Обосновать выбор баз на операциях черновой и чистовой обработки. Выбрать оборудование, приспособления, режущие и измерительные инструменты, дать их краткую характеристику.
В соответствии с правилами операционного описания технологического процесса заполнить маршрутную карту, а также операционные карты и карты эскизов для двух наиболее представительных операций (включая первую операцию механической обработки), оформив их на бланках технологической документации. Для остальных операций операционные эскизы привести в пояснительной записке с кратким описанием содержания операции (по правилам маршрутно-операционного описания техпроцесса).
Для операций, оформляемых на бланках операционных карт, назначить режимы резания по нормативам, указать приспособления, режущий, вспомогательный и контрольный инструменты. Определить штучное время. Определить загрузку оборудования.
Таблица 1
|
№ варианта |
Наименование детали |
Годовая программа выполнения (шт.) |
№ варианта |
Наименование детали |
Годовая программа выполнения (шт.) |
|
1 |
Кронштейн |
250 000 |
6 |
Стойка |
200 000 |
|
2 |
Крышка |
250 000 |
7 |
Сухарь |
250 000 |
|
3 |
Основание |
300 000 |
8 |
Угольник |
300 000 |
|
4 |
Плунжер |
200 000 |
9 |
Шестерня |
200 000 |
|
5 |
Полумуфта |
150 000 |
0 |
Шкив |
150 000 |

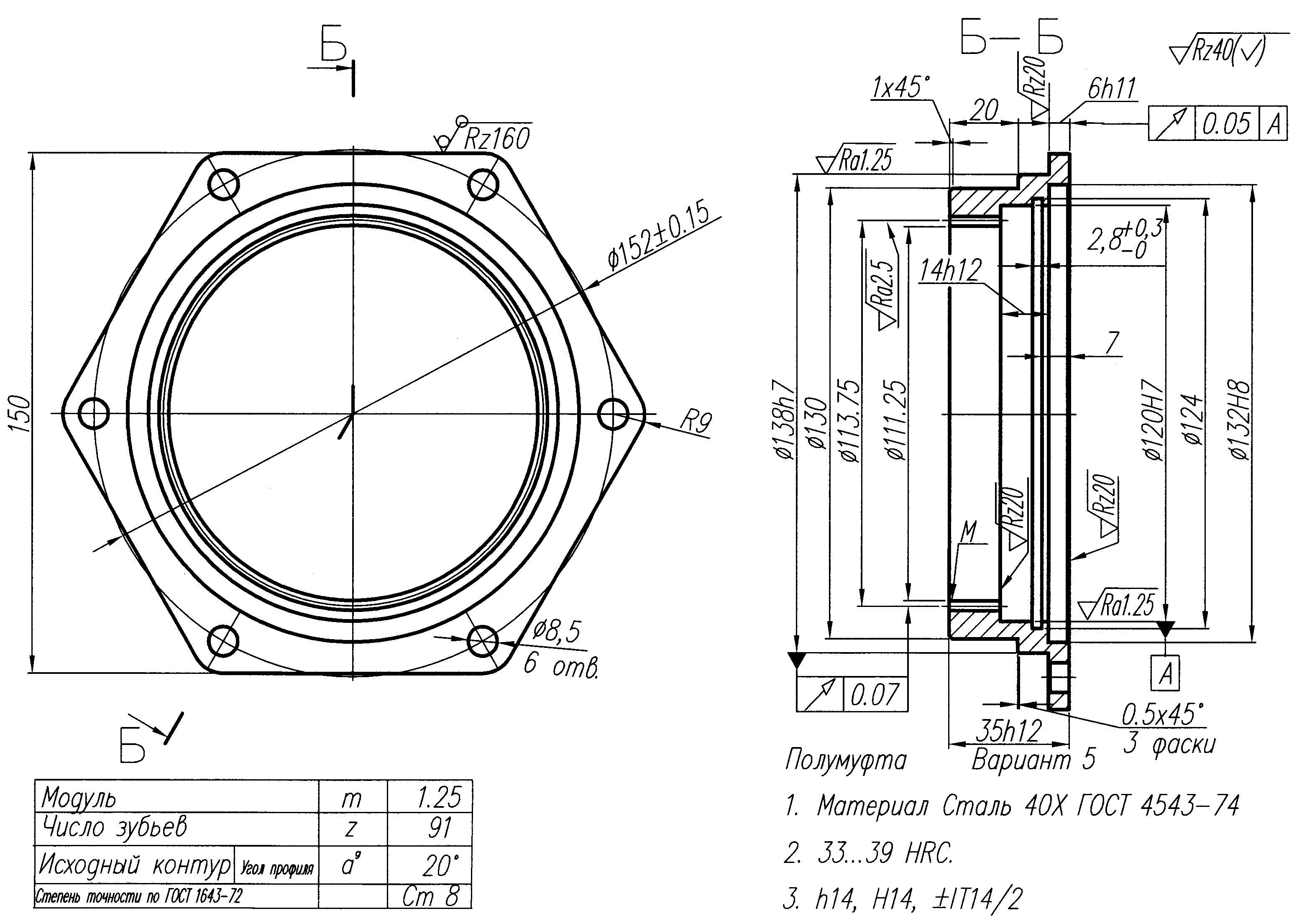
Рисунок 1 – Эскиз детали
Исходные данные
Деталь «Полумуфта» представлена на рисунке 1. Согласно заданию, она должна быть изготовлена из материала Сталь40Х с упрочняющей термообработкой.
Таблица 1.1
Химический состав материала Сталь40Х в %
|
Si |
Mn |
Cu |
N |
S |
C |
P |
Cr |
|
0.17…0.37 |
0.5…0.8 |
0…0.3 |
0…0.008 |
0…0.035 |
0.36…0.44 |
0…0.035 |
0.8…1.1 |
Таблица 1.2
Физикомеханические свойства материала Сталь40Х
|
|
|
|
|
|
|
|
7850 |
200 |
10 |
45 |
980 |
785 |
Таблица 1.3
Зависимость типа производства от объема выпуска (шт.) и массы детали
|
Масса детали, кг |
Тип производства |
||||
|
единичное |
мелкосерийное |
среднесерийное |
крупносерийное |
массовое |
|
|
< 1 |
< 20 |
20-2000 |
2000-20000 |
20000-100000 |
св. 100000 |
|
1,0-4,0 |
< 15 |
15-1000 |
1000-10000 |
10000-75000 |
св. 75000 |
|
4,0-10 |
< 10 |
10-500 |
500-5000 |
5000-50000 |
св. 50000 |
|
10-20 |
< 7 |
7-250 |
250-2500 |
2500-25000 |
св. 25000 |
|
> 20 |
< 5 |
5-120 |
120-1200 |
1200-15000 |
св. 15000 |
Годовая программа выполнения – 150000 штук. Масса детали, по данным приложения Компас 3D, G ≈ 0,925кг. Таким образом, согласно данным таблицы 1.3, производство является массовым.
Исходя из названия детали, и принимая во внимание ее конструктивную форму, можно предположить, что плоскость с чистотой обработки Ra1.25 (поверхность К рис.2) является конструкторской базой для детали механизма, находящейся внутри корпуса, стенка которого цилиндрической формы центруется отверстием 120Н7 и крепится стопорным кольцом. Канавка шириной 2,8+0,3 служит для фиксации стопорного кольца.
Исходя из вышеизложенных предположений, в процессе обработки детали кроме выполнения допусков размеров и посадок необходимо обеспечить перпендикулярность плоскости А и поверхности К; симметричность расположения отверстий 8,5 относительно оси вращения детали в пределах допуска на размер их межцентрового расстояния.
Что касается материала, то лучшим вариантом является 40Х, который является достаточно прочным и износостойким для зубчатого зацепления с небольшим модулем, кроме того этот материал подвержен термообработке и достаточно легко обрабатывается резанием.

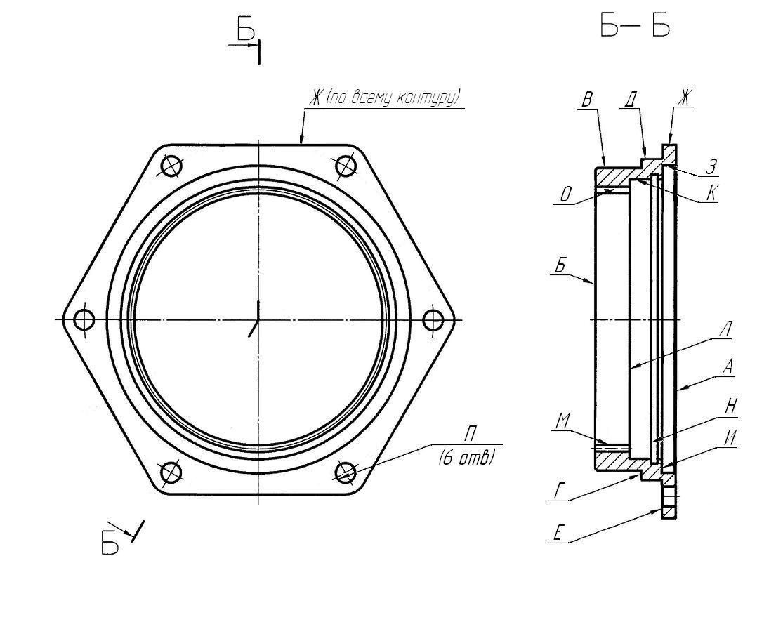
Рисунок 2 – Расположение поверхностей
2. Анализ технологичности конструкции детали
Качественный анализ технологичности
Достоинства:
деталь является телом вращения и не имеет труднодоступных мест и поверхностей для обработки;
центральное отверстие имеет простую цилиндрическую форму;
отверстия П (рис.2) имеют достаточное межцентровое расстояние для обработки их с помощью многошпиндельной насадки комбинированным инструментом;
деталь позволяет вести обработку нескольких поверхностей за один установ (на многорезцовых станках);
конструкция детали обеспечивает свободный подвод и отвод инструмента и СОЖ в зону резания, и отвод стружки;
деталь имеет надежные установочные базы, т.е. соблюдается принцип постоянства и совмещения баз;
конструкция детали достаточно жесткая;
Недостатки:
центральные отверстия имеют высокий квалитет точности, что потребует двухинструментальной последовательной обработки (черновой и чистовой резец), кроме того, они не сквозные, что усложняет обработку;
канавка 2,8+0,3 требует обработки специальным резцом;
Вывод: Данная конструкция детали является технологичной, т.к. удовлетворяет большинству технологических требований.
Количественный анализ технологичности
Таблица 2.1
Точность и шероховатость поверхностей детали
|
Поверхность |
Квалитет точности |
Ra |
Количество идентичных поверхностей |
|
|
По точности |
По шероховатости |
|||
|
А Б В Г Д Е Ж З И К Л М Н О П(6) |
12 12 14 14 7 11 14 8 11 7 12 9 14 8 14 |
5 10 10 10 1,25 5 40 10 10 1,25 5 10 10 2,5 10 |
3 3 10 10 2 2 10 2 2 2 3 1 10 2 10 |
3 13 13 13 2 3 1 13 13 2 3 13 13 1 13 |
Коэффициент точности рассчитывается по формуле:
,(1)
где
– средняя точность;
– точность
той
поверхности;
– количество поверхностей с
идентичной точностью.
Тогда по формуле (1):

Коэффициент шероховатости рассчитывается по формуле:
,(2)
где
– средняя шероховатость;
– шероховатость
той
поверхности;
– количество поверхностей с
идентичной шероховатостью.
Тогда по формуле (2):

Вывод: По двум количественным показателям технологичности (при сравнении полученных коэффициентов с единицей) деталь можно считать технологичной.
3. Определение такта выпуска и типа производства
При отсутствии данных о производстве
(как в данном случае) для определения
коэффициента закрепления
тип
производства определяется приблизительно
по таблице согласно [1].
При массе детали по данным приложения Компас 3D, G ≈ 0,925 кг и годовой программе выпуска 150000 штук тип производства – массовый.
Такт выпуска для массового
производства рассчитывается как время
между выпуском двух следующих друг за
другом деталей. Такт выпуска
(мин) определяется по формуле:
,(3)
где
– действительный годовой фонд времени
работы оборудования,
;
– годовая программа выпуска
деталей, штук.
Действительный годовой фонд
времени работы оборудования при
пятидневной рабочей неделе и двухсменной
работе принимается равным

Тогда по формуле 3 получается:

4. Разработка техпроцесса механической обработки
4.1 Разработка маршрута обработки и выбор баз на переходах всех операций
Как указано в первой части контрольной работы, обработка наружных цилиндрических поверхностей, а также плоскостей будет производиться на операции токарная с ЧПУ на станке токарно-винторезном с ЧПУ 16К20Ф3.
Комплектом черновых баз являются поверхности штампованной заготовки соответствующие плоской поверхности детали А и наружной шестигранной поверхности Ж (в данном подразделе номера поверхностей приведены согласно рисунка 2), поскольку поверхность А имеет наибольший размер и при штамповке в закрытом штампе направление конусности, обеспечивающее надежное закрепление.
На первом переходе будут обработаны наружные цилиндрические поверхности В и Д, фаски, торцевые поверхности Б, Г и Е, внутренняя цилиндрическая поверхность М – как настроечная база последующего зубодолбления.
Комплектом баз на следующем переходе операции токарная с ЧПУ являются наружная цилиндрическая поверхность В и торцовая поверхность Б.
На данном переходе будут обработаны торцевая поверхность А, внутренние цилиндрические и торцевые поверхности З, К и И, Л соответственно, а также канавка Н.
Сверление отверстий производится на вертикально-сверлильном станке 2Н125 с использованием шестишпиндельной насадки через направляющие кондукторные втулки.
Нарезание внутреннего зубчатого венца (поверхность О) будет производиться на операции зубодолбление на зубодолбежном полуавтомате модели 5В12.
На данной операции комплектом баз будут являться внутренняя цилиндрическая поверхность З и торцевая поверхность А. Настроечной базой служит поверхность М.
4.2 Разработка технологического процесса обработки детали
Чистовые (черновые) базы
При выборе чистовых баз следует иметь в виду, что наибольшая точность обработки достигается при условии использования на всех операциях механической обработки одних и тех же базовых поверхностей. Используем несколько комплектов чистовых баз для обработки детали (Рисунок 3).

Рисунок 3 – Комплекты баз: 1-й и 2-й для токарной обработки, 3-й сверловки отверстий и 4-й для долбежки зубчатого венца
Последовательность производимых операций:
005 – 100 Заготовительная
105 Химико-термическая
На данной операции осуществляется закалка заготовки до необходимой твердости.
110 – токарная с ЧПУ
На этой операции производится черновая и чистовая обработка детали с использованием 1-го комплекта баз.
Точить поверхности В, Д и М с подрезкой торцов Б, Г и Е предварительно и окончательно, снять фаски.
Приспособления: трехкулачковый патрон, комплект кулачков с проточкой.
Р.И.- Резец проходной (2), резец упорный (2), резец расточной (2) (материал резцов Т5К10 - черновая и Т15К6(Т30К4) – чистовая).
В.И.- Резцедержатель.
Станок токарно-винторезный с ЧПУ 16К20Ф3.
120 – токарная с ЧПУ
На этой операции производится черновая и чистовая обработка детали с использованием 2-го комплекта баз.
Точить поверхности З и К с подрезкой торцов А, И и Л и проточить канавку Н предварительно и окончательно, снять фаски.
Приспособления: трехкулачковый патрон, комплект кулачков.
Р.И.- Резец проходной (2), резец расточной упорный (2), резец расточной канавочный (материал резцов Т5К10 - черновая и Т15К6(Т30К4) – чистовая).
В.И.- Резцедержатель.
Станок токарно-винторезный с ЧПУ 16К20Ф3.
130 – Вертикально-сверлильная
На этой операции производится сверление 6-и отверстий Ø8,5 с использованием специальной шестишпиндельной насадки.
Приспособления: трехкулачковый патрон, комплект кулачков, упор.
Р.И. – сверло Ø8,5 (6 штук) (Р18,Р9)
В.И. - шестишпиндельная насадка
Станок вертикально-сверлильный 2Н125
140 – Зубодолбежная
На этой операции производится нарезание внутреннего зубчатого венца (поверхность О).
Приспособления: трехкулачковый патрон, комплект кулачков.
Р.И. – долбяк модуль 1,25 (Р18)
Станок зубодолбежный полуавтомат модели 5В12
150 – моечная
Мойка детали производится в моечной машине.
160 – контрольная.
Контроль производится на столе контрольном. Объем контролируемых размеров зависит от важности использования этих размеров и от метода их получения. Выбранные объёмы контроля размеров и средства его обеспечения приведены в карте контроля комплекта документов.
4.3 Характеристика приспособлений, режущих и измерительных инструментов
Токарная обработка в обеих позициях и последующие операции производятся в трехкулачковом самоцентирующемся патроне с гидравлическим зажимом. Для первого перехода операции токарная с ЧПУ применяются специально проточенные кулачки с углом внутреннего конуса 5 для зажима за штампованную коническую поверхность.
Режущий инструмент, применяемый на всех операциях токарной обработки за исключением специального резца для обработки канавки шириной 2,8+0,3, является стандартным, оснащенным сменными напайками из твердого сплава. На черновых переходах применяются пластинки Т5К10, поскольку при точности поковки по классу Т2 резание будет непрерывным с относительно равномерным сечением среза. Из этого же материала будут пластинки для прорезки канавки. На чистовых переходах применяются пластинки Т15К6 либо Т30К4.
При обработке шести отверстия диаметром 8,5 мм будет применяться материал режущего инструмента – Р18. Он позволит вести обработку с более высокими скоростями резания по сравнению с дешевым сплавом Р6М5.
Сверление будет осуществляться с использованием шестишпиндельной насадки через направляющие кондукторные втулки, что позволяет вести сверление без специального перехода предварительного центрования.
Нарезание внутреннего зубчатого венца (поверхность О) будет производиться на зубодолбежном полуавтомате модели 5В12 стандартным долбяком из материала Р18.
Измерительные инструменты в массовом производстве это исключительно калибры для измерения наружных размеров и пробки для измерения внутренних цилиндрических поверхностей. Кроме того, специальные калибры применяются для контроля размеров фасок и глубины расположения поверхностей.
5. Разработка технологической документации
Согласно последовательности операций и переходов, приведенной в разделе 4 составляется маршрутная карта механической обработки детали «Полумуфта».
Операционные карты и карты эскизов будут составлены для операций 110 и 120 токарная с ЧПУ.
Для операции 130 вертикально-сверлильная операционный эскиз представлен на рисунке 4.

Рисунок 4 – Операционный эскиз к операции вертикально-сверлильная
Краткое описание операции вертикально-сверлильная по правилам маршрутно-операционного описания (сокращенная запись перехода):
Содержание перехода — Сверлить 6 отверстий Ø8,5 одновременно (совместно).
Технологическая оснастка — ПР – патрон трехкулачковый (1); комплект кулачков (1); шестишпиндельная насадка (1); упор (1); ВИ – втулка переходная (6); РИ – сверло Ø8,5 с коническим хвостовиком ГОСТ 1336-77 Р18; СИ – калибр пробка Ø8,5Н14; штангенциркуль ШЦ250-0,02.
Для операции 140 зубодолбежная операционный эскиз представлен на рисунке 5.

Рисунок 5 – Операционный эскиз к операции зубодолбежная
Краткое описание операции зубодолбежная по правилам маршрутно-операционного описания:
Содержание перехода — Долбить зубчатый венец.
Технологическая оснастка — ПР – патрон трехкулачковый (1); комплект кулачков (1); РИ – долбяк модуль m=1,25 Р18; СИ – зубомер; шаблон.
6. Назначение режимов резания, определение штучного времени и загрузки оборудования
Припуски на обработку поверхностей назначаются по ГОСТ 7505-89. Исходный индекс – 9. На основании принятых припусков определяются исходные размеры заготовки:








Допуски на размеры согласно ГОСТ 7505-89:
;
;
;
;
;
;
;

(из контрольной работы №1 для справки)
6.1 Назначение режимов резания
1. Режимы резания для операции 110 токарная с ЧПУ
Исходные данные:
материал детали Сталь 40Х ГОСТ 4543-74;
поверхность – см. операционный эскиз;
твердость 33…39 НRС;
квалитет точности h7÷H24;
размер обрабатываемой поверхности Ø110 ÷ Ø138;
резец проходной упорный Т5К10 (T30K4), =90, =10;резец расточной Т5К10 (T30K4), =60, =10;
резец подрезной Т5К10 (T30K4), =45, =10
станок токарно-винторезный с ЧПУ 16К20Ф3, Р>эл.дв.>= 10 кВт.
СОЖ – эмульсия.
Подрезать торец Б.
Так как на данном переходе производится черновая обработка, то слой металла будет сниматься за один ход режущего инструмента.
Глубина резания будет определяться как t = 1,0 мм
При определении подачи нужно учитывать то, что производится черновая обработка, то есть глубина резания большая. Также при черновой обработке не требуется большой класс шероховатости, поэтому выбранному типу резца соответствует подача S>таб>= 0,3 мм/об.
Произведем расчёт скорости резания
,
где K>v>– произведение ряда коэффициентов
,
K>1>– коэффициент, зависящий от обрабатываемого материала.
K>1>=0,7.
K>2>– коэффициент, зависящий от периода стойкости и марки материала резца.
Для материала Т5К10 и периода стойкости 60 мин. К>2>=0,95.
Для материала Т15К6 и периода стойкости 60 мин. К>2>=1,5
K>3>– коэффициент, зависящий от вида обработки:
К>3>=1,05 – поперечное точение; К>3>=1 - растачивание.
Скорость резания определяется
исходя из глубины резания, подачи и
главного угла в плане резца.
=110
÷ 140 м/мин. [1]
В данной задаче
=120
м/мин.
Следовательно

Рассчитаем частоту вращения
,
При d=132,5 мм.

Округляем до ближайшей стандартной частоты вращения станка:

Тогда фактическая скорость вращения:


Аналогично рассчитываем режимы резания для остальных поверхностей.
Полученные и рассчитанные результаты заносятся в таблицу 6.1.
Таблица 6.1
Расчет режимов резания операция 110.
|
Операция 110: |
|
|
|
|
|
|
|
|
Токарная с ЧПУ: |
Поверхность Б (черновая) |
45 |
1,0 |
0,3 |
60 |
84 |
200 |
|
Поверхность Б (чистовая) |
45 |
0,3 |
0,2 |
60 |
154 |
360 |
|
|
Поверхность В,(Г) (окончательная) |
90 |
1,2 |
0,2 |
60 |
84 |
200 |
|
|
Поверхность Д ,(Е) (черновая) |
90 |
1,2 |
0,3 |
60 |
90 |
200 |
|
|
Поверхность Д ,(Е) (чистовая) |
90 |
0,2 |
0,2 |
60 |
163 |
360 |
|
|
Поверхность М (черновая) |
60 |
1,0 |
0,3 |
60 |
86,35 |
250 |
|
|
Поверхность М (чистовая) |
60 |
0,2 |
0,2 |
60 |
150 |
450 |
2. Режимы резания для операции 120 токарная с ЧПУ
Расчет режимов резания для данной операции производится аналогично предыдущей операции. Результаты вычислений заносятся в таблицу (6.2).
Таблица 6.2
Расчет режимов резания операция 120.
|
Операция 120: |
|
|
|
|
|
|
|
|
Токарная с ЧПУ: |
Поверхность А (черновая) |
45 |
1,0 |
0,3 |
60 |
84 |
180 |
|
Поверхность А (чистовая) |
45 |
0,3 |
0,2 |
60 |
147 |
315 |
|
|
Поверхность З,(И) (черновая) |
90 |
1,2 |
0,3 |
60 |
84 |
200 |
|
|
Поверхность З,(И) (чистовая) |
90 |
0,2 |
0,2 |
60 |
154 |
360 |
|
|
Поверхность К,(Л) (черновая) |
90 |
1,2 |
0,3 |
60 |
83 |
200 |
|
|
Поверхность К ,(Л) (чистовая) |
90 |
0,2 |
0,2 |
60 |
145 |
360 |
|
|
Поверхность Н |
90 |
2,8 |
0,3 |
60 |
76 |
200 |
6.2 Определение штучного времени
Операция 110:
Основное время для токарной операции определяется по формуле:
,(6)
где
– длина рабочего хода, мм;
– длина обрабатываемой поверхности,
мм;
и
–
расстояние на врезание и перебег
соответственно, мм.
Таблица 6.3
Основное время на переходах операции 110 токарная с ЧПУ.
|
№ п/п |
Вид обработки |
поверхности |
|
n, об/мин |
|
|
|
|
1 2 3 4 5 6 7 8 |
черновая чистовая чистовая черновая получистовая чистовая черновая чистовая |
ББ В (Г) Д (Е) Д (Е) Д (Е) М М |
17 17 22 11 11 11 20 20 |
200 360 200 200 360 360 250 450 |
0,3 0,2 0,2 0,3 0,2 0,1 0,3 0,2 |
0,283 0,236 0,55 0,275 0,153 0,306 0,267 0,22 |
2,29 |
Основное время на операции «110»
токарная с ЧПУ составляет
.
Для обработки всех переходов на операции токарная с ЧПУ при работе на станке 16К20Ф3 справедлива формула штучного времени:
,(7)
где
– время на приемы управления, мин;
– время на техническое обслуживание
рабочего места, мин;
– время на организационное
обслуживание рабочего места, мин;
– время перерывов на отдых, мин.
Согласно [2], определяются компоненты:
Время на включение станка кнопкой
,
время на перемещение кареток суппортов
в продольном направлении равно
,
время на смену инструмента (резца) равно
0,04 мин (инструмент меняется 6 раз) тогда:

Тогда вспомогательное время составит

Оперативное время:
(8)
Время на техническое обслуживание рабочего времени определяется по формуле:
,
(9)
где
– время на смену инструмента и подналадку
станка,
;
– стойкость резца.
Время на организационное
обслуживание составляет
оперативного времени и равно 0,039
Время перерывов на отдых составляет
от основного времени (0,137).
Тогда штучное время на данной операции по формуле 7 с учетом 8 и 9 составляет:

Операция 120:
Основное время для токарной операции определяется по формуле:
,
где
– длина рабочего хода, мм;
– длина обрабатываемой поверхности,
мм;
и
–
расстояние на врезание и перебег
соответственно, мм.
Таблица 6.4
Основное время на переходах операции 120 токарная с ЧПУ
|
№ п/п |
Вид обработки |
поверхности |
|
n, об/мин |
|
|
|
|
1 2 3 4 5 6 7 8 9 |
черновая чистовая черновая получистовая чистовая черновая получистовая чистовая чистовая |
АА З (И) З (И) З (И) К (Л) К (Л) К (Л) Н |
26 26 8 8 8 16 16 16 5 |
180 315 200 360 360 200 360 360 200 |
0,3 0,2 0,3 0,2 0,1 0,3 0,2 0,1 0,3 |
0,48 0,41 0,13 0,11 0,22 0,27 0,22 0,45 0,09 |
2,38 |
Основное время на операции «120»
токарная с ЧПУ составляет
.
Для обработки всех переходов на операции токарная с ЧПУ при работе на станке 16К20Ф3 справедлива формула штучного времени:
,
Согласно [2], определяются компоненты:
Время на включение станка кнопкой
,
время на перемещение кареток суппортов
в продольном направлении равно
,
время на смену инструмента (резца) равно
0,04 мин (инструмент меняется 5 раз) тогда:

Тогда вспомогательное время
составит

Оперативное время:

Время на техническое обслуживание рабочего времени определяется по формуле:
,
где
– время на смену инструмента и подналадку
станка,
;
– стойкость резца.

Время на организационное
обслуживание составляет
оперативного времени и равно 0,04
Время перерывов на отдых составляет
от основного времени (0,143).
Тогда штучное время на данной операции по формуле 7 с учетом 8 и 9 составляет:

6.3 Определение загрузки оборудования
Загрузка станков
(токарного станка 16К20Ф3) будет определена
по формуле:
(10)
Тогда по формуле 10 загрузка токарного станка 16К20Ф3 (операция 110):

Операция 120 составит:

Отсюда следует вывод, что для производства данного количества деталей и равномерной загрузки оборудования необходимо использовать пять станков, причем один станок будет задействован на обеих операциях.
Библиографический список
Ю.И. Кувалдин, В.Д. Перевощиков, А.Ю. Вылегжанин. / Технология машиностроения: Методические указания для выполнения контрольных работ. – Киров: Изд-во ВятГУ, 2004. — 64 с.
Горбацевич А.Ф., Шкред В.А. /Курсовое проектирование по технологии машиностроения: Учебное пособие для машиностроительных специальностей вузов. — 4-е изд., перераб. и доп. — Мн.: Высш. Школа, 1983. — 256 с., ил.
Справочник технолога-машиностроителя. В 2-х т. Т. 1 /Под ред. А.Г. Косиловой и Р.К. Мещерякова. 4-е изд., перераб. и доп. – М.: Машиностроение, 1985. 656 с., ил.
Справочник технолога-машиностроителя. В 2-х т. Т. 2 /Под ред. А.Г. Косиловой и Р.К. Мещерякова. 4-е изд., перераб. и доп. – М.: Машиностроение, 1986. 496 с., ил.






и
др.
,
мм
мм/об
,
мин
,м/мин
,об/мин
,
мм
,
мм/об
,
мин
,
мин