Оборудование для переработки и комплексного использования сырья
ФЕДЕРАЛЬНОЕ АГЕНСТВО ПО ОБРАЗОВАНИЮ
Государственное образовательное учреждение
Высшего профессионального образования
«КУЗБАССКИЙ ГОСУДАРСТВЕННЫЙ ТЕХНИЧЕСКИЙ УНИВЕРСИТЕТ»
КОНТРОЛЬНАЯ РАБОТА
ПЕРЕРАБОТКА И КОМПЛЕКСНОЕ ИСПОЛЬЗОВАНИЕ СЫРЬЯ
Задание 1. Начертите схему, поясняющую принцип действия следующих машин. Барабанная мельница. Гидроциклон
БАРАБАННАЯ МЕЛЬНИЦА
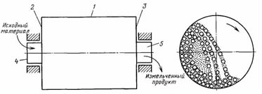
Барабанная мельница (рис. 1) представляет собой пустотелый барабан 1, закрытый торцовыми крышками 2 и 3, в центре которых имеются полые цапфы 4 и 5. Цапфы опираются на подшипники, и барабан вращается вокруг горизонтальной оси. Барабан мельницы заполняется примерно на половину объема дробящей средой (дробящими телами). При его вращении дробящие тела благодаря трению увлекаются его внутренней поверхностью, поднимаются на некоторую высоту и свободно или перекатываясь падают вниз. Через одну полую цапфу внутрь барабана непрерывно подается измельчаемый материал, который проходит вдоль него и, подвергаясь воздействию дробящих тел, измельчается ударом, истиранием и раздавливанием. Измельченный продукт непрерывно разгружается через другую полую цапфу. При вращении барабана материал движется вдоль его оси вследствие перепада уровней загрузки и разгрузки и напора непрерывной подачи материала; если измельчение мокрое, то материал увлекается сливным потоком воды, а если сухое — воздушным потоком, возникающим при отсасывании воздуха из барабана.

Рис.1 Схема устройства и принцип действия барабанной (шаровой) мельницы
В зависимости от формы барабана различают цилиндро-конические и цилиндрические барабанные мельницы. Последние, в свою очередь, бывают трех типов — короткие, длинные и трубные. У коротких барабанных мельниц длина меньше диаметра или близка к нему; у длинных — она достигает 2 - 3 диаметров, а у трубных — длина барабана больше диаметра не менее чем в 3 раза. Трубные мельницы применяются в цементной промышленности.
В зависимости от вида дробящей среды различают мельницы шаровые, стержневые, галечные и самоизмельчения. У шаровых барабанных мельниц дробящая среда представлена стальными или чугунными шарами; у стержневых — стальными стержнями, у галечных окатанной кремневой галькой, у мельниц самоизмельчения крупными кусками измельчаемой руды. В зависимости от способа разгрузки измельченного продукта различают мельницы с центральной разгрузкой и разгрузкой через решетку. В шаровой барабанной мельнице стальной барабан, футерованный стальными износостойкими плитами и заполнен обрезками круглого сортового проката или стальными шарами.
Мельница «Аэрофол» для сухого самоизмельчения (рис. 2) представляет собой короткий барабан 1 большого диаметра (5,5 - 11 м). На внутренней поверхности вдоль образующей барабана на некотором расстоянии друг от друга укрепляются балки-ребра 2, которые при вращении барабана поднимают куски материала. Падая вниз, куски разбиваются, ударяясь о ребра, одновременно они дробят ударом находящийся внизу материал. На торцовых крышках 3 барабана укреплены кольца 4 треугольного сечения. Назначение этих колец — направлять куски материала в середину барабана.

Рис.2 Барабанная мельница «Аэрофол» для сухого самоизмельчения
Гидроциклон
Аппарат для разделения в водной среде зёрен минералов, отличающихся значением массы. Различают гидроциклоны классификаторы, сепараторы и сгустители. Классификаторы применяются для разделения зёрен по крупности, сгустители — для отделения части воды от зёрен и сепараторы — для обогащения полезных ископаемых в минеральных суспензиях. Гидроциклон представляет собой конус 1 (рис., а) с короткой цилиндрической частью 2, имеющей питающий патрубок 3, по которому подаётся гидросмесь, и сливное отверстие 4. У конической части предусмотрена насадка 5, через которую разгружается нижний продукт разделения. Питающий патрубок расположен таким образом, что пульпа вводится в гидроциклон по касательной и вращается в нём с образованием внешних и внутренних потоков (рис., б). Твёрдые частицы подвергаются воздействию центробежной силы и отбрасываются к периферии. Чем больше масса зерна, тем дальше оно будет отброшено. Зёрна, имеющие большую массу, чем граничные зёрна, по которым производится разделение, остаются во внешнем потоке и, перемещаясь к вершине конуса, разгружаются через насадку. Зёрна с меньшей массой попадают во внутренний поток и выносятся через сливное отверстие.
Ввиду простоты конструкции гидроциклоны находят всё большее применение в промышленности. Их совершенствование выражается также в применении сочетания нескольких гидроциклонов, с получением различных продуктов и в автоматическом регулировании процесса разделения зёрен. Впервые гидроциклон применен в 1939 на углеобогатительной фабрике в Голландии. Серийное производство гидроциклонов в СССР начато в 1956.

Гидроциклон: а — общий вид; б — схема потоков
В процессе производства, часто возникает проблема отделения более крупных частей от более мелких. Чтобы улучшить качество концентрата используют гидроциклоны, которые при помощи воды производят разделение зёрен минералов. Вся прелесть гидроциклона в том, что имея максимально простую конструкцию, он показывает невероятно высокую эффективность и долгие годы бесперебойной работы.
По своей сути гидроциклон — это сепаратор, которые использует центробежную силу, чтобы отделить наиболее мелкие части измельченных шламов (руд) для улучшения качества концентрата продукта. Этот процесс называется дешламация, он основан на движении частиц различной крупности под действием центробежной силы или под действием силы тяжести. Главным принципом является разница скоростей движения частиц, отличающихся массовым значением. В процессе сепарации не происходит химического изменения состава вещества. Даже после тщательной сепарации, абсолютно чистые вещества не получить.
Гидроциклоны просты в эксплуатации, они имеют огромный ряд преимуществ, таких как:
отсутствие вращающихся механизмов, предназначенных для генерирования, процесс движения осуществляется за счет тангенциального ввода сточной воды;
используемая суспензия обрабатывается с высокой удельной производительностью;
возможность создать компактные автоматизированные установки;
сравнительно не затратная установка и эксплуатация.
Компактность, сочетающаяся с высокой продуктивностью;
Быстрота разделения суспензий;
Большой интервал рабочих температур и давлении
Возможность компоновки в батарейные аппараты на любую заданную производительность;
Отсутствие крутящихся запчастей, что делает ненужным применение приводных устройств;
Возможность включения гидроциклонов в автоматические технологические линии.
После успешного опыта в Голландии ,его стали использовать по всей Европе, что значительно увеличило скорость выполнения работ и улучшило условия труда рабочих, которым раньше самостоятельно приходилось просеивать измельченные руды. Полиуретановая, либо металло-полиуретановая конструкции обеспечивает максимально долгий срок эксплуатации. С помощью гидроциклонов возможно производить обезвоживание продуктов обогащения руд, а также обогащать мелко- и среднезернистые руды в тяжелых условиях.
Легкий монтаж, удобная конструкция и высокая эффективность делают гидроциклон просто незаменимым помощником в производстве.
Задание 5. Опишите принцип действия ,начертите схему устройства и область применения одной из следующих машин для обогащения полезных ископаемых: Колесный сепоратор с вертикальным элекаторным колесом СКВ.
КОЛЕСНЫЙ СЕПАРАТОР С ВЕРТИКАЛЬНЫМ ЭЛЕКАТОРНЫМ КОЛЕСОМ СКВ
Важным условием эффективного обогащения в тяжелой суспензии является ее устойчивость, обеспечивающая постоянство концентрации утяжелителя в различных по высоте слоях. Для стабилизации суспензии используют механическое перемешивание, создают циркулирующие восходящие и горизонтальные потоки в ванне сепаратора.
Обогащение материала крупностью от 3 до 100 мм (при обогащении руд) или до 300 мм (при обогащении углей) производят в сепараторах, принцип действия которых основан на использовании гравитационных сил. Из большого числа их конструкций наиболее часто при обогащении руд применяют конусные и барабанные сепараторы, при обогащении каменных углей и сланцев — сепараторы колесного типа.
В сепораторах типа СКВ (рис. 2) с вертикальным элеваторным колесом (производительностью 160—380 т/ч) исходный материал 11 в ванну сепаратора поступает по желобу 8, а тяжелая суспензия — через нижний патрубок и распределительное устройство 7. Легкая фракция 12 разгружается гребковым механизмом 4 в желоб 6. Тяжелая фракция 13оседает в ковшах 10 элеваторного колеса 2 и удаляется из сепаратора при его вращении (2—3 мин-1) приводом 3. Внутренней частью своего кольца колесо 2 опирается на опорные катки 5, закрепленные на корпусе 1. Решетки 9, шарнирно соединенные с ковшами, позволяют зернам тяжелой фракции загружаться в эти ковши с внутренней стороны элеваторного колеса, а выгружаться — с наружной.

Рис. 2
Задание 2. Определить эффективность грохочения при условиях указанных в табл.1.
Е=
Задание 3 По данным ситового анализа составить таблицу и построить характеристику крупности по <<плюсу>> и по <<минусу>> (табл.2.)
|
класс |
|
|
Суммарные фракции Всплывшие Утонувшие |
|
|
+100 |
41,9 |
8,3 |
8,3 |
100 |
|
-100 +50 |
56,2 |
11 |
19,3 |
91,7 |
|
-50 +25 |
102,4 |
20,2 |
39,5 |
80,7 |
|
-25 +13 |
36,0 |
7,1 |
46,6 |
60,5 |
|
-13 +6 |
50,0 |
9,8 |
56,4 |
53,4 |
|
-6 +3 |
25,0 |
5 |
61,4 |
43,6 |
|
-3 +1 |
105,0 |
20,6 |
82 |
38,6 |
|
-1 +0 |
91,0 |
18 |
100 |
18 |
|
итого |
507,5 |
100 |
РЕШЕНИЕ
Найдем процентное содержание выхода.
Х+100 =
× 100% = 8,1%
Х-100+50 =
×100% = 10,9%
Заполняем графу 4 последовательным суммированием сверху в низ.
8,3+11=19,3
19,3+20,2=39,5
3. Заполняем графу 5 с последовательным суммированием снизу в верх.
18+20,6=38,6
38,6+5=43,6
Задание 4. По данным фракционного анализа заполнить таблицу для построения кривых обогатимости, определить обогатимость угля, найти выход концетрата, промпродукта и отходов при плотности разделения 1,5г/см и 1,8г/см (табл.3).
|
Пл., фракций |
|
А,% |
Суммарные фракции Всплывшие утонувшие |
|||
|
1 |
2 |
3 |
4 |
5 |
6 |
7 |
|
1,3 |
39,4 |
5,7 |
39,4 |
5,7 |
100 |
19,8 |
|
1,3 -1,4 |
26,1 |
12,2 |
65,5 |
8,3 |
60,6 |
29,0 |
|
1,4 -1,5 |
12,4 |
21,0 |
77,9 |
10,3 |
34,5 |
41,8 |
|
1,5 -1,6 |
4,2 |
29,0 |
82,1 |
11,2 |
22,1 |
53,5 |
|
1,6 -1,8 |
8,2 |
43,7 |
90,3 |
14,1 |
17,9 |
59,3 |
|
+1,8 |
9,7 |
72,6 |
100 |
19,7 |
9,7 |
72,6 |
|
итого |
100,0 |
19,9 |
1.Заполняем графу 4.
39,4+26,1=65,5
2.Заполняем графу 6.
9,7+8,2=17,9
3.Заполняем графу 5.


4.Заполняем графу 7.


=
100%
=12,4+4,2+8,2=24,8%
=9,7%
=
Категория обогащения средняя.
Выход концетрата.
=39,4+26,1+12,4=77,9%
Находим зольность концетрата
Ак=
=
+
=4,2+8,2=12,4%
Апп=
=
=9,7
=72,6
|
продукт |
|
А,% |
|
концетрат |
77,9 |
10,9 |
|
Пром. продукт |
12,4 |
38,7 |
|
порода |
9,7 |
72,6 |
Задание 6. Определить коэффициент равноподаемости в воде для двух минералов крупностью 0,1мм и ниже и крупностью более 2мм .Пирит(5000кг/м3) и церуссит(7500кг/м3)
Решение
е=2
2
=


