Обгрунтування параметрів ротаційного розпушувача грунту
ЛЬВІВСЬКИЙ НАЦІОНАЛЬНИЙ АГРАРНИЙ УНІВЕРСИТЕТ
ЗАМОЙСЬКА КАТЕРИНА ВОЛОДИМИРІВНА
УДК 631.317.4
ОБГРУНТУВАННЯ ПАРАМЕТРІВ РОТАЦІЙНОГО РОЗПУШУВАЧА ГРУНТУ
05.05.11 – машини і засоби механізації сільськогосподарського виробництва
Автореферат
дисертації на здобуття наукового ступеня
кандидата технічних наук
Львів – 2008
Дисертацією є рукопис.
Робота виконана в Подільському державному аграрно-технічному університеті Міністерства аграрної політики України.
Науковий керівник: кандидат технічних наук, доцент Бендера Іван Миколайович, Подільський державний аграрно-технічний університет, директор інституту механізації і електрифікації сільського господарства.
Офіційні опоненти: доктор технічних наук, старший науковий співробітник, академік УААН Гуков Яків Серафимович, Національний науковий центр “Інститут механізації і електрифікації сільського господарства” УААН, директор;
кандидат технічних наук, Залужний Володимир Іванович, Львівська філія Укр НДІПВТ ім. Л.Погорілого, директор.
Захист відбудеться “22” травня 2008 року о 14-00 годині на засіданні спеціалізованої вченої ради К 36.814.03 у Львівському національному аграрному університеті за адресою: 80381, Львівська область, Жовківський район, м. Дубляни, вул. Володимира Великого, 1, корпус факультету механіки та енергетики, аудиторія 34 М.
З дисертацією можна ознайомитися у бібліотеці Львівського національного аграрного університету за адресою: 80381, Львівська область, Жовківський район, м. Дубляни, вул. Володимира Великого, 1, головний корпус.
Автореферат розісланий “21” квітня 2008р.
Вчений секретар спеціалізованої вченої ради Ковалишин С.Й.
ЗАГАЛЬНА ХАРАКТЕРИСТИКА РОБОТИ
Актуальність теми. Сучасна аграрна галузь базується на механізованих технологіях, ефективність яких залежить від їх технічної оснащеності, рівня використання та наявності енергозберігаючих елементів.
Найбільш трудомісткими і енерговитратними сільськогосподарськими операціями традиційно вважається обробіток ґрунту.
Аграрною наукою та виробничим досвідом доказано, що максимальна якість обробітку ґрунту забезпечується при використанні активних ротаційних ґрунтообробних машин.
Тому, удосконалення технологічного процесу ротаційного обробітку ґрунту, покращення якості та зменшення питомих енерговитрат є основою актуальності теми.
Зв'язок роботи з науковими програмами, планами, темами. Дана дисертаційна робота виконувалась за комплексним планом науково-дослідної роботи Подільського державного аграрно-технічного університету: розділ “Обґрунтування параметрів ротаційного розпушувача ґрунту” (номер державної реєстрації 0105U001101).
Мета і задачі досліджень. Мета роботи – забезпечити необхідну якість та зменшити енерговитрати у процесі поверхневого обробітку ґрунту завдяки використанню ротаційного розпушувача, розробленого на основі розкриття сукупності явищ механічної дії системи його ножів на грунт.
Для досягнення поставленої мети необхідно вирішити такі задачі:
проаналізувати сучасні технології і способи поверхневого обробітку ґрунту та технічні засоби, що використовуються для цього, їх вплив на фізико-механічні властивості ґрунту, з’ясувати недоліки чинних ротаційних робочих органів;
обґрунтувати конструкцію ротаційного розпушувача ґрунту з комбінованою дією на його структурні агрегати;
на основі теоретичного дослідження розкрити сукупність явищ комбінованої механічної дії на грунт ножів ротаційного розпушувача та визначити його раціональні конструкційні параметри та режими роботи;
дослідити експериментально вплив фізико-механічних властивостей ґрунтів та конструктивних параметрів ротаційного розпушувача на якість розпушування ґрунту;
провести порівняльну оцінку роботи ротаційного ґрунтообробного знаряддя і серійних машин за агротехнічними і енергетичними показниками;
розробити методику технологічного проектування та розрахунку ротаційного розпушувача ґрунту;
визначити техніко-економічну ефективність застосування ротаційного розпушувача ґрунту та впровадити його у виробництво.
Об’єкт досліджень – процес поверхневого обробітку ґрунту та ротаційний розпушувач.
Предмет досліджень – вплив характеристик ґрунтового середовища і конструкційно-технологічних параметрів ротаційного розпушувача на якість поверхневого обробітку ґрунту.
Методи досліджень. Для проведення теоретичних досліджень використовувались методи теоретичної механіки та математики. Експериментальні дослідження виконувались у лабораторних та польових умовах відповідно до обґрунтованої методики і галузевих стандартів із використанням теорії планування багатофакторного експерименту, динамометрування, прямих вимірювань. Опрацювання результатів експериментальних досліджень здійснювалось на ПК з використанням розроблених і стандартних програм обробки статистичних даних, регресивного і кореляційного аналізу.
Наукова новизна одержаних результатів. У результаті наукових досліджень:
вперше розроблено математичну модель подрібнення ґрунту на основі сукупності явищ різання, стискання та перетирання ґрунтових агрегатів за допомогою системи ножів ротаційного розпушувача;
вперше обґрунтовано раціональні конструкційні параметри і режими роботи виконавчих органів ротаційного розпушувача за якісними та енергетичними показниками;
отримали розвиток – теоретичні основи ротаційних розпушувачів ґрунту;
удосконалено – методику інженерного розрахунку ротаційних ґрунтообробних знарядь.
Новизна отриманих технічних рішень підтверджена деклараційним патентом України на корисну модель №7435U.
Практична цінність роботи. На підставі проведених теоретичних та експериментальних досліджень розроблено інженерну методику проектування та розрахунку ротаційного розпушувача ґрунту. Одержані результати дають змогу підвищити ефективність підготовки ґрунту під сівбу сільськогосподарських культур. Результати досліджень впроваджені у фермерському приватному підприємстві ”Залучанське“ Чемеровецького району Хмельницької області. Запропонована конструкція ротаційного розпушувача ґрунту порівняно із серійними знаряддями дає змогу зменшити енерговитрати під час підготовки ґрунту для сівби сільськогосподарських культур.
Методика технологічного проектування може бути використана для практичної роботи конструкторів сільськогосподарської техніки та для вивчення студентами агроінженерних вищих навчальних закладів.
Основні результати досліджень передані на вітчизняні підприємства сільгоспмашинобудування: Шепетівський завод культиваторів, ВАТ ”Кам’янець-Подільськсільмаш“, Красилівський машинобудівний завод.
Особистий внесок
здобувача. Основні результати
роботи отримані автором особисто. У
працях, опублікованих у співавторстві,
запропоновано конструкційно-технологічну
схему ротаційного розпушувача [9],
виконано аналіз залежності показника
кінематичного режиму ротаційного
розпушувача від багатьох факторів :
глибини обробітку а,
кількості ножів по кругу Z,
осьового тиску структурних агрегатів
Р>0>
, кроку витка розміщення ножів Т,
швидкості руху знаряддя V>м>
, ширини ножа l>Н>
, кута зсуву ножа в плані
[1], виявлено вплив різних чинників на
величину споживаної потужності ротаційним
розпушувачем [2], досліджено вплив розміру
структурних агрегатів на осьове зусилля
їх тиску на дно борозни [10], запропоновано
методику проведення польових досліджень
[11].
Апробація результатів дисертаційної роботи. За результатами досліджень зроблено доповіді на науково-теоретичних та науково-практичних конференціях і семінарах: на науково-теоретичних конференціях професорсько-викладацького складу, аспірантів та студентів Подільського державного аграрно-технічного університету (м. Кам’янець-Подільський, 2002, 2003, 2004, 2005, 2006 та 2007 роки); четвертій міжнародній науково-технічній конференції ”Механізація і енергетика сільського господарства“ МОTROL 03 (Люблін-Київ, 2003); науково-технічній конференції професорсько-викладацького складу, аспірантів та студентів Львівського державного аграрного університету (Львів, 2003, 2007); другій Міжнародній науково-практичній конференції ”Проблеми технічного сервісу сільськогосподарської техніки“ (Харків, 2003); четвертій міжвузівській науково-практичній конференції аспірантів ”Сучасна аграрна наука: напрями досліджень, стан і перспективи“ (Вінниця, 2004), третій Міжнародній українсько-польській науково-практичній конференції ”Новітні матеріали та технології в будові та експлуатації машин“ (Кам’янець-Подільський, 2007).
Публікації. За матеріалами досліджень опубліковано 11 праць, з них у фахових виданнях України, затверджених ”Переліком…“ ВАК України за даною спеціальністю, опубліковано 9 статей та отримано один патент України на корисну модель.
Структура та об’єм дисертації. Дисертація складається із вступу, п’яти розділів, загальних висновків, списку використаних літературних джерел, який включає 117 найменувань, в тому числі і 5 іноземних, та 27 додатків. Основна частина дисертаційної роботи викладена на 159 сторінках машинописного тексту і містить 73 рисунки та 14 таблиць.
ОСНОВНИЙ ЗМІСТ РОБОТИ
У вступі обґрунтовано актуальність теми, сформульовано мету та актуальність досліджень, висвітлено новизну і практичне значення отриманих результатів.
У першому розділі “Сучасний стан питання та завдання досліджень” проаналізовано відомі способи руйнування і подрібнення ґрунтової скиби під час передпосівного суцільного обробітку ґрунту, проведено огляд конструкцій технічних засобів і робочих органів для його виконання.
Питаннями дослідження роботоздатності ротаційних ґрунтообробних знарядь займались такі вчені: Панов І.М., Босой Є.С., Сакун В.О, Коновал А.І., Кацигін В.В., Деграф Г.А., Юзбашев В.А., Кокоз В.А., Павлинов А.І., Кузнєцов Ю.А., Андреєв В.І., Яцук Є.П., Герук С.М., Попов І.М., Єфімов Д.М., Далін А.Д., Павлов П.В., Панченко А.М. та і ін. Їхні наукові дослідження в основному були направлені на вирішення питань оптимізації режимів роботи, конструкційно-технологічних параметрів, витрат потужності на привод ротаційних знарядь, в яких в конструкції ротаційних ріжучих елементів закладений тільки один спосіб руйнування ґрунту – різання.
Аналіз конструкцій ротаційних робочих органів ґрунтообробних знарядь для передпосівного суцільного обробітку ґрунту свідчить про їх недоліки: низьку швидкість переміщення знаряддя – (до 1,5 м/с) і відповідно невелику продуктивність; велику частоту обертання вала ротора (540-1000 хв-1), що зумовлює великі енерговитрати; високі питомі металомісткість і енергомісткість конструкцій. А тому, перспективним напрямом створення нових конструкцій ротаційних розпушувачів, є: спрощення конструкції, підвищення якості обробітку ґрунту, зменшення енергомісткості процесу.
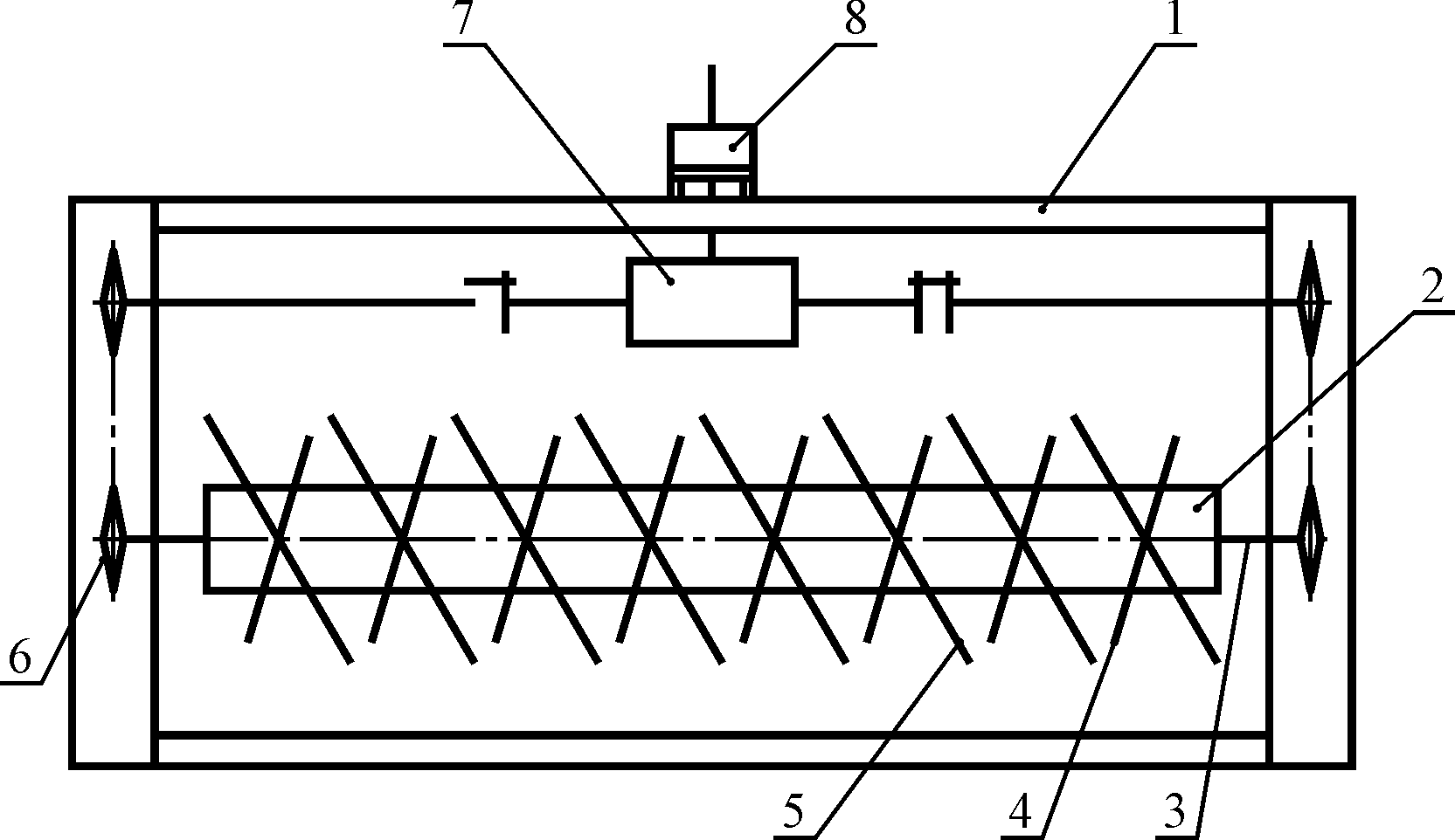
У другому розділі “Теоретичне обґрунтування параметрів ротаційного розпушувача ґрунту” обґрунтовано конструкцію ротаційного розпушувача ґрунту (рис. 1).
Розроблена математична модель взаємодії системи ножів розпушувача із структурними агрегатами ґрунту і складено рівняння руху структурних агрегатів вздовж осі барабана між ножами. На основі кінематично-динамічного аналізу руху ножа розпушувача і структурних агрегатів ґрунту обґрунтовано параметри ґрунтообробних поверхонь розпушувача: конструкційні – довжину і ширину ножа, кількість ножів по кругу барабана, крок витка розміщення ножів, кут зсуву ножа в плані, ширину захвату машини; кінематичні – показник кінематичного режиму, швидкість руху ротаційного розпушувача; динамічні – опір різанню ґрунту ножем розпушувача і витрати потужності на обробіток ґрунту.

Рис. 1. Конструкційно-технологічна
схема ротаційного розпушувача:
1 –
рама; 2 – барабан; 3 – вал; 4, 5 – система
ножів; 6 – ланцюгова передача;
7 –
редуктор; 8 – вал відбору потужності
трактора.
Вихідними умовами процесу розпушування ґрунту є рівняння руху ножа (рис. 2):
;
(1)
де V>м> – швидкість поступального руху машини, м/с; t – час, с; R – радіус траєкторії крайньої точки ножа, м; – кутова швидкість обертання системи ножів розпушувача, с-1.

Рис. 2. Схема до визначення основних
показників ротаційного розпушувача:
а
– глибина обробітку; h>1>
– висота гребенів; S>2>
– крок ножа;
– кут повороту ножа.
З іншого боку, розглянувши динаміку руху структурних агрегатів по поверхні ножа і сил, що діють на нього (рис. 3), отримали рівняння руху структурних агрегатів по поверхні ножа:
(2)
де m
– маса структурних агрегатів, кг;
прискорення
руху структурних агрегатів, м/с2;
Р>r>
– радіальна сила, кН; Р>о>
– осьове зусилля тиску структурних
агрегатів, кН; N
– нормальна сила тиску структурних
агрегатів, кН.

Рис. 3. Схема руху структурних
агрегатів по робочих поверхнях
ножа
і сил, що діють на нього.
Дослідивши процес руху ножа і структурних агрегатів ґрунту, отримали залежність для розрахунку показника кінематичного режиму λ ротаційного розпушувача:
λ =
,(3)
Ця залежність показує,
що на кінематичний режим ротаційного
розпушувача впливає багато чинників:
глибина обробітку а,
кількість ножів по кругу Z,
осьовий тиск структурних агрегатів Р>0>,
крок витка розміщення ножів Т,
швидкість руху знаряддя V>м>,
ширини ножа l>Н>,
кута зсуву ножа в плані
,
кут укладання структурних агрегатів
,
кути зовнішнього і внутрішнього тертя
і
.
Для визначення кроку витків розміщення ножів розпушувача розглядалися зони деформації ґрунту у поздовжній площині, у поперечній площині по лінії сколу і у поперечній площині по максимальній товщині стружки ґрунту, який зрізується (рис. 4). Максимальна товщина стружки δ виникає при повороті ножа на кут α>в>. Вздовж ножа під кутом (45є + φ>2>) від передньої грані АС проходить скол ґрунту по лінії АВ (рис. 4,а).
Для дослідження явища поперечного сколу ґрунту по лінії АВ використовуємо таку методику. Продовжуємо довільно лінію АВ. Беремо на лінії АВ довільну точку А. Від точки А симетрично відкладаємо ширину захвата ножа в. Одержуємо точки А>1 >і А>2>. По осі симетрії відкладаємо довжину сколу АВ. Через точку В проводимо лінію, паралельну А>1>, А>2>. З точок К>1 >і К>2> під кутом внутрішнього тертя φ>2 >до вертикалі проводимо лінії до перетину з В>1> В>2>. Одержуємо точки М і N. Довжина МN визначає ширину зони деформації поперек. З’єднуємо точки М і N з точками відповідно А>1> і А>2>. Одержана трапеція А>1> А>2> N М є зоною деформації ґрунту ножем поперек руху по лінії АВ. Кут φ – це напрям сколу поперек до вертикалі. Для визначення цього кута використовуємо рис. 4,б.


в)
Рис. 4. Зони деформації ґрунту ножем ротаційного розпушувача.
Одержана формула для розрахунку кроку витка ножів має вигляд:
Т = (Z
– 1) ∙
,(4)
На величину кроку витка ножів відповідно впливають: показник кінематичного режиму λ, кількість ножів по кругу Z, глибина обробітку а, ширина ножа l>H>, кут внутрішнього тертя ґрунту φ>2>.
Для визначення величини опору різання ґрунту ножем ротаційного розпушувача розглянули схему сил, що діють на ніж і параметри ножа (рис. 5).
Дотична складова опору різання ґрунту ножем рівна:
,
(5)
де S>T> – опір різанню ґрунту від сколу в поздовжньому напрямку, Н; S>бок> – опір різанню ґрунту від сколу в поперечному напрямку, Н; S>зат>> >– опір від площадки затуплення ножа, Н; Р>v>> >– опір від швидкості різання, Н.


Рис. 5. Схема сил, що діють на ніж і параметри ножа
Розглянувши переміщення структурних агрегатів ґрунту по поверхні робочих органів, отримали відношення для розрахунку опору різання ґрунту ножем ротаційного розпушувача по зонах деформації ґрунту для трьох складових опору різання: дотичної Р>р1>, нормальної Р>р2>, поперечної Р>р3>.
Р>р1>
= С>пит>∙[2в
+ 2,64 сos(450
+ φ>2>)∙tgφ>2>]∙
δ cos(450
+ φ>2>)
+ 2
∙sin arctg
cosε
∙δ2tg2(450
–0,5φ>2>)∙γ
∙sinφ>2
>∙tgφ>1>
+
,
(6)
де К΄ – гранична несуча
здатність ґрунту, кН/м2; Х і Z
– параметри площадки затуплення, м;
–
задній кут ножа, град.; С>пит>
– питоме зчеплення частинок, кН/м2;
в – ширина захвату ножа, м; δ –
товщина стружки, м; γ – об’ємна маса
ґрунту, т/м3.
Нормальна складова опору ґрунту різанню:
Р>р2> = 0,2 Р>р1>, (7)
Поперечна сила направлена перпендикулярно руху ножа:
Р>р3> = Р>р1>сtg(ε + φ>1>), (8)
Для одержання необхідного ступеня подрібнення ґрунту із використанням комбінованої дії системи ножів ротаційного розпушувача на структурні агрегати ґрунту споживається така потужність:
, (9)
де В>0>> >– ширина захвату розпушувача, м; σ – межа міцності структурних агрегатів, Н/м2; Е – модуль пружності ґрунту, Н/м2; Р>р1 >– дотична складова опору ґрунту різанню, Н; в – ширина захвату ножа, м; δ – товщина стружки, м; К>L >– умовна довжина пласта ґрунту, К>L> = 1,0 м; і>р >– ступінь подрібнення ґрунту від різання структурних агрегатів; і>ст >– ступінь подрібнення ґрунту від стискування структурних агрегатів; і>пер >– ступінь подрібнення ґрунту від перетирання структурних агрегатів.
За результатами теоретичних досліджень визначені раціональні параметри ротаційного розпушувача і режими його роботи для глибини обробітку ґрунту а = 0,15 м. Швидкість руху знаряддя V>м> = 3,0 м/с; λ = 1,72, Z = 4,0, Р>0> = 0,022 кН, l>Н> = 0,1 м, ε = 300, Т = 0,44 м.
Одержана порівняльна характеристика споживаної потужності на обробіток ґрунту запропонованого ротаційного розпушувача і діючої фрези з прямими ножами: при ширині захвату В>0> = 3,0 м, швидкості руху знаряддя V>м> = 3,0 м/с і ступені подрібнення і = 20 потужність запропонованого ротаційного розпушувача в 3,1...3,72 рази менша, ніж для діючої фрези, залежно від межі міцності структурних агрегатів.
У третьому розділі ”Програма і методика експериментальних досліджень“ наведено програму і методику досліджень, описано обладнання, дослідні установки, умови і порядок проведення експериментів.
Дослідження проводились з метою підтвердження теоретично встановлених параметрів розпушувача та їх зв’язків із показниками стану ґрунту та якістю його розпушування. Програмою досліджень передбачалось визначення: фізико-механічних властивостей досліджуваних ґрунтів; осьового зусилля тиску структурних агрегатів на дно борозни; дослідження впливу параметрів ротаційного розпушувача ґрунту (показника кінематичного режиму λ, глибини обробітку а, кількості ножів Z, кроку витка Т, фізико-механічних властивостей ґрунту) на ступінь подрібнення.
Для визначення об'ємної
маси γ, вагової
вологості ω,
кількості ударів твердоміра ДорНДІ С>у>,
граничної несучої здатності ґрунту К,
складу частинок d>0,01-
>
використовували загальновідомі методики.
Питоме зчеплення частинок С>пит> і кути зовнішнього і внутрішнього тертя ґрунту визначали за методикою, розробленою професором А.М.Панченком.
При проведенні досліджень
використовували сім зразків ґрунту із
такими характеристиками: об'ємна маса
в щільному стані γ>mах>
= 1,79-1,5 т/м3,
в розпушеному стані γ>mіn>
= 1,32-1,12 т/м3;
кути тертя: внутрішнього φ>2>
= 29-320,
зовнішнього φ>1>
=> >20-250;
критична вагова вологість, ω>кр>
= 9-30%; середнє питоме зчеплення частинок
ґрунту
= 0,5-3,02 кН/м2;
кількість ударів твердоміра ДорНДІ, С>у>
=> >3-16; середнє
значення граничної несучої здатності
ґрунту,
=
220-900 кН/м2;
вміст частинок, d>0,01>
= 5,4-38,2%.
Міцність структурних агрегатів і осьове зусилля тиску структурних агрегатів на дно борозни визначали на спеціальних лабораторних установках.
Для визначення ступеня подрібнення ґрунту ротаційним розпушувачем використовували спеціальний лабораторний стенд в ґрунтовому каналі.
В процесі експерименту варіювали такими показниками: величиною кінематичного режиму λ від 1 до 8, кількістю ножів по периметру обертання ротора Z, поступальною швидкістю руху ротора в межах від 1,25 до 3,5 м/с.
При дослідженнях ступеня подрібнення ґрунту від стискування і перетирання ножі встановлювали по гвинтовій поверхні з кроком від 0,2 до 1,0 м, глибина обробітку змінювалась від 0,05 до 0,25м.
У четвертому розділі “Аналіз результатів експериментальних досліджень роботи ротаційного розпушувача” наведені результати експериментальних і польових досліджень. За результатами експериментальних досліджень отримано: емпіричну залежність для визначення осьового зусилля тиску структурних агрегатів залежно від розмірів структурних агрегатів D>50і>, вагової вологості ω, вмісту частинок τ розміром d>0,01>≤ 0,01 мм, коефіцієнту різнозернистості структурних агрегатів η:
(10)
емпіричну залежність межі міцності структурних агрегатів від вмісту частинок розміром d>0,01>≤ 0,01 мм і вагової вологості ω:
,(11)
емпіричну формулу для розрахунку ступеня подрібнення ґрунту ножами залежно від показника кінематичного режиму λ, кількості ножів Z, швидкості руху знаряддя V>м> , межі міцності ґрунту σ:
,(12)
емпіричну формулу для визначення ступеня подрібнення від стискування і перетирання структурних агрегатів:
(13)
Кінцева емпірична залежність ступеня подрібнення ґрунту ротаційним розпушувачем з гвинтовим розміщенням ножів:
(14)
Після попередніх експериментів було проведено двофакторний експеримент, в результаті опрацювання даних якого було отримано рівняння регресії:
для ступеня подрібнення ґрунту:
(15)
для споживаної розпушувачем потужності:
(16)
Поверхні відгуку приведені на рисунках 6 і 7.
|
|
|
|
Рис. 6. Поверхня відгуку для ступеня подрібнення ґрунту |
|
|
|
|
|
Рис. 7. Поверхня відгуку для споживаної розпушувачем потужності |
Під час польових досліджень (рис. 8) проводилась перевірка якості розпушування ґрунту, визначались витрати потужності на обробіток ґрунту і тяговий опір знаряддя. Дослідження проводились у порівнянні із діючим знаряддям КВФ-2,8. Робочий орган ротаційного розпушувача ґрунту має такі параметри: радіус ротора R = 0,286 м; ширина ножа l>Н> = 0,1 м; кут зсуву ножа в плані ε = 300; кут різання α>р> = 250; діаметр d>δ> = 0,15 м; крок витка Т = 0,44 м; ширина робочого органа В>0> = 3,0 м; число обертів ротора n = 180 хв-1.

Рис. 8. Проведення польових досліджень ротаційного розпушувача
Перевірка якості розпушування ґрунту включала визначення таких параметрів: ступеня подрібнення ґрунту і розмірів структурних агрегатів; коефіцієнта різнозернистості; висоти гребенів верхнього шару розпушеного ґрунту; коефіцієнта забур’яненості поля.
Дослідження проводились на ділянці поля з такими характеристиками: фон – стерня; коефіцієнт забур’яненості поля К>з> = 0,98.
Фізико-механічні властивості досліджуваного ґрунту були такі: об’ємна маса ґрунту γ = 1,63 т/м3; кути внутрішнього і зовнішнього тертя φ>2> = 300 і φ>1> = 220; вагова вологість ґрунту ω = 22%; питоме зчеплення частинок С>пит> = 0,58 кН/м2; коефіцієнт вертикальної деформації ґрунту К>вд> = 96 кН/м2; межа міцності структурних агрегатів σ = 532 кН/м2.
Розпушування ґрунту
фрезерним культиватором відрізняється
від удосконаленого ротаційного
розпушувача тим, що структурні агрегати
складають
коефіцієнт різнозернистості більший
на 30,6 і складає 49,5, що значно більше
значення коефіцієнта різнозернистості
по агротехнічних вимогах (
=9–16).
В процесі розпушування ґрунту фрезерним
культиватором утворюються у великій
кількості структурні агрегати дрібних
розмірів. Кількість структурних агрегатів
ґрунту розміром менше 10 мм після його
розпушування експериментальним
ротаційним розпушувачем становила 53%,
а після розпушування фрезерним
культиватором КВФ-2,8 – лише 45% (рис. 9).











Рис. 9. Гранулометричний склад структурних агрегатів після розпушування: 1 – ротаційним експериментальним розпушувачем; 2 – фрезерним серійним культиватором.
Як показали дослідження, удосконалений ротаційний розпушувач мав менші значення тягових опорів, ніж фрезерний культиватор КВФ-2,8 – в 1,54 рази. Це зв’язано з тим, що маса удосконаленого ротаційного розпушувача менша в 2,16 рази.
В результаті досліджень було встановлено, що повна потужність на роботу удосконаленого розпушувача менша в 1,7 рази при швидкості руху знаряддя V>м> = 3,0 м/с в порівнянні з фрезерним культиватором КВФ–2,8. При зменшенні швидкості руху КВФ – до 1,38 м/с повна потужність зменшується з 50,93 до 42,95 кВт.
За рахунок зниження кутової швидкості обертання ротора з 28,26с-1 (540 хв-1) до 9,42 с-1 (180 хв-1) потужність, яка витрачається на обробіток ґрунту удосконаленим роторним розпушувачем в 3 рази менша, ніж фрезерним культиватором КВФ–2,8. Таким чином, запропоновані конструктивні зміни і режим роботи ротаційного розпушувача забезпечують якість поверхневого обробітку ґрунту і знижують потужність двигуна трактора.
У п’ятому розділі ”Методика інженерного проектування ротаційного розпушувача ґрунту, економічна ефективність та впровадження результатів досліджень” приведена методика інженерного розрахунку ротаційного розпушувача ґрунту та результати порівняльної оцінки економічної і енергетичної ефективності його застосування.
Використання ротаційного розпушувача ґрунту у виробничих умовах порівняно із культиватором КВФ-2,8 забезпечує річний економічний ефект в сумі 17179,4 грн в рік при нормативному завантаженні машин. Розрахована енергетична ефективність показує, що використання ротаційного розпушувача дозволяє зменшити енергетичні затрати на 41,9%, порівняно із серійною машиною.
Отримані результати наукових досліджень взяті для впровадження у виробництво підприємствами сільськогосподарського машинобудування регіону: Шепетівським заводом культиваторів, ВАТ “Кам’янець-Подільськсільмаш”, Красилівським машинобудівним заводом.
ВИСНОВКИ І РЕКОМЕНДАЦІЇ
1. Робота присвячена вирішенню задачі підвищення ефективності суцільного передпосівного розпушування ґрунту шляхом створення нового ротаційного розпушувача з обґрунтуванням його конструкційно-технологічних параметрів на основі теоретичного дослідження комбінованого процесу різання, стискання та перетирання структурних агрегатів ґрунту системою його ножів та експериментального визначення технологічних показників обробітку ґрунту.
Аналіз чинних способів і ротаційних технічних засобів для поверхневого передпосівного обробітку ґрунту дав змогу виявити такі головні їх недоліки – низька продуктивність роботи; значні енерговитрати; велика металомісткість.
2. Обґрунтована конструкція ротаційного розпушувача ґрунту передбачає реалізацію комбінованого процесу розпушування на основі операцій різання, стискання та перетирання структурних агрегатів за допомогою системи ножів, розміщених під кутом до осі барабана і закріплених на барабані по гвинтовій лінії з правою навивкою до основи лінії машини, і навпаки, інший бік ножів розміщений дзеркально від осьової лінії машини.
3. Теоретичні дослідження базуються на розкритті сукупності явищ комбінованої дії на ґрунт за допомогою системи ножів ротаційного розпушувача і дають змогу встановити взаємозв’язки між параметрами розпушувача та технологічними і енергетичними показниками робочого процесу, що є основою для обґрунтування раціональних конструкційних параметрів розпушувача (3, 4, 6, 9).
4. На основі обґрунтованої програми і методики експериментальних досліджень встановлено залежності осьового тиску і межі міцності структурних агрегатів від їх розмірів, вмісту частинок певного розміру, вологості ґрунту, а також залежності ступеня подрібнення ґрунту від показника кінематичного режиму розпушувача, кількості ножів, кроку витка ножів, швидкості руху знаряддя та межі міцності структурних агрегатів (10-14).
5. Для досягнення оптимального ступеня подрібнення і коефіцієнта різнозернистості ґрунтових агрегатів теоретично обґрунтовано і експериментально підтверджено раціональні параметри ротаційного розпушувача для глибини обробітку 0,15 м: швидкість руху знаряддя V>м>=3,0 м/с; показник кінематичного режиму λ=1,72; кількість ножів по кругу Z=4,0; осьовий тиск структурних агрегатів Р>0>=0,022 кН; ширина ножа l>Н>=0,1 м; кут встановлення ножа в плані ε=300; крок витків ножів Т=0,44 м.
6. Порівняльна оцінка витрат потужності на обробіток ґрунту показує, що для ротаційного розпушувача при ширині захвату В>0>=3,0м, швидкості руху знаряддя V>м>=3,0 м/с та ступені подрібнення і=20 потужність запропонованого ротаційного розпушувача в 3,1-3,72 рази менша, ніж для фрези КВФ–2,8.
7. Роботоздатність
створеного ротаційного розпушувача
ґрунту доведена успішними випробуваннями
його експериментального зразка у
фермерському приватному підприємстві
“Залучанське” Чемеровецького району
Хмельницької області, при яких отримано
показники розпушення ґрунту відповідно
до агротехнічних вимог: середнє значення
ступеня подрібнення
середній розмір структурних агрегатів
=0,0097м
з коефіцієнтом різнозернистості
=18,9
замість
=49,5
у фрезерного культиватора КВФ – 2,8;
коефіцієнт забур’яненості поверхні
ґрунту в середньому склав
= 0,00145; висота гребенів поверхні поля
була в межах від 0,012 до 0,024 м.
8. На основі агротехнічних і техніко-економічних показників, визначених при проведені лабораторно-польових досліджень, розроблено вихідні вимоги на ротаційний розпушувач ґрунту, які є основою для проведення дослідно-конструкторських робіт (ДКР) і серійного їх виробництва.
9. Для практичного здійснення поставленої мети, на основі проведених досліджень, розроблена інженерна методика проектування ротаційних розпушувачів, яка дає змогу визначати раціональні параметри розпушувачів для різних умов роботи.
10. Впровадження ротаційного розпушувача для суцільного передпосівного обробітку ґрунту порівняно із фрезою КВФ–2,8 дає змогу заощадити 17179,4 грн. в рік і зменшити енергетичні витрати на 41,9 відсотка.
СПИСОК ОПУБЛІКОВАНИХ ПРАЦЬ
Панченко А.М., Замойська К.В. Визначення кінематичного режиму роторного культиватора // Збірник наукових праць Подільської державної аграрно-технічної академії. Вип. 10. – Кам’янець-Подільський: ПДАТА, 2002. – С. 217-220. (Автором зроблено аналіз залежності показника кінематичного режиму від глибини обробітку, кількості ножів по кругу, осьового тиску структурних агрегатів, кроку витка розміщення ножів, швидкості руху знаряддя, ширини ножа, кута зсуву ножа в плані).
Замойська К.В., Бендера І.М. Зменшення затрат потужності на обробіток ґрунту роторним культиватором //Збірник наукових праць Національного аграрного університету “Механізація сільськогосподарського виробництва”. Том Х1V. – К.: НАУ, 2003. – С. 241-247. (Автором виявлено вплив різних чинників на величину споживаної потужності роторним культиватором).
Замойська К.В. Аналіз роботи роторного культиватора //Вісник Львівського державного аграрного університету. Серія “Агроінженерні дослідження”. Вип.7 – Львів: ЛДАУ, 2003. – С. 147-152.
Замойська К.В. Результати теоретичних досліджень роторного культиватора // Збірник наукових праць Подільської державної аграрно-технічної академії. Вип. 11. – Кам’янець-Подільський: Абетка, 2003. – С.341-343.
Замойська К.В. Основні напрямки розробки роторних ґрунтообробних знарядь //Вісник Харківського державного технічного університету сільського господарства. Вип. 17. – Харків: ХДТУСГ, 2003. – С.113-117.
Замойська К.В. Роторний культиватор для поверхневого обробітку ґрунту // “Сучасна аграрна наука: напрями досліджень, стан і перспективи” /Збірник матеріалів четвертої міжвузівської науково-практичної конференції аспірантів 5-7 квітня 2004 р. – Вінниця, 2004. – С. 60-61.
Замойська К.В. Результати експериментального дослідження роботи роторного культиватора // Збірник наукових праць Подільського державного аграрно-технічного університету. Вип. 12. – Кам’янець-Подільський: Абетка, 2004. – С.361-364.
Замойська К.В. Вплив фізико-механічних властивостей ґрунту на якість роботи роторного культиватора. Збірник наукових праць Подільського державного аграрно-технічного університету. Вип. 13. – Кам’янець-Подільський: Абетка, 2005. – С.475-478.
Деклараційний патент на корисну модель 7435, Україна, МПК А01В33/00. Ротаційний розпушувач ґрунту /Замойська К.В., Бендера І.М., Бончик В.С. (Україна). Подільський державний аграрно-технічний університет (Україна) - № 20041210389; Заявл.17.12.2004; Опубл.15.06.2005; Бюл. № 6. (Автором запропоновано конструктивно-технологічну схему ротаційного розпушувача).
Бендера І.М., Замойська К.В. Результати експериментальних досліджень роботи роторного культиватора // Вісник Львівського державного аграрного університету. Серія “Агроінженерні дослідження”. Вип. 10 – Львів: ЛДАУ, 2006. – С. 315-322. (Автором досліджено вплив розміру структурних агрегатів на осьове зусилля їх тиску на дно борозни).
Замойська К.В., Бендера І.М. Результати польових досліджень роторного культиватора // Вісник Хмельницького національного університету. Серія “Технічні науки”. №5. – Хмельницький, 2007. – С. 91-93. (Автором запропоновано методику польових досліджень).
АНОТАЦІЯ
Замойська К.В. Обґрунтування параметрів ротаційного розпушувача ґрунту. – Рукопис. Дисертація на здобуття наукового ступеня кандидата технічних наук за спеціальністю 05.05.11. – машини і засоби механізації сільськогосподарського виробництва. – Львівський національний аграрний університет, Львів, 2008.
Дисертацію присвячено питанням підвищення якості виконання технологічного процесу передпосівного обробітку ґрунту ротаційним розпушувачем і зменшення енергетичних затрат на процес обробітку. У роботі наведено результати теоретичних та експериментальних досліджень процесу роботи ротаційного розпушувача ґрунту, обґрунтовано його раціональні конструкційно-технологічні параметри. Експериментально досліджено вплив конструкційно-технологічних параметрів і фізико-механічних властивостей ґрунту на якісні та енергетичні показники роботи розпушувача під час передпосівного суцільного обробітку ґрунту. Розроблено інженерну методику інженерного розрахунку ротаційних розпушувачів ґрунту. Перевірено роботоздатність на різних типах ґрунтів. Проведено виробничі випробування ротаційного розпушувача під час передпосівного обробітку грунту та розрахований економічний ефект від його використання
Ключові слова: грунт, передпосівний суцільний обробіток, розпушування, кришення, ротаційний розпушувач, параметри, потужність, енергетична ефективність, економічна ефективність.
АННОТАЦИЯ
Замойская К.В. Обоснование параметров ротационного рыхлителя почвы. – Рукопись.
Диссертация на соискание научной степени кандидата технических наук по специальности 05.05.11. – Львовский национальный аграрный университет, Львов, 2008.
Диссертация посвящена разработке ротационного рыхлителя почвы, предназначенного для сплошного предпосевного рыхления почвы, с целью улучшения качества обработки почвы и снижения энергетических затрат на процесс обработки.
Для решения поставленных задач проведен анализ путей улучшения качества рыхления почвы и снижения энергетических затрат на процесс рыхления, что позволило получить машину, обеспечивающую одновременное резание, сжатие и истирание почвы. Конструкция рабочих органов рыхлителя позволяет обеспечить улучшение качества крошения почвы и снижения энергетических затрат.
Приведены теоретические исследования работы ротационного рыхлителя почвы: кинематического режима, шага витка расположения ножей, сопротивления резанию почвы ножом ротора, потребляемой мощности на обработку почвы.
Изложена программа и методика проведения экспериментальных исследований, описаны лабораторные и полевые установки. Для проведения исследований было использовано стандартизированное оборудование. Осуществлены лабораторно-полевые и производственные испытания с использованием математических методов планирования экспериментов. В результате проведения экспериментов получены уравнения регрессии, позволяющие оценить влияние исследуемых факторов на качественные и энергетические показатели процесса обработки почвы.
Производственные испытания ротационного рыхлителя почвы показали надежность технологического процесса их работы, обеспечивающего высокое качество обработки и снижение энергетических затрат на процесс сплошного поверхностного рыхления почвы.
Приведены результаты технико-экономической оценки ротационного рыхлителя почвы в сравнении с серийными аналогами.
Ключевые слова: почва, предпосевная сплошная обработка, рыхление, крошение, ротационный рыхлитель, параметры, мощность, энергетическая эффективность, экономическая эффективность.
ANNOTATION
Zamoiska K.V. The rotation soil loosens parameter sub>stations. – Manuscript.
The candidate’s thesis of engineering sciences, the speciality 05.05.11 – machines and agricultural means of mechanization production. – State agrarian University in Lvov, 2008.
The candidate’s thesis is devoted to the increasing guality questions the execution technological process pre-rotation seeding soilloosen and energetic reducing expends for the cultivation process. The theoretical results and experimental investigation process of rotation soil loosen are given and rational constructional – technological results are obtained. The influence of constructive-technological results and the soil physical mechanization properties on the energetic results quality of soil loosen pre-seeding were experimentally investigated. The enqeneerinq methodic of calculation on the different types of soil are done. The experimental tests of soil rotation loosen while pre-seeding soil cultivation and calculated economic effect of its usage.
Key words soil, pre-seeding cultivation, loosen, rotation loosen, parameters, crumbing, power, energetic effectiveness, economic effectiveness.



