Привод ленточного транспортера, состоящего из электродвигателя, открытой клиноремённой передачи цилиндрического одноступенчатого редуктора и соединительной муфты
КУРСОВАЯ РАБОТА
Привод ленточного транспортера, состоящего из электродвигателя, открытой клиноремённой передачи цилиндрического одноступенчатого редуктора и соединительной муфты
Содержание
Введение
1. Выбор электродвигателя
2. Кинематический и энергетический расчёт привода
2.1 Кинематический расчёт
2.2 Энергетический расчёт
3. Расчёт цилиндрической передачи
3.1 Выбор материала и термообработки
3.2 Определение допускаемых напряжений
3.2.1 Допускаемые напряжения при расчёте на усталостную контактную прочность
3.2.2 Допускаемые напряжения при расчёте на изгибную усталостную прочность
3.3 Определение основных параметров передачи
3.4 Определение сил в зацеплении
3.5 Проверочный расчёт передачи на контактную усталостную прочность
3.6 Проверочный расчёт передачи на изгибную усталостную прочность
4. Расчёт клиноремённой передачи
5. Выбор муфты
6. Предварительный расчёт валов
6.1 Выбор материала и допускаемых напряжений
6.2 Предварительный расчёт быстроходного вала
6.3 Предварительный расчёт тихоходного вала.
7. Выбор подшипников
7.1 Выбор типа и типоразмера подшипника
7.2 Выбор схемы установки подшипников
7.3 Проверка долговечности подшипников тихоходного вала
7.3.1 Составление расчётной схемы и определение реакций в опорах
7.3.2 Проверка долговечности подшипников
8. Конструирование элементов цилиндрической передачи
9. Расчёт шпонок
10. Конструирование шкивов
11. Уточнённый расчёт валов
11.1 Построение эпюр изгибающих и крутящих моментов
11.2 Проверка статической прочности вала
11.3 Проверка усталостной прочности тихоходного вала
11.4 Конструктивные элементы валов, допуски, посадки и шероховатости
12. Смазка редуктора
13. Конструирование крышек подшипников
13.1 Определение размеров крышки быстроходного подшипника
13.2 Определение размеров крышки тихоходного подшипника
14. Конструирование корпуса редуктора
15. Конструирование рамы
16. Сборка редуктора и монтаж привода
16.1 Сборка редуктора
16.2 Монтаж привода
Заключение
Список литературы
Введение
В данном проекте разрабатывается привод ленточного транспортёра. Транспортёр предназначен для перемещения песка и щебня в карьере.
Привод состоит из электродвигателя, открытой клиноремённой передачи цилиндрического одноступенчатого редуктора и соединительной муфты.
Электродвигатель в приводе создаёт вращающий момент и приводит привод в движение.
Ремённая передача расположена на первой ступени привода. Наличие этой передачи даёт компоновочные преимущества - можно расположить редуктор и двигатель в один ряд, что уменьшит габариты привода по ширине. Ремённая передача также способствует снижению шумности при работе привода и предохраняет двигатель от перегрузок за счёт проскальзывания ремней при перегрузках.
Редуктор представляет собой закрытую цилиндрическую передачу. В редукторе использованы косозубые колёса, что снижает шумность передачи и повышает её нагрузочную способность.
Редуктор и открытая клиноремённая передача служат для уменьшения числа оборотов и увеличения вращающих моментов.
Для соединения выходных концов вала редуктора и барабана используется муфта.
Отметим, что при работе привода возможны сильные рывки.
Выпуск предусматривается мелкосерийный.
Срок службы привода 10 лет, работа в две смены, коэффициент загрузки за смену 0.7, коэффициент загрузки за год 0.55. С учётом того, что в году 365 дней, а в одной рабочей смене 8 часов получим ресурс привода в часах:
L>h> = 10 · 365 · 0.55 · 2 · 8 · 0.7 = 22484 часа.
1. Выбор электродвигателя
Электродвигатель выбирается по требуемой мощности и частоте вращения. Мощность двигателя зависит от требуемой мощности рабочей машины, а его частота вращения от частоты вращения приводного вала рабочей машины.
Определим требуемую мощность транспортёра:
Р>вых> = F · v = 10 · 103 · 0,6 = 6000 Вт = 6 кВт
Для определения требуемой мощности привода определим КПД привода. Для этого задаёмся, в соответствии с таблицей 1.1 [3], КПД отдельных элементов привода:
КПД клиноремённой передачиη>pn> = 0.95
КПД подшипникового узлаη>nn> =0.99
КПД цилиндрической передачиη>ц> = 0.97
КПД муфты Общий КПДη>м> = 0.98
Общий КПД привода:
η>n>>р> = η>р>>n>· η>ц>· η>м>· η>п>3 = 0.95·0.97·0.98·0.993 = 0.88
Требуемая мощность двигателя:
=
6,82 кВт
По таблице Ш [4] подбираем электродвигатели с мощностью большей или равной требуемой. Двигатели выбираем асинхронные, трёхфазные общепромышленного применения серии 4А. Двигатели этой серии предназначены для продолжительного режима работы, т.е. соответствуют режиму работы привода. Подходят четыре варианта электродвигателей серии 4А с номинальной мощностью кВт и различной частотой вращения. Данные по ним представлены в таблице 1.1.
Таблица 1.1
|
Вариант |
Тип двигателя |
Номинальная мощность, кВт |
Частота вращения, об/мин |
|
|
синхронная |
номинальная |
|||
|
1 |
4А112М2УЗ |
7,5 |
3000 |
2925 |
|
2 |
4A132S4Y3 |
7,5 |
1500 |
1455 |
|
3 |
4А132М6УЗ |
7,5 |
1000 |
968 |
|
4 |
4A160S8Y3 |
7,5 |
750 |
731 |
Для окончательного выбора типоразмера двигателя определим рекомендуемый интервал частот вращения вала электродвигателя, для чего определим необходимую частоту вращения вала барабана и передаточное число привода. Частота вращения вала барабана:

По таблице 1.2 [3] принимаем передаточные числа передач:
Передаточное число цилиндрической передачи: и>ц> =2 ÷ 6,3
Передаточное число ремённой передачи: и>рп> = 2 ÷ 4
Минимальное передаточное число привода: и>пр>тiп = и>рп>тin · и>ц>min =2·2 = 4
Максимальное передаточное число привода: и>пр>max= и>пр>max ·и>ц>max = 4·6,3 = 25,2 Минимально-допустимая частота вращения вала электродвигателя:
n>дв>min=n>вых>·u>пр>min=35.8·4=143.2 об/мин
Максимально допустимая частота вращения вала электродвигателя:
n>дв>max=n>вых>·u>пр>max=35.8·25.2=902.2 об/мин
Проанализировав результаты вычислений и данные таблицы 1.1 выбираем окончательный вариант электродвигателя.
Электродвигатель с синхронной частотой вращения 3000 об/мин не подходит по результатам расчёта.
Электродвигатель с синхронной частотой вращения 1500 об/мин не подходит по результатам расчёта.
Электродвигатель с синхронной частотой вращения 1000 об/мин не подходит по результатам расчёта.
Электродвигатель с синхронной частотой вращения 750 об/мин подходит по результатам расчёта.
Принимаем двигатель 4A160S8Y3 с синхронной частотой вращения 750 об/мин.
2. Кинематический и энергетический расчёт привода
2.1 Кинематический расчёт
Требуемое передаточное число привода при принятом электродвигателе:

Разобьём передаточное число привода между редуктором и ремённой передачей. Примем: передаточное число ремённой передачи и>рп> = 3,55, тогда передаточное число редуктора:

Частота вращения быстроходного вала редуктора:

Частота вращения тихоходного вала редуктора:

Частота вращения вала барабана:

Угловая скорость вала электродвигателя:

Угловая скорость быстроходного вала редуктора:

Угловая скорость тихоходного вала редуктора:

Угловая скорость вала барабана:

2.2 Энергетический расчёт
Мощность на валу электродвигателя:
P>дв>= 6,82 кВт
Мощность на быстроходном валу редуктора:
P>б>=Р>дв>·η>рп>·η>п> = 6,82·0,95·0,99 =6,41кВт
Мощность на тихоходном валу редуктора:
Р>m>=P>б> ·η>ц> ·η>п>= 6,41·0,97·0,99=6,16 кВт
Вращающий момент на валу электродвигателя:

Вращающий момент на быстроходном валу редуктора:

Вращающий момент на тихоходном валу редуктора:

Вращающий момент на валу барабана:

Результаты кинематического и энергетического расчёта представлены в таблице 2.1
Таблица 2.1
|
Вал |
Частота вращения, об/мин |
Угловая скорость, с-1 |
Мощность, кВт |
Вращающий момент, Нм |
|
Вал двигателя |
731 |
76.4 |
6.82 |
89.2 |
|
Быстроходный вал редуктора |
205.9 |
21.55 |
6.41 |
297.4 |
|
Тихоходный вал редуктора |
35.8 |
3.74 |
6.16 |
1647 |
|
Вал рабочего органа машины |
35.8 |
3.74 |
6 |
1604 |
3. Расчёт цилиндрической передачи
3.1 Выбор материала и термообработки
Материал для зубчатых колёс подбираем по таблице 2.1 [3]. Для шестерни принимаем сталь 40Х с термообработкой улучшение, твёрдость сердцевины и поверхности 269...302 НВ.
Для шестерни принимаем сталь 40Х с термообработкой улучшение, твёрдость сердцевины и поверхности 235...262 НВ.
3.2 Определение допускаемых напряжений
Определение допускаемых напряжений проводим в соответствии с пунктом 2.1 2 [3].
Для определения допускаемых напряжений вычислим среднюю твёрдость колёс:
Для шестерни: НB>CP>>1> = 0.5· (НB>min>+ НB>max>) = 0.5 (269 + 302) = 286HB
Для колеса: НВ>СР2> =0.5· (НB>min>+ НB>max>) = 0.5 (235 + 262) = 249НВ
3.2.1 Допускаемые напряжения при расчёте на усталостную контактную прочность
Для шестерни:
[σ] >Н1>=К>Н>>L>>1> [σ] >HO>>1>
Для колеса:
[σ] >Н2>=К>Н>>L>>2> [σ] >HO>>2>
где К>HL>>1> и K>HL>>2> - коэффициенты долговечности при расчёте по контактным напряжениям колеса и шестерни;
[σ] >HO>>1>=1.8 НB>CP>>1>+67=1.8·286+67=582МПа и
[σ] >HO>>2>=1.8 НB>CP>>2>+67=1.8·249+67=516МПа
предел контактной выносливости зубьев колеса и шестерни, принят по табл.2.2 [3].
Коэффициенты долговечности при расчёте по контактным напряжениям при термической обработке улучшение:


где N>HO>>1>=HB>CP>>1>3=2863=2.34·107 и где N>HO>>2>=HB>CP>>2>3=2493=1.54·107 –
базовые числа циклов нагружений при расчете на контактную прочность для колеса и шестерни;
N>2>=60n>2>L>h>=60·35.8·22484=48.3·107 и N>1>=N>2>·u>ц>=48.3·107·5.75=277.7·107 –
действительные числа циклов перемены напряжений для колеса и шестерни;
принимаем K>HL>>1>=1 и K>HL>>2>=1.
Тогда допускаемые контактные напряжения для колеса и шестерни:
[σ] >H>>1>=1·582=582МПа
[σ] >H>>2>=1·516=516МПа
Для дальнейших расчётов принимаем [σ] >H>=516МПа.
3.2.2 Допускаемые напряжения при расчёте на изгибную усталостную прочность
Для шестерни:
[σ] >F>>1>=К>FL>>1> [σ] >FO>>1>
Для колеса:
[σ] >F>>2>=К>FL>>2> [σ] >FO>>2>
Где K>FL>>1> и K>FL>>2> - коэффициенты долговечности при расчёте на изгиб для колеса и шестерни;
[σ] >FO>>1>=1.03 НB>CP>>1>=1.03·286=275МПа и [σ] >FO>>2>=1.03 НB>CP>>2>=1.03·249=275МПа –
предел изгибной выносливости зубьев колеса и шестерни, принят по табл.2.2 [3].
Коэффициенты долговечности при расчёте по изгибным напряжениям при термической обработке улучшение:


принимаем K>FL>>1> = 1 и K>FL>>2> = 1.
Тогда допускаемые напряжения изгиба для колеса и шестерни:
[σ] >F>>1>=1·275=275МПа
[σ] >F>>2>=1·275=275МПа
Для дальнейших расчетов принимаем [σ] >F>=275МПа.
3.3 Определение основных параметров передачи
Межосевое расстояние передачи:

где K>a> = 43 - коэффициент межосевого расстояния для косозубых колёс (стр.15 [3]);
ψ>a>= 0,4 - коэффициент ширины колеса (стр.15 [3]);
К>Hβ> = 1 - коэффициент концентрации нагрузки при термической обработке - улучшение (стр.15 [3]);
принимаем a>w> = 230мм.
Предварительный делительный диаметр колеса:
d>2>=2·a>w>u/ (u+1) =2·230·5.75/ (5.75+1) = 392 мм
Ширина колеса:
b>2 >= ψ>a>·a>w>=0.4·230=92 мм
Модуль передачи:

где K>m> = 5.8 - коэффициент модуля для косозубых колес;
принимаем m = 2 мм в соответствии со стандартным значением.
Суммарное число зубьев:
z>Σ>=2·a>w>·cosβ/m=2·230·cos10/2=226.5
где β =10º - угол наклона зубьев.
Принимаем z>Σ>=226.
Число зубьев шестерни:
z>1>= z>Σ>> >/ (u+1) =226/ (5.75+1) =33.5≥ z>1>>min>=17
Принимаем z>1>=34.
Число зубьев колеса:
z>2>= z>Σ> - z>1>=226-34=192
Фактическое передаточное число:
u>ф>= z>2>/ z>1>=192/34=5,65
Отклонение от заданного передаточного числа:

такое расхождение допускается.
Делительный диаметр шестерни:
d>1>= z>1>·m/ cosβ=34·2/cos (10) =69.049 мм
Делительный диаметр колеса:
d>2>=2а>w> - d>1>=2·230-69.049=390.951 мм
Диаметр окружностей вершин зубьев шестерни и колеса:
d>а1>= d>1>+2m=69.049+2·2=73.049 мм
d>а2>= d>2>+2m=390.951+2·2=394.951 мм
Диаметр окружностей впадин зубьев шестерни и колеса:
d>f>>1>= d>1>-2.5m=69.049-2.5·2=64.049 мм
d>f>>2>= d>2>-2.5m=390.951-2.5·2=385.951 мм
Ширина шестерни:
b>1>= b>2 >+5=92+5=97 мм
Окружная скорость колеса:

в зависимости от окружной скорости колеса по табл.2.4 [3] принимаем 9 степень точности передачи.
Результаты расчёта основных параметров передачи представлены в таблице 3.1
Таблица 3.1
|
Модуль (мм) |
Межосевое расстояние (мм) |
Число зубьев |
Делительный диаметр (мм) |
Ширина (мм) |
|
|
Шестерня |
2 |
230 |
34 |
69.049 |
97 |
|
Колесо |
192 |
390.951 |
92 |
3.4 Определение сил в зацеплении
Окружная сила в зацеплении:

Радиальная сила в зацеплении:
F>r>=F>t>·tg20º/cosβ=8425· tg20º cos10=3114 H
где α=20º - стандартный угол.
Осевая сила в зацеплении:
F>a>=F>t>·tgα=8425· tg20º = 3066 H
Результаты расчёта представлены в таблице 3.2
Таблица 3.2
|
Окружная сила (Н) |
Радиальная сила (Н) |
Осевая сила (Н) |
|
8425 |
3114 |
3066 |
3.5 Проверочный расчёт передачи на контактную усталостную прочность


где K>Hα>=1.1 - коэффициент распределения нагрузки между зубьями (стр.20 [3]);
K>HV>=1.1 - коэффициент динамической нагрузки (стр.20 [3]);
Расчётные контактные напряжения меньше допускаемых, следовательно, контактная прочность передачи обеспечена.
3.6 Проверочный расчёт передачи на изгибную усталостную прочность
Расчётные напряжения изгиба в зубьях колеса:
σ>F>>2>=K>Fα>Y>β>K>Fβ>K>FV>Y>F>>2>F>t>> >/b>2>m=1·0.93·1·1.2·3.61·8425/92·2=184≤ [σ] >F>>2>
где K>Fα> =1 - коэффициент для косозубых колес (стр. 19 [3]);
Y>β> =1-β/140=1-10/140=0,93 - коэффициент;
K>Fβ> = 1 - коэффициент, при термообработке улучшения (стр. 19 [3]);
K>FV>> >= 1,2 - коэффициент (стр. 19 [3]);
Y>F>>2> = 3,61 - коэффициент формы зуба шестерни принят по таблице 2.5 [3] в зависимости от z>V>>1>= z>1>-cos3β =34/ (cos10) 3=35.6
Расчётные напряжения изгиба меньше допускаемых, следовательно, изгибная прочность шестерни обеспечена.
Результаты расчёта передачи на прочность представлены в табл.3.3
Таблица 3.3
|
Расчётные напряжения |
Допускаемые напряжения |
||
|
Расчёт на контактную усталостную прочность |
520 |
516 |
|
|
Расчёт на усталостную изгибную прочность |
Шестерня |
191 |
275 |
|
Колесо |
184 |
275 |
4. Расчёт клиноремённой передачи
Расчёт производим согласно [4] стр130.
Расчёт начинаем с выбора сечения ремня. В соответствии с рис.7.3 [4] выбираем сечение ремня В.
Диаметр ведущего шкива:

принимаем из ряда стандартных чисел D>1> = 200 мм.
Диаметр ведомого шкива учитывая проскальзывание ремня и приняв относительное скольжение ε = 0,015:

принимаем из ряда стандартных чисел D>2> =710 мм. Уточняем передаточное отношение:
u>рпф>= D>2>/ D>1> (1-ε) =710/200 (1-0,015) =3,585
Отклонение от заданного передаточного отношения:

такое расхождение допускается.
Межосевое расстояние передачи:
а>min>= 0.55 (D>1 - >D>2>) + h= 0.55 (200+710) +14.3=509.6 мм
а>max>=2 (D>1 >+D>2>) = 2 (200+710) = 1820 мм
где h =14.3 мм - высота ремня.
Предварительно принимаем стандартное значение межосевого расстояния а = 600мм.
Расчётная длина ремня:
L>p>=2a+0.5π (D>1 >+D>2>) + (D>1 >+D>2>) 2/4a = 2·600+0.5π (200+710) +
+ (200+710) 2 /4·600=2737,79 мм
принимаем стандартную длину L = 2800 мм.
Значение межосевого расстояния с учётом стандартной длины ремня:
вычислим
D>cp>=0.5 (D>1 >+D>2>) = 0.5 (200+710) = 455 мм


При монтаже передачи необходимо обеспечить возможность уменьшения межосевого расстояния на 0,01L=28 мм, для того чтобы облегчить надевание ремней на шкив, для увеличения натяжения ремней необходимо предусмотреть возможность увеличения межосевого расстояния на 0,025L=70 мм, таким образом ход натяжного устройства составит 28+70=98 мм. Регулировка ремённой передачи будет осуществляться перемещением двигателя при помощи регулировочного винта.
Угол охвата меньшего шкива:

Необходимое число ремней:

где P>o>= 5.83 кВт - мощность, допускаемая для передачи одним ремнем, табл 7.8 [4] ;
C>L>= 0.95 - коэффициент, учитывающий влияние длины ремня табл.7.9 [4] ;
C>P>=1.1 - коэффициент режима работы табл.7.10 [4] ;
C>α> = 0.85 - коэффициент угла обхвата [4] стр.135;
C>z> = 0.9 - коэффициент, учитывающий число ремней в передаче [4] стр.135;

принимаем z = 4 ремня.
Предварительное натяжение ветвей ремня:

где Θ = 0,3 (Н·с2) /м2 - коэффициент учитывающий центробежную силу [4] стр.136;
ν = 0,5ω>1>D>1>=0.5·76.4·0.2 = 7.64 м/с - скорость ремня.
Сила, действующая на вал:

Результаты расчета представлены в таблице 4.1
Таблица 4.1
|
Тип ремня |
В |
|
Диаметр приводного шкива (мм) |
200 |
|
Диаметр ведомого шкива (мм) |
710 |
|
Длина ремня (мм) |
2800 |
|
Межосевое расстояние (мм) |
634 |
|
Число ремней |
4 |
|
Усилие передаваемое на вал (Н) |
1832 |
5. Выбор муфты
Для соединения тихоходного вала редуктора с валом барабана выбираем муфту упругую втулочно-пальцевую (МУВП) ГОСТ 21424-75.
Муфты типа МУВП позволяют смягчать ударные нагрузки и рывки за счёт упругих элементов в составе муфты, кроме того они допускают некоторые неточности сборки.
Муфту выбираем по расчётному моменту.
Расчётный момент:
M>P>=kT>m> = 1.4·1647=2306 Hм
где k = 1.4 - коэффициент режима работы стр.267 [3].
Принимаем муфту МУВП 4000-80-1.1 ГОСТ 21424-75.
6. Предварительный расчёт валов
6.1 Выбор материала и допускаемых напряжений
Для шестерни ранее принят материал - сталь 40Х.
Для тихоходного вала также принимаем сталь 40Х.
Допускаемые напряжения для предварительного расчёта валов принимаем в соответствии с рекомендациями стр.31 [3] принимаем [τ] >к> = 25 Н/мм2.
Механические характеристики улучшенной стали 40Х принимаем по таблице 12.7 [3]:
Предел прочности σ>в> = 800 МПа.
Предел текучести σ>Т> = 640 МПа.
Допускаемые напряжения при расчёте на статическую прочность при коэффициенте запаса
n=1.5 [τ] = 640/1.5 =426 МПа.
6.2 Предварительный расчёт быстроходного вала
Конструкция быстроходного вала представлена на Рис.6.1.
Диаметр выходного конца вала:

принимаем стандартное значение d = 40 мм.
Для удобства монтажа деталей вал выполняем ступенчатой конструкции. Диаметр вала под подшипник:
d>n>=d+2t>цил >= 40 + 2·3,5=47,5 мм
где t>цил> = 3,5 мм, таблица 3.1 [3].
принимаем стандартное значение d>n> = 50 мм.
Диаметр буртика подшипника принимаем с учётом фасок на кольцах подшипника:
d>бп >= d>п>+3r = 50 + 3·2.5 = 57.5 мм
где r = 2.5 мм таблица 3.1 [3].
Принимаем d>бп >= 60 мм.
Длина выходного участка вала в соответствии со стр.48 [3]:
l>m>=1,5d= 1,5·40 = 60 мм
принимаем l>m>= 60 мм.
Длина участка вала под подшипник в соответствии со стр.48 [3]:
l>k>=1,4·d>n>= 1.4·50 = 70 мм
принимаем l>k>=70 мм.
Остальные размеры вала определяются из предварительной прорисовки редуктора.

6.3 Предварительный расчёт тихоходного вала.
Конструкция тихоходного вала представлена на Рис.6.2.
Диаметр выходного конца вала:

принимаем стандартное значение d = 80 мм.
Для удобства монтажа деталей вал выполняем ступенчатой конструкции. Диаметр вала под подшипник:
d>n> = d+2·t>цил> = 80 + 2·5.6 = 91.2 мм
где t>цил> = 5,6 мм таблица 3.1 [3].
принимаем стандартное значение d>n> = 95 мм.
Диаметр буртика подшипника принимаем с учётом фасок на кольцах подшипника:
d>бп> = d>п>+3r = 95 + 3·4 = 107 мм
где r = 4 мм таблица 3.1 [3].
принимаем d>бп> = 105 мм.
Диаметр участка вала под колесо:
d>k>=d>бп> = 105 мм
Диаметр буртика колеса:
d>бк>=d>к>+3f= 105+3·2.5=112.5 мм
где f =2.5 мм таблица 3.1 [3].
принимаем d>бк>= 115 мм.
Длина выходного участка вала в соответствии со стр.48 [3]:
l>м>=1.5·d= 1.5·80 = 120 мм
принимаем l>м> = 120 мм.
Длина участка вала под подшипник в соответствии со стр.48 [3]:
l>k>=1.4·d>n>= 1.4·95 = 133 мм
принимаем l>k> = 140 мм.
Остальные размеры вала определяются из предварительной прорисовки редуктора.

Зазор между поверхностями колёс и внутренними поверхностями стенок корпуса:

принимаем а = 11 мм;
где L= 480 мм - расстояние между внешними поверхностями деталей передач, принято из эскизной компоновки редуктора.
7. Выбор подшипников
7.1 Выбор типа и типоразмера подшипника
Для быстроходного и тихоходного валов принимаем радиально-упорные шариковые однорядные подшипники по ГОСТ 831-75, такой выбор обосновывается тем, что в косозубой цилиндрической передаче возникают кроме радиальной ещё и
значительные осевые нагрузки, а такой тип подшипников обеспечивает нормальную
работу вала при действии на него одновременно радиальных и осевых нагрузок
Предварительно в качестве опор быстроходного вала принимаем подшипник №46210; для тихоходного вала №46219.
7.2 Выбор схемы установки подшипников
Установка вала требует достаточно надёжной осевой фиксации из-за действия осевой нагрузки. Такую фиксацию обеспечивает схема установки подшипника "враспор". При этом торцы внутренних колец подшипника упираются в буртики выполненные на валу, торцы внешних колец упираются и торцы крышек.
Такая схема установки обеспечивает простоту конструкции, небольшое количество деталей узла, простоту регулировки, которая производится набором прокладок.
Для того чтобы избежать защемления вала в опорах в результате температурных деформаций необходимо предусмотреть зазор между торцом внешнего кольца одного из подшипников и крышкой. После установления нормального температурного режима работы вала зазор исчезает. И в соответствии с рекомендациями [3] стр.38 примем для обоих валов зазор 0,5 мм.
7.3 Проверка долговечности подшипников тихоходного вала
7.3.1 Составление расчётной схемы и определение реакций в опорах
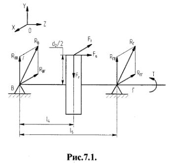
Для составления расчетной схемы используем эскизы валов и предварительную прорисовку редуктора.
Расчетная схема тихоходного вала представлена на рис.7.1. На тихоходный вал действуют силы в зацеплении. В подшипниковых опорах - В и Г возникают реакции опор. Реакции представлены в виде составляющих на оси координат. Определяем реакции в опорах В и Г. Расчёт ведём отдельно для плоскости ZOX и плоскости YOX.

где l>4> =60 мм; l>5> = 120 мм - приняты из предварительной прорисовки редуктора.
Из суммы моментов всех сил, действующих на в плоскости YOZ относительно опоры B получим:

Из суммы моментов всех сил действующих в плоскости YOZ относительно опоры Г получим:

Из суммы моментов всех сил действующих в плоскости XOZ относительно опоры В получим:

Из суммы моментов всех сил действующих в плоскости XOZ относительно опоры Г получим:

Суммарные реакции опор:


Как видно наибольшая реакция возникает в опоре Г. По величине этой реакции будем производить проверку долговечности подшипников для тихоходного вала.
7.3.2 Проверка долговечности подшипников
На тихоходный вал принят подшипник №46219. Для данного подшипника динамическая грузоподъёмность С = 98 кН, статическая грузоподъёмность С>о> = 73 кН. Эквивалентная нагрузка на подшипник:
Р>э>= (XVR +YF>a>) K>б>K>m>
где X коэффициент радиальной нагрузки. Определяем по таблице 6.1 [3], для угла контакта 26 градусов, отношения F>a> /VR= 3114/1·7835 = 0.4, e=0.68. Так как F>a> /VR < e, то X=1, Y=0.92.
V = l - коэффициент учитывающий вращение колец, (стр.103 [3]);
К>б> = 1,2 - коэффициент безопасности, принят по таблице 6.3 [3] ;
К>т> = 1 - температурный коэффициент, принят по таблице 6.4 [3].
Р>э>= (1·1·7835+0.92·3114) ·1.2·1=12840 H
Расчётная долговечность подшипника в часах:

где а>23> = 0,7 - коэффициент, характеризующий совместное влияние на ресурс подшипника качества металла колец, тел качения и условий эксплуатации, (стр.105 [3]);
Р = 3 - показатель степени для шариковых подшипников, (стр.105 [3]). Такая долговечность превышает ресурс привода, следовательно, принятый подшипник подходит.
8. Конструирование элементов цилиндрической передачи
Шестерню выполняем как единое целое с валом, размеры этой детали определены ранее.
При мелкосерийном производстве заготовку зубчатого колеса получают свободной ковкой с последующей токарной обработкой. Представленная на рис.8.1 конструкция колеса имеет несложную технологию изготовления, небольшой вес, обеспечивает экономию материала и достаточную несущую способность.
Размеры колеса вычисляем в зависимости от диаметра тихоходного вала под колесо и ширины колеса вычисленных ранее. Расчёт ведём в соответствии с ([3], стр.64).
Диаметр ступицы:
d>cm>= 1.55d>k>= 1.55·105 = 162.75 мм
принимаем d>cm>= 170 мм.
Толщина зубчатого венца:
S = 2.2m + 0.05b>2> = 2.2·2 + 0.05·92 = 9 мм
Фаска: f=0.6·m = 0.6·2 = 1.2 мм принимаем в соответствии с табл.4.1 [3] f = 1.2 мм, угол фаски 45°.
Чтобы уменьшить объем точной механической обработки на диске колеса применим выточки.
На диаметр вершин зубьев назначаем поле допуска h11, на диаметр посадочного отверстия назначаем поле допуска Н7, на шпоночный паз поле допуска Js9. Предельные отклонения остальных размеров принимаем: для отверстий HI4, валов h14, остальных ± IT 14/2.

Шероховатость поверхности зубьев Ra1.6, шероховатость посадочной поверхности RaO.80, шероховатость торцовых Рис.8.1. поверхностей колеса Ral6 6, шероховатость остальных поверхностей Ra6.3.
Для того, чтобы ограничить концентрацию контактных давлений на посадочной поверхности колеса назначаем допуск цилиндричности посадочной поверхности колеса 0.12. Для того чтобы создать точную базу для подшипника назначаем допуск перпендикулярности торца колеса 0.04.
9. Расчёт шпонок
Для соединения валов с деталями вращения принимаем шпонки по ГОСТ 23360-78 как наиболее простые по конструкции. Расчёт шпонки сводится к определению напряжения смятия.
Шпонка соединения ведомого шкива и быстроходного вала:

где h = 8мм - высота шпонки; t>1 >= 5 мм - глубина паза вала; l>P>=l-b= 50-10 = 40 мм - рабочая длина шпонки; l = 50 мм - длина шпоночного паза; b = 12 мм - ширина шпонки; [σ>см>] = 140 Н/мм2 - допускаемые напряжения смятия для стальной ступицы.

где d = 80 мм - диаметр выходного конца вала; h=14 мм - высота шпонки; t>1> = 9 мм - глубина паза шпонки; l>P>=l-b = 110-22 = 88 мм - рабочая длина шпонки; l=110 мм - длина шпоночного паза; b=22 мм - ширина шпонки; [σ>см>] = 140 Н/мм2 - допускаемые напряжения смятия для стальной ступицы.
Шпонка соединения тихоходного вала и колеса:

где d = 105 мм - диаметр участка вала под колесом; h = 14 мм - высота шпонки; t>1> = 9 мм - глубина паза; l>P>=l-b = 80-22 =118 мм - рабочая длина шпонки; l = 80 мм - длина шпоночного паза; b =22 мм - ширина шпонки; [σ>см>] = 140 Н/мм2 - допускаемые напряжения смятия для стальной ступицы.
Шпонка соединения тихоходного вала и полумуфты:

где h = 14 мм - высота шпонки; t>1> = 9 мм - глубина паза вала; l>P>=l-b =110-22= =88 мм - рабочая длина шпонки; l = 110 мм - длина шпоночного паза; b = 22 мм - ширина шпонки; [σ>см>] = 140 Н/мм2 - допускаемые напряжения смятия для стальной ступицы.
10. Конструирование шкивов
Конструкцию шкивов ремённой передачи принимаем в соответствии с рис.10.1.Т. к. производство привода крупносерийное шкивы изготавливаем литыми из СЧ-15 ГОСТ 1412-79.
Расчёт размеров ведём в соответствии с таблицей 4.9 [3]. Ширина шкивов:
М= (n-1) e + 2f = (4-1) ·25.5+2·17=110.5 мм
где п = 4 - число ремней; е= 25,5 - шаг ремня; l = 17 - расстояние от кромки шкива до оси первого зуба ремня. Данные приняты в соответствии с ГОСТ 20889-80.
Толщина ободов:
δ = 1.3h = 1.3·14.3 = 18.6 мм
принимаем δ - 19 мм.
где h = 14,3 мм - глубина паза для ремня, принят в соответствии с ГОСТ 20889-80.
Толщина дисков:
С = 1,3 δ = 1.3·19 = 24.7 мм
принимаем С =25 мм.

Диаметры ступиц:
Ведущего шкива:
d>стб >= 1.55d>в> = 1.55·48 = 74.4 мм
принимаем d>стб >= 80 мм
Ведомого шкива:
d>стт> = 1.55d = 1.55·40 = 62 мм
принимаем d>стт> = 70 мм
Длины ступиц:
Ведущего шкива:
l>стб >= 1.55d>дв> = 1.5·48 = 72 мм
принимаем l>стб >= 80 мм
Ведомого шкива:
l>стт> = 1.55d = 1.5·40 = 6 мм
принимаем l>стт >= 60 мм
Шкивы устанавливаются на валах при помощи шпонок.
11. Уточнённый расчёт валов
11.1 Построение эпюр изгибающих и крутящих моментов
Применяя метод сечений строим эпюры изгибающих моментов в плоскостях XOZ и YOZ. Эпюры представлены на рис.11.1

По эпюрам определяем максимальные значения изгибающих моментов и крутящего момента:
M>y max> = 252780 Нмм
M>x max> = 396360 Нмм
M>кр >>max> = 16470000 Нмм
11.2 Проверка статической прочности вала
Для тихоходного вала опасным является сечение под колесом, где действуют максимальные изгибающие моменты в обеих плоскостях.
Геометрические характеристики сечения без учёта шпоночного паза:
Момент сопротивления изгибу:

Момент сопротивления кручению:

Напряжение от изгиба:

Напряжение от кручения:

Эквивалентные напряжения от действия изгиба и кручения:

Расчётные напряжения равные 15,7 МПа не превышают допускаемых равных 426 МПа, условие статической прочности для тихоходного вала выполняется.
11.3 Проверка усталостной прочности тихоходного вала
Расчёт проводим в соответствии с §6.2 [4].
Примем, что нормальные напряжения от изгиба изменяются по симметричному циклу, а касательные от кручения - по отнулевому (пульсирующему).
Проверка усталостной прочности состоит в определении коэффициентов запаса прочности s для опасных сечений и сравнении их с требуемыми (допускаемыми) значениями [s] = 2.5 Прочность соблюдена если s ≥ [s].
Производим расчёт для предположительно опасных сечений вала.
Предел выносливости при симметричном цикле изгиба:
σ>-1>≈ 0.43σ>в> = 0.43·800 = 344 МПа
Предел выносливости при симметричном цикле касательных напряжений:
τ>-1>≈ 0.58σ>-1> = 0.58·360 = 209 МПа
Проверяем сечение со шпоночной канавкой для крепления полумуфты. Канавка вызывает концентрацию напряжений, поэтому сечение будет опасным.
Диаметр вала в этом сечении мм. Для шпоночной канавки (см. табл.6.5 [4]): k>σ> =1.8 и к>τ> = 1.7; масштабные факторы ε>σ> = 0.7; ε>τ> =0.7 (см. табл.6.8 [4]); коэффициенты ψ>ω> ≈0.25 и ψ>r> =0.1 (стр.100 [4]).
Изгибающий момент в горизонтальной плоскости:
M>y>= 0 Нмм
Изгибающий момент в вертикальной плоскости:
M>x>= 0 Нмм
Суммарный изгибающий момент:

Момент сопротивления кручению с учётом шпоночного паза:

где b, t>1> - размеры шпонки соединяющей тихоходный вал и ступицу полумуфты (см. расчёт шпонок).
Амплитуда и среднее напряжение цикла касательных напряжений:

Амплитуда нормальных напряжений изгиба:

Среднее значение цикла нормальных напряжений:

Коэффициент запаса прочности по нормальным напряжениям:

Коэффициент запаса прочности по касательным напряжениям:

Результирующий коэффициент запаса прочности в данном сечении:

Сопротивление усталости вала в данном сечении обеспечивается. Следующее сечение - место посадки подшипника - концентрация напряжений обусловлена посадкой подшипника с гарантированным натягом.


принимаем ψ>ω>≈ 0.25 и ψ>r>> >= 0.1
Изгибающий момент:
М = 0Нмм
Амплитуда нормальных напряжений:
σ>ν >= σ>max> = 0 МПа
Среднее значение цикла нормальных напряжений:

Полярный момент сопротивления:

Амплитуда и среднее напряжение цикла касательных напряжений:

Коэффициент запаса прочности по нормальным напряжениям:

Коэффициент запаса прочности по касательным напряжениям:

Результирующий коэффициент запаса прочности в данном сечении:

Сопротивление усталости вала в данном сечении обеспечивается.
Проверяем сечение где диаметр 95 мм переходит в диаметр 105 мм. Концентрация напряжений обусловлена переходом от одного диаметра к другому и наличием канавки для выхода шлифовального круга. Расчёт ведём со стороны противоположной выходному участку вала, поскольку с этой стороны действует большая радиальная нагрузка и, следовательно, большой изгибающий момент. При D/d = l.15; r/d = 0.01 (г - радиус канавки) коэффициенты концентрации напряжений k>σ> = 1.8 и k>τ> = 1.7 (табл.6.3 [4]); масштабные факторы ε>σ> = 0.7 и ε>τ> = 0.7 (табл.6.8 [4]);
Суммарный изгибающий момент в сечении:
M = 156702Нмм
Осевой момент сопротивления:

Амплитуда нормальных напряжений:

Среднее значение цикла нормальных напряжений:

Полярный момент сопротивления:

Амплитуда и среднее напряжение цикла касательных напряжений:

Коэффициент запаса прочности по нормальным напряжениям:

Коэффициент запаса прочности по касательным напряжениям:

Результирующий коэффициент запаса прочности в данном сечении:

Сопротивление усталости вала в данном сечении обеспечивается.
Проверяем место посадки колеса. Концентрация напряжений обусловлена
наличием шпоночного паза (табл.6.5. [4]): k>σ> =1.8 и k>τ> =1.7 (табл.6.3 [4]); масштабные факторы ε>σ> = 0.7 и ε>τ> = 0.7 (табл.6.8 [4]); коэффициенты ψ>ω >≈ 0.25 и ψ>r> = 0.1 (см. стр.100 [4]).
Крутящий момент:
M>X>> >= 1647000Нмм
Суммарный изгибающий момент в сечении:

Момент сопротивления сечения с учётом шпоночного паза:

где b, t>1> - размеры шпонки соединяющей тихоходный вал и зубчатое колесо (см. расчёт шпонок).
Амплитуда нормальных напряжений изгиба с учётом шпоночного паза:

Среднее значение цикла нормальных напряжений:

Момент сопротивления кручению с учётом шпоночного паза:

Амплитуда и среднее напряжение цикла касательных напряжений:

Коэффициент запаса прочности по нормальным напряжениям:

Коэффициент запаса прочности по касательным напряжениям:

Результирующий коэффициент запаса прочности в данном сечении:

Сопротивление усталости вала в данном сечении обеспечивается. Усталостная прочность обеспечена во всех опасных сечениях, т.е. обеспечена в целом для вала.
11.4 Конструктивные элементы валов, допуски, посадки и шероховатости
На выходные участки валов, предназначенные для установки полумуфт и шкивов назначаем поле допуска р6. На выходных участках с диаметром под подшипник в месте работы уплотнения назначаем поле допуска d9, кроме того место работы манжеты необходимо закалить на глубину h=0.9...1 до твёрдости 40...50 HRC мм и отшлифовать до шероховатости Ra0.2. На участке вала под подшипник предусматриваем приемный участок для посадки подшипника с полем допуска d9. Под подшипниками принимаем поле допуска k6. В месте установки зубчатого колеса на тихоходном валу поле допуска t6. На шпоночный паз назначаем поле допуска р9. Предельные отклонения остальных размеров принимаются для отверстий по HI4, валов hi4, остальных ±1Т 14/2.
Шероховатость участков валов сопрягаемых с другими деталями Ral.25 (кроме указанной выше), шероховатость галтелей и других переходных участков Ra2.5, шероховатость остальных поверхностей Ra6.3.
Для ограничения отклонения геометрической формы дорожек качения колец подшипников задаем допуск цилиндричности для посадочных поверхностей подшипников 0.01. Для ограничения концентрации давлений на посадочной поверхности вала в месте установки зубчатого колеса, задаем допуск цилиндричности 0.02. В месте установки полумуфт и шкивов задаём допуск цилиндричности 0.05. Для ограничения перекоса колец подшипников относительно их общей оси задаем допуск соосности посадочных поверхностей подшипников 0.01. допуски соосности задаем и на посадочные поверхности под установку полумуфт, колеса, шкивов для обеспечения кинематической точности передач.
12. Смазка редуктора
Для смазывания передачи применим картерную систему смазывания.
В соответствии с указаниями табл.8.1. [3] для смазки передачи принимаем масло И-Г-А-68 ГОСТ 20799-68.
В соответствии с рекомендациями стр.136 [3] глубина погружения в масло колёс цилиндрического редуктора: 2m≤ h≤ 0.25· d>2>, (рис.12.1).
Смазка подшипников осуществляется закладыванием пластичной смазки в подшипниковые узлы. Смазочный материал ЦИАТИМ 202 ГОСТ 11110-74.

Для слива масла из редуктора предусматриваем сливное отверстие, закрываемое пробкой с конической резьбой по ГОСТ 12718-67.

Для контроля за уровнем масла предусмотрим маслоуказатель П-30 по МН 176-63.
При длительной работе редуктора в связи с нагревом масла и воздуха повышается давление внутри корпуса, что приводит к просачиванию масла через уплотнения и стыки, чтобы избежать этого, внутреннюю полость корпуса сообщаем с внешней средой при помощи установки отдушины в верхней его точке, отдушину используем также в качестве пробки, закрывающей отверстие для заливки масла.
Для предохранения от вытекания смазочного материала из подшипниковых узлов, а также для защиты их от попадания из вне пыли и влаги принимаем для обоих валов манжетные уплотнения по ГОСТ 8752-79. Для предотвращения попадания смазки из картера в подшипниковые узлы и попадания пластичной смазки подшипников в картер предусматриваем маслоотражательные кольца.
13. Конструирование крышек подшипников
Расчёт ведём в соответствии с §7.2 [3].
Крышки подшипников принимаем привертными в соответствии с рис.13.1
Крышки изготовим из чугуна марки СЧ15 ГОСТ 1412-79.
Определяющим в конструировании крышки является диаметр отверстия в корпусе под подшипник. Толщину стенки б, диаметр d и число z винтов крепления крышки к корпусу в зависимости от этого параметра принимаем по таблице 7.3 [3].
13.1 Определение размеров крышки быстроходного подшипника

Наружный диаметр быстроходного подшипника D = 90 мм, принимаем δ=6 мм, d =8 мм, z =4. Толщина фланца крышки:
δ>1> =1,2 = 1,2 δ = 1,2·6 = 7.2мм
принимаем δ> 1> = 1мм.
Толщина центрирующего пояска крышки:
δ>2> = δ= 6мм
Диаметр фланца крышки:
D>ф >= D + 4d = 90 + 4·8 = 122мм
Расстояние от поверхности отверстия под подшипник до оси крепёжного винта:
C = d = 8мм
13.2 Определение размеров крышки тихоходного подшипника
Наружный диаметр тихоходного подшипника D=170 мм, принимаем δ =8 мм, d =12мм, z = 6. Толщина фланца крышки:
δ>1> = 1.2δ = 1.2·8 = 9.6мм
принимаем δ>1> =10мм.
Толщина центрирующего пояска крышки:
δ>2> = δ = 8мм
Диаметр фланца крышки:
D>ф >= D + 4d = 170 + 4·12 = 218мм
Расстояние от поверхности отверстия под подшипник до оси крепёжного винта:
C = d = 12мм.
14. Конструирование корпуса редуктора
Редуктор вместо указанного в задании вертикального исполнения будет иметь обычное горизонтальное исполнение, поскольку вертикальное исполнение редуктора не позволит уложиться в указанные в задании габариты.
Поскольку предполагается мелкосерийное, а не единичное производство привода, то корпус редуктора целесообразнее выполнить литым. Таким образом оправдываются расходы на оснастку для литья, за счёт высокой производительности.
Корпус состоит из двух частей крышки и картера, соединённых между собой болтами по ГОСТ 7808-70. Для того чтобы точно зафиксировать крышку относительно корпуса при обработке отверстий и сборке применяем штифты по ГОСТ 3129-70. Подшипниковые узлы закрываются точёными привертными крышками. Картер и крышку привода отливают из чугуна СЧ15 ГОСТ 1412-79. После отчистки отливок производят механическую обработку плоскостей и отверстий.
Для определения размеров корпуса используем данные главы 11 [3].
Толщина стенки картера и крышки:

принимаем δ = 12 мм.
где Т - вращающий момент на тихоходном валу редуктора.
Толщина фланца корпуса и крышки:
b = 1.5δ = 1.5·12 = 18мм
Ширина фланца корпуса и крышки:
l = 2.2δ = 2.2·12 = 26.4мм
принимаем l =27 мм.
Диаметр болтов соединяющих крышку и корпус:

принимаем d = 12 мм.
Диаметр болтов крепления редуктора к раме:
d>ф >= 1,25 d= 1.25·12 = 15мм
принимаем d>ф >=16мм.
Диаметр штифтов фиксирующих крышку относительно корпуса:
d>шт >= 0,8d = 0.8·12 = 9.6мм
принимаем d>шт >=10мм.
Места крепления корпуса к раме принимаем в виде лап расположенных по углам корпуса. Размеры лап принимаем в соответствии с рис.14.1
Обрабатываемые поверхности крышки и картера выполняем в виде платиков.

Прочие размеры корпуса и его конструктивные формы определяются прорисовкой.
Для транспортировки корпуса и удобства снятия крышки предусматриваем проушины.
Для осмотра зацепления и залива масла предусматриваем люк в крышке закреплённый на ней винтами М6х12 ГОСТ 7473-72. Рис.14.1
15. Конструирование рамы
Для обеспечения точного и постоянного взаиморасположения элементов привода применяем сварную раму.
Рама сваривается из стандартных швеллеров и листов. Размеры рамы определяются прорисовкой привода. При сварке располагаем швеллеры полками наружу, поскольку так удобнее крепить на неё элементы привода.
Элементы привода крепятся к раме при помощи болтового соединения. Для более надёжного соединения в местах установки болтов на внутренние поверхности полок швеллеров накладываем шайбы. Такие же шайбы устанавливаем в местах установки фундаментных болтов, предназначенных для крепления рамы к полу.
Компенсация вытяжки ремней ремённой передачи и обеспечение постоянного натяжения ремней достигается за счёт горизонтального перемещения двигателя. Для этого отверстия под установку болтов имеют овальную форму. Двигатель в нужном положении фиксируется установочными болтами.
К полу рама крепится при помощи фундаментных болтов с коническими концами. Болты устанавливаются в отверстия в полу и заливаются цементом.
Для безопасности обслуживающего персонала предусматриваем кожух, закрывающий элементы открытой ремённой передачи. После монтажа вокруг привода должно быть установлено ограждение.
16. Сборка редуктора и монтаж привода
16.1 Сборка редуктора
Перед сборкой внутреннюю полость корпуса редуктора тщательно очищают и покрывают маслостойкой краской.
Сборку производят в соответствии со сборочным чертежом редуктора, начиная с узлов валов:
На ведущий вал насаживают маслоотбойные кольца и подшипники, предварительно нагретые в масле до температуры 80 - 100 °С.
В ведомый вал закладывают шпонку и напрессовывают зубчатое колесо; затем надевают дистанционные втулки и устанавливают подшипники, предварительно нагретые в масле.
Собранные валы укладывают в основание корпуса редуктора и надевают крышку корпуса, покрывая предварительно поверхности стыка крышки и корпуса спиртовым лаком. Для центровки устанавливают крышку на корпус при помощи двух конических штифтов; затягивают болты, крепящие крышку к корпусу.
После этого ставят крышки подшипников с комплектом металлических прокладок для регулировки.
Закладывают пластичную смазку в подшипниковые узлы.
Перед постановкой сквозных крышек в проточки закладывают манжеты. Проверяют проворачиванием валов отсутствие заклинивания (ваты должны проворачиваться от руки) и закрепляют крышки винтами.
Далее на конец быстроходного вала в шпоночную канавку закладывают шпонку и устанавливают шкив.
Затем ввёртывают пробку маслоспускного отверстия и пробки, указывающие уровень масла.
Заливают в корпус масло и закрывают смотровое отверстие крышкой с прокладкой из технического картона; закрепляют крышку болтами. Собранный редуктор обкатывают и подвергают испытаниям на стенде по программе, установленной техническими требованиями.
16.2 Монтаж привода
После монтажа рамы и установки барабана к раме крепят редуктор, контролируя при установке соосность тихоходного вала редуктора и вала барабана.
Далее соединяют валы редуктора и барабана муфтой.
Устанавливают в соответствующее отверстие двигатель и крепят к выходному валу двигателя при помощи шпонки быстроходный вал ремённой передачи. Болты двигателя закручивают, но не затягивают, давя ему возможность горизонтального перемещения. Установочными винтами устанавливают двигатель в нужное положение, контролируя натяжение ремней передачи. Затягивают болты крепящие двигатель.
Проводят обкатку двигателя в течение 30 минут.
Монтируют кожухи ограждения.
Заключение
В результате работы над проектом был разработан привод ленточного транспортёра для перемещения песка и щебня в карьере, полностью отвечающий требованиям технического задания.
Список литературы
Анурьев В.И. "Справочник конструктора машиностроителя" М.: Машиностроение 1978.
Васильев В.З. "Справочные таблицы по деталям машин" М.: Машиностроение 1966.
Дунаев П.Ф. "Детали машин. Курсовое проектирование" М.: Высшая школа 1990.
Чернавский С.А. "Курсовое проектирование деталей машин" М.: Машиностроение 1979.