Проектирование диспетчерского центра котельных установок
10
Содержание
Реферат
Введение
1. Описание функционирования котельной установки
1.1 Общая характеристика установки
1.2 Описание схемы типовой котельной установки
1.3 Описание технологического оборудования для производства пара
1.4 Схемы перевода котлов типа ДКВр в водогрейный или паровой режимы
2. Схема управления котельной установкой
2.1 Структура системы управления
2.2 Выбор и описание контроллера
2.3 Выбор и описание датчиков
2.4 Синтез системы управления котельной установкой
2.5 Реализация корректирующих устройств на регуляторах
3. Создание диспетчерского центра
3.1 Аппаратная часть
3.2 Программное обеспечение
4. Проектирование системы автоматизированного управления с использованием пакета Rational Rose
4.1 Построение структуры системы
4.2 Построение алгоритма работы системы
4.3 Генерация программного кода
5. Технико-экономическое обоснование
5.1 Пути снижения затрат за счет внедрения системы
5.2 Технико-экономические показатели эффективности от внедрения новой системы автоматизации
5.2.1 Технико-экономические показатели эффективности от внедрения новой системы автоматизации
5.2.2 Расчет стоимости оборудования
5.2.3 Годовые затраты на ремонтные работы
5.2.4 Годовые затраты на электроэнергию
5.2.5 Годовые амортизационные отчисления на оборудование
5.2.6 Годовые затраты на эксплуатацию
5.2.7 Прочая экономия
5.2.8 Годовая экономия от внедрения АТК
5.2.9 Годовой экономический эффект
5.2.10 Капитальные затраты на разработку и ввод в эксплуатацию АСУ ТП
5.2.11 Срок окупаемости капитальных вложений
5.2.12 Сводная таблица основных параметров
6. Охрана труда и окружающей среды
6.1 Описание объекта с точки зрения охраны труда
6.2 Разработка требований безопасности труда для обслуживающего персонала
6.3 Описание рабочего места оператора
6.4 Мероприятия по производственной санитарии и гигиене труда
6.5 Мероприятия по предотвращению электрошока
6.6 Обеспечение пожаробезопасности
6.7 Влияние котельных установок на окружающею среду
6.8 Мероприятия, проводимые на котельной станции в области охраны окружающей природной среды и рационального природопользования
Список используемой литературы
Приложение А
Реферат
Пояснительная записка состоит из 106 страниц текста, содержит 32 графических иллюстраций, шести таблицы. При работе над проектом были проанализированы основные источники материала, содержащие как специфичные, так и нормативные документы, использовано более 20 научных работ, докладов и профессиональных журналов.
Графическая часть состоит из 7 листов формата А1.
Перечень ключевых слов: система автоматического управления, диспетчерский центр, котельная установка, модернизация, контроллер.
Целью работы было проектирование диспетчерского центра котельных установок установкой способной работать в различных режимах, в зависимости от нагрузки. Основное управление процессом осуществляется микроконтроллером, алгоритмы функционирования которого содержат модули общего назначения, противоаварийные модули и каскадные контура регулирования параметров. Графическая реализация интерфейса проводимых работ осуществляется в главной операторной, основными функциями которой является предоставление полной информации оператору, дистанционное регулирование параметров, архивирование. Взаимодействие АПС с центральным контроллером осуществляется по медному кабелю с разъемом RJ11. Наличие человека в данной системе обуславливается сложностью и динамичность технологического процесса. Надежность системы реализуется за счет аппаратного резервирования; временной и функциональной избыточности; наличия систем диагностики и самодиагностики, что накладывает определенные требования на устанавливаемое оборудование. Все компоненты расположенные во взрывоопасной зоне должны иметь соответствующее техническое исполнение, высокие показатели точности, низкую инерционность (в отдельных случаях), малую связь с контактирующей средой. Эти факторы во многом определяют то, что надежность системы не будет зависеть от внедряемого оборудования и точно реализовывать принципы управления.
При экономическом анализе внедрения проектируемой системы, необходимо выделить основные факторы, говорящие о том, что система является выгодной. К ним относятся большой получаемый экономический эффект с малыми затратами на эксплуатацию, при том, что срок окупаемости внедряемой системы в 41 раз ниже нормативного, а наблюдение за состоянием системы производится всего тремя специалистами (операторами). На основании чего можно сказать, что система является полностью автоматической и требует только от оператора анализа ее работы.
Введение
В современном мире трудно представить себе жизнь без использования топлива, причем не в первобытном смысле – путем сжигания и только, а с максимальным использованием его теплового потенциала. Имеется ввиду использование теплоты сгорания топлива для ведения технологических процессов а также в энергетических установках непосредственно или путем передачи ее с помощью промежуточного теплоносителя. Самые распространенные теплоносители – водяной пар и вода.
Водяной пар используют для отопления промысловых и жилых зданий и сооружений, для производства электроэнергии, вместе с горячей водой нагнетают в пласты при добыче нефти для увеличения нефтеотдачи месторождений, разогрева эксплутационных скважин, в паровых турбинах и машинах и т.д.
В настоящее время в России и в странах СНГ эксплуатируется огромное количество котельных установок, которые в подавляющем большинстве морально и физически устарели, что приводит к значительным потерям тепла при производстве пара и подогреве воды. В связи с этим вопросы повышения технического уровня котельных, в частности, их эффективности и надежности, имеют важное народнохозяйственное значение и поэтому являются основными в деятельности многих научно-исследовательских и конструкторско-технологических организаций.
Основными направлениями развития опытно-конструкторских и научно-исследовательских работ являются:
Дальнейшая разработка и создание гибких унифицированных рядов котельных общего назначения, на основе которых должны создаваться специальные котельных по единичным и малым заказам.
Дальнейшая разработка и внедрение модульных котельных установок с максимальной степенью заводской готовности.
Проведение мероприятий, направленных на экономию материальных и энергетических ресурсов путем совершенствования конструкций теплообменной аппаратуры, использования вторичных энергоресурсов, внедрения прогрессивных технологических процессов и новых материалов, в том числе пластмасс и керамики.
Проведение работ по совершенствованию котельных путем организации рабочего процесса и конструкций машин на основе фундаментальных экспериментальных и теоретических исследований, математических моделей и подсистем САПР, создание комплексных математических моделей отдельных типов машин, описывающих рабочие процессы с учетом прочности и надежности конструкций и металлоемкости. Создание и внедрение норм расчета, оптимизированных программ экспериментальных исследований, стандартов на методы испытаний котельных и их элементов.
Исследования и разработка мероприятий по уменьшению шума и вибраций котельного оборудования, по повышению его надежности, безопасности и экологичности.
Ускорение создания системы стандартизации, внедрение единой классификации, терминологии и обозначений в области создания котельных установок с учетом международных стандартов.
Разработка и создание стандартных и передвижных автоматизированных измерительных комплексов для проведения испытаний котельных в соответствии с типовыми методиками при одновременной обработке опытных данных с использованием ЭВМ. Разработка и внедрение типовых схем и программ измерений, увязанных с соответствующими датчиками, преобразователями сигналов, программами обработки и анализа опытных данных в ходе испытаний.
Продолжение разработки и создание эффективных антиобледенительных систем.
Расширение работ по модернизации эксплуатируемого котлов и котельного оборудования с сохранением основных, особенно крупногабаритных элементов, и повышению основных технико-экономических характеристик с учетом требований эксплуатации.
Продолжение работы по созданию систем эффективных систем теплообменного оборудования.
В основном, котельные установки являются неотъемлемой составной частью большинства промышленных и общественных комплексов (химических, нефтеперерабатывающих, газовых, автомобильных, научно-исследовательских). Основная задача КУ – бесперебойное обеспечение объекта паром и горячей водой с заранее установленными параметрами. Следовательно отказ КУ приводит к простою всего комплекса или, как минимум, его большую часть, а это колоссальные убытки. Снижение расходов на обслуживание и продление межремонтного срока, а также упрощение диагностики неполадок в совокупности с повышением надежности, позволяет говорить о значительной выгоде связанной с применением новой системы управления вместо традиционной при модернизации существующих станций.
КУ требует постоянного контроля со стороны обслуживающего технического персонала, и предусматривает сохранение нормативных показателей работы основных узлов. Однако нестабильность нагрузки, которой подвергается КУ, приводит к сокращению как общих часов наработки, так и межремонтных сроков эксплуатации оборудования. Внедрение новой линейки управляющих средств, так и исполнительных механизмов позволило значительно улучшить показатели надежности, ремонтопригодности и экономической выгоды КУ. В основном, применялось оборудование из семейства, прошедшего тестирование на подобных агрегатах и показавших себя наилучшим образом, с расширенными функциональными возможностями (расширение основной платформы интегрированных модулей, наличие сетевых узлов, оптимизация и упрощение программных компонентов), приемлемыми показателями точности измерений.
1. Описание функционирования котельной установки
Водяной пар соответствующего давления и температуры (или горячую воду заданной температуры) получают в котельной установке, представляющей собой совокупность устройств и механизмов для сжигания топлива и получения пара. Котельная установка состоит из одного или нескольких рабочих и резервных котельных агрегатов и вспомогательного оборудования, размещаемого в пределах котельного цеха или вне его. Общее представление о рабочем процессе котельного агрегата на газообразном топливе дает схема котельного агрегата с основными и вспомогательными устройствами.
Общая характеристика установки
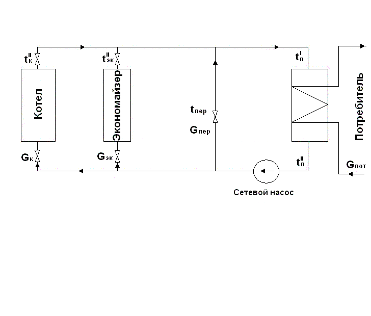
Источником теплоснабжения является реконструируемая котельная. Теплоноситель - пар и перегретая вода. Питьевая вода используется только для систем горячего водоснабжения. Для технологических нужд используется пар Р=0,6МПа. Для приготовления перегретой воды с температурой 150-70С предусматривается сетевая установка, для приготовления воды с t=65°С - установка горячего водоснабжения.
Система теплоснабжения - закрытая. В следствии отсутствия непосредственного водоразбора и незначительной утечки теплоносителя через неплотности соединений труб и оборудования закрытые системы отличаются высоким постоянством количества и качества циркулируемой в ней сетевой воды.
В закрытых водяных системах теплоснабжения воду из тепловых сетей используют только как греющую среду для нагревания в подогревателях поверхностного типа водопроводной воды, поступающей затем в местную систему горячего водоснабжения. В открытых водяных системах теплоснабжения горячая вода к водоразборным приборам местной системы горячего водоснабжения поступает непосредственно из тепловых сетей.
На промплощадке трубопроводы теплоснабжения прокладываются по мостам и галереям и частично в непроходных лотковых каналах типа Кл. Трубопроводы прокладывают с устройством компенсации за счет углов поворотов трассы и П-образных компенсаторов.
Трубопроводы приняты из стальных электросварных труб с устройством теплоизоляции.
Описание схемы типовой котельной установки

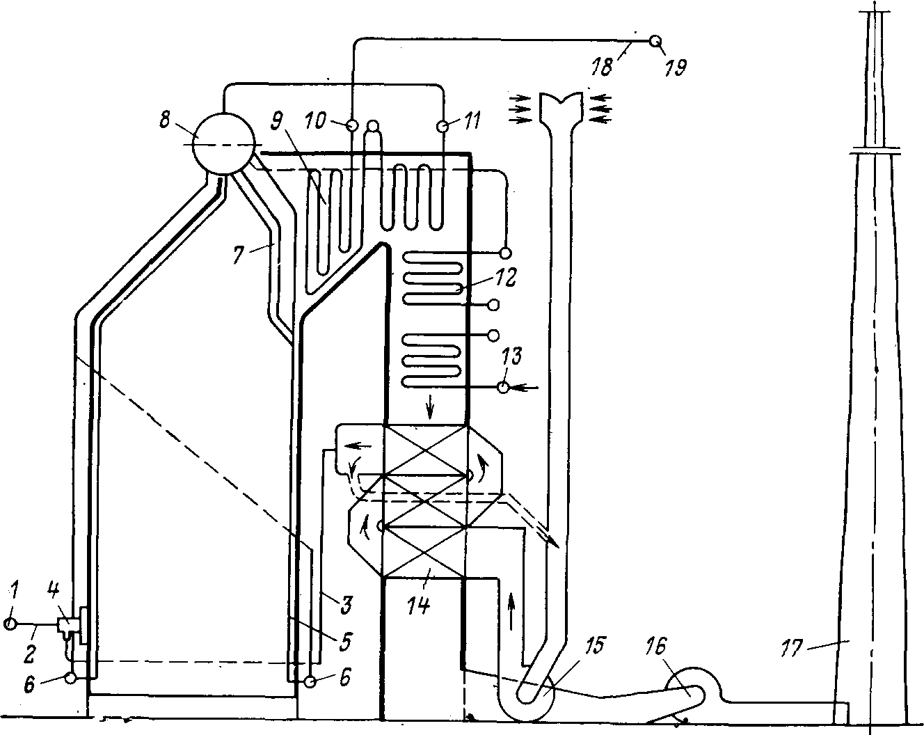
Рис.1.2.1 Схема котельного агрегата
Жидкое топливо по топливопроводам котельной 1 и котельного агрегата 2 подается в газовые горелки 4 и по мере выхода из них сгорает в виде факела в топочной камере.
Стены топочной камеры покрыты трубами 5, называемыми топочными экранами. В результате непрерывного горения топлива в топочной камере образуются нагретые до высокой температуры газообразные продукты сгорания. Продукты сгорания снаружи омывают экранные трубы и излучением (радиацией) и частично конвективным путем передают теплоту воде и пароводяной смеси, циркулирующим внутри этих труб.
Продукты сгорания, охлажденные в топке до температуры 1000-1200С, непрерывно двигаясь по газоходам котельного агрегата, омывают вначале разреженный пучок кипятильных труб 7, затем трубы пароперегревателя 9, экономайзера 12 и воздухоподогревателя 14, охлаждаются до температуры 150-200С и дымососом 16 через дымовую трубу 17 удаляются в атмосферу.
Движение воздуха и продуктов сгорания по газоходам котельного агрегата обеспечивается тяго-дутьевой установкой (вентилятор 15, дымосос 16 и дымовая труба 17).
Питательная вода (конденсат и добавочная предварительно подготовленная вода) после подогрева питательным насосом подается в коллектор 13 водяного экономайзера 12. В экономайзере вода нагревается до температуры, близкой к температуре кипения при давлении в барабане котла, а иногда частично испаряется в экономайзерах кипящего типа и направляется в барабан 8 котла, к которому присоединены трубы топочных экранов 5 и фестона 7. Из этих труб в барабан котла поступает образовавшаяся пароводяная смесь. В барабане происходит отделение (сепарация) пара от воды. Насыщенный пар затем направляется в сборный коллектор 11 и пароперегреватель 9, где он перегревается до заданной температуры. Перегретый пар из змеевиков пароперегревателя поступает в сборный коллектор 10. Отсюда он через главный запорный вентиль по паропроводу котельного агрегата 18 направляется в главный паропровод 19 котельной к потребителям. Отделившаяся от пара в барабане котла вода смешивается с питательной водой, по необогреваемым опускным трубам подводится к коллекторам 6 экранов и из них поступает в подъемные экранные трубы 5 и фестон 7, где частично испаряется образуя пароводяную смесь. Полученная пароводяная смесь снова поступает в барабан котла.
Последний элемент котельного агрегата по ходу газообразных продуктов сгорания – воздухоподогреватель 14. Воздух в него подается дутьевым вентилятором 15, и после подогрева до заданной температуры по воздухопроводу 3 направляется в топку.
Управление рабочим процессом котельных агрегатов, нормальная и бесперебойная их эксплуатация обеспечиваются необходимыми контрольно-измерительными приборами, аппаратурой и средствами автоматики.
Необходимость в тех или иных вспомогательных устройствах и их элементах зависит от назначения котельной установки, вида топлива и способа его сжигания. Основными параметрами котлов являются: паропроизводительность, давление и температура питательной воды, КПД.
Описание технологического оборудования для производства пара
Котлы бывают паровые и водогрейные.
Паровой котел - устройство, имеющее топку, обогреваемое продуктами сжигаемого в ней топлива и предназначенное для получения пара с давлением выше атмосферного, используемого вне самого устройства.
Водогрейный котел - устройство, имеющее топку, обогреваемое продуктами сжигаемого в ней топлива и предназначенное для нагревания воды, находящейся под давлением выше атмосферного и используемой в качестве теплоносителя вне самого устройства.
Котел- утилизатор - паровой или водогрейный котел, в котором в качестве источника тепла используются горячие газы технологического процесса.
Котел-бойлер - паровой котел, в паровом пространстве которого размещено устройство для нагревания воды, используемой вне самого котла, а также паровой котел, в естественную циркуляцию которого включен отдельно стоящий бойлер.
Стационарный котел – котел, установленный на неподвижном фундаменте.
Передвижной котел – котел, имеющий ходовую часть или установленный на передвижном фундаменте.
Паронагреватель – устройство, предназначенное для повышения температуры пара выше температуры насыщения, соответствующей давлению в котле.
Экономайзер – обогреваемое продуктами сгорания топлива устройство, предназначенное для подогрева или частичного испарения воды, поступающей в паровой котел.
Паровой котел вместе с дополнительными устройствами, представляющими собой различные аппараты, предназначенные для преобразования химической энергии топлива в тепловую энергию пара, называется котлоагрегатом.
Несколько котлоагрегатов, объединенных в общем, помещении, образуют котельную установку.
Котельная установка может состоять и из одного котлоагрегата.
Котельные установки в промышленности предназначаются для выработки пара, применяемого в паровых двигателях (паровых машинах и паровых турбинах) и при различных технологических процессах (варка, выпаривание, сушка и т.п.), а также для отопления, вентиляции и бытовых нужд.
Поэтому в зависимости от назначения различают следующие разновидности котельных установок:
Энергетические - вырабатывающие пар для паровых двигателей;
Производственно- отопительные – вырабатывающие пар для потребностей производства, отопления и вентиляции;
Отопительные – вырабатывающие пар для отопления производственных и жилых помещений;
Смешанного назначения – вырабатывающие пар для снабжения одновременно паровых двигателей, технологических нужд и отопительно - вентиляционных установок.
Основными элементами современного котлоагрегата являются котел, топка, паронагреватель, экономайзер, воздухонагреватель, а также обмуровка и каркас.
Для управления работой котельного агрегата и обеспечения нормальной и безопасной его эксплуатации он снабжается контрольно - измерительными приборами, приспособлениями, автоматами и арматурой. Сюда относятся: манометры, предохранительные клапаны и устройства, водоуказательные приборы, вентили и задвижки, служащие для подключения или отключения котлоагрегатов от паровых, питательных и спускных (продувочных) трубопроводов.
Топка и газоходы котла снабжаются гарнитурой. В её состав входят: фронтовые дверцы, гляделки, лазы и шиберы в газоходах, люки для обдувки котлоагрегата от сажи и золы, взрывные предохранительные клапаны.
Вспомогательными устройствами котлоагрегата или котельной установки в целом являются: питательные трубопроводы и паропроводы, воздухопроводы, питательные насосы и баки, оборудование водоподготовки, вентиляторы и дымососы, золоуловители, дымовая труба, склады для топлива, устройства для подачи топлива, удаление золы и шлака.
Рабочими телами, участвующими в процессе получения горячей воды или пара для производственно – технических целей и отопления, служат вода, топливо и воздух.
Паровой котел является основным элементом котлоагрегата, он представляет собой теплообменное устройство, через металлические стенки которого происходит передача тепла от горячих продуктов горения топлива к воде для получения пара.
Паропроизводительность котельной установки или её мощность представляет собой сумму паропроизводительностей отдельных котлоагрегатов, входящих в её состав.
Паропроизводительность котлоагрегата определяется количеством килограммом или тонн пара, производимого им в час, обозначается буквой D и измеряется в кг/ч или т/ч.
Топочное устройство котлоагрегата служит для сжигания топлива и превращения его в химической энергии в тепло наиболее экономичным способом.
Пароперегреватель предназначен для перегрева пара, полученного в котле за счет передачи ему тепла дымовых газов.
Водяной экономайзер служит для подогрева поступающей в котел питательной воды теплом уходящих из котла дымовых газов.
Воздухоподогреватель предназначен для подогрева поступающего в топочное устройства воздуха теплом уходящих газов.
Устройство для подготовки питательной воды состоит из аппаратов и приспособлений, обеспечивающих очистку воды от механических примесей и растворенных в ней накипеобразующих солей, а также удаления из неё газов.
Питательная установка состоит из питательных насосов для подачи воды в котел под давлением, а также соответствующих трубопроводов.
Тяго–дутьевое устройство состоит из дутьевых вентиляторов, системы газо – воздуховодов, дымососа и дымовой трубы, обеспечивающих подачу необходимого количества воздуха в топочное устройство, движение продуктов сгорания по газоходам и удаления продуктов сгорания за пределы котлоагрегата.
Устройство теплового контроля и автоматического управления состоит из контрольно – измерительных приборов и автоматов, обеспечивающих бесперебойное и согласованную работу отдельных устройств котельной установки для выработки необходимого количества пара определенно температуры и давления.
В данной курсовой работе предлагается автоматизация системы с использованием паровых котлов, входящих в котлоагрегаты.
Такой выбор обуславливается тем, что используются котлоагрегаты, в основе которых - паровые котлы высокой паропроизводительности, которые снабжают город теплом, горячей водой и электроэнергией, а для промышленных предприятий, находящихся в черте города, они вырабатывают еще и пар, необходимый для технологического процесса.
Рассмотрим устройство парового котла.
Котел представляет собой металлический сосуд, герметически закрытый, обогреваемый горячими газами и предназначенный для получения горячей воды или насыщенного водяного пара давлением выше атмосферного.
Котел представляет собой цилиндрический сосуд с выпуклыми днищами. Такая форма придана котлу как наилучшая по условиям прочности для сосудов, работающих под давлением. Этот котел состоит из наружного и двух внутренних цилиндров. К ним приварены упомянутые выше выпуклые днища (переднее и заднее).
Пространство между наружным и внутренним цилиндрами служит для заполнения его водой и паром, получающимся при работе котла.
Часть объема котла, всегда заполненная водой до определенного уровня, называется водяным пространством.
Та часть внутреннего объема котла, которая при работе постоянно заполнена паром, называется паровым пространством. Паровое пространство необходимо для сбора пара, образующего в котле, и в то же время для того, чтобы дать пару время выделить увлеченные им частицы воды.
Схемы перевода котлов типа ДКВр в водогрейный или паровой режимы
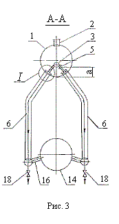
Котлы типа ДКВр, переведенные на водогрейный режим работы по данной схеме, разработанной НПО ЦКТИ и БиКЗ могут работать во всем диапазоне теплопроизводительности при температуре воды на выходе из котла от 95 до 115°С и давлении воды на входе в котел не более 13 кгс/см2.
Отвод воды из котла необходимо осуществить из верхнего барабана 1 через штуцер 2 для отвода пара.
Подвод воды в котел следует выполнять двумя параллельными потоками.
Первый поток, составляющий 60 % от общего расхода воды котел - через продольный патрубок 3 диаметром 159-219 мм с донышками 4, установленный внутри верхнего барабана 1. На фронтовом участке продольного патрубка 3 (рис. 1.3.2, рис. 1.3.3, рис. 1.3.4) должны быть сопла 5 диаметром (Д>1>) 57 - 60 мм. Выходные сечения сопел 5 устанавливаются заподлицо с выходными сечениями опускных труб 6 экранов топочной камеры 7 и сетевая вода направляется непосредственно в эти опускные трубы 6.

Рис. 1.3.2 Рис. 1.3.3 Рис. 1.3.4
При этом котловая вода из верхнего барабана 1 эжектируется в стояки 6, обеспечивая подогрев сетевой воды.
В задней части верхнего барабана 1 (рис. 1.3.5) на концевом участке патрубка 3 должно быть пять рядов отверстий 8диаметрам 14 мм о шагом (п) 20 мм. направленных в сторону опускных труб 9 котельного пучка 10.

Рис. 1.3.5 Рис. 1.3.6
Расстояние (а) от отверстий 8 до стенки верхнего барабана 1 должно быть не менее 200 - 250 мм.
Количество отверстий 8 в продольном патрубке 3 в зависимости от теплопроизводительности котла должно составлять при:
2.5 Гкал/ч - 30 шт.
4.0 Гкал/ч - 50 шт.
6.5 Гкал/ч - 75 шт.
10.0 Гкал/ч - 100 шт.
Подвод сетевой воды в продольный патрубок 3 производить одним патрубком II диаметром 108 - 219 мм (или двумя патрубками диаметром 108 - 133 мм).
Второй поток, составляющий 40 % от общего расхода воды через котел - через патрубок 12 - с донышком 13 диаметром 108 - 133 мм установленный внутри нижнего барабана 14.
На концевом участке патрубка 12 (рис. 1.3.6) должны быть сопла 15 диаметром (Д>1>) от 32 до 57 мм соответственно диаметру (Д>2>) перепускных труб 16 между нижним барабанам и всеми коллекторами 17 топочных экранов.
Выходные сечения сопел 15 устанавливаются заподлицо с входными сечениями перепускных труб 16 и сетевая вода направляется непосредственно в эти перепускные трубы 16. При этом котловая вода из нижнего барабана 14 эжектируется в перепускные трубы 16, обеспечивая подогрев сетевой воды.
Продольный патрубок 3 в верхнем барабане 1 должен иметь опоры, выполненные из уголка или прутка, приваренного к продольному патрубку 3 и свободно опирающегося на боковые стенки верхнего барабана 1.
Сепарационные устройства в верхнем барабане 1 могут быть демонтированы при окончательном переводе котла на водогрейный режим работы.
Схема включения котлов в тепловую схему котельной представлена на рис 1.3.7.

Рис 1.3.7 Схема включения котлов в тепловую схему котельной
Экономайзер 19 должен быть включен по воде параллельно трубной системе котла. На экономайзере 19 должны устанавливаться не менее чем по одному предохранительному клапану 20 на выходе и входе воды.
Водоотводящие трубы от существующих предохранительных клапанов котла и предохранительных клапанов 20 экономайзера 19 должны быть присоединены к линии свободного слива воды, причем как на них, так и на сливной линии не должно быть никаких запорных органов. При этом устройство системы водоотводящих труб и линий свободного слива должно исключать возможность ожога людей.
При эксплуатации котлов типа ДКВр в водогрейном режиме следует выполнять следующие требования к режиму работы котла:
1.Температура воды на выходе из котла должна быть не менее 90 ºС при работе на газообразном и твердом топливе и не менее 110 ºС при работе на мазуте на всех нагрузках, в том числе при пусках котла.
2. Расход воды через котел должен быть при максимальной нагрузке не менее расчетной величины, определяемой в зависимости от разности температур воды на выходе и входе в котел и теплопроизводительности котла.
3. Допускается сезонное снижение расхода воды через котел до 50% от расчетной величины при соответствующем уменьшении теплопроизводительности котла.
4. Величина расхода веды через экономайзер должны быть на всех нагрузках равной расчетной паропроизводительности котла.
5. Давление воды на выходе из котла должно выбираться на всех нагрузках с учетом величины подогрева воды до кипения не менее чем на 20 ºС.
6. Качество сетевой и подпиточной воды должно соответствовать требованиям "Правил устройства и безопасной эксплуатации паровых и водогрейных котлов".
Котел должен быть оборудован автоматическими приборами, прекращающими подачу топлива в топку котла, а при слоевом сжигании топлива – отключающими тягодутьевые устройства и топливоподающие механизмы топки в случаях:
а) повышения давления воды на выходе из котла более чем на 5 % расчетного или разрешенного давления;
б) понижении давления воды на выходе из котла до значения соответствующего давлению насыщения при максимальной температуре воды на выходе из котла;
в) повышения температуры воды на выходе из котла до значения, соответствующего температуре насыщения при рабочем давлении на выходе из котла, уменьшенной на 20 ºС;
г) уменьшения расхода воды через котел до значения, при котором недогрев воды до кипения на выходе из котла при максимальной нагрузке и рабочем давлении на выходе из котла достигает 20 ºС.
При работе в водогрейном режиме по данной схеме гидравлическое сопротивление котлов типа ДКВр составляет не более 1.0 кгс/см2, а их коэффициент полезного действия при этом возрастает по сравнению с паровым режимом не менее, чем на 1.0-1.5 %.
2. Схема управления котельной установкой
Распределенная автоматизированная система управления (РСУ) технологическим процессом котельной представляет собой совокупность технических средств, предназначенных для мониторинга и управления технологическим процессом. Базовым техническим средством данной системы управления является многоконтурный контроллер DeltaV серии M5+.
Верхний уровень данной РСУ представляет собой операторскую станцию на основе персонального компьютера с программным обеспечением DeltaV.
К основным функциям операторской станции можно отнести: мониторинг технологических параметров, управление, возможность записи и хранения истории по важным технологическим параметрам, организация оповещающей сигнализации, фиксации команд оператора и оповещающей сигнализации в журнале событий, возможность отображения истории параметров в виде графиков, организация технологических отчетов, также ряд других сервисных функций.
Структура системы управления
АСУ ТП предназначена для выполнения следующих задач:
Автоматизированного контроля и управления в реальном масштабе времени технологическим процессом, а также поддержание его на регламентированном уровне;
Обеспечение высокого уровня безопасности технологического процесса:
Постоянство анализа динамики изменения параметров в сторону критических значений и прогнозирование возможных аварийных ситуаций;
Проведение операций безаварийного пуска, останова и всех необходимых для этого переключений;
Действий средств управления и проектируемых автоматизированных защит, прекращающих развитие аварийных ситуаций;
Система управления реализовывает непрерывный контроль за состоянием и режимами работы технологического оборудования и агрегатов, предупредительную и аварийную сигнализацию при отклонении режимных параметров от регламентированных норм и установок, дистанционное управление исполнительными механизмами, противоаварийную защиту технологического оборудования и объектов, расчет технико–экономических показателей, архивирование информации, формирование и печать технологических протоколов, аварийных сообщений и отдельных документов.
АСУ ТП котельной установки представлена как иерархическая система оперативного контроля и управления, располагающаяся в центральной операторной.
Иерархическая структура АСУ ТП обеспечивает следующие уровни управления:
Уровень оперативно-производственной службы (ОПС) – верхний уровень АСУ ТП;
Уровень системы автоматизированного управления (САУ) технологическими объектами – нижний уровень АСУ ТП;
Уровень оперативно-производственных служб.
Уровень оперативно-производственных служб предназначен для:
Формирования человека -машинного интерфейса;
Регистрации и визуализации состояния технологических объектов;
Управление в реальном масштабе времени;
Сигнализация отклонения параметров технологического процесса от регламентных предупредительных и предаварийных границ;
Дистанционное управление исполнительными механизмами и электроприводами агрегатов;
Регистрации в базе данных, архивирования событий и изменения значений технологических параметров;
Формирование и печати технологических сводок, учетных и отчетных документов.
На данном уровне оперативно-технологическим персоналом, с использованием аппаратно-программных средств АСУ ТП, осуществляется оперативный контроль за текущим состоянием и режимами работы основных и вспомогательных технологических процессов, а также выдача установок по регулированию технологических параметров.
Уровень системы автоматизированного управления.
Технологическими средствами данного уровня осуществляется автоматический контроль и управление процессами, поддержание заданных режимов работы, аварийная защита оборудования; и обмен информацией с вышестоящим уровнем.
На данной уровне обеспечивается реализация следующих функций:
Измерение технологических параметров;
Автоматическое управление режимами работы технологического оборудования;
Управление исполнительными механизмами;
Контроль безопасности и аварийная защита технологического оборудования.
АСУ ТП включает в себя функционально выделенную систему противоаварийной автоматической защиты (ПАЗ). Система ПАЗ обеспечивает распознавание аварийной ситуации (выход за аварийные пределы технологических параметров) и автоматический перевод технологического оборудования в безопасное состояние. Аварийная ситуация могут привести к выходу из строя технологического оборудования, загрязнению окружающей среды, также угрожать жизни и здоровью людей. Отработка алгоритмов ПАЗ сопровождается формированием и выдачей оперативно-технологическому персоналу световой и звуковой сигнализации. Основная схема, реализующая данный алгоритм представлена на рис. 2.1.2
Функционально выделенная система ПАЗ находится в состоянии ожидания на любом этапе пуска, работы и остановки котельной установки, в результате чего, перевод системы на безопасный режим осуществляется независимо от состояния системы при условии наличия критического порога. Ввиду сложности и большой динамики технологического процесса большое внимание уделяется надежности системы.
Надежность системы ПАЗ обеспечивается:
Аппаратным резервированием (дублированием);
Временной и функциональной избыточностью;
Наличием систем диагностики и самодиагностики;
Охранными порогами перехода системы.
Для обеспечения бесперебойной работы оборудования АСУ ТП электроснабжение производится через источник бесперебойного питания (ИБП). ИБП обеспечивает функционирование системы до переключения фидера питания или на время необходимое для перевода технологического объекта в безопасное состояние.
Применение искробезопасных барьеров защиты при работе современных систем АСУ ТП, работающих на объектах с взрывоопасными средами и построенных на электронных средствах контроля и измерения, является необходимым условием, т.к.: при обрывах в цепях измерений сигналов 4-20мА уровень напряжения в цепи датчика будет равным напряжению источника питания, что витиевато возникновением пожара. Поэтому для искробезопасных барьеров устанавливается порог срабатывания равным 24В. При превышении уровня 24В напряжения источника питания возникает ток утечки в диапазоне 0-4мА, дающий ложный сигнал целостности цепи.
Для предотвращения этого в систему, контролирующую обрыв в цепи датчиков сигналов 4-20мА, напряжение источника питания цепи датчика устанавливать ниже порога защиты срабатывания искробезопасных барьеров защиты на 0,2-0,3В или устанавливать последовательно в цепь источника питания диод.
САУ КУ должна удовлетворять требованиям безопасности, охраны труда и производственной санитарии в соответствии с ГОСТ 12.2.003 и Законом РФ «Об охране труда».
Электрооборудование САУ КУ должно отвечать требованиям «Правил устройства электроустановок», «Правил техники безопасности при эксплуатации электроустановок до 1000В», ГОСТ12.2.007.0 и ГОСТ12.2.007.1.
Оборудование САУ КУ должно иметь специальные болты для подключения к системе заземления. Заземляющие болты должны иметь маркировочный знак по ГОСТ 2.751.
Сигнальные цвета, размеры, форма и цвет знаков безопасности должны соответствовать ГОСТ 12-4.026.
2.2 Выбор и описание контроллера
Средства традиционного ввода-вывода (в/в) представляют собой модульную подсистему, обеспечивающую разнообразие вариантов при установке. Ее конструкция предусматривает установку поблизости от полевых устройств. Подсистема традиционного в/в оборудована ключами защиты функциональной совместимости и подключения полевых устройств, которые гарантируют, что плата в/в может быть включена только в совместимый с ней клеммный блок. Модульность, ключи защиты, поддержка принципа «включи и работай» делают платы традиционного ввода-вывода разумным выбором для системы управления технологическим процессом.
В состав подсистемы традиционного ввода-вывода входят:
1. Несущая панель (монтируется на рейке DIN), на которую устанавливаются все компоненты,
осуществляющие ввод-вывод.
2. Групповой источник питания полевых устройств с выходным напряжением 24 В.
3. Интерфейс в/в, состоящий из платы в/в и клеммного блока.
4. Различные платы аналогового и дискретного в/в, имеющие одинаковые внешний корпус и разъемы и легко устанавливающиеся на несущую панель.
5. Различные клеммные блоки, которые устанавливаются на несущую панель и к которым может быть подключена проводка до установки плат в/в.
6. Платы ввода-вывода, установленные на 8-гнездовую несущую панель
7. Дополнительное оборудование ввода-вывода
8. Резервируемые источники питания и контроллеры, установленные на 2-гнездовую несущую панель
Все платы в/в помещены в одинаковые корпуса, которые вставляются в несущую панель интерфейсов в/в. На корпусе четко указан тип содержащейся в нем платы. С помощью хорошо заметных светодиодов, расположенных в верхней части платы в/в, можно сразу видеть индикацию подачи питания, ошибки и статуса для каждого из 8 каналов платы.
Изделия удовлетворяют требованиям стандарта ISA G3 по коррозионной стойкости за счет тщательного отбора электронных компонент высокого качества и применения плотно прилегающих защитных покрытий. Для низкочастотных импульсных сигналов (менее 125 Гц) может использоваться любая плата дискретного ввода. Наиболее широко для импульсных сигналов используются платы на 24 В пост. тока. Если Вы хотели бы войти в мир интеллектуальных производств, Вас, вероятно, заинтересуют те преимущества, которые обеспечивает оборудование, поддерживающее протоколы HART и FOUNDATION fieldbus.
Существует два вида плат:
а. Аналогового в/в
б. Дискретного в/в
Рассмотрим данные виды плат поподробнее.
а. Плата аналогового ввода-вывода

Рис. 2.2.2 Характеристики платы аналогового ввода
Основные параметры и характеристики представлены в рисунке 2.2.2
На рисунке 2.2.3 представлена схема 8-канального аналогового ввода

Рис. 2.2.3 схема 8-канального аналогового ввода
б. Плата дискретного ввода-вывода

Рис. 2.2.4 Характеристики платы дискретного ввода
Основные параметры и характеристики представлены в таблице 2.2.4.
На рисунке 2.2.5 представлена схема 8-канального дискретного ввода

Рис. 2.2.5 схема 8-канального дискретного ввода
Возможна поставка различных клеммных блоков в/в, соответствующих конкретным функциональным требованиям и внешним условиям. Используемые вместе клеммные блоки и платы в/в снабжены ключами функциональной и электрической защиты, которые гарантируют, что только работающие вместе плата и клеммный блок могут подключаться друг к другу. Клеммные блоки могут для ускорения монтажа системы устанавливаться и подключаться отдельно от плат. Для тех полевых устройств, которые расположены во взрывобезопасных зонах, или для дискретных полевых устройств, которым требуется больший ток, чем максимальный выдерживаемый платой, предоставляется групповой клеммный блок с 10, 16 или 24-контактами для соединения с промежуточными панелями. Низкоуровневые сигналы проводятся по ленточному кабелю 0,093 мм2 (28 по AWG . Американскому сортаменту проводов) или круглому измерительному кабелю. Для полевых устройств, требующих внешнего питания, может поставляться клеммный блок в/в, предназначенный для 4-проводных устройств. Такой клеммный блок в/в используется вместе с платой аналогового ввода 4-20 мА. В нашем случае производится заказ специальной платы поддерживающей протокол MLink.
2.3 Выбор и описание датчиков
В данной котельной установке используется несколько типов датчиков.
Рассмотрим подробнее каждый из них
а. Датчик давления
Датчики производства фирмы «Метран» Метран-55
Рассмотрим основные характеристики и параметры датчика

Рис. 2.3.2 Характеристики и параметры датчика
б. Датчик температуры
В данном случае используется два вида датчиков температур.

Рис. 2.3.3 Рис 2.3.4
Первый тип датчиков (рис. 2.3.3) необходим для вмонтирования в материал, в нашем случае в печь.
Основные характеристики представлены на рисунке 2.3.5

Рис. 2.3.5 Основные характеристики датчика TXA/TXK-0292
Второй вид датчиков (рис. 2.3.4) необходим для монтажа в трубы
Основные характеристики представлены на рисунке 2.3.6

Рис. 2.3.6 Основные характеристики датчика TXA/TXK-0192
2.4 Синтез системы управления котельной установкой
По заданной функциональной схеме составим структурные схемы исходной системы. Определим передаточные функции звеньев.
Таблица 2.1 Определение передаточной функции звеньев
|
Название звена |
Передаточная функция |
|
|
Формула |
Расчёт |
|
|
Задвижка |
W>З>(р)= |
W>З>(р)= |
|
Котел |
Wк(р)= |
W>К>(р)= |
W>ИСХ>
= Wз*Wк
=
=
(2.1)
Проверим исходную систему на устойчивость, т. е. получим график переходного процесса (рис. 2.4.1):

Рис. 2.4.1
Из рисунка видно, что переходный процесс является расходящимся, следовательно исходная система неустойчива и требует регулирования.
Первый контур регулирования

Рис.2.4.2
К>Т >= 0.08/8 = 0.01 ,(2.2)
Найдем исходную ПФ 1 контура
W>ИСХ1>(p)= Wз*Wк *К>Т>, (2.3)
W>ИСХ1>(р)
=

0.01
=
,
(2.4)
Будем настраивать внутренний контур на технический оптимум.
При настройке на технический оптимум желаемая передаточная функция имеет вид
W>ж1>(р)=
(2.5)
С другой стороны W>Ж1> (р)= W>рег1>(р)* Wисх>1>(р), следовательно
W>рег1>(р)=
(2.6)
W>рег1>(р)=
,
(2.7)
Выполним проверку. Найдем желаемую ПФ замкнутой системы
(2.8)
Найдем ПФ замкнутого первого контура
Ф>1>(S)=
=
,
(2.9)
Для дальнейших расчетов примем
Ф>1>(S)
≈
,
(2.10)
Расчеты выполнены верно:
Ф>1>(S) = Ф>Ж1> (S).
Найдем ПФ замкнутой и разомкнутой системы
Wраз=Ф>3>*
,
(2.11)
,
(2.12)
Проверим систему на устойчивость, т. е. получим график переходного процесса (рис.2.4.3):

Рис. 2.4.3
Из рисунка видно, что время переходного процесса равно 0.8 сек, следовательно рассчитанный регулятор подходит для данной системы и система является устойчивой.
2.5 Реализация корректирующих устройств на регуляторах
МЕТОДИКА СИНТЕЗА ЦИФРОВОГО РЕГУЛЯТОРА
В связи с тем, что контроллер, используемый в системе управления ТП, работает дискретно, то и регуляторы должны быть представлены в дискретном виде (аппроксимация Тустена или Z - преобразования ).
Существуют различные методы синтеза цифровых регуляторов, основанные на теории Z - преобразования и пространства состояний. Эти методы требуют очень громоздких математических преобразований и используются в особо точных системах управления.
Рассмотрим более простой подход, состоящий в предварительном синтезе непрерывных регуляторов известными методами теории автоматического регулирования для непрерывных систем и последующем переходе к цифровому регулятору, эквивалентному синтезированному аналоговому.
Задача переоборудования аналоговых регуляторов решается как задача аппроксимации передаточной функции данного регулятора дискретной передаточной функцией цифрового регулятора.
В инженерной практике наибольшее применение нашла аппроксимация, полученная на основе билинейного преобразования или аппроксимация Тустена.
Согласно этой аппроксимации
;
,
(2.13)
где Т - интервал дискретизации по времени
Однако, этим методом можно пользоваться только тогда, когда интервал дискретизации по времени для цифровой системы Т мал по сравнению с самой малой постоянной времени системы управления Т>>. Согласно теореме Котельникова - Шеннона непрерывный сигнал достаточно точно восстанавливается по совокупности его дискретных значений, если
Т 0,5 Т>>.>. >(2.14)
На практике рекомендуется иметь больший коэффициент запаса
Т ( 0,1 - 0,2 ) Т>>.(2.15)
Определим период дискретизации (Т): это обратная величина от частоты контроллера, но лучше взять частоту АЦП, которая в нашем случае равна 48КГц=48000Гц. Выбор частоты АЦП связан с тем, что скорость обработки информации в первую очередь зависит от скорости работы АЦП.
,
(2.16)
Проверим соблюдение условия (теорема Котельникова - Шеннона)
Т 0,5 Т>>.>. >(2.17)
0.00001 0,5*0.02,> >(2.18)
0.00001 0.01, (2.19)
Условие соблюдается, следовательно период дискретизации выбран правильно.
Произведем перевод полученных регуляторов в дискретные.
Синтез цифровых регуляторов по средствам программы MatLab
W>рег1>(р)
=
,
(2.20)
W>рег1>(z)
=
,
(2.21)
3. Создание диспетчерского центра
В настоящее время в поселке Варламово в эксплуатации находятся две котельные установки и еще одна готовится к пуску в этом году. Такое количество полностью перекрывает нужду населения и учреждений. В данной дипломной работе мы рассмотрим создание единого диспетчерского центра для котельных установок. Создание такого центра обусловлено техническим заданием руководства УЖКХ, для того чтобы иметь постоянный контроль за процессом работы котельных установок в режиме реального времени. Диспетчерский центр должен находиться в здании УЖКХ п. Варламово.
3.1 Аппаратная часть
В состав аппаратной части входи входят:
а. Компьютер
б. сетевая карта
в. модем
Рассмотрим каждый пункт подробнее.
а. Компьютер
Компьютер для диспетчерского центра должен иметь следующие характеристики:
процессор;
Должен иметь большие характеристики по производительности, т.к. он должен будет обрабатывать данные поступающие с котельных станций, а также вести архивирование и резервное копирование всех данных и параметров. В данном случае мы остановились на процессоре фирмы Intel Pentium 4 (2.66 ГГц, Socket-755).
материнская плата;
Должна подходить по параметрам взаимодействия с процессором, а также иметь встроенный сетевой контроллер. В данном случае мы остановились на материнской плате фирмы ASUSTeK P5GD1 PRO
Оперативная память;
Должна по подходить по параметрам взаимодействия с материнской платой. Объем оперативной памяти должен составлять не менее 1 Гб. В данном случае мы остановились на оперативной памяти фирмы Kingston (DIMM 512 DDR SDRAM PC3200). Приобретаем две панели.
Жесткий диск;
Должен иметь достаточно большое дисковое пространство для хранения отчетов, архивов и резервных копий. В данном случае мы остановились на жестком диске фирмы Seagate (HDD 120 Гб, SATA).
Видеокарта
Должна иметь средние характеристики по производительности. В данном случае мы остановились на видеокарте фирмы MicroStar MS-8940 120 Мб.
Корпус;
Должен иметь блок питания не менее 400 Вт. В данном случае мы остановились на корпусе фирмы Foxconn TPS-538 400W.
Устройства ввода;
Клавиатура и мышь выбираются любые и не должны соответствовать каким либо специальным параметрам. В данном случае мы остановились на клавиатуре и мышке фирмы Genius.
Монитор;
Должен иметь диагональ не менее 17 дюймов и высокое качество изображения, т.к. оператор 12 часов проводит за свои рабочим местом. В данном случае мы остановились на мониторе фирмы Samsung SyncMaster 797MB.
Колонки;
Необходимы для вывода звуковой информации. В данном случае мы остановились на колонках фирмы Genius Mini SP-Q06.
Привод DVD+/-RW;
Необходим для записи информации для длительного хранения. В данном случае мы остановились на приводе фирмы Nec ND-4550A.
б. Сетевая карта
В нашем случае это сетевая карта фирмы D-Link DFE 550 TX 10/100.
Необходимо приобрести две сетевых карты.
Т.к. наша система будет работать на скорости 100 Мб/с то оборудование выбирается в соотношении характеристики-цена. Данная сетевая карта является одной из наиболее приемлемых моделей.
в. Модем
Для взаимодействия по протоколу MLink нам необходим VDSL-модем, который обеспечивает высокую скорость передачи данных. Необходимо приобрести 3 модема, по модему на каждую станцию.
Таким образом, соединение компьютера с контроллером происходит удаленно по медным проводам через модем. Для устойчивой работы необходимо также создать «выделенный» канал связи. Он создается на АТС.
3.2 Программное обеспечение
Программное обеспечение поставляется вместе с контроллерами DeltaV.
Рассмотрим этот программный продукт подробнее.
Для нашей системы выбираем пакет ПО «Профессиональный плюс»
Каждая система DeltaV имеет одну и только одну рабочую станцию с пакетом программного обеспечения «Профессиональный ПЛЮС». Эта рабочая станция поддерживает глобальную базу данных конфигураций системы, а также обеспечивает конфигурирование системы. Таким образом, пакет ПО «Профессиональный ПЛЮС» является основным интерфейсом системы, предназначенным для решения инженерных и конфигурационных задач. Для небольших систем DeltaV данный пакет может служить также как интерфейс для операторского управления и диагностики. Таблица 3.1 содержит описание станции Профессиональной ПЛЮС.
Таблица 3.1
|
Приложения, которые входят в состав пакета |
Лицензии, которые можно добавить |
Неразрешенные Приложения |
|
AMSinside (Ff) Конфигурационная база данных** Пакет ПО «Студия Конфигурирования» Архиватор данных процесса, 250 параметров Студия управления–Онлайн Диагностика Журнал Событий ** ПО «Просмотр Истории» Интерфейс оператора** Пакет ПО «Студия Рецептур» Автонастройщик |
Интерфейс Оператора рецептур, VE2146 Базовое управление периодическими процессами, VE2234Sxxxx Профессиональное управление периодическими процессами, VE2236Sxxxx Служба удаленного доступа DeltaV для пакета «Профессиональный ПЛЮС», VE2151 |
Архиватор данных рецептур Управляющее ПО «Вычисления» Архиватор данных процесса, >250 параметров Управляющее ПО «Сбор Данных» OPC сервер, >250 значений |
Система DeltaV поддерживает три языка управления, так что всегда можно выбрать наиболее подходящий язык для конкретной задачи. Можно использовать Диаграммы функциональных блоков (ДФБ), Диаграммы функциональных последовательностей (ДФП) и структурированный текст (СТ), что делает разработку стратегии управления интуитивно понятной и простой.
Функциональность лицензии "Сбор данных" включена в базовую функциональность ПО "Профессиональное ПЛЮС".
Пример: Если заказывается лицензия "Профессиональная ПЛЮС" на 1000 ТПУ и "Управление" на 200 ТПУ, то 800 ТПУ можно использовать для контроля (регистрации данных, мониторинга). В модулях, которые выполняют только функции мониторинга, можно использовать перечисленные ниже функциональные блоки. Применение других функциональных блоков в модуле или использование параметров, ссылающихся на модули только для мониторинга, приведет к тому, что все ТПУ этого модуля будут рассматриваться как ТПУ для управления.
Функции расширенного управления, входящие в ПО Нечеткая логика, Автонастройщик и Нейро DeltaV, а также в ПО сторонних производителей для управления с прогнозированием по модели, лицензируются отдельно и не включаются в перечисленные выше категории лицензий (за более подробной информацией обратитесь к техническим проспектам по соответствующим разработкам для расширенного управления).
Предварительные условия для работы:
- Контроллер DeltaV M3, M5 Plus или MD.
- Одна станция Профессиональная Плюс должна входить в систему DeltaV для конфигурирования программного обеспечения.
4. Проектирование системы автоматизированного управления с использованием пакета Rational Rose
На диаграмме вариантов использования видно, что режим работы задается оператором вариантом использования «Управление системой». После запуска оператором процесса контроллер, получая данные от датчиков, управляет устройствами. Контроллер выдает в той или иной форме информацию о текущем состоянии процесса, что показано на диаграмме вариантом использования «Предоставление отчета». Протоколирование работы системы не рассматривается в данном проекте.
4.1 Построение структуры системы
Физическое представление системы управления не может быть полным, если отсутствует информация о том, на какой технологической платформе она реализована. Поэтому после того, как основные функции системы определены, следует определиться с аппаратной частью проектируемой системы. На основании этого построим диаграмму топологии (рис. 4.1.1). Диаграмма топологии является единой для системы в целом, поскольку должна всецело отражать особенности ее реализации.

Рис. 4.1.1 Диаграмма топологии
Центральным устройством системы управления, функционально связанным со всеми устройствами системы и управляющий ими, является контроллер, что соответствует определенным выше требованиям к системе.
Далее определяем, каким образом устройства, показанные на диаграмме топологии, взаимодействуют между собой. Для этого сначала разделим устройства в зависимости от выполняемых ими функций на следующие категории (классы):
Контроллер (класс Controller) – посылает запросы датчикам и управляющих сигналов исполняющим устройствам.
Задвижки (класс Zadvigka) - открытие и закрытие.
Датчик давления (класс Datchik_davlenia) – измерение давления.
Датчик температуры (класс Datchik_temperatury) - измерение температуры.
Датчик дыма (класс Datchik_dima) - измерение задымленности. После декомпозиции системы (разбиения на классы), представим ее как совокупность взаимодействующих объектов соответствующих классов. На данной диаграмме приняты следующие обозначения:
Datchik_temperatury_pechi – датчик температуры печи;
Datchik_temperatury_para – датчик температуры пара;
Datchik_dima - датчик дыма;
Datchik_davlenia_para – датчик давления пара;
Datchik_davlenia_gasa – датчик давления газа;
Zadvigka_na_vihode – задвижка на выходе;
Zadvigka_vodanay – задвижка на воду;
Zadvigka_gazovay – задвижка на газ;
Легко заметить, почти все объекты, представленные на диаграмме, соответствуют устройствам на диаграмме топологии.
На диаграмме видно, что всем объектам класса Zadvigka контроллером посылаются управляющие сигналы на занятие определенного положения (Pologenie) соответствующей задвижкой. Датчикам Datchik_davlenia, Datchik_temperatury, Datchik_dima контроллер посылает запросы на выдачу соответственно значения температуры, давления и наличия дыма (Schitat_informaciu).
После того, как были определена принадлежность объектов тем или иным классам, детализируем каждый класс с целью определения свойств объектов системы.
Класс Zadvigka
Так как клапаны должны выполнять только функции открытия и закрытия, класс не содержит атрибутов, а содержит только два метода: Pologenie() и Zakrit().
Класс Datchik_temperatury
Класс Datchik_davlenia
Класс Datchik_dima
Класс Controller
Должен содержать в себе все введенные оператором параметры технологического процесса:
Schitat_informaciu – считывание информации с датчиков.
Stop – остановка работы системы.
Izmenit_parametr – изменение параметров работы системы .
Класс Computer
Prinat_informaciu – принимает информацию с датчиков и контроллера.
Stop – сигнал на остановку системы.
Izmenit_parametr – сигнал на изменение параметров.
Все выше сказанное представлено на диаграмме классов рис. 4.1.3

Рис. 4.1.3 Диаграмма классов системы
4.2 Построение алгоритма работы системы
Запуск системы управления котельной установкой производится по команде оператора после того, как им были введены параметры протекания процесса. Перед запуском предполагается, что все параметры норме. После запуска система начинает работать в автоматическом режиме, пока не будет остановлена оператором. При этом система должна автоматически обеспечивать предупреждение аварийных ситуаций. При необходимости изменить параметры оператор должен сначала остановить работу системы и затем изменить параметры.
Система функционирует следующим образом.
Предполагается, что все внешние параметры протекания процесса находятся в норме, тогда происходит пуск системы.
Если система во время работы обнаруживает, что какой-либо параметр выходит за установленные рамки, подается сигнализация и происходит остановка системы.
Во время работы происходит постоянная обработка входящих величин с датчиков, что говорит о том – система находится во взведенном состоянии. Дублирование данных и внешний отчет способствует анализу протекания процесса.
Алгоритм обработки данных имеет вид, представленный на рис. 4.2.1

Рис. 4.2.1 Диаграмма активности, иллюстрирующая обработку данных
4.3 Генерация программного кода
Класс в Rational Rose — это описание общей структуры (данных и связей) для дальнейшего создания объектов. Для того чтобы генератор Rational Rose имел возможность создавать на основе описанной модели программный код, для каждого класса необходимо указать язык, для которого будет создаваться код. Также необходимо определить компонент, в котором этот класс будет храниться. Если в качестве языка для создания кода указан VC++, то пользователь получает доступ ко всей иерархии классов библиотеки MFC при помощи визуальных средств Model Assistant. Поэтому прежде чем приступить к генерации кода на Visual C++, следует создать диаграмму компонентов, отражающая организацию и взаимосвязи программных компонентов, представленных в исходном коде, двоичных или выполняемых файлах. Связи в данном типе диаграммы представляют зависимости одного компонента от другого и имеют специальное отображение через значок «зависимости».
В данном проекте будет построена упрощенная диаграмма компонентов, на которой каждый из компонентов будет представлять класс или его реализацию, хотя при разработке программного кода в большинстве случаев могут использоваться другие подходы.
Для каждого из классов создается два файла: заголовочный (с расширением .h), который содержит описание класса, и файл реализации (с расширением .cpp), где содержится программная реализация методов класса.
Поэтому каждый класс на диаграмме компонентов будет представлен двумя компонентами: Package Specification и Package Body. Первый компонент представляет собой определение пакета (заголовочный файл с расширением .h), второй – тело пакета (файл с расширением.cpp).
Компоненты на диаграмме (рис. 4.3.1) для простоты имеют те же названия, что и класс, который они представляют.

Рис. 4.3.1 Диаграмма компонентов
Кроме того, при создании компонентов в спецификации каждого из них задается язык, на котором он будет реализован (в нашем случае – VC++), а также указывается какие классы включаются в компонент (вкладка Realizes спецификации компонента). На приведенной диаграмме в каждый компонент включен только один класс с тем же именем, что и компонент.
Далее определяемся с реализуемыми в классах методами.
Класс Controller.
Содержание файла *.cpp:
#include "stdafx.h"
#include "Kontroller.h"
//##ModelId=4482CEF801EF
Kontroller::Schitat_informaciu()
{
}
//##ModelId=4482D0F001AD
Kontroller::Stop()
{
}
//##ModelId=4482D19C00F6
Kontroller::Izmenit_parametr()
{
}
Содержание файла *.h:
#if defined (_MSC_VER) && (_MSC_VER >= 1000)
#pragma once
#endif
#ifndef _INC_KONTROLLER_4482C7D900CB_INCLUDED
#define _INC_KONTROLLER_4482C7D900CB_INCLUDED
//##ModelId=4482C7D900CB
class Kontroller
{
public:
//##ModelId=4482CEF801EF
Schitat_informaciu();
//##ModelId=4482D0F001AD
Stop();
//##ModelId=4482D19C00F6
Izmenit_parametr();
};
#endif /* _INC_KONTROLLER_4482C7D900CB_INCLUDED */
Класс Computer.
Содержание файла *.cpp:
#include "stdafx.h"
#include "Computer.h"
//##ModelId=4482CF5D01B8
Computer::Prinat_informaciu()
{
}
//##ModelId=4482D0B90212
Computer::Ostanovka()
{
}
//##ModelId=4482D17A015C
Computer::Izmenit_parametr()
{
}
Содержание файла *.h:
#if defined (_MSC_VER) && (_MSC_VER >= 1000)
#pragma once
#endif
#ifndef _INC_COMPUTER_4482C944004B_INCLUDED
#define _INC_COMPUTER_4482C944004B_INCLUDED
//##ModelId=4482C944004B
class Computer
{
public:
//##ModelId=4482CF5D01B8
Prinat_informaciu();
//##ModelId=4482D0B90212
Ostanovka();
//##ModelId=4482D17A015C
Izmenit_parametr();
};
#endif /* _INC_COMPUTER_4482C944004B_INCLUDED */
Класс Datchik_temperatury
Содержание файла *.cpp:
#include "stdafx.h"
#include "Datchik_temperatury.h"
Содержание файла *.h:
#if defined (_MSC_VER) && (_MSC_VER >= 1000)
#pragma once
#endif
#ifndef _INC_DATCHIK_TEMPERATURY_4482C7F403E1_INCLUDED
#define _INC_DATCHIK_TEMPERATURY_4482C7F403E1_INCLUDED
//##ModelId=4482C7F403E1
class Datchik_temperatury
{
};
#endif /* _INC_DATCHIK_TEMPERATURY_4482C7F403E1_INCLUDED */
Класс Datchik_davlenia
Содержание файла *.cpp:
#include "stdafx.h"
#include "Datchik_davlenia.h"
Содержание файла *.h:
#if defined (_MSC_VER) && (_MSC_VER >= 1000)
#pragma once
#endif
#ifndef _INC_DATCHIK_DAVLENIA_4482C83503A8_INCLUDED
#define _INC_DATCHIK_DAVLENIA_4482C83503A8_INCLUDED
//##ModelId=4482C83503A8
class Datchik_davlenia
{
};
#endif /* _INC_DATCHIK_DAVLENIA_4482C83503A8_INCLUDED */
Класс Datchik_dima
Содержание файла *.cpp:
#include "stdafx.h"
#include "Datchik_dima.h"
Содержание файла *.h:
#if defined (_MSC_VER) && (_MSC_VER >= 1000)
#pragma once
#endif
#ifndef _INC_DATCHIK_DIMA_4482C8AA025C_INCLUDED
#define _INC_DATCHIK_DIMA_4482C8AA025C_INCLUDED
//##ModelId=4482C8AA025C
class Datchik_dima
{
};
#endif /* _INC_DATCHIK_DIMA_4482C8AA025C_INCLUDED */
Класс Zadvigka
Содержание файла *.cpp:
#include "stdafx.h"
#include "Zadvigka.h"
//##ModelId=4482D6C90098
Zadvigka::Pologenie()
{
}
//##ModelId=4482D795025E
Zadvigka::Zakrit()
{
}
Содержание файла *.h:
#if defined (_MSC_VER) && (_MSC_VER >= 1000)
#pragma once
#endif
#ifndef _INC_ZADVIGKA_4482D4AF035B_INCLUDED
#define _INC_ZADVIGKA_4482D4AF035B_INCLUDED
//##ModelId=4482D4AF035B
class Zadvigka
{
public:
//##ModelId=4482D6C90098
Pologenie();
//##ModelId=4482D795025E
Zakrit();
};
#endif /* _INC_ZADVIGKA_4482D4AF035B_INCLUDED */
После того, как реализация и прототипы функций определены, с помощью инструмента Model Assistant в указанных классах задаем для каждого оператора тип возвращаемого им значения, передаваемых ему параметров и тело функции (Default Code Body).
Заключительным этапом в создании программного кода на Visual C++ является ассоциирование компонента с проектом Microsoft Visual Studio 6.0. Для этого используется инструмент Component Assignment Tool. Здесь в свойствах компонентов требуется либо указать существующий проект Visual Studio, либо создать новый проект (при этом используются средства Microsoft Visual Studio), в котором создаются классы, включенные в выбранные компоненты. С помощью этого инструмента можно также включать классы в компоненты и ассоциировать их с языком VC++ (если это еще не было сделано), методом Drag’n’Drop. После того как для всех компонентов был указан проект, в который они будут включены, можно приступать к генерации кода (меню Tools → Visual C++ → Update Code…). Если при этом был выделен класс или компонент, то произойдет обновление его кода (или создание, если он еще не был сгенерирован).
5. Технико-экономическое обоснование
5.1 Пути снижения затрат за счет внедрения системы
Внедрение автоматической системы управления котельной установкой решает следующие задачи:
Полностью автоматическая система управления котельной установкой не требует участия человека в ее рабочем цикле, вследствие чего происходит высвобождение;
Снижение частоты обслуживания;
Повышение надежности системы управления.
Специфика работы предусматривает непрерывный цикл производства, поэтому централизация всех контрольных функций позволяет снизить время решения проблем возникающих в результате эксплуатации и более эффективно использовать ресурсы предприятия при возникновении проблем при работе установки. Так простой в течение суток приносит убытки в сумме более 100000 рублей по причине не выработки сырья.
В широко развитой отрасли жилищно-комунального хозяйства техническое развитие стоит на одном из первых мест, которому уделяют особое внимание, т.к. владельцы сами заинтересованы в повышение энергоемкости своих предприятий. В виду чего, весь механизм работы построен на принципе высоко организованной автоматической системы, где каждый узел имеет свои правила-нормы оперативного контроля.
Как показывает многолетняя практика эксплуатации котельных установок, аварийная остановка КУ, связанная с выходом из строя оборудования, возникает менее 1 раза в году, при этом простой составляет от 4 до 24 часов в летнее время и до 1 до 7 суток в зимнее. Для скорейшего восстановления работоспособности КУ требует постоянное присутствие ремонтного персонала на установке. А это очень дорого обходится, так как персонал практически не задействован, ведь проведения обслуживания механизмов производится в установленное время и требует не более 40 часов рабочего времени в год. Введение централизованного контроля позволяют быстро выявлять причину отказа, а модульный принцип построения заменять неисправные компоненты системы. Применение системы раннего оповещения о возникающих неполадках позволяет своевременно их устранить и не останавливать КУ по причине аварии.
До внедрения АСУ, оператору приходилось периодически контролировать работу установки и производить корректировку ее изменений. Неисправности выявлялись специально подготовленным специалистом в течении длительного времени, и устранялись как правило в течение суток. Неисправность определялась, как правило, после аварийной остановки КУ. Не возможно было диагностировать неполадки (только отклонения норм от технических параметров) во время работы системы управления. Требовалось содержать ремонтную бригаду и нескольких операторов.
Теперь же весь контроль работы КУ, производится с центрального диспетчерского пульта управления КУ, причем при наступлении предаварийной ситуации оператор своевременно информируется, что позволяет ему устранить неполадку или вызвать аварийную бригаду, диагностика была произведена системой управления до наступления аварийной ситуации. Что позволяет уменьшить количество персонала задействованного для управления КУ и ее ремонта.
Управление котельной установкой требовало постоянное присутствие на станции, как минимум одного оператора, который бы контролировал работу КУ и обслуживал ее.
Такой подход позволяет централизовано получать и обрабатывать всю информацию о работе станции одним человеком, что повышает качество принимаемых им управляющих решений.
5.2 Технико-экономические показатели эффективности от внедрения новой системы автоматизации
В условиях бурного развития техники важным является вопрос о соответствии внедренного оборудования на предприятии улучшенным нормам и показаниям работы оборудования. Поэтому необходим точный расчет затрат на покупку и монтаж предлагаемого на рынке оборудования, что позволит сделать правильный его выбор.
5.2.1 Экономия в заработной плате высвобождаемых рабочих
В нашем случае происходит высвобождение 3 операторов и 10 машинистов.
Среднегодовая заработная плата оператора составляет 75240 руб. (6270 руб *12).
Среднегодовая заработная плата машиниста составляет 59088 руб. (4924руб.*12)
Экономию в заработной плате высвобождаемых в результате внедрения АСУ ТП работников можно определить по формуле:
З>осв> = k>1>k>2>k>3 >ּ> >З>ср.р. >ּ N>осв.р.>;(5.1)
где k>1>k>4> – коэффициенты премиальной надбавки соответственно для рабочих и инженерно-технических работников (ИТР), равны 1,4;
k>2> – коэффициент, учитывающий дополнительную зарплату, равен 1,2;
k>3> – коэффициент отчислений на социальное страхование, равен 1,356;
З>ср.р.> – средняя годовая заработная плата высвобождаемых рабочих;
N>осв.р> – число высвобождаемых рабочих, 13;
З>ОСВ.ОПЕР> = 1,4*1,2*1,365*75240*3 = 517621.104 руб;
З>ОСВ.МАШИН> = 1,4*1,2*1,365*59088*10 = 1355006.016 руб;
З>ОСВ.ОБЩ> = 1872627.12 руб.
Годовая экономия по заработной плате составляет 1872627.12 руб.
5.2.2 Расчет стоимости оборудования
Стоимость оборудования, а также амортизационные отчисления на данное оборудование представлены в таблице 5.1.
5.2.3 Годовые затраты на ремонтные работы
Годовые затраты на ремонтные работы КУ (комплекса технических средств) АСУ ТП рассчитываются по формуле:
;(5.2)
где k>C> – средний коэффициент сложности ремонтных работ для данного оборудования %;
C>ТКС> – стоимость оборудования руб.
руб.
Годовые затраты на ремонтные работы КТС составляют 543.84 руб.
Таблица 5.1
|
Наименование |
Число единиц, шт |
Стоимость единицы, руб. |
Всего, руб. |
Срок службы, лет |
Норма амортизации, % |
Сумма амортизационных отчислений, руб. |
Потребляемая мощность, кВт |
|||||
|
1 |
2 |
3 |
4 |
5 |
6 |
7 |
8 |
|||||
|
До |
После |
До |
После |
До |
После |
До |
После |
До |
После |
|||
|
Персональный компьютер |
1 |
29188 |
29188 |
12 |
8.3 |
2664.9 |
0.35 |
|||||
|
Модем |
3 |
1938 |
5814 |
10 |
10 |
639.54 |
0.012 |
|||||
|
Сетевая карта |
2 |
627 |
1254 |
10 |
10 |
137.94 |
0.012 |
|||||
|
ИТОГО |
6 |
31753 |
36256 |
3442.3 |
0.374 |
5.2.4 Годовые затраты на электроэнергию
Годовые затраты на электроэнергию, потребляемую КТС (комплекса технических средств) АСУ ТП, рассчитываются по формуле:
;(5.3)
-
максимальная мощность внедряемого
комплекса, равна 0.374 кВт;
- стоимость 1 кВт-ч
электроэнергии, равно 1.3 руб.;
- коэффициент берется в
зависимости от количества смен работы
линии, в моем случае 3 смены, равен 2.7;
- количество рабочих часов
в году, равно 8760.
-
коэффициент определяющий среднюю
потребляемую мощность, равен 0.76.
руб.
Годовые затраты на электроэнергию составляют 8739.7 руб.
5.2.5 Годовые амортизационные отчисления на оборудование
Годовые амортизационные отчисления рассчитываются по формуле:
;(5.4)
Рассчитаем амортизационные отчисления для персонального компьютера:
руб
где
- средний коэффициент амортизационных
отчислений;
-
коэффициент, учитывающий расходы на
транспортировку, монтаж и наладку
оборудования, равен 0,1;
- стоимость единицы оборудования, равна
29188 руб.
Аналогично рассчитываем амортизационные отчисления для каждой единицы оборудования.
Расчетные данные для всех компонентов системы, представлены в Таблице 5.1.
Годовые амортизационные отчисления равны:
;
Годовые амортизационные отчисления на установленное оборудование составляют 3442.3 руб.
5.2.6 Годовые затраты на эксплуатацию
Годовые затраты на эксплуатацию КТС (комплекса технических средств) АСУ ТП рассчитываются по формуле:
;(5.5)
где
- годовая заработная плата рабочих,
обслуживающих КТС АСУ ТП;
Среднегодовая заработная плата оператора составляет 96000 руб. (8000 руб *12).
З>АТК> = k>1>k>2>k>3>*Зср*N>РАБ>; (5.6)
З>ОПЕР> = 1,4*1,2*1,365*96000*3 = 220147.2 руб;
З>АТК.ОБЩ> = 220147.2 руб.
-
годовые амортизационные отчисления,
равны 3442.3 руб.;
- годовые затраты на ремонтные работы
КТС, равны 543.84 руб.;
- годовые затраты на электроэнергию
потребляемую КТС, равны 8739.7 руб.
руб.
Годовые затраты на эксплуатацию технических средств составляют 232873 руб.
5.2.7 Прочая экономия
Уменьшение затрат на обучение персонала, сокращение числа обслуживаемых элементов и другие положительные эффекты являются менее значимыми на уровне описанной выше экономии от увеличения продолжительности рабочего времени, однако они так же проявляются.
5.2.8 Годовая экономия от внедрения АТК
В общем случае с учетом всех перечисленных выше факторов годовая экономия от внедрения АТК рассчитывается по формуле:
Эг = З>осв> - СГ>АТК;>(5.7)
Эг = 1872627.12 - 232873 = 1639754.12 руб.
Годовая экономия составляет 1639754.12 руб.
5.2.9 Годовой экономический эффект
Годовой экономический эффект от внедрения автоматизации определяется по формуле:
;(5.8)
где
- нормативный коэффициент экономической
эффективности капитальных вложений
для вычислительной техники обратный
по отношению к сроку окупаемости (
).
В условиях рыночной экономики, по мере
ускорения научно-технического прогресса,
нормативные сроки окупаемости, при
производстве электронно-вычислительной
техники последовательно снижаются –
4; 3; 2,5 и 2 года. Это вызвано быстрым
старением компьютеров, поэтому для
различных отраслей промышленности
=0.33.
-
капитальные вложения на проектирование
и внедрение АСУ ТП, приобретение КТС,
проектирование и внедрение специальных
технических средств и т.д., равны 1045739
руб.
руб.
Годовой экономический эффект составляет 1600193.2 руб.
Капитальные затраты на разработку и ввод в эксплуатацию АСУ ТП
Капитальные затраты на разработку и ввод в действие АСУ ТП рассчитываются по формуле:
;(5.9)
где
-
стоимость всех работ по разработке
проекта и внедрению АСУ ТП (по договору),
равна 50000 руб;
-
стоимость разработки специального
(прикладного) математического обеспечения
(СМО) для управления технологическим
процессом, равна 30000 руб. (по договору);
руб.
Капитальные затраты на разработку и ввод в эксплуатацию АСУ ТП составляют 119881.6 руб.
5.2.11 Срок окупаемости капитальных вложений
Применительно к проекту АТК для дискретных производств, т.е. требующих больших трудовых ресурсов, срок окупаемости капитальных вложений рассчитывается по формуле:
;(5.10)
- годовая экономия, равна 1639754.12 руб.

Срок окупаемости капитальных вложений составляет менее 0.073 года.
5.2.12 Сводная таблица основных параметров
В таблице 5.2 приведены основные параметры, изменившиеся после внедрения новойсистемы управления.
Таблица 5.2 Технико-экономические показатели внедрения АС
|
Показатели |
Ед. Изм. |
Значение показателей |
Экономия (-) Увеличение (+) |
|
|
До автоматизации |
После автоматизации |
|||
|
Численность рабочих в т.ч.: |
Чел. |
13 |
3 |
- 10 |
|
Оператор |
3 |
3 |
-- |
|
|
Машинист |
10 |
0 |
-10 |
|
|
Годовая заработная плата персонала |
Тыс.руб. |
1872.6 |
220.1 |
- 1652.5 |
|
Потребление электроэнергии |
кВт |
-- |
0.374 |
+ 0.374 |
|
Годовая экономия |
Тыс. руб. |
-- |
1639.7 |
+ 1639.7 |
|
Годовой экономический эффект |
Тыс. руб. |
-- |
1600.2 |
+1600.2 |
|
Дополнительные капитало вложения |
Тыс. руб. |
-- |
119.9 |
+119.9 |
|
Срок окупаемости |
Лет |
-- |
0.073 |
-- |
Из данного расчета и проведенного анализа технико-экономических показателей делаем вывод о целесообразности внедрения «Автоматизированного диспетчерского центр пункта котельной установкой». Так как в результате годовая экономия затрат от автоматизации системы составляет 1639.7 тыс. рублей. Это достигается за счет экономии в зарплате 1872.6 тыс. рублей, высвобожденных работников. Годовой экономический эффект составляет 1600.2 тыс. рублей; дополнительные капиталовложения 119.9 тыс. рублей. Ожидаемый срок окупаемости 0.073 года, что ниже нормативного в 41 раз.
6. Охрана труда и окружающей среды
6.1 Описание объекта с точки зрения охраны труда
Предлагаемая модернизация будет заключаться в создании единого диспетчерского центра для слежения и управления за всеми процессами.
При эксплуатации персонального компьютера на работника могут оказывать действие следующие опасные и вредные производственные факторы:
повышенный уровень электромагнитных излучений;
повышенный уровень статического электричества;
пониженная ионизация воздуха;
статические физические перегрузки;
- перенапряжение зрительных анализаторов.
Помещения для защиты рабочих и служащих от воздействия опасных и вредных производственных факторов должны иметь хорошую систему вентиляции. Для нормализации аэроионного фактора помещений с компьютерами необходимо использовать устройства автоматического регулирования ионного режима воздушной среды
Разработка требований безопасности труда для обслуживающего персонала
Эксплуатация компьютерной техники должна производится в соответствии с требованиями "Правил устройства и безопасной эксплуатации компьютерной техники".
Персонал, занятый обслуживанием компьютерной техники, а также её наладкой и ремонтом, обязан:
- знать действующие правила технической эксплуатации и безопасности обслуживания компьютерной техники;
- руководствоваться указаниями мер безопасности настоящего руководства;
- знать принцип работы компьютерной техники.
Запрещается работать с компьютерной техникой под напряжением.
При ремонте вводный выключатель должен быть обязательно отключен.
Рабочие места с компьютерами должны размещаться таким образом, чтобы расстояние от экрана одного видеомонитора до тыла другого было не менее 2,0 м, а расстояние между боковыми поверхностями видеомониторов - не менее 1,2 м.
Запрещается нарушать противопожарный режим, производственную и трудовую дисциплину: курение, проведение ремонтных работ с нарушениями требований пожарной безопасности и т. д.
Во избежание нарушений противопожарного режима весь персонал, обслуживающий объект, при зачислении на работу, а также при переводе на работу по другой, новой, профессии должен пройти инструктаж по мерам пожарной безопасности и в последующем на взрывопожароопасных объектах подготовку по пожарно-техническому минимуму (Приложение А).
6.3 Описание рабочего места оператора
Рабочее место - это часть пространства, в котором инженер осуществляет трудовую деятельность, и проводит большую часть рабочего времени. Рабочее место, хорошо приспособленное к трудовой деятельности инженера, правильно и целесообразно организованное, в отношении пространства, формы, размера обеспечивает ему удобное положение при работе и высокую производительность труда при наименьшем физическом и психическом напряжении.
При правильной организации рабочего места производительность труда инженера возрастает с 8 до 20 процентов.
Согласно ГОСТ 12.2.032-78 конструкция рабочего места и взаимное расположение всех его элементов должно соответствовать антропометрическим, физическим и психологическим требованиям. Большое значение имеет также характер работы. В частности, при организации рабочего места оператора должны быть соблюдены следующие основные условия:
оптимальное размещение оборудования, входящего в состав рабочего места;
достаточное рабочее пространство, позволяющее осуществлять все необходимые движения и перемещения;
необходимо естественное и искусственное освещение для выполнения поставленных задач;
уровень акустического шума не должен превышать допустимого значения.
Главными элементами рабочего места оператора являются письменный стол и кресло. Основным рабочим положением является положение сидя. Рабочее место для выполнения работ в положении сидя организуется в соответствии с ГОСТ 12.2.032-78.
Рабочая поза сидя вызывает минимальное утомление оператора. Рациональная планировка рабочего места предусматривает четкий порядок и постоянство размещения предметов, средств труда и документации. То, что требуется для выполнения работ чаще, расположено в зоне легкой досягаемости рабочего пространства.
Моторное поле - пространство рабочего места, в котором могут осуществляться двигательные действия человека.
Максимальная зона досягаемости рук - это часть моторного поля рабочего места, ограниченного дугами, описываемыми максимально вытянутыми руками при движении их в плечевом суставе.
Оптимальная зона - часть моторного поля рабочего места, ограниченного дугами, описываемыми предплечьями при движении в локтевых суставах с опорой в точке локтя и с относительно неподвижным плечом.
Рассмотрим оптимальное размещение предметов труда и документации в зонах досягаемости рук:
ДИСПЛЕЙ размещается в зоне а (в центре);
КЛАВИАТУРА - в зоне г/д;
СИСТЕМНЫЙ БЛОК размещается в зоне б (слева);
ПРИНТЕР находится в зоне а (справа);
ДОКУМЕНТАЦИЯ
в зоне легкой досягаемости ладони - в (слева) - литература и документация, необходимая при работе;
в выдвижных ящиках стола - литература, неиспользуемая постоянно.
При проектировании письменного стола следует учитывать следующее:
высота стола должна быть выбрана с учетом возможности сидеть свободно, в удобной позе, при необходимости опираясь на подлокотники;
нижняя часть стола должна быть сконструирована так, чтобы оператор мог удобно сидеть, не был вынужден поджимать ноги;
поверхность стола должна обладать свойствами, исключающими появление бликов в поле зрения оператора;
конструкция стола должна предусматривать наличие выдвижных ящиков (не менее 3 для хранения документации, листингов, канцелярских принадлежностей, личных вещей).
Параметры рабочего места выбираются в соответствии с антропометрическими характеристиками. При использовании этих данных в расчетах следует исходить из максимальных антропометрических характеристик (М+2).
При работе в положении сидя рекомендуются следующие параметры рабочего пространства:
ширина не менее 700 мм;
глубина не менее 400 мм;
высота рабочей поверхности стола над полом 700-750 мм.
Оптимальными размерами стола являются:
высота 710 мм;
длина стола 1300 мм;
ширина стола 650 мм.
Поверхность для письма должна иметь не менее 40 мм в глубину и не менее 600 мм в ширину.
Под рабочей поверхностью должно быть предусмотрено пространство для ног:
высота не менее 600 мм;
ширина не менее 500 мм;
глубина не менее 400 мм.
Важным элементом рабочего места оператора является кресло. Оно выполняется в соответствии с ГОСТ 21.889-76. При проектировании кресла исходят из того, что при любом рабочем положении оператора его поза должна быть физиологически правильно обоснованной, т.е. положение частей тела должно быть оптимальным. Для удовлетворения требований физиологии, вытекающих из анализа положения тела человека в положении сидя, конструкция рабочего сидения должна удовлетворять следующим основным требованиям:
допускать возможность изменения положения тела, т.е. обеспечивать свободное перемещение корпуса и конечностей тела друг относительно друга;
допускать регулирование высоты в зависимости от роста работающего человека ( в пределах от 400 до 550 мм );
иметь слегка вогнутую поверхность,
иметь небольшой наклон назад.
Исходя из вышесказанного, приведем параметры стола оператора:
высота стола 710 мм;
длина стола 1300 мм;
ширина стола 650 мм;
глубина стола 400 мм.
Поверхность для письма:
в глубину 40 мм;
в ширину 600 мм.
Важным моментом является также рациональное размещение на рабочем месте документации, канцелярских принадлежностей, что должно обеспечить работающему удобную рабочую позу, наиболее экономичные движения и минимальные траектории перемещения работающего и предмета труда на данном рабочем месте.
Создание благоприятных условий труда и правильное эстетическое оформление рабочих мест на производстве имеет большое значение как для облегчения труда, так и для повышения его привлекательности, положительно влияющей на производительность труда. Окраска помещений и мебели должна способствовать созданию благоприятных условий для зрительного восприятия, хорошего настроения. В служебных помещениях, в которых выполняется однообразная умственная работа, требующая значительного нервного напряжения и большого сосредоточения, окраска должна быть спокойных тонов - малонасыщенные оттенки холодного зеленого или голубого цветов
При разработке оптимальных условий труда оператора необходимо учитывать освещенность, шум и микроклимат.
6.4 Мероприятия по производственной санитарии и гигиене труда
В подсистему обеспечения санитарных условий труда (СанПиН 2.2.2.540-96) входят следующие мероприятия:
Обеспечение нормального микроклимата.
Чистота воздуха рабочей зоны.
Защита от электромагнитных полей.
Защита от шума и вибрации.
Нормирование параметров микроклимата
Оптимальные микроклиматические условия – сочетание параметров микроклимата, которые при длительном и систематическом воздействии на человека обеспечивают сохранение нормального состояния органов человека. (ГОСТ 12.1.005-88.ССБТ)
Нормы оптимальных температур, относительной влажности и скорости движения воздуха в рабочей зоне, (СН 251-71) таблица 6.1
Таблица 6.1 Оптимальные величины показателей микроклимата
Сезон
Категория
работ
Температура
воздуха, 0С
Относительная
влажность, %
Скорость
воздуха,
м.с
Холодный
Легкая-1а
20-25
70
0.1
Теплый
Легкая-1а
21-28
55-при
28 0С
0.1-02
|
Сезон |
Категория работ |
Температура воздуха, 0С |
Относительная влажность, % |
Скорость воздуха, м.с |
|
Холодный |
Легкая-1а |
20-25 |
70 |
0.1 |
|
Теплый |
Легкая-1а |
21-28 |
55-при 28 0С |
0.1-02 |
Поддержание на заданном уровне параметров, определяющих микроклимат, осуществляется с помощью кондиционирования и вентиляции.
Нормирование параметров освещенности
Рациональное освещение рабочего места является одним из важнейших факторов, влияющих на эффективность трудовой деятельности человека, предупреждающих травматизм и профессиональные заболевания. Правильно организованное освещение создает благоприятные условия труда, повышает работоспособность и производительность труда. Освещение на рабочем месте программиста должно быть таким, чтобы работник мог без напряжения зрения выполнять свою работу. Утомляемость органов зрения зависит от ряда причин:
недостаточность освещенности;
чрезмерная освещенность;
неправильное направление света.
Недостаточность освещения приводит к напряжению зрения, ослабляет внимание, приводит к наступлению преждевременной утомленности. Чрезмерно яркое освещение вызывает ослепление, раздражение и резь в глазах. Неправильное направление света на рабочем месте может создавать резкие тени, блики, дезориентировать работающего. Все эти причины могут привести к несчастному случаю или профзаболеваниям, поэтому столь важен правильный расчет освещенности.
Расчет освещенности рабочего места сводится к выбору системы освещения, определению необходимого числа светильников, их типа и размещения. Процесс работы программиста в таких условиях, когда естественное освещение недостаточно или отсутствует. Исходя из этого, рассчитаем параметры искусственного освещения.
Искусственное освещение выполняется посредством электрических источников света двух видов: ламп накаливания и люминесцентных ламп. Будем использовать люминесцентные лампы, которые по сравнению с лампами накаливания имеют существенные преимущества:
по спектральному составу света они близки к дневному, естественному освещению;
обладают более высоким КПД (в 1.5-2 раза выше, чем КПД ламп накаливания);
обладают повышенной светоотдачей (в 3-4 раза выше, чем у ламп накаливания);
более длительный срок службы.
Расчет освещения производится для комнаты площадью 36 м2 , ширина которой 4.9 м, высота - 4.2 м. Воспользуемся методом светового потока.
Для определения количества светильников определим световой поток, падающий на поверхность по формуле:
, где
F - рассчитываемый световой поток, Лм;
Е - нормированная минимальная освещенность, Лк (определяется по таблице). Работу программиста, в соответствии с этой таблицей, можно отнести к разряду точных работ, следовательно, минимальная освещенность будет Е = 300 Лк при газоразрядных лампах;
S - площадь освещаемого помещения ( в нашем случае S = 36 м2 );
Z - отношение средней освещенности к минимальной (обычно принимается равным 1.1-1.2 , пусть Z = 1.1);
К - коэффициент запаса, учитывающий уменьшение светового потока лампы в результате загрязнения светильников в процессе эксплуатации (его значение определяется по таблице коэффициентов запаса для различных помещений и в нашем случае К = 1.5);
n - коэффициент использования, (выражается отношением светового потока, падающего на расчетную поверхность, к суммарному потоку всех ламп и исчисляется в долях единицы; зависит от характеристик светильника, размеров помещения, окраски стен и потолка, характеризуемых коэффициентами отражения от стен (Рс) и потолка (Рп)), значение коэффициентов Рс и Рп определим по таблице зависимостей коэффициентов отражения от характера поверхности: Рс=30%, Рп=50%.
Значение n определим по таблице коэффициентов использования различных светильников. Для этого вычислим индекс помещения по формуле:
, где
S - площадь помещения, S = 36 м2;
h - расчетная высота подвеса, h = 3.39 м;
A - ширина помещения, А = 4.9 м;
В - длина помещения, В = 7.35 м.
Подставив значения получим:

Зная индекс помещения I, Рс и Рп, по таблице находим n = 0.28
Подставим все значения в формулу для определения светового
потока F:
Лм
Для освещения выбираем люминесцентные лампы типа ЛБ40-1, световой поток которых F = 4320 Лк.
Рассчитаем необходимое количество ламп по формуле:
, где
N - определяемое число ламп;
F - световой поток, F = 63642,857 Лм;
F>л>- световой поток лампы, F>л> = 4320 Лм.
шт.
При выборе осветительных приборов используем светильники типа ОД. Каждый светильник комплектуется двумя лампами. Размещаются светильники двумя рядами, по четыре в каждом ряду.
Мероприятия по устранению шумов и вибраций
Основные параметры шума (ГОСТ 12.1.003-83.ССБТ):
Звуковое давление, дБ (ГОСТ 12.1.012-90.ССБТ);
Колебательная скорость, м/с;
Интенсивность, Вт/м;
Частота, Гц.
При выполнении основной работы на мониторах и ПЭВМ (диспетчерские, операторские, расчетные, кабины и посты управления, залы вычислительной техники и др.) где работают инженерно - технические работники, осуществляющие лабораторный, аналитический или измерительный контроль, уровень шума не должен превышать 60 дБА.
В помещениях операторов ЭВМ (без дисплеев) уровень шума не должен превышать 65 дБА.
На рабочих местах в помещениях для размещения шумных агрегатов вычислительных машин (АЦПУ, принтеры и др.) уровень шума не должен превышать 75 дБА.
Шумящее оборудование (АЦПУ, принтеры и др.), уровни шума которого превышают нормированные, должно находится вне помещения с монитором и ПЭВМ.
Снизить уровень шума в помещениях с мониторами и ПЭВМ можно использованием звукопоглощающих материалов с максимальными коэффициентами звукопоглощения в области частот 63 - 8000 Гц для отделки помещений (разрешенных органами и учреждениями Госсанэпиднадзора России), подтвержденных специальными акустическими расчетами.
Дополнительным звукопоглощением служат однотонные занавеси из плотной ткани, гармонирующие с окраской стен и подвешенные в складку на расстоянии 15 - 20 см от ограждения. Ширина занавеси должна быть в 2 раза больше ширины окна.
Меры по устранению вредного воздействия электромагнитного поля
Источником электромагнитных полей являются установки для индуктивной термообработки металлов, высоковольтные ЛЭП, ОРУ, конденсаторы, трансформаторы. Нормы уровней электрических полей приведены в ГОСТ 12.1.002-84.ССБТ.
Таблица 6.2 Допустимая длительность пребывания в электромагнитном поле
|
Напряженность поля, кВ/м |
Допустимая продолжительность пребывания человека в течении суток в электрическом поле, мин |
|
5 |
без ограничения |
|
10 |
180 |
|
15 |
90 |
|
20 |
10 |
|
25 |
5 |
Примечание: Нормативы по п. 2, 3, 4, 5 действительны при условии:
а) остальное время рабочего дня человек находится в местах, где напряженность электрического поля меньше или равно 5 кВ/м;
б) исключена возможность воздействия на организм человека электрических разрядов.
Различают ближнюю, промежуточную и дальнюю зоны области распространения электромагнитных волн. Степень воздействия электромагнитного поля зависит от фазы, интенсивности воздействия, времени воздействия, размеров облучаемой поверхности, индивидуальных особенностей человека.
Применение средств индивидуальной защиты. Одними из средств защиты от электромагнитного поля являются экранирующие устройства, которые в зависимости от их конструкции и размеров, а также от места и условий размещения могут служить индивидуальными или коллективными средствами защиты людей от воздействия электрического поля при работах в действующих электроустановках промышленной частоты сверхвысокого напряжения. Экранирующие устройства обеспечивают снижение напряженности электрического поля в защищаемом пространстве до значения менее 5 кВ/м. Они в зависимости от их назначения и исполнения подразделяются на стационарные и переносные.
Стационарные экранирующие устройства являются неотъемлемой частью конструкции электроустановки и предназначены для защиты персонала при эксплутационных работах (осмотрах оборудования, оперативных переключениях, выполнении обязанностей наблюдающего за производством работ), а также при выполнении текущих и капитальных ремонтов выключателей и некоторых других работ. Они изготовляются из металла в виде плоских щитов - козырьков, навесов и перегородок.
Переносные экранирующие устройства предназначены для защиты персонал, выполняющего в течение длительного времени эксплутационные, ремонтные или монтажные работы на участках действующей электроустановки, не защищенных стационарными экранами. Они изготовляются в виде переносных или передвижных козырьков, навесов, перегородок, щитов, палаток и подобных им устройств из тех же материалов, что и стационарные экраны.
Заземление экранирующих устройств является исключительно важным для создания защитной зоны, поэтому оно должно выполняться особенно надежно. Каждый экран заземляется посредством присоединения его не менее чем в двух точках к контуру заземления электроустановки или к заземленным металлическим конструкциям.
6.5 Мероприятия по предотвращению электрошока
В электроустановках напряжением до 1000 В применение изолированных проводов уже обеспечивает достаточную защиту от напряжения при прикосновении к ним. Изолированные провода находящиеся под напряжением выше 1000 В, не менее опасны, чем неизолированные, так как повреждения изоляции обычно остаются незамеченными, если провод подвешен на изоляторах.
Чтобы исключить возможность прикосновения или опасного приближения к изолированным токоведущим частям, необходимо обеспечить их недоступность посредством ограждения, блокировок и расположения токоведущих частей на недоступной высоте или в недоступном месте. Расположение токоведущих частей на недоступной высоте или в недоступном месте позволяет обеспечить безопасность без ограждений. При этом следует учитывать возможность случайного прикосновения к токоведущим частям посредством длинных предметов, которые человек может держать в руках. Если к токоведущим частям, расположенным на высоте, возможно прикосновение с мест, редко посещаемых людьми (крыш, площадок и т. п.), в этих местах должны быть установлены ограждения или приняты другие меры безопасности.
6.6 Обеспечение пожаробезопасности
Общие требования, классификация и нормы обеспечения пожаробезопасности приведены в НПБ 105-95, НПБ 201-96, СНиП II-2-80.
В электроустановках причины взрывов и пожаров могут быть механического и электрического характера, а именно:
искрение в электроустановках и машинах;
в результате удара молнии;
токи короткого замыкания;
токовые перегрузки проводов;
авария с маслонаполненным аппаратом;
перегрузки и неисправность изоляции.
Для устранения вышеперечисленных причин пожаров и взрывов предусматривают следующие мероприятия:
Использование в качестве молниеотводов металлических конструкций цехов и установка стержневых молниеотводов на ГПА;
Для защиты от токов короткого замыкания применяют МТЗ, от перегрузок – тепловые реле и тепловые расцепители автоматов.
Все контактные соединения выполняют сваркой или болтами, что обеспечивает прочный контакт соединяемых проводников.
В каждом кабинете и на ГПП имеются первичные средства пожаротушения: огнетушители ОУ – 2 и ОУ – 3, ящики с песком, лопаты, ведра и т.д.
При проектировании производственных зданий и сооружений необходимо учитывать категории пожаробезопасности ГПП.
6.7 Влияние котельных установок на окружающею среду
В связи с тем, что работа котельной станции связана с выделением значительного количества газообразных веществ, она оказывает большее влияние на атмосферу по сравнению с воздействием на гидросферу и почву. Учитывая это, для снижения техногенного воздействия объекта предлагается ряд мероприятий по снижению выбросов загрязняющих веществ в атмосферу. Перевод газоперекачивающих агрегатов на плавный пуск, например, позволяет уменьшить потери газа на 1,5-2,0 %.
Одним из методов уменьшения потерь газа является утилизация вторичных энергоресурсов, которые используются для теплоснабжения самой котельной станции и внешних потребителей: жилых поселков и теплично-овощных комбинатов. Тепло выхлопных газов газоперекачивающих аппаратов может применяться для подогрева воды или генерации пара. В этом случае содержание вредных веществ снижают методом каталитического восстановления газами-восстановителями. Возможно использование вторичных энергоресурсов компрессорной станции для подогрева воды в бассейнах и прудах рыбоводных хозяйств.
Для решения вопросов эффективности экологического контроля и управления, соблюдения природоохранных норм и правил необходимо руководствоваться «Положением об оценке воздействия намечаемой хозяйственной и иной деятельности на окружающую среду в Российской Федерации», принятое в мае 2000 года.
6.8 Мероприятия, проводимые на котельной станции в области охраны окружающей природной среды и рационального природопользования
1. Рассмотреть возможность модернизации или замены существующего технологического оборудования котельной станции на более современное для снижения выбросов газообразных веществ в атмосферу.
2. Разработать меры по снижению потерь природного газа при залповых выбросах, в частности рассмотреть возможность его утилизации.
3. Регулярно проводить отбор и анализ проб почв для строгого контроля за их состоянием. Особое внимание обратить на участки, занятые огородами в непосредственной близости от котельной станции.
Список используемой литературы
М.И. Резников, Ю.М. Липов «Паровые котлы тепловых электростанций»
Н.А. Киселев «Промышленные котельные установки»
«Эксплуатация паровых котлов и паротрубопроводов» под ред. Божко
Н.И Еремин, А.Н Наумчик, В.Г Казаков «Процессы и аппараты глиноземного производства»
Н.А. Киселев «Устройство и эксплуатация котлов»
В.М. Максимов «Котельные агрегаты большой паропроизводительности»
В.Г. Александров «Паровые котлы средней и малой мощности»
«Теплотехника» под редакцией А.П. Баскакова
С.Я. Белинский «Теплофикация и теплоэлектроцентрали»
«Учет и контроль расхода энергоносителей и тепловой энергии» под редакцией В.С. Кахановича
«Основы автоматизации для металлургов» под редакцией И.А. Грязновой
Н.Я. Турчин «Инженерное оборудование тепловых электростанций и монтажные работы»
А.С. Клюев, А.Т. Лебедев, С.И.Новиков «Наладка систем автоматического регулирования барабанных паровых котлов»
Н.Н.Лариков «Теплотехника»
«Справочник эксплуатационника газовых котельных»
П.Н.Мануйлов «Теплотехнические измерения и автоматизация тепловых процессов»
В.С.Чистяков «Краткий справочник по теплотехническим измерениям»
В.С.Вергазов «Устройство и эксплуатация котлов». Справочник.
А.М., В.А.,П.Г.Удыма «Проектирование, монтаж и эксплуатация тепломассообменных установок»
Д.Н. Кемельман, Н.Б.Эскин «Наладка котельных установок». Справочник.
Р.Беккер «Теория теплоты».
Приложение А
ИНСТРУКЦИЯ ПО ОХРАНЕ ТРУДА ПРИ РАБОТЕ НА ПЕРСОНАЛЬНОМ КОМПЬЮТЕРЕ
Общие требования безопасности
1.1.К работе на персональном компьютере допускаются лица, прошедшие обучение безопасным методам труда, вводный инструктаж, первичный инструктаж на рабочем месте.
1.2.При эксплуатации персонального компьютера на работника могут оказывать действие следующие опасные и вредные производственные факторы:
повышенный уровень электромагнитных излучений;
повышенный уровень статического электричества;
пониженная ионизация воздуха;
статические физические перегрузки;
перенапряжение зрительных анализаторов.
1.3.Работник обязан:
1.3.1.Выполнять только ту работу, которая определена его должностной инструкцией.
1.3.2.Содержать в чистоте рабочее место.
1.3.3.Соблюдать режим труда и отдыха в зависимости от продолжительности, вида и категории трудовой.
1.3.3.Соблюдать меры пожарной безопасности.
1.4.Рабочие места с компьютерами должны размещаться таким образом, чтобы расстояние от экрана одного видеомонитора до тыла другого было не менее 2,0 м, а расстояние между боковыми поверхностями видеомониторов - не менее 1,2 м.
1.5.Рабочие места с персональными компьютерами по отношению к световым проемам должны располагаться так, чтобы естественный свет падал сбоку, преимущественно слева.
1.6.Оконные проемы в помещениях, где используются персональные компьютеры, должны быть оборудованы регулируемыми устройствами типа: жалюзи, занавесей, внешних козырьков и др.
1.7.Рабочая мебель для пользователей компьютерной техникой должна отвечать следующим требованиям:
высота рабочей поверхности стола должна регулироваться в пределах 680 - 800 мм; при отсутствии такой возможности высота рабочей поверхности стола должна составлять 725 мм;
рабочий стол должен иметь пространство для ног высотой не менее 600 мм, глубиной на уровне колен не менее 450 мм и на уровне вытянутых ног не менее 650 мм;
рабочий стул (кресло) должен быть подъемно - поворотным и регулируемым по высоте и углам наклона сиденья и спинки, а также - расстоянию спинки от переднего края сиденья;
рабочее место должно быть оборудовано подставкой для ног, имеющей ширину не менее 300 мм, глубину не менее 400 мм, регулировку по высоте в пределах до 150 мм и по углу наклона опорной поверхности подставки до 20 градусов; поверхность подставки должна быть рифленой и иметь по переднему краю бортик высотой 10 мм;
рабочее место с персональным компьютером должно быть оснащено легко перемещаемым пюпитром для документов.
1.8.Для нормализации аэроионного фактора помещений с компьютерами необходимо использовать устройства автоматического регулирования ионного режима воздушной среды (например, аэроионизатор стабилизирующий "Москва-СА1").
1.9.Женщины со времени установления беременности и в период кормления грудью к выполнению всех видов работ, связанных с использованием компьютеров, не допускаются.
1.10.За невыполнение данной Инструкции виновные привлекаются к ответственности согласно правилам внутреннего трудового распорядка или взысканиям, определенным Кодексом законов о труде Российской Федерации.
2. Требования безопасности перед началом работы
2.1.Подготовить рабочее место.
2.2.Отрегулировать освещение на рабочем месте, убедиться в отсутствии бликов на экране.
2.3.Проверить правильность подключения оборудования к электросети.
2.4.Проверить исправность проводов питания и отсутствие оголенных участков проводов.
2.5.Убедиться в наличии заземления системного блока, монитора и защитного экрана.
2.6.Протереть антистатической салфеткой поверхность экрана монитора и защитного экрана.
2.7.Проверить правильность установки стола, стула, подставки для ног, пюпитра, угла наклона экрана, положение клавиатуры, положение "мыши" на специальном коврике, при необходимости произвести регулировку рабочего стола и кресла, а также расположение элементов компьютера в соответствии с требованиями эргономики и в целях исключения неудобных поз и длительных напряжений тела.
3. Требования безопасности во время работы
3.1.Работнику при работе на ПК запрещается:
прикасаться к задней панели системного блока (процессора) при включенном питании;
переключать разъемы интерфейсных кабелей периферийных устройств при включенном питании;
допускать попадание влаги на поверхность системного блока (процессора), монитора, рабочую поверхность клавиатуры, дисководов, принтеров и других устройств;
производить самостоятельное вскрытие и ремонт оборудования;
работать на компьютере при снятых кожухах;
отключать оборудование от электросети и выдергивать электровилку, держась за шнур.
3.2.Продолжительность непрерывной работы с компьютером без регламентированного перерыва не должна превышать 2-х часов.
3.3.Во время регламентированных перерывов с целью снижения нервно - эмоционального напряжения, утомления зрительного анализатора, устранения влияния гиподинамии и гипокинезии, предотвращения развития познотонического утомления выполнять комплексы упражнений.
4. Требования безопасности в аварийных ситуациях
4.1.Во всех случаях обрыва проводов питания, неисправности заземления и других повреждений, появления гари, немедленно отключить питание и сообщить об аварийной ситуации руководителю.
4.2.Не приступать к работе до устранения неисправностей.
4.3.При получении травм или внезапном заболевании немедленно известить своего руководителя, организовать первую доврачебную помощь или вызвать скорую медицинскую помощь.
5. Требования безопасности по окончании работы
5.1.Отключить питание компьютера.
5.2.Привести в порядок рабочее место.
5.3.Выполнить упражнения для глаз и пальцев рук на расслабление.
ВРЕМЯ РЕГЛАМЕНТИРОВАННЫХ ПЕРЕРЫВОВ В ЗАВИСИМОСТИ
ОТ ПРОДОЛЖИТЕЛЬНОСТИ РАБОЧЕЙ СМЕНЫ, ВИДА И КАТЕГОРИИ
ТРУДОВОЙ ДЕЯТЕЛЬНОСТИ С ПЕРСОНАЛЬНЫМ КОМПЬЮТЕРОМ
1. Виды трудовой деятельности разделяются на 3 группы: группа А - работа по считыванию информации с экрана компьютера с предварительным запросом; группа Б - работа по вводу информации; группа В - творческая работа в режиме диалога с компьютером. При выполнении в течение рабочей смены работ, относящихся к различным видам трудовой деятельности, за основную работу с компьютером следует принимать такую, которая занимает не менее 50% времени в течение рабочей смены или рабочего дня.
2. Для видов трудовой деятельности устанавливается 3 категории тяжести и напряженности работы с компьютером, которые определяются: для группы А - по суммарному числу считываемых знаков за рабочую смену (не более 60000 знаков за смену); для группы Б - по суммарному числу считываемых или вводимых знаков за рабочую смену (не более 40000 знаков за смену); для группы В - по суммарному времени непосредственной работы с компьютером за рабочую смену (не более 6 часов за смену).
3. При 8-часовой рабочей смене и работе на компьютере регламентированные перерывы следует устанавливать:
для I категории работ через 2 часа от начала рабочей смены и через 2 часа после обеденного перерыва продолжительностью 15 минут каждый;
для II категории работ через 2 часа от начала рабочей смены и через 1,5 - 2,0 часа после обеденного перерыва продолжительностью 15 минут каждый или продолжительностью 10 минут через каждый час работы;
для III категории работ - через 1,5 - 2,0 часа от начала рабочей смены и через 1,5 - 2,0 часа после обеденного перерыва продолжительностью 20 минут каждый или продолжительностью 15 минут через каждый час работы.
4. При 12-часовой рабочей смене регламентированные перерывы должны устанавливаться в первые 8 часов работы аналогично перерывам при 8-часовой рабочей смене, а в течение последних 4 часов работы, независимо от категории и вида работ, каждый час продолжительностью 15 минут.
Комплексы физических упражнений для снятия умственного и мышечного утомления
КОМПЛЕКС 1
Упражнение 1. Потягивание
исходное положение (ип): сидя на стуле, ноги согнутые в коленях, поставить на пол, руки положить на пояс;
руки за голову, пальцы переплетены, прогнуться, голову наклонить назад, напрячь все мышцы тела - вдох;
слегка наклониться вперёд – выдох
Упражнение 2. Поднимание согнутой ноги
сидя на стуле, установленном на расстоянии 50-60 см от стола, подвести руки к плечам , ноги выпрямить и поставить пятками на пол – выдох;
согнуть правую или левую ногу, руками обхватить голову к груди, напрячь мышцы живота – выдох;
повторить упражнение 3-4 раза в среднем темпе
Упражнение 3. Наклоны туловища с поворотом
ип: руки к плечам, ноги согнутые в коленях, поставить на пол;
наклониться вперёд, правым локтем коснуться колена левой ноги – выдох;
ип. – выдох;
повторить упражнение 4-5 раз в среднем темпе
Упражнение 4. Наклоны туловища в стороны
ип- сидя на стуле, руки на поясе;
наклонить туловище влево, голову повернуть налево, правую руку за голову – выдох;
ип – вдох;
наклонить туловище вправо, голову повернуть направо, левую руку за голову – выдох;
ип – вдох;
повторить упражнение 3-4 раза в медленном темпе
Упражнение 5. Расслабление мышц
ип- сидя на стуле, ноги вытянуты и поставлены пятками на пол – вдох;
последовательно расслабить мышцы рук, туловища, ног – выдох;
ип – вдох;
повторить упражнение 3-4 раза в медленном темпе
Упражнение 6. Упражнения для пальцев
ип- сидя на стуле, руки согнуть в локтях, пальцы в кулаках;
разнять пальцы без напряжения;
согнуть пальцы в кулак без напряжения;
повторить в среднем темпе, дыхание ровное
Упражнение 7. Перегруппировка веса тела
ип – рабочая поза;
перегруппировать вес тела на левую часть –вдох;
ип – расслабить мышцы –выдох;
перегруппировать вес тела на правую часть –вдох;
ип – расслабить мышцы –выдох;
повторить упражнение 3-4 раза в медленном темпе, дыхание глубокое
КОМПЛЕКС 2
Упражнение 1. Упражнение типа потягивания
дыхание задерживаетя на 3-4 секунды после глубокого вдоха, выполняемого при распрямлении туловища
Упражнение 2. Медленное вращение головой
дыхание произвольно, глубокое, продолжительное без задержки
упражнение улучшает кровообращение шеи и головы
Упражнение 3. Наклоны туловища в стороны с широкими движениями руками
по мере выполнения упражнения производится полный выдох, а в конечном положени наклона – задержка дыхания ( 2-4 с)
Упражнение 4. Сгибание (округление) спины с наклоном головы
Упражнение 5. Бег с переходом в ходьбу или приседания (30 с)
Упражнение 6. Повороты туловища и головы в сторону
Упражнение 7. Наклоны туловища и головы вперёд
Упражнение 8. Прогибание туловища назад с упором в стену руками
при прогибании поочерёдно поворачивать голову вправо, назад, влево с фиксацией её в этом положении 2-4 с.
Все упражнения выполняются в медленном темпе
КОМПЛЕКС 3
Упражнение 1. Напряжение мышц
ип - сидя на стуле;
напрячь руки, вытянуть их вверх, в стороны;
напрячь плечи, прогнуть спину;
напрячь шею, повороты или наклоны головы вперёд в течение 3-5 с., при этом задерживать дыхание, после чего расслабить все мышцы;
повторить 3-4 раза
Упражнение 2. Ходьба с максимальным расслаблением мышц 20-30 с.
Упражнение 3. Движение головой
ип – стоя, ноги на ширине плеч;
медленные наклоны головы вперёд до упора подбородка в грудь
наклониться назад до отказа
повторить 5-10 раз;
медленные повороты головы вправо-влево ( с максимальной амплитудой);
повторить 5-10 раз в каждую сторону;
медленные круговые движения головой вправо, потом влево по 4-5 движений;
движения выполнять спокойно, чтобы не возникало головокружения
Упражнение 4. Имитация движений рук при беге
ип- стоя, ноги на ширине плеч, туловище слегка наклонить вперёд, руки согнуты в локтях под углом 90°, дыхание равномерное, выполнять 20 с.;
Упражнение 5.Качания туловища вперёд-назад
ип- стоя, ноги на ширине плеч, руки на поясе;
быстрый наклон туловища вперёд на 30°;
затем быстрый возврат в ип;
повторить 15 раз;
дыхание произвольное
Упражнение 6. Качания туловища из стороны в сторону
ип- стоя, ноги вместе, руки на поясе;
быстро наклонить туловище влево, затем вправо
повторить 15 раз;
дыхание произвольное
Упражнение 7. Наклоны туловища вперёд
ип – стоя, ноги на ширине плеч, руки поднять над головой;
сделать спокойный вдох, выдох и, задержав дыхание, наклонить туловище вперёд, стараясь коснуться пальцами рук пола;
при появлении ощущения нехватки воздуха, распрямиться, сделать глубокий вдох-выдох, затем повторить упражнение;
спокойно походить, не задерживая дыхания;
сделать полуприседания, держась руками за спинку стула, край стола и т.п. (дыхание такое же, как и в предыдущем упражнении)
Упражнение 8. Ходьба, бег «трусцой», в течение 30-40 с.
КОМПЛЕКС 4
Упражнение 1.Напряжение мышц (волевая гимнастика)
ип – сидя на стуле;
напрячь мышцы ног и сохранить напряжённое состояние 2-3 с., после чего расслабить мышцы;
последовательно напрягать и расслаблять мышцы рук, живота, плеч, лица
Упражнение 2.Бег «трусцой» (30-40 с) с изменением положения головы
бег спокойный, мышцы максимально расслаблены, ступни лишь немного отрываются от пола, руки слегка согнуты в локтях;
во время бега сначала голову держать прямо, затем наклонить вперед (2-3 с), отклонить назад, вправо, влево ( с теми же дозировками);
Упражнение 3. Движения головой вперёд-назад с противомахами рук (30-60 с)
ип – стоя, ноги на ширине плеч, голова наклонена вперёд (подбородок упирается в грудь), руки подняты вверх;
откинуть голову назад, руки свободным маховым движением послать по дуге вперёд-назад, затем вернуться в ип и ритмично продолжать упражнение
Упражнение 4. Рывково-тормозные движения руками (20-30 с)
ип – стоя, ноги на ширине плеч, правая рука поднята вверх;
энергичными движениями поднять, ещё выше правую и отвести дальше левую руку, повторить 3 раза, после чего сменить положение рук (левую – вперёд, а правую – назад)
Упражнение 5. Круговые движения руками
ип – стоя, ноги на ширине плеч, руки развести в стороны, можно согнуть в локтях;
круговые движения в направлении вперёд-вниз-назад-вверх (5-6 оборотов), затем столько же в противоположном направлении
Упражнение 6. Рубка дров
ип – стоя, ноги врозь, руки подняты вверх, кисти соединены в «замок», вдох, энергично наклонить туловище, руки делают движения для колки дров, в конце удара резко выдохнуть за счёт толчка диафрагмой
при правильном выполнении возникает грудное «ха»
затем спокойно выпрямиться, принять ип, вдохнуть
повторить 10-15 раз
Упражнение 7. Выполняемое при задержке дыхания
выполняется аналогично упражнению 8 комплекса 3;
добавить отжимание руками от подоконника
Упражнение 8. Повороты туловища
ип – стоя, руки в стороны;
спокойно повернуться 3-4 раза вправо;
походить до исчезновения головокружения;
повернутся 3-4 раза в противоположном направлении, походить
Упражнение 9.Бег на месте (60 с) с переходом на ходьбу
Упражнения для снятия умственного и мышечного напряжения
КОМПЛЕКС 5
Упражнение 1.
сидя на стуле, сделать несколько глубоких вдохов и выдохов;
потянуться на стуле, согнув руки на затылке, отклоняя голову назад и расправляя плечи;
повторить 3-4 раза
Упражнение 2.
ип – сидя на стуле, проделывать наклоны и повороты головы
Упражнение 3.
ип – сидя на стуле, делать лёгкий самомассаж волосистой части головы
КОМПЛЕКС 6
Упражнение 1.
ип – основная стойка;
прямые руки развести в стороны ладонями вверх, сделать вдох;
скрестив руки перед грудью.крепко обнять себя за плечи и сделать выдох;
повторить 3-4 раза
Упражнение 2.
ип – руки к плечам
круговые движения локтями вперёд;
то же назад
повторить 3-4 раза
Упражнение 3.
ип – основная стойка;
плечи высоко поднять вверх, вдох;
плечи резко опустить, «сбросить» вниз, расслабить руки, выдох;
повторить 4-5 раз
КОМПЛЕКС 7
Упражнение 1.
ип – стоя, ноги вместе, руки опущены (основная стойка);
максимальное напряжение мышц ног снизу вверх и расслабление;
повторить 3 раза
Упражнение 2.
максимальное напряжение мышц плечевого пояса ( от кистей к мышцам плечевого пояса и спины);
расслабление;
повторить 3 раза
Упражнение 3.
массаж лба в течение 1 минуты;
лёгкое поглаживание лба, области над бровями в направлении к вискам
КОМПЛЕКС 8
Упражнение 1.
вращение головой влево-вправо (темп быстрый);
Упражнение 2.
вращение головой вперёд-назад (темп умеренный);
Упражнение 3.
вращение головой с максимальным расслаблением мышц шеи;
голова катится сначала в левую, затем в правую стороны (очень медленно);
не более 2 раз
Упражнение 4.
самомассаж шеи и затылка в течение 1минуты;
поглаживать затылок и шею в направлении к туловищу
Психофизиологическая разгрузка
При проведении психофизиологической разгрузки рекомендуется включать некоторые элементы метода аутогенной тренировки. Этот метод основан на сознательном применении комплекса взаимосвязанных приёмов психической саморегуляции и несложных физических упражнений со словесным самовнушением. Главное внимание при этом уделяется приобретению и закреплению навыков мышечного расслабления.
В рекомендуемом сеансе выделяется 3 периода:
1-й период – отвлечение работников от производственной обстановки. Рекомендуется прослушивание мелодичной музыки, пение птиц. Приняв удобное позу, работники адаптируются и готовятся к следующим периодам.
2-й период – успокаивающий. Рекомендуется просмотр фотослайдов с изображением цветущего луга, берёзовой рощи, гладкой поверхности пруда, а также прослушивание спокойной музыки, на фоне которой произносятся фразы аутогенной тренировки:
я полностью расслаблен, спокоен (3 раза);
моё дыхание ровное, спокойное (3 раза);
моё тело тяжёлое, горячее, расслабленное, я абсолютно спокоен, лоб холодный, голова лёгкая (3 раза);
Фразы произносятся негромко, медленно, спокойно.
3-й период – активизация. Применяются мероприятия возбуждающего характера, бодрая музыка, мобилизующие фразы аутогенной тренировки:
(глубокий вдох, длинный глубокий вдох), я бодр, свеж, весел, у меня хорошее настроение ( 3 раза);
(глубокий вдох, длинный глубокий вдох ), я полон энергии, я готов действовать ( 3 раза);
После сеансов психофизиологической разгрузки у работающих снижается чувство усталости, отмечается бодрость, хорошее настроение, улучшается общее состояние.
Упражнения для глаз
КОМПЛЕКС 1 (длительность 2-3 минуты)
ип – сидя в удобной позе, позвоночник прямой, глаза открыты, взгляд устремлён прямо, выполнить упражнения легко, без напряженгия
Упражнение 1.
взгляд направить влево-прямо, вправо-прямо, вниз-прямо, вверх-прямо, без задержки в отведённом положении;
повторить до 10 раз
Упражнение 2.
взгляд смешать по диагонали: влево-вниз-прямо, вправо-вверх-прямо, вправо-вниз-прямо, влево-вверх-прямо и постепенно увеличивать задержки в отведённом положении;
дыхание произвольное;
повторить до 10 раз
Упражнение 3.
круговые движения глаз: до 10 кругов влево и вправо;
вначале быстро, потом как можно медленнее
Упражнение 4.
смотреть на кончик носа, затем вдаль;
повторить несколько раз
КОМПЛЕКС 2
Упражнение 1.
смотреть на кончик пальца или карандаша, удерживаемого на расстоянии 30 см от глаз, а затем вдаль;
повторить несколько раз
смотреть прямо перед собой пристально и неподвижно, стараясь видеть более ясно;
затем сжать веки и моргнуть несколько раз
Упражнение 2.
поморгать в течение 1 минуты, темп быстрый
Упражнение 3.
потереть ладони друг о друга и легко, без усилий, прикрыть ими предварительно закрытые глаза, чтобы полностью загородить их от света (на 1 мин);
представить погружение в полную темноту;
открыть глаза
Упражнение 4.
массировать веки глаз, мягко поглаживая их указательным и средним пальцем в направлении от носа к вискам или закрыть глаза и, нежно касаясь подушечками ладони, проводить по верхним векам от висков к переносице и обратно;
повторить 10 раз
КОМПЛЕКС 3 (длительность 1-2 минуты)
Упражнение 1.
при счёте 1-2 зафиксировать взгляд на объекте, находящемся на близком расстоянии (15-20 см);
при счёте 3-7 взгляд перевести на дальний объект;
при счёте 8 взгляд спокойно перевести на ближний предмет
Упражнение 2.
при неподвижной голове на счёт 1 осуществить поворот глаз по вертикали вверх;
при счёте 2 – вниз, затем снова вверх;
повторить 15-20 раз
Упражнение 3.
закрыть глаза на 10-15 с., затем их снова открыть и проделать движения глазами вправо или влево, вверх и вниз (5 раз);
проделать несколько круговых движений глазами справа налево и обратно (5 раз);
свободно без напряжений направить взгляд вдаль
КОМПЛЕКС 4 (длительность 1-2 минуты)
Первые три упражнения выполняются в положении стоя
Упражнение 1.
тремя пальцами обеих рук легко нажать на верхние веки;
спустя 1-2 мин снять пальцы с век, болезненных ощущений быть не должно
Упражнение 2.
поморгать в течение 1 минуты, темп быстрый
Упражнение 3.
при закрытых веках, поднять глаза кверху, опустить их книзу, повернуть вправо, влево;
дыхание не задерживать, упражнение выполнять с максимальной амплитудой
Упражнение 4.
встать и поставить ноги врозь на ширину плеч, смотреть перед собой;
посмотреть на правый носок ноги, вернуться в ип;
амплитуда движения глаз максимальная, голову держать прямо, дыхание не за держать
КОМПЛЕКС 5
Упражнение 1.
смотреть прямо перед собой в течение 2-3 с.;
опустить глаза вниз, удерживая их в таком положении в течение 2-3 с;
повторить упражнение в течение 30 с
Упражнение 2.
поднять глаза кверху, затем книзу, затем вправо и влево;
повторить упражнение 3-4 раза в течение 30 с
Упражнение 3.
поднять глаза кверху, сделать ими круговые движения по часовой стрелке, затем против часовой
повторить 3-4 раза в течение 30 с.
Упражнение 4.
крепко зажмурить глаза на 3-5 с, затем их открыть на 3-5 с.
повторить 4-5 раз, длительность упражнения 30-50 с
Упражнение 5. Самомассаж глаз
лёгкий самомассаж закрытых век и кожи вокруг глаз проводится чистыми руками и заключается в следующем: в направлении от наружного угла глаз к внутреннему по нижнему краю нижней впадины (орбиты) производят поглаживание по направлению вверх к брови до переносицы;
затем делают растирание верхней части круговой мышцы глаза, при этом указательный палец движется под бровью, средний над бровью;
круговыми движениями кончиками пальцев производят растирание по направлению к височным областям;
после растирания производят нежные поколачивания кончиками пальцев по краям орбиты от височных областей по нижнему краю и от переносицы по верхнему краю к височной области.
КОМПЛЕКС 6 (дыхательная гимнастика)
Упражнение 1.
ип – ноги на ширине плеч;
руки вверх в стороны, потянуться сделать глубокий вдох-выдох;
темп медленный;
повторить 4-5 раз
Упражнение 2.
ип – основная стойка, руки на поясе;
свести локти вперёд, сдавливая грудную клетку, сделать полный выдох;
отвести локти назад, прогнуться, сделать глубокий вдох;
темп медленный
повторить 4-6 раз
Упражнение 3.
ип – основная стойка;
сделать полный круг правой рукой, глубокий вдох;
круг левой рукой, полный выдох
повторить 3-4 раза


