Проектування технологічної оснастки для виготовлення деталі "каретка верхня"
| ГОСТ 3.1105-84 , форма 7 | |||||||||||||||||||||||||||||||||||||||||||||||||||||||||||||||||||||||||||||||||||||||||||||||||||||||||||||
| Дубл. | |||||||||||||||||||||||||||||||||||||||||||||||||||||||||||||||||||||||||||||||||||||||||||||||||||||||||||||
| Взам. | |||||||||||||||||||||||||||||||||||||||||||||||||||||||||||||||||||||||||||||||||||||||||||||||||||||||||||||
| Подл. | |||||||||||||||||||||||||||||||||||||||||||||||||||||||||||||||||||||||||||||||||||||||||||||||||||||||||||||
| Розробив | Захарченко О.В | ЖДТУ | |||||||||||||||||||||||||||||||||||||||||||||||||||||||||||||||||||||||||||||||||||||||||||||||||||||||||||
| Перевірив | Яновський В.А | ||||||||||||||||||||||||||||||||||||||||||||||||||||||||||||||||||||||||||||||||||||||||||||||||||||||||||||
| Нормував | |||||||||||||||||||||||||||||||||||||||||||||||||||||||||||||||||||||||||||||||||||||||||||||||||||||||||||||
| КАРЕТКА ВЕРХНЯ | |||||||||||||||||||||||||||||||||||||||||||||||||||||||||||||||||||||||||||||||||||||||||||||||||||||||||||||
| Н.контр. | |||||||||||||||||||||||||||||||||||||||||||||||||||||||||||||||||||||||||||||||||||||||||||||||||||||||||||||
|
|||||||||||||||||||||||||||||||||||||||||||||||||||||||||||||||||||||||||||||||||||||||||||||||||||||||||||||
| КЭ | Карта ескізів | ||||||||||||||||||||||||||||||||||||||||||||||||||||||||||||||||||||||||||||||||||||||||||||||||||||||||||||
| ГОСТ 3.1105-84 , форма 7а | |||||||||||||||||||||||||||||||||||||||||||||||||||||||||||||||||||||||||||||||||||||||||||||||||||||||||||||
| Дубл. | |||||||||||||||||||||||||||||||||||||||||||||||||||||||||||||||||||||||||||||||||||||||||||||||||||||||||||||
| Взам. | |||||||||||||||||||||||||||||||||||||||||||||||||||||||||||||||||||||||||||||||||||||||||||||||||||||||||||||
| Подл. | |||||||||||||||||||||||||||||||||||||||||||||||||||||||||||||||||||||||||||||||||||||||||||||||||||||||||||||
|
|||||||||||||||||||||||||||||||||||||||||||||||||||||||||||||||||||||||||||||||||||||||||||||||||||||||||||||
| КЭ | Карта ескізів | ||||||||||||||||||||||||||||||||||||||||||||||||||||||||||||||||||||||||||||||||||||||||||||||||||||||||||||
| ГОСТ 3.1105-84 , форма 7а | |||||||||||||||||||||||||||||||||||||||||||||||||||||||||||||||||||||||||||||||||||||||||||||||||||||||||||||
| Дубл. | |||||||||||||||||||||||||||||||||||||||||||||||||||||||||||||||||||||||||||||||||||||||||||||||||||||||||||||
| Взам. | |||||||||||||||||||||||||||||||||||||||||||||||||||||||||||||||||||||||||||||||||||||||||||||||||||||||||||||
| Подл. | |||||||||||||||||||||||||||||||||||||||||||||||||||||||||||||||||||||||||||||||||||||||||||||||||||||||||||||
| КЭ | Карта ескізів | ||||||||||||||||||||||||||||||||||||||||||||||||||||||||||||||||||||||||||||||||||||||||||||||||||||||||||||
| ГОСТ 3.1105-84 , форма 7а | |||||||||||||||||||||||||||||||||||||||||||||||||||||||||||||||||||||||||||||||||||||||||||||||||||||||||||||
| Дубл. | |||||||||||||||||||||||||||||||||||||||||||||||||||||||||||||||||||||||||||||||||||||||||||||||||||||||||||||
| Взам. | |||||||||||||||||||||||||||||||||||||||||||||||||||||||||||||||||||||||||||||||||||||||||||||||||||||||||||||
| Подл. | |||||||||||||||||||||||||||||||||||||||||||||||||||||||||||||||||||||||||||||||||||||||||||||||||||||||||||||
|
|||||||||||||||||||||||||||||||||||||||||||||||||||||||||||||||||||||||||||||||||||||||||||||||||||||||||||||
| КЭ | Карта ескізів |
| ГОСТ 3.1404-86 форма 3 | |||||||||||||||||||||||||||||||||||||||||||||||||||||||||||||||||||||||||||||||||||||||||||||||||||||||||||||
| Дубл. | |||||||||||||||||||||||||||||||||||||||||||||||||||||||||||||||||||||||||||||||||||||||||||||||||||||||||||||
| Взам. | |||||||||||||||||||||||||||||||||||||||||||||||||||||||||||||||||||||||||||||||||||||||||||||||||||||||||||||
| Подл. | |||||||||||||||||||||||||||||||||||||||||||||||||||||||||||||||||||||||||||||||||||||||||||||||||||||||||||||
| Розробив | Захарченко О.В | 25.05.07 | ЖДТУ | ||||||||||||||||||||||||||||||||||||||||||||||||||||||||||||||||||||||||||||||||||||||||||||||||||||||||||
| Перевірив | Яновськи В.А | ||||||||||||||||||||||||||||||||||||||||||||||||||||||||||||||||||||||||||||||||||||||||||||||||||||||||||||
| Нормував | |||||||||||||||||||||||||||||||||||||||||||||||||||||||||||||||||||||||||||||||||||||||||||||||||||||||||||||
| КАРЕТКА ВЕРХНЯ | |||||||||||||||||||||||||||||||||||||||||||||||||||||||||||||||||||||||||||||||||||||||||||||||||||||||||||||
| Н.контр. | |||||||||||||||||||||||||||||||||||||||||||||||||||||||||||||||||||||||||||||||||||||||||||||||||||||||||||||
| Найменування операції | Материал | Твердість | ЕВ | МД | Профіль та розміри | МЗ | КОИД | ||||||||||||||||||||||||||||||||||||||||||||||||||||||||||||||||||||||||||||||||||||||||||||||||||||||
| Багатоцільова | Чавун СЧ20 ГОСТ 412-85 | НВ 180 | кг | 11 | Відливка 373,2*150,6*41,8 | ||||||||||||||||||||||||||||||||||||||||||||||||||||||||||||||||||||||||||||||||||||||||||||||||||||||||
| Обладнання, система ЧПК | Позначення програми | То | Тв | Тпз. | Тшт. | СОЖ | |||||||||||||||||||||||||||||||||||||||||||||||||||||||||||||||||||||||||||||||||||||||||||||||||||||||
| ИР500ПМФ4 | 0,59 | 1,06 | 43 | 1,65 | Емульсія | ||||||||||||||||||||||||||||||||||||||||||||||||||||||||||||||||||||||||||||||||||||||||||||||||||||||||
| Р | ПИ | D или B | L | t | i | S | n | V | |||||||||||||||||||||||||||||||||||||||||||||||||||||||||||||||||||||||||||||||||||||||||||||||||||||
| О01 | 1, Встановити заготівку, закріпити, зняти | ||||||||||||||||||||||||||||||||||||||||||||||||||||||||||||||||||||||||||||||||||||||||||||||||||||||||||||
| Т02 | Пристрій спеціальний, Фреза ф160, ГОСТ 24359-80; Сверло 2301-4157 ГОСТ 2092-77; | ||||||||||||||||||||||||||||||||||||||||||||||||||||||||||||||||||||||||||||||||||||||||||||||||||||||||||||
| 03 | Сверло 2301-41-4177 ГОСТ 2092-77 | ||||||||||||||||||||||||||||||||||||||||||||||||||||||||||||||||||||||||||||||||||||||||||||||||||||||||||||
| 04 | 2 | ||||||||||||||||||||||||||||||||||||||||||||||||||||||||||||||||||||||||||||||||||||||||||||||||||||||||||||
| О05 | 2. Начорно фрезерувати поверхню О в розмір 220мм | 2 | |||||||||||||||||||||||||||||||||||||||||||||||||||||||||||||||||||||||||||||||||||||||||||||||||||||||||||
| Р06 | 41,80 | 1,00 | 220,32 | 1,50 | 0,22 | 417,00 | 212,00 | ||||||||||||||||||||||||||||||||||||||||||||||||||||||||||||||||||||||||||||||||||||||||||||||||||||||
| О07 | 11 | 3.Начорно фрезерувати поверхню Е на діаметрі 146,6мм | |||||||||||||||||||||||||||||||||||||||||||||||||||||||||||||||||||||||||||||||||||||||||||||||||||||||||||
| Р08 | 146,60 | 417,20 | 1,50 | 0,22 | 417,00 | 212,00 | |||||||||||||||||||||||||||||||||||||||||||||||||||||||||||||||||||||||||||||||||||||||||||||||||||||||
| О09 | 4. Сверлти отвір ф25на прохід | ||||||||||||||||||||||||||||||||||||||||||||||||||||||||||||||||||||||||||||||||||||||||||||||||||||||||||||
| Р10 | ф25 | 54,90 | 27,49 | 0,50 | 194,00 | 24,00 | |||||||||||||||||||||||||||||||||||||||||||||||||||||||||||||||||||||||||||||||||||||||||||||||||||||||
| О11 | 4. Розсвелити отвір ф25/ф39,5 на прохід | ||||||||||||||||||||||||||||||||||||||||||||||||||||||||||||||||||||||||||||||||||||||||||||||||||||||||||||
| 12 | ф39,5 | 54,90 | 27,49 | 0,50 | 194,00 | 24,00 | |||||||||||||||||||||||||||||||||||||||||||||||||||||||||||||||||||||||||||||||||||||||||||||||||||||||
| 13 | |||||||||||||||||||||||||||||||||||||||||||||||||||||||||||||||||||||||||||||||||||||||||||||||||||||||||||||
| ОК | Операційна карта | ||||||||||||||||||||||||||||||||||||||||||||||||||||||||||||||||||||||||||||||||||||||||||||||||||||||||||||
| ГОСТ 3.1404-86 форма 2а | |||||||||||||||||||||||||||||||||||||||||||||||||||||||||||||||||||||||||||||||||||||||||||||||||||||||||||||
| Дубл. | |||||||||||||||||||||||||||||||||||||||||||||||||||||||||||||||||||||||||||||||||||||||||||||||||||||||||||||
| Взам. | |||||||||||||||||||||||||||||||||||||||||||||||||||||||||||||||||||||||||||||||||||||||||||||||||||||||||||||
| Подл. | |||||||||||||||||||||||||||||||||||||||||||||||||||||||||||||||||||||||||||||||||||||||||||||||||||||||||||||
| Р | ПИ | D или B | L | t | i | S | n | V | |||||||||||||||||||||||||||||||||||||||||||||||||||||||||||||||||||||||||||||||||||||||||||||||||||||
| 01 | |||||||||||||||||||||||||||||||||||||||||||||||||||||||||||||||||||||||||||||||||||||||||||||||||||||||||||||
| 02 | |||||||||||||||||||||||||||||||||||||||||||||||||||||||||||||||||||||||||||||||||||||||||||||||||||||||||||||
| 03 | |||||||||||||||||||||||||||||||||||||||||||||||||||||||||||||||||||||||||||||||||||||||||||||||||||||||||||||
| 04 | |||||||||||||||||||||||||||||||||||||||||||||||||||||||||||||||||||||||||||||||||||||||||||||||||||||||||||||
| 05 | |||||||||||||||||||||||||||||||||||||||||||||||||||||||||||||||||||||||||||||||||||||||||||||||||||||||||||||
| 06 | |||||||||||||||||||||||||||||||||||||||||||||||||||||||||||||||||||||||||||||||||||||||||||||||||||||||||||||
| 07 | |||||||||||||||||||||||||||||||||||||||||||||||||||||||||||||||||||||||||||||||||||||||||||||||||||||||||||||
| 08 | |||||||||||||||||||||||||||||||||||||||||||||||||||||||||||||||||||||||||||||||||||||||||||||||||||||||||||||
| 09 | |||||||||||||||||||||||||||||||||||||||||||||||||||||||||||||||||||||||||||||||||||||||||||||||||||||||||||||
| 10 | |||||||||||||||||||||||||||||||||||||||||||||||||||||||||||||||||||||||||||||||||||||||||||||||||||||||||||||
| 11 | |||||||||||||||||||||||||||||||||||||||||||||||||||||||||||||||||||||||||||||||||||||||||||||||||||||||||||||
| 12 | |||||||||||||||||||||||||||||||||||||||||||||||||||||||||||||||||||||||||||||||||||||||||||||||||||||||||||||
| 13 | |||||||||||||||||||||||||||||||||||||||||||||||||||||||||||||||||||||||||||||||||||||||||||||||||||||||||||||
| 14 | |||||||||||||||||||||||||||||||||||||||||||||||||||||||||||||||||||||||||||||||||||||||||||||||||||||||||||||
| 15 | |||||||||||||||||||||||||||||||||||||||||||||||||||||||||||||||||||||||||||||||||||||||||||||||||||||||||||||
| 16 | |||||||||||||||||||||||||||||||||||||||||||||||||||||||||||||||||||||||||||||||||||||||||||||||||||||||||||||
| 17 | |||||||||||||||||||||||||||||||||||||||||||||||||||||||||||||||||||||||||||||||||||||||||||||||||||||||||||||
| 18 | |||||||||||||||||||||||||||||||||||||||||||||||||||||||||||||||||||||||||||||||||||||||||||||||||||||||||||||
| ОК | Операційна карта |
Міністерство освіти і науки України
Житомирський державний технологічний університет
Кафедра: ТМК і КТС
Група МС-112
КУРСОВА РОБОТА
з курсу:
Технологічна оснастка
на тему:
’’Проектування технологічної оснастки для виготовлення деталі -
Каретка верхня’’
Житомир 2007
Зміст
1. Аналіз технологічної оснастки, що використовується в розробленому технологічному процесі виготовлення деталі.
1.1 Технологічна характеристика деталі, що виготовляється.
1.2 Аналіз використання установочно-затискних пристроїв.
1.3 Аналіз використання різального та допоміжного інструменту.
1.4 Аналіз використання контрольно-вимірювального інструментута та пристроїв для контролю деталі.
2. Обгрунтування доцільності використання спеціального пристрою для однієї з операцій технологічного процесу
3. Розробка технічного завдання на проектування спеціального пристрою.
4. Проектування та розрахунки спеціального пристрою.
4.1 Аналіз вихідних даних, що необхідні для проектування спеціального пристрою
4.2 Розробка теоретичної схеми базування та схему затискання заготовки на заданій операції.
4.3 Розрахунок похибок базування, затискання та встановлення заготовки в пристрої.
4.4 Розробка загальної схеми взаємодії сил та моментів, що діють на заготовку в процесі обробки, та визначити необхідну величину сили затиску заготовки.
4.5 Визначення фактичної сили затискання заготовки в пристрої. Розробка кінематичної схеми затискного механізму та вибір його конструкції. Розрахунок механізованого приводу пристрою (при необхідності). Перевірка умови надійного затискання заготовки в пристрої.
4.6 Розробка конструкції спеціального пристрою та виконання креслення його загального виду,опис принципу роботи розробленого пристрою. Виконання деталювання окремих деталей, що входять до складу конструкції пристрою.
4.7 Розробка технічних вимог на виготовлення конструкції пристрою.
5. Розробка та оформлення операційної карти (ОК) та карти ескізів (КЕ) на технологічну операцію для якої розроблено пристрій.
1. Аналіз технологічної оснастки, що використовується в розробленому технологічному процесі виготовлення деталі
Технологічний процес розроблено на виготовлення деталі каретка верхня розробленно відповідно до розвитку новітніх технологій та прогрес в науці та техніці. Все це не могло залишитись поза увагою міністерства освіти. Тому ставиться завдання навчитись створювати технологію відповідно для нових видів верстатів з числовим програмни забезпеченням, що не могло залишитись поза увагою.
Даний технологічний процес створено при умові що працюватиме верстаити: поздовжньофрезерний і оброблюючий центр. У звязку з цим вибір пристосування для закріплення на верстатах заготівки також не має великого різноманіття.
На операціях де використовується верстат оброблюючий центр ми застосовуємо спеціальне пристосування що маєпрості установочні бази та зажимні елементи та призначені для установки однакових за формою та розміром заготовок. Яке використовується у нас двох видів для встановлення на одних операціях однією стороною і інше коли заготівка перевернена. На оброблюючому центрі є змога використовувати багатоінструментальний магазин інструментів (30 найменувань) для обробки деталі без перевстановлення її та відповідно зміни положення. На оброблюючому центрі нам вдається обробляти не тільки площину що знаходиться відповідно під площиною шпинделя, а й за допомогою поворотного столу обертати заготовку виставляючи її в потрібне положення. Обробка на оброблюючому центрі відзначається високою продуктивністю, зменьшенням потрібної кількості верстатів, а також чисельності працівників в цеху. Такі верстати мають магазин інструментів що швидко змінюється та підводиться у відповідне положення.
На поздовжньо-фрезерному верстаті ми використовуємо складально-розбірні пристосуваняя, що збираються зі стандартизованих елементів та вузлів і деталей з врахуванням закріплення і встановлення заготівки конкретної конфігурації. Даний верстат ми підібрали так як він дає високу продуктивність за рахунок обробки одразу кількома фрезами, що зменьшує час на обробку, наладку та перевстановлення заготівки а також не погіршується точність.
Зведена таблиця використовуваного технологічного оснащення на обробку деталі «каретка верхня»
Таблиця1
|
№п/п |
№опер. |
Назва опер. |
Обладнання |
Техн.оснастка |
||
|
Прист. |
Ріж.інст |
Доп.інст |
||||
|
1 |
005 |
Заготівельна |
||||
|
2 |
010 |
Фрезерна |
6604 |
УСП |
1фреза 160; 2фрези 100, ГОСТ 24359-80 |
Оправка з конусом 7:24 ГОСТ 26538-85 |
|
3 |
015 |
Фрезерна |
6604 |
УСП |
2фрези 100, ГОСТ 24359-80 |
Оправка з конусом 7:24 ГОСТ 26538-85 |
|
4 |
020 |
Багатоцільва |
ИР500ПМФ4 |
Спец.прист. |
Фреза 160, ГОСТ 24359-80; Сверло 2301-4157 ГОСТ 2092-77 Сверло 2301-41-4177 ГОСТ 2092-77 |
Оправка з конусом 7:24 ГОСТ 26538-85 Втулка перехідна з конусністю 7:24 ОСТ2 П12-7-84 |
|
5 |
025 |
Багатоцільва |
ИР500ПМФ4 |
Спец.прист. |
Фреза пазова 50 ГОСТ 8543-71 Фреза кінцева 25 ГОСТ 17026-71 Фреза 100 ГОСТ 24359-80 |
Оправка з конусом 7:24 ГОСТ 26538-85 |
|
6 |
035 |
Фрезерна |
6604 |
УСП |
1фреза 160; 2фрези 100, ГОСТ 24359-80 |
Оправка з конусом 7:24 ГОСТ 26538-85 |
|
7 |
040 |
Фрезерна |
6604 |
УСП |
2фрези 100, ГОСТ 24359-80 |
Оправка з конусом 7:24 ГОСТ 26538-85 |
|
8 |
045 |
Багатоцільва |
ИР500ПМФ4 |
Спец.прист. |
Фреза 160, ГОСТ 24359-80; Сверло 2301-4157 ГОСТ 2092-77 Сверло 2301-41-4177 ГОСТ 2092-77 Різець розточний ГОСТ 18883-73 |
Оправка з конусом 7:24 ГОСТ 26538-85 Втулка перехідна з конусністю 7:24 ОСТ2 П12-7-84 |
|
9 |
050 |
Багатоцільва |
ИР500ПМФ4 |
Спец.прист. |
Фреза пазова 50 ГОСТ 8543-71 |
Оправка з конусом 7:24 ГОСТ 26538-85 |
|
10 |
060 |
Фрезерна |
6604 |
УСП |
1фреза 160; 2фрези 100, ГОСТ 24359-80 |
Оправка з конусом 7:24 ГОСТ 26538-85 |
|
11 |
065 |
Фрезерна |
6604 |
УСП |
2фрези 100, ГОСТ 24359-80 |
Оправка з конусом 7:24 ГОСТ 26538-85 |
|
12 |
070 |
Багатоцільова |
ИР500ПМФ4 |
Спец.прист. |
Фреза 160, ГОСТ 24359-80; Різець розточний ГОСТ 18883-73; Сверло 11 ГОСТ 886-77; Сверло 7,9 ГОСТ 4010-77; Сверло 6,7 ГОСТ 4010-77; Сверло 10 ГОСТ 886-77; Зенкер 10 ГОСТ 12489-71; |
Оправка з конусом 7:24 ГОСТ 26538-85 Втулка перехідна з конусністю 7:24 ОСТ2 П12-7-84 |
|
13 |
075 |
Багатоцільова |
ИР500ПМФ4 |
Спец.прист. |
Фреза кінцева 25 ГОСТ 17026-71 Мітчик 10 ГОСТ 1604-71; Сверло 5,5 ГОСТ 886-77; Мітчик 6 ГОСТ 1604-71; Мітчик 8 ГОСТ 1604-71; |
Оправка з конусом 7:24 ГОСТ 26538-85 Втулка перехідна з конусністю 7:24 ОСТ2 П12-7-84 |
1.1 Аналіз деталі «Каретка верхня»
Каретка є важливою деталлю в конструкції верстата. Точність виготовлення каретки відображається на точності переміщення і відносного руху різцетримача з робочим інструментом.
З огляду конфігурації деталі виходить, що каретка є несучою деталлю різцетримача верстата. В деталі наявні направляючі за допомогою яких здійснюється точне переміщення каретки відносно супорта. Для регулювання та видалення небажаних зазорів між напрямними та салаками конструкція каретки має з однієї сторони направляючих нахил, в який при збиранні буде вставлено і закріплено.
Деталь має точний отвір за допомогою якого відбувається точне положення, співвісність та базування приєднувальних елементів конструкції.
Різьбові отвори на торцях каретки М6 та М8 виконані для приєднання до каретки захисних та змащувальних елементів, що подовжують термін експлуатації органу та зменшують інтенсивність зношення і стирання направляючих при негативній дії тертя.
Різьбові отвори М10 на верхній поверхні каретки предназначені для закріплення на ній поворотної плити на якій безпосередньо розміщується різцетримач з робочим інструментом.
Розміщення кріпильних отворів прив’язане до точно оброблених бонових і торцьових поверхонь, що обумовлює попередньо начисто обробити ці поверхні, а вже тоді отвори.
Аналізуючи конфігурацію та матеріал каретки робимо висновок що заготівку будемо отримувати литтям в піщані форми, так як це буде економічно обґрунтовано.
Конструкція каретки не має важкодоступних місць обробки та не потребує розробки нового пристосування для її закріплення при механічній обробці.
Вивчаючи креслення деталі можна зробити висновок, що заготовка отримана литтям, конструкція якої буде досить простою.
За геометричними показниками деталь досить проста та технологічна. Вона не має складних чи важкодоступних місць які б ускладнювали процес обробки.
За характеристиками точності відхилення від площинності поверхні Д складає 0,03мм; поверхні Е – 0,02мм. Допуск перпендикулярності отв.М відносно поверхні Е складає 0,02 на довжині 100мм. Допуск перпендикулярності поверхонь К, И до поверхонь Д і Ж 0,2 на довжині 150мм. Допуск перпендикулярності поверхні Ж до поверхонь Д та Л становить 0,05мм на довжині деталі.
Хімічний склад в % матеріалу СЧ20
Таблиця 2
|
C |
Si |
Mn |
S |
P |
|
3,3-3,5 |
1,4-2,4 |
0,7-1 |
до 0,15 |
до 0,2 |
Твердість НВ 10-1 = 143-255 МПа
Межа короткочасної міцності >в >=200МПа
Модуль пружності першого роду Е=10-5 МПа
Коефіцієнт теплопровідності =54 Вт/(м*град)
Густина матеріалу =7100 кг/м3
Питома теплоємність матеріалу 480 Дж/(кг*град)
1.2 Аналіз використання установочно-затискних пристроїв
При закріпленні заготівлі в пристосуванні повинні дотримуватися наступні основні правила:
- не повинне порушуватися положення заготівлі досягнуте при її базуванні;
- закріплення повинне бути надійним, щоб під час обробки положення заготівлі зберігалося незмінним;
- виникаючі при закріпленні зминання поверхонь заготівлі, а також її деформація повинні бути мінімальними і знаходитися в припустимих межах.
- для забезпечення контакту заготівлі з опорним елементом і усунення можливого його зрушення при закріпленні затискне зусилля варто направляти перпендикулярно до поверхні опорного елемента. В окремих випадках затискне зусилля можна направляти так, щоб заготівля одночасно притискалася до поверхонь двох опорних елементів;
- з метою усунення деформації заготівлі при закріпленні точку затискного зусилля треба вибирати так, щоб лінія його дії перетинала опорну поверхню опорного елемента. Лише при закріпленні особливо твердих заготівель можна допускати, щоб лінія дії затискного зусилля проходила між опорними елементами.
Визначення кількості точок дотику затискних зусиль.
Кількість точок дотику затискних зусиль визначається конкретно до кожного випадку затиску заготівлі. Для зменшення зминання поверхонь заготівлі при закріпленні необхідно зменшувати питомий тиск у місцях контакту затискного пристрою з заготівлею шляхом розосередження затискного зусилля. Це досягається застосуванням у затискних пристроях контактних елементів відповідної конструкції, що дозволяють розподілити затискне зусилля нарівно між двома або трьома точками, а іноді навіть розосередити по деякій протяжній поверхні. Кількість точок затиску багато в чому залежить від виду заготівлі, методу обробки, напрямку сили різання. Для зменшення вібрацій і деформацій заготівлі під дією сили різання варто підвищувати твердість системи заготівл-пристосування шляхом збільшення числа місць затиснення заготівлі і наближення їх до оброблюваної поверхні.
Види затискних елементів
До затискних елементів відносяться гвинти, ексцентрики, прихваты, тисочні губки, клини, плунжери, притиски, планки.
Вони є проміжними ланками в складних затискних системах. Ми застосовуємо гвинт.
Гвинтові затиски
Гвинтові затиски застосовують у пристосуваннях з ручним закріпленням заготівлі, у пристосуваннях механізованого типу, а також на автоматичних лініях при використанні пристосувань-супутників. Вони прості, компактні і надійні в роботі.
Гвинти можуть бути зі
сферичним торцем , плоским і з башмаком,
що попереджує псування поверхні. Умова
самогальмування:
.
для стандартних
метричних різей
,
тому всі механізми з метричним різьями
самогальмуючі.
Установочно-затискні пристрої для обробки деталі «каретка верхня»
Таблиця 3
|
№опер. |
Назва |
Обладнання |
Установочно-затискні пристої |
|
010 |
Фрезерна |
6604 |
Прихват відкидний ГОСТ 4736-69 |
|
015 |
Фрезерна |
6604 |
Прихват відкидний ГОСТ 4736-69 |
|
020 |
Багатоцільова |
ИР500ПМФ4 |
Гвинт нажимний з отвором під рукоятку і кікцем під п’яту з башмаком ГОСТ 13433-68 |
|
025 |
|||
|
035 |
Фрезерна |
6604 |
Прихват відкидний ГОСТ 4736-69 |
|
040 |
Фрезерна |
6604 |
Прихват відкидний ГОСТ 4736-69 |
|
045 |
Багатоцільова |
ИР500ПМФ4 |
Гвинт нажимний з отвором під рукоятку і кікцем під п’яту з башмаком ГОСТ 13433-68 |
|
050 |
Багатоцільова |
ИР500ПМФ4 |
Гвинт нажимний з отвором під рукоятку і кікцем під п’яту з башмаком ГОСТ 13433-68 |
|
060 |
Фрезерна |
6604 |
Прихват відкидний ГОСТ 4736-69 |
|
065 |
Фрезерна |
6604 |
Прихват відкидний ГОСТ 4736-69 |
|
070 |
Багатоцільова |
ИР500ПМФ4 |
Гвинт нажимний з отвором під рукоятку і кікцем під п’яту з башмаком ГОСТ 13433-68 |
|
075 |
Багатоцільова |
ИР500ПМФ4 |
Гвинт нажимний з отвором під рукоятку і кікцем під п’яту ГОСТ 13433-68 |
1.3 Використання різального та допоміжного обладнання
Правильно вибраний інструмент як і в свою чергу верстат та пристосування відіграє велику роль на прдуктивність, якість та довговічність деталі що обробляється.
Аргументація вибраного інструменту полягає у використані його з існуючим на дільниці обладнанням, швидкісного різання за рахунок використання в основному для чорнови та напівчмстових операцій твердого сплаву. Керуючись новітніми методами в інструментах з значним діаметром для використання інструментального матеріалу використовуємо інструменти з механічним кріпленням пластин. На операціях де використовується поздовжньо-фрезерний верстат на чорнових і напівчистових операцій застосовуємо фрези з механічним кріпленням пластин з твердого сплаву ВК8. цей сплав обгрунтовано вибраний виходячи з того що оброблювальний матеріал – чугун. На чистовій операції де намнеобхідно отримати малу шорсткість використовуємо новітній матеріал що замінює раніше викоричстовувану операцію шліфування – гексанітовими пластинами. Саме використаняя фрезерування а не шліфування є щонайменьше в пять разів продуктивніше викорисатання шліфувальних кругів.
На поверхнях що не потребуютьтакої високої чистоти поверхні при чистовій обробці використовують твердий сплав що репомендуться для чугунів ВК6.
На обладнані оброблюючиц центр також використовують новіткі методи та інструменти, режими роботи. В більшості використовують інструмент з механічним кріпленням непереточувальних пластин з твердого сплаву. Інструмент такий як сверла вибираємо виготовленні з швидкорізаль6ної сталі.
Таблиця використовуваного інструменту для виготовлення деталі «каретка верхня»
Таблиця 4
|
№п/п |
№опер. |
Назва опер. |
Обладнання |
Різальний інструмент |
|
1 |
005 |
Заготівельна |
||
|
2 |
010 |
Фрезерна |
6604 |
1фреза 160; 2фрези 100, ГОСТ 24359-80 |
|
3 |
015 |
Фрезерна |
6604 |
2фрези 100, ГОСТ 24359-80 |
|
4 |
020 |
Багатоцільва |
ИР500ПМФ4 |
Фреза 160, ГОСТ 24359-80; Сверло 2301-4157 ГОСТ 2092-77 Сверло 2301-41-4177 ГОСТ 2092-77 |
|
5 |
025 |
Багатоцільва |
ИР500ПМФ4 |
Фреза пазова 50 ГОСТ 8543-71 Фреза кінцева 25 ГОСТ 17026-71 Фреза 100 ГОСТ 24359-80 |
|
6 |
035 |
Фрезерна |
6604 |
1фреза 160; 2фрези 100, ГОСТ 24359-80 |
|
7 |
040 |
Фрезерна |
6604 |
2фрези 100, ГОСТ 24359-80 |
|
8 |
045 |
Багатоцільва |
ИР500ПМФ4 |
Фреза 160, ГОСТ 24359-80; Сверло 2301-4157 ГОСТ 2092-77 Сверло 2301-41-4177 ГОСТ 2092-77 Різець розточний ГОСТ 18883-73 |
|
9 |
050 |
Багатоцільва |
ИР500ПМФ4 |
Фреза пазова 50 ГОСТ 8543-71 |
|
10 |
060 |
Фрезерна |
6604 |
1фреза 160; 2фрези 100, ГОСТ 24359-80 |
|
11 |
065 |
Фрезерна |
6604 |
2фрези 100, ГОСТ 24359-80 |
|
12 |
070 |
Багатоцільова |
ИР500ПМФ4 |
Фреза 160, ГОСТ 24359-80; Різець розточний ГОСТ 18883-73; Сверло 11 ГОСТ 886-77; Сверло 7,9 ГОСТ 4010-77; Сверло 6,7 ГОСТ 4010-77; Сверло 10 ГОСТ 886-77; Зенкер 10 ГОСТ 12489-71; |
|
13 |
075 |
Багатоцільова |
ИР500ПМФ4 |
Фреза кінцева 25 ГОСТ 17026-71 Мітчик 10 ГОСТ 1604-71; Сверло 5,5 ГОСТ 886-77; Мітчик 6 ГОСТ 1604-71; Мітчик 8 ГОСТ 1604-71; |
1.4 Аналіз використання контрольно-вимірювального інструменту
Контрольні пристосування
Контроль якості виробів дуже важливий у сучасному машинобудуванні. Застосування універсальних вимірювальних інструментів і калібрів малоефективне, і не завжди забезпечує потрібну точність і зручність контролю, а в умовах поточно-автоматизованого виробництва взагалі неприйнятно.
Контрольні пристосування застосовують для перевірки заготівель, деталей і вузлів машини.
Похибка виміру в залежності від призначення виробу допускають у межах 8- 30% поля допуску на контрольований об'єкт. Загальна (сумарна) похибка виміру визначається поруч її складових:
- похибка схеми виміру;
- похибка установки контрольованого виробу;
- похибка настроювання пристосування по еталоні, зносу деталей пристосування, а також коливаннями температури.
На вибір схеми виміру великий вплив робить задана продуктивність контролю. При 100% перевірки деталей у потоковому виробництві час контролю не повинний перевищувати темпу роботи потокової лінії.
Типи контрольних пристосувань
Для перевірки невеликих і середніх деталей застосовують стаціонарні контрольні пристосування, а для великих - переносні. Поряд з одномірними знаходять широке застосування багатомірні пристосування, де за одну установку перевіряють кілька параметрів.
Контрольні пристосування поділяють на пасивні й активні.
Пасивні застосовують після виконання операцій обробки.
Активні встановлюють на верстатах, вони контролюють деталі в процесі обробки, даючи сигнал на органи верстата або робітникові на припинення обробки або зміна умов її виконання з появою браку.
Контрольне пристосування складається з настановних, затискних, вимірювальних і допоміжних елементів, змонтованих на корпусі пристосування.
На настановні елементи (опори) ставлять деталь, що перевіряється, своїми вимірювальними базами для проведення контролю. Для установки застосовують постійні опори зі сферичними і плоскими голівками, опорні пластини, а також спеціальні деталі у залежності від конфігурації деталі.
Опори зі сферичними голівками застосовують для установки деталей на неопрацьовані бази; із гладкою поверхнею - на оброблені бази.
Призми використовують для установки деталей на зовнішні циліндричні поверхні.
Для перевірки деталей на радіальне або осьове биття застосовують установку на одне або два співвісних циліндричних отвори.
Часто деталі для перевірки встановлюють на конічні кільця або розтискні оправлення. Крім того застосовують різні сполучення елементарних поверхонь як настановні бази (площина - зовнішня циліндрична поверхня, площина - отвору і т.д. )
У контрольних пристосуваннях застосовують ручні затискні пристрої (пружинні, гвинтові, эксцентриковые), також пристрої з приводом (пневмозажимы). Часто застосовують комбіновані затискні пристрої.
Вимірювальні пристрої контрольних пристосувань поділяються на граничні (безшкальні) і відлікові (шкальні). Особливу групу складають пристрої, що працюють за принципом нормальних калібрів.
Граничні вимірювальні пристрої не дають чисельного значення вимірюваних величин, а усі вироби, що перевіряються, поділяють на три категорії: придатні, брак по переходу за нижню границю допуску і брак по переходу за верхню границю допуску.
Як найпростіші пристрої застосовують убудовані в контрольні пристосування жорстко закріплені або висувні граничні елементи (скоби, пробки, щупи т.д. ).
Широке застосування одержали електроконтактні датчики: їх застосовують у контрольно-сортувальних автоматах.
Як відлікові вимірники використовують індикатори ричажні або зубчастою передачами ( до 0,001 мм), а також пневматичні мікроміри (до 0,2 мм).
Допоміжні пристрої контрольних пристосувань мають різне цільове призначення це різні поворотні пристрої, повзуни, виштовхувачі.
Корпуси контрольних пристосувань виконують у вигляді масивної твердої плити або корпусної деталі.
Таблиця використовуваного контрольно-вимірювального інструменту для виготовлення деталі «каретка верхня»
Таблиця 5
|
№п/п |
№опер. |
Назва опер. |
Обладнання |
Контрольно-вимірювальний інструмент |
|
1 |
005 |
Заготівельна |
||
|
2 |
010 |
Фрезерна |
6604 |
Штангенциркуль ШЦ I 0-200мм ц-0,01 ГОСТ 166-89 |
|
3 |
015 |
Фрезерна |
6604 |
Штангенциркуль ШЦ I 0-200мм ц-0,01 ГОСТ 166-89 |
|
4 |
020 |
Багатоцільва |
ИР500ПМФ4 |
Штангенциркуль ШЦ I 0-200мм ц-0,01 ГОСТ 166-89 |
|
5 |
025 |
Багатоцільва |
ИР500ПМФ4 |
Штангенциркуль ШЦ I 0-200мм ц-0,01 ГОСТ 166-89 |
|
6 |
035 |
Фрезерна |
6604 |
Штангенциркуль ШЦ I 0-200мм ц-0,01 ГОСТ 166-89 |
|
7 |
040 |
Фрезерна |
6604 |
Штангенциркуль ШЦ I 0-200мм ц-0,01 ГОСТ 166-89 |
|
8 |
045 |
Багатоцільва |
ИР500ПМФ4 |
Штангенциркуль ШЦ I 0-200мм ц-0,01 ГОСТ 166-89 |
|
9 |
050 |
Багатоцільва |
ИР500ПМФ4 |
Шаблон |
|
10 |
060 |
Фрезерна |
6604 |
Зразки шорсткості ГОСТ 1765-81 Штангенциркуль ШЦ I 0-200мм ц-0,01 ГОСТ 166-89 |
|
11 |
065 |
Фрезерна |
6604 |
Зразки шорсткості ГОСТ 1765-81 Штангенциркуль ШЦ I 0-200мм ц-0,01 ГОСТ 166-89 |
|
12 |
070 |
Багатоцільова |
ИР500ПМФ4 |
Калібр-пробка ф 40Н7 Різьбомір універсальний ГОСТ 1285-71 Штангенциркуль ШЦ I 0-200мм ц-0,01 ГОСТ 166-89 |
|
13 |
075 |
Багатоцільова |
ИР500ПМФ4 |
Зразки шорсткості ГОСТ 1765-81 Різьбомір універсальний ГОСТ 1285-71 Штангенциркуль ШЦ I 0-200мм ц-0,01 ГОСТ 166-89 |
2. Особливості проектування пристосувань для верстатів із ЧПК, оброблюючих центрів і гнучких виробничих систем
До верстатних пристосувань, застосовуваних на верстатах із ЧПУ, пред'являються наступні вимоги [4]:
а) висока точність і жорсткість, що забезпечує необхідну точність обробки і максимальне використання потужності верстата;
б) повне базування як заготівлі, так і пристосування відносно початку координат верстата;
в) можливість підходу інструмента до всіх оброблюваних поверхонь;
г) можливість зміни заготівлі поза робочою зоною верстата або верстата взагалі;
д) можливість швидкої зміни або швидкого переналагодження пристосування на верстаті;
е) можливість зміни пристосування поза робочою зоною верстата або поза верстатом;
ж) наявність швидкодіючих механізованих затискних пристроїв;
з) можливість розміщення декількох заготівель на одному пристосуванні.
Особливості установки пристосувань на верстатах із ЧПК
Особливістю установки є необхідність повного базування і швидкого закріплення пристосування на столі верстата, що забезпечує міцний зв'язок з початком координат верстата і прив'язка до вихідної точки обробки (точці, у якій знаходиться інструмент перед початком роботи верстата).
При наявності на столі верстата поздовжніх пазів і центрального поперечного паза пристосування базується за допомогою установчих шпонок або штирів по подовжньому і поперечному пазах, і при наявності подовжніх пазів і центрального отвору - циліндричним штирем по отворі і штирями по подовжньому пазу.
Пристосування можна базувати по двох площинах у координатний кут за допомогою точно виготовленого і вивіреного косинця, встановлюваного і столу верстата, що закріплюється в поздовжніх пазах.
Можливо також базування пристосувань тільки по поздовжньому пазу. У цьому випадку твердий зв'язок траєкторії обробки з початком координат верстата по подовжній осі столу відсутній і установка інструмента у вихідну точку обробки повинна здійснюватися по щупі й установ, закріпленому на корпусі пристосування, або по установчому отвору або штиреві.
Часто з метою раціонального розміщення пристосувань на столі верстата і збереження точності базових поверхонь столу, на ньому жорстко закріплюють накладні плити з пазами і сіткою отворів, що можуть використовуватися для установки пристосування.
3. Технічне завдання
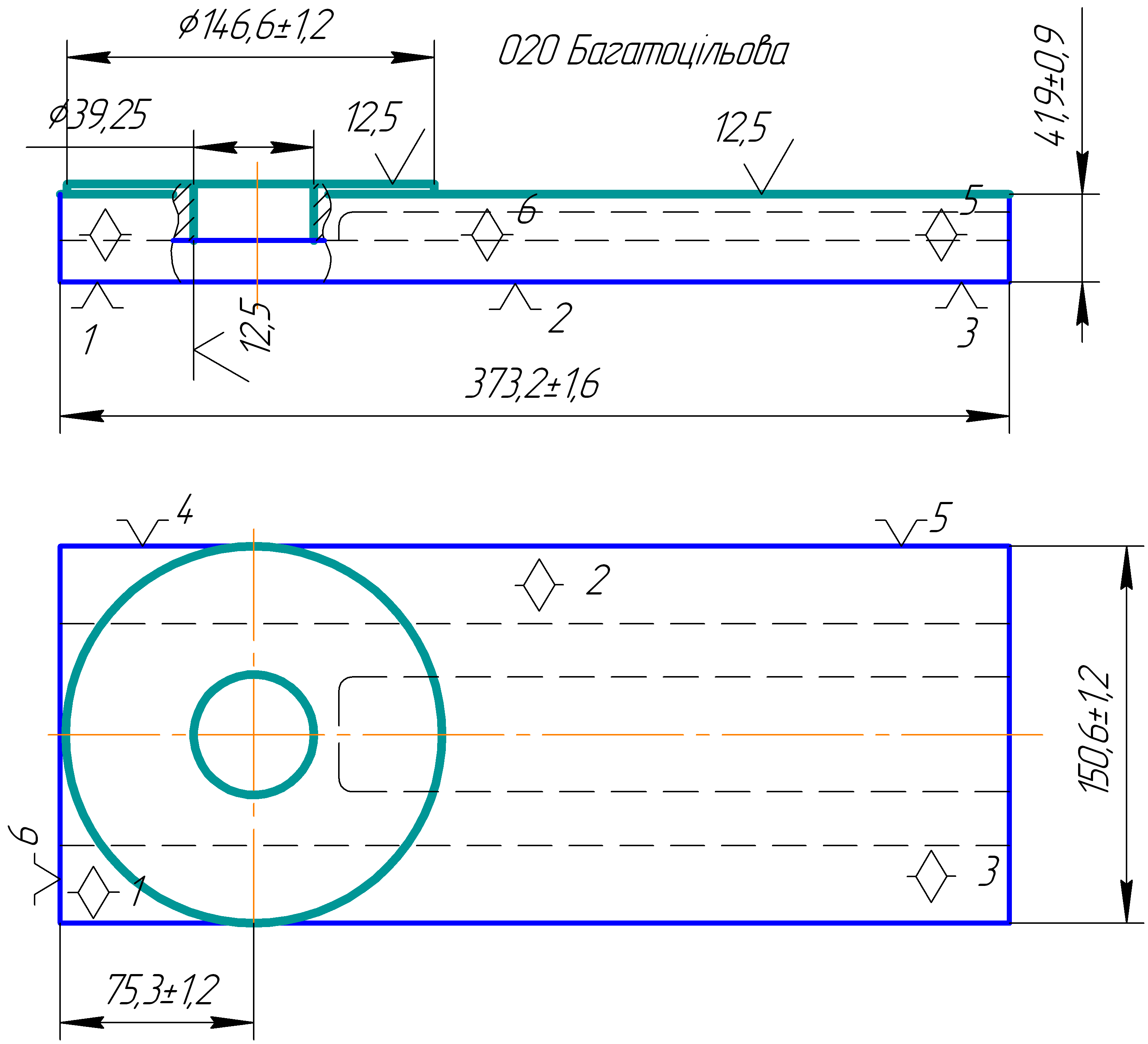
Тема завдання: Спроектувати спеціальний пристрій для чорнової обробки поверхонь О та Е, сверління отвору ф39.5мм, Деталі – «каретка верхня»
1.Заготівка з матеріалу СЧ20, при встановлені в спеціальний пристрій попередньо оброблені поверхні по яких виконується встановленя, базування, закріплення.
2. На даній операції обробці підлягають поверхні О діаметром 146,6±1,2, та поверхня Е – фрезеруванню 150,6±1,2*373,2±1,6, сверління отвору ф39,5 на прохід.
3. Операція виконується чорновою з отриманою шорсткістю Ra 12,5.
4. Базами є: основною технологічною і вимірювальною – поверхня Д напрямною і вимірювальною базою – поверхня И, опорною і вимірювальною – поверхня З.
5. На даній операції виконується 4 переходи: 1) Чорнове фрезерування поверхні О; 2) Чорнове фрезерування поверхні Е; 3) Сверління отвору ф30; 4) Розсверлювання ф30/ф39,5.
6. Верстат на якому виконується обробка – оброблюючий центр ИР500ПМФ4; Інструмент: Фреза торцьова 160,z=16, BK8, ГОСТ 24359-80;
Сверло 25 2301-4157 ГОСТ 2092-77, P18;
Сверло 39,5 2301-41-4177 ГОСТ 2092-77, P18.
7.Режими різання наведені в таблиці.
8. Програма випуску – 5000 деталей на рік.
9. Пристосування за потрібною структурою – одномісне.
10. Пристосування з ручним затисканням гвинтом.
11. Норми часу на операцію:
t>o>=0,91хв;
t>ш>=1,65 хв.
Зведена таблиця розрахованих та вибраних норм часу
на обробку деталі «Каретка верхня»
Таблиця 7
|
№ Операції |
Основний час То, хв |
Допоміжний час Тв, хв |
Оперативний час Топ, хв |
Час обслуговування робочого місця Тобс, хв |
Час на відпочинок і природні потреби Тотд, хв |
Підготовчо-заключний час Тпз, хв |
Штучний час Тшт, хв |
Штучно-калькуляційний час Тшт.к, хв |
|
О10 |
0,33 |
1,58 |
1,72 |
0,0688 |
0,0688 |
17 |
1,72 |
1,7286 |
|
О15 |
0,11 |
1,51 |
1,57 |
0,0628 |
0,0628 |
17 |
1,57 |
1,5786 |
|
О20 |
0,91 |
1,06 |
1,65 |
0,09075 |
0,066 |
43 |
1,65 |
1,6586 |
|
О25 |
2,04 |
1,2 |
3,24 |
0,1782 |
0,1296 |
43 |
3,24 |
3,2486 |
|
О35 |
0,33 |
1,58 |
1,91 |
0,0764 |
0,0764 |
17 |
1,91 |
1,9186 |
|
О40 |
0,1 |
1,51 |
1,61 |
0,0644 |
0,0644 |
17 |
1,61 |
1,6186 |
|
О45 |
0,81 |
1,06 |
1,87 |
0,10285 |
0,0748 |
43 |
1,87 |
1,8786 |
|
О50 |
0,48 |
0,99 |
1,47 |
0,08085 |
0,0588 |
43 |
1,47 |
1,4786 |
|
О60 |
0,33 |
1,58 |
1,91 |
0,0764 |
0,0764 |
17 |
1,91 |
1,9186 |
|
О65 |
0,1 |
1,51 |
1,61 |
0,0644 |
0,0644 |
17 |
1,61 |
1,6186 |
|
О70 |
1,96 |
1,41 |
3,37 |
0,18535 |
0,1348 |
43 |
3,37 |
3,3786 |
|
О75 |
1,666 |
1,34 |
3,006 |
0,16533 |
0,12024 |
43 |
3,006 |
3,0146 |
|
Сума |
8,606 |
16,33 |
24,936 |
1,21653 |
0,99744 |
43 |
24,936 |
25,0392 |
4. Проектування та розрахунки спеціального пристосування
4.1 Зміст операції.
Перехід 1. Фрезерувати поверхню О діаметром 146,6±1,2 в розмір 38,8мм;
Перехід 2. Фрезерувати поверхню Е 150,6±1,2*373,2±1,6 в розмір34,8мм;
Перехід 3. Сверління отвору ф25на прохід;
Перехід 4. Розсверлювання отвору ф25/ф39,5 на прохід.
4.2 Характеристика технічного обладнання
Технічна характеристика оброблюючого центру ИР500ПМФ4
Таблиця 6
|
Розміри робочої поверхні стола, мм …….. |
500*500 |
|
Діаметр поворотної частини стола, мм …… |
630 |
|
Переміщення стола, мм: |
|
|
поздовжнє …………………………………. |
500 |
|
поперечне ………………………………… |
800 |
|
Переміщення шпиндельної бабки, мм: |
|
|
вертикальне …………………………………. |
630 |
|
Відстань від площини столу до осі шпинделя: |
|
|
найменше, мм …………………………. |
0 |
|
найбільше, мм …………………………… |
450 |
|
Частота обертання ……………………… |
21,2 - 3000 |
|
Потужність приводу шпинделя, кВт …….. |
14 |
|
Поздовжня, поперечна, вертикальна подача, мм/хв ………………… |
1-2000 |
|
Швидкісна подача, мм/хв. ………... |
8 000 - 10 000 |
|
Місткість інструментального магазину, штук |
30 |
|
Час зміни інструменту, с …………. |
16,2 - 21,2 |
|
Найбільша маса заготовки, кг ……… |
700 |
|
Загальна потужність всіх електродвигунів, кВт |
35 |
|
Закінчення таб.6 |
|
|
Габаритні розміри, мм: |
|
|
Довжина …………………………………. |
4450 |
|
Ширина ……………………………….. |
4665 |
|
Висота ………………………………….. |
3100 |
|
Маса верстата, кг ……………………….. |
11 370 |
|
Число керуємих одночасно координат ….. |
3 |
|
Дискретність відліку по осям, мм ………. |
0,002 |

Рис.1Креслення столу багатоцільового верстату ИР500ПМФ4
5. Теоретична схема базування

Рис.2
6. Розрахунок похибки базування заготовки в пристрої


;
ТдА=±0,9=1,8мм;
;
ТдЕ=±1,2=2,4мм;
;
ТдМ=±1,2=2,4мм;
;
ТдМ=±1,2=2,4мм;
Так як похибки базування розмірів, що виконуються на даній операції меньші допустимих відхилень поверхні деталі, то робимо висновок, що пристрій задовольняє отримання необхідної точності оброблених поверхонь.
7. Розрахунок необхідної сили затискання


З рівняння рівноваги:
,
де
.
Введемо коефіцієнт надійного закріплення К[4]:



Розрахунок необхідної сили затискання проводимо для переходу №1 фрезерування:
кН.
=1,5*1,2*1,2*1,3*1*1=2,88
К>0> – гарантований коефіцфєнт запасу надійності закріплення, К>0> = 1,5;
К>1> – коефіцієнт, що враховує збільшення сили різання через випадкові нерівності заготовок;
К>1> = 1,2 – для чорнової обробки;
К>1> = 1,0 – для чистової обробки;
К>2> – коефіцієнт що враховує збільшення сили різання через затуплення інструменту (табл. 5.2);
К>3> – коефіцієнт що враховує збільшення сили різання через переривне різання, К>3> = 1,2;
К>4> – враховує непостійність затискання;
К>4> = 1,3 – для ручних зажимів;
К>4> = 1,0 – для пневматичних и гидравличних зажимів;
К>5> – враховує степінь зручності розміщення рукояток для затискання;
К>5> = 1,2 – при діапазоні кута знаходження рукоятки 900;
К>5> = 1,0 – при зручному розміщені і малій довжині рукоятки;
К>6> – враховує невпевненість при великій площі контакту затискного елементу;
К>6> = 1,0 – для опорного елемента, що має обмежену поверхню контакту з заготівкою;
К>6> = 1,5 – для опорного елемента з великою площею контакту.
Необхідний момент для затиску заготівки:
Н
Розрахуємо вихідне зусилля Р>u>, що забезпечить надійний затиск заготівки:

Коефіцієнт зусилля:

Висновок:
Для перевірки візьмемо крутний момент фрези, що складає Мкр=0,241кН*м, момент затискного зусилля Мкр=4,7кН*м. Тобто М>крс><М>крз>.
При фрезеруванні надійний затиск забезпечено.

Схема гвинтового механізму затиску заготівки.
Діаметр гвинта попередньо приймаемо ф10мм.
8. Розрахунок та визначення гвинта для закріплення заготівки
Розрахуємо на міцність гвинт ф10
1) Кут підйому різьби

Ph – хід різьби
- середній діаметр
різьби
для одно західної різі Ph=P=1,5
2) Приведений кут тертя

Де
=
/2
(
для метричної різі 600)
f – коефіцієнт тертя

3) Момент загвинчування:

- сила робочого на
кінці ключа 0,28kH
- довжика ключа 50мм
- сила затяжки болта
Приблизно D>1> – на 10мм більше d
d>0 >– на1 мм більше d
4) Сила затяжки болта знаходимо:

5) Момент в різьбі

6) Напруження при розтязі

7) Напруження крученням:

F>рас.>= 1,3F>0> (для метричної)
8) Діаметр розрахункового болта різьби

Приймаємо М12
Перевірка: D>p>=d-0,94p=12-0,94*1,75=10,355мм
Остаточно приймаємо М12 з кроком 1,75мм.
Фактичн сила затискання:

Так як фактична сила затискання на багато перевищує теоретично розраховану силу затискання то вихідне зусилля можна зменьшити до 0,24кН
Тому для зручності й полегшення закріплення заготівки робимо довжину ключа 100мм. В результаті вихідне зусилля складатиме 0,12кН.
9. Економічна ефективність розробленого пристрою
Обгрунтування економічної ефективності використаня технологічної оснастки
Методичними вказівками РД 50-533-85 встановлені техніко-економічні показники і методика розрахунку економічної ефективності використання технологічної оснастки.
Відповідно до цих вказівок рекомендується використовувати два показники:
Коефіцієнт завантаження одиниці технологічної оснастки (Кз);
Затрати на обладнання технологічних операцій виготовлення виробів (Р).
Кз визначається за формулою:

де: Т>ш>>т> – штучно-калькуляційний час виконаннятехнологічної операції ; N – планова місячна програма на одиницю оснастки (кількість повторнь операцій); F>0> – місячний фонд часу роботи оснастки (верстата).
При
Кз
0,8
необхідно використовувати ще одне
пристосування.
«Р» визначають за формулою в залежності від типу пристосування.
Для нерозроблених спеціальних пристосувань (НСП):

де: С>НСП> – собівартість пристосування; П>О.Г> – кількість згрупованих на пристосування операцій (при груповій обробці).
Для універсально-налагоджуванних пристосувань(УНП) (СНП):

де: С>Н> – собівартість виготовлення наладки (змінної частини); А>УНП,СНП> – амортизаційні відрахування за постійну частину; П>О> – кількість наладок, закріплених за постійною частиною.
Для універсально-збірних пристосувань (УСП):
а) якщо УСП являється спеціальним пристосуванням:

де: С>УСП> – Собівартість збирання компоновки УСП; Т – час знаходження виробу у виробництві; П>С> кількість збирань на аназізуючий період; С>В> – затрати за час експлуатації при використані оснастки; А>УСП> – річні амортизаційні відрахування на елементи компоновки УСП; П>Н> – нормативна кількість збирань за рік
б) якщо УСП в вигляді наладочного пристосування:

де: С>Н> – собівартість виготовлення наладни, грн; П>О> – кількість закріплених наладок, шт; П>Н> – нормативна кількість збирань в рік; С>С> – вартість збирання пристосування, грн; П>С> – кількість збирань (дійсне); А>УСП> – річні амортизаційні відрахування на елеенти УСП; Т час знаходження пристосування в виробництві
Складально-розбірні пристосування (СРП):
а) якщо СРП – спеціальне пристосування:

де: С>Н> – собівартість виготовлення спеціальних деталей, грн; С>С> – вартість збирання пристосування, грн.
б) якщо СРП як наладкове пристосування:

Для універсально-безналагоджувальних пристосувань (УБП):

де: А>УБП> – амортизаційні відрахування, грн; П>К> – кількість насичення операцій; Т – час знаходження виробу у виробництві, рік.
Оцінка ефективності використання технологічної оснастки
Ефективність застосування технологічної оснастки можна оцінити двома методами:
відповідно ГОСТ 14.305 – 73 шляхом співставлення фактичних затрат (за результатами) з плановими;
сляхом співставлення економії від примінення пристосування з затратами на цого використання та експлуатацію. В цьому випадку ефективність виражається пристосування формулою:
Э
Р
де: Э – очікуванна економія від впровадження пристосування; Р – затрати на пристосування;

де: Т>шт> – штучно-калькуляційний час виконання операції без пристосування чи в існуючому пристосуванні, хв; ТП>шт> – очікуванний штучно-калькуляційний час на операції після введення проектуємого пристосування; а>М> – собівартість однієї станко-хвилини, грн/мин; N – плануєма місячна програма; q – число місяців

де: а>пер> – змінні витрати, пропорційні зміні часу обробки ( вони включають в себе заробітню плату виробничих працівників з нарахуваннями на неї); а>П.П> – перемінно-постійні затрати, які також змінюються пропорційно часу обробки (сюди входять затрати на амортизацію та експлуатацію верстата та універсальних пристосуваннь); а>ПОСТ> – інші постійні цінові витрати, які залишаються постійними.
Використана література
Горошкин А.К. Приспособления для металлорежущих станков М.: Машиностроение, 1979, - 303 с. ил.
Корсаков B.C. Основы конструирования приспособлений М.: Машиностроение, 1983, - 227 с.
Уткин Н.Ф, Приспособления для механической обработки Л.: Лениздат, 1983,-П5 с., ил.
Кузнецов Ю.И. и др. Оснастка станков с ЧПУ. Справочник.- М.: Машиностроение, 1983, - 350 с., ил.
Станочные приспособления. Справочник в 2-х том,/ Под ред. Вардашкина Б.Н. и др. - М.: Машиностроение, 1984, ил.
Верников А.Я. Магнитные и электромагнитные приспособления в металлообработке. - М.: Машиностроение, 1984, ил.
Переналаживаемая технологическая оснастка. /Под ред. Д.И.Полякова. -М.: Машиностроение, 1988.
Кузнецов Ю.И. и др. Приспособления и оснастка для базирования и крепления деталей типа тел вращения на металлорежущих станках М.: ВНИИТЭМР, 1991.
Альбом по проектированию приспособлений. Учебное пособие для студентов машиностроительных специальностей вузов.- М.: Машиностроение, 1991.
Зразки
шорсткості ГОСТ 1765-81