Проектування автоматизованого електропривода візка мостового крану
Міністерство освіти і науки України
Національний університет водного господарства та природокористування
Кафедра електротехніки і автоматики
Курсова робота
"Проектування автоматизованого електропривода візка мостового крана"
з дисципліни:
"Автоматизований електропривод"
Виконав:
Студент III курсу
ФПМіКІС
групи АУТП-31
Реут Д.Т.
Керівник:
ас. Драчук Ю.С.
Рівне-2009
Вступ
Виконання курсового проекту має за мету набуття студентами навичок виконання інженерних розрахунків, пов’язаних з всіма етапами проектування автоматизованого електропривода конкретних виробничих механізмів чи машин. Успішне виконання проекту вимагає глибоких знань технологічних процесів, які має виконувати виробничий орган чи механізм, бо електропривод повинен забезпечити їх реалізацію з заданою точністю. Це означає, що система керування електроприводом повинна дозволяти плавно регулювати швидкість в заданому діапазоні, обмежувати величину моменту на валу механізму як в статичних, так і в динамічних режимах.
Гнучкість систем керування базується на використанні сучасних засобів електроніки і мікропроцесорної техніки. Тому для успішного проектування систем керування потрібні фундаментальні знання таких предметів як електроніка і мікросхемотехніка, теорія автоматичного керування, мікропроцесорна техніка та інші.
Завершальним етапом проектування є дослідження запроектованої системи автоматизованого електропривода шляхом математичного моделювання його роботи, що базується на знанні такого предмету як математичне моделювання на ЕОМ.
Отже, виконання даного курсового проекту буде першою спробою використання набутих знань з суміжних предметів при вирішенні інженерного завдання.
Зазвичай, при проектуванні автоматизованого електропривода розраховують декілька варіантів і на підставі техніко-економічного порівняння вибирають найбільше вдалий. Обмежений ресурс часу не дозволяє студенту виконувати цю роботу. Щоби наблизити навчальне проектування до реального, проекти на одну тему виконують декілька студентів і при захисті є можливість співставити варіанти і зробити відповідні висновки, що привнесе в навчальний процес елементи багатоваріантного проектування.
Проектування автоматизованого електропривода (АЕП) складається з таких етапів:
1. Постановка задачі, формування технічного завдання і вимог до роботи АЕП в усталених і динамічних режимах.
2. Побудова навантажувальних діаграм і тахограм руху виконавчого органу. Розрахунок потужності і попередній вибір двигуна.
3. Побудова навантажувальної діаграми двигуна, перевірка його на нагрівання та умови пуску і гальмування.
4. Обґрунтування і вибір способу керування двигуном.
5. Вибір системи керування електроприводом.
6. Розрахунки електромеханічних характеристик двигуна і електропривода.
7. Формування динамічних характеристик автоматизованого електропривода.
8. Моделювання динамічних характеристик.
9. Вибір системи керування і опис її роботи.
10. Висновки.
11. Література
1. Завдання на проектування
М2.
Спроектувати автоматизований електропривод
візка мостового крана за такими даними:
маса візка m>0>=1600
кг>;>
маса вантажу m>в>=5000
кг; швидкість руху візка
v=0,6 м/с; діаметр ходових
коліс d>хк>=0,55
м; діаметр цапфи ходового
колеса d>ц>=0,08
м; ККД передачі при
повному навантаженні
=0,85;
момент інерції муфти з гальмом на валу
двигуна J>м>=0,1
кг∙м2;
момент інерції ходового валу з муфтами
і ходовими колесами J>хв>=16
кг∙м2;
усереднена висота підвіски вантажу
l>п>=1,5
м; довжина прольоту
моста L=20 м; висота
підвіски вантажу l>п>=1,5
м.
Розрахунковий цикл роботи візка: рух на віддаль l>р> = L/2=20/2=10 м в одну сторону з вантажем і у зворотну сторону без вантажу, кількість циклів за годину N=30.
Діапазон регулювання швидкості D=55, статизм δ=0,05.
Перетворювач: широтно-імпульсний перетворювач напруги.
Система керування: з сумуючим підсилювачем.
Вид зворотного зв’язку: за швидкістю двигуна.
2. Розрахунки навантажувальної діаграми, тахограми руху виконавчого органу та попередній вибір потужності двигуна
Ці розрахунки необхідні для попереднього вибору потужності двигуна і швидкості його обертання. Їх виконують для механізмів зі змінним режимом роботи.
Зазвичай,
навантажувальну діаграму М>с>
(t) і тахограму
розраховують для найбільше важкого чи
усередненого циклу роботи виконавчого
механізму. Нижче описані методики
розрахунків М>с>
(t) і
деяких виробничих механізмів.

П
Г
риклад 1. Побудувати навантажувальну діаграму і тахограму руху візка мостового крана, кінематична схема якого наведена на Рис.1, де позначено: Д - двигун, Г - гальмо, М - муфта, Р - редуктор, ХВ - ходовий вал, ХК - ходові колеса візка. Вихідними даними для розрахунків є маса візка m>0>=1600 кг>;> маса вантажу m>в>=5000 кг; швидкість руху візка v=0,6 м/с; діаметр ходових коліс d>хк>=0,55 м; діаметр цапфи ходового колеса d>ц>=0,08 м; ККД передачі при повному навантаженні
=0,85;
усереднена висота підвіски вантажу
l>п>=1,5
м; довжина прольоту
моста L=20 м.
Візок мостового крана може переміщуватись на різні віддалі в межах прольоту. Тому розрахунковим циклом переміщення візка приймають такий: рух на віддаль l>р> = L/2=20/2=10 м в одну сторону з вантажем і у зворотну сторону без вантажу, кількість циклів за годину N=30.
Для побудови навантажувальної діаграми необхідно знати моменти сил статичного опору і втрати в кінематичних ланках.
Момент статичного опору при русі візка з вантажем
/1/
де
k>р>
= 2,2 - коефіцієнт, який
враховує тертя реборд ходових коліс об
рейки;
- коефіцієнт тертя ковзання; f>к>
=0,001 - коефіцієнт тертя
кочення.
Потужність на валу двигуна при русі візка з вантажем
,
/2/
де
=
- радіус ходових коліс, м;
=0,6
м/с - швидкість руху візка;
ККД при русі візка з вантажем, що
відповідає
на рис.2.
Момент статичного опору при русі візка без вантажу
/3/
Потужність при русі візка без вантажу
,
/4/
де η=0.71 - ККД передачі при коефіцієнті навантаження
який знаходять із кривої, наведеної на рис.2.

Рис. 2. Залежність
ККД зубчатих передач від коефіцієнта
.
При розгоні і гальмуванні візка відбувається розкачування вантажу, підвішеного на тросі. Величина відхилення від вертикального положення буде мінімальною, якщо час розгону
і гальмування
будуть дорівнювати періоду власних
коливань:
,/5/
де
висота підвіски вантажу.
Виходячи з цієї умови, величина прискорення
/6/
Шлях, який пройде візок за час розгону,
.
/7/
Такий же шлях пройде візок і при гальмуванні. Тому час переміщення візка з вантажем складе
.
/8/
З
метою підвищення продуктивності роботи
крана прискорення і сповільнення візка
без вантажу приймають у два рази більшим
.
Тоді час розгону
=0.6/
(2∙0.244) =1.229 c.
Шлях, який пройде візок за час розгону (гальмування) без вантажу,
.
/9/
Час переміщення візка без вантажу
/10/
Розрахункова тривалість одного циклу руху візка
.
/11/
Час пауз за один цикл складає
2t>п >= t>ц> - t>в - >t>0>=120-19.16-17.895=82.945 с /12/
Розрахункова відносна тривалість включення двигуна
.
/13/
Навантажувальна діаграма без врахування динамічних моментів і тахограма наведені на рис. 3.

Рис. 3.
Для попереднього вибору
потужності двигуна необхідно змінний
в часі момент М>М>
(t) або відповідну змінну
в часі потужність
замінити еквівалентною за нагріванням
сталою потужністю, яку визначають за
формулою
/14/
Для
електроприводів, які працюють в
повторно-короткочасному режимі, вибирають
двигуни, які призначені для цих режимів.
Промисловість випускає електричні
двигуни на стандартні тривалості
включення:
;
0,25; 0,4 і 0,6. Якщо розрахункова
не відповідає стандартній, то
необхідно перерахувати за формулою
.
/15/
Оскільки технічним завданням передбачено регулювання швидкості в широкому діапазоні, то необхідно вибрати двигун постійного струму з незалежним збудженням.
Для
наших умов вибираємо двигун постійного
струму незалежного збудження з
регулюванням напруги живлення за
допомогою статичних перетворювачів
змінного струму у постійний. Такі двигуни
виготовляються на тривалий режим роботи
(
).
Тому у формулу /15/ при визначенні
потрібно підставити
.
За цих умов розрахункова потужність
двигуна
.
/16/
За
каталогом вибирають двигун, номінальна
потужність якого
.
Паспортні дані двигуна заносять в табл. 1.
Обраний двигун 2ПБ112МУХЛ4 закритого виконання з природним охолодженням [7, c.321]
Таблиця 1
|
|
|
|
об/хв |
Ом |
Ом |
мГн |
|
% |
|
|
1,1 |
220 |
6,67 |
2200 |
1,29 |
1,12 |
16 |
0,015 |
75 |
1,467 |
За даними табл.1 визначаємо:
номінальну кутову швидкість
;
/17/
номінальний момент
;
/18/
опір якорного кола двигуна
,
/19/
де
падіння напруги на щітках,
і коефіцієнт передачі двигуна
.
/20/
Передаточне число редуктора
.
Вибраний двигун потрібно провірити на перевантажувальну здатність, яку визначає умова
,
/21/
де
максимальне значення моменту статичного
навантаження;
допустимий момент перевантаження
двигуна. Для двигунів постійного струму
незалежного збудження
.

Вибраний двигун має достатню перевантажувальну здатність для подолання моменту статичного навантаження.
3. Побудова навантажувальної діаграми двигуна та перевірка його на нагрівання
Оскільки
вибір потужності двигунів виробничих
механізмів з тривалим і незмінним в
часі навантаженням базується на умові,
що розрахункова потужності
на номінальній швидкості обертання, то
нагрівання двигуна ніколи не перевищить
розрахункового, і перевірку його на
нагрівання не виконують. Але для
електроприводів, які працюють у тривалому
зі змінним в часі навантаженням або у
повторно-короткочасному режимі, необхідно
робити перевірку на нагрівання двигуна,
бо при його попередньому виборі не
враховувались фактичні втрати енергії
на нагрівання в перехідних процесах.
Перевірку
електропривода на нагрівання виконують
на підставі навантажувальної діаграми
двигуна
.
Діаграму
можна побудувати, якщо відомі
навантажувальна діаграма виконавчого
механізму
і тахограма
.
Її розраховують, просумувавши статичні
і динамічні моменти, тобто
,
/22/
де
діаграма
динамічних моментів.
Величину динамічного моменту визначають із рівняння руху електропривода:
,
/23/
де
зведений
до вала двигуна момент інерції
електропривода,
.
Рівняння /23/ справедливе для умови
.
Знак плюс в ньому відноситься до
гальмівного режиму.
Для розв’язку рівняння /23/ необхідно знати зведений до вала двигуна момент інерції. Зведення моментів інерції і мас всіх рухомих частин електропривода базується на тому, що запаси кінетичної енергії зведеної системи і дійсної повинні бути рівними.
Якщо
електропривод складається з частин, що
обертаються зі швидкостями
і мають моменти інерції відповідно
,
і частини масою
,
що рухається поступально зі швидкістю
,
то зведений момент інерції
/24/
де
момент
інерції ротора (якоря) двигуна і других
елементів (шківа, муфти тощо), які
встановлені на валу двигуна;
кутова
швидкість двигуна.
Оскільки
є передаточним числом, то рівняння /24/
можна представити у вигляді
/25/
Побудувавши
діаграму
і просумувавши її з діаграмою
,
одержують навантажувальну діаграму
двигуна
,
на підставі якої перевіряють двигун на
нагрівання. Необхідність такої перевірки
обумовлена тим, що завищена проти
необхідної потужності двигуна призводить
до лишніх капітальних витрат, зменшення
ККД і коефіцієнта потужності електропривода.
Безпосередньо
вирахувати температуру обмоток на
підставі навантажувальної діаграми
можна, але це дуже трудомістка і складна
справа. Тому частіше всього для оцінки
нагрівання двигуна використовують
непрямі методи, зокрема, метод еквівалентних
величин і метод середніх втрат.
Оскільки електропривод візка мостового крана працює у повторно-короткочасному режимі, то для перевірки його на нагрівання необхідно побудувати навантажувальну діаграму двигуна на підставі рівняння /23/, в яке входить момент інерції. Згідно з рівнянням /25/ зведені моменти інерції привода при русі візка з вантажем
/26/
і без вантажу
/27/
де J>дв>, J>м>, і J>х. в> - відповідно моменти інерції двигуна, муфти і ходового вала; і - передаточне число редуктора.
Оскільки прискорення а>р> є вже визначеним, то для його реалізації при розгоні візка з вантажем двигун повинен розвивати динамічний момент
/28/
бо
.
Згідно /22/момент двигуна при розгоні візка з вантажем
/29/
де
=712,
206/ (105,592∙0,75) =8,993 H∙м –
зведений до вала двигуна момент статичного опору.
,
тому приймаємо
і за /28/ визначаємо нове значення
прискорення
=
,
яке використовуємо в подальших розрахунках.
Для розрахунку навантажувальної діаграми двигуна визначають:
час розгону візка з вантажем
;
/30/
шлях, який пройде візок за час розгону,
;
/31/
Щоби гальмування візка з
вантажем відбувалося зі сповільнення
,
динамічний момент при гальмуванні
повинен дорівнювати
.
/32/
<
,
тому накладати гальмо не потрібно, бо
візок зупиниться після відключення
двигуна під дією моменту сил опору. При
цьому візок буде гальмуватися зі
сповільненням
/33/
і час гальмування
.
/34/
Шлях, який пройде візок з вантажем при гальмуванні,
.
/35/
Час усталеного руху візка з вантажем
/36/
Як
і при розгоні візка з вантажем, так і
при розгоні візка без вантажу момент
двигуна буде рівним
.
Тому час розгону
/37/
де
- кутова швидкість руху візка без вантажу,
.
Шлях, який пройде візок без вантажу за час розгону,
.
/38/
Для
забезпечення гальмування візка без
вантажу зі сповільненням
динамічний момент повинен дорівнювати
/38, а/
>
,
тому при гальмуванні треба включити
гальмо з моментом
.
/39/
Час гальмування
,
/40/
Шлях візка без вантажу при гальмуванні
.
/41/

Рис. 4.
Час усталеного руху візка
/42/
Час паузи
.
/43/
За розрахунковими даними будують навантажувальну діаграму двигуна і тахограму швидкості (рис.4).
На підставі навантажувальної діаграми визначають еквівалентний момент з врахуванням погіршення охолодження при пуску і гальмуванні:
/44/
де
коефіцієнт погіршення тепловіддачі,
який визначають за формулою
/45/
де
=0,95
- коефіцієнт погіршення тепловіддачі
при нерухомому роторі закритого двигуна
2ПБ112МУХЛ4;
дійсна кутова швидкість,
.
Уточнену тривалість включення визначають за формулою
.
Зведений
до
еквівалентний момент
.
,
тому потужність двигуна 2ПБ112МУХЛ4
відповідає умовам його роботи.
4. Обґрунтування і вибір способу регулювання швидкості двигуна
Визначальним при виборі способу регулювання швидкості двигуна є діапазон регулювання, плавність, економічність і точність.
Діапазон регулювання визначають сукупність технологічних процесів, які повинен виконувати виконавчий механізм. Так, в задовольняли верстатах швидкість електропривода необхідно регулювати в залежності від виду оброблюваного матеріалу, геометрії різця, розмірів деталі, що обробляється, чистоти обробки та інших чинників. Швидкість, з якою повинен працювати привод димососа котельної, залежить від якості палива, умов горіння та продуктивності котла. В ліфтах, підйомниках і транспортних механізмах необхідно зменшувати швидкість при підході до зупинки, щоби забезпечити плавну і точну зупинку. У цих та багатьох інших механізмах досягнення високої продуктивності і високої якості роботи забезпечується відповідним регулюванням кутової швидкості двигуна.
Згідно завдання діапазон регулювання Д=55.
Плавність регулювання характеризує стрибок швидкості при переході від даної швидкості до наступної. Вона може бути плавною або ступінчастою. Щоби забезпечити високу гнучкість керування, зазвичай, вибирають плавне регулювання. Ця умова визначає засоби зміни швидкості, тобто тип задавача швидкості. Плавне регулювання забезпечує аналоговий задавач швидкості у вигляді змінного резистора, включеного за схемою подільника напруги.
Економність
регулювання визначається
вартістю засобів регулювання і втратами
енергії при регулювання. Вартість
засобів регулювання залежить від вибору
способу регулювання швидкості двигуна.
Так, вартість засобів регулювання
швидкості двигуна постійного струму
незалежного збудження зміною напруги
на якорі значно вища, ніж регулювання
струмом збудження, бо потужність кола
збудження складає лише
потужності кола якоря. Діапазон
регулювання струмом збудження не
перевищує 4. Тому при більшому діапазоні
вибирають комбіноване регулювання:
струмом збудження і напругою на якорі.
При
регулюванні швидкості напругою на якорі
момент двигуна з незалежною вентиляцією
залишається сталим
,
а потужність зменшується
;
при регулюванні струмом збудження
потужність стала
,
а момент зменшується, бо
.
Отже, вимога виконавчого механізму до
зміни моменту двигуна при регулюванні
є визначальною при виборі способу
регулювання.
Регулювання швидкості шунтуванням обмотки якоря або імпульсним регулюванням опору в колі якоря майже не використовується із-за великих втрат потужності. При сталій напрузі в мережі живлення більш ефективним є широтно-імпульсне регулювання напруги на якорі двигуні. Тому для приводу візка мостового крана (який є навантаженням зі сталим моментом на валу) доцільно використати широтно-імпульсний перетворювач.
Точність регулювання визначає продуктивність роботи виконавчого механізму: чим вона вища, тим вища продуктивність, бо менше знижується швидкість при збільшенні навантаження. В замкнених системах регулювання вибором відповідних законів регулювання можна забезпечити будь-яку точність.
Точність регулювання зв’язана з діапазоном регулювання: чим більший діапазон, тим вища точність. Тому виходячи із аналізу технологічного процесу задовольняли точність регулювання або її вказують в технічних умовах. Знання її необхідне при розрахунках параметрів системи автоматичного регулювання.
5. Вибір системи керування електроприводом
Системи
керування регульованим електроприводом
призначені для стабілізації швидкості
з точністю
і обмеження струму двигуна в статичних
і динамічних режимах. Системи стабілізації
швидкості за типом двигуна і перетворювача
поділяються на системи електропривода
постійного і змінного струму; за принципом
дії - на неперервні (аналогові) і дискретні
(цифрові); за принципом регулювання -
системи регулювання за відхиленням
(статичні і астатичні) і за збуренням,
а також комбіновані; за структурою - з
сумуючим підсилювачем і підпорядкованим
регулюванням координат.
Всі ці системи, зазвичай, доповнюють засобами обмеження струму або моменту двигуна як в статичних, так і в динамічних режимах.
Обґрунтування вибору привода постійного чи змінного струму базується на співставленні їх вартості і економічності роботи, бо за плавністю і діапазоном регулювання вони рівноцінні і дозволяють регулювати швидкість в діапазоні від 10 до 10000 в залежності від потреб виробничих механізмів.
Вартість двигунів постійного струму в 3...4 разів вища вартості трифазних асинхронних двигунів з короткозамкненим ротором. Вартість же силових перетворювачів приводів постійного струму в 2...3 рази нижча. Більше складною і дорогою є система керування перетворювачами частоти. Оскільки вартість двигуна у вартості привода не перевищує 20%, то регульовані електроприводи постійного струму більш дешеві.
Із перетворювачів змінного струму в постійний найбільш дешевими є перетворювачі з широтно-імпульсною модуляцією. Крім того, вони дозволяють зменшити зону переривчастих струмів.
Біля
60% світового виробництва електричної
енергії споживають електродвигуни.
Тому економічність роботи (ККД,
)
електроприводів є дуже важливою в плані
енергозбереження.
Коефіцієнти
корисної дії двигунів постійного і
змінного струму малої і середньої
потужності приблизно однакові. Але ККД
перетворювача змінного струму в постійний
на 2...3% вищий від перетворювача частоти.
На 8 - 10% вищий коефіцієнт потужності
приводів постійного струму, бо асинхронні
двигуни мають номінальні
Отже, електроприводи постійного струму
мають дещо кращі енергетичні показники.
При обґрунтуванні вибору принципу дії систем виходять із їх швидкодії і технологічних вимог щодо координації рухів окремих механізмів. В плані діапазону регулювання аналогові і цифрові системи практично рівноцінні, але цифрові системи мають більшу швидкодію і дозволяють краще забезпечувати взаємозв’язаний рух декількох виконавчих механізмів. Тому їх широко використовують в приводах верстатів з числовим програмним керуванням, в приводах роботів та інших складних машин.
За складністю більш простими є аналогові системи керування. За вартістю при використанні мікропроцесорів та інших засобів мікроелектроніки вони майже рівноцінні.
Інколи для підвищення точності регулювання на низьких швидкостях використовують аналого-цифрові системи.
Сучасні
системи стабілізації швидкості проектують
на підставі принципу регулювання за
відхиленням, тобто з від’ємним зворотним
зв’язком. В залежності від величини
статичної похибки вибирають статичну
чи астатичну
систему. Астатизм системи досягається
введенням в контур регулювання інтегруючої
ланки.
При необхідності підвищити швидкодію, особливо при ударному навантаженні, проектують комбіновану систему регулювання, яку створюють на підставі принципів регулювання за відхиленням і збуренням.
Зворотні зв’язки в системах регулювання можуть бути різними. Вид зворотних зв’язків визначають діапазон регулювання і їх технічна реалізація. В залежності від діапазону регулювання в системах стабілізації використовують такі зворотні зв’язки:
від’ємний
зворотний зв’язок за ЕРС двигуна
;
від’ємний
зворотний зв’язок за напругою
перетворювача і додатний - за струмом
двигуна
;
від’ємний
зворотний зв’язок за швидкістю
;
від’ємний
зворотний зв’язок за швидкістю і
додатний - за струмом двигуна
.
Найбільш дорогим є зворотний зв’язок за швидкістю, бо потрібно використовувати додатково тахогенератор.
При виборі структури системи регулювання - з сумуючим підсилювачем чи з підпорядкованим регулюванням, виходять із простоти налагодження, бо обидві структури можуть забезпечити однакові статичні і динамічні показники роботи. Більш простими в налагодженні є структурні схеми з підпорядкованим регулюванням, бо дозволяють кожний контур налагоджувати незалежно від іншого і це є їх перевагою, але потрібно використовувати більше операційних підсилювачів і тому ці системи дещо дорожчі.
Виходячи з заданого діапазону регулювання Д=55 доцільно вибрати систему стабілізації швидкості зі зворотним зв’язком за швидкістю з сумуючим підсилювачем, оскільки його вартість менша вартості регуляторів швидкості та струму для систем підпорядкованого регулювання. З точки зору економічності оптимальним є електропривод постійного струму з широтно-імпульсним перетворювачем напруги, який дозволяє за рахунок збільшення частоти комутації зменшити величину індуктивності згладжуючого реактора (а відповідно і його вартість).
6. Розрахунки електромеханічних характеристик двигуна і автоматизованого електропривода
Електропривод постійного струму. Натуральна механічна характеристика двигуна постійного струму незалежного збудження описується рівнянням
.
/46/
При
розрахунках частіше користуються
електромеханічною характеристикою,
яку одержують з /46/, підставивши
:
.
/47/
Формула /47/ є рівнянням натуральної електромеханічної характеристики двигуна (Рис.136).
Електромеханічна характеристика автоматизованого електропривода залежить від його структури.
В регульованому електроприводі живлення двигуна здійснюється від перетворювача електричної енергії (ПЕЕ), в якості якого використовуємо перетворювач з широтно-імпульсною модуляцією (ШІМ).
Широтно-імпульсні перетворювачі відносяться до імпульсних систем регулювання напруги постійного струму і забезпечують плавне регулювання кутової швидкості двигуна шляхом періодичного під’єднання якоря до джерела живлення і відмикання від нього. В період відмикання двигун продовжує обертатись за рахунок накопичених кінетичної і електромагнітної енергій.

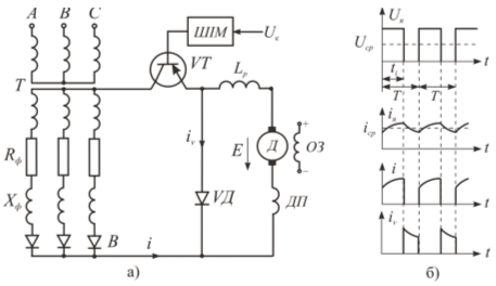
Рис. 5.
Схема
живлення двигуна постійного струму від
широтно-імпульсного перетворювача
показана на Рис.5, а. Вона складається з
узгоджуючого трансформатора Т, випрямляча
В, зібраного за трифазною нульовою
схемою, транзистора VT
- електронного вимикача, згладжуючого
реактора
і діода VД.
Діод VД,
шунтуючи коло якоря, утворює коло для
струму
(Рис.5, б) джерелом якого є ЕРС самоіндукції,
яка виникає в колі якоря в період
розімкненого стану електронного
вимикача. Це створює умови для безперервного
протікання струму
,
що значно зменшує його пульсацію і
запобігає виникненню комутаційних
перенапруг на транзисторі
та на обмотках якорного кола.
Регулювання
напруги на якорі досягається змінною
тривалості імпульсів
(широтно-імпульсна модуляція) при сталому
періоді комутації Т.
Середнє значення напруги

де
стала випрямлена напруга;
відносна тривалість імпульсу.
Рівняння електромеханічної характеристики
,
де
середнє значення струму,
,
показує, що змінюючи
,
можна регулювати швидкість в широкому
діапазоні. При цьому жорсткість
характеристики
не змінюється, за умови неперервного
струму якоря. При невеликих струмах
запас електромагнітної енергії
малий, в період пауз струм якоря знижується
до нуля і в кривій струму з’являються
паузи - струм стає переривчастим, опір
якорного кола зростає і жорсткість
електромеханічної характеристики
зменшується. Це призводить до зменшення
діапазону регулювання швидкості.
Основним засобом зменшення зони переривчастих струмів є збільшення частоти комутації. Сучасні силові транзистори дозволяють здійснювати комутацію з частотою 2...10 кГц. Зменшенню зони переривчастих струмів сприяє згладжуючий реактор, збільшуючи ЕРС самоіндукції.
Для розширення діапазону регулювання швидкості використовують замкнені системи, в яких тривалість імпульсу змінюється в залежності від швидкості двигуна за допомогою зворотних зв’язків. При цьому можна використати вертикальний принцип керування за умови, що частота генератора змінної напруги буде рівною частоті комутації.
Еквівалентний
опір широтно-імпульсного перетворювача
розраховують за тими ж формулами, що і
еквівалентний опір керованого випрямляча,
тому

де
- активний опір згладжуючого реактора.
Індуктивний опір
/48/
де
напруга короткого замикання, яка для
трансформаторів серії ТС дорівнює 2%,
і
відповідно номінальні фазні напруга і
струм первинної обмотки трансформатора,
коефіцієнт трансформації.
Активний опір фази
,
/49/
де
потужність короткого замикання
трансформатора, яка залежить від його
потужності. Використаємо трансформатор
серії ТС з
,
наведеною в табл. 3.
Таблиця 3
|
|
6,3 |
|
|
175 |
Щоби
напруга на якорі двигуна
,
діюче значення напруги вторинної обмотки
трансформатора
відповідно повинно бути рівним 208 В.
За цією умови коефіцієнт трансформації
.
/50/
Номінальний струм первинної обмотки
,
/51/
6.1 Розрахунок системи електропривода з сумуючим підсилювачем
Наведемо рівняння, якими описується електромеханічна характеристика системи електропривода з сумуючим підсилювачем:
/52/
де
коефіцієнти передачі підсилювача і
силового перетворювача;
еквівалентний опір перетворювача;
коефіцієнт зворотного зв’язку за
швидкістю двигуна.
Вихідними
даними для розрахунків коефіцієнтів,
які входять в рівняння /53/, є задані
технічними умовами діапазон регулювання
і статизм нижньої електромеханічної
характеристики. Діапазон регулювання
,
де
і
швидкості
ідеальних холостих ходів, що відповідають
натуральній і нижній електромеханічній
характеристиці. Нижню межу регулювання
визначає заданий відносний перепад
швидкості, який називається статизмом,
при зміні навантаження від нуля до
номінального. Отже, статизм замкненої
системи регулювання
/53/
Підставивши
в рівняння /54/
,
одержують
/54/
Формула /54/ показує, що перепад швидкості на нижній характеристиці залежить від діапазону регулювання і статизму.
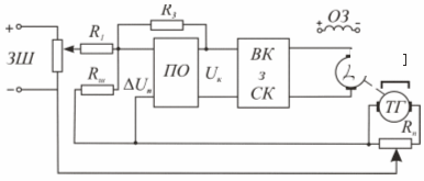
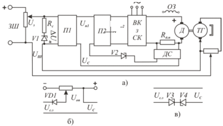
Функціональна схема системи автоматичного регулювання зі зворотним зв’язком за швидкістю наведена на Рис.6. На ній позначені: ЗШ - задавач швидкості, ПО - сумуючий операційний підсилювач: ШІП, СК - широтно-імпульсний перетворювач з системою керування,
Д
- двигун, ТГ - тахогенератор і подільник
напруги
.

Рис. 6.
Система
автоматичного регулювання з
широтно-імпульсним перетворювачем є
дискретною, але при
kГц
її можна вважати безперервною. Тому
динаміку такої системи описуватимемо
математичним апаратом для неперервних
множин.
Розв’язавши систему рівнянь /52/ відносно швидкості, одержують рівняння електромеханічної характеристики системи
,
/53/
де
.
Або
,
/55/
де
коефіцієнт підсилення розімкненої
системи.
Поділивши перепад швидкості в розімкненій системі при номінальному навантаженні
на перепад швидкості в замкненій системі
,
одержимо формулу для визначення необхідного коефіцієнта підсилення розімкненої системи:
або
.
/56/
Коефіцієнт
зворотного зв’язку за швидкістю
визначають, виходячи з стандартної
задаючої напруги 10В або 20В, яка має
відповідати швидкості ідеального
холостого ходу
.
Зазвичай, приймають
.
Тоді, підставивши в /55/
,
одержують
/57/
З /57/ визначають коефіцієнт зворотного зв’язку
/58/
Коефіцієнт
передачі керованого випрямляча визначають
з уніфікованої характеристики
(рис.7), прийнявши
рівною номінальній напрузі двигуна і
.

Коефіцієнт передачі керованого випрямляча вираховують із умови роботи привода на мінімальній швидкості. За цієї умови
;

і
згідно графіка відповідає
.
Тоді
,
/59/
де
напруга керування, яка відповідає
згідно рис.7.
Для
забезпечення заданого статизму
необхідно вибирати сумуючий підсилювач
з коефіцієнтом підсилення
.
/60/
Для
реалізації зворотного зв’язку за
швидкістю підбираємо за каталогом [Л.2,
т.2, с.430, табл.26.15] тахогенератор з
постійними магнітами за умов
і
.
Цим умовам задовольняє тахогенератор
ТМГ-30П УЗ з параметрами:
n>тг>=4000 об/хв, звідки ω>тг>=πn>тг>/30=418,879 рад/с
Е>вих>=230В
>
=0,0396∙250,996=9,933В
І>я. тг>=0,087А
k>тг>=0,549 В∙с/рад
Зазвичай,
напруга тахогенератора більша напруги
давача
.
Тому напругу
одержують за допомогою подільника
напруги тахогенератора. Опір подільника
/61/
де
струм якоря тахогенератора. Опір
подільника приймають дещо більшим
розрахункового, наприклад
=2370
Ом. Тоді опір резистора

Опір резистора
.
Щоби
струм у колі зворотного зв’язку не
зумовлював нелінійність, більшу 1%, опір
кола зворотного зв’язку повинен бути
більшим за опір
в 25 разів. При такому опорі в колі
зворотного зв’язку буде протікати
струм
.
За цієї умови струм в резисторі подільника
.
Для вибору резисторів за каталогом необхідно визначити їх потужності:
;
.
Резистором
R>2>
обираємо С5-42В з номінальним опором 2,2
кОм, потужністю розсіювання 10 Вт,
допустиме відхилення опору від
номінального
(
).
В
якості резистора R>1>
використаємо підстроювальний резистор
СП5-3В-1Вт з повним опором 220 Ом та
номінальною потужністю розсіювання 1
Вт, відхилення повного опору від
номінального
(
),
кількість обертів - 40. Його використання
дозволить точно встановити коефіцієнт
передачі подільника напруги, оскільки
регулюванням опору R>1
>можна компенсувати
відхилення опору резистора R>2>
від номінального.
6.2 Побудова граничних електромеханічних характеристик
Підставивши
в /55/
,
одержують рівняння електромеханічної
характеристики в замкненій системі
регулювання:

Рівняння
нижньої граничної характеристики
отримують, підставивши в /55/
.

На
Рис.8 показані граничні характеристики
.

Рис. 8. Електромеханічні характеристики системи
6.3 Системи обмеження моменту двигуна
Обмеження моменту двигуна згідно вимог виробничого механізму чи вимог щодо захисту самого двигуна від перевантаження забезпечується системою керування з затриманим від’ємним зворотним зв’язком за моментом. Оскільки момент двигуна постійного струму з незалежним збудженням при сталому магнітному потоці пропорційний струму, то замість затриманого зворотного зв’язку за моментом використовують затриманий зворотний зв’язок за струмом, який називають відсічкою.
На рис.9 показана функціональна схема стабілізації швидкості з обмеженням струму двигуна.
Затриманий
зв’язок за струмом здійснює пристрій
струмової відсічки, який може мати
регульовану опорну напругу
у виді окремого джерела напруги і діода
(рис.9, б) або зі сталим значенням
,
який створює стабілітрон
в нереверсивному електроприводі (рис.9,
а) чи стабілітрони
і
у реверсивному (рис.9, в).
ШІП
Рис. 9.

Затриманий
від’ємний зв’язок за струмом може
подаватись на вхід системи або на окремий
операційний підсилювач
,
як показано на рис.9, а. У цьому випадку
з метою зменшення коефіцієнта зв’язку
за струмом доцільно напругу
обмежити за допомогою стабілітрона
,
який приєднано до входу підсилювача
через резистор R>c.
>Це, крім того,
забезпечить обмеження струму якоря в
процесах прискорення і сповільнення
електропривода.
На
рис.25 наведена електромеханічна
характеристика при дії відсічки за
струмом і обмеженні напруги
,
яка має три ділянки. На ділянці 1 відсічка
за струмом не діє і
описується рівнянням /55/. На ділянці 2
вступає в дію відсічка за струмом і тому
система рівнянь /52/ згідно рис.9 набуде
вигляду:
/62/
де
- опорна напруга,
і
коефіцієнт
підсилення першого і другого підсилювачів.
Рівняння електромеханічної характеристики на другій ділянці отримаємо, розв’язавши систему /62/:
/63/
В
/63/ два невідомі:
і
.
Тому для обчислення однієї з них необхідно
одну, наприклад
,
прийняти рівною
.
Тоді
і
.
Це
призведе до зменшення
проти
,
яке було б при
.
За цієї умови рівняння /63/ матиме такий вигляд:
/64/
Підставивши
в /64/
,
що відповідатиме
,
одержують вираз для розрахунку коефіцієнта
зворотного зв’язку за струмом:
/65/
Опорна напруга буде рівною:
.
Для формування опорної напруги використовуємо 2 послідовно включені стабілітрони: Д816Д з напругою стабілізації 47В; КС415А з напругою стабілізації 2,4В.
Для
зменшення величини
приймають
.
Щоби
побудувати електромеханічну характеристику
на другій ділянці, визначають швидкість
,
підставивши в /55/
.
(пряма 2 на Рис.130).
Оскільки
,
то при швидкості
необхідно ввести обмеження напруги на
вході першого підсилювача (відсічка за
швидкістю).
Швидкість
знаходять за рівнянням /64/, підставивши
:

Напруга обмеження (напруга стабілізації стабілітрона)
.
/66/
При
зворотний зв’язок за швидкістю не буде
діяти, бо напруга на виході першого
підсилювача буде
.
За цієї умови система стає розімкненою
і рівняння електротехнічної характеристики
буде таким:
.
/67/
Підставивши
в /67/
,
одержують вираз для обчислення величини
стопорного струму:
/68/
,
тому система обмеження струму розрахована
вірно. Знаючи напругу
,
за каталогом підбираємо стабілітрон.
Вважатимемо задаючу напругу джерелом напруги із нульовим внутрішнім опором, а вхідний опір підсилювача П1 значно більшим опору кола джерело напруги U>з> - стабілітрон v>2> - резистор R>1>. Тоді за максимально можливої напруги розузгодження (при пуску задаюча напруга рівна 10В, а напруга з виходу тахогенератора - 0В) струм через стабілітрон буде рівним

Умовам роботи задовольняє стабістор 2С107А з максимальним струмом стабілізації 0,12 А, напругою стабілізації 0,7-0,77 В та максимальною потужністю розсіювання 0,125 Вт.
За
відомими
і
будують характеристику на ділянці 3.
Отримана електромеханічна характеристика
має вигляд, зображений на рис. 11.

Рис. 11.
7. Формування динамічних характеристик електропривода
Динамічні характеристики будь-якої системи регулювання представляють собою реакцію системи на стрибкоподібну зміну задаючого сигналу чи збурення. Стосовно автоматизованого електропривода це буде зміна швидкості двигуна, зумовлена миттєвою зміною задаючої напруги чи моменту сил опору (ударне навантаження), і кількісно буде описуватись диференціальним рівнянням системи регулювання при дії вказаних зовнішніх впливів.
Отже, для формування бажаних динамічних процесів необхідно знати диференціальне рівняння системи і мати засоби зміни коефіцієнтів цього рівняння, щоби в системі протікали процеси, близькі до технічно-оптимальних, тобто таких, коли час перехідного процесу буде мінімально можливим і перерегулювання не перевищить 8%.
Узагальнена
системи стабілізації швидкості з
сумуючим підсилювачем в усталеному
режимі описується системою рівнянь
/52/. Щоб описати цю ж систему в динамічних
режимах, необхідно ці рівняння доповнити
членами, які визначають зміну енергії
в її ланках. Тому при зміні задаючої
напруги
і моменту навантаження
маємо наступну систему рівнянь:
/69/
де
стала часу широтно-імпульсного
перетворювача;
стала часу якорного кола;
індуктивність
трансформатора;
індуктивність згладжуючого реактора;
зведений
до вала двигуна момент інерції привода.
Розв’язок системи рівнянь /69/, якою описуються перехідні процеси, матиме вигляд:
,
/70/
де
;
;
;
;
;
;
;
електромеханічна стала часу.
Підставивши числові значення, отримаємо:

Будь-яка система автоматичного регулювання повинна бути стійкою. Систему, робота якої описуються диференціальним рівнянням ІІІ-го прядку, найбільш просто перевіряти на стійкість за критерієм Рауса-Гурвіца. Згідно з цим критерієм система буде стійкою, якщо коефіцієнти лівої частини рівняння /70/ будуть додатними числами і
/71/
Маємо
,
отже система стійка.
Система стабілізації швидкості повинна бути не тільки стійкою, але і забезпечити бажані перехідні процеси, зокрема, перехідні процеси, викликані зміною задаючої напруги, або зміною моменту М>с>, близькими до технічно-оптимальних.
На підставі діаграми Вишеградського доведено, що технічно-оптимальні перехідні процеси в статичній системі будуть тоді, коли коефіцієнти нормованого рівняння системи
/72/
будуть
такими:
і
[3, с.287, табл.10.5].
Змінити
величини коефіцієнтів при першій і
другій похідних за швидкістю можна
введенням в контур регулювання похідних
за швидкістю і струмом з коефіцієнтами
і
.
При подачі на вхід сумуючого підсилювача додатково напруг зв’язків за похідними
/73/
Замінивши в системі рівняння /69/ перше рівняння рівнянням /73/, записують нову систему рівнянь, її розв’язують і отримують рівняння, яке буде аналогічним /70/, але з такими коефіцієнтами:
;
;
;
;
;
;
.
Коефіцієнтами нормованого рівняння /72/ зв’язані з даними коефіцієнтами такими залежностями:
/74/
Оскільки
коефіцієнти
і
визначені з умови бажаних перехідних
процесів, то розрахункові значення
коефіцієнтів зв’язків за похідними
і
знаходять з рівнянь
;
/75/
,
звідки
=0.00035
,
Звідки
=-1,313∙10-6
Реалізувати зворотні зв’язки за похідними можна за допомогою реальних диференціюючих ланок.
8. Моделювання динамічних процесів
Математичне моделювання дозволяє досліджувати перехідні процеси в системі автоматизованого електропривода за допомогою комп’ютера. Метод базується на ідентичності диференціальних рівнянь, якими описується динаміка системи, і математичної моделі, яка досліджується на комп’ютері.
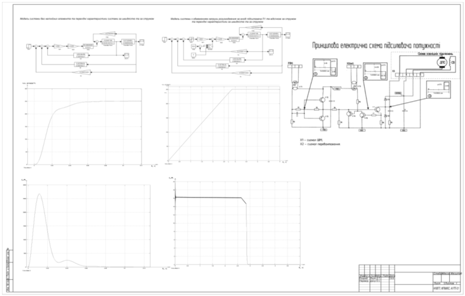
Із багатьох методик розв’язання диференціальних рівнянь за допомогою комп’ютера найменше працемістким і наочним є структурний метод, коли набір задачі на комп’ютері виконують за структурною схемою досліджуваної системи, де кожна ланка представлена своєю передавальною функцією. Зокрема, можуть бути використані спеціалізований пакет MATLAB Simulink або програма SIAM.
При
моделюванні досліджуються залежності
швидкості
(t) і струму I (t) при стрибкоподібній зміні
задаючої напруги і
=0. Потім досліджуються ці ж змінні при
обмеженні струму.
Структурну схему електропривода з сумуючим підсилювачем і зворотним зв’язком за швидкістю при зміні керуючого впливу доцільно представити у вигляді, наведеному на Рис.12.
Оскільки
реалізувати ідеальну диференціюючу
ланку
при моделюванні неможливо, то її замінюють
реальною з передавальною функцією
,
де
с
–
найменша стала часу в контурі регулювання.
Тоді передаточні функції коректуючи ланок запишуться
/76/
/77/

Рис.12. Структурна схема автоматизованого електропривода
При
=0
струм двигуна зв’язаний зі швидкістю
рівнянням
.
На підставі результатів моделювання [графіків (t) і I (t)] отримали наступні показники якості:
перерегулювання швидкості - відсутнє (σ=0);
час регулювання швидкості t>рω>=2,7 с;
максимальний струм якірного кола двигуна I>max>=16.32 А;
момент останнього перевищення струмом якоря номінального значення t=2.86 c.
9. Вибір системи керування і опис її роботи
Регулювання напруги на обмотках двигуна можна здійснювати імпульсним методом, коли двигун періодично підключається до джерела живлення і відмикається від нього. При цьому в той період, коли двигун підключений до джерела живлення, відбувається передача енергії від джерела до електропривода, яка в основному передається через вал двигуна приводному механізму, а частина її запасається у вигляді кінетичної і електромагнітної енергії; у період відключення електропривод продовжує працювати за рахунок накопиченої енергії.

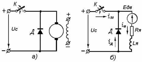
Рис.13. Принципова (а) і еквівалентна (б) схеми системи імпульсний регулятор напруги - двигун постійного струму з незалежним збудженням.
Принципова схема системи імпульсний регулятор напруги - двигун постійного струму з незалежним збудженням зображена на рис.1, а, та еквівалентна її схема на Рис.13, б. У цій системі якір двигуна за допомогою комутуючого ключа періодично підключається до джерела постійного струму, напруга якого незмінна. В період увімкненого стану ключа струм якоря i>я> рівний струму і>м>, що надходить від джерела живлення через ключ К, так як включений паралельно до якоря діод Д> >у> >цьому випадку закритий в результаті подачі на його анод від’ємної наруги джерела живлення. Після розмикання К під впливом ЕРС самоіндукції у колі якоря продовжує протікати струм через діод Д, тобто в цей період і>я>=і>Д>.
На рис.2 зображені діаграми зміни напруги на клемах двигуна u>дв> і струмів якоря двигуна і>я> (t), спожитого із мережі і>м> (t) і через діод і>Д> (t). Діаграми побудовані при умові, що комутація ключа відбувається миттєво, тобто кола джерела живлення і діода не містять індуктивності. При зазначеній умові для даної системи електропривода можна записати наступні рівняння:
для періоду замкнутого стану ключа К
(1а)
(2а)
(3а)
для періоду розімкненого стану ключа К
(1б)
(2б)
(3б)
де М>С >і J - відповідно момент статичного навантаження на валу двигуна і момент інерції електропривода.
При записі цих рівнянь прийнято, що джерело живлення володіє властивостями джерела наруги, тобто його внутрішній опір наближається до нуля, а діод Д володіє ідеальними властивостями: його опір рівний нулю у провідному напрямку і нескінченості - у зворотному.
Для аналізу усталеного режиму роботи привода необхідно проаналізувати співвідношення між середніми значеннями струму, моменту, швидкості, напруги. При цьому мається на увазі середні значення вказаних величин за період комутації К. Припускаючи, що за час Т>к> момент М>С>=const, із (3а) та (3б) можна знайти:

Для
усталеного режиму повинно виконуватися
рівність
,
тобто миттєве значення швидкості на
початку і в кінці періоду повинні бути
рівні, якщо ця рівність не виконується,
то має місце перехідний процес, а не
усталений режим. Враховуючи також, що
,
із попереднього виразу можна знайти:

Звідси у відповідності з (2а) і (2б)
(4)
З іншого боку, із (1а) і (1б)

оскільки
в усталеному режимі
.
9.1 Будова та принцип роботи широтно-імпульсного перетворювача
В будові ШІМ перетворювача можна виділити дві частини: силову та блок керування.
Блок керування призначений для керування силовою частиною перетворювача. Широтно-модульований сигнал генерується аналоговим компаратором, на інвертуючий вхід якого подається опорний сигнал від генератора пилкоподібного сигналу (з періодом, рівним періоду ШІМ), а на неінвертуючий вхід - вихідний сигнал з підсилювача П2. Таким чином, коли вхідний сигнал більше опорного, на виході отримуємо високий рівень напруги, коли менше - низький. Імпульси певної частоти (f=const) і скважності через оптичну пару VT1 передаються до силової частини. При надходженні високого рівня напруги через VT5 (тобто при перевищенні струму якоря над допустимим струмом) напруга на неінвертуючому вході зменшується внаслідок
Сигнали із блоку керування до силової частини поступають через гальванічні розв’язки (оптрони VT1, VT5). Це необхідно для того, щоб у разі якихось несправностей силової частини (неспрацювання ланки захисту, пробій одного із транзисторів) вони не пошкодили блок керування.
У якості силового ключа VT7 виступає біполярний транзистор TOSHIBA 2SC5446. Для чіткого відкриття та закриття силового транзистора необхідно два потенціали - один на закриття (у нашому випадку - 6.3В), інший на відкриття (+6.3В). Саме для цих цілей служить ланка пуску.
Ланка пуску силового ключа працює наступним чином. Сигнал ШІМ поступає на вхід оптрона Х1 (in) із блока керування. В тій частині періоду, коли є імпульс опір p-n переходу VT1→0 і напруга +7В через резистор R1 поступає на базу транзистора VT2. Опір p-n переходу емітер-колектор транзистора VT2 прямує до нуля і через нього протікає струм. Таким чином на базу силового транзистора VT7 поступає додатний потенціал, який відкриває транзистор і через обмотку якоря протікає струм. У тій частини періоду, коли імпульс відсутній, транзистор VT2 закритий, а напруга - 7В через R2 і R1 поступає на базу транзистора VT3. Транзистор відкривається і дає від’ємний потенціал на базу VT7, який його закривається і тим самим розриває коло якоря.
До ланки захисту входять такі основні елементи силовий резистор R8 (потужність розсіювання 5W, опір 0.15 Ом), транзистори VT4 та VT6. Із силового резистора R8 знімається спад напруги, який пропорційний струму в якірному колі. Якщо струм в якірному колі перевищує струм уставки спрацювання захисту, то відкривається транзистор VT6 і сигнал спрацювання захисту через оптрон VT5 подається на схему керування. Далі цей сигнал поступає на вхід An7 і програма виводить на індикатор сигнал про помилку. Транзистор VT6 відкриває транзистор VT4, який повинен заблокувати сигнал схеми пуску, тобто транзистор VT4 потенціалом на емітері повинен закрити силовий ключ навіть тоді, коли відкритий транзистор VT2.
Діод VD1 призначений для підтримання струму в колі якоря у моменти часу, коли закритий транзистор VT7. Діод VD2 захищає транзистор від інверсних імпульсів.
Висновки
В результаті виконання курсової роботи отримали систему автоматичного регулювання (а саме стабілізації) швидкості електропривода містка мостового крана, яка забезпечує регулювання швидкості з діапазоном Д=55 та падінням швидкості, що не перевищує 5% від заданої швидкості. Спроектована система обмежує момент і струм двигуна, а також забезпечує постійність прискорення у перехідних процесах. Перерегулювання в спроектованій системі відсутнє. Спроектована система стійка, перехідний процес в системі є технічно оптимальним, тому даний автоматизований електропривод візка мостового крана після відповідних налагоджувальних робіт щодо встановлення коефіцієнтів передачі елементів готовий до експлуатації.
Література
М.Г. Чиликин, А.С. Сандлер. Общий курс электропривода. - М: Энергоиздат, 1981, - 456 с.
Электротехнический справочник / под редакцией В.Е. Герасимова / т.3, кн.2. - М: Атомиздат, 1988, - 658 с.
А.А. Красовский, П.С. Поспелов. Техническая кибернетика. - М: Энергоиздат, 1965, - 670 с.
Справочник по электрическим машинам / под редакцией А.П. Копылова, Клокова /. - М: Энергоиздат, 1988, - 357 с.
Справочник по автоматизированому электроприводу. Под ред.В.А. Елисеева и А.В. Шинянского. - М:. Энергоиздат, 1983. - 616
Б.О. Баховець. Методичні вказівки до виконання курсового проекту з курсу "Автоматизований електропривод". - Рівне: РДТУ, 2001, 68 с.
Кацман М.М. Справочник по электрическим машинам: Учеб. пособие. - М.: Издательский центр "Академия", 2005. - 480 с.

,
кВт
,
В
,
А
,
,
,
,
,
,
,

