Разработка технологического процесса изготовления зубчатого колеса в условиях единичного, среднесерийного и массового типа производств
Федеральное агентство по образованию
ГОУ ВПО «Уральский государственный технологический университет – УПИ»
Нижнетагильский технологический институт (филиал) УГТУ-УПИ
Кафедра ОМ
курсовой проект
по технологии машиностроения
Разработка технологического процесса изготовления зубчатого колеса в условиях единичного, среднесерийного и массового типа производств
Н ижний Тагил
2008
Содержание
Анализ точности и шероховатости
Анализ технологических требований
Технологический процесс единичного типа производства
Технологический процесс среднесерийного типа производства
Технологический процесс массового типа производства
Чертеж детали
Наладка на операциях
Анализ точности и шероховатости
-
Поверхность
Шероховатость Ra, мкм
Квалитет
точности
Стадия обработки

100-25
12,5
17-15
14
Обтачивание при продольной подаче
1. обдирочное
2. получистовое

100-25
20
17-15
14
Обтачивание при продольной подаче
1. обдирочное
2. получистовое
Торец

100-25
20
17-15
14
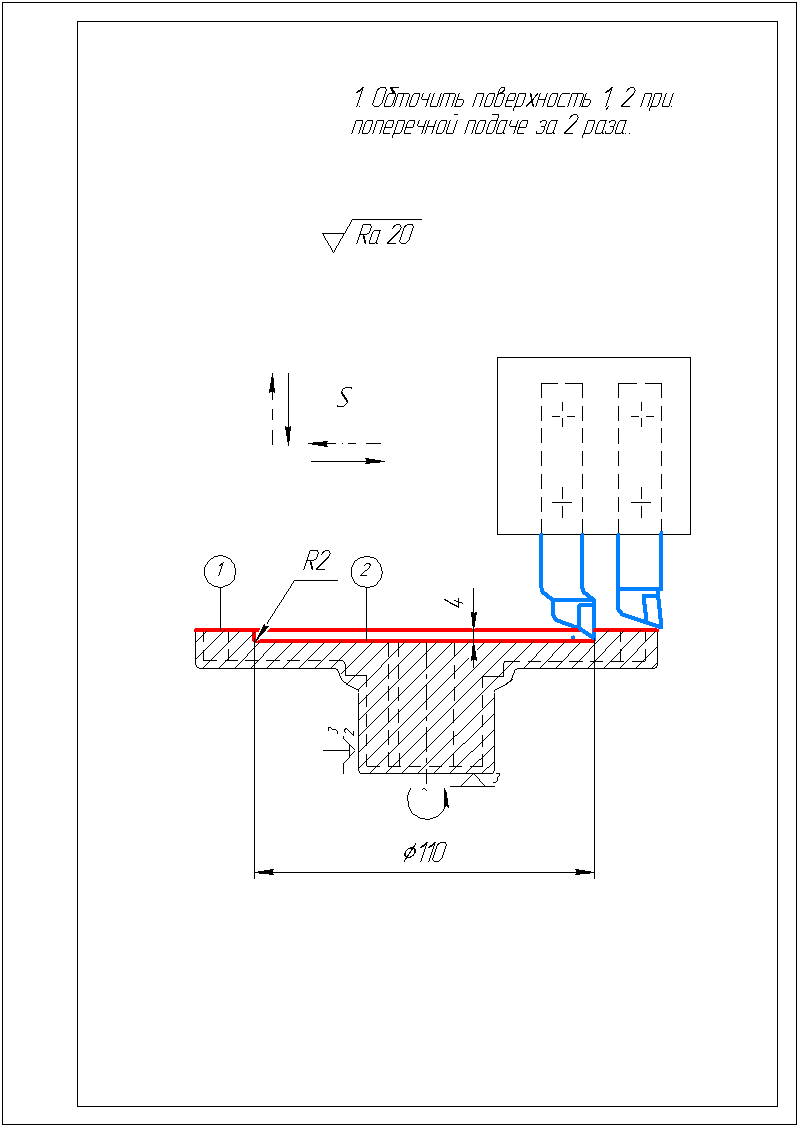
Обтачивание при поперечной подаче
1. обдирочное
2. получистовое
Торец

100-25
20
17-15
14
Обтачивание при поперечной подаче
1. обдирочное
2. получистовое
Торец

100-25
20
17-15
14
Обтачивание при поперечной подаче
1. обдирочное
2. получистовое
Торец

100-25
12.5-6,3
2,5
17-15
14-12
9
Обтачивание при поперечной подаче
1. обдирочное
2. получистовое
3. чистовое
Торец

100-25
20
17-15
14
Обтачивание при поперечной подаче
1. обдирочное
2. получистовое
Размер 6
12.5
12
Строгание
1. черновое

12,5
12
Сверление

2,5
9
Развертывание
1. нормальное

12,5-6,3
3,6
14-12
10
Зубофрезерование
1. черновое
2.чистовое

2,5
8
Зубошлифование
1.предварительное
АНАЛИЗ ТЕХНИЧЕСКИХ ТРЕБОВАНИЙ ЧЕРТЕЖА
допустимое отклонение Радиального и торцевого биения относительно базы А не более 0.030 мм. Достигается правильным базированием, правильно выбранным зажимным усилием при обработке, а также отсутствием неучтенных погрешностей на инструменте, станке и инструменте.
Технологический процесс для еденичного
типа производства
Заготовка
из проката - круглый сортовой профиль
(ГОСТ 2590-71)
,
материал сталь 45.
|
№ Операции |
Код операции |
Наименование операции |
Станок, оборудование |
Оснастка |
|
005 |
4281 |
Отрезная: Отрезать заготовку |
Автомат ленточно-отрезной 8А544 |
Тиски |
|
010 |
Кузнечная |
|||
|
015 |
Термическая обработка |
|||
|
020 |
4110 |
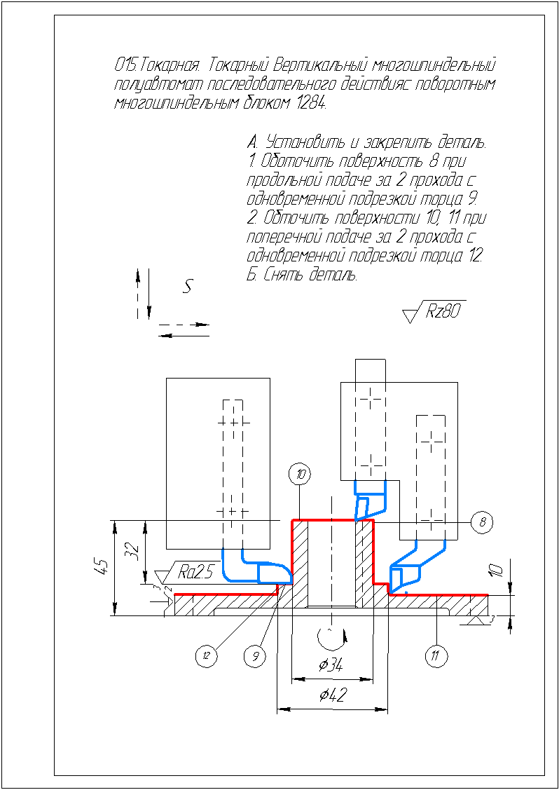
Токарная: 1.Подрезать торец Ø140/Ø42 предварительно 2. Подрезать торец Ø42/Ø34 предварительно 3.Подрезать торец Ø34/Ø20 предварительно 4.Сверлить отверстие Ø20 5.Точить поверхность Ø42 предварительно 6.Точить поверхность Ø34 предварительно 7.Подрезать торец Ø140/Ø110 предварительно 8.Подрезать торец Ø110/Ø20 предварительно 9.Точить поверхность Ø140 предварительно 10.Точить поверхность Ø110 предварительно 11.Подрезать торец Ø140/Ø110 окончательно 12.Подрезать торец Ø110/Ø20 окончательно 13.Точить поверхность Ø140 окончательно 14.Точить поверхность Ø110 окончательно 15.Снять фаску 2×45˚ 16.Подрезать торец Ø140/Ø42 окончательно 17.Подрезать торец Ø42/Ø34 окончательно 18.Подрезать торец Ø42/Ø34 окончательно 19.Точить поверхность Ø42 окончательно 20.Точить поверхность Ø34 окончательно 21.Развернуть отверстие Ø20 в размер |
Токарно-винторезный 16К20 |
Трехкулачковый патрон |
|
025 |
Долбежная: долбить паз в размеры |
Долбежный 7403 |
Оправка |
|
|
030 |
Зубофрезерная: фрезеровать зубья под шлифование |
Зубофрезерный 53А20В |
Оправка |
|
|
035 |
Зубошлифовочная: Шлифовать зубья окончательно |
Зубошлифовальный 58П70В |
Оправка |
|
|
040 |
0125 |
Моечная: Промыть деталь |
||
|
045 |
2000 |
Контрольная: Технический контроль |
||
|
050 |
0180 |
Клеймение |














