Расчет динамических моментов
План
1 Описание исполнительного механизма и технологического процесса его работы 2
2 Задание на курсовое проектирование 3
2.1 Кинематический анализ механизма 3
2.2 Построение нагрузочной диаграммы скорости как функции угла поворота кривошипа 9
3 Построение планов скоростей 10
4 Расчёт моментов 13
4.1 Расчёт статического момента 13
4.2 Расчёт динамического момента 14
6. Выбор муфт 18
8 Расчёт на статическую прочность выходного вала редуктора 21
Вывод 25
Список используемой литературы 26
1 Описание исполнительного механизма и технологического процесса его работы
В данном курсовом проекте рассматривается расчет привода подъёмно-качающегося стола. Стол предназначен для передачи слитка с одного ручья прокатного стана на другой. Слитки на стол подаются рольгангом в нижнем положении и снимаются с него в верхнем положениях. В исходное положение (нижнее) стол возвращается без слитка. Двигатель выключается до следующего поступления слитка на стол.
2 Задание на курсовое проектирование
2.1 Кинематический анализ механизма
Рассчитать привод подъёмно-качающегося стола, схема которого приведена на рис. 1, нагрузочная диаграмма угловой скорости на рис. 2

Рис. 1. Кинематическая схема подъёмно-качающегося стола:
-
1 - слиток;
2 - стол;
3 - штанга;
4 - трёхплечий рычаг;
5 - контргруз;
6 -шатун;
7 - кривошип;
8 - редуктор.

В таблице 1 приведены значения параметров для варианта 1.
Таблица 1
|
1 |
Вес слитка, кН, G>сл> |
30 |
|
2 |
Вес стола, кН, G>ст> |
800 |
|
3 |
Вес контргруза, кН, G>гр> |
208 |
|
4 |
Длина слитка, м, L>сл> |
2,4 |
|
5 |
Расстояние О>з>А, м, L>а> |
8,2 |
|
6 |
Длина стола, м, L>ст> |
10 |
|
7 |
Радиус кривошипа, м, r>кр> |
0,35 |
|
8 |
Длина шатуна, м, L>ш> |
3,0 |
|
9 |
Радиус 1 го рычага, м, r>l> |
0,65 |
|
10 |
Радиус 2 го рычага, м, r>2> |
0,7 |
|
11 |
Радиус 3 го рычага, м, r>3> |
1,7 |
|
12 |
Угол наклона рычагов к горизонту, град, γ |
5 |
|
13 |
Число циклов в час, 1/ч, Z |
170 |
|
14 |
Время работы, с, t>o>>б> |
8,4 |
|
15 |
Угловая скорость двигателя, рад/с, ω>дв> |
75 |
По нагрузочной диаграмме угловой скорости (рис. 2) определим:
значение угловой скорости ω>max>;
зависимость угловой скорости от угла поворота φ кривошипа;
вычислим передаточное число редуктора.
Разобьем нагрузочную диаграмму на участки I, II, III.
Участок I
Время изменяется в пределах

движение равноускоренное, угол поворота определим по формуле
, (1)
где:
ε>I> – угловое ускорение рад/с.,
t – время в с.,
φ – угол поворота.
ε>I> -находим из условия, что к моменту 0.1t, ω> >>I> = 0.7ω>max>>,> Так как в начальный момент ω= 0 поэтому ω = ε t, следовательно
(2)
Уравнение вращательного движения на I участке примет вид
(3)
Угол поворота φ на участке I к моменту 0.1t>o>>б>
(4)
Из выражения (3) выразим t.
, (5)
подставим в выражение (1) уравнение движения (5) и закон изменения угловой скорости (2), получаем
(6)
Отсюда:
(7)
Участок II
Время изменяется в пределах
,
движение равноускоренное, угловое ускорение определим по формуле
. (8)
Где:
∆ω – изменение скорости за весь второй участок
1 ω>ma>>x> - 0,7 ω>ma>>x> = 0,3ω>ma>>x>;
∆t – изменение времени за весь второй участок
0,7t>o>>б> - 0,1t>o>>б> = 0,6t>o>>б>.
Уравнение вращательного движения на этом участке
φ= φ>о>+ ω>о>(t-t>o>)+ ε(t-t>o>)2 /2
φ>о>– угол поворота в начале участка II(конец участка I),
t>o>– начальный момент времени для участка II,
ω>о>– скорость вращения в начале участка II.
Подставляя все значения, получаем
φ = 0,035ω>max> t>o>>б>+0,7 ω>max>(t - 0,1t>o>>б>)+ 0,5ω>max>(t - 0,1t>o>>б>)2/2t>o>>б >(9)
Выражение (9)
при t=0,1t>o>>б >(начало участка II) дает значение φ = 0,035ω>max> t>o>>б>
при t=0,7t>o>>б >(конец участка II) дает значение φ = 0,545 ω>max> t>o>>б>
Закон изменения скорости на участке II примет вид
> >(10)
Подставим значение
ω>0>=0,7ω>max>>
>и
получим
> >(11)
Отсюда
.
Значение
t
подставим
в выражение (9)

Из этого выражения выразим ω>II>
(14)
Участок III
Время изменяется в пределах
,
Так как движение равнозамедленное, отрицательное угловое ускорение определим по формуле
. (15)
Где:
∆ω – изменение скорости за весь третий участок ∆ω = ω>max>;
∆t – изменение времени за весь третий участок ∆t = 1 - 0,7t>o>>б>.= 0,3 t>o>>б>
Закон изменения скорости на участке III примет вид
> >(16)
Уравнение вращательного движения на этом участке
φ= φ>о>+ ω>о>(t-t>o>)+ ε>III >(t-t>o>)2 /2
φ>о>– угол поворота в начале участка III(конец участка II), φ = 0,545 ω>max> t>o>>б>
t>o>– начальный момент времени для участка III, t>o>> >= 0,7t>o>>б>
ω>о>– скорость вращения в начале участка III- ω>о>= ω>max>.
Подставляя все значения, получаем
φ = 0,545 ω>max> t>o>>б> + ω>max>(t - 0,7t>o>>б>) - ω>max>(t - 0,7t>o>>б>)2/0,6t>o>>б >(17)
Выражение (17)
при t = 0,7t>o>>б >(начало участка III) дает значение φ = 0,545 ω>max>t>o>>б>
при t = t>o>>б >(конец участка III) дает значение
φ= 0,545 ω>max> t>o>>б>+ 0,3ω>max> t>o>>б> - ω>max>(0,09t>o>>б>2)/0,6t>o>>б>=0,695ω>max>t>o>>б>
Из выражения (16) выразим t
,> >(18)
и подставим в выражение (17). Преобразовывая, получим.

Из этого выражения выразим ω>III>
(18)
Значение ω>max> определим из выражения (17) при t = t>o>>б >(конец участка III) φ=0,695ω>max>t>o>>б>. Полный оборот φ = 2π выходной вал редуктора делает за t>o>>б>=8,4с, поэтому ω>max>= 2π/0,695> >t>o>>б >= 1,05рад/с
Передаточное число редуктора:

Где:
ω>дв> = 75-угловая скорость быстроходного вала редуктора, рад/с;
ω>max> = 1,05-угловая скорость тихоходного (ведомого) вала редуктора, рад/с.
2.2 Построение нагрузочной диаграммы скорости как функции угла поворота кривошипа
По результатам расчётов угловой скорости и углового ускорения кривошипа строим графики ω = ω (φ) рис.1. и ε = ε (φ) рис.2. приложения 1
Диаграммы строим по результатам кинематического расчёта для двенадцати положений механизма через 30О и дополнительно включая точки перелома соответствующие углам поворота для t=0,1t>o>>б >рассчитываем по формуле (4) т.е.
φ = 0,035ω>max> t>o>>б> = 0,035 * 1,05 * 8,4 = 0,309 рад=180*0,309 /π=18О
и для t=0,7t>o>>б >рассчитываем по формуле (9) т.е.
φ = 0,545 ω>max> t>o>>б>=0,545*1,05*8,4 =4,807 рад = 180*4,807 /π=276 О
Для уточнения вида диаграммы на участке I найдем ω и ε на углах поворота φ = 6Ои 12О.
ε и ω рассчитываем следующим образом:
при 0О ≤ φ ≤ 18О расчет ведем по выражениям (2)и (7) соответственно;
при 18О < φ ≤276 О расчет ведем по выражениям (8)и (14) соответственно;
при 276 О < φ < 360О расчет ведем по выражениям (15)и(20) соответственно.
Результаты рассчитанные в программе Mathcad 12 (приложение 1) сведены в таблицу 2.
3 Построение планов скоростей
Планы скоростей строятся для двенадцати положений механизма. С помощью планов скоростей определяются скорости всех характерных точек механизма и центров весомых звеньев. Планы скоростей в приложении 2.
Рассматривая движение кривошипа, находим скорость точки А. Модуль скорости точки А определяется выражением
.
Вектор V>A> скорости точки А направлен в сторону вращения кривошипа перпендикулярно этому звену. На плане скоростей вектор отображается в выбранном масштабе отрезком [ра].
Рассматривая движение шатуна АВ как плоское и выбирая за полюс точку А, находим скорость точки В
V>В >= V>А>+ V>ВА>.
При этом векторном уравнении неизвестны лишь модули векторов V>А> и V>ВА> (здесь V>ВА> - скорость точки В во вращательном движении звена ВА вокруг полюса А), следовательно, это уравнение можно решить графически.
Отложив в масштабе вектор V>А>([ра] перпендикулярен ОА), через конец этого вектора проведём прямую, перпендикулярную шатуну АВ. Из точки р проводим прямую, перпендикулярную звену QB в пересечении этих прямых получим точку В. Длины отрезков [рв] и [ав] в масштабе плана скоростей отражают скорость точки В – V>В> и скорость точки В вокруг точки А - V>ВА> соответственно.
Очевидно,
.
Скорости точек С и Е отображаются на плане скоростей отрезками [рс] и [ре] соответственно и могут быть найдены аналогично предыдущему, то есть
.
Направлены V>С> и V>Е >перпендикулярно положению плеч r>2> и r>3> соответственно.
Скорость V>D> точки D определяем графически. Для этого через точку С проводим перпендикуляр положению штанги СD. Через точку Р проводим перпендикуляр к положению стола, точка пересечения прямых есть точка D.

Угловая скорость 
Скорость V>F> центра масс стола (точка F) и величина угловой скорости ω>F>> >стола определяются:
V>F> = ω>D> |PF| где |PF|=1/>2 >L>ст>
Модуль скорости Vk центра масс слитка (при условии, что толщиной слитка по сравнению с размерами стола можно пренебречьи слиток находится на краю стола без свисания) определяется аналогично
V>К> = ω>D> |PК| где |PК|=L>ст>- L>сл>/2
В результате построения планов скоростей для 1,2,3,4,5,6,7,8,9,10,10>а>,11,12 положений механизма рассчитываем скорости точек и угловые скорости стола, трёхплечего рычага и шатуна. Рассчеты проведены в программе Mathcad 12 (приложение 2) Результаты сводим в таблицу 3.
Таблица 3
|
№ точки |
V>Е> м/>с> |
V>F> м/>с> |
V>k> м/>с> |
ω>D> рад/>с> |
М>ст> кНм |
J>пр*>103 кгм2 |
|
М>д> кНм |
М>∑> кНм |
ε-2 рад/с-2 |
ω-1 рад/с |
φ >рад>,с |
|
1 |
0 |
0 |
0 |
0 |
0 |
0 |
-0,042 |
0,000 |
0,000 |
0,875 |
0 |
0 |
|
2 |
0,451 |
0,095 |
0,166 |
0,019 |
-10,940 |
9,489 |
22,945 |
9,237 |
-1,703 |
0,063 |
0,753 |
0,524 |
|
3 |
0,673 |
0,152 |
0,268 |
0,030 |
-8,652 |
19,420 |
15,573 |
7,414 |
-1,238 |
0,063 |
0,795 |
1,047 |
|
4 |
0,764 |
0,189 |
0,333 |
0,038 |
1,129 |
23,880 |
0,000 |
1,504 |
2,633 |
0,063 |
0,835 |
1,571 |
|
5 |
0,732 |
0,171 |
0,300 |
0,034 |
10,130 |
19,350 |
-21,415 |
-8,139 |
1,991 |
0,063 |
0,874 |
2,094 |
|
6 |
0,432 |
0,091 |
0,161 |
0,180 |
3,888 |
5,940 |
-18,321 |
-7,962 |
-4,074 |
0,063 |
0,910 |
2,618 |
|
7 |
0 |
0 |
0 |
0 |
0 |
0 |
0, |
0,145 |
0,145 |
0,063 |
0,946 |
3,142 |
|
8 |
0,458 |
0,104 |
- |
0,021 |
-3,752 |
5,881 |
19,937 |
9,647 |
5,895 |
0,063 |
0,980 |
3,665 |
|
9 |
0,785 |
0,192 |
- |
0,038 |
-4,074 |
16,560 |
15,725 |
9,008 |
4,934 |
0,063 |
1,013 |
4,189 |
|
10 |
0,956 |
0,237 |
- |
0,047 |
7,915 |
23,300 |
9,699 |
6,531 |
14,446 |
0,063 |
1,044 |
4,712 |
|
10>а> |
0,961 |
0,239 |
- |
0,048 |
9,311 |
23,630 |
3,143 |
-8,210 |
1,101 |
-0,417 |
1,046 |
4,817 |
|
11 |
0,785 |
0,188 |
- |
0,038 |
14,900 |
22,820 |
-17,252 |
-16,960 |
-2,060 |
-0,417 |
0,863 |
5,236 |
|
12 |
0,307 |
0,069 |
- |
0,014 |
12,930 |
8,220 |
-23,403 |
-9,922 |
3,008 |
-0,417 |
0,555 |
5,760 |
4 Расчёт моментов
4.1 Расчёт статического момента
Потери мощности на трение в кинематических парах учитывается с помощью КПД механизма η.
В рассматриваемом примере в механизме имеется семь кинематических пар, из них, предположим, две пары - пары трения качения (соединения кривошипа с тихоходным валом редуктора посредством дополнительного разгрузочного устройства и сединения кривошипа с шатуном), а остальное - пары трения скольжения. Тогда КПД механизма η| определяется так:
η = η>к>2>*>η>ск>2>*>η>ск>2>*>η>ск>
При η>к> = 0,99, а η>ск>=0,98. Получим η = 0,992 >*> 0,982>*> 0,982 >*> 0,98 = 0,885.
Поскольку на механизм в рассматриваемом случае действуют лишь силы веса (стола, слитка и контргруза), то М>ст> определяется для 0 < φ < π, т.е. для тех моментов, когда слиток находится на столе, статический момент направлен против угловой скорости вращения кривошипа следующим выражением:

Для π < φ < 2π, т.е. для тех моментов, когда стол возвращается в исходное положение без слитка, статический момент направлен по угловой скорости вращения кривошипа М>ст> определится выражением:

По данным формулам расчет выполнен в программе Mathcad 12 (приложение 3). Результаты сводим в таблицу 3.
4.2 Расчёт динамического момента
Приведенный к оси кривошипа момент инерции для положений механизма 0<φ< π, т.е для точек 1-7 динамический момент рассчитаем по формуле

Где m>гр>, m>ст>, m>сл>- масса груза, стола и слитка соответственно. m=G/g
При π <φ< 2π, т.е для точек 8-12

По данным формулам расчет выполнен в программе Mathcad 12 (приложение 4). Результаты сводим в таблицу 3.
По результатам расчётов строим график изменения приведённого момента инерции J>np> от угла поворота кривошипа φ.(рис.1 приложения 5).
Определение величины
(для упрощения записи в дальнейшем
обозначим
)
производим путём численного
дифференцирования.
По графику (рис.1
приложения 5) найдем значения J>np>
промежуточных значений (середина каждого
участка) и сведём в таблицу 4 значение
J>np>
рассчитываемых
и промежуточных точек.
определяем
по формуле центрального дифференцирования
.
Точку 10>а>
находим
методом левого дифференцирования.

Таблица 4
|
№ точки |
φ рад |
J>пр*>103 кгм2 |
кгм2 |
|
1 |
0 |
0 |
-0,042 |
|
1ц |
0.262 |
2.400 |
18,109 |
|
2 |
0.524 |
9.489 |
22,945 |
|
2ц |
0.785 |
14.400 |
18,989 |
|
3 |
1.047 |
19.420 |
15,573 |
|
3ц |
1.309 |
22.560 |
8,511 |
|
4 |
1.571 |
23.880 |
0,000 |
|
4ц |
1.833 |
22.560 |
-8,662 |
|
5 |
2.094 |
19.350 |
-21,415 |
|
5ц |
2.356 |
11.360 |
-25,592 |
|
6 |
2.618 |
5.940 |
-18,321 |
|
6ц |
2.88 |
1.760 |
-11,336 |
|
7 |
3.142 |
0 |
0,000 |
|
7ц |
3.403 |
1.760 |
11,245 |
|
8 |
3.665 |
5.881 |
19,237 |
|
8ц |
3.927 |
11.840 |
20,380 |
|
9 |
4.189 |
16.560 |
15,725 |
|
9ц |
4.451 |
20.080 |
12,887 |
|
10 |
4.712 |
23.300 |
9,699 |
|
10>а> |
4.817 |
23.630 |
3,143 |
|
10ц |
4.974 |
23.440 |
-1,933 |
|
11 |
5.236 |
22.820 |
-17,252 |
|
11ц |
5.498 |
14.400 |
-27,863 |
|
12 |
5.76 |
8.220 |
-23,403 |
|
12ц |
6.021 |
2.160 |
1,427 |
|
1 |
6.283 |
0 |
-0,042 |
Значения рассчитываемых точек внесем в таблицу 3.
Динамический момент М>д>, М>∑>, рассчитаем с помощью табличного редактора Microsoft Office Excel 2007. В нем же построим графики М>ст>, М>д>, М>∑> от φ рис 3.
Динамический момент М>д >рассчитываем по формуле> >

Сумма моментов М>∑ >= М>ст>>*>М>д>
Полученные значения заносим в таблицу 3.
5 Выбор редуктора
Для выбора редуктора, кроме величин М>∑> и U, необходимо знать наибольшее значение мощности.
Максимальное значение мощности, которую необходимо снять с тихоходного вала редуктора, находится из выражения
N>t>> >= М>∑>>max>> >>*> ω
М>∑>>max>> >- максимальный суммарный момент на тихоходном валу редуктора =14,446кНм в точке 10
ω>max>- угловая скорость в точке 10= 1,044рад/с
N>t>> >=14,446>*>1,044=15,08 кВт
Мощность на быстроходном валу редуктора N>б> с учётом коэффициента полезного действия редуктора η>р> = 0,955.
N>б> = N>t>> >/η>р> = 15,08/0,955 = 15,8 кВт.
Итак, для выбора редуктора имеются следующие данные
U = 71,428;
N>б> = 15,8 кВт;
ω>дв> = 75рад/с.
Далее по таблице [1] стр.162 находим соответствующий тип редуктора с максимально близкими характеристиками – ЦСН-55-II со следующими характеристиками:
U = 79,5;
N>б> = 29 кВт;
ω>дв> = 78,5рад/с.
Редуктор представляет собой трехступенчатую зубчатую передачу. На верхней части корпуса имеется кольцевой выступ для установки стойки, на которую крепится фланцевый электродвигатель.
6. Выбор муфт
Редуктор имеет посадочное место под электродвигатель, муфту на быстроходный вал редуктора не применяем.
На тихоходный вал имеем:
Ǿ = 170 мм.
М>∑>>max>> >=14,446 кН>*>м
max M = М>∑>>max>> >/G=14,446/9,8 = 1474 кгс>*>м
На основании этих данных выбираем муфту МЗП для диаметров до 180 мм М = 5000 кгс>*>м [3].
7 Расчёт шпоночного соединения
Шпоночное соединение тихоходного вала с муфтой.
Расчёт ведём исходя из условия возможного смятия шпонки.
Размеры шпоночного паза 190 х 22 х 45(мм) [1].

Рис. 4. Эскиз вала со шпонкой
Расчет на смятие

Где:
D=170 - диаметр вала, мм;
h=44 - высота шпонки, мм;
[σ]>см> = - допускаемое напряжение (для поверхностей с твёрдостью 270...330 НВ), кгсмм2;(250×106 Па)
М>max>=М>ред>=29кВт (шпонку рассчитаем на максимальную мощность редуктора).
Отсюда l шпонки

Из стандартного ряда выбираем длину шпонки:{...50,55,60,65,…}.
l = 65 мм.
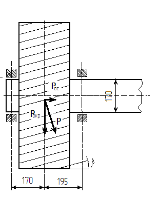
8 Расчёт на статическую прочность выходного вала редуктора

Рис. 5. Эскиз вала с действующими нагрузками
Делительный диаметр колеса D

М – модуль зубчатого зацепления - 11мм;
Z – число зубьев - 80;
β – угол наклона зубьев - 16о15`.

Рис. 6 Расчетная схема выходного вала


Рис. 7 Действующие усилия на оси вала

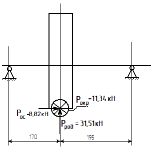
Расчет реакции опор


В расчетах на прочность влияние нормальной силы Z>A>> >не учитываем.
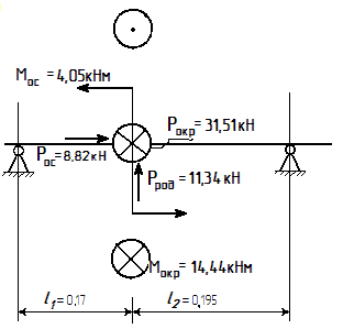
Построение епюр



Силы в опасном сечении
Проверим выполнение условия статичной прочности.
Формула эквивалентного момента по III гипотезе прочности.


где


Допускаемое напряжение для материала вала, [σ] =125 МПа;
[σ]>экв>Ш = 36 МПа < [σ] = 125 МПа.
Условие статической прочности соблюдается.
Вывод
В данной работе рассмотрен способ передачи слитков при помощи подъёмно-качающегося стола. Проведено кинематическое и динамическое исследование механизма. Проведён выбор редуктора, расчёт шпоночного паза, а также расчёт вала по допускаемым напряжениям по III теории прочности.
Список используемой литературы
1 Краузе Г.Н., Кутилин Н.Д., Сацко С.А.. Редукторы, справочное пособие. - М. - Л.: Машиностроение, 1965.
2 Гузенков П.Г. Детали машин. - М.: Высшая школа, 1975.
3 Поляков В.С. Барбаш И.Д.Муфты Л.: Машиностроение, 1973.
4 Борисов A.M., Кислюк В.А., Левитов С.Д. Методическое пособие к курсовому проекту по общему курсу электропривода. Челябинск: ЧПИ, 1972.
5 Васильев В.Э. и др. Справочные таблицы по деталям машин. Т.1,2,3. 1966.
6 Чернавский С.А. и др. Проектирование механических передач, М.: Машиностроение, 1974.
7 Гузенков П.Г. Краткий справочник к расчётам деталей машин. М.: Высшая школа, 1964.
8 Зеленов А.Б. и др. Расчёты на прочность в машиностроении. T.I-III. М.: Машгиз, 1959.
9 Чернин И.М. и др. Расчёты деталей машин. Минск, 1978.
кгм2