Расчет редуктора (работа 4)
СОДЕРЖАНИЕ
ВВЕДЕНИЕ
Выбор энерго-кинематический расчет привода
Проектные и проверочные расчеты закрытых передач привода
Расчет клиноременной передачи
Проектировочный расчет валов
Подбор и расчет подшипников
Подбор и расчет шпонок
Проверочный расчет ведомого вала
Конструктивные размеры корпуса редуктора
Выбор способа смазки редуктора
Выбор уплотнений
Выбор шероховатости поверхностей основных деталей привода
Выбор основных посадок
Порядок сборки редуктора
Список литературы
Введение
Целью курсового проекта является практическое закрепление знаний по дисциплине и приобретение навыков проектирования основных узлов и деталей машин.
Объектом курсового проектирования являются механические передачи для преобразования вращательного движения, а также вращательного в поступательное. В рассматриваемом приводе представлены основные детали, кинематические пары и соединения. Здесь есть ремённые и цилиндрические передачи, валы, оси, подшипники, соединительные муфты, соединения резьбовые, сварные, штифтовые, вал-ступица, корпусные детали, уплотнительные устройства и так далее. При проектировании редуктора находят практическое приложение такие важнейшие сведения из курса, как расчеты на контактную и объемную прочность, тепловые расчеты, выбор материалов и термообработок, масел, посадок, параметров шероховатости и так далее.
При выполнении проекта используются математические модели, базирующиеся на теоретических и экспериментальных исследованиях, относящиеся к объемной и контактной прочности, материаловедению, теплотехнике, гидравлике, теории упругости, строительной механике и др. Широко используются также знания из курсов сопротивления материалов, теоретической механики, теории механизмов и машин, технологии машиностроения, машиностроительного черчения и др.
Энерго-кинематического расчета привода
I. Выбор параметров передач привода
1.1 Назначяем КПД передач и элементов (подшипников) привода:
клиноременная передача —
0,96передача редуктора цилиндрическими зубчатыми колесами —
0,98подшипники качения (одна пара) —
0,99
1.2.Определяем ориентировочное (расчетное) значение КПД привода:
,
где m — число пар подшипников качения в приводе
В данном случае m=3

Задаемся передаточными числами передач привода:
клиноременная передача — U>1>=2
зубчатая цилиндрическая передача — U>2>=3
зубчатая цилиндрическая передача — U>3>=3
Определяем передаточное число привода:


Определяем расчетную мощность электродвигателя:

Определяем потребную частоту вращения вала электродвигателя:

Выбираем электродвигатель:
марка электродвигателя — 4А
132S2/1455.

Определяем фактическое передаточное число привода:

Принятое передаточное число требует корректировки. Оставляем передаточное число открытой передачи прежним
U>1>=2.
;
.
Uст>2>=3,15;
Uст>3>=2,5.
Определим погрешность и сравним ее с 6%:
,
значит условие выполняется.
Передаточные числа передач:
клиноременная передача — Uст>1>=2
зубчатая цилиндрическая передача — Uст>2>=3,15
зубчатая цилиндрическая передача — Uст>3>=2,5
Определяем частоты вращения валов привода:
1455об/мин
об/мин
об/мин
об/мин
Определяем крутящий момент на валах привода:
Н*м
Н*м
Н*м
Н*м
Определяем угловые скорости вращения валов привода:
;
;
;
.
Сводная таблица:
-
вал
I
II
III
IV
n, об/мин.
1455
727,5
230,95
92,38
T, Нм
36,67
69,7
213,02
516,69
,
с-1152,29
76,145
24,173
9,669
Расчет тихоходной передачи.
Исходные данные:
U = 2,5 – передаточное число;
n>3> = 230,95 об/мин – частота вращения шестерни;
n>4> = 92,38 об/мин – частота вращения зубчатого колеса;
T>3> = 213,02Нм – вращающий момент на шестерне;
T>4> = 516,69 Нм – вращающий момент на зубчатом колесе;
P>вых >= 5 кВТ;
Коэффициент перегрузки при пуске двигателя К>пер> = 1,4.
Материал шестерни – сталь 40ХН;
Материал колеса – сталь 40ХН;
Способ термической обработки:
шестерни – закалка (Н>ш >= 50 HRC);
колеса – улучшение (Н>к> = 300 HВ);
Срок службы – 19000 ч.
1. Проектировочный расчет
Выбираем коэффициент ширины
зуба
с учетом того, что имеем несимметричное
расположение колес относительно опор:
=
0,4 [с. 7].
Тогда коэффициент ширины зуба
по диаметру
определяем по формуле [ф. 3.1]:
.
Проектный расчет заключается в определении межосевого расстояния проектируемой передачи [ф. 3.2]:
,
где «+» для внешнего зацепления, «–» для внутреннего зацепления;
– вспомогательный
коэффициент;
T>4> – вращающий момент на валу колеса (на 4-м валу), Нм;
U – передаточное отношение;
–
коэффициент,
учитывающий неравномерность распределения
нагрузки по длине контактных линий;
– коэффициент
ширины зуба;
– допускаемое
контактное напряжение, МПа.
Для прямозубой передачи
вспомогательный коэффициент
= 495 [т. 3.1].
=
1,125 – данный коэффициент принимают в
зависимости от параметра
,
схемы передачи и твердости активных
поверхностей зубьев [р. 3.1].
Допускаемые
контактные
напряжения определяют раздельно для
шестерни и колеса по формуле [ф. 3.3]:
,
где
–
предел контактной выносливости,
соответствующий базовому числу циклов
напряжений, МПа;
S>H> – коэффициент запаса прочности;
Z>N> – коэффициент долговечности;
Z>R> – коэффициент, учитывающий шероховатость сопряженных поверхностей зубьев;
–
коэффициент,
учитывающий окружную скорость;
Z>L> – коэффициент, учитывающий влияние вязкости масла;
Z>X> – коэффициент, учитывающий размер зубчатого колеса.
=
0,9;
Тогда:
.
Коэффициенты запаса прочности: для шестерни - S>H>>3> = 1,2; для колеса - S>H>>4> = 1,1 [с. 9].
Предел контактной выносливости
,
МПа [т. 3.2]:
для шестерни
МПа;
для
колеса
МПа.
Суммарное число циклов перемены
напряжений
при постоянной нагрузке определяется
следующим образом [ф. 3.4]:
,
где с – число зубчатых колес, сцепляющихся с рассчитываемым зубчатым колесом, n – частота вращения, рассчитываемого зубчатого колеса (шестерни), об/мин, t – срок службы передачи, в часах.
Таким образом:
циклов,
циклов.
Базовое число циклов перемены
напряжений
определим по графику, представленному
на рис. 3.3
циклов
(Н>HRC>>
>= 50 ≈ 480 HB).
циклов (H>HB>>
>= 300).
Примечание: перевод твердости по HRC в HB по приложению 1.
Так как
определяем значение
по формуле [c.
10]:
;
.
Используя полученные данные,
найдем допускаемые контактные напряжения
,
МПа:
;
.
В качестве
допускаемого контактного напряжения
для прямозубой передачи при проектировочном
расчете принимают наименьшее допускаемое
контактное напряжение:
.
Полученные данные подставим в формулу по определению межосевого расстояния:
=166,82
мм.
Полученное
межосевое расстояние округляется до
стандартного значения [c.
11]:
= 180 мм.
Ориентировочно определяем значение модуля (мм) [ф. 3.19]:
мм.
По ГОСТ 9563-80 принимаем стандартный нормальный модуль [c. 17]:
m = 2,5 мм.
Зададимся
углом наклона
и определим суммарное z>C>,
число зубьев шестерни z>3>
и колеса z>4
>[ф.
3.20, ф. 3.21, ф. 3.22]:
Тогда:
;
округляем до целого: z>3>
= 41.
z>4 >= z>С >– z>1> = 144 – 41 = 103.
Действительное передаточное число и его погрешность определяется по формулам [ф. 3.23]:
.
Уточняем значение угла по формуле [ф. 3.24]:
тогда
.
Основные размеры шестерни и колеса:
Диаметры делительные шестерни и колеса определяются по формуле [ф. 3.25], мм:
Проверим полученные диаметры по формуле [ф. 3.26]:
,
что совпадает с ранее найденным значением.
Диаметры вершин зубьев определяются по формуле [ф. 3.27] с учетом того, что зубья изготовлены без смещения (х = 0), мм:
,
;
диаметры впадин [ф. 3.28], мм:
,
;
основные диаметры, мм:
,
,
где делительный угол профиля в торцовом сечении:
.
Ширина колеса определяется по формуле [ф. 3.29]:
мм.
Ширина шестерни определяется по формуле [ф. 3.30], мм:
b>3> = b>4> + (5...10) = 72 + (5...10) = 77…82 мм.
Полученное значение ширины округляем до нормального линейного размера: b>1> = 80 мм.
Определим окружную скорость зубчатых колес по формуле [ф. 3.31]:
м/c..
По окружной скорости колес назначаем 9-ю степень точности зубчатых колес [т. 3.4].
2. Проверочный расчет на контактную выносливость активных поверхностей зубьев
2.1 Расчет контактных напряжений
>
>
где
= 270 – коэффициент, учитывающий механические
свойства материалов сопряженных зубчатых
колес;
–
коэффициент,
учитывающий форму сопряженных поверхностей
зубьев в полюсе зацепления, для прямозубых
передач 1,75.
–
коэффициент,
учитывающий суммарную длину контактных
линий.
Коэффициент
,
учитывающий распределение нагрузки
между зубьями, выбирается по таблице в
зависимости от окружной скорости и
степени точности по нормам плавности
[т. 4.5]:
>
>= 1,11.
= 1,125;
;
= 180 мм (определено ранее).
Динамический коэффициент
определяется по таблице 5.1:
.
>
>
условие выполнено.
Недогруз =
(в курсовом проектировании недогруз должен быть не более 20%).
3. Расчет зубьев на выносливость при изгибе
3.1 Допускаемые напряжения в проверочном расчете на изгиб
Допускаемым
напряжением
определяются по формуле [ф. 5.11]:
>
>,
где
– предел выносливости при
отнулевом цикле изгиба;
– коэффициент запаса прочности;
– коэффициент долговечности;
– коэффициент, учитывающий
градиент напряжения и чувствительность
материала к концентрации напряжений;
– коэффициент, учитывающий
шероховатость переходной поверхности;
– коэффициент, учитывающий
размеры зубчатого колеса.
Коэффициент запаса прочности
определяется в зависимости от способа
термической и химико-термической
обработки [см. приложение 2]:
=
1,7;
=
1,7.
Коэффициент долговечности
находится по формуле [ф. 3.14]:
но не менее 1,
где
–
показатель степени [с. 14];
– базовое число циклов перемены
напряжений, N>Flim>>
>= 4106
циклов;
– суммарное число циклов перемены
напряжений, уже определены:
циклов,
циклов.
Так как
и
,
то
.
Предел выносливости при отнулевом
цикле изгиба
,
выбирается в зависимости от способа
термической или химико-термической
обработки [приложение 2]:
для шестерни с объемной
закалкой из стали марки 40ХН
=
580 МПа, для колеса с улучшением стали
марки 40ХН
=1,75*300;
= 525 МПа.
Коэффициент, учитывающий влияние
двустороннего приложения нагрузки
,
так как одностороннее приложение
нагрузки [c.
34].

Тогда:


3.2 Определение расчетного изгибного напряжения
Расчетом определяют напряжение в опасном сечении на переходной поверхности зуба для каждого зубчатого колеса.
Выносливость зубьев, необходимая для предотвращения усталостного излома зубьев, устанавливают сопоставлением расчетного местного напряжения от изгиба в опасном сечении на переходной поверхности и допускаемого напряжения [ф. 5.1]:
.
Расчетное местное напряжение при изгибе определяют по формуле, МПа:
,
где Т – крутящий момент, Н*м;
m – нормальный модуль, мм;
z – число зубьев;
– коэффициент ширины зуба по
диаметру (опреден ранее);
– коэффициент, учитывающий форму
зуба и концентрацию напряжений;
– коэффициент, учитывающий
влияние наклон зуба;
– коэффициент, учитывающий
перекрытие зубьев;
>
>– коэффициент нагрузки.
Коэффициент
,
учитывающий форму зуба и концентрацию
напряжений, определяется по формуле
[ф. 3.17]:
,
где x>3>
= x>4>
= 0 – коэффициенты смещения;
,
– так как шестерни прямозубые. Тогда:
;
.
Так как
>
,
то дальнейший расчет будем проводить для колеса.
Коэффициент
,
учитывающий влияние угла наклона зубьев,
для прямозубых колес равен 1.
Коэффициент
,
учитывающий перекрытие зубьев, берется
равным 1.
Коэффициент нагрузки
принимают по формуле [ф. 5.6]:
,
где
– коэффициент, учитывающий внешнюю
динамическую нагрузку (не учтенную в
циклограмме нагружения);
>
>– коэффициент,
учитывающий динамическую нагрузку,
возникающую в зацеплении до зоны
резонанса;
– коэффициент,
учитывающий неравномерность распределения
нагрузки по длине контактных линий;
– коэффициент,
учитывающий распределение нагрузки
между зубьями.
Коэффициент, учитывающий внешнюю динамическую нагрузку [т. 4.2]:
=
1.
Динамический коэффициент
определен по таблице 5.1.
Коэффициент
,
учитывающий неравномерность
распределения нагрузки по длине
контактных линий, определяется по
графику [р. 3.5], в зависимости от коэффициента
:
= 1,15.
Коэффициент
,
учитывающий неравномерность распределения
нагрузки между зубьями, берется равным
1.
Таким образом:
.
Тогда:

Сопоставим расчетные и допускаемые напряжения на изгиб:
.
Следовательно, выносливость зубьев при изгибе гарантируется с вероятностью неразрушения более 99 %.
4. Расчет на контактную прочность при действии максимальной нагрузки
При действии максимальной
нагрузки
>
>наибольшее за заданный
срок службы контактное напряжение
не должно превышать допускаемого
[ф.
4.14] :

Напряжение
[ф. 4.15]
:
,
где
– коэффициент внешней динамической
нагрузки при расчетах на прочность от
максимальной нагрузки (см. приложение
4).
=1.


Допускаемое контактное напряжение
при максимальной нагрузке, не вызывающее
остаточных деформаций или хрупкого
разрушения поверхностного слоя
,
зависит от способа химико-термической
обработки зубчатого колеса и от характера
изменения твердости по глубине зуба.
Для зубчатых колес, подвергнутых
улучшению или закалке принимают [ф.
4.16]:
;
где
– предел текучести, Мпа.
Для стали 40ХН с закалкой
=1400
МПа;
Для стали 40ХН с улучшением
=600
МПа.
487,11 < 1680, зн. условие выполнено.
5. Расчет на прочность при изгибе максимальной нагрузкой
Прочность зубьев, необходимая для предотвращения остаточных деформаций, хрупкого излома или образования первичных трещин в поверхностном слое, определяют сопоставлением расчетного (максимального местного) и допускаемого напряжений изгиба в опасном сечении при действии максимальной нагрузки [ф. 5.16] :
.
Расчетное местное напряжение
МПа, определяют по формуле[ф. 5.17] :
.




<
<
Зн. условия выполнены.
Расчет быстроходной передачи
Исходные данные:
U>2> = 3,15 – передаточное число;
n>2> = 727,5 об/мин – частота вращения шестерни;
n>3> = 230,95 об/мин – частота вращения зубчатого колеса;
T>2> = 69,7 Нм – вращающий момент на шестерне;
T>3> = 213,02 Нм – вращающий момент на зубчатом колесе;
P>вых >= 5 кВТ;
Коэффициент перегрузки при пуске двигателя К>пер> = 1,4.
Материал шестерни – сталь 40ХН;
Материал колеса – сталь 40ХН;
Способ термической обработки:
шестерни – улучшение (Н>ш> = 300 HВ);
колеса – улучшение (Н>к> = 300 HВ);
Срок службы – 19000 ч.
1. Проектировочный расчет
Выбираем коэффициент ширины
зуба
с учетом того, что имеем несимметричное
расположение колес относительно опор:
=
0,315 [с. 7].
Тогда коэффициент ширины зуба
по диаметру
определяем по формуле [ф. 3.1]:
.
Проектный расчет заключается в определении межосевого расстояния проектируемой передачи [ф. 3.2]:
,
где «+» для внешнего зацепления, «–» для внутреннего зацепления;
– вспомогательный
коэффициент;
T>3> – вращающий момент на валу колеса (на 3-м валу), Нм;
U>2> – передаточное отношение;
–
коэффициент,
учитывающий неравномерность распределения
нагрузки по длине контактных линий;
– коэффициент
ширины зуба;
– допускаемое
контактное напряжение, МПа.
Для косозубой передачи
вспомогательный коэффициент
= 430 [т. 3.1].
=
1,11 – данный коэффициент принимают в
зависимости от параметра
,
схемы передачи и твердости активных
поверхностей зубьев [р. 3.1].
Допускаемые
контактные
напряжения определяют раздельно для
шестерни и колеса по формуле [ф. 3.3]:
,
где
–
предел контактной выносливости,
соответствующий базовому числу циклов
напряжений, МПа;
S>H> – коэффициент запаса прочности;
Z>N> – коэффициент долговечности;
Z>R> – коэффициент, учитывающий шероховатость сопряженных поверхностей зубьев;
–
коэффициент,
учитывающий окружную скорость;
Z>L> – коэффициент, учитывающий влияние вязкости масла;
Z>X> – коэффициент, учитывающий размер зубчатого колеса.
=
0,9;
Тогда:
.
Коэффициенты запаса прочности:
для шестерни и колеса из материала
однородной структуры принимаем
=1,2
и
=
1,2 [с. 9].
Предел контактной выносливости
,
МПа [т. 3.2]:
для шестерни
МПа;
для
колеса
МПа.
Суммарное число циклов перемены
напряжений
при постоянной нагрузке определяется
следующим образом [ф. 3.4]:
,
где с – число зубчатых колес, сцепляющихся с рассчитываемым зубчатым колесом, n – частота вращения, рассчитываемого зубчатого колеса (шестерни), об/мин, t – срок службы передачи, в часах.
Таким образом:
циклов,
циклов.
Базовое число циклов перемены
напряжений
определим по графику, представленному
на рис. 3.3
циклов (H>HB>>
>= 300).
циклов (H>HB>>
>= 300).
Так как
определяем значение
по формуле [c.
10]:
;
.
Используя полученные данные,
найдем допускаемые контактные напряжения
,
МПа:
;
.
В качестве
допускаемого контактного напряжения
для косозубой передачи при проектировочном
расчете принимают условное допускаемое
контактное напряжение, определяемое
по формуле:
=
.
При этом должно выполняться условие:
<
1,23
,
где
– меньшее из значений
и
.
В противном случае принимают
=
.
=
=
<
1,23*421,6
= 518,57
Полученные данные подставим в формулу по определению межосевого расстояния:
Полученное
межосевое расстояние округляется до
стандартного значения [c.11]:
= 140 мм.
Ориентировочно определяем значение модуля (мм) [ф. 3.19]:
мм.
По ГОСТ 9563-80 принимаем стандартный нормальный модуль [c. 17]:
m = 2 мм.
Зададимся
углом наклона
и определим суммарное z>C>,
число зубьев шестерни z>2>
и колеса z>3
>[ф.
3.20, ф. 3.21, ф. 3.22]:
Тогда:
;
округляем до целого: z>1>
= 33.
z>2 >= z>С >– z>1> = 138 – 33 = 105.
Действительное передаточное число и его погрешность определяется по формулам [ф. 3.23]:
.
Уточняем значение угла по формуле [ф. 3.24]:
тогда
.
Основные размеры шестерни и колеса:
Диаметры делительные шестерни и колеса определяются по формуле [ф. 3.25], мм:
Проверим полученные диаметры по формуле [ф. 3.26]:
,
что совпадает с ранее найденным значением.
Диаметры вершин зубьев определяются по формуле [ф. 3.27] с учетом того, что зубья изготовлены без смещения (х = 0), мм:
,
;
диаметры впадин [ф. 3.28], мм:
,
;
основные диаметры, мм:
,
,
где делительный угол профиля в торцовом сечении:
.
Ширина колеса определяется по формуле [ф. 3.29]:
мм.
Ширина шестерни определяется по формуле [ф. 3.30], мм:
b>1> = b>2> + (5...10) = 44,1 + (5...10) = 49,1…54,1 мм.
Полученные значение ширины округляем до нормальных линейных размеров: b>1> = 52 мм, b>2> = 44 мм.
Определим окружную скорость зубчатых колес по формуле [ф. 3.31]:
м/c..
По окружной скорости колес назначаем 9-ю степень точности зубчатых колес [т. 3.4].
2. Проверочный расчет на контактную выносливость активных поверхностей зубьев
2.1. Расчет контактных напряжений
>
>
где
= 270 – коэффициент, учитывающий механические
свойства материалов сопряженных зубчатых
колес;
–
коэффициент,
учитывающий форму сопряженных поверхностей
зубьев в полюсе зацепления, для косозубых
передач:
;
;
.
–
коэффициент,
учитывающий суммарную длину контактных
линий. Для косозубых передач:
Коэффициент
,
учитывающий распределение нагрузки
между зубьями, выбирается по таблице в
зависимости от окружной скорости и
степени точности по нормам плавности
[т. 4.5]:
>
>= 1,13.
= 1,11;
;
= 140 мм (определено ранее).
Динамический коэффициент
определяется по таблице 5.1:
.
>
>
условие выполнено.
Недогруз =
(в курсовом проектировании недогруз
должен быть не более 20%).
3. Расчет зубьев на выносливость при изгибе
3.1 Допускаемые напряжения в проверочном расчете на изгиб
Допускаемым
напряжением
определяются по формуле [ф. 5.11]:
>
>,
где
– предел выносливости при
отнулевом цикле изгиба;
– коэффициент запаса прочности;
– коэффициент долговечности;
– коэффициент, учитывающий
градиент напряжения и чувствительность
материала к концентрации напряжений;
– коэффициент, учитывающий
шероховатость переходной поверхности;
– коэффициент, учитывающий
размеры зубчатого колеса.
Коэффициент запаса прочности
определяется в зависимости от способа
термической и химико-термической
обработки [см. приложение 2]:
=
1,7;
=
1,7.
Коэффициент долговечности
находится по формуле [ф. 3.14]:
но не менее 1,
где
–
показатель степени [с. 14];
– базовое число циклов перемены
напряжений, N>Flim>>
>= 4106
циклов;
– суммарное число циклов перемены
напряжений, уже определены:
циклов,
циклов.
Так как
и
,
то
.
Предел выносливости при отнулевом
цикле изгиба
,
выбирается в зависимости от способа
термической или химико-термической
обработки [приложение 2]:
для шестерни и колеса с улучшением из стали марки 40ХН
МПа,
МПа.
Коэффициент, учитывающий влияние
двустороннего приложения нагрузки
,
так как одностороннее приложение
нагрузки [c.
34].

Тогда:


3.2 Определение расчетного изгибного напряжения
Расчетом определяют напряжение в опасном сечении на переходной поверхности зуба для каждого зубчатого колеса.
Выносливость зубьев, необходимая для предотвращения усталостного излома зубьев, устанавливают сопоставлением расчетного местного напряжения от изгиба в опасном сечении на переходной поверхности и допускаемого напряжения [ф. 5.1]:
.
Расчетное местное напряжение при изгибе определяют по формуле, МПа:
,
где Т – крутящий момент, Н*м;
m – нормальный модуль, мм;
z – число зубьев;
– коэффициент ширины зуба по
диаметру (опреден ранее);
– коэффициент, учитывающий форму
зуба и концентрацию напряжений;
– коэффициент, учитывающий
влияние наклон зуба;
– коэффициент, учитывающий
перекрытие зубьев;
>
>– коэффициент нагрузки.
Коэффициент
,
учитывающий форму зуба и концентрацию
напряжений, определяется по формуле
[ф. 3.17]:
,
где x>1> = x>2> = 0 – коэффициенты смещения;
,
– так как шестерни косозубые. Тогда:
;
.
Так как
<
,
то дальнейший расчет будем проводить
для шестерни.
Коэффициент
,
учитывающий влияние угла наклона зубьев,
для косозубых колес:

Коэффициент
,
учитывающий перекрытие зубьев, берется
равным 1.
Коэффициент нагрузки
принимают по формуле [ф. 5.6]:
,
где
– коэффициент, учитывающий внешнюю
динамическую нагрузку (не учтенную в
циклограмме нагружения);
>
>– коэффициент,
учитывающий динамическую нагрузку,
возникающую в зацеплении до зоны
резонанса;
– коэффициент,
учитывающий неравномерность распределения
нагрузки по длине контактных линий;
– коэффициент,
учитывающий распределение нагрузки
между зубьями.
Коэффициент, учитывающий внешнюю динамическую нагрузку [т. 4.2]:
=
1.
Динамический коэффициент
определен по таблице 5.1.
Коэффициент
,
учитывающий неравномерность
распределения нагрузки по длине
контактных линий, определяется по
графику [р. 3.5], в зависимости от коэффициента
:
= 1,1.
Коэффициент
,
учитывающий неравномерность распределения
нагрузки между зубьями, берется равным
1.
Таким образом:
.
Тогда:

Сопоставим расчетные и допускаемые напряжения на изгиб:
.
Следовательно, выносливость зубьев при изгибе гарантируется с вероятностью неразрушения более 99 %.
4. Расчет на контактную прочность при действии максимальной нагрузки
При действии максимальной
нагрузки
>
>наибольшее за заданный
срок службы контактное напряжение
не должно превышать допускаемого
[ф.
4.14] :

Напряжение
[ф. 4.15]
:
,
где
– коэффициент внешней динамической
нагрузки при расчетах на прочность от
максимальной нагрузки (см. приложение
4).
=1.


Допускаемое контактное напряжение
при максимальной нагрузке, не вызывающее
остаточных деформаций или хрупкого
разрушения поверхностного слоя
,
зависит от способа химико-термической
обработки зубчатого колеса и от характера
изменения твердости по глубине зуба.
Для зубчатых колес, подвергнутых
улучшению или закалке принимают [ф.
4.16]:
;
где
– предел текучести, для стали 40ХН с
улучшением
=600
МПа.
454,38 < 1680, зн. условие выполнено.
5. Расчет на прочность при изгибе максимальной нагрузкой
Прочность зубьев, необходимая для предотвращения остаточных деформаций, хрупкого излома или образования первичных трещин в поверхностном слое, определяют сопоставлением расчетного (максимального местного) и допускаемого напряжений изгиба в опасном сечении при действии максимальной нагрузки [ф. 5.16] :
.
Расчетное местное напряжение
МПа, определяют по формуле[ф. 5.17] :
.


<
зн. условие
выполнено.
Предварительный расчет валов редуктора
У подобранного электродвигателя d>дв >= 38 мм.
Ведущий вал
Диаметр выходного конца вала при допускаемом напряжении
Н/мм2
мм
Необходимо выровнять d>в2 >с валом электродвигателя:

Примем

Примем под подшипниками d>п1>
= 1,1d>в2>
= 1,1*30 = 33 мм, полученное значение округляем
до ближайшего значения внутреннего
кольца подшипника, поэтому принимаем
Диаметр вала под шестерню определяем по формуле: d>к1> = d>п1> + 5 = 35+ 5 = 40 мм.
зн
выполняем вал-шестерню.
У промежуточного вала опасное сечение под шестерней z>3>, по нижним допускаемым напряжениям:

Принимаем диаметр под шестерней
Такой же диаметр выполним под зубчатым
колесом
Под подшипниками
Принимаем

зн
колесо выполняем со ступицей:
,
принимаем d>cт2
>= 67 мм.

Принимаем

Принимаем толщину обода

Толщина диска С>2> = 0,3*b>2> = 0,3*44 = 13,2 мм.
Примем С>2> = 14 мм.
зн
шестерню устанавливаем на шпонке.
Ведомый вал
Диаметр выходного конца вала d>в
>определяем при
Н/мм2:
мм.
Примем ближайшее большее значение из стандартного ряда: d>в4 >= 48 мм;
Диаметр вала под подшипниками
принимаем d>п4>
= d>в4
>+ 5 = 48 + 5 = 53 мм, полученное
значение округляем до ближайшего
значения внутреннего кольца подшипника,
поэтому принимаем d
= 55 мм.
Под зубчатым колесом d>к4 >= d>п4 >+ 5 = 55 + 5 = 60 мм.
зн
колесо выполняем со ступицей:
,
принимаем d>c>>т4
>= 95 мм.

Принимаем

Принимаем толщину обода

Толщина диска С>4> = 0,3*b>4> = 0,3*72 = 21,6 мм.
Примем С>4> = 22 мм.
Подбор и расчет подшипников
Предварительный выбор подшипников качения
Ведущий вал
Схема установки подшипника: 2 (враспор).
Радиально-упорные шариковые однорядные подшипники 36307.
Размеры: d = 35 мм, D = 80 мм, B = 21 мм, r = 2,5 мм.
Грузоподъёмность, кН: C>r>> >= 35,0; C>o>> >= 27,4.
Серия: средняя.
Промежуточный вал
Схема установки подшипника: 2 (враспор).
Радиально-упорные шариковые однорядные подшипники 36307.
Размеры: d = 35 мм, D = 80 мм, B = 21 мм, r = 2,5 мм.
Грузоподъёмность, кН: C>r>> >= 35,0; C>o>> >= 27,4.
Серия: средняя.
Выходной вал
Схема установки подшипника: 2 (враспор).
Радиальные шариковые однорядные подшипники 311.
Размеры: d = 55 мм, D = 120 мм, B = 29 мм, r = 3 мм.
Грузоподъёмность, кН: C>r>> >= 71,5; C>o>> >= 41,5.
Серия: средняя.
Определение консольных сил
Быстроходная косозубая цилиндрическая передача:

Тихоходная прямозубая цилиндрическая передача:

Клиноремённая передача:

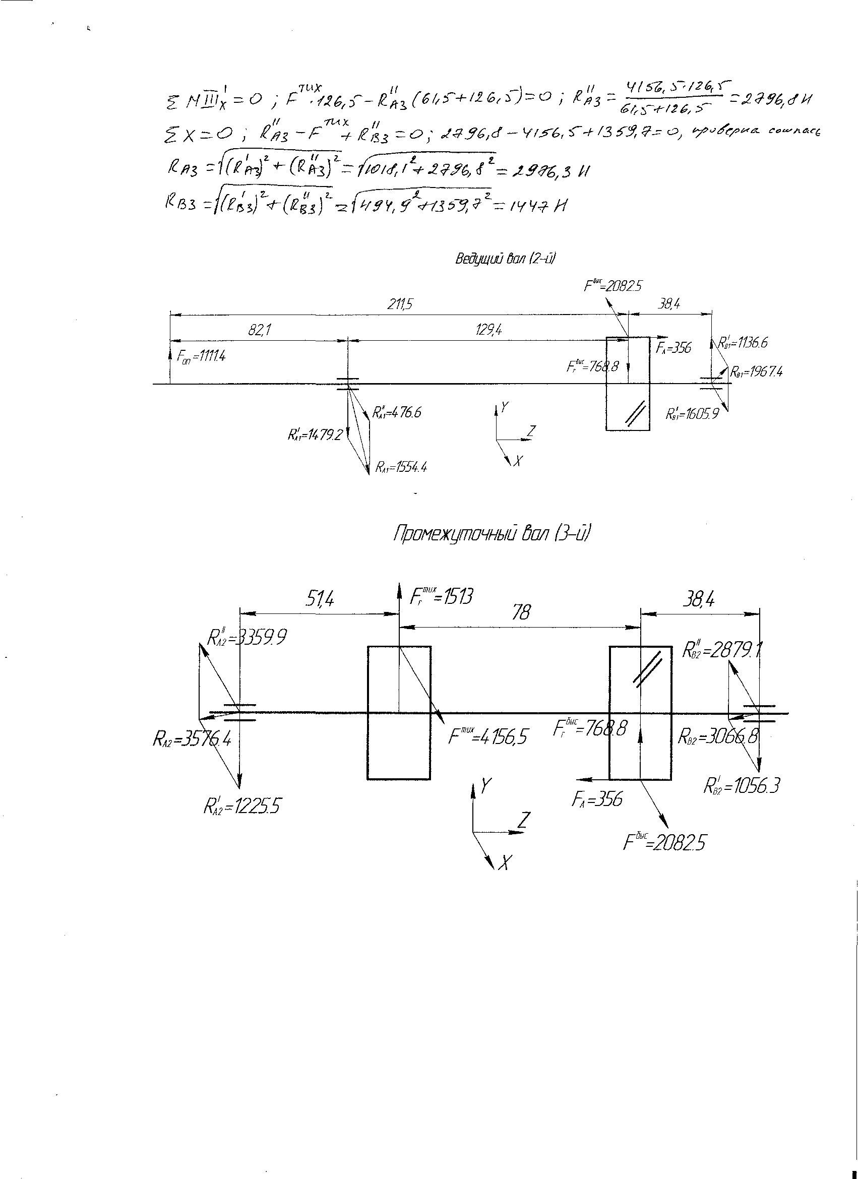
Определение реакций в опорах подшипниках выходного вала:


Суммарный изгибающий момент в наиболее нагруженном сечении выходного вала:

Крутящий момент

Построение эпюр

Проверочный расчёт подшипников
Определение динамической грузоподъёмности и проверка долговечности подшипников:
,
, где
-
эквивалентная динамическая нагрузка;
=
19000 ч - требуемая долговечность подшипника;
-
базовая динамическая грузоподъёмность;
m – показатель степени для роликовых и шариковых подшипников;(m=3)
- базовая долговечность;
– угловая скорость вала;
- расчётная динамическая
грузоподъёмность.
Подшипники входного вала II:
Радиально-упорные шариковые однорядные подшипники:
C>o>> >= 27,4 кН – статическая грузоподъёмность;
C>r>> >= 35,0 кН - базовая динамическая грузоподъёмность;

X =0,56 – коэффициент радиальной нагрузки;
Y =2,3– коэффициент осевой нагрузки;
e =0,19 – коэффициент влияния осевого нагружения;
R>В1> = 1967,4 H – радиальная нагрузка подшипника;
Ra = 356 H – осевая нагрузка подшипника;
Kб =1.25 – коэффициент безопасности;
Kт =1 – температурный коэффициент;
V =1 – коэффициент вращения;
=
Н

=
35 кН

Подшипник пригоден.
Подшипники промежуточного вала III:
Радиально-упорные шариковые однорядные подшипники:
C>o>> >= 27,4 кН – статическая грузоподъёмность;
C>r>> >= 35,0 кН - базовая динамическая грузоподъёмность;

X =0,56 – коэффициент радиальной нагрузки;
Y =2,3– коэффициент осевой нагрузки;
e =0,19 – коэффициент влияния осевого нагружения;
R>А2> = 3576,4 H – радиальная нагрузка подшипника;
Ra = 356 H – осевая нагрузка подшипника;
Kб =1.25 – коэффициент безопасности;
Kт =1 – температурный коэффициент;
V =1 – коэффициент вращения;
=
Н

=
35 кН

Подшипник пригоден.
Подшипники выходного вала IV:
= R>A3>
= 2976,3 Н
кН
=
71,5 кН

Подшипник пригоден.
Подбор и расчет шпонок
Расчёт шпонок на смятие ведётся по формуле:
,
зн

Н/мм2 -
допускаемое напряжение на смятие;
Т – крутящий момент на валу, Н.мм;
d – диаметр ступени вала;
h – высота шпонки;
t> >– глубина паза вала;
b – ширина шпонки;
l – длина шпонки.
Ведущий вал:
Диаметр ступени вала под шкив клиноременной передачи d = 30 мм;

выбираем призматическую шпонку по ГОСТ 23360-78;
,
где
b – ширина шпонки , h – высота , l – длина;
глубина паза: вала t = 4; втулки t>1 >= 3,3; фаска r = 0,5.

Промежуточный вал:
Диаметр ступени вала под колесом 2: d = 42 мм;

выбираем призматическую шпонку по ГОСТ 23360-78;
,
где
b – ширина шпонки , h – высота , l – длина;
глубина паза: вала t = 5; ступицы t>1 >= 3,3; фаска r = 0,5.

Такую же шпонку выбираем под колесом 3: Шпонка 12*8*50 ГОСТ 23360-78.
Выходной вал:
Диаметр ступени вала под колесом 4: d = 60 мм;

выбираем призматическую шпонку по ГОСТ 23360-78;
,
где
b – ширина шпонки , h – высота , l – длина;
глубина паза: вала t = 7; ступицы t>1 >= 4,4; фаска r = 0,5.

Проверочный расчет выходного вала
Из эпюры изгибающих моментов видно, что наиболее опасное сечение – в месте шпоночного паза для установки зубчатого колеса.
Условие
прочности вала:
,
где:
[s] – допускаемый коэффициент запаса, [s] = 1,5…2,5;
s – расчётный коэффициент запаса в рассматриваемом сечении вала;
,
где
s>> – коэффициент запаса прочности по нормальным напряжениям;
s>> –коэффициент запаса прочности по касательным напряжениям.
,
Амплитуда напряжений:
, где
-
суммарный изгибающий момент в
рассматриваемом сечении;
-
осевой момент сопротивления сечения
вала, мм3:
,
где
b – ширина шпоночного паза;
t> >– глубина шпоночного паза вала;
d – диаметр вала под колесом.
;
Амплитуда цикла:
>а>=
,
где
М>К >– крутящий момент на валу;
– момент сопротивления кручению:
,
где
b – ширина шпоночного паза; t> >– глубина шпоночного паза вала; d – диаметр вала под колесом.
Коэффициент концентрации нормальных напряжений:
, где
=
1,75 - эффективный коэффициент концентрации
напряжений;
=
0,68 - коэффициент влияния абсолютных
размеров поперечного сечения;
=
0,86 – коэффициент влияния шероховатости;
=
Коэффициент концентрации касательных напряжений:
, где
=
1,6 - эффективный коэффициент концентрации
напряжений;
=
0,68 - коэффициент влияния абсолютных
размеров поперечного сечения;
=
0,86 – коэффициент влияния шероховатости;

Пределы выносливости в расчётном сечении вала:
Н/мм2
,
Н/мм2
, где
>-1> и >-1 >– пределы выносливости материала вала при симметричном цикле изгиба и кручения: >-1 >= 310 Н/мм2 , >-1 >= 170 Н/мм2;
Коэффициент запаса прочности по нормальным напряжениям:

Коэффициент запаса прочности по касательным напряжениям:
Расчётный коэффициент запаса в рассматриваемом сечении вала:
- условие прочности выполнено.
Конструктивные размеры корпуса редуктора
Толщина стенок корпуса и крышки:
δ = 0,025 . a>w>>т> + 3 = 0,025 . 180 + 3 = 7,5 мм;
δ>1> = 0,02 . a>w>>т> + 3 = 0,02 . 180 + 3 = 6,6 мм.
Примем δ = δ>1> = 8 мм.
Толщина фланцев корпуса и крышки:
- верхнего фланца корпуса:
b = 1,5 . δ = 1,5 . 8 = 12 мм.
- фланца крышки редуктора:
b>1> = 1,5 . δ>1> = 1,5 . 8 = 12 мм.
-нижнего фланца корпуса:
p = 2,35 . δ = 2,35 . 8 = 18,8 мм. Примем р = 19 мм.
Диаметры болтов:
- фундаментных:
d>1> = 0,033.a>w>>т >+ 12 = 0,033 . 180 + 12 = 17,94 мм.
Принимаем фундаментные болты М20.
- крепящих крышку к корпусу у подшипника (бобышки):
d>2> = 0,725 . d>1> = 0,725 . 18 = 13,05 мм.
Принимаем болты с резьбой М16.
- соединяющих крышку и корпус:
d>3> = 0,55 . d>1> = 0,55 . 18 = 9,9 мм.
Принимаем болты с резьбой М10.
Толщина ребер корпуса и крышки:
с>1> = 0,9 . δ>1> = 0,9 . 8 = 7,2 мм.
Примем с>1> = 8 мм.
Минимальный зазор между колесом и корпусом:
e>1> = 1,2 . δ = 1,2 . 8 = 9,6 мм. Примем в = 12 мм.
Минимальный зазор между нижней стенкой корпуса и колесом:
e>2> = 10*m>тих> = 10*2,5 = 25 мм.
Выбор способа смазки редуктора
Смазывание зубчатых зацеплений осуществляется окунанием в масло, заливаемого внутрь корпуса до уровня, обеспечивающего погружение колеса примерно на 10 мм.
Объем масляной ванны (принимается из расчета 0,6 дм3 на 1кВт передаваемой мощности):

Устанавливаем вязкость масла:
Вязкость масла выбираем в зависимости от окружной скорости:
В быстроходной паре v= 2,58 м/с и рекомендуемая вязкость масла ν = 81,5 сСт при 500С;
в тихоходной – v = 1,24 м/с и рекомендуемая вязкость ν = 118 сСт при 500С;
Среднее значение ν = 100 сСт. Выбираем масло И-100А.
Подшипники смазываются тем же маслом за счет разбрызгивания.
Уровень масла контролируется жезловым маслоуказателем при остановке редуктора.
Выбор уплотнений
В качестве уплотнений принимаем:
Для ведущего вала: манжета 1.1-35*58-1 ГОСТ 8752-79.
Для выходного вала: манжета 1.1-55*80-1 ГОСТ 8752-79.
Выбор шероховатости поверхностей
Шейки валов под подшипники и шестерни – 1,25...2,5 мкм, под уплотнения –3,2 мкм.
Торцы буртов под подшипники и шестерни – 2,5 мкм.
Поверхность зубьев – 2,5 мкм.
Остальные обработанные поверхности – 12,5 мкм.
Канавки, фаски, радиусы галтелей на валах и колёсах – 6,3 мкм.
Отверстия под болты / винты –12,5 мкм.
Рабочей поверхности шкива - 2,5 мкм.
Выбор посадок
Посадка зубчатых колес на валы
.
Посадки распорных втулок на валы
.
Посадки крышек в гнезда под
подшипники
.
Шейки валов под подшипники выполняем с отклонением вала k6.
Посадка шкива на вал редуктора
.
Сборка редуктора
Перед сборкой внутреннюю полость корпуса редуктора тщательно очистить и покрыть маслостойкой краской.
Сборка производится в соответствии со сборочным чертежом редуктора, начиная с узлов валов:
- на ведущий вал насаживают подшипники, предварительно нагретые в масле до 80 – 100 С; на месте соединения вала со шкивом закладывают шпонку.
- промежуточный вал: надевают распорную втулку, закладывают шпонки и напрессовывают шестерню и колесо; затем надевают распорную втулку, устанавливают подшипники, предварительно нагретые в масле;
- в выходной вал напрессовывают зубчатое колесо до упора в бурт вала; затем надевают распорную втулку и устанавливают подшипники, предварительно нагретые в масле.
Собранные валы укладывают в основание корпуса редуктора и надевают крышку корпуса, покрывая предварительно поверхности стыка крышки и корпуса пастой «Герметик» УЗО-М. Для центровки устанавливают крышку на корпус с помощью двух конических штифтов; затягивают болты, крепящие крышку к корпусу.
После этого ставят крышки подшипников с комплектом металлических прокладок для регулировки.
Перед постановкой сквозных крышек в проточки закладывают уплотнения. Проверяют проворачиванием валов отсутствие заклинивания подшипников (валы должны проворачиваться от руки) и закрепляют крышки винтами.
На конец ведущего вала устанавливают шкив и закрепляют его.
Затем ввертывают пробку маслоспускного отверстия и жезловый маслоуказатель.
Заливают в корпус масло и закрывают смотровое отверстие крышкой с прокладкой из технического картона; закрепляют крышку болтами.
Собранный редуктор обкатывают и подвергают испытанию на стенде по программе, устанавливаемой техническими условиями.
ЛИТЕРАТУРА
Анурьев В.И. Справочник конструктора – машиностроителя. Куйбышев. М.: Машиностроение 1978.
Басов В.В. и др.: Чертеж – язык техники. – Куйбышев. Куйбышевское книжное издательство, 1976.
Деветериков Ю.Л. Подбор электродвигателя и муфт. Методическое пособие. ТПИ, Тольятти, 1980.
Деветериков Ю.Л. Порядок расчета передач с использованием ЭЦВМ. Методическое пособие. ТПИ, Тольятти, 1980
Денисов Г.П. Подбор шпонок, проектирование зубчатых (шлицевых) соединение с гарантированным натягом. Методическое пособие. ТПИ, Тольятти, 1980.
Денисов Г.П. Расчет планетарных редукторов с использованием ЭЦВМ. Методическое пособие. ТПИ, Тольятти, 1980.
Дунаев П.Ф. Конструирование узлов и деталей машин. М., «Высшая школа», 1978.
Журавлев В.В. Смазка редукторов. Тепловой расчет редукторов. Методическое пособие. ТПИ, Тольятти, 1980.
Иванов М.Н., Иванов В.Н. Детали машин. Курсовое проектирование. М., «Высшая школа», 1975.
Кудрявцев В.Н. и др. Конструирование и расчет зубчатых редукторов. М., «Машиностроение», 1978.
Орлов П.И. Основы конструирования. Справочно – методическое пособие. М., Машиностроение, кн: 1, 2, 3; 1977.
Решетов Д.Н. Детали машин. М., «Машиностроение». 1974.
Решетов Д.Н. Детали машин. Атлас конструкций. М., «Машиностроение», 1972.
Федоренко В.А., Шошин А.И. Справочник по машиностроительному черчению. Л., «Машиностроение», 1977.
Чернавский С.А. и др. Проектирование механических передач. Учебно–справочное пособие. М., «Машиностроение», 1976.
Чернин И.М. и др. Расчет деталей машин. Минск, «Высшая школа», 1974.
Мягков В.Д. Допуски посадки. Справочник. М.-Л., Машиностроение, 1980, ч. 1-я, 2-я.
Методические указания по деталям машин. Составители: Авдонченкова Г.Л., Пахоменко А.Н., Мельников П.А. Тольятти, 2005 г.









