Расчет схемной модели кремниевого дрейфового транзистора
Министерство образования и науки Украины
Харьковский национальный технический университет радиоэлектроники
Кафедра МЭПУ
Курсовая работа
Пояснительная записка
ПО КУРСУ “ТВЕРДОТЕЛЬНЫЕ ПРИБОРЫ И УСТРОЙСТВА”
ТЕМА: «РАСЧЕТ СХЕМНОЙ МОДЕЛИ КРЕМНИЕВОГО ДРЕЙФОВОГО ТРАНЗИСТОРА»
Выполнил:
Проверила:
Харьков 2002
РЕФЕРАТ
Пояснительная записка к курсовой работе содержит 16 с., 4 рис.
В данной курсовой работе требуется рассчитать элементы П-образной эквивалентной схемы транзистора на низких и высоких частотах для включения с общим эмиттером. Для того чтобы осуществить расчеты и исследовать зависимости, следует воспользоваться программой MathCAD 2000.
Необходимо представить структуру транзистора для лучшего понимания принципа действия и технологического процесса изготовления.
Перечень ключевых слов:
ЭМИТТЕР, БАЗА, КОЛЛЕКТОР, ДРЕЙФОВЫЙ ТРАНЗИСТОР, ПОЛЕ БАЗЫ, Y–ПАРАМЕТРЫ, ЭКВИВАЛЕНТНАЯ СХЕМА, ТЕХНОЛОГИЯ ИЗГОТОВЛЕНИЯ ДРЕЙФОВОГО ТРАНЗИСТОРА.
СОДЕРЖАНИЕ
Введение
1. Анализ технического задания
2. Расчетная часть
2.1. Расчет дрейфового поля транзистора
2.2. Расчет
2.3. Расчет сопротивлений транзистора
2.4. Расчет зарядных емкостей транзистора
2.5. Расчет максимальной частоты
2.6. Расчет Y-параметров для схемы с ОЭ
3. Эквивалентные П-образные схемы
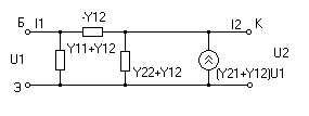
3.1. Эквивалентная П-образная схема на НЧ для включения с ОЭ
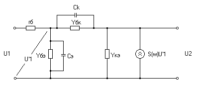
3.2. Эквивалентная П-образная схема на ВЧ для включения с ОЭ
4. Зависимость максимальной частоты от напряжения коллектор-эмиттер
5. Конструкторско-технологическая часть
5.1. Структура транзистора
5.2. Описание технологии получения дрейфового транзистора
Заключение
Перечень ссылок
ВВЕДЕНИЕ
Инженер по эксплуатации радиоэлектронных систем должен знать принципы их работы, применения и повседневного обслуживания. Успешное выполнение этих задач невозможно без знания элементной базы этих систем и, в первую очередь, наиболее сложной и ответственной части элементной базы - транзисторов и интегральных микросхем.
Широкое применение получили дрейфовые транзисторы, основной особенностью которых является неравномерное распределение примесей в базе. Такое распределение примесей в базовом слое транзистора приводит к образованию электрического поля, увеличивающего скорость движения носителей. При этом перенос носителей осуществляется не только за счет диффузии, но также и за счет дрейфа носителей в электрическом поле.
Дрейфовые транзисторы имеют более высокие предельные частоты, в них легче получить одновременно малые высокочастотные сопротивления базы, малые ёмкости коллекторного перехода и высокие пробивные напряжения коллектора. При изготовлении дрейфовых транзисторов для образования p-n переходов используется технология диффузии примесей. Поэтому дрейфовые транзисторы часто называют диффузионными (по методу образования p-n переходов).
Дрейфовые транзисторы были предложены в 1953 году, а особенно широко применяются с 1956 года. В настоящее время разработан ряд технологических методов их изготовления, и эти транзисторы выпускаются с хорошими частотными свойствами и значительными рассеваемыми мощностями.
Предельные частоты высокочастотных дрейфовых транзисторов примерно в 10 раз превосходят предельные частоты транзисторов с однородным распределением примесей в базовой области. Кроме того, рассеиваемая мощность высокочастотных дрейфовых транзисторов при больших предельных частотах может во много раз превосходить мощность бездрейфовых транзисторов.
Физические процессы в дрейфовом транзисторе значительно отличаются от процессов в обычном (бездрейфовом) плоскостном транзисторе.
1 АНАЛИЗ ТЕХНИЧЕСКОГО ЗАДАНИЯ
Транзистор является активным полупроводниковым прибором, имеющим три и более вывода, в котором осуществляется управление проходящим через него током.
Транзисторы в зависимости от механизма прохождения носителями заряда управляющей области (базы) разделяются на дрейфовые и бездрейфовые. В бездрейфовых транзисторах неосновные носители заряда проходят область базы в результате диффузии. В чистом виде движение за счет диффузии существует только при низком уровне инжекции, так как при высоком уровне инжекции в области базы возникает электрическое поле, и, следовательно, наблюдается дрейф носителей. Поэтому под бездрейфовыми транзисторами понимают такие, у которых нет электрического поля в области базы при отсутствии инжектированных носителей. В дрейфовых транзисторах в базе существует внутреннее электрическое поле, и неосновные носители движутся под влиянием диффузии и этого поля. Внутреннее поле в дрейфовых транзисторах возникает в результате определенного распределения примесей в базе. Распределение примесей в базе бездрейфовых транзисторов принимается равномерным.
В данной курсовой работе требуется рассчитать элементы П-образной эквивалентной схемы транзистора на низких и высоких частотах для включения с общим эмиттером. Для того чтобы осуществить расчеты и исследовать зависимости, следует воспользоваться программой MathCAD 2000.
Необходимо представить структуру транзистора для лучшего понимания принципа действия и технологического процесса изготовления.
2 Расчетная часть
2
.1
Расчет дрейфового поля транзистора
a
=17,499
. 103 см-1
E>b>=452 В/см
2.2 Расчет





см2/сек











2.3 Расчет сопротивлений транзистора
З
арядная
емкость эмиттера

см-3


см-3







Ф
Зарядная емкость коллектора


см2


Ф
2.5 Расчет максимальной частоты
Г
раничная
частота коэффициента передачи по току,
определяемая механизмом переноса через
базу

Гц
М
аксимальная
частота генерации

Гц
2.6 Расчет Y-параметров для схемы с ОЭ

3 Эквивалентные схемы
3.1 Эквивалентная П-образная схема на низких частотах для включения с общим эмиттером

3.2 Эквивалентная П-образная схема на высоких частотах для включения с общим эмиттером

Y>бэ>=(Y>11>+Y>12>)
Y>кэ>=(Y>22>+Y>12>)
Y>бк>=Y>12>
S=(Y>21>-Y>12>) - крутизна
4 Зависимость максимальной частоты от напряжения коллектор-эмиттер
Для исследования зависимости была использована программа Mathcad 2000. В основу была положена программа расчета параметров исследуемого транзистора.
Д
алее
приведены формулы параметры которых
влияют на изменение максимальной частоты
при изменении напряжения на коллекторе:

Зависимость максимальной частоты от напряжения на коллекторе показана на рисунке 4.1

Рисунок 4.1 зависимость максимальной частоты от напряжения на коллекторе
5 КОНСТРУКТОРСКО-ТЕХНОЛОГИЧЕСКАЯ ЧАСТЬ
5.1 Структура транзистора
Структура дрейфового транзистора предоставлена на рисунке 5.1.
Масштаб 1000:1.
5.2 Описание технологии получения дрейфового транзистора
В исходном кремнию n-типа ( ρ=0,5...1 Ом*см ) путем диффузии создается соединительный слой р-проводимости. Для уменьшения размеров перехода n-слой создается только в углублениях (лунках). Затем в углубление кладутся два кусочка сплава, и производится термообработка. При этом происходит расплавление сплавов, проплавление соединительного слоя и диффузия примесей из расплава в исходный кремний.
Первая (эмиттерная) капля содержит примеси n- и р-типов. Под ней после диффузии создается n-p-n-структура. Донорная область под каплей сплава используется как эмиттер, узкий средний слой р-типа образует активную область базы, исходный n-кремний образует область коллектора.
Вторая капля сплава содержит только р-примеси. Она создает омический контакт с соединительным слоем и вывод базовой области. В случае проплавления р-слоя эта капля создает p-n-переход с исходным кремнием.
Структура n-p-n, получающаяся в результате сплавления диффузии, используется для создания транзистора [3].


Рисунок 5.1 структура дрейфового транзистора
ЗАКЛЮЧЕНИЕ
В результате выполнения данной курсовой работы были рассчитаны параметры П-образной эквивалентной схемы транзистора включенного по схеме с ОЭ для НЧ и ВЧ.
Получена зависимость максимальной частоты от напряжения коллектор-эмиттер.
С увеличением напряжения максимальная частота увеличивается.
Кратко описана технология изготовления дрейфового транзистора, а также предоставлена структура n-p-n-перехода к рассчитываемому транзистору.
ПЕРЕЧЕНЬ ССЫЛОК
Трутко А. Ф. Методы расчета транзисторов. М., «Энергия», 1971
Дрейфовые транзисторы. М., «Советское радио», 1964
Основы теории транзисторов. Спиридонов Н. С. «Техника», 1969.