Редуктор двухступенчатый соосный двухпоточный
ФЕДЕРАЛНОЕ АГЕНСТВО ПО КУЛЬТУРЕ И КИНЕМАТОГРАФИИ
САНКТ-ПЕТЕРБУРГСКИЙ ГОСУДАРСТВЕННЫЙ
УНИВЕРСИТЕТ КИНО И ТЕЛЕВИДЕНИЯ
Кафедра механики
Расчетно-пояснительная записка к курсовому проекту
на тему «Редуктор двухступенчатый соосный двухпоточный с внутренним зацеплением тихоходной ступени»
Санкт-Петербург
2009г.
Содержание
|
Техническое задание на курсовое проектирование |
|
1 Кинематический расчет и выбор электродвигателя |
|
2 Выбор материалов и определение допускаемых напряжений |
|
3 Расчет тихоходной ступени привода 3.1 Проектный расчет |
|
3.2 Проверочный расчет по контактным напряжениям |
|
3.3 Проверочный расчет зубьев на изгиб |
|
4 Расчет быстроходной ступени привода |
|
5 Проектный расчет валов редуктора 5.1 Расчет тихоходного вала редуктора |
|
5.2 Расчет быстроходного вала редуктора |
|
5.3 Расчет промежуточного вала редуктора 6 Подбор и проверочный расчет шпонок 6.1 Шпонки быстроходного вала 6.2 Шпонки промежуточного вала 6.1 Шпонки тихоходного вала |
|
7 Проверочный расчет валов на статическую прочность |
|
8 Выбор и проверочный расчет подшипников |
|
9 Выбор масла, смазочных устройств |
|
Список использованной литературы |
Техническое задание на курсовое проектирование
Механизм привода

электродвигатель;
муфта;
редуктор зубчатый цилиндрический двухступенчатый соосный двухпоточный с внутренним зацеплением тихоходной ступени;
муфта;
исполнительный механизм.
Вариант 1
Потребный момент на валу исполнительного механизма (ИМ) Т>им>=30Нм;
Угловая скорость вала ИМ ω>им>=5,8с-1.
Разработать:
сборочный чертеж редуктора;
рабочие чертежи деталей тихоходного вала: зубчатого колеса, вала, крышки подшипника.
1 Кинематический расчет и выбор электродвигателя
Исходные данные:
потребный момент на валу исполнительного механизма (ИМ) Т>им>=30Нм;
угловая скорость вала ИМ ω>им>=5,8с-1;
Определяем мощность на валу ИМ N>им>= Т>им>х ω>им>=30х5,8=174Вт.
Определяем общий КПД привода по схеме привода
η>общ>=η>кп> η>шп> η>м> η>п> (1.1)
где [1, с.9,10]: η>зп>=0,972- КПД зубчатой цилиндрической передачи;
η>м>=0,982 – потери в муфтах;
η>п>=0,994- коэффициент, учитывающий потери на трение в подшипниках 4-х валов.
Сделав подстановку в формулу (1.1) получим:
η>общ.>=0,972*0,982*0,994=0,868
Определяем потребную мощность электродвигателя [1,с.9]
N>эд>≥N>им>/η>общ.> (1.2)
где N>эд> – требуемая мощность двигателя:
N>эд>=174/0,877=198,4Вт
Выбираем электродвигатель [1,с.18,табл.П2]
Пробуем двигатель АИР71В8:
N>дв.>=0,25кВт;
n>дв>=750об/мин;
S=8%.
Определяем номинальную частоту вращения электродвигателя по формуле (5) [1,c.11]:
n>ном>=n>дв>·(1-S/100);
n>ном>=750·(1-0,08);
n>ном>=690 об/мин
Определяем угловую скорость вала двигателя
ω>дв>=πn>дв>/30=π*690/30=72,2рад/с;
Определяем общее передаточное число привода
U=ω>дв.>/ω>им>=72,2/5,8=12,5
Производим разбивку передаточного числа по ступеням. По схеме привода
U>общ.>=U>1>· U>2>; (1.3)
Назначаем по рекомендации [1,табл.2.3]:
U>2>=5;
тогда
U>1>= U>общ.>/U>2>;
U>1>=2,5.
Принимаем окончательно электродвигатель марки АИР71В8.
Угловые скорости определяем по формуле
ω=πn/30 (1.4)

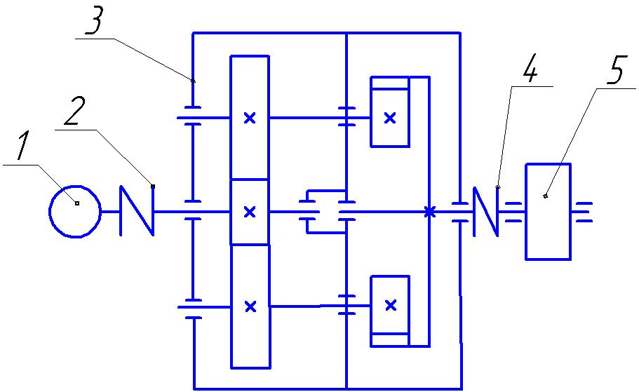
Рис.1 Схема валов привода
1 – быстроходный вал; 2 – промежуточный вал; 3 – тихоходный вал.
По схеме валов (рис.1) и формуле (1.4) определяем частоты вращения и угловые скорости каждого вала
n>1>= n>ном.>
ω>1>= ω>дв>=72,2рад/с;
n>2>= n>ном>/U>1>=650/3,5=185,7об/мин;
ω>2>=πn>2>/30=π*216,7/30=19,45 рад/с;
n>3>= n>2>/U>2>=216,7/3,55=52,3 об/мин;
ω>3>=πn>3>/30=π*61,1/30=5,48 рад/с.
Определяем мощность на каждом валу по схеме привода
N>1>=N>дв> η>м>=0,25*0,98=245Вт;
N>2>=N>1> η>зп> η>п>3=245*0,97*0,993=230Вт;
N>3>=N>2> η>зп >η>п> =233*0,97*0,99=221Вт;
N>им>=N>3> η>м> =224*0,98=217Вт.
Определяем вращающие моменты на каждом валу привода по формулам [1,с.12,14]:
; Т>2>=Т>1>•U>1> ;
Т>3>=Т>2>•U>2>;
(1.5)
Т>1>=245/72,2=3,4 Н•м;
Т>2>=3,4•2,5=8,5 Н•м;
Т>3>=8,5•5=42,5 Н•м.
Все рассчитанные параметры сводим в табл.1.
Таблица 1 Параметры кинематического расчета
|
№ вала |
n, об/мин |
ω, рад/с |
N, Вт |
Т, Нм |
U |
|
Дв |
690 |
72,2 |
250 |
3,5 |
|
|
1 |
690 |
72,2 |
245 |
3,4 |
2,5 |
|
2 |
185,7 |
19,45 |
230 |
8,5 |
|
|
5 |
|||||
|
3 |
52,3 |
5,48 |
221 |
42,5 |
|
|
ИМ |
52,3 |
5,48 |
217 |
42,5 |
2 Выбор материалов и определение допускаемых напряжений
Выбираем материал для шестерни и колеса по табл.3.2 [4,c.52]:
шестерня – сталь 40Х, термообработка – улучшение 270НВ,
колесо - сталь 40Х, термообработка – улучшение 250НВ.
Определяем допускаемое контактное напряжение по формуле [4,c.53]:
(2.1)
где σ>Hlimb> – предел контактной выносливости при базовом числе циклов;
К>HL> – коэффициент долговечности;
[S>H>] – коэффициент безопасности;
по [1,c.33]: К>HL> =1; [S>H>] =1,1.
Определяем σ>Hlimb> по табл.3.1[4,c.51]:
σ>Hlimb> =2НВ+70; (2.2)
σ>Hlimb>>1> =2270+70; σ>Hlimb>>1> =610МПа;
σ>Hlimb>>2> =2250+70; σ>Hlimb>>1> =570МПа.
Сделав подстановку в формулу (2.1) получим
;
МПа;
;
МПа.
Определяем допускаемое расчетное напряжение по формуле [4,c.53]:
(2.3)
;
МПа.
Определяем допускаемые напряжения по по табл.3.1[4,c.51]:
[σ]>Fo> =1,03НВ;
[σ]>Fo>>1> =1,03x270=281МПа;
[σ]>Fo>>2> =1,03x250=257МПа.
3 Расчет тихоходной ступени привода
3.1 Проектный расчет
Определяем межосевое расстояние передачи по формуле [4,c.61]:
(3.1)
где К>а> – числовой коэффициент, К>а> =49,5 [4,c.61];
К>Hβ> – коэффициент, учитывающий неравномерность распределения нагрузки по ширине венца, К>Hβ> =1 для прямозубых колес [4,c.54];
- коэффициент ширины венца колеса,
=0,315
назначаем по ГОСТ2185-66 с учетом рекомендаций
[4,c.61];
U – передаточное отношение, U>2>=5 (см. табл.1):
Т – вращающий момент на колесе ,Т>3> =42,5 Нм (см. табл.1).
Подставив значения в формулу (3.1) получим:


Принимаем окончательно по ГОСТ6636-69 [4,табл.13.15]

Определяем модуль [2,c.36]:
(3.2)
m>n>=(0,01…0,02)·70;
m>n>=0,7;
Принимаем модуль m>n>=1мм [2,c.36]
Так как тихоходная ступень внутреннего зацепления определяем разность зубьев зубьев по формуле [5,т.2, c.432]:
z>2>-z>1>=2a>w>/m>n > (3,3)
z>2>-z>1>=2·70/1;
z>2>-z>1>=140.
Определяем число зубьев шестерни и колеса по формулам (3.13) [2,c.37]:
z>1>= z>2>-z>1>/(U>2>+1); z>1>=140/6=23,3; z>1>=24;
z>2>= z>2>-z>1->+z>1>=140+24=164; z>2>=164.
Отклонения передаточного числа от номинального нет.
Определяем делительные диаметры шестерни и колеса по формуле [5,т.2, c.432]:
d=m>n>·z; (3.4)
d>1>=m>n>·z>1>=1х24=24мм;
d>2>=m>n>·z>2>=1х164=164мм;
Определяем остальные геометрические параметры шестерни и колеса по формулам [5,т.2, c.432]:
;
; 
;
;
(3.5)
;
(3.6)
мм;
мм;
мм;
мм;
;
мм;
;
мм;
;
мм
;
мм;

;
мм;
Определяем окружные скорости колес

;
м/с.
Назначаем точность изготовления зубчатых колес – 7F [2,c.32].
Определяем силы в зацеплении [4, табл.6.1]:
- окружная
(3.7)
;
Н;
Таблица 2 Параметры зубчатой передачи тихоходной ступени
-
Параметр
Шестерня
Колесо
m>n>,мм
1
h>a>,мм
1
h>t>,мм
1,25
h,мм
2,25
с, мм
0,375
z
24
164
d,мм
24
164
d>а>,мм
26
162
d>f>,мм
21,5
166,5
b, мм
50
54
а>W>,мм
70
v, м/с
0,23
F>t>, Н
531
F>r>, Н
193
- радиальная
;
где α=20° - угол зацепления; (3.8)
;
Н;
Осевые силы в прямозубой передачи отсутствуют.
Все вычисленные параметры заносим в табл.2.
3.2 Проверочный расчет по контактным напряжениям
Проверку контактных напряжений производим по формуле {4, c.64]:
; (3.9)
где: - К - вспомогательный коэффициент, для прямозубых передач К=436;
F>t> =531Н (табл.2);
U>2>=5;
К>Нα> – коэффициент, учитывающий распределение нагрузки между зубьями, для прямозубых колес К>Нα> =1;
К>Нβ> – см. п.3.1;
К>Нυ> – коэффициент динамической нагруки, зависящий от окружной скорости колес и степени точности передачи, К>Нυ> =1,04 [4, табл.4.3].
(3.10)
Определяем ∆σ>Н>
;
;
недогрузки,
что допускается.
3.3 Проверочный расчет зубьев на изгиб
Расчетные напряжения изгиба в основании ножки зубьев колеса и шестерни [4,с.67]:
; (3.11)
; (3.12)
где: К>Fβ> – коэффициент неравномерности нагрузки по длине зуба, для прирабатывающихся зубьев К>Fβ> =1;
К>Fv> - коэффициент динамической нагруки, зависящий от окружной скорости колес и степени точности передачи, К>Нυ> =1,1 [4, табл.4.3];
Y>F>>1> и Y>F>>2> – коэффициенты формы зуба шестерни и колеса, Y>F>>1> =3,9, Y>F>>2> =3,61 [4,табл.4.4].
Подставив значения в формулы (3.11) и (3.12), получим:
;
.
Прочность зубьев на изгиб обеспечивается.
Определяем ∆σ>F>
;

Все вычисленные параметры проверочных расчетов заносим в табл.3.
Таблица 3 Параметры проверочных расчетов
|
Параметр |
Обозн. |
Допускаемое |
Расчетное |
Недогрузка(-) или перегрузка(+) |
|
Контактное напряжение, МПа |
σ>Н> |
482,7 |
435 |
-10% |
|
Напряжение изгиба, МПа |
σ>F>>1> |
281 |
59,4 |
-79% |
|
σ>F>>2> |
257 |
55 |
-78% |
4 Расчет быстроходной ступени привода
Межосевое расстояние для быстроходной ступени с учетом того, что редуктор соосный и двухпоточный, определяем половину расстояния тихоходной ступени:
а=d>2>-d>1>;
а=84-14=70мм.
Из условия (3.2) принимаем модуль m>n>=1,5мм
Определяем суммарное число зубьев по формуле (3.12) [1,c.36]:
z>Σ>=2а/m>n>;
z>Σ>=2·70/1,5; z>Σ>=93,3
Принимаем z>Σ>=94.
Определяем число зубьев шестерни и колеса по формулам (3.13) [2,c.37]:
z>1>= z>Σ>/(U>1>+1); z>1>=94/(2,5+1); z>1>=26,1; принимаем z>1>=26.
Тогда z>2>= z>Σ>-z>1>=94-26=68
Фактическое передаточное соотношение U>1>=68/26=2,6
Отклонение передаточного числа от номинального незначительное.
Определяем делительные диаметры шестерни и колеса по формуле (3.17) [2,c.37]:
d>1>=m>n>·z>1>=1,5х26=39мм;
d>2>=m>n>·z>2>=1,5х68=102мм;
Определяем остальные геометрические параметры шестерни и колеса по формулам [2,c.37]:
;
; 
;
;
;
мм;
;
мм;
;
мм;
;
мм;
;
мм;
;
мм;
;
мм
;
мм;

;
мм;
Определяем окружные скорости колес

;
м/с.
Назначаем точность изготовления зубчатых колес – 7А [2,c.32].
Определяем силы в зацеплении (3.7, 3.8):
- окружная
;
Н;
- радиальная
;
Н.
Осевые силы в прямозубой передачи отсутствуют.
Все вычисленные параметры заносим в табл.4.
Таблица 4 Параметры зубчатой передачи быстроходной ступени
-
Параметр
Шестерня
Колесо
m>n>,мм
1,5
h>a>,мм
1,5
h>t>,мм
1,875
h,мм
3,375
с, мм
0,375
z
26
68
d,мм
39
102
d>а>,мм
42
105
d>f>,мм
35,25
98,25
b, мм
22
25
а>W>,мм
70
v, м/с
1,4
F>t>, Н
166,7
F>r>, Н
60,7
Учитывая, что геометрические параметры быстроходной ступени незначительно отличаются от тихоходной, выполнение проверочных расчетов нецелесообразно.
5 Проектный расчет валов редуктора
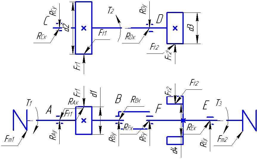
По кинематической схеме привода составляем схему усилий, действующих на валы редуктора по закону равенства действия и противодействия. Для этого мысленно расцепим шестерни и колеса редуктора, при этом дублирующий вал не учитываем.
Схема усилий приведена на рис.1.

Рис.2 Схема усилий, действующих на валы редуктора.
Из табл.1,2,4 выбираем рассчитанные значения:
Т>1>=3,4 Нм; Т>2>=8,5 Нм; Т>3>=42,5 Нм;
F>t>>1>=166,7 Н; F>t>>2>=1012 Н; F>r>>1>=60,7 Н; F>r>>2>=368 Н;
d>1>=39мм; d>2>=102мм; d>3>=14мм; d>4>=84мм.
F>m>>1> и F>m>>1> – консольные силы от муфт, которые равны [4, табл.6.2]:
;
;
Н;
Н.
R>x>> > и R>y> – реакции опор, которые необходимо рассчитать.
Так как размеры промежуточного вала определяются размерами остальных валов, расчет начнем с тихоходного вала.
5.1 Расчет тихоходного вала редуктора
Схема усилий действующих на валы редуктора представлена на рис.2.
Назначаем материал
вала. Принимаем
сталь 40Х, для которой [2,
табл.8.4] σ>в>=730Н/мм2;
Н/мм2;
Н/мм2;
Н/мм2.
Определяем диаметр выходного конца вала под полумуфтой из расчёта на чистое кручение [2,c.161]:

где [τ>к>]=(20…25)МПа
Принимаем [τ>к>]=20МПа.
;
мм.
Принимаем окончательно с учетом стандартного ряда размеров R>а>20 (ГОСТ6636-69):
мм.
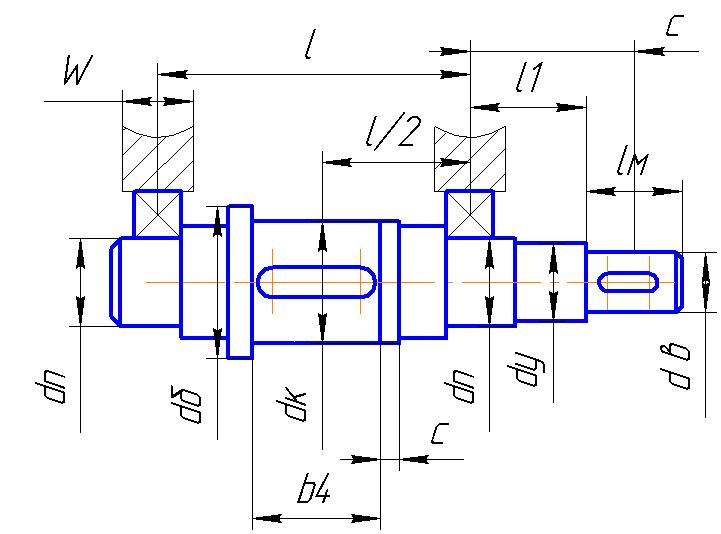
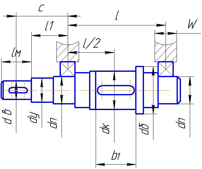
Намечаем приближенную конструкцию ведомого вала редуктора (рис.3), увеличивая диаметр ступеней вала на 5…6мм, под уплотнение допускается на 2…4мм и под буртик на 10мм.

Рис.3 Приближенная конструкция тихоходного вала
мм;
мм
– диаметр под уплотнение;
мм
– диаметр под подшипник;
мм
– диаметр под колесо;
мм
– диаметр буртика;
b>4>=25мм.
Учитывая, что осевых нагрузок
на валу нет предварительно назначаем
подшипники шариковые радиальные
однорядные особо легкой серии по
мм
подшипник №106, у которого D>п>=55мм;
В>п>=13мм
[4,табл.К27].
Выбираем конструктивно остальные размеры:
W=20мм; l>м>=20мм; l>1>=35мм; l=60мм; с=5мм.
Определим размеры для расчетов:
l/2=30мм;
с=W/2+ l>1>+ l>м>/2=55мм – расстояние от оси полумуфты до оси подшипника.
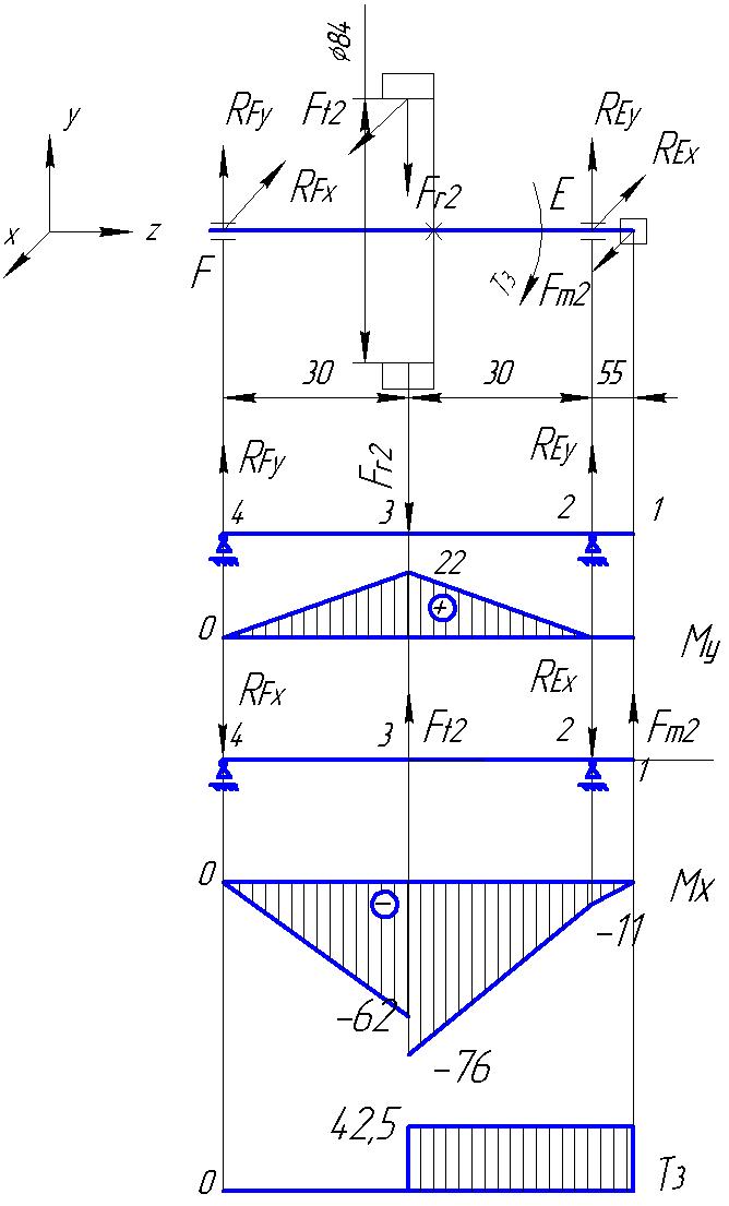
Проводим расчет тихоходного вала на изгиб с кручением.
Заменяем вал балкой на опорах в местах подшипников (см. рис.4). Назначаем характерные точки 1,2, 3 и 4.
Определяем реакции в подшипниках в вертикальной плоскости.
ΣМ>2y>=0; R>Fy>·0,06-F>r2>·0,03=0
R>Fy>= 368·0,06/ 0,03;
R>Е>>y>= R>Fy>=736Н.

Рис.4 Эпюры изгибающих моментов тихоходного вала
Определяем изгибающие моменты в характерных точках:
М>1у>=0;
М>2у>=0;
М>3у>= R>Е>>y>·0,03;
М>3у> =22Нм2;
М>3у>=0;
Строим эпюру изгибающих моментов М>у>, Нм2 (рис.3)
Определяем реакции в подшипниках в горизонтальной плоскости.
ΣМ>4>>x>=0; F>m>>2>·0,115- R>Е>>x>·0,06+ F>t>>2>·0,03=0;
R>Е>>x>=( 814·0,115+ 1012·0,03)/ 0,06;
R>Е>>x>=2066Н;
ΣМ>2>>x>=0; F>m>>2>·0,055- F>t>>2>·0,03+ R>Fx>·0,6=0;
R>Fx>= (1012·0,03- 814·0,055)/ 0,06;
R>Fx>=-240Н, результат получился отрицательным, следовательно нужно изменить направление реакции.
Определяем изгибающие моменты:
М>1х>=0;
М>2>= -F>r>>2>·0,03
М>2х>=-368·0,03;
М>2х>=-11Нм;
М>3хслева>=-F>m>>2>·0,085-R>Ех> ·0,055;
М>3хслева>==-814·0,085-240 ·0,03;
М>3хслева>=-76Нм;
М>3х>=- R>E>>х> ·0,055;
М>3х>=- 2066 ·0,03;
М>3х>=- 62;
М>4х>=0;
Строим эпюру изгибающих моментов М>х>.
Крутящий момент
Т>1-1>= Т>2-2>= Т>3-3>= T>3>=42,5Нм;
T>4-4>=0.
Определяем суммарные радиальные реакции [4,рис 8.2]:
;
;
;
Н;
;
Н.
Определяем результирующий изгибающий момент в наиболее опасном сечении (в точке 3) [4,рис 8.2]:
;
;
Нм2.
Эквивалентный момент:
;
;
Нм2.
5.2 Расчет быстроходного вала редуктора
Схема усилий, действующих на быстроходный вал представлена на рис.2.
Назначаем материал
вала. Принимаем
сталь 40Х, для которой [2,
табл.8.4] σ>в>=730Н/мм2;
Н/мм2;
Н/мм2;
Н/мм2.
Определяем диаметр выходного конца вала под полумуфтой из расчёта на чистое кручение [2,c.161]:
где [τ>к>]=(20…25)Мпа
Принимаем [τ>к>]=20Мпа.
;
мм.
Принимаем окончательно с учетом стандартного ряда размеров R>а>5 (ГОСТ6636-69):
мм.
Намечаем приближенную конструкцию быстроходного вала вала редуктора (рис.5), увеличивая диаметр ступеней вала на 5…6мм, под уплотнение допускается на 2…4мм и под буртик на 10мм.
мм;
мм
– диаметр под уплотнение;
мм
– диаметр под подшипник;>
>
мм
– диаметр для заплечиков;
мм
– диаметр вала-шестерни;
b>1>=22мм.
Учитывая, что осевых нагрузок
на валу нет предварительно назначаем
подшипники шариковые радиальные
однорядные особо легкой серии по
мм
подшипник №101, у которого D>п>=28мм;
В>п>=8мм
[4,табл.К27].
Выбираем конструктивно остальные размеры:
W=14мм; l>м>=16мм; l>1>=25мм; l=60мм.
Определим размеры для расчетов:
l/2=30мм;
с=W/2+ l>1>+ l>м>/2=40мм – расстояние от оси полумуфты до оси подшипника.
Проводим расчет быстроходного вала на изгиб с кручением.

Рис.5 Приближенная конструкция быстроходного вала
Заменяем вал балкой на опорах в местах подшипников (см. рис.6). Назначаем характерные точки 1,2, 3 и 4.
Определяем реакции в подшипниках в вертикальной плоскости.
ΣМ>2>>y>=0; R>А>>y>·0,06-F>r>>1>·0,03=0
R>А>>y>= 60,7·0,06/ 0,03;
R>А>>y>= R>В>>y>=121Н.
Определяем изгибающие моменты в характерных точках:
М>1у>=0;
М>2у>=0;
М>3у>= R>А>>y>·0,03;
М>3у> =3,6Нм2;
М>3у>=0;
Строим эпюру изгибающих моментов М>у>, Нм2 (рис.6).
Определяем реакции в подшипниках в горизонтальной плоскости.
ΣМ>4>>x>=0; F>m>>1>·0,1- R>А>>x>·0,06+ F>t>>1>·0,03=0;
R>А>>x>= (130·0,1+ 166,7·0,03)/ 0,06;
R>А>>x>=300Н;

Рис.6 Эпюры изгибающих моментов быстроходного вала
ΣМ>2>>x>=0; F>m>>1>·0,02- F>t>>1>·0,03+ R>В>>x>·0,06=0;
R>В>>x>= (166,7·0,03- 130·0,02)/ 0,06;
R>В>>x>=40Н
Определяем изгибающие моменты:
М>1х>=0;
М>2>= -F>m>>2>·0,04
М>2х>=-130·0,04;
М>2х>=-5,2Нм;
М>3хсправа>=-F>m>>1>·0,1+R>Вх> ·0,03;
М>3хсправа>==-130·0,1+40 ·0,03;
М>3хсправа>=-11,7Нм;
М>3х>=- R>Ах> ·0,03;
М>3х>=- 300 ·0,03;
М>3х>=- 9;
М>4х>=0;
Строим эпюру изгибающих моментов М>х>.
Крутящий момент
Т>1-1>= Т>2-2>= Т>3-3>= T>3>=3,4Нм;
T>4-4>=0.
Определяем суммарные радиальные реакции [4,рис 8.2]:
;
;
;
Н;
;
Н.
Определяем результирующий изгибающий момент в наиболее опасном сечении (в точке 3) [4,рис 8.2]:
;
;
Нм2.
Эквивалентный момент:
;
;
Нм2.
5.3 Расчет промежуточного вала
Назначаем материал
вала. Принимаем
сталь 40Х, для которой [1,
табл.8.4] σ>в>=730Н/мм2;
Н/мм2;
Н/мм2;
Н/мм2.
Определяем диаметр выходного конца вала из расчёта на чистое кручение
;
где [τ>к>]=(20…25)Мпа [1,c.161]
Принимаем [τ>к>]=20Мпа.
;
мм.
С учетом того, что выходной конец промежуточного вала является валом-шестерней с диаметром выступов 24мм, принимаем диаметр вала под подшипник 25мм.
мм.
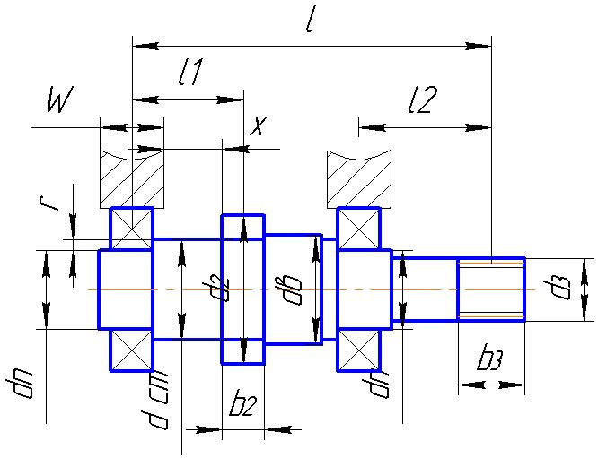
Намечаем приближенную конструкцию промежуточного вала редуктора (рис.7), увеличивая диаметр ступеней вала на 5…6мм

Рис.7 Приближенная конструкция промежуточного вала
d>ст>=30мм;
х=8мм;
W=20мм;
r=2,5мм;
d>в>=28мм.
Расстояние l определяем из суммарных расстояний тихоходного и быстроходного валов с зазором между ними 25…35мм.
l=60+30+30=120мм.
l>1>=30мм; l>2>=30мм.
Предварительно назначаем подшипники шариковые радиальные однорядные особо легкой серии по d>п>=25мм подшипник №105, у которого D>п>=47мм; В>п>=12мм [4, табл.К27].
Заменяем вал балкой на опорах в местах подшипников.
Рассматриваем вертикальную плоскость (ось у)
Определяем реакции в подшипниках в вертикальной плоскости.
М>Су>=0;
-R>D>>у>·0,09+F>r>>1>·0,03+F>r>>2>·0,12=0
R>Dy>=(368·0,03+60,7·0,12)/ 0,09;
R>Dy>==204Н.
М>D>>у>=0;
R>Cy>·0,09- F>r1>·0,06+ F>r2>·0,03=0;
R>Cy>=(368·0,06-60,7·0,03)/ 0,09;
R>Cy>=225Н.
Назначаем характерные точки 1, 2, 3, и 4 и определяем в них изгибающие моменты:
М>1у>=0;
М>2у>=-R>Cy>·0,03;
М>2у>=-6Нм;
М>3услева>=-R>Cy>·0,09+F>r>>1>·0,06;
М>3услева>=-16,6Нм
М>3усправа>= F>r>>2>·0,03;
М>3усправа>= 11
М>4у>=0;
Строим эпюру изгибающих моментов М>у>, Нм (рис.8).
Определяем реакции в подшипниках в горизонтальной плоскости.
М>Сх>=0;
R>Dx>·0,09-F>t1>·0,03-F>t2>·0,12=0;
R>Dx>=( 166,7·0,03+ 1012·0,12)/0,09;
R>Dx>=1404Н;
М>D>>х>=0;
R>Cx>·0,09+ F>t1>·0,06-F>t2>·0,03=0;
R>Cx>=(1012·0,03+166,7·0,06)/ 0,09;
R>Cx>=337Н.
Назначаем характерные точки 1, 2, 3 и 4 и определяем в них изгибающие моменты:
М>1>>x>=0;
М>2>>x>=-R>Cx>·0,03;
М>2>>x>=-10Нм;
М>3>>x>>слева>= -R>Cx>·0,09-F>t>>1>·0,06;
М>3>>x>>слева>=-91Нм;
М>3>>x>>справа>= F>t>>2>·0,03;
М>3>>x>>справа>=5Нм;
М>4у>=0.
Строим эпюру изгибающих моментов М>у>, Нм (рис.8)

Рис.8 Эпюры изгибающих и крутящих моментов промежуточного вала.
Крутящий момент
Т>1-1>=0;
Т>2-2>=-Т>3-3>=- T>2>/2=-4,3Нм;
Т>4-4>=0.
Определяем суммарные радиальные реакции [4,рис 8.2]:
;
;
;
Н;
;
Н.
Определяем результирующий изгибающий момент в наиболее опасном сечении (в точке 3) [4,рис 8.2]:
;
;
Нм.
Эквивалентный момент:
;
;
Нм.
Все рассчитанные значения сводим в табл.5.
Таблица 5 Параметры валов
|
R>1>, H |
R>2>, H |
M>И>, Нм |
M>Иэкв>, Нм |
|
|
Тихоходный вал |
2118 |
774 |
79 |
89 |
|
Быстроходный вал |
323 |
117 |
12 |
12,5 |
|
Промежуточный вал |
405 |
1419 |
92,5 |
93 |
6 Подбор и проверочный расчет шпонок
Выбор и проверочный расчет шпоночных соединений проводим по [4]. Обозначения используемых размеров приведены на рис.11.

Рис.9 Сечение вала по шпонке
6.1 Шпонки быстроходного вала
Для выходного конца быстроходного вала при d=10 мм подбираем призматическую шпонку со скругленными торцами по ГОСТ23360-78 bxh=3x3 мм2 при t=1,8мм (рис.9).
При длине ступицы полумуфты l>м>=16 мм выбираем длину шпонки l=14мм.
Материал шпонки – сталь 40Х нормализованная. Напряжения смятия и условия прочности определяем по формуле:
(6.1)
где Т – передаваемый момент, Нмм; Т>1>=3,4 Нм.
l>р> – рабочая длина шпонки, при скругленных концах l>р>=l-b,мм;
[]>см> – допускаемое напряжение смятия.
С учетом того, что на выходном конце быстроходного вала устанавливается полумуфта из ст.3 ([]>см>=110…190 Н/мм2) вычисляем:

Условие выполняется.
6.2 Шпонки промежуточного вала
Для зубчатого колеса вала при d=30 мм подбираем призматическую шпонку со скругленными торцами bxh=8x7 мм2 при t=4мм, t>1>=3,3мм. Т>2>=8,5Нм.
При длине ступицы шестерни l>ш>=25 мм выбираем длину шпонки l=25мм.
Материал шпонки – сталь 45 нормализованная. Проверяем напряжение смятия, подставив значения в формулу (6.1):

Условие выполняется.
6.3 Шпонки тихоходного вала
Передаваемый момент Т>3>=42,5Нм.
Для выходного конца вала при d= 22мм подбираем призматическую шпонку со скругленными торцами bxh=6x6 мм2 при t=3,5мм.
При длине ступицы полумуфты l>М>=20 мм выбираем длину шпонки l=16мм.

Для зубчатого колеса тихоходного вала при d=35 мм подбираем призматическую шпонку со скругленными торцами bxh=10x8мм2 при t=5мм.
При длине ступицы шестерни l>ш>=20 мм выбираем длину шпонки l=20мм.
С учетом того, что на ведомом валу устанавливаются шестерни из стали 45 ([]>см>=170…190 Н/мм2) вычисляем по формуле (6.1):

условие выполняется.
Таблица 6 Параметры шпонок и шпоночных соединений
|
Параметр |
тих.вал- полум |
тих.вал- колесо |
промвал-шестерня |
промвал-колесо |
быстр вал-шестер. |
быстр. вал-полум. |
|
Ширина шпонки b,мм |
6 |
10 |
- |
8 |
- |
3 |
|
Высота шпонки h,мм |
6 |
8 |
- |
7 |
- |
3 |
|
Длина шпонки l,мм |
16 |
20 |
- |
25 |
- |
14 |
|
Глубина паза на валу t,мм |
3,5 |
5 |
- |
4 |
- |
1,8 |
|
Глубина паза во втулке t>1>,мм |
2,8 |
3,3 |
- |
3,3 |
- |
1,4 |
7 Проверочный расчет валов на статическую прочность
В соответствии с табл.5 наиболее опасным является сечение 3-3 тихоходного вала, в котором имеются концентраторы напряжений от посадки зубчатого колеса с натягом, шпоночного паза и возникают наибольшие моменты.
Исходные данные для расчета:
М>Иэкв>= 89Нм;
М>И>=79Нм;
Т>3-3>=42,5Нм;
d>в>=35мм;
в=10мм – ширина шпонки,
t=5мм – глубина шпоночного паза,
l=22мм – длина шпонки.
При расчете принимаем, что напряжения изгиба изменяются по симметричному циклу, а напряжения кручения – по отнулевому циклу.
Определяем диаметр вала в рассчитываемом сечении при допускаемом напряжении при изгибе [σ>-1>]>и>=60МПа:
мм;
35>20.
Условие соблюдается.
Определяем напряжения изгиба:
σ>и>=М>и>/W;
где W – момент сопротивлению изгибу. По [4,табл.11.1]:
;
мм3;
σ>и>=79000/3566=22Н/мм2.
При симметричном цикле его амплитуда равна:
σ>а>= σ>и> =22Н/мм2.
Определяем напряжения кручения:
τ>к>=Т>3-3>/W>к>;
где W>к> – момент сопротивлению кручению. По [4,табл.22.1]:
;
мм3;
τ>к>=42500/7775=5,4Н/мм2.
При отнулевом цикле касательных напряжений амплитуда цикла равна:
τ>а>= τ>к> /2=5,4/2=2,7Н/мм2.
Определяем коэффициенты концентрации напряжении вала [4, с.258]:
(К>σ>)>D>=( К>σ>/К>d>+ К>F>-1)/ К>y>; (К>τ>)>D>=( К>τ>/К>d>+ К>F>-1)/ К>y>; (7.1)
где К>σ> и К>τ> – эффективные коэффициенты концентрации напряжений, по табл.11.2 [4] выбираем для шпоночных пазов, выполненных концевой фрезой К>σ> =1,6, К>τ> =1,4;
К>d> – коэффициент влияния абсолютных размеров поперечного сечения, по табл.11.3 [4] выбираем К>d> =0,75;
К>F>- коэффициент влияния шероховатости, по табл.11.4 [4] выбираем для шероховатости R>а>=1,6 К>F>=1,05;
К>y> - коэффициент влияния поверхностного упрочнения, по табл.11.4 [4] выбираем для закалки с нагревом ТВЧ К>y> =1,5.
Подставив значения в формулы (7.1) получим:
(К>σ>)>D>=( 1,6/0,75+ 1,05-1)/ 1,5=1,45;
(К>τ>)>D>=( 1,4/0,75+ 1,05-1)/ 1,5=1,28.
Определяем пределы выносливости вала [4, c263]:
(σ>-1>)>D>=σ>-1>/(К>σ>)>D>; (τ>-1>)>D>=τ>-1>/(К>τ>)>D>; (7.2)
где σ>-1> и τ>-1> – пределы выносливости гладких образцов при симметричном цикле изгиба и кручения, по табл.3. [4] σ>-1> = 380Н/мм2 , τ>-1> ≈0,58 σ>-1> =220Н/мм2;
(σ>-1>)>D>=380/1,45=262Н/мм2; (τ>-1>)>D>=220/1,28=172 Н/мм2.
Определяем коэффициенты запаса прочности по нормальным и касательным напряжениям 4, c263]:
s>σ>=(σ>-1>)>D>/ σ>а>; s>τ>=(τ>-1>)>D>/ τ>а>. (7.3)
s>σ>=262/ 22=12; s>τ>=172/ 2,7=63,7.
Определяем общий коэффициент запаса по нормальным и касательным напряжениям [4, c263]:
(7.4)
где [s]=1,6…2,1 – допускаемый коэффициент запаса прочности.

Сопротивление усталости вала в сечении 3-3 обеспечивается, расчет остальных валов не проводим, т.к. расчет проведен на самом опасном сечении, и коэффициент запаса прочности значительно превышает допустимый.
8 Выбор и проверочный расчет подшипников
Предварительно выбранные подшипниками с действующими на них радиальными нагрузками приведены в табл.7.
Таблица 7 Параметры выбранных подшипников
|
Быстроходный вал |
Промежуточный вал |
Тихоходный вал |
|
|
№ |
101 |
105 |
106 |
|
d, мм |
12 |
25 |
30 |
|
D, мм |
28 |
47 |
55 |
|
В, мм |
8 |
12 |
13 |
|
С, кН |
5,07 |
11,2 |
13,3 |
|
С>о>, кН |
2,24 |
5,6 |
6,8 |
|
R>А>, Н |
323 |
405 |
2118 |
|
R>Б>, Н |
117 |
1419 |
774 |
Подшипники устанавливаем по схеме «враспор». Пригодность подшипников определяем по условиям [4, c.129]:
С>р>≤С; L>р>≥L>h>;
где С>р> – расчетная динамическая грузоподъемность;
L>h> – требуемая долговечность подшипника, для зубчатых редукторов L>h> =10000ч.
; [4,
c.129] (8.1)
где ω – угловая скорость соответствующего вала (см. табл.1);
m=3 для шариковых подшипников;
R>Е> – эквивалентная динамическая нагрузка, при отсутствии осевых усилий [4, табл.9.1]:
R>Е>=VR>А>К>δ>К>τ> (8.2)
где K>> - коэффициент безопасности; K>> =1,1…1,2 [4, табл.9.4]. Принимаем K>> =1,1.
V – коэффициент вращения, при вращении внутреннего кольца V=1
K>τ> – температурный коэффициент; K>τ> =1 (до 100ºС) [4, табл.9.4].
Определяем расчетную долговечность подшипников в часах [4, c.129]:
(8.3)
Подставив значения в формулы (8.1)-(8.3) проверяем подшипники.
Для быстроходного вала:
R>Е>=323х1,1=355Н;
> >
>-
условие выполняется;>
>-
условие выполняется.>
>Для промежуточного вала:>
> >R>Е>=1419х1,1=1560Н;
>-
условие выполняется;>
>-
условие выполняется.>
>Для тихоходного вала:>
R>Е>=2118х1,1=2330Н;
>-
условие выполняется.>
>-
условие выполняется.>
>Окончательные параметры подшипников приведены в табл.7.>
Параметры выбранных подшипников
9 Выбор масла, смазочных устройств
Используем картерную систему смазывания. В корпус редуктора заливаем масло так, чтобы венец зубчатого колеса был в него погружен на глубину h>м >(рис.10):
h>м >>max> 0.25d>2 >= 0.25102 = 25,5мм;
h>м >>min>> >= 2m = 21,5 = 3мм.
При вращении колеса масло будет увлекаться его зубьями, разбрызгиваться, попадать на внутренние стенки корпуса, откуда стекать в нижнюю его часть. Внутри корпуса образуется взвесь частиц масла в воздухе, которым покрываются поверхности расположенных внутри корпуса деталей, в том числе и подшипники.

Рис.10 Схема определения уровня масла в редукторе
Объем масляной ванны принимаем из расчета 0,5 л на 1кВт передаваемой мощности V = 0,5N>дв> = 0,50,25 = 0,125 л.
Контроль уровня масла производится жезловым маслоуказателем, который ввинчивается в корпус редуктора при помощи резьбы. Для слива масла предусмотрена сливная пробка. Заливка масла в редуктор производится через съемную крышку в верхней части корпуса.
Выбираем смазочный материал. Для этого ориентировочно рассчитаем необходимую вязкость:

где ν>50> – рекомендуемая кинематическая вязкость смазки при температуре 50°С;
ν>1> =170мм2/с – рекомендуемая вязкость при v=1м/с для зубчатых передач с зубьями без термообработки;
v=1,2м/с – окружная скорость в зацеплении

Принимаем по табл.10.29 [4] масло И-220А.
И для шестерни, и для зубчатого колеса выберем манжетные уплотнения типа 1 из ряда 1 по ГОСТ 8752-79. Установим их рабочей кромкой внутрь корпуса так, чтобы обеспечить к ней хороший доступ масла.
Список использованной литературы
1. Основы конструирования: Методические указания к курсовому проектированию/ Сост. А.А.Скороходов, В.А Скорых.-СПб.:СПбГУКиТ, 1999.
2. Дунаев П.Ф., Детали машин, Курсовое проектирование. М.: Высшая школа, 1990.
3. Скойбеда А.Т., Кузьмин А.В., Макейчик Н.Н., Детали машин и основы конструирования, Минск: «Вышейшая школа», 2000.
Шейнблит А.Е. Курсовое проектирование деталей машин: Учеб. пособие. – М.: Высш. шк., 1991
5. Анурьев В.И. Справочник конструктора-машиностроителя: В 3 т. -8-е изд. перераб. и доп. Под ред. И.Н. Жестковой. – М.: Машиностроение, 1999