Система управления установкой приточной вентиляции помещения на базе контроллера МС8
Система управления установкой приточной вентиляции помещения на базе контроллера МС8
Цель работы: изучить приборы комплекса КОНТАР: контроллеры МС8, МС5, модули релейные MR8.
Теоретические сведения

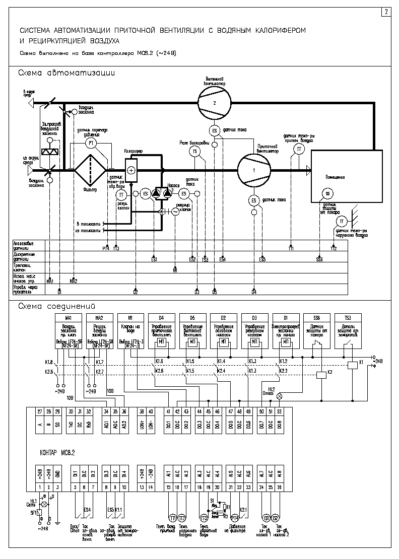
Система управления установкой приточной вентиляции на базе контроллера МС8.2
Контроллер обеспечивает два режима работы установки приточной вентиляции: рабочий и стояночный. В рабочем режиме обеспечивается приточная вентиляция с поддержанием комфортной температуры приточного воздуха, а в стояночном (дежурном) режиме вентилятор выключен, заслонка закрыта.
Все вентиляторы, вентиляционные отверстия и вентиляционное оборудование в доме или производственном помещении работают вместе как «система вентиляции», предназначенная для обмена воздухом внутри и снаружи без потери энергии. Системы вентиляции можно отнести к одному из четырех типов: вытяжная, приточная, сбалансированная и рекуперационная. Правильная система вентиляции для конкретного помещения зависит от климата и потребностей конструкции. Однако формируются уже некоторые требования потребителей к системам управления такой вентиляцией - они предпочитают сенсорное управление, особенно актуальное для управления приточной вентиляцией с водяным калорифером. К тому же автоматическое управление приточной вентиляцией требует специального контроллера, который передает информацию на щит управления. Такие устройства можно подобрать в интернет-магазине https://VentAvtomatika.ru/shity/pritochnoj-ventilyacii/ в Москве.
Контроллер предназначен для автоматизации установок с водяным калорифером – поэтому очень важной функцией является защита от его замораживания при низких температурах наружного воздуха.
Основные функциональные возможности контроллера
1 В рабочем режиме - ПИ-регулирование температуры приточного воздуха.
2 Управление включением / выключением вентиляторами в прямом и рециркуляционном каналах, открытием / закрытием воздушных заслонок подающего и рециркуляционного воздуха, включением насоса. При пуске оборудование включается последовательно с временными задержками. При неисправности основного насоса происходит автоматическое переключение на резервный насос.
3 Пуск / стоп - дистанционный (от внешнего переключателя). Возможность автоматического пуска утром и останова вечером с возможностью учета выходных и праздничных дней.
4 Защита от замораживания:
В дежурном (стояночном) режиме защита от замораживания обеспечивается ПИ-регулированием температуры обратной воды. Причем задание регулятору формируется по графику – чем ниже температура наружного воздуха, тем выше заданная температура воды. График может иметь до четырех линейных участков.
Для защиты при пуске сигнал на открытие воздушной заслонки прямого канала меняется плавно, а при закрытии быстро. Кроме того, зимой контроллер предварительно, до открытия заслонки и включения вентилятора, выдает сигналы для прогрева калорифера и электропрогрева заслонки. Определение времени года происходит либо автоматически по температуре наружного воздуха, либо вручную в зависимости от положения внешнего переключателя «ВРЕМЯ ГОДА»: «АВТОМАТИЧЕСКИ» \ «ЗИМА» \ «ЛЕТО».
В комплекте с контроллером поставляется воздушная заслонка, снабжённая сервоприводом с возвратной пружиной. При пропадании питания сервопривод автоматически закрывает заслонку, тем самым снижая риск замерзания водяного обогревателя.
В рабочем режиме зимой при понижении температур воздуха притока или обратной воды калорифера контроллер открывает клапан на воде. Если в дальнейшем температура повышается, то регулирование температуры приточного воздуха продолжается. Для защиты от замораживания в контроллере также сравнивается температура обратной воды с расчетной по графику (для текущего значения температуры наружного воздуха).
Если температура продолжает падать еще ниже, то контроллер переводит установку в стояночный режим. Это состояние продлится до тех пор, пока обслуживающий персонал не проверит оборудование, устранит причину и не подтвердит свое вмешательство переводом внешнего переключателя в состояние СТОП, а затем в состояние ПУСК. Для защиты от замораживания зимой автоматически включается насос.
Дополнительная защита происходит через релейные схемы независимо от контроллера при замыкании дискретного датчика, установленного в холодной части калорифера и размыкании датчика пожарной безопасности.
5 Сигнализацию через дискретный выход контроллера: о возможности замораживания, неисправности датчиков, вентиляторов и насосов, загрязнения воздушного фильтра, и других отказах. Особый алгоритм регулирования при отказах. Архивирование отказов в памяти контроллера.
6 Индикацию температур, давления на воздушном фильтре, состояния дискретных датчиков и т.д., а также настройку параметров контроллера при помощи встроенного в контроллер пульта оператора. Возможность вывода информации на экран монитора компьютера, Notebook, PDА или другого средства вычислительной техники через RS232C. Возможность связи через интерфейс RS485 с другими контроллерами комплекса КОНТАР, объединенными в единую сеть (в качестве Master или Slave). Возможность наглядного отображения информации о состоянии системы управления через Internet \ Ethernet на компьютер или мобильный телефон – в том числе мгновенная передача информации об отказах: возможности замораживании, обрывах датчиков, пожаре, проблемах напряжения питания контроллера.
Таблица - Пример спецификации для автоматизации установки приточной вентиляции для схемы на базе МС8.2


