Совершенствование роторной дробилки с целью повышения производительности
Федеральное агентство по образованию
Государственное образовательное учреждение высшего профессионального образования
Читинский государственный университет
(ЧитГУ)
Кафедра Строительных и дорожных машин
Дипломный проект
Чита 2008
Реферат
Пояснительная записка 112стр., 20 илл., 12 табл., библ. 10 наим.
ДРОБИЛКА РОТОРНАЯ, РОТОР, ПЛИТА ОТРАЖАТЕЛЬНАЯ, ПЕРЕДАЧА КЛИНОРЕМЕННАЯ, РЕСУРС ТЕХНИЧЕСКИЙ, БИЛО, КОРПУС, ОТВЕРСТИЕ ПРИЁМНОЕ, ПРИВОД ГИДРАВЛИЧЕСКИЙ.
В дипломном проекте проведён обзор конструкций роторных дробилок, рассмотрены пути повышения технического ресурса, приведены технические решения по совершенствованию отдельных узлов дробилки, рассмотрены технико-экономические показатели с учётом совершенствования конструкции дробилки, рассмотрены вопросы охраны труда, охраны окружающей среды и техники безопасности, технологический процесс обработки корпуса подшипника ротора дробилки и приведены соответствующие конструкторские расчёты.
Принятые в проекте технические решения позволяют увеличить технический ресурс на 2800 часов.
Ожидаемый экономический эффект от одной машины составляет 671400 рублей.
Содержание
Введение
1 Конструкторская часть
1.1 Назначение, область применения и техническая характеристика
1.2 Обзор конструкций однороторных дробилок
1.3 Совершенствование конструкции однороторной дробилки СМД-86
1.4 Устройство и принцип действия однороторной дробилки СМД-86
1.5 Выбор основных параметров
1.6 Расчёт производительности модернизированной дробилки
1.7 Расчёт мощности привода
1.8 Расчёт ременной передачи
1.9 Расчёт ротора на прочность
1.10 Расчёт показателей надежности
1.11 Расчёт гидропривода механизма раскрытия корпуса
1.12 Подбор антиадгезионной прослойки и самотвердеющей смеси
2 Технологическая часть
3 Экономическая часть
4 Безопасность и экологичность проекта
Заключение
Список использованных источников
Приложение 1. Проведение патентных исследований
Введение
Возрастающие темпы строительства в Российской Федерации невозможны без соответствующей материально-технической базы. Отрасль строительного и дорожного машиностроения вносит значительный вклад в обеспечение роста эффективности производства. На современном этапе в России существует большое количество фирм и предприятий, которые выпускают весь ассортимент строительных и дорожных машин.
Развитие дорожно-строительного машиностроения направлено на постоянное повышение технического уровня и в первую очередь на увеличение эффективности машин, их единичной мощности, качества и надежности, внедрение средств автоматизации и контроля за качеством работы, повышение мобильности, улучшения условий обслуживания. Значительное внимание на сегодня уделяется выпуску высокопроизводительных, энерго- и металлоёмких машин, с применением которых обеспечивается выполнение работ в строительстве новыми прогрессивными и экономическими методами. Так же немаловажное значение имеют вопросы, связанные с сервисом, гарантийным и послегарантийным обслуживанием техники предприятиями-изготовителями.
Задачей данного дипломного проекта является совершенствование конструкции однороторной дробилки СМД-86 с целью увеличения её технического ресурса, повышения производительности, а также удобства обслуживания. Новая дробилка по сравнению с базисным вариантом СМД-86 имеет ряд конструктивных отличий, обеспечивающих повышение параметров технической характеристики. В связи с принятыми усовершенствованиями улучшается обслуживание дробилки в процессе её эксплуатации, обеспечивается сокращение простоев дробилки, что значительно увеличивает её технический ресурс.
Конструкторская часть
1.1 Назначение, область применения и техническая характеристика
Дробилка однороторная СМД-86 1250×1000 мм предназначена для крупного дробления известняка, доломита, мергеля, мрамора, гипса, руд малой абразивности и других подобных материалов. Дробилкой не рекомендуется дробить влажные материалы, склонные к налипанию.
Роторные дробилки применяют в нерудной промышленности для дробления осадочных и изверженных пород при производстве заполнителя для бетона, в цементной и известковой промышленности для измельчения сырьевых материалов и клинкера. Наиболее надёжными показали себя роторные дробилки при переработке доменных и томасовских шлаков, содержащих включения металла. В угольной промышленности рассматриваемые машины широко применяют для дробления вскрышных пород в открытых карьерах, а также для получения закладочного материала в шахтах при использовании пневмо- и гидротранспорта. Благодаря малой металлоёмкости роторные дробилки успешно применяют на передвижных дробильных установках.
На данный момент дробилка СМД-86 серийно выпускается на заводах ОАО «Владимир-Доркомплект» (Владимирская область, Судогодский р-он, п. Улыбышево) и ОАО «Дробмаш» (г. Челябинск). Также данная дробилка собирается на заказ различными фирмами, но уже с некоторыми совершенствованиями в соответствии с пожеланиями заказчика.
Техническая характеристика дробилки однороторной СМД-86:
Размеры ротора, мм:
диаметр, D>р> 1250
длина, L>р> 1000
Размеры приёмного отверстия, мм:
продольный, L>о> 1000
поперечный, B>о> 875
Производительность дробилки, м3/ч 125
Максимальный размер куска
загружаемого материала, мм (D>м>) 600
Окружная скорость бил ротора, м/с 20
Число рядов бил ротора 3
Регулируемая ширина выходных
щелей, мм:
максимальная, не менее
S>1> 250
S>2> 160
минимальная, не более
S>1>=S>2> 25
Установочная мощность, кВт 100
Габаритные размеры, мм:
длина L 3200
ширина B 2350
высота H 2800
Масса дробилки, кг 15000
Примечания:
Производительность дробилки СМД-86 указана для известняка с пределом прочности на растяжение
,
плотностью
,
при средневзвешенном размере кусков
загружаемого материала не более
,
окружной скорости бил ротора
и размере выходной щели
.Масса дробилки указана без привода, клиновых ремней, ограждения, пусковой электроаппаратуры, шкивов привода, фундаментных болтов, фланца приёмной коробки с крепёжными болтами, механизма раскрытия корпуса дробилки, инструмента и принадлежностей для обслуживания дробилки, комплекта запасных частей.
1.2 Обзор конструкций однороторных дробилок
По конструктивным признакам однороторные дробилки могут классифицироваться следующим образом:
1) дробилки однороторные, по способу разгрузки готового продукта – со свободной разгрузкой, характер исполнения отражательных органов – отражательные плиты с шарнирной подвеской, по форме линии профиля отражательной поверхности – поверхность отражательных плит выполнена по ломаной линии. Такие дробилки в свою очередь подразделяются по числу камер дробления и реверсированию вращения ротора.
2) дробилки однороторные, по реверсированию движения ротора – нереверсивные, с шарнирной подвеской отражательных плит, с криволинейной поверхностью. Такие дробилки классифицируются по характеру отражательной поверхности и числу камер дробления.
3) дробилки однороторные, нереверсивные, со свободной разгрузкой, способ подвески отражательных плит – комбинированная. Отличаются количеством камер дробления и формой линии профиля отражательной поверхности.
4) дробилки однороторные, нереверсивные с одной камерой дробления, со свободной разгрузкой, с жесткой подвеской отражательных плит, с зубчатой криволинейной поверхностью отражательных плит.
5) дробилки однороторные, нереверсивные, разгрузка через контрольную колосниковую решетку, с шарнирной подвеской отражательных плит, поверхность отражательных плит выполнена по ломаной линии.
6) дробилки однороторные, нереверсивные, разгрузка комбинированная, подвеска отражательных плит – комбинированная. Отличаются числом камер, формой линии профиля и формой отражательной поверхности.
7) дробилки однороторные, нереверсивные, однокамерные, со свободной разгрузкой готового продукта, характер исполнения отражательных органов – отражательные колосниковые решётки, с комбинированной подвеской отражательных устройств. Отличается расположением колосников и линией профиля отражательной поверхности.
8) дробилки однороторные, нереверсивные, с комбинированной разгрузкой, с отражательными колосниковыми решётками, с плоскими и криволинейными отражательными поверхностями.
При интенсивном развитии роторных дробилок постоянно появляются новые конструктивные решения. При использовании новых дробилок на практике представляется возможным выбрать оптимальный вариант, отвечающий следующим требованиям:
наибольшая производительность;
минимальный износ рабочих органов;
дробление с одновременной подсушкой или промывкой продукта;
минимальная энергоёмкость и металлоёмкость и т.д.
1.3 Совершенствование конструкции однороторной дробилки СМД-86
Для сравнения в качестве базисного варианта применяется серийно выпускаемая дробилка однороторная крупного дробления СМД-86.
Недостатком базисного варианта является большой износ рабочих органов и поверхности в местах интенсивного соприкасания с дробимым материалом, значительные простои дробилки во время обслуживания.
Новая модернизированная дробилка по сравнению с базисной дробилкой СМД-86 имеет ряд конструктивных и эксплуатационных отличий, обеспечивающих повышение параметров технической характеристики, а именно:
1) увеличен ресурс дробилки до первого капитального ремонта на 2800 часов за счёт следующих конструктивных изменений:
– изменена конструкция крепления бил на роторе;
– взамен отражательных плит со сменными футеровками установлены две цельнолитые реверсивные плиты с волнообразной рабочей поверхностью;
– введён взамен винтового механизма раскрытия корпуса дробилки гидравлический привод.
2) улучшено удобство обслуживания дробилки в процессе её эксплуатации, что обеспечивает сокращение простоев дробилки, времени на замену бил и обслуживание.
1.4 Устройство и принцип действия дробилки СМД-86
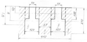
Дробилка состоит (см. рисунок 12) из сварного корпуса 13, ротора 16, двух реверсивных отражательных плит 5,9 и привода 39 (рисунок 14). Корпус дробилки разъёмный, состоит из станины 15 и двух каркасов – основного 4 и откидного 12 верхней части корпуса. Крепление основного каркаса к станине осуществляется болтами. Откидной каркас соединяется со станиной осями 14 и крепится к основному каркасу откидными болтами 36. Корпус дробилки в местах интенсивного соприкасания с дробимым материалом обкладывается футеровками, которые крепятся болтами. Секторы 3 и 10, расположенные над дисками ротора, по нижним торцам наплавляются сплавом Т-620. Для осмотра и обслуживания в корпусе имеются люки 30,34 35 и 37 (рисунок 14).
Основной рабочий орган дробилки – ротор. Он вращается на роликоподшипниках, установленных в корпусах и закрепленных на станине. С торцов корпуса ротора приварены диски 2, наплавленные по диаметру и с внутренней стороны твёрдым сплавом Т-620. В пазах корпуса ротора устанавливаются била 1. От выпадения их удерживают расположенные между билом и брусом 18 фиксаторы 17.
Реверсивные отражательные плиты 5 и 9, изготовленные из высокомарганцовистой стали, шарнирно установлены в основном и откидном каркасах верхней части корпуса. При износе нижней части плиты её можно перевернуть. Плиты снабжены предохранительно-регулировочными устройствами 6, которые служат для регулирования выходных щелей и предохранения дробилки от поломок при попадании некрупных недробимых предметов.
Привод дробилки осуществляется от электродвигателя, установленного на раме, через клиноременную передачу. Изменение скорости производится в результате переустановки шкивов на валу ротора. Направление вращения ротора показано стрелкой на рисунке 12.

Рисунок 12 - Схема однороторной дробилки СМД-86 (общий вид)

Рисунок 13 - Схема однороторной дробилки СМД-86 (вид В)

Рисунок 14 - Схема однороторной дробилки СМД-86 (вид Д)
Загрузка дробилки производится с помощью питателя, транспортёра или других средств. Исходный материал, попадая через загрузочную течку в приёмное отверстие, падает на наклонную плиту и движется навстречу быстровращающемуся ротору, разбивается билами и отбрасывается на первую отражательную плиту, о которую дополнительно дробится. Раздробленный материал через щель между билами ротора и первой отражательной плитой попадает во вторую камеру, где дополнительно дробится и через щель между ротором и второй отражательной плитой попадает через разгрузочную течку на выгрузочный транспортер.
Электрооборудование дробилки состоит из шкафа электроаппаратного, в котором расположена аппаратура пуска, управление, защиты и сигнализации; электродвигателя; пускового сопротивления, которое должно устанавливаться около электроаппаратного шкафа.
Раскрытие корпуса производится с помощью винтового механизма открытия корпуса, при этом обеспечивается доступ к ротору для осмотра дробилки и замены износившихся деталей.
1.5 Выбор основных параметров
Расчёт ведётся по [1].
Главными параметрами роторных дробилок являются диаметр и длина ротора.
У однороторных дробилок диаметр
ротора
,
м, определяется размером наибольших
кусков загружаемого материала
, (1)
Где
- максимальный размер куска загружаемого
материала,
.
.
Длина ротора дробилки
,
м, вычисляется по формуле
, (2)
При этом для дробилок крупного дробления с целью получения большего момента инерции ротора при меньшей его массе необходимо чтобы выполнялось условие
,
(3)
.
Условное число бил ротора
зависит от диаметра ротора и назначения
дробилки по крупности дробления.
По выбранному модулю ротора определяют условное число бил
, (4)
Где
- модуль ротора, для дробилок крупного
дробления
.
.
Определение критического диаметра
,
м, куска дробимого материала
, (5)
где
- предел прочности породы, Па;
- плотность материала, кг/м3;
- скорость удара, равная скорости вращения
ротора, м/с.
Дробимый материал – известняк
с пределом прочности на растяжение
и плотностью
.
Для разных скоростей вращения ротора:
,
,
.
Размер выходной щели для дробилки СМД-86 устанавливается
, (6)
.
1.6 Расчёт производительности модернизированной дробилки
Производительность дробилки
,
м3/ч, считается
по формуле
, (7)
где
- производительность дробилки при
;
;
;
;
;
;
- коэффициент, учитывающий влияние
угла установки отражательной плиты;
, (8)
- угол установки первой отражательной
плиты;
,
- коэффициент, учитывающий влияние
размера кусков материала, определяется
из выражения
;
- коэффициент, учитывающий влияние
ширины выходной щели;
, (9)
,
,
- коэффициент, учитывающий влияние
закругления передней кромки била,
;
- коэффициент, учитывающий влияние
физических свойств дробимого материла;
, (10)
- критерий прочности;
,
,
- коэффициент, учитывающий влияние
внешней поверхности била, для волнообразной
формы
;
.
Как видим, производительность модернизированной дробилки больше производительности базисной дробилки на 19 м3/ч.
1.7 Расчёт мощности привода
Мощность электродвигателя
,
кВт, привода дробилки рассчитывается
по формуле
, (11)
где
- удельный энергетический показатель
дробилки, при дробимом материале
известняке
[1];
- производительность дробилки,
м3/ч;
- степень дробления, для роторной
дробилки типоразмера 12501000
мм
[1];
- средневзвешенный диаметр
исходного продукта, м;
- к.п.д. дробилки,
;
- к.п.д. привода,
.
.
.
Выбираем трёхфазный асинхронный электродвигатель А315М8 с фазным ротором мощностью N=100кВт и числом оборотов n=730об/мин.
1.8 Расчёт ременной передачи
Расчёт ведём по [6].
Принято:
электродвигатель А315М8
N=100 кВт, n=730 об/мин;
ремень клиновой Г-500-Т2А130 ГОСТ 1284.1 – 80;
диаметр ведущего шкива
мм.
Окружные скорости ротора согласно ГОСТ 12375-70 должны соответствовать:
20±0,6 м/с;
26,5±0,8 м/с;
35±1,05 м/с.
Определяем частоту вращения
ротора
,
об/мин, согласно ГОСТ 12375-70
, (12)
,
,
.
Определяем диаметры ведомых
шкивов
,
мм
, (13)
где
- диаметр ведущего шкива принятого
электродвигателя,
;
- число оборотов ротора принятого
электродвигателя,
;
- к.п.д. электродвигателя,
.
,
,
.
Принимаем по ГОСТу 1284.1-80 диаметры шкивов:
,
,
.
Определяем передаточные числа
, (14)
,
,
.
Фактические скорости ротора определяются по формуле
,
м/с (15)
,
,
.
Фактическое число оборотов ротора будет
,
,
.
Определяем межцентровое расстояние
между шкивами ротора и привода
,
мм, по формуле
, (16)
где
- расчётная длина ремня, измеряемая по
нейтральному слою, мм.
, (17)
,
,
.
Определяем расчётную длину ремня, измеряемую по нейтральному слою по формуле
, (18)
где
- длина шкива электродвигателя,
;
- средний диаметр, мм.
,
,
,
,
,
,
,
,
,
.
Наименьшее расстояние, необходимое
для надевания ремня
,
определяется по формуле
.
Наибольшее расстояние, необходимое
для компенсации вытяжки ремней
,
определяется по формуле
.
Требуемый ход электродвигателя
на салазках

.
Определим необходимое число
шкивовых ремней
по формуле
, (19)
где
- окружное усилие, кг;
- допустимое полезное напряжение в
ремне, кг/см2;
- площадь сечения ремня, см2.
, (20)
где
- мощность электродвигателя,
;
- окружная скорость шкива, м/с.
, (21)
,
,
.
Принимаем
.
.
Допустимое полезное напряжение в ремне определяется по формуле
, (22)
где
- полезное напряжение при
и предварительном натяжении
,
;
- коэффициент влияния угла
обхвата;
- коэффициент влияния центробежных
сил,
;
- коэффициент режима работы,
.
, (23)
,
град (24)
,
,
,
,
,
,
,
,
,
,
,
.
Практически принимаем
ремней.
Расчёт ротора на прочность
Ротор представляет собой стальную
отливку из стали 30ГЛ с пределом текучести
.

Рисунок 15 – Схема для расчёта опасных сечений
На ротор при дроблений максимального
размера куска материала (известняк
объёмом 0,216 м3
и объёмной плотностью
при падении с высоты 2 м от уровня ротора)
через била «Г» действует сила
,
равная 3920000 Н, действие которой может
разрушить ротор по сечениям А-А, Б-Б,
В-В. В сечении А-А ротор может быть разбит
на две части вращением левой части
относительно точки «К». Момент силы
относительно точки «К» равен
.
Подсчитываем момент инерции
сечения А-А
,
относительно оси КК
, (25)
Момент инерции
,
каждой из этих площадок равен
, (26)
причём
и
.
Таблица 1 – Длины площадок
-



Для площадок А и Д
400
440
600
Для площадок Б и Е
400
0
160
Для площадки В
440
500
600
Для площадки Г
440
0
100

Момент сопротивления сечения
А-А
,
считается по формуле
.
Максимальное напряжение в сечении
А-А (по оси Л-Л)

.
Изгибающий момент относительно
сечения Б-Б

.
Так как весь удар может быть воспринят только одним билом (из трёх монтируемых по длине в каждом пазу), в запас расчёта принимаем, что в сопротивлении участвует только часть ротора, расположенная против одного била.

Рисунок 16 – Сечение части ротора, расположенное против одного била
Момент инерции части сечения
Б-Б
,
расположенного против одного била
, (27)
где
- момент инерции части 1, м4;
- момент инерции части 2, м4.
.
и
.
,
,
,
,
,
.
Момент сопротивления относительно
сечения В-В
,
расположенного против одного била
,
.
Из расчётов видно, что максимальное напряжение в сечении Б-Б
.
Принимая во внимание, что полученное напряжение более чем в два раза ниже предела текучести стали 30ГЛ, а также принятое нами допущение, что работает только часть сечения ротора, расположенная против одного била, считаем полученное напряжение допустимым.
1.10 Расчет показателей надёжности
1.10.1 Определение среднего и гамма-процентного ресурсов до первого капитального ремонта
Расчёт ведется по [8] и [9].
Предполагаемый закон распределения
ресурса для роторных дробилок –
нормальный. Для вычисления значений
функции распределения предварительно
определяются порядковые номера
групп изделий, израсходовавших ресурс
, (28)
где
- порядковый номер предшествующей
группы, для данной выборки в первом
интервале
;
- очередное приращение порядкового
номера.
, (29)
где
- суммарное число приостановленных
и израсходовавших
ресурс изделий, предшествующих данной
группе.
Значение
находим по формуле
, (30)
Результаты всех вычислений сводим в таблицу 2.
Таблица 2 – Результаты вычисления функции распределения
|
Середина интервала |
|
|
|
|
|
|
|
|
|
|
11500 |
- |
1 |
1 |
1 |
1 |
0,06 |
|||
|
12500 |
1 |
2 |
2 |
15 |
14 |
1,07 |
2,14 |
3,14 |
0,19 |
|
13500 |
1 |
- |
|||||||
|
14500 |
- |
- |
|||||||
|
15500 |
1 |
3 |
6 |
12,86 |
10 |
1,28 |
3,84 |
6,98 |
0,44 |
|
16500 |
- |
1 |
1,28 |
1,28 |
8,26 |
0,52 |
|||
|
17500 |
- |
1 |
1,28 |
1,28 |
9,54 |
0,60 |
|||
|
18500 |
- |
- |
|||||||
|
19500 |
- |
3 |
1,28 |
3,84 |
13,38 |
0,84 |
|||
|
20500 |
- |
- |
|||||||
|
21500 |
1 |
- |
По значениям эмпирической функции
распределения
и значениям середин интервалов строим
график эмпирической функции распределения
ресурса.
Для определения 90-процентного
ресурса
модернизированной дробилки на оси
ординат отмечаем точку
,
проводим горизонтальную прямую и из
точки пересечения с графиком опускаем
перпендикуляр на ось абсцисс. Находим
точку
.
При нормальном законе распределения ресурса средний ресурс определяется как 50-процентный.
Для определения среднего ресурса
находим значение эмпирической функции
и получаем значение среднего ресурса
.

Рисунок 17 – График эмпирической функции распределения ресурса
1.10.2 Определение установленного ресурса до первого капитального ремонта
Значение установленного ресурса
принимается равным
.
Принимаем
, (31)
где
- 80-процентный ресурс, определяемый по
графику эмпирической функции распределения
ресурса.
Значение функции
соответствует значение
.
.
1.10.3 Определение коэффициента технического использования модернизированной дробилки
Значение коэффициента технического
использования
определяется
по формуле
, (32)
где
- суммарная продолжительность наработок
всех наблюдаемых изделий, ч;
- суммарная продолжительность неплановых
ремонтных работ, ч;
- суммарная оперативная продолжительность
плановых ремонтов и обслуживаний, ч.
Таблица 3 - Продолжительности наработок
|
№ |
|
|
|
|
1 |
21859 |
1000 |
748 |
|
2 |
10940 |
800 |
75 |
|
3 |
13000 |
1000 |
40 |
|
4 |
8000 |
400 |
100 |
|
5 |
8000 |
400 |
100 |
|
6 |
8000 |
150 |
72 |
|
|
70599 |
3750 |
1135 |
.
1.10.4 Определение удельной суммарной оперативной трудоёмкости плановых технических обслуживаний
Удельная суммарная оперативная
трудоёмкость плановых технических
обслуживаний
,
определятся по формуле
, (33)
где
- межремонтный цикл, для дробилки СМД-86
составляет 14000 ч;
- продолжительность выполнения
ТО-1, ч;
- количество технических
обслуживаний в межремонтном цикле;
- среднее число исполнителей.
- проводят через 5000 часов работы:
,
,
.
- проводят через 1000 часов работы:
,
,
.
- проводят через 200 часов работы:
,
,
.
- проводят через 5000 часов работы:
,
,
.
.
Полученные значения показателей надежности соответствуют нормативным значениям, заложенным в ТУ 22-5321-82.
1.11 Расчёт гидропривода механизма раскрытия
1.11.1 Исходные данные для расчёта гидросистемы
1.11.1.1 Расчёт внешней нагрузки на выходном звене гидропривода. Расчёт ведется по [4], [5] и [10].
На рабочее оборудование механизма
раскрытия корпуса дробилки действуют
следующие силы: сила тяжести откидной
части
,
и усилие подъема на штоке гидроцилиндра
.

Рисунок 18 - Схема к определению усилия на штоке гидроцилиндра
Сила тяжести откидной части корпуса дробилки вместе с отражательной плитой определяется по формуле
, (34)
где
- масса откидной части со второй
отражательной плитой,
;
- ускорение свободного падения,
.
.
Для определения усилия на штоке
гидроцилиндра
,
составим уравнение моментов относительно
точки
(см.
рисунок 18)
,
,
,
.
1.11.1.2 Обоснование уровня номинального давления в гидросистеме. Давление рабочей жидкости в гидросистеме зависит от типа насоса и назначения гидропривода (для вспомогательных операций или для привода основного оборудования) на данной машине. Давление насоса должно быть тем больше, чем больше нагрузка или мощность приводимого в движение механизма.
Принимаем номинальное давление
в гидросистеме механизма открытия
корпуса дробилки
.
1.11.1.3 Выбор рабочей жидкости. Рабочая жидкость, кроме основной функции – передачи энергии от насоса к гидродвигателю, выполняет ряд вспомогательных, но весьма важных функций: смазка трущихся поверхностей сопряженных деталей, отвод тепла и удаление продуктов износа из зон трения, предохранение деталей гидропривода от коррозии. В общем, рабочую жидкость для гидросистемы следует выбирать с учетом рекомендаций заводов-изготовителей гидрооборудования, режима работы гидропривода, климатических условий эксплуатации, соответствия вязкости жидкости номинальному давлению.
Выбираем рабочую жидкость АУ со следующей характеристикой:
ГОСТ 17479.3-85 МГ-15-А
Плотность при
,
890
Вязкость, сСт при
22
при
170
Температура вспышки,
165
Температура застывания,
–45
Температурные пределы
применения,
–30;+60
1.11.2 Расчёт и выбор гидрооборудования
1.11.2.1 Расчёт мощности, подачи
гидронасосов и их выбор. Для
определения мощности насосной установки
вначале вычисляется мощность, которую
должны обеспечить исполнительные
механизмы гидропривода. Полезная
мощность
,
на штоке силового гидроцилиндра находится
по формуле
, (35)
где
- усилие на штоке гидроцилиндра,
;
- скорость перемещения штока,
;
- общий КПД гидроцилиндра,
.

При расчете мощности насоса, приводящего в действие гидродвигатели, учитываются возможные потери давления и подачи в гидросистеме коэффициентами запаса по усилию и скорости
, (36)
где
- коэффициент запаса по усилию;
- коэффициент запаса по скорости.
Меньшие значения коэффициентов
выбираются для гидроприводов, работающих
в легком и среднем режимах, а большие –
в тяжелом и весьма тяжелом режимах
эксплуатации. Так как режим работы
механизма открытия корпуса дробилки
относится к легкому, то принимаем
и
.
.
Определив мощность насоса,
рассчитывается требуемая подача насоса
,
в гидросистему по формуле
, (37)
где
- номинальное давление в гидросистеме.
.
Выбор конкретной марки насоса
производится по рабочему объему
,
расчетное значение которого вычисляется
по формуле
, (38)
где
- объемный КПД насоса;
- угловая скорость вала насоса.
.
Выбираем шестеренный насос НШ-4 со следующими техническими данными:
Рабочий объем,
4
Давление, МПа:
номинальное 20
максимальное 25
Частота вращения,
:
номинальная 40
максимальная 50
КПД:
объемный 0,9
механический 0,9
общий 0,8
Масса, кг 1,7
Далее рассчитывается действительная
подача
,
насосной установки по формуле
, (39)
где
- число насосов.
- значение рабочего объема
выбранного насоса.
.
После этого вычисляется приводная
мощность насосной установки
,
по формуле
, (40)
где
- коэффициент запаса;
- полный КПД насоса.
.
1.11.2.2 Расчет и выбор гидроцилиндров. Наибольшее распространение в гидроприводах СДМ получили гидроцилиндры двухстороннего действия с односторонним штоком.
Основными параметрами силовых гидроцилиндров являются номинальное давление, внутренний диаметр цилиндра, диаметр штока и ход поршня. По этим параметрам определяются развиваемое на штоке усилие, скорость перемещения поршня, требуемый расход рабочей жидкости.
Усилие, развиваемое на штоке гидроцилиндра, определяется по формулам:
а) при подаче жидкости в поршневую полость
, (41)
б) при подаче жидкости в штоковую полость
, (42)
где
- давление жидкости в сливной магистрали;
- диаметр внутренней полости
цилиндра, м;
- диаметр штока, м;
- механический КПД гидроцилиндра.
Поскольку усилие, которое должен развивать гидроцилиндр, в дипломном проекте определяется расчетом, то необходимый внутренний диаметр гидроцилиндра определяется по формуле
, (43)
Для устранения перекоса при раскрытии корпуса принимаем два гидроцилиндра, тогда общее усилие, определяемое расчётным путем, необходимо разделить пополам
,
.
Диаметр штока определяется из соотношения
(44)
.
Ход поршня определяется в соответствии с необходимым ходом рабочего органа, а так как откидная часть дробилки поднимается на 327 мм, то примем ход поршня с запасом, то есть равным 400мм.
Рассчитанные величины приводятся в соответствие с ГОСТ 22-1417-79:

а)
,
б)
.
Действительные значения скоростей поршней будут равны:
а) при выталкивании
, (45)
где
- объемный КПД цилиндра;
- число гидроцилиндров,
.
б) при втягивании
, (46)
,
.
Необходимый расход жидкости для обеспечения заданной скорости поршня:
а) при подаче жидкости в поршневую полость
, (47)
.
б) при подаче жидкости в штоковую полость
, (48)
.
1.11.2.3 Выбор направляющей и регулирующей аппаратуры. Направляющая гидроаппаратура предназначена для изменения направления и запирания потока рабочей жидкости путем полного открытия или полного закрытия проходных каналов гидроэлементов. К ней относятся гидрораспределители, обратные клапаны, гидрозамки, гидроусилители.
Регулирующая гидроаппаратура применяется для регулирования величин давления и потока рабочей жидкости путем изменения площади проходного сечения отверстия. К ней относятся предохранительные, переливные, редукционные клапаны, дроссели, регуляторы потока.
Основными параметрами направляющей
и регулирующей гидроаппаратуры являются
номинальное давление
,
номинальный поток
и условный проход
.
При проектировании обычно гидроаппаратура не рассчитывается, а выбирается из нормализированных аппаратов и агрегатов, серийно изготовляемых специализированными заводами по основным приведенным параметрам.
Распределитель секционный Р-16
Условный проход, мм 16
Расход рабочей жидкости,
:
номинальный 10,52
максимальный 13,36
Давление на входе, МПа:
номинальное 16
максимальное 17
Падение давления в распределителе, МПа:
в трех секциях 0,2
Допустимое давление на сливе, МПа 1,0
Клапан предохранительный У 4790.15
Расход рабочей жидкости,
:
номинальный 26,7
минимальный 2,7
Номинальное давление, МПа 16
Условный проход, мм 32
Масса, кг 12
1.11.2.4 Выбор фильтров. Основными параметрами фильтров являются условный проход, номинальное давление и номинальная тонкость фильтрации.
В гидросистемах СДМ применяются магистральные и встроенные фильтры с бумажным и проволочным (сетчатым) фильтроэлементами, обеспечивающими тонкость фильтрации 25, 40 и 63 мкм. Фильтры устанавливаются, как правило, на сливной линии, магистральные – обычно перед масляным баком, а встроенные – в масляном баке.
В нашем случае это встроенный фильтр
Условный проход, мм 20
Номинальный поток при
перепаде давления 0,08 МПа
и вязкости 30-40 сСт,
0,67
Номинальная тонкость фильтрации, мкм 25
Номинальное давление, МПа 0,63
Максимальный допустимый
перепад давления, МПа 0,35
Ресурс работы фильтроэлемента
до замены или промывки, ч 200
Масса встроенного фильтра, кг 8,7
1.11.2.5 Расчет и выбор трубопроводов. Для соединения элементов гидропривода, не имеющих взаимного перемещения, применяются стальные бесшовные трубы, а для соединения гидроагрегатов, имеющих взаимное перемещение, применяются гибкие рукава, причем для низких давлений – резиновые рукава с нитяными оплетками, для высоких давлений – с металлическими оплетками.
Расчет трубопроводов состоит
из гидравлического расчета и расчета
на прочность. Под гидравлическим расчетом
понимается определение внутреннего
диаметра трубы
,
по формуле
, (49)
где
- подача насоса;
– скорость потока жидкости,
.
В зависимости от назначения трубопровода, давления в гидросистеме выбирается скорость потока рабочей жидкости на основе следующих рекомендаций:
а) для всасывающего трубопровода
–
,
принимаем
.
.
б) для сливного трубопровода –
,
принимаем
.
.
в) для напорного трубопровода –
,
принимаем
.
.
В дренажных трубопроводах необходимо обеспечить свободный слив утечек жидкости, поэтому независимо от количества этих утечек минимальный диаметр дренажной магистрали выбирается в пределах 8…10 мм.
Расчет на прочность состоит в
определении толщины стенки металлического
трубопровода
,
по формуле
, (50)
где
- допускаемое напряжение на разрыв, для
стали 20
,
для медных трубопроводов
;
- номинальное давление жидкости.
а) для всасывающего трубопровода
.
б) для сливного трубопровода
.
в) для напорного трубопровода
.
Полученные значения диаметров трубопроводов согласовываются со стандартными значениями:
а) всасывающий трубопровод

б) сливной трубопровод

в) напорный трубопровод

Теперь посчитаем действительные
значения скорости потока рабочей
жидкости во всасывающем, сливном и
напорном трубопроводах в соответствии
с полученными стандартными значениями
диаметров. Для этого выразим из формулы
(49) скорость

, (51)
а) всасывающий трубопровод
.
б) сливной трубопровод
.
в) напорный трубопровод
.
1.11.2.6 Расчет и выбор емкости гидробака. Гидробаки предназначены для содержания запаса, отстоя (деаэрации), фильтрации рабочей жидкости и отвода тепла из гидросистемы в атмосферу. Вместимость гидробака, его форма, месторасположение на машине, некоторые конструктивные особенности оказывают существенное влияние на работоспособность гидравлического привода.
Главным параметром бака является его вместимость. От этого параметра зависят значения установившейся температуры рабочей жидкости и интенсивность ее нарастания при пуске машины, время выхода гидропривода на оптимальный тепловой режим, объемный КПД гидропривода и, в конечном итоге, производительность машины в целом.
Для гидросистем мобильных машин рекомендуется выбирать объем бака на основании следующего соотношения
, (52)
где
– объем гидробака,
;
- минутная подача насосной
установки.
Однако при обосновании принятого соотношения следует учитывать мощность, режим работы гидропривода, климатические условия эксплуатации. В результате длительного опыта проектирования и эксплуатации гидрофицированных машин выработаны следующие рекомендации выбора объема бака (в данном случае для легкого режима работы)
, (53)
.
После предварительного расчета значения объема бака необходимо согласовать с нормализованным значением по ГОСТ 12448-80
.
1.11.3 Поверочный расчет гидропривода
1.11.3.1 Расчет потерь давления в гидросистеме. Расчет потерь давления в гидросистеме производится для определения эффективности спроектированного гидропривода. Потери давления в гидросистеме, обусловленные трением жидкости о стенки трубопроводов и гидроагрегатов и внутренним трением жидкости, зависят от следующих факторов: длины, диаметра и формы трубопроводов, скорости течения и вязкости рабочей жидкости в трубопроводе. Для выполнения расчета потерь давления необходимо знать гидравлическую схему соединений, внутренний диаметр и длину трубопроводов, подачу насоса, вязкость и плотность рабочей жидкости.
Суммарная величина потерь давления в гидросистеме может быть определена как сумма потерь в отдельных элементах гидросистемы
, (54)
где
- суммарные путевые потери давления на
прямолинейных участках трубопроводов,
Па;
- суммарные местные потери, Па;
- суммарные потери давления в
гидроагрегатах, Па.
Суммирование потерь давления необходимо выполнять не на всех участках гидросистемы, имеющей несколько исполнительных гидродвигателей, а в магистрали каждого гидродвигателя отдельно. Для этого целесообразно разбить всю магистраль на отдельные участки, в каждом из которых равны диаметры трубопровода и скорости потока жидкости.
Суммарные потери давления при работе гидроцилиндра (см. рисунок 2) определяются из выражения
, (55)
где
– путевые и местные потери на различных
участках, Па;
– потери давления в распределителе
и фильтре, Па.

Рисунок 19 - Гидравлическая схема соединений к расчёту потерь давления
Путевые потери определяются по
формуле

, (56)
где
– коэффициент трения жидкости о стенки
трубопровода;
– плотность жидкости,
;
– длина участка трубопровода, м;
– внутренний диаметр трубопровода, м;
– скорость потока жидкости в трубопроводе,
.
Коэффициент трения
зависит от числа Рейнольдса –
и в зависимости от режима течения
рассчитывается по формулам:
а) при ламинарном режиме

, (57)
б) при турбулентном режиме

, (58)
В свою очередь число Рейнольдса находится из выражения
, (59)
где
– кинематическая вязкость рабочей
жидкости,
(при
).
а) для сливного трубопровода
(ламинарный режим).
б) для напорного трубопровода
(ламинарный режим).
Коэффициент трения
:
а) для сливного трубопровода
.
б) для напорного трубопровода
.
Путевые потери
,
Па: а) для сливного трубопровода
,
.
б) для напорного трубопровода
,
.
Местные потери давления в
гидросистеме
,
определяются по формуле
, (60)
где
– коэффициент местных сопротивлений,
который суммируется из коэффициентов
отдельных местных сопротивлений,
встречающихся на пути потока жидкости.
а) для сливного трубопровода
,
.
в) для напорного трубопровода
,
.
Потери давления в распределителе и фильтре:
(из технической характеристики
Р-16),
(определены как потери в местных
сопротивлениях по формуле (60)),

1.11.3.2 Расчет действительного
значения КПД гидропривода. Для
оптимально разработанной гидросистемы
общих КПД
находится в пределах
.
Общий КПД гидропривода определяется
произведением гидравлического,
механического и объемного КПД
, (61)
Гидравлический КПД рассчитывается исходя из суммарных потерь давления в гидросистеме
, (62)
.
Механический КПД определяется произведением механических КПД всех последовательно соединенных гидроагрегатов
, (63)
где
- механический КПД насоса,
;
- механический КПД распределителя,
;
- механический КПД гидроцилиндра,
;
.
Объемный КПД гидропривода рассчитывают из выражения
, (64)
где
- объемный КПД насоса,
;
- объемный КПД распределителя,
;
- объемный КПД гидроцилиндра,
.
,
.
1.11.3.3 Тепловой режим гидросистемы. Тепловой режим гидросистемы выполняется с целью определения установившейся температуры рабочей жидкости гидропривода, уточнения объема гидробака и поверхности теплоотдачи, а также выяснения необходимости применения теплообменников.
Как высокие, так и низкие температуры рабочей жидкости оказывают нежелательное влияние на работоспособность и производительность гидрофицированных машин. Поэтому весьма важно знать граничные температуры рабочей жидкости. Минимальная температура рабочей жидкости определяется температурой воздуха той климатической зоны, в которой эксплуатируется машина. Максимальная температура жидкости зависит от конструктивных особенностей гидросистемы, режима эксплуатации гидропривода и температуры окружающего воздуха.
Повышение температуры рабочей жидкости прежде всего связано с внутренним трением масла, особенно при дросселировании жидкости. Все потери мощности в гидросистеме в конечном итоге превращаются в тепло, которое аккумулируется в жидкости.
Количество тепла, получаемое
гидросистемой в единицу времени
,
соответствует потерянной в гидроприводе
мощности и определяется по формуле
, (65)
где
- коэффициент эквивалентности;
- затраченная мощность привода
насосов;
- коэффициент продолжительности
работы гидропривода под нагрузкой.
.
Максимальная установившаяся
температура рабочей жидкости
,
определяется по формуле
, (66)
где
- коэффициент теплоотдачи;
- суммарная площадь теплоизлучаемых
поверхностей гидропривода,
;
- максимальная температура
окружающего воздуха.
Площадь теплоизлучаемых
поверхностей гидропривода
,
находится из соотношения
, (67)
где
- площадь поверхности гидробака,
.
,
(68)
где
- емкость гидробака.
,
,
.
1.12 Подбор антиадгезионной прослойки и самотвердеющей смеси
Литьё в самотвердеющие формы – процесс получения отливок, при котором используют литейные формы и стержни, изготовленные из смесей, затвердевающих на воздухе и не требующих сушки и дополнительной обработки внешними реагентами.
Самотвердеющие смеси (СС) состоят из наполнителей, связующих материалов, отвердителей, иногда в их состав входит вода. В некоторых смесях один и тот же материал (например, цемент) выполняет роль связующего и обеспечивает самозатвердевание. Применяются неорганические и органические связующие материалы. Используют смеси трёх типов: пластичные – ПСС, жидкие – ЖСС и сыпучие – ССС (термины условные). Стержни и формы из ПСС при изготовлении необходимо уплотнять, ЖСС наливают в стержневые ящики и модели, ССС почти не требуют уплотнения.
Все типы СС применяют для изготовления форм и стержней преимущественно в индивидуальном, мелкосерийном и крупносерийном производстве для получения отливок практически любой формы и размеров из стали, чугуна и нежелезных сплавов. На сегодня разработаны смеси с очень коротким циклом затвердевания, соответствующим требованиям массового производства.
Адгезия (от лат. adhaesio – прилипание) в физике – сцепление поверхностей разнородных твёрдых и/или жидких тел. Адгезия обусловлена межмолекулярным взаимодействием (вандерваальсовым, полярным, иногда - образованием химических связей и взаимной диффузией) в поверхностном слое и характеризуется удельной работой, необходимой для разделения поверхностей. В некоторых случаях адгезия может оказаться сильнее, чем когезия, т.е. сцепление внутри однородного материала, в таких случаях при приложении разрывающего усилия происходит когезионный разрыв, т.е. разрыв в объёме менее прочного из соприкасающихся материалов.
В качестве самотвердеющей смеси в данном проекте рассмотрим две жидкие самотвердеющие смеси: Пенолит ЖСС и Паста ДС РАС.
Таблица 4 - Сравнительная характеристика жидких СС
|
Пенолит ЖСС |
Паста ДС РАС |
|
|
Область применения |
Для использования в литейном производстве для приготовления жидких самотвердеющих смесей |
Для использования в литейном производстве для приготовления жидких самотвердеющих смесей |
|
Состав |
Водный раствор смеси ПАВ |
Водный раствор смеси ПАВ |
|
Внешний вид |
Однородная жидкость от желтого до коричневого цвета |
Однородная жидкость светлокоричневого цвета |
|
Плотность
при
|
1045-1100 |
1025-1090 |
|
Водородный Показатель (рН) пенообразователя, в пределах |
7,5-10,0 |
7,0-10,0 |
|
Степень биоразложения, % |
более 90 |
45-50 |
|
растворимость в воде |
не растворяется |
полная |
|
Цена,
|
5800 |
4950 |
Выбираем Пенолит ЖСС, т.к. он не растворяется в воде, что имеет немаловажное значение, т.к. в дробилку может попасть влажный материал.
В качестве антиадгезионной
прослойки рассмотрим разделительные
смазки Пента-107 и Пента-111, представляющие
собой антиадгезионные смазки на основе
силикона. Смазки серии Пента-100 образуют
на обрабатываемой поверхности сшитый
полимерный слой – сверхтонкую, прочную,
эластичную плёнку, работоспособную до
250
.
Таблица 5 - Сравнительная характеристика антиадгезионных смазок
|
Пента-107 |
Пента-111 |
|
|
Скорость сушки |
не более 45
минут при
|
не более 45
минут при
|
|
Цена,
|
165 |
166 |
Выбираем смазку Пента-107, т.к. для
застывания Пента-111 требуется обеспечить
температуру +165
,
что технологически невыполнимо.
Рассчитаем расходные объёмы Пенолит ЖСС и смазки Пента-107.

Рисунок 20 - Схема для определения потребности в расходных материалах
Объём самотвердеющей смеси
,
заливаемой за один раз для одного била,
определяется по формуле
, (69)
где
- площадь заливаемой смеси,
;
- длина заливаемой поверхности,
равная длине била,
.
.
Объём самотвердеющей смеси для трёх бил
.
Масса самотвердеющей смеси
,
определяется по формуле
, (70)
где
- плотность самотвердеющей смеси,
.
.
Объём антиадгезионной прослойки
,
необходимой для укладки в один паз била,
определяется по формуле
, (71)
где
- площадь антиадгезионной прослойки,
прилегающей к поверхности била,
;
- площадь антиадгезионной
прослойки, прилегающей к поверхности
паза,
.
.
Объем антиадгезионной прослойки, необходимой для трёх бил
.
Технологическая часть
Расчёт ведём по [2].
Корпус подшипника предназначен для установки ротора дробилки. Деталь изготовляется из заготовки, полученной путём отливки из чугуна СЧ20.
А. Установить корпус подшипника
на опорную поверхность кулачков, выверить
по наружному и внутреннему диаметру с
точностью до 1 мм. По справочнику находим
вспомогательное время
и вносим в операционные карты.
1. Подрезать торец с 260 до 203 мм.
Известно: 
- число проходов;
- глубина резания.
По справочнику находим
,
где
- подача суппортов на оборот шпинделя,
.
Определяем скорость резания
,
по формуле
, (72)
где
- коэффициент, зависящий от условий
работы и механических качеств
обрабатываемого материала,
;
- поправочный коэффициент на скорость
резания,
;
и
- значения степеней,
,
.
.
Определяем частоту вращения
шпинделя
,
токарно-карусельного станка 1531М по
формуле
, (73)
.
По паспорту станка находим
.
Основное время
,
затраченное на операцию, определяем по
формуле
, (74)
.
Вспомогательное время определяем
по справочнику,
.
Б. Переустановить корпус подшипника
на обработанный торец, выверить и
закрепить,
.
2. Подрезать торец с 470 мм предварительно.
Известно:
.
,
.
По паспорту станка находим
.
,
.
3. Расточить отверстие с 194 до 220 мм на длину 52 мм.
Известно:
.
,
.
По паспорту станка находим
.
,
.
Расточить отверстие до 360 мм на длину 163 мм.
Известно:
.
,
.
По паспорту станка находим
.
,
.
5. Подрезать торец с 360 до 220 мм.
Известно:
.
,
.
По паспорту станка находим
.
,
.
6. Расточить отверстие до 238 мм предварительно с подрезкой торца.
Известно:
.
,
.
По паспорту станка
.
,
.
Расточить фаску
в отверстии 238
мм.
,
.
8. Расточить отверстие до 378 мм на длину 142 мм предварительно.
Известно:
.
,
.
По паспорту станка находим
.
,
.
9. Расточить канавку до 381 мм шириной 8+0,36 мм.
Известно:
.
,
.
По паспорту станка находим
.
,
.
10. Точить поверхность до 470 мм в размер 210±0,5 мм.
Известно:
.
,
.
По паспорту станка находим
.
,
.
11. Подрезать торец окончательно в размер 215>-0,72> мм.
Известно:
.
,
.
По паспорту станка находим
.
,
.
12. Расточить отверстие до 380H7 мм окончательно.
Известно:
.
,
.
По паспорту станка находим
.
,
.
13. Расточить фаску
.
Известно:
.
,
.
14. Расточить отверстие до 240H9 мм окончательно.
Известно:
.
,
.
По паспорту станка находим
.
,
.
В. Раскрепить и снять деталь.
,
.
Определяем техническую норму
времени на операцию
,
по формуле
, (75)
где
- размер партии,
.
.
Экономическая часть
3.1 Выбор базисного варианта
Для сравнения в качестве базисного варианта применяется серийно выпускаемая дробилка однороторная крупного дробления СМД-86. Завод-изготовитель – ОАО «Владимир-Доркомплект» (Владимирская область, Судогодский р-н, п. Улыбышево).
Таблица 6 - Исходные данные
|
Наименование |
Условное обозначение |
Единица измерения |
Значения |
|
|
Базовая техника (БТ) |
Новая техника (НТ) |
|||
|
Часовая техническая производительность Номинальная мощность электродвигателя Масса Коэффициент перехода от технической производительности к эксплуатационной Оптовая цена завода-изготовителя Ресурс
дробилки до первого капитального
ремонта (при работе дробилки на
материале с показателями абразивности
Периодичность выполнения текущего ремонта Периодичность выполнения технического обслуживания Количество обслуживающего персонала |
Б |
- руб. ч ч ч чел |
125 100 15 0,4 1607142 9600 3750 250 1 |
144 100 15,2 0,4 - 11700 3750 250 1 |
3.2 Определение капитальных затрат
Расчёт ведём по [3].
Расчётно-балансовая стоимость
базовой дробилки
,
определяется по формуле
, (76)
где
- оптовая цена дробилки,
;
- коэффициент перехода от оптовой
цены к средне-балансовой стоимости,
.
.
Балансовая стоимость дробилки
после модернизации
,
изменяется на величину модернизации
по формуле
, (77)
где
- стоимость модернизации,
.
.
3.3 Определение годовой эксплуатационной производительности
Эксплуатационная производительность машины рассчитывается на базе технической производительности при одинаковых условиях эксплуатации. Эксплуатационная производительность рассчитывается за час (смену) и за год.
Часовая эксплуатационная
производительность
,
определяется по формуле
, (78)
где
- часовая техническая производительность,
для базовой техники (БТ)
,
для новой техники (НТ)
;
- коэффициент перехода от
технической производительности к
эксплуатационной,
.
,
.
Годовая эксплуатационная
производительность машины
,
рассчитывается по формуле

, (79)
где
- коэффициент использования внутрисменного
времени,
;
- годовой действительный фонд
рабочего времени машины,
.
, (80)
где
- годовой действительный фонд рабочего
времени техники,
;
- средняя продолжительность
смены,
;
- коэффициент сменности,
;
- простои в днях во всех видах
технического обслуживания и ремонта,
приходящихся на один час работы машины;
- продолжительность одной
перебазировки, дни;
- среднее количество машино-часов
работы на одном объекте.
, (81)
где
- продолжительность пребывания техники
в
ремонте или ТО, дни;
- продолжительность ожидания
ремонта, доставки в ремонт и обратно,
дни;
- количество ремонтов или ТО за
межремонтный период;
- межремонтный цикл,
;
- число разновидностей ремонтов
и ТО за межремонтный цикл.
Время на доставку машины в ремонт и его ожидание принимается в размере 10 дней для текущего ремонта и 20 дней для капитального ремонта.
В соответствии с рекомендациями по организации технического обслуживания и ремонта строительных машин принимаем:
- простои в капитальном ремонте;
- простои в текущем ремонте;
- простои в техническом обслуживании;
- количество капитальных ремонтов;
- количество текущих ремонтов;
- количество технических
обслуживаний.
Количество текущих ремонтов
для базовой и новой техники определяется
по формуле
, (82)
где
- средний ресурс до первого капитального
ремонта, ч;
- периодичность выполнения текущего
ремонта,
.
Средний ресурс до первого капитального
ремонта
,
определяется по формуле
, (83)
где
- гамма-процентный ресурс,
,
;
- коэффициент перехода от гамма-процентного
к среднему ресурсу, для нормального
распределения с коэффициентом вариации
при
.
,
,
,
.
Количество технических обслуживаний
для базовой и новой техники определяется
по формуле
, (84)
где
- периодичность выполнения технического
обслуживания,
.
,
.
Межремонтный цикл машины
,
определяется по формуле
, (85)
где
- коэффициент перевода мото-часов в
машино-часы.
, (86)
где
- коэффициент использования двигателя
по времени,
;
- коэффициент использования
двигателя машины по мощности,
.
,
,
,
,
,
По формуле (80) определяем количество
машино-часов работы базовой и новой
техники. Так как роторная дробилка
устанавливается в стационарных
технологических линиях, то
.
,
,
,
.
3.4 Определение годовых текущих затрат
Годовые текущие затраты
,
определяются по формуле
, (87)
Где
- себестоимость машино-смены,
;
- количество смен в году,
.
, (88)
где
- единовременные затраты,
;
- сменные затраты по амортизационным
отчислениям,
;
- сменные затраты на обслуживающий
персонал,
;
- сменные энергетические затраты,
;
- сменные затраты на ТО и ТР,
;
- сменные затраты на износ и ремонт
сменной оснастки,
.
Единовременные затраты имеют место до начала эксплуатации машин на объекте. В них входит стоимость погрузки машин на транспортные средства, транспортные расходы по действующим тарифам и стоимость разгрузки машин на строительной площадке; расходы по устройству фундаментов под оборудование, а также стоимость пусконаладочных работ.
, (89)
где
- коэффициент, учитывающий
заготовительно-складские расходы,
;
- стоимость транспортных расходов
одной тонны машины,
;
- масса машины,
,
;
- коэффициент, учитывающий
плановые накопления,
;
- стоимость монтажа,
;
- число перебазирований машины
с объекта на объект в году с демонтажем
и монтажом,
.
,
.
Сменные затраты по амортизационным
отчислениям
,
определяются по формуле
, (90)
где 1,1 – коэффициент, учитывающий косвенные расходы (10%);
А – амортизационные отчисления на полное восстановление и капитальный ремонт машины, руб.
, (91)
где
- балансовая стоимость дробилки,
;
- норма амортизационных отчислений,
.
,
,
,
.
Сменные затраты на обслуживающий
персонал
,
принимаются в соответствии с числом и
квалификацией персонал. Эти затраты
определяют с учётом косвенных расходов
(25%), доплат за тяжёлые условия труда
(24%) и премиальных надбавок (12,5%)
, (92)
где
- количество обслуживающего персонала,
;
- заработная плата оператора за
одну смену,
.
, (93)
где
- часовая тарифная ставка рабочего
четвёртого разряда,
;
- продолжительность одной смены,
.
, (94)
где
- часовая тарифная ставка рабочего
первого разряда,
;
- тарифный коэффициент оператора
дробилки, приравненного к рабочему
четвёртого разряда,
.
, (95)
Где МРОТ – минимальный размер оплаты труда, для Читинской области за первый квартал установлен МРОТ=4838 руб;
- количество часов работы в месяц,
.
,
,
,
.
Сменные энергетические затраты
,
определяются по формуле
, (96)
где
- расход электроэнергии для машин с
электродвигателями за одну машино-смену,
;
- стоимость одного киловатта
энергии,
.
, (97)
где
- номинальная мощность электродвигателя,
;
- число смен,
;
- коэффициент использования
двигателя по времени,
;
- коэффициент использования
двигателя по мощности,
;
- коэффициент учитываемой потери
электроэнергии и расход на вспомогательные
нужды,
;
- коэффициент полезного действия
двигателя при принятой его загрузке,
определяемой коэффициентом использования
двигателя по мощности.
, (98)
где
- поправочный коэффициент,
.
,
,
.
Сменные затраты на техническое
обслуживание и текущий ремонт
,
можно принять 13% от расчётно-балансовой
стоимости дробилки
, (99)
,
.
Сметные затраты на износ и ремонт сменной оснастки можно принять 5% от расчётно-балансовой стоимости машины
, (100)
,
,
,
,
,
.
3.5 Определение основных показателей и экономической эффективности капитальных вложений
Удельные капитальные вложения
на
переработанного материала
,
определяются исходя из инвентарно-расчётной
стоимости машины и её годовой
производительности
, (101)
,
.
Удельные текущие затраты на
переработанного материала
,
для базовой и новой машин определяются
исходя из годовых текущих затрат и
годовой производительности
, (102)
,
.
Удельные приведённые затраты
на
переработанного материала
определяется по формуле
, (103)
Где
- нормативный коэффициент экономической
эффективности,
.
,
.
Годовой экономический эффект
на одну машину
,
определяется по формуле
, (104)
.
Срок окупаемости дополнительных
капитальных вложений
определяется по формуле
, (105)
.
3.6 Расчёт трудоёмкости разработки 1000 м³ грунта и экономия по затратам труда
Годовые затраты труда слаживаются из затрат труда обслуживающего персонала и ремонт.
Затраты труда обслуживающего
персонала
,
рассчитываются по формуле
, (106)
где
- режим работы рабочих,
;
- число смен в году,
;
- продолжительность рабочей
смены,
.
.
Затраты труда на ремонт (в смену) определяем по формуле
, (107)
где
- затраты труда на ремонт в смену,
,
;
- число часов работы дробилки в
год,
.
,
.
Общегодовые затраты труда по
машине
,
определяются по формуле
, (108)
,
.
Трудоёмкость переработки
грунта
определяется
по формуле
, (109)
,
.
Годовая экономия по затратам
труда,
,
определяется по формуле
, (110)
где
- эффективный годовой фонд рабочего
времени одного рабочего,
.
.
3.7 Расчёт металлоёмкости по сравниваемым вариантам
Расчёт удельной металлоёмкости
,
производится по формуле
, (111)
где
- масса машины,
,
.
,
.
Годовая экономия металла на одну
машину
,
определяется по формуле
, (112)
.
3.8 Определение себестоимости продукции
Себестоимость продукции
,
определяется по формуле
, (113)
где
- сменная эксплуатационная производительность,
,
;
- себестоимость машино-смены,
,
.
,
.
Результаты всех расчётов сводим в таблицу 7.
Таблица 7 - Технико-экономические показатели
|
Показатели |
Единица измерения |
Машины |
|
|
Базовая (БТ) |
Новая (НТ) |
||
|
Балансовая стоимость машины |
тыс. руб. |
1800 |
1825 |
|
Эксплуатационная производительность машины: часовая годовая |
м3/ч м3/год |
50 144935 |
57,6 167437 |
|
Себестоимость одной машино-смены |
руб. |
8495 |
8532 |
|
Себестоимость единицы продукции |
руб./м3 |
11,3 |
9,9 |
|
Годовая экономия по затратам труда |
чел. |
- |
0,0004 |
|
Годовая экономия металла |
т/год |
- |
1,67 |
|
Годовой экономический эффект |
тыс. руб. |
- |
671,4 |
|
Удельные капитальные вложения |
руб./1000м3 |
12419 |
10900 |
|
Срок окупаемости дополнительных капитальных вложений |
год |
- |
0,4 |
Безопасность и экологичность проекта
Общие требования безопасности производственного оборудования установлены ГОСТ 12.2.003, согласно которому они должные обеспечивать требования безопасности при монтаже (в необходимых случаях – демонтаже), эксплуатации, ремонте, транспортировании и хранении, при использовании отдельно или в составе комплексов и технологических систем.
Безопасность производственного оборудования обеспечивается: выбором принципов действия, конструктивных схем, безопасных элементов конструкции и т.п.; применением в конструкции средств защиты; выполнением эргономических требований; включением требований безопасности в техническую документацию по монтажу, эксплуатации, ремонту, транспортированию и хранению; применением в конструкции соответствующих материалов. Органы управления производственным оборудованием должны соответствовать следующим основным требованиям: располагаться в рабочей зоне так, чтобы расстояние между ними, а также по отношению к другим элементам конструкции, не затрудняло выполнение операций; размещаться с учётом требуемых для их перемещения усилий и направлений; приводиться в действие усилиями, не превышающими установленных стандартами норм с учётом частоты пользования и др.
4.1 Анализ потенциальных опасностей на проектируемом объекте
4.1.1 Промышленная санитария
4.1.1.1 Запылённость. Запылённость
воздуха вблизи работающей роторной
дробилки без применения средств
обеспыливания значительно превышает
санитарную норму. По данным исследований
запылённость воздуха у роторной дробилки
СМД-86, установленной на Горенском
карьероуправлении в помещении и
перерабатывающей известняк со
средневзвешенным пределом прочности
при сжатии
при производительности
и влажности продуктов дробления
достигала сотен
(см. таблицу 6).
Таблица 8 - Запылённость воздуха при работе однороторной дробилки СМД-86 (аспирация отсутствует)
|
Место отбора проб |
Число проб |
Концентрация
пыли в
|
|
|
Пределы колебаний |
Средняя |
||
|
Под дробилкой, у натяжного барабана разгрузочного конвейера Слева от корпуса дробилки на расстоянии 2,5м, на уровне дыхания Справа от дробилки на расстоянии 2,0 м, на уровне дыхания В месте выпуска материала на разгрузочный конвейер |
14 14 14 18 |
532,0-152,0 74,5-57,8 76,6-43,3 11670-3720 |
282,5 66,5 55,9 6360,0 |
Содержание пыли вблизи дробилки
СМД-86, особенно в месте выпуска продуктов
дробления, измеряется многими десятками
и сотнями
.
Такая запылённость воздуха объясняется
высокой степенью дробления, свойственной
ударному способу разрушения кусковых
материалов. Интенсивное образование
пыли сочетается с созданием на холостом
ходу направленных потоков воздуха. В
результате пыль выдувается из дробилки
и разносится на большие расстояния.
Отсюда становится очевидной «пылевая
опасность» этой дробилки.
Таблица 9
- Интенсивность образования пыли при
переработке известняков роторной
дробилки СМД-86 (
)
|
Характеристика известняков, месторождение |
Характеристика работы дробилки |
Число проб |
Интенсивность образования пыли |
||||
|
Производительность, т/ч |
Стадия переработки |
Влажность материала, % |
Количество воздуха, м3/ч |
Средняя, кг/ч |
На 1 т перерабатываемо- го материала, кг |
||
|
Прочные, Пятовское Прочные, Пятовское |
185 217 |
первичная вторичная |
4,1 2,9 |
3600 5420 |
11 13 |
20,4 62,0 |
0,11 0,29 |
Данные таблицы 7 показывают, что хотя интенсивность образования пыли при получении щебня из карбонатных пород значительно колеблется в зависимости от влажности и наличия мягких включений, уровни её весьма велики. Они составляют 0,11-0,29 кг на каждую тонну перерабатываемого материала (или 20,4-62,0 кг/ч по измерениям в аспирационных воздухопроводах). Можно предполагать, что такая же повышенная интенсивность образования пыли будет наблюдаться и при переработке других пород и материалов.
В таблице 8 приведена дисперсность образующейся пыли. Дисперсный состав определён в двух местах: на выходе пылевоздушного потока из укрытия разгрузочной течки и на расстоянии 5 м от конца укрытия, над конвейерной лентой. В связи со спецификой условий пробы отобраны путём пересечения потока предметным стеклом с нанесённым на него тонким слоем фиксирующей среды. Подсчёт числа частиц выполнен под микроскопом при увеличении в 900 раз. Пыль разделена по фракциям только в пределах крупности до 10 мкм. Остальная пыль отнесена к группе более 10 мкм.
Таблица 10 - Дисперсный состав пыли при работе дробилки СМД-86 (Ковровское карьероуправление, число проб 6)
|
Место отбора |
Содержание фракций пыли в % |
|||
|
До 2 мкм |
2-5 мкм |
5-10 мкм |
Более 10 мкм |
|
|
На выходе потока из укрытия разгрузочной течки Над ленточным конвейером в 5 м от конца укрытия |
18,2 23,2 |
36,5 36,2 |
10,5 23,1 |
34,8 17,5 |
Из таблицы 8 видно, что содержание пыли с размерами до 10 мкм на выходе воздушного потока из укрытия составляет 62.5% и возрастает до 82,5% на расстоянии до 5 м от него. Пыль способна длительное время витать в воздухе; она создаёт устойчивое облако вблизи дробилки, вызывая опасность профессионального заболевания среди рабочих.
Таким образом, работа однороторных дробилок отличается высокой интенсивностью образования и выделения пыли, причём в пыли содержатся в значительном количестве мелкодисперсные фракции.
4.1.1.2 Шум. Сильный шум вредно отражается на здоровье людей. Продолжительный сильный шум угнетающе действует на центральную нервную систему и через неё на весь организм.
Допустимый уровень производственных шумов регламентируется санитарными нормами СН 2.2.412.1.8.562-99 «Шум на рабочих местах, в помещениях жилых, общественных зданий и территории жилых застроек». Помимо этого заводы-изготовители обязаны проводить испытания машин, создающих шум, и снабжать их паспортом, в котором указывать шумовую характеристику. Все необходимые измерения выполняются в соответствии с ГОСТом 11870-66 «Машины. Шумовые характеристики и методы их определения».
Шум, создаваемый при работе роторных дробилок, среднечастотный и превышает допустимый уровень, если не принимаются меры по его подавлению. Максимальное превышение 20-23 дБ приходится на область частот 250-2000 Гц.
Таблица 11 - Шум при работе дробилки СМД-86 по данным ВНИИ Стройдормаша, полученным на Ковровском карьероуправлении
|
Место установки, место замера, режим работы |
Уровень шума, дБ |
Превышение нормы, дБ |
|
|
по шкале С |
по шкале А |
||
|
первичное дробление, с противоположной от привода стороны: холостой ход рабочий ход |
96 105 |
- - |
- - |
В таблице 9 приведены данные, характеризующие шум у дробилки СМД-86 при производстве строительного щебня. Как видно, на холостом ходу СМД-86 генерирует шум в 96 дБ, а на рабочем ходу уровень шума повышается до 105 дБ.
Шум, создаваемый вращающимся
ротором, незначителен. Если учесть, что
ротор совершает в минуту 400 оборотов, а
условное число бил равно 3, то частота
звуковых колебаний составит
,
т.е. даже меньше нормируемой.
При проектировании и монтаже технологических линий необходимо учитывать шум, создаваемый не только роторными дробилками, но и течками, грохотами и другими сопряжёнными с ними устройствами. Шум от металлических течек и грохотов может достигать 105 дБ.
Шум, создаваемый роторными дробилками, на всех стадиях дробления при переработке известняков значительно превышает допустимый уровень. Это свидетельствует о необходимости разработки и внедрения мер по ослаблению шума и защите от него обслуживающего персонала.
4.1.1.3 Вибрация. Вибрация, как и шум, основана на учениях о колебаниях и волнах, а потому характеризуется частотой и амплитудой. Вибрация носит общий и локальный характер. При работе роторных дробилок вибрация от вращения ротора передаётся на фундамент и через него действует на обслуживающий персонал. Т.е. в данном случае вибрация носит общий характер. Учитывая, что оператор работает в течение долгого времени, необходимо предпринимать меры по уменьшению вредного воздействия вибрации.
4.1.2 Опасные факторы
Рассмотрим опасные факторы, возникающие при эксплуатации дробилки СМД-86. Эти факторы обусловлены особенностями работы роторных дробилок. Отметим наиболее существенные из особенностей:
ударный способ дробления, сопровождающийся разлетом кусков дробимого материала и их рикошетированием в различных направлениях. В результате этого в окружающее пространство могут выбрасываться куски, скорости которых близки к скорости удара, т. е. составляют
;значительный запас кинетической энергии, заключенный в быстровращающемся роторе. При неумелом обращении с дробилкой эта энергия способна произвести серьезные разрушения;
большие (до нескольких десятков тонн) центробежные силы, действующие на била и детали крепления. Это требует надежного крепления бил в корпусе ротора и ротора в корпусе дробилки;
значительная масса сменных изнашивающихся деталей (бил, футеровочных плит, отражательных плит) и ограниченность пространства, в котором должны находиться рабочие при замене или ремонте этих деталей;
присутствие обслуживающего персонала при работе дробильных установок в непосредственной близости от подающей и выпускной течек. При высокой производительности роторных дробилок - до нескольких сотен кубометров в час - это требует повышенной прочности течек.
при подаче загружаемого материала на пути от головки питателя до ротора дробилки могут образоваться сужения и выступы, способные задерживать движущиеся по нему куски. Это может привести к образованию свода, ликвидация которого сопряжена с опасностью для обслуживающего персонала.
возможность попадания в дробилку посторонних металлических предметов, превышающих 10% массы бил, что особенно опасно для дробилок среднего и мелкого дробления.
при ремонте и обслуживании дробилка также несёт большую опасность.
4.2 Мероприятия по защите от вредных и опасных факторов
4.2.1 Промышленная санитария
4.2.1.1 Защита от пыли. Пылевая характеристика однороторных дробилок свидетельствует о необходимости применения радикальных средств по оздоровлению условий труда работающих в цехах дробильно-сортировочных и обогатительных фабрик. Средствами оздоровления труда являются: гидрообеспыливание; изоляция обслуживающего персонала в специальных кабинах с пультами дистанционного управления дробилкой; индивидуальные средства защиты от пыли; аспирация.
Количество мелких пылевых частиц, образующихся при ударном дроблении, в значительной степени зависит от окружной скорости ротора, являющейся основным средством регулирования крупности кусков продукта дробления. С увеличением скорости увеличивается и выход мелких пылевых частиц, поэтому снижение окружной скорости ротора может уменьшить пылеобразование.
Однако выбор оптимальной скорости прежде всего диктуется максимальным выходом деловых фракций продукта дробления, поэтому использование снижения окружной скорости как средства уменьшения выхода пыли весьма ограничено. Его следует применять, сообразуясь с технологической возможностью.
Гидрообеспыливание может быть рекомендовано как дополнительное средство борьбы, когда увлажнение продукта дробления допустимо или желательно. В этих случаях вода может подаваться в дробилку в промежутки между отражательными плитами и выводиться вместе с увлажнённым продуктом дробления.
Одним из средств защиты от пыли является устройство специальных кабин, изолированных от пыли и шума, для машинистов-операторов с пультом дистанционного управления. Это средство даёт возможность значительную долю рабочего времени обеспечить нормальные санитарно-гигиенические условия для обслуживающего персонала. Однако она полностью не исключает необходимости нахождения рабочего в помещении вне кабины, где запылённость воздуха может превышать допустимые уровни, например, для непосредственного осмотра машины. В этом случае, особенно при наличии пыли, содержащей свободную двуокись кремния (SiO>2>) или другие фиброгенные соединения, необходимо применять индивидуальные средства защиты. Эффективны бесклапанные противопылевые респираторы типа ШБ-1 «Лепесток». Эти респираторы предназначены для защиты органов дыхания от пыли, содержащейся в воздухе в концентрациях, превышающих предельно допустимые.
Наиболее приемлемым и эффективным способом обеспыливания роторных дробилок является аспирация. Известно, что аспирация машин, работа движущихся частей которых сопровождается перемещением больших масс воздуха, представляет определённую трудность. Она вызвана необходимостью учитывать в каждом отдельном случае направление и расход воздушных потоков, возникающих на холостом и рабочем ходу.
Метод расчёта аспирации создан на базе изучения аэродинамических особенностей дробилок и направлен на решение наиболее существенной задачи – определение потребного количества аспирационного воздуха, от чего во многом зависит создание гигиенически эффективной и технически рациональной системы.
4.2.1.2 Защита от шума. Для уменьшения шума можно применять резиновые прокладки под футеровки отражательных плит, между футеровкой приёмного лотка и др. Сведений об опыте подавления шума на роторных дробилках пока нет. Однако на молотковых дробилках, сходных по характеру работы с роторными, такие сведения имеются. Научно-исследовательским и проектным институтом по газоочистным сооружениям, технике безопасности и охране труда в промышленности строительных материалов (НИПИОТстром, г. Новороссийск) были применены звукоизолирующие и вибродемпфирующие прокладки между стенками корпуса и футеровочными плитами на крупных молотковых дробилках М2021, работавших на дроблении известняка. В результате общий уровень шума с применением прокладок снизился от 104 до 92 дБ. В качестве звукоизолирующего материала использовалась резиноподобная губка с динамическим модулем упругости 25 кгс/см2 и толщиной двух слоёв 20 мм.
С целью демпфирования вибрации соударяющихся частей в течках следует предусматривать сочленения отдельных узлов из материалов, имеющих большое внутреннее трение, например из резины. Целесообразно между деталями из металла ставить детали из незвучных пластмасс. Для уменьшения вибраций необходимо всемерно усиливать жёсткость стенок течек, поскольку они представляют собой поверхности излучения шума. Рекомендуется применять звукоизолирующие покрытия снаружи, а также покрытие внутренних стенок каменным литьём.
Хорошие результаты получены при использовании на грохотах резиновых сит, пневматических амортизаторов, а также сплошных укрытий со звукоизолирующим слоем.
Положительный эффект можно получить при установке роторных дробилок в обособленных помещениях. В этом случае ослабление шума достигается, помимо прочего, отделкой помещения стекловатой, шлаковатой, акустическим фибролитом, поролоном, пенопластом и другими звукоизолирующими материалами. Слой звукопоглощающего материала может располагаться вплотную к стенке или отстоять от неё. В последнем случае достигается больший эффект.
При размещении роторных дробилок в общих помещениях можно использовать экраны и кожухи с резонансными звукопоглотителями на внутренних стенках.
Если меры по ослаблению шума в источнике недостаточны и обслуживающему персоналу приходится находиться в условиях повышенного шума длительное время, целесообразно пользоваться индивидуальными защитными устройствами, например, наушниками типа БВ-1.
Получают распространение специальные кабины для оператора с пультом дистанционного управления, изолированные от шума и пыли и снабжённые кондиционером. Такие кабины можно рекомендовать как средство комплексного решения задачи улучшения санитарно-гигиенических условий труда. Наиболее универсальным мероприятием, отвечающим современному уровню техники, является автоматизация процессов дробления с выводом обслуживающего персонала из зоны действия шума, пыли и вибрации.
4.2.1.3 Защита от вибрации. Вибрация при работе роторной дробилки носит общий характер. Чем лучше спроектирован фундамент, тем лучше будет гаситься вибрация. Но тем не менее, полностью вибрацию он поглотить не может, поэтому обслуживающему персоналу необходимо пользоваться индивидуальными средствами защиты – виброизолирующими сапогами.
4.2.2 Меры по борьбе и предупреждению опасных факторов
Для обеспечения безопасных условий труда и предупреждения несчастных случаев при эксплуатации следует уделять внимание вопросам безопасности на всех этапах создания роторных дробильных установок: конструировании моделей, проектировании и строительстве установок, эксплуатации, ремонте.
При конструировании роторных дробилок необходимо предусматривать:
изготовление корпусов дробилок из вязких и достаточно прочных материалов, способных противостоять ударам частей ротора в случае его аварийной поломки;
надёжные запоры дверок люков в корпусе дробилки, способные противостоять ударам кусков дробимого материала;
надёжное крепление бил к корпусу ротора, исключающее возможность их выпадения при случайных повреждениях крепёжных деталей;
снабжение дробилки средствами, облегчающими производство монтажа и демонтажа бил и других сменных деталей;
установку фиксаторов откидных или откатных частей корпусов дробилок, исключающих самопроизвольное закрывание их в момент, когда в камере дробления производятся работы и находятся люди;
изготовление шкивов вала ротора из прочной стали в виде сплошного диска, соединяющего обод со ступицей;
ограждение вращающихся частей.
При проектировании и строительстве установок с применением роторных дробилок необходимо учитывать следующее:
приёмные коробки-ловители, присоединяемые к приёмному отверстию дробилки, должны применяться независимо от того, имеется ли в дробилке предохранительная цепная штора или нет;
конструкции разгрузочных воронок, выпускных течек и аспирируемых укрытий должны обеспечивать полное предотвращение выброса камней из роторной дробилки в окружающее пространство;
рабочее место машиниста должно располагаться вне зоны возможного выброса кусков дробимого материала;
вокруг дробилки должны быть предусмотрены специальные места для укладки запасных частей и приспособлений на время проведения работ по замене изношенных деталей, а также места для установки подъёмно-транспортных средств при капитальных ремонтах;
площадка вокруг дробилки должна иметь ровные нескользкие полы;
все углубленные места ниже пола, а также специальные площадки, устраиваемые выше уровня пола, должны быть ограждены перилами высотой не ниже 1 м;
у крупных дробилок быть специальные площадки для обслуживания мест не доступных рабочему, стоящему на уровне пола.
Помещения, где расположена дробилка, должны быть освещены согласно санитарным нормам. Освещение должно обеспечивать достаточную освещённость всей установки и особенно таких узлов, как привод, регулировочно-амортизационные устройства, места поступления и выпуска материала.
Возможность попадания в дробилку посторонних металлических предметов, превышающих 10% массы бил, недопустима. Поэтому на промежуточных конвейерных линиях необходимо предусматривать установку металлосигнализаторов. Такие сигнализаторы способны реагировать на различные металлы, включая и немагнитные, давая сигнал на остановку конвейера и удаление постороннего предмета или автоматически останавливая конвейер. Дробилки крупного дробления (к ним относится и СМД-86), хотя они выполняются более массивными и прочными, эксплуатировать необходимо так, чтобы исключить засорение дробимого материала металлическими предметами.
В приёмной коробке-ловителе необходимо предусмотреть лючки для осмотра приёмного лотка и проверки наличия камней, прежде чем открывать камеру дробления для проведения профилактических работ. Эти лючки также необходимы для ликвидации свода.
При эксплуатации роторных дробилок необходимо соблюдать следующие правила безопасности.
Не допускать перегрузки дробилки, так как она может вызвать остановку ротора при заполненном рабочем пространстве. При вынужденной остановке дробилки можно применить следующие способы разгрузки. На дробилках с открывающейся верхней частью корпуса разгрузка производится вниз при осторожном открывании корпуса. В это время рабочие должны быть удалены в безопасное место, чтобы избежать травмы падающих из дробилки кусков. На дробилках с не открывающимися корпусами необходимо осторожно открыть люки, ведущие в первую камеру дробления, приняв предварительно меры против внезапного раскрытия дверок под действием опиравшихся на них кусков камня и выпадения их. Если позволяют размеры кусков, то их следует извлекать через люки специальными крючьями. Более крупные куски необходимо вынимать через приемное отверстие с помощью захватов и механических подъемных средств. При этом сигнал на подъем должен подаваться не раньше, чем рабочий, наложивший захват на очередной кусок, удалится из камеры дробления.
При закупорке приемного лотка вследствие образования свода над ротором необходимо обрушить свод на вращающийся ротор. Операция должна производиться с соблюдением мер предосторожности. Для этого нужно сначала попытаться ударами кувалды по боковым стенкам приемной коробки или корпуса дробилки разрушить свод. Если это сделать не удается, необходимо остановить дробилку, открыть люк, ведущий в первую камеру дробления, и, осветив корпус внутри, выяснить положение дробимого материала. Выбрав кусок, подъем которого может разрушить свод, наложить на него захват. При необходимости спуститься в приемный лоток дробилки рабочий снабжается предохранительным поясом. Захватив таким путем кусок, удаляют из дробилки рабочего, закрывают все люки и, включив дробилку и дав ротору набрать полное число оборотов, включают кран или тельфер.
Нельзя разрушать свод путем подталкивания ломом кусков снизу, так как при ударе по его концу лом может травмировать рабочего.
Если описанным выше способом не удается разрушить свод, то прибегают, например, к помощи взрывчатых веществ, используемых обычно в горном деле. Для этой цели останавливают дробилку, изучают положение кусков и, найдя места их контакта, закладывают заряд взрывчатки между ними. Заряд должен быть достаточным для разрушения кусков в месте контакта, но не способным вызвать разрушение дробилки. Не допускается закладывать заряд между стенками дробилки и камнем. Во время подготовки к взрыву удаляют посторонних людей из помещения, пускают дробилку и путем взрыва обрушивают свод на вращающийся ротор. Такой способ можно применять только под руководством ответственного лица за работу установки. Данная работа выполняется специальной организацией или по спец-наряду обученными людьми, имеющими разрешение и допуск на данный вид работ. Опыт показывает, что способ подрывания при соблюдении указанных правил менее опасен и трудоемок, чем обрушение свода на неподвижный ротор с последующей очисткой камеры дробления.
Запрещается работать на неисправно дробилке; открывать во время работы люки, ведущие в камеру дробления или приемный лоток, оставлять без присмотра работающую дробилку; находиться во время работы дробилки в зоне возможного выброса кусков из дробилки, а также в плоскости вращения шкивов; останавливать дробилку с заполненными рабочими камерами (за исключением аварийных случаев); оставлять на работающей дробилке инструмент или другие предметы, которые могут упасть с нее; бросать в работающую дробилку металлические предметы.
При ремонте необходимо придерживаться следующих правил:
прежде чем приступать к ремонтным работам в приемном лотке или первой камере дробления, нужно убедиться, что на питателе или подающем конвейере не осталось кусков дробимого материала, которые могут упасть в дробилку;
предупредить возможность включения дробилки или питателя путем отключения общих рубильников или удаления предохранительных вставок;
вывесить плакат с надписью «Не включать — работают люди»;
застопорить ротор дробилки, чтобы он не мог самопроизвольно повернуться, когда на нем будут находиться люди (в дробилках с открывающимся корпусом должна быть зафиксирована откатывающаяся или шарнирно откидывающаяся часть для предотвращения самопроизвольного закрывания);
массивные детали и узлы дробилки поднимать и опускать с помощью исправных и проверенных подъемно-транспортных средств и специальных приспособлений.
Замена изношенных деталей должна производиться не менее чем двумя рабочими, из которых один должен отвечать за безопасность ведения работ и соблюдение правил техники безопасности. По окончании ремонтных работ следует проверить, не остался ли инструмент или другие посторонние предметы в дробилке или на ней.
4.3 Охрана труда на проектируемом объекте
4.3.1 Аттестация рабочих мест на предмет классификации тяжести труда
Безопасность труда машиниста и лиц, участвующих в эксплуатации дорожно-строительных машин, зависит от качества и технического состояния машины, принятой технологии выполнения работ, а также от уровня знаний и мастерства обслуживающего персонала. Машины эксплуатируют в условиях, обеспечивающих безопасность производства работ и охрану окружающей среды.
К управлению дорожно-строительных машин допускаются лица, прошедшие обучение по программам, утверждённым федеральным агентством образования, и аттестованные квалификационной комиссией. Машинисту выдаётся удостоверение об аттестации с указанием типа машины, к управлению которой он допущен. При переводе на новую машину машинист должен пройти соответствующую стажировку и его подготовленность к работе на машине другого типа определяется комиссией предприятия-владельца новой машины.
Машинист должен знать инструкцию по эксплуатации, которая прикладывается к машине предприятием-изготовителем, а также инструкцию (предприятия-владельца) по безопасному ведению работ на объекте применения, нормы расхода горючего, рабочей жидкости, смазочных материалов, электроэнергии за смену или на выполняемые работы.
Аттестация по уровню безопасности проводится по трём показателям:
Соответствие санитарно-гигиенических условий труда установленным нормам и правилам.
Оценка наличия травмоопасных факторов и средств защиты от них.
Обеспечение рабочих спецодеждой, спецобувью и другими средствами индивидуальной защиты в соответствии с установленными нормами.
Баллы, установленные по степени вредности факторов и тяжести работ, корректируются по формуле
, (76)
где
- отношение времени действия данного
фактора к продолжительности рабочей.
Если время действия этого фактора
составляет более 90% рабочей смены, то
.
- количество баллов по оцениваемому
фактору без учёта продолжительности
действия данного фактора.
Таблица 12 - Аттестация оператора дробилки по факторам производственной среды
|
N п/п |
Факторы производственной среды |
Норматив ПДКПДУ |
Фактический уровень производственного фактора |
|
|
|
|
1 |
Запылённость, мг/м3 |
5 |
60 |
4 |
1 |
4 |
|
2 |
Шум, дБ |
85 |
105 |
4 |
1 |
4 |
|
3 |
Температура
воздуха на рабочем месте,
|
28-21 |
16 |
1 |
1 |
1 |
|
4 |
Скорость движения воздуха, м/с |
0,3 |
0,5-5 |
2 |
1 |
2 |
данный вид работ относится к
особо тяжёлым и особо вредным условиям
труда. При этом размер доплаты к тарифной
ставке (окладу) должен составлять 24%.
4.4 Расчёт аспирационного устройства
Количество аспирационного
воздуха
,
рассчитывается по формуле
, (77)
Где
- коэффициент, зависящий от типа
применяемого укрытия,
;
- вентиляционная способность
дробилки,
;
- количество воздуха, эжектируемого
дробимым материалом,
.
, (78)
где
- длина ротора,
;
- частота вращения ротора,
;
-
высота била,
;
- диаметр ротора,
.
.
, (79)
где
- коэффициент пропорциональности,
;
- производительность дробилки,
.
,
.
Выбираем циклон ЦН-15
ОСТ 24.838.13 – 80
диаметр циклона, мм 1120
производительность,
11000-13000
масса циклона, кг 1620
В результате очистки воздуха циклоном удалось добиться 100%-ной чистоты аспирируемого воздуха слева и справа от корпуса дробилки на уровне дыхания. Улучшились показатели санитарии и в итоге, что самое главное, улучшилась охрана труда обслуживающего персонала.
Заключение
Проведен патентный поиск с целью выявления наиболее прогрессивных технических решений в области создания однороторных дробилок.
Установлено, что повышение технического ресурса однороторных дробилок при прочих равных условиях можно осуществить за счёт повышения показателей надёжности.
Проектом принята целесообразность повышения технического ресурса однороторный дробилки за счёт повышения износостойкости рабочих органов, уменьшения времени на замену бил и улучшения удобства обслуживания.
Принятые в проекте технические решения по повышению технического ресурса однороторной дробилки обеспечивают ожидаемый экономический эффект в размере 671000 рублей в год.
Список использованных источников
Бауман, В.А. Роторные дробилки / В.А., Бауман. – М. : Машиностроение, 1973. – 352 с.
Малышев, Г.А. Справочник технолога авторемонтного производства / Г.А., Малышев. – М. : Транспорт, 1977. – 432 с.
Методические указания к расчёту экономической части конструкторских дипломных проектов для студентов специальности 1709 – «Подъёмно-транспортные, строительные и дорожные машины и оборудование» / Н.В., Мурашёва. – Чита. : ЧитГТУ, 1997. – 64 с.
Методические указания по выполнению курсовой работы «Расчёт объёмного гидропривода» для студентов специальности 1504 – «Подъёмно-транспортные, строительные, дорожные машины и оборудование» по курсу «Гидравлика, гидромашины и гидропривод строительных и дорожных машин» (часть 1) / А.Ф., Чебунин. – Чита. : ЧитПИ, 1992. – 34 с.
Методические указания по выполнению курсовой работы «Расчёт объёмного гидропривода» для студентов специальности 1504 – «Подъёмно-транспортные, строительные, дорожные машины и оборудование» по курсу «Гидравлика, гидромашины и гидропривод строительных и дорожных машин» (часть 2) / А.Ф., Чебунин. – Чита. : ЧитПИ, 1992. – 27 с.
Пронин, Б.А., Ревков, Т.А. Бесступенчатые клиноременные и фрикционные передачи / Б.А., Пронин, Т.А., Ревков. – М. : Машиностроение, 1984. – 183 с.
Пирумов, А.И. Обеспыливание воздуха / А.И., Пирумов. – М. : Стройиздат, 1981. – 296 с.
РД 22-37-80 Методические указания по сбору, обработке и анализу информации о надёжности машин и оборудования / М. : ВНИИстройдормаш, 1980. – 96 с.
РТМ 2201-82-80 Методы статистической обработки информации о надёжности строительных и дорожных машин / М. : ВНИИстройдормаш, 1976. – 75 с.
Чебунин, А.Ф. Гидропривод транспортных и технологических машин: учеб. пособие. / А.Ф., Чебунин. – Чита. : ЧитГТУ, 2003. – 132 с.






,
ч
,




не более






