Технологии машиностроения
ПРЕДИСЛОВИЕ
Пособие составлено для студентов, приступающих к изучению начальной части курса “Технология машиностроения” ― “Основы технологии машиностроения”. Содержание пособия и последовательность изложения материала рассчитаны на создание максимума удобств для использования его во время практических и индивидуальных занятий, а также при выполнении курсовых работ и проектов по дисциплине.
Предполагается, что студентами уже проработаны и освоены следующие дисциплины: “Технология конструкционных материалов”, “Взаимозаменяемость, стандартизация и технические измерения”, “Основы теории резания”, “Металлорежущие станки” и “Режущие инструменты” и некоторые другие дисциплины, помогающие формировать специалистов машиностроителей. Одновременно им ещё предстоит знакомство с такими дисциплинами, как "Автоматизация производственных процессов", "Технологические основы гибких производственных систем", "Система автоматизированного проектирования технологических процессов", "Проектирование машиностроительных цехов" и прочими, читаемыми на последних курсах обучения.
В прежние годы было издано немало хороших пособий по технологии машиностроения, в том числе по курсовому и дипломному проектированию. Большинство из них ([5, 7, 23] и пр.) рассчитано на студентов, прослушавших и усвоивших основные теоретические положения перечисленных дисциплин; другие, например [26], способствуют углублению знаний по отдельным разделам технологии машиностроения.
Пособие "Начало технологического проектирования" уступает в строгости изложения материала отмеченным работам. Оно рассчитано для выполнения следующих методических задач:
― дать первые представления о технике и очередности выполнения всех основных этапов разработки технологического процесса, познакомить с особенностью осуществления и трудоемкостью каждого этапа, показать наличие тесной логической взаимосвязи между отдельными этапами проектных работ;
― увязать в ходе обучения теоретические положения дисциплины с их практической реализацией, сформировать у обучаемых цельное представление о технологии машиностроения как о науке и подготовить их к квалифицированному и самостоятельному курсовому и дипломному проектированию;
― с первых шагов освоения новой дисциплины выработать у будущих специалистов привычку обязательного логического и формального обоснования принимаемых решений при проведении любых проектных работ, а также навыки четкого и лаконичного изложения подобных обоснований в пояснительных записках.
Для обоснования принимаемых решений часто пользуются материалами, опубликованными в научно-технической, справочной, периодической, учебной и прочей литературе по технологии машиностроения. В целях облегчения и сокращения времени информационных поисков нужного материала в пособии указывается размещение материалов по различным разделам проектирования в наиболее распространенных изданиях последних лет.
В каждом разделе пособия после краткого изложения основных теоретических положений перед студентом ставится очередная проектная задача и приводится образец (пример) ее решения. Естественно, что не следует рассматривать указанные образцы как догмы и пользоваться при составлении описаний фразами из пособия. Каждый в ходе практикума должен стремиться проявить максимум прилежания, творческой активности, индивидуализма.
Несмотря на узкую целенаправленность, пособие успешно может использоваться студентами и учащимися всех машиностроительных специальностей, изучающих технологию машиностроения. Оно окажется весьма полезным для обучающихся без отрыва от производства.
1. ПРАКТИЧЕСКИЕ ЗАНЯТИЯ
Цель практических занятий ― закрепление теоретических знаний по курсу технологии машиностроения и получение первичных навыков самостоятельного проектирования технологических процессов.
Основное внимание студенты уделяют производству деталей заданного качества наиболее производительными и экономичными методами.
В процессе практических занятий каждый студент для конкретной детали составляет маршрут обработки и подробно проектирует технологический процесс на 1―3 технологические операции (устанавливает режимы, рассчитывает силы и моменты сил резания, анализирует точность обработки, осуществляет техническое нормирование и др.).
Эффективность и рентабельность техпроцесса устанавливается (подтверждается) вариантным проектированием, т.е. сравнением целесообразности обработки одних и тех же поверхностей (элементов) детали разными способами и разными инструментами, на различном оборудовании.
Принятый технологический процесс оформляется в соответствии со стандартами и правилами ЕСТД и ЕСТПП.
Темы занятий и последовательность их выполнения соответствуют разделам оглавления данного пособия.
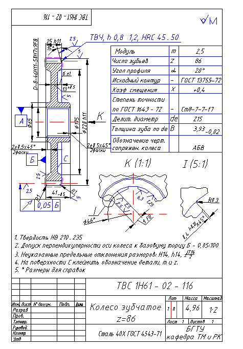
После изложения требований к содержанию и оформлению основных разделов (тем) приводятся примеры их реализации. В большинстве примеров рассматриваются вопросы проектирования техпроцесса изготовления зубчатого колеса черт. ТВС 1Н 61―02―116 (рис. 1), называемого в дальнейшем деталью.
Самостоятельными темами занятий является кодирование информации, оптимизация режимов обработки, составление типовых и групповых технологических процессов и пр. Каждая законченная тема оформляется на страницах писчей бумаги формата А4, а затем брошюруется в общую записку, к которой составляют содержание и список использованной литературы.
Общий объем практических работ, включая домашние самостоятельные, не превышает 60―80 часов. При выполнении курсовой работы по каждой теме проставляется оценка, а в конце занятий – дифференцированный зачет.
Студенты, выполняющие задания по графику (или с опережением графика), работающие качественно, прилежно, с творческой инициативой, получающие по темам преимущественно хорошие и отличные оценки, зачетную оценку могут получать досрочно, автоматически, т.е. без защиты курсовой работы.
2. ДЕТАЛЬ
Основой для разработки технологического процесса являются:
―чертеж детали с техническими требованиями на ее изготовление;
―производственная программа выпуска детали данного наименования.
Наименование детали, ее обозначение (номер чертежа) с указанием сборочной единицы (узла), к которой она относится и годовую программу выпуска выдает (указывает или утверждает) руководитель проектных работ.
Студенты после знакомства с полученной (исходной) информацией и тщательного ее изучения составляют подробное описание конструкции и назначение детали, а также ее общие технологические характеристики, которые обычно включают:
― наименование изделия или узла, составной частью которого является деталь; его назначение и общая характеристика;
― назначение детали в изделии (узле), способ и требования к ее базированию (установке), взаимодействие с другими деталями изделия;
― описания форм и назначения основных функциональных и прочих поверхностей: плоскостей, пазов, шеек, отверстий и так далее; изложение прочих специфических особенностей конструкции;
― характеристику материала, сведения о нагрузках (силах и моментах сил), воспринимаемых деталью в процессе рабочего цикла, результаты анализа соответствия материала назначению детали, расчет ее массы;
― предварительную оценку технологичности детали с указаниями возможностей: снижения точности выполняемых размеров и сокращения общего количества обрабатываемых поверхностей; повышения жесткости конструкции, удобства и надежности базирования заготовок; унификации и стандартизации элементарных поверхностей: фасок, выточек, канавок, галтелей и тому подобное; осуществления многоместной или групповой обработки и др. Здесь же анализируют возможности выполнения прочих технических требований с точки зрения технологических возможностей производства.
Результатами изучения и анализа исходных данных могут служить предложения по усовершенствованию конструкций детали, замене ее материала более или менее прочным, более дешевым и другие предложения или подтверждение целесообразности ее первоначального варианта.
По окончании указанной работы разрабатывают рабочий чертеж детали. Чертеж выполняют в масштабе 1:1 (1:2 для крупных и 2:1 для мелких деталей) с необходимым количеством проекций, разрезов и сечений на форматах А4 или А3. На чертеже проставляют все необходимые размеры. На каждый размер между поверхностями устанавливают допуски. Затем составляют и вносят в чертеж необходимый минимум технических требований: допустимые погрешности форм и расположения поверхностей, их твердость и др. Технические требования на чертежах указывают с помощью условных символов ЕСКД. Те требования, для которых условных обозначений нет, излагают на поле чертежа текстом. Для обоснованного и квалифицированного назначения допусков на размеры величины шероховатости поверхностей и различных технических требований пользуются рекомендациями и указаниями справочников, атласов [1―3] и другой технической литературы.
Чертеж вместе с описаниями конструкции (2―3 с.) составляет единое целое. Он должен создавать у студентов полное представление о детали, что позволит (при необходимости) правильно ее изготовить.
Пример 1. Дано в "сборочной единице" колесо зубчатое черт., ТВС 1Н61—2—116 (рис. 1) с выпуском 4800 деталей в год. Выполнить описание детали.
Колесо зубчатое (рис.1) является деталью коробки подач токарно-винторезного станка. Оно жестко крепится на промежуточном валу и служит для передачи движения от привода к шестерне ходового винта. Посадка колеса на промежуточный вал осуществляется по шлицевым поверхностям с центрированием по наружному диаметру с посадкой 50Н7/h7.
Основные конструктивные элементы зубчатого колеса ─ зубчатый венец диаметром 220 мм и шириной 25 мм, реборда толщиной 13 мм и ступица диаметром 65 мм и длиной 41 мм.
На венце нарезано 86 зубьев
модулем m
= 2,5 мм. Диаметр делительной
окружности d>e>>
>= 215 мм.
Все зубья венца имеют с одной стороны
скос
,
служащий для более плавного входа зубьев
блока ведущей шестерни при включении.
С обоих торцов зубья имеют закругления
мм.
Реборда сплошная. В осевом сечении
колеса она устанавливается в середине
венца с соблюдением симметрии. Ступица
соединяется с ребордой. При этом один
ее торец (в этом же сечении) лежит в
плоскости торца венца, а другой ―
расположенный со стороны скоса зубьев,
выступает за плоскость торца венца на
16 мм. В ступице, концентрично делительной
окружности (с допуском биения 0,05 мм)
нарезается шлицевое отверстие Д―8―46
Н1150Н79F8.
Для свободной посадки на вал с обоих
торцов отверстия снимаются фаски 245°.
Рис. 1. Чертеж детали
Требования к точности и шероховатости всех функциональных и не функциональных поверхностей указаны на чертеже. Необрабатываемые поверхности могут сохранять штамповочные уклоны и радиусы.
Материалом зубчатого
колеса служит сталь 40Х ГОСТ 4043―71,
улучшенная с твердостью НВ
215―235, и характеристиками прочности,
МПа:
600―700,
320―400,
и
[1 ,т.2, с.190, табл. 3]. Венец термообрабатывают
до HRC
45―50. Колесо передает максимальный
крутящий момент
,
при работе двигателя
кВт
и минимальной частоте вращения
промежуточного вала
мин-1, т. е.
9555∙N/n>min>.=
9555·3,7/198
= 178,6 Н∙м. При этом на зубья колес действует
сила
,
Н

которая вызывает в сечениях
зубьев напряжения изгиба
МПа.
Следовательно,
,
аналогично
.
Таким образом, материал
зубчатого колеса и его термообработка
подобрана правильно. Расчетная масса
колеса М = 4,96
кг.
Технические требования к детали, в том числе к точности ее размеров и шероховатости основных поверхностей, основательно проработаны и соответствуют требованиям, предъявляемым к зубчатым колесам 7-й или 8-й степеней точности [1, 2]. Конструкция заготовки жесткая. Размещение базового торца ступицы в плоскости венца позволяет при нарезании зубьев фрезами применить достаточно производительную схему последовательной многоместной обработки. Две фаски 145° на торцах ступицы позволяют освободиться от заусенцев, образующихся при подрезке торцов.
Конструкция зубчатого колеса в целом технологична. При разработке единичных рабочих техпроцессов изготовления подобных колес в условиях серийного или массового производства в качестве информационной основы вполне могут быть использованы типовые технологические процессы производства деталей данного класса [14, 17, 24].
3. ТИП ПРОИЗВОДСТВА
Типы производств и соответствующие им формы организации труда определяют характер технологических процессов и их построение. Поэтому перед началом технологического проектирования устанавливают тип производства ― единичное, серийное или массовое. Тип производства определяется номенклатурой и объемами выпуска изделий (годовой производственной программой), их массой и габаритными размерами, а также другими характерными признаками.
Массовое производство характеризуется узкой номенклатурой и большим объемом выпуска изделий, непрерывно изготавливаемых или ремонтируемых в течение продолжительного времени. На каждом рабочем месте выполняют, как правило, по одной закрепленной за рабочим операцией. Такое производство оснащают преимущественно специальным и специализированным оборудованием, располагающимся в порядке выполнения технологических операций, в форме поточных линий. Применяют высокопроизводительные специальные инструменты и приспособления. Широко внедряются средства механизации и автоматизации: конвейера роторные и автоматические линии, в том числе переменно-поточные автоматические линии, составленные из робототехнических комплексов, управляемых ЭВМ, и др. Характерны высокий уровень организации труда и ритмичность выпуска изделий с фиксированным тактом, мин:
t>в >= 60F>д>/N , (1)
где F>д> ― действительный годовой фонд производственного времени оборудования, линии и рабочих мест, ч; N ― годовая программа выпуска изделий, шт. В зависимости от режима и организации работ в подразделении (в цехе, на участке) ориентировочно принимают при работе: в одну смену F>д> = 2008 ч, в две смены F>д >= 4015 ч и при трехсменной работе F>д> = 6022 ч. Более точные сведения приводятся в [5, 6 и др.]
В массовом производстве длительность отдельных операций (штучное время t>ш>) должна быть равна или кратна такту при одновременном соблюдении неравенства:
t>в> ≤ t>ш> . (2)
Суточный выпуск изделий при работе с двумя выходными днями в неделю, шт:
N>c>> >= N/252 .
Суточная производительность поточной линии, шт:
Q>c>
= F>c>∙
>зн>
/t>шср
,>
где
F>c>
― суточный фонд времени работы
оборудования, мин;
>зн>
― нормативный коэффициент загрузки
оборудования: t>шср>
― средняя трудоемкость основных
операций, мин.
При
выполнении
основных операций со штучным временем
каждой i-й,
равным t>ш>,
t>шср>
=
t>ш>>i>
. (3)
На данном этапе определяют ориентировочные значения t>ш>>i> (см. разделы "Техническое нормирование" и "Экономическая оценка технологического процесса", с. 51, 54).
Нормативная
загрузка оборудования (станка) в массовом
производстве должна находиться в
пределах
>зн
>=
0,65―0,75. Если фактический
>зф>
> 0,75, приходится на данной операции
увеличивать число станков, но они могут
остаться недогруженными. То же происходит,
еслиt>в
>>
t>ш>.
Например, если при поточной форме
организации труда t>в
>=
5 мин, а t>ш
>=
2 мин, то станок после выполнения каждой
очередной операции будет простаивать
по 3 мин и т.п. В таких случаях работу
линии, участка или цеха организуют по
принципам, присущим серийному производству.
Серийное производство характеризуется ограниченной номенклатурой изделий, изготавливаемых или ремонтируемых периодически повторяющимися партиями и сравнительно большим объемом выпуска, причем размер партии, шт
,
(4)
где
a
―
периодичность запуска (необходимость
запаса деталей на складах), дни. Для
проектных расчетов рекомендуется
принимать при изготовлении крупных
деталей
3―6,
средних
6―12
и для мелких деталей а
=12―25
дней.
Организация
и оснащение крупносерийного производства
близки к массовому. Серийное и мелкосерийное
производство оснащают преимущественно
универсальным и стандартным оборудованием,
приспособлениями и инструментами.
Широко используются станки с ЧПУ. Наряду
с групповыми переменно-поточными линиями
практикуют организацию предметно-замкнутых
участков. После обработки партии деталей
P>1>
станки перестраивают на обработку
партии P>2>
других деталей. Станки не простаивают.
Для серийного производства нормативный
коэффициент загрузки оборудования
>зн
>=
0,75―0,85. Более высокие значения
>зф>
могут быть достигнуты при многономенклатурном
запуске изделий в условиях мелкосерийного
и единичного производства.
Для определения типа производства обычно пользуются соотношениями (1), (2) и рекомендациями [6],позволяющими устанавливать его в зависимости от габаритных размеров, массы и годового объема выпуска деталей, пользуясь данными табл. 1 и 2 или 3.
Таблица 1
Выбор типа производства по программе выпуска
|
Тип производства |
Количество обрабатываемых в год деталей (изделий) одного наименования и типоразмера |
||
|
крупные(тяжелые) |
средние |
мелкие (легкие) |
|
|
Единичное |
До 5 |
До 10 |
До 100 |
|
Серийное |
Св.5 до 1000 |
Св.10 до 5000 |
Св.100 до 50000 |
|
Массовое |
Св.1000 |
Св.5000 |
Св.50000 |
Таблица 2
Выбор серийности производства
-
Серийность производства
Количество изделий в серии (партии)
крупных
средних
мелких
Мелкосерийное
3 ― 10
5 ― 25
10 ― 50
Среднесерийное
11 ― 50
26 ― 200
51 ― 500
Крупносерийное
Св.50
Св.200
Св.500
При
классификации по массе M
(кг) будем условно считать детали: мелкими
(легкими) при
,
средними при
и крупными (тяжелыми) при
.
Пример 2. Определить тип производства на участке изготовления деталей (см. рис.1) для условий примера 1.
Пользуясь условиями классификации (см. выше), отнесем детали к средним по массе (M = 4,96 кг). Далее с учетом годовой программы N = 4800 шт., по табл.1 примем тип производства серийным. Воспользуемся зависимостью (4) и рассчитаем для условий серийного производства размер партии одновременно обрабатываемых заготовок, предварительно допустив, что для бесперебойной работы сборочного цеха должен быть запас готовых деталей на 10 дней, тогда

Таблица 3
Выбор типа инструментального или приборостроительного производства по массе детали
|
Масса детали (изделия), кг |
Величина годовой программы выпуска, шт. |
||||
|
единичное |
мелко- серийное |
серийное |
крупно- серийное |
массовое |
|
|
1,0 |
10 |
10 ― 2000 |
1500 ― 100000 |
75000 ― 200000 |
200000 |
|
1,0 ― 2,5 |
10 |
10 ― 1000 |
1000 ― 50000 |
50000 ― 100000 |
100000 |
|
2,5 ― 5,0 |
10 |
10 ― 500 |
500 ― 35000 |
35000 ― 75000 |
75000 |
|
10,0 |
10 |
10 ― 300 |
300 ― 25000 |
25000 ― 50000 |
50000 |
|
10 |
10 |
10 ― 200 |
20 ― 10000 |
1000 ― 25000 |
25000 |
Примем к исполнению для дальнейших расчетов n = 200 шт. Такое количество позволит каждый месяц запускать в производство по две партии (200·12·2 = 4800). Соразмерив величину n с данными табл.2, будем считать производство среднесерийным и именно для условий такого производства в дальнейшем проектировать технологический процесс.
Заметим, что при дальнейшем увеличении объема партии согласно табл.2 пришлось бы ориентироваться на производство с крупносерийным выпуском деталей.
4. ВЫБОР ЗАГОТОВКИ
Заготовка ― предмет производства, из которого изменением формы, размеров, шероховатости поверхностей и свойств материала изготавливают деталь или неразъемную сборочную единицу.
Выбрать заготовку ― это значит: установить рациональную форму, способ получения, размеры и допуски на изготовление, припуски только на обрабатываемые поверхности, наконец, круг дополнительных технических требований и условий, позволяющих разработать технологический процесс ее изготовления.
Формы и размеры заготовки должны обеспечивать минимальную металлоемкость и достаточную жесткость детали, а также возможность применения наиболее прогрессивных, производительных и экономичных способов обработки на станках. В поточно-массовом и серийном производстве стремятся приблизить конфигурацию заготовки к готовой детали, увеличить точность и повысить качество поверхностей. При этом резко сокращается объем механической обработки, а коэффициент использования >м >достигает величины 0,7―0,8 и более. В условиях мелкосерийного и единичного производства требования к конфигурации заготовки менее жесткие, а желательная величина >м >> 0,6.
По виду базового технологического метода изготовления выделяют следующие виды заготовок:
― получаемые литьем (отливки);
― получаемые обработкой давлением (кованые и штамповочные поковки);
― заготовки из проката;
― сварные и комбинированные заготовки;
― получаемые методом порошковой металлургии;
― получаемые из конструкционной керамики.
Способ изготовления заготовки во многом определяется материалом, формой и размерами детали, программой и сроками выпуска, техническими возможностями заготовительных цехов, соображениями экономического характера и прочими факторами. Считают, что выбранный способ должен обеспечивать получение такой заготовки, которая позволила бы изготовить деталь (включая полный цикл механической, термической и прочей обработки) наименьшей себестоимости.
Заготовка каждого вида может быть изготовлена одним или несколькими способами, родственными базовому. Так, например, небольшие заготовки простейшей формы из сплава АЛ9 могут быть получены литьем: в землю, в кокиль, в оболочковую форму, по выполняемым моделям , под давлением; способом вакуумного всасывания, штамповкой из жидкого металла и пр. Каждому способу присущи определенные технические возможности по обеспечению точности формы и расположению поверхностей, по точности выполняемых размеров, по шероховатости и глубине дефектного слоя поверхностей, требования к допустимой толщине стенок, к величине литейных (штамповочных) радиусов и уклонов, к размерам и расположению получаемых отверстий и пр. Технические возможности широко представлены в 5, 7, 9, 10, 30 и других справочниках и пособиях.
Исходные данные для выбора заготовки ― это чертеж детали с техническими требованиями на изготовление, с указанием массы и марки материала; годовой объем выпуска и принятый тип производства, данные о технологических возможностях и ресурсах предприятия и др. С их учетом принимают метод получения заготовки и разрабатывают чертеж. Чертеж заготовки вычерчивают с необходимым количеством проекций разрезов и сечений. На каждую из обрабатываемых поверхностей устанавливают припуск. Величину припуска принимают по таблицам из указанной литературы. На самые ответственные функциональные поверхности деталей величину припуска определяют расчетно-аналитическим способом (см. раздел 8). Номинальные размеры заготовок получают суммированием (для отверстий вычитанием) номинальных размеров деталей с величиной принятого припуска. Предельные отклонения (или допуски) размеров устанавливают исходя из достигаемой точности (исходного индекса и класса точности Т>i>> >) получения заготовки принятым способом [ 5, 7, 10, 15] и др. Одновременно на чертеже обязательно указывают необходимые технические требования к заготовке: твердость материала, обычно в единицах Бриннеля (HB); точность; символами ЕСКД ― допустимые погрешности формы и расположения поверхностей; номинальные значения и предельные отклонения технологических уклонов, радиусов, переходов; степень и методы очистки поверхностей (травлением, галтовкой, дробеметной очисткой и т.д.); способы устранения дефектов поверхностей (вмятин, зажимов, утяжек, смещение плоскостей и пр.); способы и качество предварительной обработки (например, обдирка, обрезка, правка, зацентровка и др.); методы контроля размеров и твердости (визуальный, по шаблонам, ультразвуковой и др.); поверхности, принимаемые за черновые технологические базы и т.д.
В соответствии с ГОСТ 26645―85 в технических требованиях чертежа отливки должны быть указаны нормы точности отливки [30, c. 219-241]. Их приводят в следующем порядке: класс размерной точности отливки (обязательно), степень коробления, степень точности поверхностей, класс точности массы (обязательно) и допуск смещения отливки. Например, для отливки 8-го класса размерной точности, 5-й степени коробления, 4-й степени точности поверхностей, 7-го класса точности массы с допуском смещения 0,8 мм:
точность отливки 8-5-4-7 см 0,8 (ГОСТ 26645―85.) Допускаются ненормируемые показатели точности отливок заменять нулями, а обозначение смещения опускать ,тогда:
точность отливки 8-0-0-7 (ГОСТ 26645―85.)
В технических требованиях к чертежам поковок из стали, получаемых методами горячей ковки (ГОСТ 7505―89), предусматриваетя отражать их конструктивные характеристики [30, табл. 24-37 на с. 254―266]:
1. Класс точности (Т1, Т2, Т3, Т4 и Т5) ― устанавливают в зависимости от технологического процесса и оборудования для изготовления поковки, а также исходя из предъявляемых требований к точности ее размеров.
2. Группу стали (М1, М2 и М3) ― указывают процентное содержание углерода и легирующих элементов в материале поковки.
3. Степень сложности (С1, С2, С3 и С4), являющуюся одной из конструктивных характеристик формы поковок (качественно оценивающих ее), а также используемой при назначении припусков и допусков.
4. Конфигурацию поверхности разъема штампа: П ― плоская; И>с >― симметрично изогнутая; И>н >― несимметрично изогнутая.
От этих характеристик зависят исходный индекс [30, табл.27], допуски на размеры и отклонения формы и расположения поверхностей.
Чертежи заготовок вычерчивают в том же масштабе и на таких же форматах, на каких изображены детали. В контуры заготовки синим цветом или тонкими черными линиями вписывают контуры детали. Массу заготовки рассчитывают по номинальным размерам. В конечном счете, чертеж и технические требования должны содержать достаточно информации для разработки рабочей документации по изготовлению заготовок в заготовительных цехах реальных производств. В пояснительной записке чертеж заготовки располагают непосредственно за текстом.
При выборе заготовки студенты сравнивают 2―3 возможных способа ее изготовления. Из альтернативных принимают наиболее рентабельный, причем рентабельность способа следует обстоятельно и корректно обосновать. Текст пояснительной записки вместе с чертежом заготовки, экономическими расчетами и выводами не должен превышать 2,5―3 с.
Пример 3. Выбрать рациональный способ получения и составить чертеж заготовки детали (рис.1) для изготовления в условиях серийного производства с N = 4800 шт. в год.
Заготовки зубчатых колес
подобной формы при серийном их выпуске
обычно получают штамповкой в открытых
штампах на молотах или кривошипных
горячештамповочных прессах (КГШП). В
литературе [10, 14, 17] указывается, что
штамповка на КГШП обеспечивает
изготовление относительно точных
поковок без сдвига в плоскости разъема,
у которых припуски на 30% меньше, чем у
заготовок, получаемых на молотах.
Производительность штамповки на прессах
в 1,5―2 раза выше, чем на молотах; работа
происходит без ударов. На прессах
штампуют и прошивают отверстия. Поковки,
получаемые на КГШП, позволяют несколько
снизить объем механической обработки
и обеспечивают коэффициент использования
материала в пределах
>м
>= 0,7―0,75.
В
случае получения заготовок из проката
объем механической обработки резко
возрастает, а величина
>м>
падает до 0,4 и ниже.
Следовательно, наиболее рациональным способом получения заготовки допустимо считать штамповку на КГШП. Спроектируем чертеж заготовки (см. рис. 2). Далее по табл. 22 [30, с.247] определим припуски на обрабатываемые поверхности, соответствующие ГОСТ 7505―89, с учетом которых расчетная масса заготовки составит G = 6,42 кг. По указанному стандарту материал поковки ― сталь 40Х ―относится к группе сталей М2, табл.24 [30, с.255]; конфигурация заготовки соответствует поковке степени сложности С2 [30, с. 256]; класс точности ― Т4 (поковки, получаемые в открытых штампах на ГКШП, табл. 25 [30, с. 255]). Для сочетания G = 6,42 с М2, С2 и Т4 исходный индекс 14, табл. 27 [30, с. 257]. Пользуясь полученным значением индекса по табл. 28 [30, с. 260], установим и перенесем на чертеж допуски и предельные отклонения на диаметр венца 225 мм, толщину венца 29 мм, длину ступицы 45 мм и прочие размеры заготовки колеса. Закончим оформление чертежа записью необходимого минимума технических требований (см. чертеж заготовки).
Ориентировочная стоимость заготовки по методике [5, с. 31-39] составит, руб:
,
где
― базовая стоимость 1 т штамповок, руб.;
C>б
>=
373 [5, с.37];
― масса заготовки, кг;
― масса готовой детали, кг;
;
,
,
,
и
― коэффициенты, зависящие от класса
точности, степени сложности, массы,
марки материала и объема производства
для штамповок класса точности Т4 по ГОСТ
7505―89, [5,c.37];
―для
низколегированной стали М2, [5,с.37];
и
,
табл. 2.12 [5,с.38];
табл. 2.13 [5,с.38];
―
цена 1 т отходов, руб.
,
табл. 2.7 [5, с. 32].
С учетом значений параметров
руб.
Стоимость заготовки, полученной на молоте, в связи с увеличением припусков и общей массы, окажется несколько выше.

Рис. 2. Чертеж заготовки
Стоимость
заготовки из проката стали 40Х стоимостью
руб/кг*
[5,с.30] и табл. 2.6 [5,с.31] ―
,где
-
затраты на материал заготовки, руб;
―
технологическая себестоимость резки
проката на штучные заготовки, руб.
(а)
Длина
детали
мм
(см. рис.1). Оставим минимальные припуски
на подрезку торцов по 0,5 мм на сторону
и, приняв для заготовок прокат диаметром
255
мм,
определим массу заготовки
кг,
где
― плотность стали,
.
По
формуле (а)
руб. ― превышает стоимость заготовки,
полученной на КГШП, даже без
.
К тому же

недопустимо мал.
Таким образом, вариант получения заготовки на КГШП следует считать наиболее приемлемым.
5. ВЫБОР СПОСОБОВ ОБРАБОТКИ ПОВЕРХНОСТЕЙ И НАЗНАЧЕНИЕ ТЕХНОЛОГИЧЕСКИХ БАЗ
Каждая деталь может быть представлена в виде сочетания таких элементарных поверхностей, , как: плоскости, цилиндры, конусы, торы и пр. Более сложные поверхности: винтовые, шлицевые, зубчатые и другие фигурные встречаются реже. Многолетней практикой установлены типовые способы механической обработки для каждой элементарной поверхности. Выбор того или иного способа определяется комплексом факторов, среди которых учитывают конфигурацию, габаритные размеры, материал и массу детали; объем выпуска, принятые тип и форму организации производства; имеющиеся в распоряжении оборудование и оснастка и др. К главным факторам непременно относят точность, производительность и рентабельность каждого способа. Например, получить плоскую поверхность небольшой площади с примерно одинаковыми качествами на детали из чугуна можно: цилиндрическим (встречным и попутным) и торцовым фрезерованием; точением, строганием и протягиванием; шабрением; периферийным, торцовым или ленточным шлифованием и т.д. Выбор способа тесно связан еще и со стадией (этапом) процесса обработки. Обдирочная, предварительная (черновая), промежуточная (чистовая) и окончательная (отделочная, тонкая) обработки одной и той же поверхности, чаще выполняются разными способами. Например, черновое и чистовое зенкерование отверстия, а затем развертывание или шлифование (после термообработки).
С различными способами механической обработки поверхностей студенты знакомятся при изучении курсов "Технология конструкционных материалов", "Теория резания", "Электрофизические, электрохимические и механические способы обработки", "Металлорежущие станки", "Проектирование режущего инструмента",а также во время проведения производственных практик. Они подробно изложены в учебниках [9, 12, 17 и др.] Выбор конкретного метода обработки производят с помощью таблиц средней экономической точности различных способов обработки, публикуемых в справочных изданиях [10, 15, 23, 30 и пр.]. Пользуясь приобретенными знаниями и литературой, студенты перед составлением техпроцесса изготовления детали намечают рациональные способы обработки каждой из ее поверхностей.
Параллельно с выбором метода обработки конкретной поверхности решаются вопросы базирования и закрепления заготовки на станке или в приспособлении.
В условиях единичного и мелкосерийного производства часто используют проверочные базы. Положение заготовки на станке определяют с помощью разметки и выверки, а для закрепления широко используют ручные механические зажимы.
В серийном и массовом производстве в основном пользуются контактными (установочными) и настроечными базами.
Контактные базы всегда соприкасаются с опорами приспособлений. Настроечные базы при выполнении технологической операции образуются за один установ с другими обрабатываемыми поверхностями. Их особенно эффективно используют при многоинструментальной обработке на станках-автоматах и полуавтоматах, в автоматических линиях и пр. В таких случаях для закрепления заготовки чаще применяют пневматические, гидравлические и прочие высокопроизводительные зажимные устройства, обеспечивающие надежное закрепление заготовок с постоянными силами. Все обрабатываемые поверхности связывают с технологическими базами непосредственными размерами.
Совмещение технологических баз с конструкторскими и измерительными позволяет исключить погрешность базирования и выполнить размеры с использованием полного поля допуска, установленного конструктором. В целях уменьшения погрешностей в расположении поверхностей следует в качестве баз на всех операциях по возможности использовать одни и те же поверхности.
При несоблюдении принципов совмещения и постоянства баз студентам обязательно следует выполнить размерный анализ, т. е. произвести пересчет выполняемых размеров и назначить на них технологические допуски.
В качестве баз выбираются поверхности простейшей геометрической формы: плоскости, цилиндры и пр. При отсутствии на заготовке поверхностей, удобных для базирования, базы создают искусственно.
Назначение технологических баз в каждом случае производят одновременно с определением способа обработки поверхностей. Объем текста пояснительной записки ― 1―2 с. С учетом выбранных способов обработки в дальнейшем проектируют маршрут выполнения технологических операций.
Пример 4. Назначить технологические базы и выбрать способы обработки всех поверхностей детали по чертежу рис.1 в условиях серийного производства. Чертеж заготовки детали дан на рис.2.
Для выполнения задания темы составим эскиз детали (рис.3), на котором все основные поверхности пронумеруем цифрами. Производства с серийным выпуском продукции оснащают, в основном, универсальным оборудованием, приспособлениями и пользуются стандартным инструментом.
Согласно чертежу и техническим требованиям на изготовление детали (см.рис.3) обработке подлежат следующие поверхности: торцы ступицы 1 и 6, торцы венца 2 и 5, наружная поверхность венца 3, отверстие в ступице 4, шлицевая поверхность отверстия 7, скос на венце 8, зубчатая поверхность 9, а также внутренние и наружные фаски на торцах ступицы. Внутренние поверхности венца 10 и 11, наружные ступицы 12 и 13, поверхности реборды 14 и 15 механической обработке не подвергаются.
Обработку шлиц 7 в отверстии ступицы можно осуществить долблением, протягиванием, а расточку под протягивание предварительную и чистовую ― резцом или зенкером. Зенкерование более производительно. Окончательную обработку зубьев 9 после закалки венца ТВЧ следует выполнить шлифованием, а нарезание зубьев ― зубофрезерованием. Наружную поверхность 3 и торцы венца 2 и 5 после закалки в целях очистки от окалины и достижения точности следует шлифовать на круглошлифовальном станке. Предварительную и окончательную обработки всех других поверхностей можно производить точением. Таким образом, с учетом рассуждений, предварительно имеем следующие схемы (табл. 4).
Рис.3. Эскиз зубчатого колеса Z = 86
Таблица 4
Способы обработки поверхностей и технологические базы
Номера
и наименование обрабатываемых
поверхностей
Вид
механической обработки (с учетом
рекомендаций приложения 3)
Номер
базовой
поверхности
Колич. лишенных
степеней
свободы
1
─ торец ступицы
2 ─ торец венца
3
─ отверстие в ступице
4
─ наружная поверхность
венца
5 ─ торец венца
6
─ торец ступицы
4
─ отверстие в ступице
7
─ шлицевое отверстие
1,2,3,5,6 и 8 ─ скос
9
─ зубчатая поверхность
9
─ зубчатая поверзность
1,2,3,5 и 6
Точение
предварительное
То же
Зенкерование
черновое
Точение
предварительное
То же
>>
Зенкерование
чистовое
Протягивание
шлиц
Точение чистовое
(с ЧПУ)
Зубофрезерование
Зубошлифование
после
ТВЧ
Круговое
шлифование
5 и 3
5 и 3
5 и 3
5 и 3
2 и 3
2 и 3
2 и 3
4,5 и 7
5 и 7
5
5
5
5
5
5
5
6
6
6
6
5
|
Номера и наименование обрабатываемых поверхностей |
Вид механической обработки (с учетом рекомендаций приложения 3) |
Номер базовой поверхности |
Колич. лишенных степеней свободы |
|
1 ─ торец ступицы 2 ─ торец венца 3 ─ отверстие в ступице 4 ─ наружная поверхность венца 5 ─ торец венца 6 ─ торец ступицы 4 ─ отверстие в ступице 7 ─ шлицевое отверстие 1,2,3,5,6 и 8 ─ скос 9 ─ зубчатая поверхность 9 ─ зубчатая поверзность 1,2,3,5 и 6 |
Точение предварительное То же Зенкерование черновое Точение предварительное То же >> Зенкерование чистовое Протягивание шлиц Точение чистовое (с ЧПУ) Зубофрезерование Зубошлифование после ТВЧ Круговое шлифование |
5 и 3 5 и 3 5 и 3 5 и 3 2 и 3 2 и 3 2 и 3 4,5 и 7 5 и 7 |
5 5 5 5 5 5 5 6 6 6 6 5 |
6. МЕТАЛЛОРЕЖУЩИЕ СТАНКИ
При выполнении технологической операции станок должен обеспечить: точность обработки, заданное качество поверхностей и выполнение других технических требований к изготавливаемой детали, производительность обработки, обеспечивающую заданную программу выпуска в условиях принятого типа производства (в поточно-массовом производстве ― с учетом такта выпуска), наименьшую технологическую себестоимость детали, т.е. максимальную экономичность и эффективность.
Строгое соблюдение первых трех условий гарантирует заданное качество детали. Планировать выполнение операции на станке, не обеспечивающем хотя бы одно из требований к детали, недопустимо и тождественно заведомому планированию брака.
Выбирая модель, учитывают: соответствие основных габаритных размеров станка габаритам обрабатываемых деталей; возможность работы на оптимальных режимах резания; соответствие станка по мощности и прочности механизмов; необходимость использования имеющегося парка станков и возможность приобретения нового; возможность механизации и автоматизации обработки; простоту в обслуживании и другие факторы.
Выбор оборудования производится при разработке маршрута обработки детали, при этом исходными данными для выбора служат: чертеж и технические требования к детали, тип производства и годовая программа выпуска, принятые способы обработки поверхностей, желаемая степень механизации и автоматизации и пр. Выбирают станки, пользуясь паспортными данными, сведениями из справочной литературы и каталогов металлорежущего оборудования [5, 11, 25] и пр. Ориентируются прежде всего на новейшие серийно-выпускаемые модели отечественного производства, в том числе на станки с ЧПУ, обрабатывающие центры, робототехнические комплексы и др. Для крупносерийного и массового производства в целях повышения производительности следует рассмотреть вопросы использования специальных и специализированных станков.
Пользуясь знаниями, полученными при изучении курса "Металлорежущие станки” студенты должны обосновать выбор моделей 1-2 станков, проверить их загрузку по времени и мощности. При низкой загрузке, недостаточной (или излишней) мощности при высокой технологической себестоимости обработки, подбирают другие станки, позволяющие получить лучшие технико-экономические показатели. Эта работа проводится при расчетах режимов обработки, техническом нормировании и экономической оценке вариантов проектируемых операций и самостоятельной темой не является.
Примечания 1. Недопустимо проектировать обработку деталей на устаревших или снятых с производства моделях станков, например, таких, как 1А62, 1К62, 2АI25 и пр.
2.
В каталогах и другой технической
литературе в технических характеристиках
моделей станков часто указывают общее
количество m
и предельные значения частот вращения
n>min>>
>и>
>n>max>>
>(или
подач S>min>
и S>max>
). В таких случаях определяют промежуточные
(i-е)
значения частот вращения (или подач)
,
причем знаменатель геометрической
прогрессии ряда
.
7. ТЕХНОЛОГИЧЕСКИЙ МАРШРУТ
Настоящая тема включает составление технологических маршрутов обработки деталей без подробной проработки отдельных технологических операций. Для практики студенты ограничиваются проектированием единичного технологического процесса с маршрутно-операционным описанием.
Маршрут ― последовательность (порядок) обработки. Рассматривают маршрут обработки отдельных поверхностей и маршрут обработки заготовки в целом. В первом случае по заданному квалитету точности и шероховатости данной поверхности и с учетом размера, формы, материала массы детали выбирают наиболее рациональный способ окончательной обработки. Зная вид заготовки, таким же образом выбирают начальный метод маршрута. Базируясь на завершающий и первый методы обработки, устанавливают промежуточные. При этом придерживаются следующего правила: каждый последующий способ обработки должен быть точнее предыдущего. Это значит, что каждая очередная операция, переход или рабочий ход должны выполняться с меньшим технологическим допуском, обеспечивать повышение качества и снижение шероховатости обрабатываемой поверхности.
Технологический допуск на промежуточный размер и качество поверхности, полученные на предшествующем этапе обработки, должны находиться в пределах, при которых можно использовать намеченный последующий метод обработки. Нельзя, например, после сверления выполнять чистовое развертывание; нужно после сверления, перед чистовым развертыванием, выполнить зенкерование или черновое развертывание и т.д. Из большого числа возможных вариантов выбирают маршрут, обеспечивающий наименьшую трудоемкость и минимальную суммарную себестоимость обработки [5, c.39-50; 7, с.59-68; 14, c.237-239 и др.].
При разработке технологического маршрута обработки заготовки главной задачей является формулировка содержания каждой технологической операции и составление общего плана (последовательности) их выполнения. От логического порядка выполнения операций во многом зависят и качество, и производительность, и экономичность обработки детали. При решении этой задачи следуют общим указаниям:
― сначала обрабатывают поверхности, служащие в дальнейшем технологическими базами;
― затем обрабатывают поверхности, с которых снимается наибольший слой металла, что позволяет своевременно обнаруживать и устранять внутренние дефекты в заготовках, а также снять внутренние напряжения;
― обработка остальных поверхностей ведется в последовательности, обратной степени их точности;
― заканчивают обработку теми поверхностями, которые являются наиболее точными и наиболее важными для нормального функционирования детали;
― вспомогательные операции (сверление мелких отверстий, снятие фасок, прорезка канавок, галтелей, зачистка заусенцев и т.п.) выполняют на стадии чистовой обработки;
― отделочные операции, такие, как шлифование, хонингование, притирка и прочие выполняют в последнюю очередь, обычно после термической, химико-термической и других немеханических операций, делящих, как правило, весь техпроцесс на части;
― технический контроль проводят после тех операций, на которых вероятно повышение брака, после сложных дорогостоящих операций, после законченного цикла, а также в конце обработки деталей.
Разрабатывая маршрут обработки детали, одновременно производят предварительную наметку технологических операций без подробной проработки их содержания (эскизный вариант маршрута). Рекомендуется при разработке операций на данном этапе ограничиться эскизами, на которых красными (или жирными) линиями выделить поверхности, подлежащие обработке без нанесения размеров. Кроме того, символами ЕСТД указывают технологические базы, по возможности совмещая их с конструкторскими и измерительными.
Для выполнения каждой операции подбирают оборудование (модель станка), оснастку и оговаривают прочие условия обработки. В условиях массового производства применяют высокопроизводительные станки: полуавтоматы и автоматы, агрегатные станки и автоматические линии. Для сокращения вспомогательного времени станочные приспособления снабжают быстродействующими зажимными механизмами; многоинструментальные наладки комплектуют наряду со стандартным, специальным режущим инструментом повышенной стойкости; автоматизируют вспомогательные операции, такие, как загрузка-разгрузка, перемещение обрабатываемых заготовок от станка к станку, технический контроль и пр.
Техпроцессы серийных производств оснащают, как правило, универсальным оборудованием, в том числе станками с ЧПУ, и стандартной оснасткой. Применяют универсальные и групповые приспособления. При переменно-поточной форме организации производства применяют автоматизированные линии с использованием манипуляторов и промышленных роботов, управляемых ЭВМ.
В общем случае при выборе оборудования и оснастки руководствуются рекомендациями [5, с.51-58; 7, с.71-72; 12, c.132-135 и. др.].
Изложенная методика построения технологического маршрута не является обязательной и требует творческого подхода в каждом конкретном случае. Каждый раз при разработке маршрута следует ориентироваться на типовые технологические процессы обработки деталей данного класса, с успехом используемые в различных отраслях машиностроения и подробно описанные в технической литературе [10, 14, 17, 25 и пр.].
Практику по теме завершают составлением в пояснительной записке таблицы (см. табл.5) с эскизным вариантом укрупненного технологического маршрута обработки детали (всего на 8―10 основных технологических операций) и обязательного четкого логического обоснования всех принятых решений, ссылками на первоисточники с рекомендациями и типовыми маршрутами. Далее подробно разрабатывают технологические операции.
Пример 5. Разработать технологический маршрут обработки детали (рис.1) в условиях серийного производства.
Производство различных типов зубчатых колес хорошо отработано. Типовые технологические процессы деталей данного колеса приводятся в [12, 14, 17, 25]. Их анализ показывает, что после выполнения заготовительных операций механическую обработку выполняют, как правило, в следующей последовательности: первоначально осуществляют предварительную обработку заготовки по всем поверхностям; затем производят чистовую и окончательную обработки отверстия в ступице (в том числе нарезание шлиц или шпоночных пазов), используемого в дальнейшем в качестве технологической базы для нарезания зубьев, чистовой и окончательной обработки остальных поверхностей. Для выполнения этих операций заготовку устанавливают на оправку. Соблюдается принцип совмещения технологической базы с конструкторской, что облегчает выполнение финишных операций и способствует повышению их точности.
Воспользуемся рекомендациями из отмеченной литературы, приложением 3 и с учетом принятых способов обработки поверхностей (см. пример 4) составим эскизный вариант маршрута обработки детали (табл.5). Маршрут включает в себя 8 основных механических операций: операция 05 ― токарная (подробно проработана в примере 6); операция 10 ― шлицепротяжная (схема операции одноместная, одноинструментальная, наиболее рациональная из возможных);операция 20 ― токарная (схема обработки ― одноместная, многоинструментальная), чистовая обработка всех поверхностей, включая скос на венце, ведется по программе на станке с ЧПУ; операция 25 ― зубофрезерная (схема обработки двухместная, одноинструментальная), обеспечивает необходимую точность при максимальной производительности и т.д. Заканчивают обработку шлифованием по наружному диаметру и торцам венца (операция 40) и шлифованием зубьев шестерни (операция 50, 55) после их термической обработки на установке ТВЧ. Далее следует моечная, контрольная и другие вспомогательные операции.
Для выполнения каждой механической операции по справочникам [2, 25 и 5] предварительно подобраны современные, наиболее производительные станки отечественного производства. Подробный технологический маршрут изложен на КТП (см. приложение 1).
|
Оборудование |
Токарный восьмишпиндельный вертикальный полувтомат мод. 1К282 |
Протяжной вертикальный станок для внутреннего протягивания мод. 7Б65 |
Токарный станок с ЧПУ мод. 16К20ФЗ |
Зубофрезерный полуавтомат вертикальный мод. 5В312 |
Полуавтомат зубозакругляющий мод. 5Е580 |
Круглошлифовальный универсальный станок мод. 3Т160 |
Зубошлифовальный станок мод. 5В8ЗЗ |
|||
|
Эскиз, базирование, примечания |
||||||||||
|
Содержание операции |
Токарная обработка по наружному диаметру противобазового и базового торцов, зенкерование предварительное и чистовое, снятие фасок |
Протягивание шлицевого отверстия шлицевой протяжкой |
Зачистка заусенцы на шлицевом отверстии (опиловочная) |
Чистовая токарная обработка базового, противобазового торца и наружной поверхности |
Нарезание зубьев m = 2.5 c припуском под шлифование 0,1―0,2 мм на сторону |
Зубозакругление |
Термическая, закладка венца ТВЧ |
Шлифование по наружному диаметру венца и базовому торцу |
Шлифование зубьев на центровой оправке (предварительное и окончательное) |
При установке проверять биения торца и венца |
|
Номер операции |
05 |
10 |
15 |
20 |
25 |
30 |
35 |
40 |
45 |
50 |

8. ТЕХНОЛОГИЧЕСКАЯ ОПЕРАЦИЯ
Технологическая операция ― это законченная часть технологического процесса, выполняемая на одном рабочем месте (ГОСТ 3.1109―82). При обработке на станках операция включает все действия рабочего, управляющего станком, а также автоматические движения станка, осуществляемые в процессе обработки заготовки до момента снятия ее со станка и перехода к обработке другой заготовки [9].
После составления маршрута обработки приступают к детальной проработке каждой технологической операции. Содержание операции часто определяется количеством переходов, которые могут быть выполнены на выбранном типе станка, при этом стремятся добиться сокращения трудоемкости, повышения производительности и экономичности. Начинают с построения схемы. Для массового производства предпочтительны многоинструментальные операции с параллельной или параллельно-последовательной обработкой поверхностей, с непрерывной или раздельной загрузкой заготовок, обеспечивающие наивысшую производительность за счет многократного взаимного перекрытия основного и вспомогательного времени. В то же время значительная концентрация операций (значительное увеличение числа переходов) с использованием большого количества инструментов в наладке, может привести к снижению общей производительности за счет простоев, связанных с частой заменой и подналадкой инструментов.
В массовом производстве на содержание операции оказывает влияние длительность ее выполнения, которая должна быть равна или кратна такту.
Для серийного производства чаще проектируют одноместные, одно- и многоинструментальные операции с последовательной обработкой поверхностей.
В условиях единичного и мелкосерийного производства тяжелого машиностроения тенденция к проектированию высококонцентрированных операций связана со значительными потерями времени, возникающими при частых перестановках (и выверках) крупногабаритных заготовок со станка на станок.
Кроме изложенного на степень концентрации оказывают влияние: конструкция заготовки, взаимное расположение обрабатываемых поверхностей, величина промежуточных припусков, конструкции применяемых инструментов и другие факторы. Низкая жесткость заготовки, например, может служить причиной отказа от параллельной обработки. Обработку с высокими требованиями к точности и чистоте поверхностей часто выделяют в самостоятельную отделочную (финишную) операцию, выполняемую на станках повышенной точности.
Формальными показателями количественной характеристики схем построения операций служат коэффициенты совмещения основного (К>С.О>) и оперативного (К>С.ОП>) времени [9, с. 262], значения которых определяют при техническом нормировании всей операции.
Построив схему, подбирают режущий инструмент и режимы обработки, необходимые для эффективного выполнения операции на выбранной модели станка. Инструмент должен обеспечить: наибольшую производительность, требуемую точность и шероховатость поверхности, а также обеспечить целесообразное использование технических возможностей оборудования.
Алмазы и минераллокерамические твердые сплавы обеспечивают наивысшую производительность при окончательной, отделочной обработке. Титано-вольфрамовые твердые сплавы применяют при обработке сталей на сравнительно спокойных режимах резания. При обработке сталей с толчками, с вибрациями и обработке чугуна лучшие результаты дают вольфрамовые сплавы. Быстрорежущие и инструментальные стали используют для изготовления фасонного инструмента и в тех случаях, когда из-за малой мощности или скорости станка невозможно использовать свойства твердых сплавов.
В случаях невозможности или низкой эффективности использования стандартного инструмента изготавливают специальный, который, как правило, обходится дороже. Для принятого вида инструмента и, в первую очередь, для многоинструментальной обработки составляют план-схему размещения инструментов в инструментальных блоках, в шпинделях и револьверных головках, в суппортах и т.д. Затем выполняют расчет таких режимов резания, которые должны обеспечить согласованную работу всех инструментов.
Проектирование операций завершают разработкой схемы контроля и выбором необходимых контрольно-измерительных средств; каждая технологическая операция должна выполняться с соблюдением, специально составленной или утвержденной ранее, инструкции по охране труда (ИОТ).
Для практики студентам достаточно подробно разработать одну-две технологические операции. Мотивации или подробное обоснование всех принятых решений следует изложить в пояснительной записке текстом, а схему установки заготовки (см. рис.4) и порядок выполнения технологических переходов с обозначением обрабатываемых поверхностей и выдерживаемых размеров, представить отдельным рисунком (или эскизом).
Пример 6. Для технологического маршрута обработки детали (см. пример 5) спроектировать операцию 05 ― подобрать производительный и эффективный вариант предварительной токарной обработки всех наружных поверхностей заготовки и рациональный способ расточки отверстия в ступице для последующего нарезания шлиц.
Эффективность построения таких операций маршрута (см. пример 5), как 10 ― шлицепротяжная, 25 ― зубофрезерная, 30 ― зубозакругляющая очевидны. Больший интерес представляет операция 05 ― токарная, на которой согласно технологическому маршруту (см.табл.5) следует предварительно обточить все поверхности заготовки, а отверстия в ступице - обработать еще и окончательно.
Предварительную обработку
поверхностей с оставлением небольших
припусков (по 0,3 мм на сторону) для
чистовой, целесообразно выполнить
точением. При этом будут легко достигнуты
точность размеров, соответствующая 12
квалитету, и шероховатость поверхностей
в пределах
10―6,3.
Для обработки отверстия в ступице
диаметром 46Н11 (см.рис.1) подходит двукратное
зенкерование, которое обеспечит заданную
точность размера и шероховатость
поверхности (см. приложение 3).
С учетом серийности производства деталей операции можно выполнять на универсальном токарно-винторезном станке мод. 16К20 в два установа с последовательной обработкой каждой наружной поверхности соответствующим инструментом (резцом) и попеременной установкой в пиноль задней бабки зенкеров для предварительной и окончательной обработки отверстия.
Можно обрабатывать заготовки на токарно-револьверном станке мод. 1К341 в два установа с параллельно-последовательной обработкой отдельных поверхностей. Такие станки широко используются на предприятиях с серийным выпуском продукции. В техпроцесс для выполнения этой операции включен восьмишпиндельный вертикальный токарный полуавтомат мод. 1К282, который из-за высокой производительности чаще применяют в крупносерийном производстве. Этот станок позволяет вести обработку одновременно на шести позициях (первая и вторая позиции загрузочные),сразу большим числом различных инструментов. Вычертим технологические эскизы с выделением обрабатываемых поверхностей и указанием опор и технологичкских зажимных устройств. Операция включает 12 переходов. На позиции I заготовка устанавливается в патрон, базируясь на необработанные поверхности 3 и 5. Переходы 1 и 2, подрезка торца ступицы 1 и торца венца 2 проходными резцами осуществляется на позиции III (рис. 4).
Переходы 3 и 4 ― точение наружной поверхности венца 3 проходным резцом и предварительное зенкерование отверстия в ступице 4 производят на позиции V.
На позиции VII снимаются фаски 7 и 8 фасонными резцами ― переходы 5 и 6.
Далее с позиции I следует перестановка заготовки в патрон на позицию II с базированием по обработанным поверхностям 2 и 3.
Переходы 7 и 8 ( подрезка торца венца 5 и торца ступицы 6 проходными резцами) выполняют на позиции IV.
Переходы 9 и 10 (обработка по наружной поверхности венца 3 проходным резцом и чистовое зенкерование отверстия 4) производят на позиции VI.
На позиции VIII снимаются наружная 9 и внутренняя 10 фаски на другом торце ступицы ― переходы 11 и 12. Обработка за один установ базового торца колеса и чистовое зенкерование отверстия в ступице позволяют обеспечить перпендикулярность между плоскостью торца и осью отверстия. При данной схеме обработки многократно взаимно перекрывается основное время. Вспомогательное время, связанное с установкой, закреплением, откреплением и перестановкой заготовок, полностью исключается, так как перекрывается временем обработки. Таким образом, имеет место высококонцентрированная операция с параллельно-последовательной обработкой всех поверхностей.


Рис. 4. Базирование и распределение переходов по позициям
Целесообразность построения операции 05 в таком варианте следует подтвердить экономическими расчетами после назначения режимов резания и технического нормирования. В заключение на стандартных технологических картах и в соответствии с правилами ЕСТД составляют подробное операционное описание, которое вместе с маршрутным подшивается в пояснительную записку в виде приложения (см. приложение 1).
9. ПРИПУСКИ НА ОБРАБОТКУ
Припуском называют слой материала, удаляемый в процессе механической обработки в целях достижения заданных точности и качества обрабатываемой поверхности детали.
Чертежи исходных заготовок отличаются от чертежей готовых деталей тем, что на всех обрабатываемых поверхностях предусматриваются припуски, изменяющие их размеры, а иногда и форму.
Промежуточным припуском называют слой, снимаемый при выполнении данного (i-го) технологического перехода механической обработки (или одной операции).
Общим припуском называют сумму промежуточных припусков по всему технологическому маршруту механической обработки данной поверхности. Его определяют как разность размеров заготовки и готовой детали.
Величиной общего и
промежуточных (операционных) припусков
на обработку во многом определяется
рентабельность техпроцесса.
Преувеличенные припуски
влекут за собой перерасход материала,
необходимость в дополнительных переходах
(рабочих ходах)
или операциях, в результате чего
производительность обработки снижается.
Уменьшенные припуски усложняют достижение заданной точности размеров и качества обработки поверхностей, а при определенных условиях являются причиной появления брака.
Прогрессивный
расчетно-аналитический способ позволяет
определить припуски для конкретных
условий обработки [5, с. 59-92; 9, с.243-255; 10,
с.173-197 и др.]. Величиной минимального
припуска, рассчитанного по этому способу
, учитывается необходимость удаления
шероховатости (Rz>i>>->>1>),
дефектного слоя (h>i>>-1>)
и пространственных отклонений заготовки,
(
),
полученных на смежном (i-1)
предшествующем переходе, и необходимость
компенсации погрешности установки (
),
возникающей на выполненном (i-м)
переходе. Для каждой схемы базирования
и вида обработки заготовки разработана
следующая зависимость:
>
>>.>
Максимальные припуски
для каждого перехода по этому методу
(
)
определяют как сумму минимального
припуска (
)
с разностью допусков заготовки (
)
и детали (
),
т. е.

С учетом значений
и> >
>
>и допусков, назначаемых
на каждый технологический переход,
устанавливают размеры по всему
технологическому маршруту обработки
поверхности, округляя их до того знака
десятичной дроби, с каким указан допуск:
для валов в сторону увеличения (в плюс),
а для отверстий в сторону уменьшения
(в минус).
Расчетно-аналитическим методом следует воспользоваться для расчета припусков на одну из наиболее ответственных поверхностей детали (отверстие или вал). На остальные поверхности, как указывалось в разделе 3, припуски следует назначить по таблицам [10,15], т.е. воспользоваться опытно-статистическим способом.
Раздел следует начинать с указаний о том, для обработки каких поверхностей и для выполнения каких операций (переходов) предполагается рассчитать припуски. Далее составляют схему расположения всех промежуточных припусков и допусков (см. рис. 5) и карту расчета припусков на обработку и предельных размеров по технологическим переходам с внесением в нее всех расчетных значений: R>Z>, h, Δ, ε (см. табл. 6).
После определения припусков на все поверхности необходимо уточнить размеры на чертеже заготовки и окончательно рассчитать ее массу. Текст пояснительной записки с определением припусков расчетно-аналитическим способом, с заключительной таблицей и схемой расположения промежуточных припусков и допусков может составлять 2―3 страницы.
Пример 7. Рассчитать припуски и промежуточные предельные размеры для обработки отверстия под шлицы 46Н 11(+0,16) в заготовке детали (см. рис. 1).
Согласно принятому маршруту обработки отверстие получают в два перехода – черновым и чистовым зенкерованием. Обработка ведется на операции 05 в два установа с базированием по необработанным, а затем обработанным наружным цилиндрическим поверхностям венца и торцам ( см. рис. 4, поз.V и VI )
Исходные данные. По чертежу и
техническим требованиям к заготовке (
см. рис. 2 ): R>Z>>
>= 240 мкм> >,
h
= 300 мкм ,> >
>
>мкм, а после чернового
зенкерования R>Z>>
>= 50 мкм, h
= 50 мкм [10, с. 190, табл. 27] и ,
>
>мкм ( полагая, что коэффициент
уменьшения погрешностей К>у
>= Δ> дет>./Δ>заг>=
0,05 [ 9 ] и,> >
).Погрешности
установки заготовки в трехкулачковый
патрон по необработанной поверхности
мкм,
а по обработанной —
мкм
[10, с. 42, табл. 13]. Предельные отклонения
диаметра отверстия в заготовке ES
= +500 мкм и EI
= −1000 мкм [ 10, с. 144, табл. 23] и рис. 2.
Внесем исходные данные в табл. 6 и рассчитаем величину минимальных припусков, мкм [9]:
,
для чернового зенкерования
мкм,
для чистового зенкерования
мкм.
Таблица 6
|
Маршрут обработ-ки |
Элементы допуска, мкм. |
Расчетные размеры |
Допуск на промежуточный размер, мкм. |
Предельные (округленные ) |
|||||||
|
R>z> |
h |
Δ |
ε |
2Z>min>, мкм |
D>max>, мм. |
размеры заготовки, мм |
значения припусков, мкм |
||||
|
D>max> |
D>min> |
2Z>mn> |
2Z>max> |
||||||||
|
Заготов- ка Зенкеро-вание черновое Зенкеро-вание чистовое |
240 50 6.3) |
300 50 (20) |
700 35 (2) |
- 280 70 |
2588 356 |
43,216 45,89 46,16 |
1500 390 160 |
43,20 45,8 46,16 |
41,70 45,4 46,0 |
- 2600 360 |
- 3710 590 |
|
Общий припуск -2Z>общ.> |
2960 |
4300 |
Карта расчета припусков на обработку отверстий диаметром 46Н11
Проведем проверку правильности выполненных расчетов:

или

и
.
Составим схему расположения припусков и допусков (рис.5).
Определим общий номинальный припуск:

Номинальный диаметр отверстия в заготовке:

Следовательно,
на чертеже заготовки будет указан размер
диаметра

Рис. 5. Схема расположения припусков и допусков на обработку отверстия диаметра 46H11
Схема
обеспечивает наглядность и способствует
более глубокому пониманию вопроса. Ее
рекомендуется составить (в черновике)
до начала всех расчетов. Методика
определения значений пространственных
отклонений заготовки
для различных случаев приводится в [5,
7, 10, 30] и прочей литературе.
10. РЕЖИМ ОБРАБОТКИ, СИЛЫ И МОМЕНТЫ СИЛ РЕЗАНИЯ
Для проектируемых операций режим обработки поверхностей заготовки рассчитывают по формулам теории резания [11, 13, 25, 31]. Исходными данными к расчетам служат: номер, наименование и краткое содержание операции, сведения о заготовке (ее форма, размеры обрабатываемых поверхностей, величина припусков, характеристика материала), требования к точности размеров, точности формы и расположению к величине шероховатости обработанных поверхностей; принятые модель станка, конструкции приспособлений и инструмента; обязательно рисунок или эскиз обработки (см. рис. 6). Условия выполнения операций являются необходимой информацией для любых технологических расчетов и должны быть подробно изложены в плане раздела. Далее устанавливают глубину резания, затем подачу и скорость резания. При обработке поверхностей за один рабочий ход глубина резания равна величине припуска. При обработке поверхности в несколько рабочих ходов припуск делят так, чтобы для последнего рабочего хода глубина резания была наименьшей и обеспечивала заданную точность обработки. Подачу принимают по таблицам из справочников максимально допустимую: при черновой обработке ― условиями прочности самого слабого звена технологической системы; при чистовой и отделочной ― исходя из требований к точности и шероховатости поверхности.
Для одного-двух переходов расчет выполняют с подробными объяснениями, ссылками на таблицы и страницы первоисточников. Результаты расчетов режимов резания для других переходов в данной операции представляют таблицами (см. пример 8).
Режимы резания для других операций технологического маршрута могут быть установлены по упрощенным зависимостям [5, 14, 29 и др.] Далее, пользуясь программами кафедры, с помощью ЭВМ выполняют оптимизацию режимов для многоинструментальных наладок и выбор более экономичных ― для одноинструментальных. Во всех случаях принимаемые значения подач S и расчетные значения частот вращения шпинделей (числа двойных ходов в минуту) n следует скорректировать со значениями, действительно имеющимися на выбранной модели станка. Правила коррекции излагаются в учебниках по технологии машиностроения. При расчетах на ЭВМ в пояснительной записке коротко излагают суть решаемой задачи, указывают целевую функцию и приводят результаты (распечатку) вычислений.
Затем,
пользуясь принятыми значениями режимов
резания, по формулам из [11, 13, 31] или
другим, определяют действующие на
заготовку в процессе обработки силы
и моменты сил резания. Для одного-двух
переходов расчеты выполняет подробно,
со ссылками на техническую литературу.
Приводят эскизы с указаниями направления
действующих сил и моментов. Результаты
остальных расчетов сводят в таблицу
(см. пример 8). Здесь же в заключении
определяют эффективную мощность резания
и сравнивают ее с мощностью приводов
станка. По коэффициенту использования
мощности
судят о правильности выбора оборудования.
При низкой загрузке станка по мощности
или недостаточной мощности его приводов
подбирают более подходящую модель.
Пример 8. Установить режим обработки, рассчитать силы резания и необходимую мощность станка для выполнения операции 05.

Рис.6. Схема технологической наладки на позиции III
Операция 05 ― токарная. Выпол-няется на вертикальном восьми-шпиндельном автомате мод. 1К282 в два установа. На шести рабочих позициях предварительно обрабаты-вают наружную поверхность венца, подрезают все торцы, выполняют черновое и чистовое зенкерование отверстия в ступице, снимаются фаски. На каждой позиции выполняют по два перехода (см.рис.4 к примеру 6). Режущие части всех инструментов из твердого сплава Т15К6.
Позиция
III,
переходы 1 и 2 ― точить поверхность 1
и 2
одновременно (рис.6). Оставим для чистовой
обработки торцов припуск 0,3 мм. Тогда
глубина резания
мм.
Подачу примем по [11, с.268, табл.14]
мм/об
(соответствует одной из ступеней по
паспортным данным станка). Наибольшие
диаметры обработки: ступицы
мм, венца
мм.
Скорость резания

где
коэффициент скорости резания;
- показатели степtней
принимают по [11, с.269, табл.17] равным
и
;
─ коэффициент, учитывающий конкретные
условия резания:
;
―
коэффициент, учитывающий свойства
обрабатываемого материала [11,с.261,
табл.1].

(по
[11, с.162, табл.2]
и
);
―
коэффициент,
учитывающий состояние поверхности
заготовки, [11, с.163, табл.5]
(для поковки);
―
коэффициент,
учитывающий влияние инструментального
материала, [11, с.263, табл.63]
(для
Т15К6);
и
―
коэффициенты, учитывающие параметры
резца [11, с.271 табл.18],
и
(для
и r
= 0,5);
С учетом всех значений величина
;
Т>м>> >― стойкость инструмента в многоинструментальной наладке.
,
где Т ― стойкость до затупления в одноинструментальной наладке,
Т = 60 мин; K>Тм> ― коэффициент многоинструментальности [11, с. 264,табл. 7] K>Тм> = 3,5 (при 12 инструментах).

Тогда скорость резания при обработке торца венца 2

м/мин,
а частота вращения шпинделя
мин-1.
Примем по паспорту станка ближайшую меньшую частоту вращения n = 185 мин-1 , при этом действительная скорость резания торца 2
м/мин,
а торца ступицы 1
м/мин.
Тангенциальная составляющая сил резания P>Z>> >( Н ) при точении [11, c.271]

где C>Pz> ― коэффициент сил резания и показатели степени по [11, с.273, табл. 22] C>Pz>> >= 300, X>P>> >= 1, Y>p>= 0,75 и n = −0,15;
K>p>> >― поправочный коэффициент [11, c.271 ].С учетом значений первичных коэффициентов [11, с.265, табл. 9 и 10; с.273, табл. 23]
.
При обработке торца 1
Н
При обработке торца 2
Н.
По той же формуле, но с другими значениями коэффициента Cp и показателей степеней рассчитаем радиальные составляющие сил резания.
При обработке торца 1
Н.
При обработке торца 2
Н.
Общая величина
Н
Эффективная мощность при точении [11, c. 271]

для
торца 1
кВт,
для
торца 2
кВт.
Таким же образом установлены значения t, S, V, n, P>Z>> >и N>Ei> для остальных переходов операции 05 (табл. 7).
Общая эффективная мощность резания при одновременной ( параллельной ) обработке поверхностей всеми двенадцатью инструментами
кВт.
Таблица 7
Расчетные значения режимов резания для операции 05
|
Номер перехода |
α, мин |
L, мм |
t, мм |
S, мм/об |
V, м/мин |
n, мин-1 |
P>Z>>, >Н |
T>кр>>, >Н·м |
N>ei>, кВт |
|
1 |
65 |
14 |
1,7 |
0,42 |
35,4 |
185 |
1472 |
- |
0,83 |
|
2 |
225 |
29 |
1,7 |
0,42 |
130 |
185 |
1208 |
- |
2,57 |
|
3 |
225 |
16 |
2,2 |
0,42 |
169 |
240 |
1497 |
- |
4,13 |
|
4 |
45,3 |
55 |
2 |
1,20 |
34,2 |
240 |
- |
74,6 |
1,84 |
|
5 |
65 |
4 |
1 |
0,18 |
35,4 |
185 |
465 |
- |
0,27 |
|
6 |
49,3 |
5 |
2 |
0,18 |
28,6 |
185 |
959 |
- |
0,45 |
|
7 |
65 |
14 |
1,7 |
0,42 |
35,4 |
185 |
1452 |
- |
0,89 |
|
8 |
225 |
29 |
1,7 |
0,42 |
130 |
185 |
1208 |
- |
2,57 |
|
9 |
225 |
16 |
2,2 |
0,42 |
169 |
240 |
1497 |
- |
4,13 |
|
10 |
46 |
55 |
0,35 |
0,85 |
34,5 |
240 |
- |
12,2 |
0,3 |
|
11 |
65 |
4 |
1 |
0,18 |
37,8 |
185 |
460 |
- |
0,27 |
|
12 |
50 |
5 |
2 |
0,18 |
29 |
185 |
953 |
- |
0,44 |
|
∑N>e>=18,7 |
Мощность главного привода станка 1K282 – N = 22 кВт; c учетом потерь (КПД передач η = 0,85) она практически полностью будет затрачиваться на обработку заготовок (η>N>> >= 1). Следовательно, с технической стороны станок мод. 1K282 соответствует требованиям рационального выполнения данной токарной многоинструментальной операции.
11. РАЗМЕРНЫЕ И ТОЧНОСТНЫЕ РАСЧЕТЫ ТЕХНОЛОГИЧЕСКИХ ПРОЦЕССОВ
11.1 Расчет технологических размеров цепей
Технологические размерные расчеты позволяют определить величину и допуск выполняемого размера на i-м технологическом переходе, проверить достаточность припуска (особенно при окончательной обработке), правильность простановки настроечных размеров и др.
Известно, что при несовпадении конструкторских, измерительных и технологических (установочных) баз приходится прибегать к пересчету размеров и ужесточению допусков. При несоблюдении принципа постоянства баз (при смене технологических баз) возникает погрешность в расположении поверхностей, величина которой также выявляется размерным анализом.
На практических аудиторных занятиях решают две-три размерные цепи, звеньями которых являются операционные размеры и припуски, получаемые по мере последовательного выполнения технологического процесса, а также окончательные размеры детали.
Чаще встречается прямая задача размерных цепей, при решении которой исходят из заданных требований к величине исходного (замыкающего) звена, которые устанавливаются заранее на основании аналитических расчетов и технических требований чертежа. Базой для ее решения служат операционные эскизы обработки заготовки.
Общая
последовательность решения размерных
цепей, согласно
ГОСТ 16320―70 следующая: формулируют задачу
и устанавливают исходное звено; исходя
из поставленной задачи, устанавливают
номинальное значение, координаты
середины поля допуска и величину допуска
исходного звена; выявляют и строят схему
размерной цепи; рассчитывают номинальные
размеры всех составляющих звеньев;
выбирают способ решения технологической
размерной цепи или метод достижения
требуемой точности исходного звена,
экономичный в данных производственных
условиях; в зависимости от выбранного
метода выполняют расчет допусков и
предельных отклонений составляющих
звеньев размерной цепи. Иногда общая
схема решения нарушается, изменяется
или уточняется (см. примеры 9 и 10).
Полученные значения размеров и допусков проставляют на операционных эскизах обработки.
При выполнении размерного анализа студенты пользуются знаниями, полученными при изучении курсов "Основы взаимозаменяемости, стандартизации и технических измерений", " Основы технологии машиностроения", и указаниями [2, с. 550-633; 7, c. 10l-113; 8, с. 126-142; 9, с. 49-55; 16; 23, с. 127-141 и др.]
П р и м е р 9. Расстояние между торцом венца и выступающим торцом ступицы зубчатого колеса 16 мм (см.с.8 и рис.1). Это номинальный размер. Его предельные значения легко определить, решая основную линейную размерную цепь (рис.7), в которой размер между торцами ступицы А>Δ> = 41>-0,5> принят замыкающим звеном, а А>1 >= 25>-0,13> и А>2 >- составляющими, увеличивающими звеньями.

Откуда


Рис. 7. Размерные цепи: А ─ основная (кратчайшая); В ─ производная
Для выполнения технологических переходов 1 и 2 на операции 05 следует установить размеры В>1>> >и В>2 >соответственно между поверхностями 1 и 2 и технологической базой 5.
При разработке технологического маршрута (см.пример 6) отмечалось, что предварительное обтачивание заготовки будет выполняться с оставленным припуском Z = 0,3 мм на каждой поверхности, необходимого для последующей чистовой обработки.
Заметим, что расстояние между поверхностями рассматриваемых торцов при наличии на них одинаковых припусков должно оставаться неизмеримым, равным 16>-0,37> мм.
С учетом изложенного определим технологические размеры В>1>> >и В>2>. Номинальное значение размера

где t ― припуск (глубина резания), оставленный на предварительную обработку поверхности 5 (см. пример 8). Ориентируясь на экономическую точность предварительной обработки точением (см. приложение 3), назначим на размер В>1> технологический допуск по 12 квалитету точности, тогда В>1 >= 43,3h12(>-0.25>).
Теперь решим производную размерную цепь (рис.7), в которой В>1> и В>2> ― составляющие звенья, соответственно увеличивающее и уменьшающее, а замыкающим звеном принято В>Δ >= А>2 >= 16>-0,37.>
Номинальное значение

Предельные значения

На изображениях на карте эскизов и при составлении схем технологических наладок станка между обрабатываемой поверхностью и базой рекомендуется проставлять технологические размеры с односторонним полем допуска, направленным в "тело" детали. Тогда, в данном случае, должно быть (см.рис.6)
В>1 >= 43,3>-0,25 >;
В>2 >= 27,42>-0,12> .
Значение размеров В>1> и В>2 >проставляют на карте эскизов (КЭ), см. приложение 1. Размер между поверхностями 1 и 2 при правильной настройке станка будет выдержан автоматически.
В заключение отметим, что при решении основной (кратчайшей) размерной цепи А размер А>2> не мог быть принят замыкающим звеном, так как требовалось точно выдержать расстояние между торцами ступицы, а при решении производной цепи В, в целях точного выполнения указанного размера, его пришлось включить в качестве замыкающего (В>Δ >= А>2>).

Рис. 8. Технологические эскизы:
a―втулка; б―заготовка, в, г― схемы расточки втулок; д, е ― размерные цепи А и Б
Пример 10. Этот пример, не связанный с основной темой технологического проектирования, приводится с целью изложения общей методики технологических пересчетов размеров для случаев, часто встречающихся в практике.
На рис.8, а изображен чертеж втулки, а на рис.8, б - ее заготовки. Расточку отверстий D производят на револьверном станке в два установа (рис.8, в и г) методом автоматического получения размеров. Для настройки станка требуется установить технологические размеры на глубину расточки этих отверстий.
Рассмотрим размерную цепь (рис. 8, д), в которой исходным (замыкающим) звеном принят трудно-контролируемый конструкторский размер между торцами отверстий D ― А>Δ >= 60 ± 0,2; А>1> и А>3> ― глубина расточки отверстий ― уменьшающие звенья и А>2> ― длина втулки ― увеличивающее звено.
По чертежу А>1>=20H11(+0,13) и А>2 >= 100h14(>-0,87>).
Из основного уравнения линейной размерной цепи
А>2 >– (А>1 >+ А>Δ >+ А>3>) = 0,
номинальное значение звена
А>3 >= А>2 >– А>1 >– А>Δ >= 100 – 20 – 60 = 20.
При расточке отверстий D в размеры А>1>> >и А>2> примем в качестве проверочных технологических баз поверхности заготовки соответственно К и L. Для настройки станка удобно, чтобы
А>3 >= А>1 >= 20H11(+0.13).
Проверим возможность такой настройки. Поскольку цепь (рис.8, д) составлена из ограниченного количества звеньев и допуски на размеры достаточно велики, решим ее методом максимума и минимума, при котором
Т>АΔ >= Т>А1 >+ Т>А2 >+ Т>А3>, (а)
но, подставив численные значения допусков, получим неравенство
0,40 ≠ 0,13 + 0,87 + 0,13.
Из формулы (а) следует, что при фиксированных значениях Т>АΔ>, Т>А1> и Т>А3> должно быть
Т>А2 >= Т>АΔ >– (Т>А1 >+ Т>А3>)= 0,40 – (0,13 + 0,13) = 0,14.
Ужесточим допуск на длину заготовки втулки, т.е. изготовим ее с более высокой точностью.
Уравнения размерной цепи
А>Δ>>нб>> >= А>2>>нб>> >– (А>1>>нм> + А>3>>нм>);
А>Δ>>нм >= А>2>>нм >– (А>1>>нб> + А>3>>нб>).
Решим относительно звена А>2>:
А>2>>нб >= А>Δ>>нб >+ (А>1>>нм> + А>3>>нм>) = 60,2+(20+20)=100,20,
А>2>>нм >= А>Δ>>нм >+ (А>1>>нб> + А>3>>нб>) = 59,8 – (20,13+20,13)=100,06.
Откуда А>2
>= 100
и Т>А2 >=
0,14.
На технологических эскизах (в КЭ и к схеме наладки станка) допуск направим в "тело" заготовки-вала, представив размер в следующем виде:
А>2 >= 100,2>-0,14>.
Заметим, что допуск на длину заготовки для такого варианта построения операции должен быть уменьшен более чем в 6 раз
Другой вариант: расточка обоих отверстий с использованием в качестве контактных (опорных) технологических баз при установе 1-поверхности L, а при установе 2 ― поверхности К (см.рис. 8, в, г). Для определения размера между базой и режущей кромкой инструмента, необходимого для настройки станка, в этом случае достаточно решить трехзвенную размерную цепь (рис.8, е), состоящую, например, из размеров: В>Δ >= 60 ± 0,2 мм, В>1 >= 20+0,13 и В>2> ─ имеющего следующие значения:
номинальное В>2 >= В>1 >+ В>Δ >= 20 + 60 = 80;
максимальное В>2>>нб >= В>1>>нм>+ В>Δнб >= 20 + 60,2 = 80,20;
минимальное В>2>>нм>> >= В>1>>нб>> >+ В>Δ>>нм>> >= 20,13+59,8 = 79,83;
откуда В>2
>= 80
и Т>В2 >=
0,27.
Технологический размер с односторонним расположением поля допуска, обеспечивающий продолжительную работу станка без подналадки, будет В>2 >= 79,93+0,27. Аналогичный результат получим при решении размерной цепи, составленной из звеньев В>2> , В>3> и В>Δ.>.
Максимальное и минимальное значения замыкающего размера, как и в случае использования проверочных баз, лежат в пределах заданных конструктором
В>Δ>>нм >= В>2>>нб >– В>1>>нм >= 80,2 – 20 = 60,2,
В>Δ>>нм >= В>2>>нб >– В>1>>нм >= 79,93 – 20,13 = 59,8.
Так же, как и в первом варианте, длина заготовки должна быть в пределах размера А>2 >= 100,2>-0,14>, при этом остальные размеры детали А>1>, А>3> (или В>1> и В>3 >) и В>Δ> при правильной настройке станка, будут получаться автоматически.
Далее следует выполнить расчет точности обработки одной-двух поверхностей.
11.2 Расчет точности выполнения технологических операций
Точность изготовления деталей определяется точностью выполнения размеров, точностью форм и расположения поверхностей. Разность между действительными (измеренными) и теоретическими (указанными в чертеже) значениями отмеченных величин называют погрешностями. Общая погрешность обработки Δ в каждом конкретном случае формируется из суммы начальных (первичных) погрешностей, среди которых чаще доминируют 6 основных. Ниже приводятся их краткие характеристики:
•Δу ― погрешность, возникающая из-за упругих отжатий технологической системы под действием сил резания. Δу ― это рассеивание выполняемого размера, равное разности предельных значений отмеченных отжатий. Величину Δу ― определяют в тех сечениях заготовки, где она получается наибольшей (обычно в местах, где жесткость технологической системы минимальна). Действительные значения Δу случайны. На практике изменение их величин связано с режимом обработки, колебаниями припуска и твердости поверхностей заготовок в партии и другими причинами. В [8, 9, 26] и прочей литературе приводятся расчетные зависимости, по которым определяют предельные значения Δу для различных схем обработки. Пользуясь этими зависимостями, а также справочным материалом о жесткости технологической системы (например, из [10]), удается заранее рассчитать величину Δу для конкретных условий выполнения технологической операции;
•Δн ― погрешность настройки, представляющая собой разность возможных предельных положений режущего инструмента на станке при его настройке на выполняемый размер. Предельная величина Δн зависит от метода настройки. Для каждой последующей настройки (или поднастройки) станка действенное значение Δн случайно и отличается от предыдущего. В справочнике [10] приводятся методика, расчетные зависимости и таблицы со значениями параметров, необходимые для расчетов величины Δн на практике. При обработке всей партии заготовок с одной настройки станка погрешность Δн из расчетов можно исключить [9];
•
―
погрешность
установки, случайная величина,
складывающаяся из погрешностей
базирования
,
закрепления
и положения заготовки в приспособлении
или на станке
.
Погрешность базирования для различных
схем определяют по формулам [10, 2.3 и
др.].При совпадении технологических
(установочных) баз с измерительными она
отсутствует. Погрешность
определяется величиной смещения проекции
измерительной базы на направление
выполняемого размера в процессе
закрепления заготовки. При постоянных
силе зажима и условиях контакта баз
заготовок с опорами величину
можно из расчета исключить. Обычно
принимают
≤
0,01―0,015. Как и другие составляющие
значение
считают случайной величиной и суммируют
с
и
по правилу сложения векторов;
•Δи ― погрешность, связанная о износом режущего инструмента. Погрешность обусловлена систематическим изменением положения режущей кромки относительно технологической базы заготовки. Нормальный износ протекает пропорционально времени обработки или пути резания. Его интенсивность зависит от свойств обрабатываемого материала и материала инструментов, метода обработки, режима и условий резания, конструкции инструмента и других факторов; характеризуется величиной относительного износа U>0>, мкм/км. Для наиболее распространенных случаев зависимости для расчета Δи и значения U>o>> >приводятся в [8, 9, 10, 30] . Величину Δи сокращают посредством своевременной ручной или автоматической поднастройки станка, использованием более износостойких режущих материалов, конструированием широких режущих кромок, позволяющих увеличить подачу (например, при строгании) и тем самым сократить путь резания, выбором рациональных режимов резания и СОЖ и др.;
•Δт ― погрешность, обусловленная температурными деформациями оборудования, инструмента и обрабатываемых заготовок. С началом работы технологическая система разогревается, при этом удлиняются режущие кромки инструментов, увеличиваются в размерах заготовки, изменяют первоначальное положение оси шпинделей и т.д. Вследствие первоначального нагрева отдельных частей происходит раскоординация системы, нарушающая настройку станка и приводящая к изменению технологических размеров. После разогрева и наступления в системе теплового равновесия указанные процессы прекращаются. Повторной поднастройкой системы в разогретом состоянии удается величину Δт свести к минимуму. Этим же целям способствует организация обработки с ритмичными перерывами машинного времени, обильное охлаждение зоны резания и др.[8, 9, 10, 30];
•Δф ― погрешность формы и.размеров обрабатываемых поверхностей, возникающая вследствие погрешностей изготовления и сборки станков, износа и деформации их составных частей (например, станин при длительной эксплуатации и оседании фундаментов и пр.). Допустимые погрешности изготовления различных типов станков (осевое и радиальное биение шпинделей, неперпендикулярность или не параллельность их осей станинам, столам или поверхностям других узлов и т.п.) лимитированы и приводятся в [8, 10, 25, 30], а также в соответствующих стандартах на приемку станков. Этими сведениями следует воспользоваться, предварительно проанализировав влияние допустимых погрешностей на точность обработки в проектируемой операции. В отличие от других, погрешность Δф при выполнении конкретной технологической операции имеет определенную величину, постоянную для всех деталей партии. Кроме перечисленных в процессе механической обработки заготовок могут возникнуть погрешности, связанные с перераспределением внутренних напряжений в заготовке или недостаточной жесткостью заготовок, возникающие из-за кинематической неточности станка, присущие принятой схеме (или методу) обработки поверхности и пр.
На практике весьма важно уметь определить величину и правильно оценить степень влияния каждой начальной погрешности (с учетом возможностей их взаимной компенсации) на точность изготавливаемой детали.
Методика расчета суммарной погрешности обработки Δ изложена в [8, 9, 10, 15, 30] и другой литературе, где одновременно приводятся таблицы или формулы для определения численных значений всех начальных погрешностей. Точность обработки считается достаточной, если технологический допуск на выполняемый размер Т>d>> >≥ Δ и погрешности формы и расположения поверхностей укладываются в допустимые пределы.
Зная условия обработки (оборудование, инструмент, режим резания, схему закрепления, действующие силы и прочее), студенту следует первоначально тщательно проанализировать и обосновать, какие из начальных погрешностей влияют на точность выполнения операции, а затем определить суммарную погрешность размеров на выполняемых операциях и сравнить результат с допуском.
В случае, если Δ > Т>d>. необходимо, варьируя факторами, определяющими условия обработки, добиться необходимой точности.
Следует помнить, что проектировать технологический процесс операции, не обеспечивающий заданной точности и других технических требований, бессмысленно.
Подраздел может быть изложен на 2―3 с., при этом должны делаться ссылки на ранее составленные эскизы и схемы обработки, а также на первоисточники.
Пример 11. Проверить, обеспечивается ли точность размера 27,42>-0,12 >при подрезке торца 2 (см. рис.4 и 6) на операции 05. Условия обработки соответствуют рассмотренным в примерах 6 и 8.
Условие обработки без брака ― Δ ≤ Т>d>> >(Т>d> = 0,12 ― допуск на выполняемый размер).
Суммарная погрешность обработки, мкм
,
где Δу ― погрешность, связанная с деформациями системы СПИД, мкм. Для принятой схемы обработки Δу возникает из-за взаимных отжатий резцов с суппортом и заготовки. По [10, с.30, табл.11] жесткость в этом направлении для станков типа 1K282 J = 900/50 = 196 Н/мкм. При суммарной составляющей сил резания Р>y>> >= 1262,4 Н (см. с. 40).
Δу = Р>y>/J = 1262,4/196 = 6,4 мкм;
Δн ― погрешность настройки станка на размер, мкм. Для обработки плоских поверхностей [10, c.70].

Коэффициенты Кр = 1,2 и Kи = 1 учитывают отклонения закона распределения элементарных величин Δр и Δи от нормального; Δр ― погрешность регулирования. При настройке станка по эталону с контролем металлическим щупом, по [10, с. 71, табл.26] Δp = 10 мкм; Δи ― погрешность измерения, по [10, с. 72, табл,27] для размеров до 50 мм и при возможной точности станка в пределах jТ10 ― Δи = 20 мкм.
В таком случае
мкм;
―
погрешность
установки. Для принятой схемы обработки
технологические базы заготовки совпадают
с измерительными, а силы зажима направлены
перпендикулярно выдерживаемому размеру.
По этой причине
отсутствует;
Δи ― погрешность обработки, вызываемая размерным износом инструмента Δи = 2U>о>L/1000, мкм [10, с.73]. В этом выражении L ― длина резания, м; Uo ― относительный износ резцов, мкм/км. При точении партии деталей n = 200 шт, со скоростью V = 130 м/мин и времени обработки каждой заготовки t>0> = 0,37 мин (см. табл.7).
L = n·V·t>0 >= 200·130·0.37 = 9620 м,
а величина U>0> = 3 мкм/км [10, с. 74, табл.28].
Тогда
Δи = 2·3·9620/1000 = 58 мкм;
Δт ― погрешность, связанная с температурными деформациями системы СПИД, мкм. Величина Δт зависит от режима работы станка и длительности процесса резания. За время операционного цикла при отношении t>0>/ t>ш >= 0,37/0,88 = 0,42 резец и заготовка не успевают разогреваться на столько, чтобы существенно изменить свои размеры. Поэтому примем Δт = 0;
Δф ― погрешность, связанная с геометрическими неточностями станков, мкм. Значение Δф рассчитывают по формулам, определяют по таблицам или принимают Δф ≤ 0,7 от соответствующих величин по ГОСТам на нормы точности [10, c. 53]. Для вертикальных многошпиндельных токарных полуавтоматов согласно ГОСТ 6820―75 погрешности подрезки торцов у партии заготовок не нормируются [10, c. 56, табл. 23].
Таким образом, суммарная погрешность
мкм.
Поскольку технологический допуск на размер 27,42 – T>d>> >= 120 мкм, то условие обработки без брака выполняется.
Другие, более характерные примеры расчетов точности обработки приводятся в [7, c.146-149; 9, c.106 и др.]
Для определения общей погрешности обработки допустимо пользоваться иными методиками, например, из работ [8, 28] и пр.
12. КАЧЕСТВО ПОВЕРХНОСТИ
Качество поверхности определяется величиной шероховатости и волнистости, ее твердостью, структурой, химико-физическим и физико-механическим состоянием поверхностного слоя и др. Оно является важнейшим показателем, определяющим надежность работы и долговечность изделий.
К настоящему времени машиностроители накопили определенный объем сведений для того, чтобы в результате лезвийной или абразивной обработки получать поверхности с заданным качеством.
На качество поверхности оказывают непосредственное влияние режим обработки, используемый инструмент (особенно геометрия его режущей части) и оборудование, наличие вибраций, применяемые СОЖ и другие факторы.
Увеличение сил резания и продолжительности силового воздействия приводят к образованию на поверхности наклепа (упрочненного слоя) и формированию остаточных напряжений сжатия. Этому способствует увеличение глубины резания (t), подачи (S), радиуса закругления режущей кромки (r), переход от положительных к отрицательным передним углам (γ), т.е. внедрение силового резания. Увеличение скорости резания (V) приводит к повышению температур в локальных зонах обработки, разупрочнению (возврату к исходному состоянию металла) с тенденцией образования на поверхности остаточных напряжений растяжения. Благоприятная геометрия обработки (уменьшение главного φ и вспомогательного угла в плане φ>1>, подачи S и увеличение r) способствует сокращению величины шероховатости поверхности. Интенсивное наростообразование, наблюдающееся в зоне скоростей резания V = 20―40 м/мин, c увеличением V > 60 м/мин практически прекращается и поверхность получается чистой. Шлифование с выхаживанием, особенно твердых (закаленных на мартенсит) поверхностей, также приводит к существенному снижению шероховатости.
В ходе практикума следует подтвердить, что в результате обработки (принятым методом и в установленном режиме) одна из обрабатываемых поверхностей (желательно после окончательной обработки) будет обладать качеством, соответствующим требованиям чертежа или операционного (технологического) эскиза. Для этого следует воспользоваться материалами, изложенными в [8, с. 193-237; 9, с. 118-140], или др. Расчетные зависимости, связывающие показатели качества поверхностей с факторами, их определяющими, для многих видов обработки, можно найти в справочниках [10; с. 89-114; 27, c. 212-225]. Этот подраздел объемом до одной страницы следует закончить положительным выводом.
Как и в случае с точностью обработки, при невыполнении требований к качеству поверхностей, следует пересматривать условия обработки, добиваться того, чтобы качество поверхности соответствовало требованиям чертежа.
Пример 12. Согласно технологическому процессу торец 2 (см. рис.4) после предварительной обработки должен иметь шероховатость поверхности Rа = 10 мкм. Проверить, обеспечивает ли принятый в операции 05 режим обработки требуемую шероховатость.
Величину шероховатости при торцевом точении поверхности определяют по формуле [10, с. 104, табл. 5]

где γ ― передний угол резца, γ = 5°; K>M> ― коэффициент, учитывающий влияние обрабатываемости стали 40Х на шероховатость поверхности K>M>> >= 1,2; r ― радиус закругления режущей кромки резца, r = 0,5 мм и S ― принятая подача, S = 0,42 мм/об. С учетом значений
мкм,
Таким образом, в процессе обработки будет обеспечиваться заданная шероховатость торца венца.
Пример 13. Согласно технологическому процессу отверстие в ступице Ф46Н11 после чистового зенкерования (перед протягиванием шлиц) должно иметь шероховатость Rа> >= 5 мкм, указанную на чертеже детали (см. рис. 1). Проверить, обеспечивает ли принятый в операции 05 (переход 10) режим обработки требуемую шероховатость.
Величину шероховатости при зенкеровании отверстия в стали 40Х определяют по формуле [10, с. 103, табл.5]
,
где V - скорость зенкерования, V = 34,5 м/мин; S ― подача при чистовом зенкеровании S = 0,85 мм/об; D ― диаметр зенкера (отверстия) D = 46.
С учетом значений
мкм.
Так же, как и в примере 12, требуемая шероховатость поверхности отверстия Ф46Н11 принятым способом и режимом обработки обеспечивается.
13. ТЕХНИЧЕСКОЕ НОРМИРОВАНИЕ
Для разрабатываемых операций после окончательного уточнения схем их построения, расчетов режимов резания и точности обработки, а также проверки качества обработки поверхности и возможности рационального использования выбранной модели станка по формулам [12, с. 160-360; 9, с. 256-264] или другим определяют точное значение основного (машинного) времени обработки, t>0>>.>
Затем, пользуясь методикой и нормативами [18, 19, 20, 21 и 22] или [5, c. 197-22l], определяют вспомогательное (t>в>) и дополнительное (t>d>) время, а также время на организационное (t>о. об>) и техническое (t>т. об>) обслуживание рабочего места, с учетом которых рассчитывают штучное время операций, мин.
t>ш>>. >= t>о >+ t>в >+ t>т об >+ t>о об >+ t>д >. (а)
В крупносерийном и массовом производстве часто применяют многоместные схемы с независимой (раздельной) установкой заготовок (автоматы, полуавтоматы, агрегатные станки и автоматические линии и т.д.). При этом заготовки на одних позициях обрабатываются, а на других снимаются со станка и заменяются необработанными. При последовательной обработке основное время t>0>> >в таких случаях определяется лимитирующим переходом, а вспомогательное ─ складывается из времени управления (подвод ─ отвод инструмента и т.п.) и времени индексации (переход к следующей позиции), т.е. t>в>> >= t>уп >+ t>н>
Для условий серийного производства по тем же нормативам устанавливают подготовительно-заключительное время (t>ПЗ>) операции и штучно-калькуляционное время
t>шк >>.>= t>ш>+t>пз>./n,
где n ― количество деталей в партии.
Для остальных (неразрабатываемых) операций технологического процесса основное и штучное время можно определить по приближенным формулам [5, 14, 23, 29] или другим.
Одновременно ориентировочно устанавливают разряд работ и раcсчитывают заработную плату рабочих за выполнение каждой технологической операции. Тарифные ставки для рабочих-станочников различной квалификации, нормативы заработной платы с коэффициентом доплат и начислений приводятся в [11, с. 428 табл. 19, 20 и 21].
Особенности нормирования операций, выполняемых на станках с ЧПУ, излагаются в [10, c. 603-622]. Среднее штучное время К операций данного техпроцесcа, мин
t>ш
ср>=
После определения технический нормы времени в поточном производстве определяют величину (обратную ей) ─ техническую норму выработки. Норма выработки должна обеспечивать заданную программу выпуска.
Для определения эффективности схем многоинструментальной обработки рассчитывают коэффициенты совмещения основного и вспомогательного времени K>со> и К>св> (см.разд.8). Раздел заканчивают заключением об эффективности спроектированного техпроцесса. Полученные значения t>о>, t>ш>, t>шк> и t>пз> вносят в маршрутные карты, карты технологического процесса и таблицы к схемам технологических наладок оборудования. Объем задания, вместе с расчетами t>i> ― до 2. с.
Пример 14. Выполнить расчет производительности и определить зарплату рабочего за выполнение операции 05; по укрупненным нормативам установить время выполнения остальных механических операции.
При подрезке торца ступицы 1 и торца венца 2 на поз.III (cм. пример 8 и рис. 5) приняты подача S = 0,42 мм/oб и частота вращения шпинделя n = 185 мин-1, а длина обрабатываемых поверхностей соответственно равна l>1 >=14 мм и l>2 >= 29 мм.
Основное время обработки (t>oi>> >= l>i>/nS) поверхности 1 t>o>> >= 0,18 мин перекрывается временем обработки поверхности 2 t>o>> >= 0,37 мин. Время обработки остальных поверхностей дано в табл.8.
Таблица 8
Основное время обработки поверхностей детали (см. рис. 4)
|
№ повер-хности |
1 |
2 |
3 |
4 |
5 |
6 |
7 |
8 |
9 |
10 |
11 |
12 |
t>0> |
|
t>0>, мин |
0,18 |
0,37 |
0,16 |
0,19 |
0,12 |
0,15 |
0,18 |
0,37 |
0,16 |
0,27 |
0,12 |
0,15 |
2,42 |
Вспомогательное неперекрываемое время операции t>В> на многошпиндельных полуавтоматах складывается из времени индексации t>И> и времени подвода и отвода инструментов t>У>. Оно определяется конструкцией управляющих кулачков [21]. Для рассматриваемого случая t>в >= 0,18 мин.
Оперативное время обработки, с учетом лимитирующего основного,
t>оп >>.>= t>о>+t>с >= 0,37+0,18 = 0,55 мин.
По табл. 5.17, 5.21 и 5.22 [5] примем время на техническое обслуживание станка t>т.об >= 0,27 мин, организационное обслуживание t>о.об >= 0.02 мин и время перерывов t>д >= 0,04 мин. С учетом значений, штучное время операции t>ш >= 0,86 мин.
Подготовительно-заключительное время для наладки токарного станка с 12 инструментами, при установке заготовок в самоцентрирующий патрон t>п.з >= 30 мин, табл. 6.3[5].
Штучно-калькуляционное время обработки партии n = 200 шт:
t>шк>> >= 0,88+30/200 = 1,03 мин.
Зарплата токаря III разряда за обработку одной детали
З>с >= t>шк>·К = 1,03·2,68 = 2,76 коп,
где К ― минутная ставка станочника (со всеми начислениями). К = 2,68 коп/мин - [11, с. 429, табл.21].
Часовая норма выработки на операции 05
N = 60/t>ш >= 60/0,88 = 68 шт/ч
Коэффициент совмещения основного времени при ∑t>O>> >= 2,42 мин
К>с о >= t>0>>lim>/∑t>0 >= 0,37/2,42=0,153.
Расчеты показывают, что для обработки партии заготовок n = 200 шт на операции 05 станок мод. 1K282 будет загружен всего половину рабочей смены (3,45 ч, из которых почти час тратится на его наладку, техническое и организационное обслуживание). Стоимость выполнения операции получается низкой, а рациональность схемы операции ― коэффициент совмещения основного времени ― хорошая.
Расчет времени выполнения отдельных из оставшихся операций выполним по приближенным формулам, [14, с. 247―258, прил. 2].
Операция 10 ― протяжная. Длина шлицевой протяжки l = 800 мм:
t>шк>> >= 0,0005l·ψ = 0,0005·800·1,72 = 0,69 мин.
где ψ ― коэффициент, учитывающий вспомогательное и дополнительное время, [ 14, с. 259, прил. 3] .
Операция 25 ― зубофрезерная. Ширина венца B = 25 мм, число зубьев Z = 86:
t>шк >= 0,00943B·Z·ψ = 0,00943·86·25·1,66 = 33,6 мин.
Операция 30 ― закругление зубьев. Число зубьев Z = 86:
t>шк >=0,00384Z ψ = 0,0384·86·1,27=4,19 мин
Операция 40 ― шлифование по диаметру (d = 220) и обоим торцам венца (врезанием):
t>шк.>=3·0,0068d·ψ=3·0,0068·220·2.1=9,42 мин
и т. д. Расчетные значения норм времени вносят в соответствующие графы маршрутной :карты или карты технологического процесса. Другие примеры технологического нормирования- в : [5, с. 44-50 и с. 101-105; 7, с. 83-85; 14, с. 80, I20, 150; 23, c. I2I-I24; 29 и др].
14. ЭКОНОМИЧЕСКАЯ ОЦЕНКА ТЕХНОЛОГИЧЕСКОГО ПРОЦЕССА
При современном уровне развития технологии машиностроения имеется возможность изготовить практически любую деталь разними способами. Проектируя технологический процесс, важно установить его оптимальный вариант, отвечающий всем техническим и экономическим требованиям производства. Те же соображения относятся к необходимости выбора оптимального варианта выполнения каждой операции данного технологического процесса. Задача по определению эффективности вариантов сложна и трудоемка. Для практики студентам достаточно сравнить показатели эффективности только одной механической операции при выполнении ее двумя, тремя и более различными способами, на разном оборудовании с использованием различных инструментов, схем и режимов обработки поверхностей. Критерием целесообразности считают наименьшую технологическую себестоимость операции. Технологическая себестоимость ― часть себестоимости изделия, определяемая суммой затрат на осуществление технологических процессов изготовления изделия (ГОСТ 14.205―83). Для детали она складывается из стоимости материала или заготовки и себестоимости механической обработки (без учета накладных расходов). Выбор экономически наивыгоднейшего варианта построения операции проводят путем сравнения технологических себестоимостей выполнения операции в сравниваемых вариантах. Для определения технологической себестоимости рекомендуется применять упрощенный нормативный метод, расчета [11]. По результатам сравнения выбирают вариант, обеспечивающий наименьшую себестоимость выполнения данной операции.
Подробнее методика выполнения экономического сравнения вариантов излагается в примере 15. В табл. 9 приводятся итоговые показатели эффективности. Из анализа и сравнения этих показателей, в курсовых и дипломных проектах, должен следовать однозначный вывод о том, что принятый и изложенный в маршруте обработки вариант выполнения операции является наиболее выгодным. На учебном практикуме по технологии машиностроения вывод может получиться и отрицательным. В этом случае студент должен постараться самостоятельно определить и затем изложить ошибки, допущенные в процессе технологического проектирования. Объем текста с расчетами не должен превышать 2―3 с.
Пример15. Определить технологическую себестоимость и сделать заключение об экономической целесообразности выполнения операции 05 (см. пример 6) на станках мод. 1K282 (вариант I) и мод.1К341 (вариант II).
Технологическая себестоимость складывается из стоимостей материала (заготовки) и себестоимости обработки. Стоимость заготовки для сравниваемых вариантов одинакова и равна 206 коп (см. пример 3). Себестоимость обработки складывается из зарплаты станочника с начислениями З>С> и затратами на содержание и эксплуатацию оборудования З>ОБ>
По варианту I имеем: З>С1> = 2,76 коп; t>оп >= 0,55 мин и t>шк >= 1,03 мин (см. пример 14).
Для определения З>С2> по варианту II выполним техническое нормирование. Будем считать, что обработка на станке 1КЗ41 ведется c теми же режимами и таким же режущим инструментом (установленным попарно в б позициях револьверной головки), как и на станке 1K282. Приняв длительность обработки на каждой позиции, равной наибольшему неперекрываемому основному времени по табл. 8 и с учетом последовательности выполнения переходов определим основное время операции:
t>о2
>=
=
0,37+0,19+0,15+0,37+0,27+0,15 = 1,5 мин
Расчет вспомогательного (t>в>) и подготовительно-заключительного (t>пз>) времени выполним сложением составляющих элементов (табл. 9).
Оперативное время операции,
t>оп >= t>о>+t>в>> >= 1,5+0,61 = 2,11 мин,
в том числе время работы станка (станкоемкость)
=
t>о>+t>упр
>=
1,5+0,37
= 1,87 мин.
Примем время на техническое обслуживание рабочего места и перерывы 6% t>оп>>,>> >[5, c. 214, табл. 6,1], т. е.
t>д >= 0,06·2,11 = 0,13 мин,
а время организационного обслуживания 4%, т.е.
t>о об>>.>= 0,04·2,11 = 0,08 мин.
Таблица 9
Расчет вспомогательного и подготовительного времени операции
|
Содержание вспомогательных переходов или работ |
Количество |
Время, мин |
Сведения по [5] |
|
|
един. |
общ. |
|||
|
Взять заготовку, установить, закрепить, открепить деталь, отложить Переустановить заготовку в патроне. Включить и выключить станок кнопкой Провернуть револьверную головку в следующую позицию Подвести инструмент к детали Отвести инструмент в исходное положение Время измерения при 5% контроле партии n = 200 шт. (t>изм >) |
1 1 |
0,12 0,10 |
0,12 0,10 |
Табл. 5.1 с. 197 Табл. 5.8, с.202 Табл.5.14, с.208 |
|
t>уст>>. >= 0,22 |
||||
|
2+2 6 6 6 |
0,01 0,015 0,02 0,02 |
0,04 0,09 0,12 0,12 |
||
|
t>упр >= 0,37 |
||||
|
0,2 |
0,02 |
|||
|
Вспомогательное время t>в> = t>уст> + t>упр> + t>изм> = 0,22+0,37+0,02 = 0,61 мин |
||||
|
Установка резцов (по эталону) на многорезцовой державке попарно Установка резцов и зенкеров по эталону Установка упоров револьверной головки Получение инструмента, приспособлений, сдача на склад |
4 2+2 6 12 |
2 1 1 |
8 4 6 7 |
Табл.6.3, с.215 |
|
Подготовительно-заключительное время t>пз> = 25мин |
Полное штучно-калькуляционное время операции составит
t>шк>>.>= t>оп>+t>о об>+t>д>+t>нз>./n = 2,11+0,08+0,13+30/200 = 2,45 мин.
Зарплата токаря-револьверщика III разряда с начислениями за обработку одной детали
З>с>>2 >= t>шк>>2>·К = 2,45·2,68 = 6,57 коп,
где К = 2,68 коп/мин ― [11, с. 429, табл.21].
Затраты, связанные с содержанием и эксплуатацией оборудования, приходящиеся на одну деталь, определим нормативным методом [11]:
З>об>>i>>.>=t
·K>i>·M,
где
t
―
станкоемкость,
мин; К
―
коэффициент машино-часа по [11, с. 429,
табл.22] для многошпиндельного токарного
полуавтомата К>1
>=
2,2,
а для токарно-револьверного станка К>2
>=
1;
М ―
минутная стоимость работы станка,
принятого за эталон. При двухсменной
работе М = 0,594 коп/мин, [11, с. 431, табл.24].
Тогда
З>об1. >= 0,55·2,2·0,594 = 0,72 коп,
З>об2. >= 1,87·1,0·0,594 = 1,11 коп.
Все показатели технологической себестоимости сведем в таблицу 10
Таблица10
Показатели технологической себестоимости
|
Наименование показателей |
Вариант |
|
|
I |
II |
|
|
Модель станка |
1К282 |
1К341 |
|
Коэффициент машино-часа |
2,2 |
1 |
|
Трудоемкость операции, нормо-минут |
1,03 |
2,57 |
|
Станкоемкость операции, станко-минут |
0,55 |
1,87 |
|
Разряд станочника |
3 |
2 |
|
Зарплата станочника |
2,76 |
6,57 |
|
Затраты на содержание и эксплуатацию оборудования, коп. |
0,72 |
1,11 |
|
Стоимость заготовки, коп. |
206 |
206 |
|
Технологическая себестоимость, коп. |
209,48 |
213,68 |
Сравнение показателей позволяет заключить, что выполнять операцию 05 на станке мод. 1К282 целесообразнее. Производительность труда повышается более чем вдвое, а технологическая себестоимость обработки оказывается ниже. После обработки партии деталей ТВС 1Н61―02―116 станок легко перестроить для обработки других деталей.
Другие примеры экономического сравнения и обоснования вариантов техпроцессов приводятся в [5, c.39―50; 7, c.197―208; 11] и пр.
15. ПРОЕКТИРОВАНИЕ СХЕМ ТЕХНОЛОГИЧЕСКИХ НАЛАДОК ОБОРУДОВАНИЯ
Схемы технологических наладок оборудования разрабатывают для рабочих-наладчиков в условиях крупносерийного и массового производств, а при обработке сложных, дорогостоящих деталей – в условиях серийного и, даже, единичного производств. Наладки вычерчивают после того, как технологический процесс полностью разработан. На практических занятиях их составляют на одну подробно проработанную технологическую операцию, независимо то типа производства, конструкции детали и оборудования, для того, чтобы подтвердить, что студент хорошо представляет, как будет обрабатываться заготовка.
В комплект наладки входят: заготовка, инструмент, рабочая зона станка (оборудования) и станочного приспособления. Масштаб схемы может быть произвольным, но обязательно строчное соблюдение пропорций между всеми элементами схемы.
Первоначально вычерчивают заготовку в рабочем положении (смотреть со стороны рабочего-станочника). Контуры необрабатываемых поверхностей и сечений чертят синим цветом (карандашом, фломастером, шариковой ручкой и т.д.). Поверхности обрабатываемые (образующиеся на данном технологическом переходе) следует показывать красным цветом. Далее черными контурными линиями (простым карандашом) показывают элементы оборудования и оснастки. Обычный инструмент (резцы, фрезы, протяжки и др.) изображает в конечном положении, а инструмент для обработка отверстий (сверла, зенкера, развертки и пр.) ― в исходном.
На схеме приводят элементы приспособлений для крепления заготовки (кулачковые или цанговые патроны, центра, установочные и зажимные детали фрезерных приспособлений, кондукторные плиты сверлильных и т.д.) и элементы оборудования (передняя и задняя бабка, шпиндель, суппорт, стол, станина и пр.).
Наладки изображают в достаточном количестве проекций. Обязательно проставляют технологические размеры поверхностей, подлежащие выполнению на данном переходе. Все размеры проставляют с односторонними допусками: для валов ― в минус; для отверстий ― в плюс; для межцентровых расстояний и расстояниями между осями и базами ― плюс-минус (d >–>>Td>, D+Td, ATa> >). На каждую обрабатываемую поверхность с помощью условных символов ЕСКД ставят требуемую шероховатость. Если все поверхности обрабатывают с одинаковой шероховатостью, то ее указывает в правом верхнем углу схемы (или эскиза).
В необходимых случаях на схемах проставляют также размеры, необходимые для настройки инструмента и (или) размеры перемещений частей станка-циклограммы (быстрый подвод, рабочий ход, быстрый отвод и т.п.).
Кроме перечисленного схемы технологических наладок обязательно сопровождают следующей информацией:
— в левом верхнем углу формата шрифтом № 7 или 10 (по ГОСТ 2.304—68) пишут номер и наименование операции, наименование и модель станка, например: операция 05 — токарная, станок — токарный восьмишпиндельный полуавтомат мод. 1K282;
— в любом свободном месте по образцу, принятому на кафедре, вычерчивают таблицу с режимами обработки, в которой указывают: № позиции, № инструмента, его полное наименование, № стандарта и материал режущей части, глубину, подачу, скорость резания и частоту вращения шпинделя, а также основное время работы каждого инструмента и штучное время операции;
— особые технические требования к выполнению конкретной операции, если они диктуются необходимостью более полного понимания ее содержания (записывают обычно под схемой, слева от основной надписи).
Для первоначальной практики студентам достаточно составить схему технологической наладки на листе формата А1, А2 илиA3. При ее вычерчивании и оформлении следует руководствоваться образцами наладок, вывешенными (или из альбома) в кабинете курсового и дипломного проектирования.
16. ТЕХНОЛОГИЧНОСТЬ
Технологичность конструкции изделия — совокупность свойств конструкции изделия, определяющих её приспособленность к достижению оптимальных затрат при производстве, эксплуатации и ремонте для заданных показателей качества, объема выпуска и условий выполнения работ (ГОСТ 14.205—83, ЕСТПП).
Технологичность конструкции детали анализируют с учетом условий её производства, рассматривая особенности конструкции и требования качества как технологические задачи изготовления. Выявляют возможные трудности обеспечения параметров шероховатости, размеров форм и расположения поверхностей, делают увязку с возможностями методов окончательной обработки, возможностями оборудования и метрологических средств. Анализируют возможность тех или иных изменений, не влияющих на параметры качества детали, но облегчающих изготовление ее, открывающих возможности применения высокопроизводительных технологических методов и режимов обработки. Унифицируют элементарные поверхности деталей: фаски, галтели, канавки, резьбы отверстия и пр. Изменения, направленные на усовершенствование и повышение технологичности конструкции, вносят в чертеж детали. ГОСТ 14.201—83 устанавливает основные положения, систему показателей, последовательность и содержание работ по обеспечению технологичности. Согласно этому стандарту обязательными показателями технологичности являются: трудоемкость изготовления изделия, технологическая себестоимость и коэффициент использования материала.
Общие методики анализа технологичности конструкции детали (с примерами) приводятся в [5, с. 10-18; 7, с.31-35; 9, с. 160-182), в отмеченных стандартах и другой литературе. Пользуясь этими методиками, студенты делают качественные оценки различных показателей технологичности собственной детали, указывают (рассчитывают) количественные значения для трех обязательных показателей и одновременно стараются их улучшить, т.е. внести коррективы в чертеж. Объем раздела должен быть до одной страницы с.
17. ТИПИЗАЦИЯ ТЕХНОЛОГИЧЕСКИХ ПРОЦЕССОВ И ГРУППОВАЯ ОБРАБОТКА
Цель разработки типовых технологических процессов — систематизировать технологические процессы обработки деталей каждого класса; стандартизировать технологические процессы и добиться, чтобы обработка одинаковых или схожих конструктивно деталей осуществлялась с помощью общих, наиболее совершенных и эффективных методов.
Типовые технологические маршруты (процессы) разрабатываются: для обработки определенного класса деталей (валы, втулки, корпуса и др.) на всех технологических операциях; на стандартные и характерные типы деталей данного производства; на стандартные узлы и отдельные изделия; на ответственные, наиболее сложные и точные детали и узлы одного назначения, изготавливаемые на различных заводах; на отдельные прогрессивные методы обработки; на процессы сборки отдельных узлов и изделий. Они могут служить базой для разработки единичных техпроцессов изготовления прочих деталей и изделий.
Метод групповой обработки, является дальнейшим развитием идей типизации технологических процессов. При групповой обработке детали объединяют в классы, причем под классами понимают совокупность деталей, характеризуемую общность типа оборудования, необходимого для получения или обработки заготовки в целом или отдельных ее поверхностей, Далее формируются группы: основным признаком для объединения заготовок в группы по отдельным технологическим операциям является общность обрабатываемых поверхностей и их сочетаний.
Групповой технологической операцией называется общая для группы различных по конструктивным признакам заготовок операция, выполняема с определенной оснасткой, обеспечивающей обработку заготовок на данном типе оборудования.
Групповым технологическим процессом называется совокупность групповых технологических операций, обеспечивающих обработку различный заготовок группы (или нескольких групп) по общему технологическому маршруту. .
Организация групповой обработки с внедрением групповых поточных или автоматических линий, как и типизация технологических процессов, способствует росту производительности и эффективности производства.
Оба специальных вопроса рассматривают на аудиторных практических занятиях и подготовка к ним студентов сводится в этом случае к самостоятельной проработке материала по литературе [8 , с. 338-355; 9 , с. 283-293 и др.]
БИБЛИОГРАФИЧЕСКИЙ СПИСОК
Анурьев В.И. Справочник конструктора. В 3-х томах. – М.: Машиностроение, 1979.
Допуски и посадки: Справочник. Ч.1 и Ч.2./ В.Д. Мягков, М.А. Палей, А.Б. Романов, В.А. Брагинский. -М.: Машиностроение, 1982.
Детали машин. Атлас конструкций/Под ред. Н.Р. Решетова.- М.: Машиностроение, 1970.
Ансеров М. А. Приспособление для металлорежущих станков. -Л.: Машиностроение, 1975.
Горбацевич А.Ф., Шкред В.А. Курсовое проектирование по технологии машиностроения: Уч. пособие для вузов. - Мн.: Вышэйшая школа, 1983.
Егоров М.Е. Основы проектирования машиностроительных заводов. - М.: Высшая школа, 1969.
Дипломное проектирование по технологии машиностроения: Уч. пос. для вузов / Под ред. В.В. Бабука. - Мн.: Вышэйшая школа, 1979.
Маталин А.А. Технология машиностроения. -Л.: Машиностроение, 1985.
Основы технологии машиностроении / Под ред. B.C. Корсакова: Учебник для вузов. - М.: Машиностроение, 1977.
Справочник технолога машиностроителя. Т.1 / Под ред. А.Г. Косиловой и Р.К. Мещерякова. - М.: Машиностроение, 1985.
Справочник технолога машиностроителя. T.2 / Под ред. А.Г. Косиловой и Р.К. Мещерякова. - М.: Машиностроение, 1985.
Егоров М.Е. Технология машиностроения: Уч. для вузов/ М.Е. Егоров, В.И. Дементьев, В.Л. Дмитриев. - М.: Высшая школа, 1979.
Режимы резания металлов. Справочник /Под ред. Ю.В. Барановского. - М.: Машиностроение, 1972.
Картанвов С. А. Технология машиностроения. - Киев: Вища школа, I984.
Косилова А.Г. Точность обработки, заготовки и припуски в машиностроении. Справочник / А.Г. Косилова, Р.Л. Мещеряков, М.А. Калинин. -М.: Машиностроение, 1976.
Дунаев П.Ф., Леликов О.П. Расчет допусков размеров. -М.: Машиностроение I98I.
Технология машиностроения: Учебник для вузов / А.А. Гусев, Е.Р. Ковальчук, И.М. Колесов и др. - М.: Машиностроение, 1986.
Общемашиностроительные нормативы режимов резания для технического нормирования работ на металлорежущих станках. Часть I. Токарные, карусельные, токарно-револьверные, алмазно-расточные, сверлильные, строгальные, долбежные и фрезерные станки, - М.: Машиностроение, 1974.
Общемашиностроительные нормативы режимов резания для технического нормирования работ на металлорежущих станках. Часть II . Зуборезные, горизонтально-расточные, резьбонакатные и отрезные станки М.: Машиностроение, 1974.
Общемашиностроительные нормативы времени вспомогательного, на обслуживание рабочего места и подготовительно-заключительного на работы, выполняемые на металлорежущих станках. Среднесерийное и крупносерийное производство. - М.: Изд-во НИИ труда, 1984.
Общемашиностроительные нормативы времени и режимов резания на токарно-автоматные работы. - М.: Машиностроение, 1970.
Общемашиностроительные нормативы вспомогательного времени и времени на обслуживание рабочего места на работы, выполняемые на металлорежущих станках. Массовое производство. – М.: Экономика, 1988.
Проектирование технологических процессов механической обработки в машиностроении: Уч. пос. для вузов / Под ред. В.В. Бабука. -Мн.: Вышэйшая школа, 1987.
Проектирование технологии: Уч. для вузов /Под общ. ред. Ю.М. Соломинцева. - М.: Машиностроение, 1990.
Обработка металлов резанием: Справочник технолога/ Под общ. ред., А.А, Панова. - М.: Машиностроение, 1988.
Сборник задач и упражнений по технологии машиностроения: Уч. пос. для вузов / Под общ. ред. О.А.Горленко. - М.: Машиностроение, 1988.
Качество машин: Справочник. В 2т. Т.1 /А. Г. Суслов, Э.Д. Браун, Н.А. Виткевич и др. – М.: Машиностроение, 1995.
Технология машиностроения: В 2т. Т.1 Основы технология машиностроения: Уч. для вузов /Под ред. А.М. Дальскочи. - М.: Изд-во МГТУ им. Н. Э. Баумана , 1999-564с.
Балабанов А.Н. Краткий справочник технолога-машиностроителя М.: Изд-во стандартов, 1992.
Справочник технолога-машиностроителя. В2-х т. Т.1 / Под ред. А.М. Дальского, А.Т. Косиловой, Р.К. Мещерякова, А.Г. Суслова. –5-е изд. перераб. и доп. –М.: Машиностроение, 2001.
Справочник технолога-машиностроителя. В2-х т. Т.2 / Под ред. А.М. Дальского, А.Т. Косиловой, Р.К. Мещерякова, А.Г. Суслова. –5-е изд. перераб. и доп. –М.: Машиностроение, 2001.
Лебедев Л.В. Альбом технологических схем. Белгород изд-во БГТУ каф. ТМ и РК, компьютер –1экз., 2003.
Условно в ценах бывшего СССР