Технологическая линия производства мороженого
Курсовая работа на тему:
ТЕХНОЛОГИЧЕСКАЯ ЛИНИЯ ПРОИЗВОДСТВА МОРОЖЕНОГО
Содержание:
Введение.
Технологическая схема участка цеха производства мороженого.
Описание и расчет технологических параметров проецируемого аппарата.
Расчет вентиляции, воздухообмена и освещения производственного помещения.
Охрана труда и техника безопасности.
Мероприятия по охране окружающей среды.
Графическая часть.
Введение
Мороженое – это всегда довольно простая комбинация молочных продуктов с сахаром, желтками яиц и с различными вкусовыми добавками. Мороженое – высококалорийный продукт с большим содержанием жиров и углеводов.
История
Изобретением мороженого мы обязаны древним. Мороженое появилось еще в 5 веке в Китае. Китайцы смешивали снег с сотовым медом в серебряных кубах, гарнировали фруктами и хранили в этих серебряных кубах. Венецианский путешественник Марко Поло привез мороженое в Европу в конце 18 века. С тех пор мороженое стало излюбленным десертом. При Екатерине Медичи излюбленным мороженым французского королевского двора было мороженое с фруктами, взбитыми сливками и ликером.
Во времена Александра Македонского: делали это с помощью снега, который доставали быстрые бегуны-рабы с вершин гор. Это сейчас в летнее время каждые три секунды в мире съедается порция мороженого, а раньше это лакомство из-за быстрого таяния и дорогого производства было доступно только царям. А в 21 веке прогресс дошел до того, что теперь вкусный лед едят даже космонавты!
Скажи, какое ты ешь мороженое, я скажу какой у тебя характер
Современные ученые даже определили характер человека в зависимости от пристрастия к тому или иному виду мороженого (молодые люди, мотайте на склероз!). Если ваша пассия внимательно и увлеченно облизывает холодное лакомство, у нее есть все шансы стать кандидаткой в идеальные жены. Она в меру романтична, ценит уют и семейный уклад и дружелюбна. Если для девушки самым главным в мороженом является шоколадная глазурь и только потом то, что внутри – на ее интуицию и жизненный опыт можно положиться. Когда девушка начинает мороженое не сверху вниз, а наоборот, она является обладательницей довольно сложного характера. Она не ест мороженого? Тогда все может оказаться довольно запущенно. Люди, которые не едят мороженого чаще подвержены депрессиям и плохому настроению.Российское мороженое самое мороженое в России :
Мороженое найти легко-достаточно зайти в любой продуктовый магазин с 15-ю рублями в кармане. Хотите нечто экстравагантное? Предлагаю отправиться в Венесуэлу в кафе «Coromoto», в котором посетителям предлагают 709 сортов мороженого. Если вы желаете вкусно поесть и погреться на солнышке - купите билет до Сицилии: об итальянском мороженном ходят легенды!
Но наша страна тоже может дать фору! Например, самый большой снеговик из мороженого был сооружен в именно Москве. Его рост составлял около 2 метров, а вес – до 300 килограмм. Олицетворял он могущество России: сочетание белого, синего и красного цветов (цвета национального флага) было выполнено из сливочного, черничного и клубничного мороженого. А кондитеры-фантазеры изобрели мороженое для вампиров: если укусить, то в нем останутся кровавые следы, а палочка, на которой зиждется это сооружение, выполнена в форме осинового кола.
Технологическая схема участка цеха производства мороженого
Оборудование для производства мягкого мороженого. Непрерывное фризерование мороженого
Какая же технология производства мороженного? Из танков созревания смесь поступает в фризер непрерывного действия, где смесь взбивается и насыщается воздухом, охлаждаясь при этом от +4 °С до -5 °С в зависимости от сорта мороженого.
Количество воздуха, добавляемого в смесь, характеризуется как взбитость;
Мороженое, выходящее из фризера, имеет консистенцию мягкого мороженого.
Для производства мягкого мороженого здесь предлагается фризер непрерывного действия ФР600-ПРО
Фризер предназначен для непрерывного промышленного производства высококачественного мягкого мороженого производмтельностью до 600 л/час.
Фризер оснащен автономной фреоновой холодильной установкой, цилиндром с хромированной поверхностью, обеспечивающей эффективное фризерование.
Подача смеси мороженого и воздуха производится плунжерным насосом. Выход замороженной смеси из цилиндра производится посредством регулятора давления.
Фризер типа ФР-ПРО обслуживается с панели управления, а подача горячего газа хладагента обеспечивает точное регулирование вязкости и автоматически предотвращает дальнейшее замораживание смеси.
Спецификация:
двухплунжерный насос с электронной регулировкой скорости, регулировка взбитости смеси, цилиндр с внутренним покрытием из хрома, взбиватель из нержавеющей стали с 6 ножами, поршевой компрессор, работа на фреонах R22, R404, электрическая панель управления, электронный контроль вязкости отвердевания мороженого, корпус и каркас полностью выполнены из нержавеющей стали, V.380/3/50 Гц Автономная фреоновая установка , фризер оснащен автономной установкой Хладагенты - R22, R404.
Использование в конструкции кожухотрубного конденсатора обеспечивает простоту в обслуживании, гарантирует бесперебойную работу в условиях повышенного загрязнения и влажности.

Техническая информация
Производительность 150-600 л/час
Температура смеси на входе +4 °С
Температура мороженого на выходе -5 °С
Холодопроизводительность 10300 ккал/час
Взбитость 30-140%
Потребление охлаждающей воды из градирни +25/+28 °С
Суммарная установленная мощность 14,1 кВт
Непосредственно после выхода мороженого из фризера в него можно ввести дополнительные добавки: фрукты, варенье, изюм, орешки, частички шоколада и т.п.
Этот процесс производится путем присоединения к линии различных устройств. После напитывания мороженого производства различными ингредиентами смесь поступает в дозирующие устройства, формирующие вид мороженого.
Линии фасования и закаливания мороженого
Непосредственно после выхода мороженого из фризера в него можно ввести дополнительные добавки: фрукты, варенье, изюм, орешки, частички шоколада и т.п.
Этот процесс производится путем присоединения к линии различных устройств. После напитывания мороженого производства различными ингредиентами смесь поступает в дозирующие устройства, формирующие вид мороженого.

Закаливание мороженого
Производство мороженого не закончено до тех пор, пока оно не пройдет процесс закаливания до температуры не выше 20 °С. При производстве мороженого на наполнительных устройствах необходима транспортировка в закалочный туннель. Чем быстрее проходит закаливание мороженого, тем лучше его консистенция. «Простор Л» предлагает универсальные закалочные туннели для всех видов мороженого.


Состав туннеля:
камера из пенополиуретановых панелей
компрессорно-конденсаторный агрегат
конвейер с комплектом люлек
автономный привод
воздухоохладитель (фреоновый или аммиачный).
Возможны дополнительные опции:
Система ADAP-COOL. Осуществляет мониторинг всех параметров работы холодильной установки.
Дистанционная панель управления. Возможность оперативной регулировки температуры замораживания и скорости прохождения продукта в камере.
Конструкция участков загрузки - выгрузки может быть адаптирована к уже имеющейся технологической линии по подготовке и фасованию продукта.
Скороморозильные аппараты поставляются как для работы на фреоне, так и на аммиаке.
Хранение мороженого
После закаливания мороженое направляется в холодильную камеру или склад, где хранится на полках или поддонах при температуре -25 °С. Продолжительность хранения зависит от типа продукта, упаковки и поддержания постоянной низкой температуры и составляет 0-9 месяцев.
Основные преимущества складов хранения это тщательная предпроектная и проектная подготовка, учитывающая состав и количество поступающих на промежуточное хранение грузов, структурные потребности (наличие в составе склада специализированных помещений и камер) и другие особенности каждого конкретного проекта; строительство осуществляется из современных высокоэффективных и долговечных материалов, отличающихся постоянством своих характеристик с течением времени; монтаж склада осуществляется в кратчайшие сроки (3-6 месяцев), которые на порядок меньше, чем при строительстве традиционными методами;
отличное качество исполнения проекта обеспечивают высококвалифицированные монтажники, обладающие значительным практическим опытом.
Технологическая линия производства мороженого
Технологические линии и отдельные компоненты для любой производительности и любых типов мороженого.
Отличительной особенностью комплекса является возможность комбинирования оборудованием по желанию заказчика. Выполнение технологических операций: смешение, пастеризация, очистка, гомогенизация, охлаждение, созревание, фризерование.
Базовая технологическая схема

Оборудование.
1. Смесительная установка с системой пастеризации и охлаждения. Представляет собой термоизолированный резервуар выполненный полностью из нержавеющей стали, укомплектованный перемешивающим устройством, системами контроля технологических параметров, пультом управления. Рубашка с паровым или электро нагревом. Поставляется в комплекте с электрическим парогенератором.
2. Роторно-пульсационный аппарат РПА-1,5 ( 1500 л/ч ) или гомогенизатор плунжерного типа со степенью гомогенизации 95% марки А1-ОГ3М ( 500, 1600, 2500 л/ч ).
3. “Фризёр 30” , “Эльбрус 400” - периодического; Б6-ОФШ –непрерывного действия.
4. Насос роторный В3-ОРА производительностью 2 куб. м/ч или 10 куб.м/час
5. Соеденительная и запорная арматура , части трубопровода.
6. Холодильная машина МКТ-28, МКТ-20.
7. Парогенератор 1КЭП-160/0,4 (50-200 кг/ч) со ступенчатой регулировкой.
Назначение
- подготовки компонентов смеси мороженого, их непрерывной и автоматической подачи в смесительные емкости;
- создания высокодисперсной эмульсии смеси многокомпонентных составов;
- пастеризации в тонкослойном закрытом потоке с выдержкой и автоматическим контролем процесса пастеризации;
- последующей гомогенизации, охлаждения и созревания и подачи на фризерование.
Преимущества этой технологической линии:
1. Обеспечивается гарантированная производительность линии с соблюдением тепловых режимов обработки смеси в рамках рабочего графика (7 часов - рабочий режим, 1 час - мойка).
2. Используется экономичная и полностью замкнутая система подготовки теплоносителя с возвратом конденсата.
3. Управление кухней осуществляется с одного пульта (используется программируемый промышленный контроллер); все тепловые и временные режимы, текущее состояние единиц оборудования, вплоть до каждого конкретного клапана архивируются. Данные могут быть подняты по прошествии 1 года.
4. Поставка осуществляется монтажными узлами, что обеспечивает экономию денежных средств на монтаж и пусконаладочные работы.
5. Использование имеющихся у заказчика сервисных сред; низкое потребление теплоносителя, хладоносителя, малая производственная площадь.
6. Непрерывная технология производства с соблюдением повышенных санитарных норм.
Описание и расчет технологических параметров проецируемого аппарата
Установка пластинчатая охладительная.
Установка пластинчатая охладительная предназначена для быстрого тонкого охлаждения смесей мороженого в закрытом потоке после пастеризации, осуществляемой в емкостных аппаратах.
Установка смонтирована на станине, установленной на ножке. Состоит из секций рассольного и водяного охлаждений, в которых закреплены теплообменные пластины с помощью зажимных устройств, а также разделительной и напольной плит.
Установка снабжена пультом управления, в состав которой входит термометр сопротивлений, регулирующий клапан, вентиль запорный муфтовый, манометр и исполнительный механизм.
После смешивания компонентов пастеризации в емкостном аппарате, фильтрации и гомогенизации смесь мороженого температурой 80...86 °С подается в пластинчатый охладитель, где охлаждается двухступенчато — холодной водой и рассолом.

Расчет вентиляции, воздухообмена и освещения машин и оборудования
Охрана труда - система законодательных актов, социально-экономических, организационных, технических, гигиенических и лечебно-профилактических мероприятий и средств, обеспечивающих безопасность, сохранение здоровья и работоспособности человека в процессе труда. Научно-технический прогресс внес серьезные изменения в условия производственной деятельности работников труда. Их труд стал более интенсивным, напряженным , требующим значительных затрат умственной, эмоциональной и физической энергии. Это потребовало комплексного решения проблем эргономики, гигиены и организации труда, регламентации режимов труда и отдыха.
Охрана здоровья трудящихся, обеспечение безопасности условий труда, ликвидация профессиональных заболеваний и производственного травматизма составляет одну из главных забот человеческого общества. Обращается внимание на необходимость широкого применения прогрессивных форм научной организации труда, сведения к минимуму ручного, малоквалифицированного труда, создания обстановки, исключающей профессиональные заболевания и производственный травматизм.
Данный раздел курсовой работы посвящен рассмотрению следующих
вопросов:
1) определение оптимальных условий труда
2) расчет вентиляции;
3) расчет освещенности;
Определение оптимальных условий труда.
Рабочее место и взаимное расположение всех его элементов должно
соответствовать антропометрическим, физическим и психологическим требованиям. Большое значение имеет также характер работы. В частности, при организации рабочего места должны быть соблюдены следующие основные условия:
1. оптимальное размещение оборудования, входящего в состав рабочего места;
2. достаточное рабочее пространство, позволяющее осуществлять все
необходимые движения и перемещения;
3. необходимо естественное и искусственное освещение для выполнения поставленных задач;
4. уровень акустического шума не должен превышать допустимого значения.
5. достаточная вентиляция рабочего места;
Рациональная планировка рабочего места предусматривает четкий порядок и постоянство размещения предметов, средств труда и документации. То, что требуется для выполнения работ чаще, расположено в зоне легкой досягаемости рабочего пространства.
Создание благоприятных условий труда и правильное эстетическое оформление рабочих мест на производстве имеет большое значение как для облегчения труда, так и для повышения его привлекательности, положительно влияющей на производительность труда. Окраска помещений и мебели должна способствовать созданию благоприятных условий для зрительного восприятия, хорошего настроения. В служебных помещениях, в которых выполняется однообразная умственная и трудовая работа, требующая значительного нервного и физического напряжения и большого сосредоточения, окраска должна быть спокойных тонов - малонасыщенные оттенки холодного зеленого или голубого цветов.
Расчет вентиляции.
Вентиляция представляет собой систему технических средств, обеспечивающую регулярный воздухообмен в помещении. Она предназначена для удаления из помещения избыточного тепла, влаги, вредных газов и паров и создания наиболее благоприятного (отвечающего санитарно-гигиеническим требованиям) микроклимата и ионного состава.
Воздухообмен в помещении можно осуществлять естественным путем через форточку или вентиляционные каналы за счет разности температур и давлений воздуха внутри помещения и вне его. Такая вентиляция называется естественной или аэрацией.
Более эффективна искусственная механическая вентиляция, осуществляемая с помощью вентиляторов и эжекторов.
Сочетание естественной и искусственной вентиляции образует смешанную систему вентиляции.
Естественная вентиляция может быть неорганизованной, когда воздух подается в помещение и удаляется из него за счет инфильтрации через неплотности и поры наружных ограждений. Естественная вентиляция считается организованной, если она имеет устройства, позволяющие регулировать направление воздушных потоков и величину воздухообмена (вытяжные каналы, шахты, форточки и фрамуги зданий, аэрационные фонари и др.).
Естественная вентиляция позволяет подавать и удалять из помещений большие объемы воздуха без применения вентиляторов. Недостатком является зависимость ее эффективности от температуры наружного воздуха, силы и направления ветра.
Подачу приточного воздуха с помощью естественной вентиляции в теплый период года следует предусматривать на высоте не менее 0,3 м и не выше 1,8м, а в холодный период года — не менее 4 м от уровня пола .Общая площадь каналов для подачи воздуха через боковые световые проемы должна быть не менее 20% площади световых проемов, а фрамуги и жалюзи должны иметь устройства, обеспечивающие направление приточного воздуха вверх в холодный период года и вниз в теплый период года.
Этот вид вентиляции допускается в некоторых помещениях вспомогательных служб, на молокоприемных пунктах, низовых молочных предприятиях малой мощности.
Искусственная механическая вентиляция, осуществляемая за счет вентиляторов и эжекторов, позволяет в отличие от естественной вентиляции, подавать воздух в любую зону помещения или удалять его из мест образования различных вредностей: пыли, влаги, тепла, газов. В системах механической вентиляции можно предусматривать устройства для подогрева, увлажнения и очистки воздуха от пыли, а также его ионизацию.
Механическая вентиляция может применяться как для подачи воздуха в помещение, тогда она называется приточной, так и для удаления воздуха из помещения, тогда она называется вытяжной.
Приточно-вытяжная вентиляция обеспечивает приток воздуха в помещение и одновременно его удаление из помещения.
По месту действия вентиляция может быть общеобменной, местной и комбинированной. Общеобменная вентиляция осуществляет воздухообмен во всем помещении, а местная — лишь в определенных местах.
Системы механической вентиляции состоят из вентиляторов, устройств для забора и подачи воздуха, воздуховодов, фильтров и т.д.
Выброс загрязненного воздуха не следует допускать в непроветриваемые участки прилегающей территории.
Общеобменная механическая вентиляция применяется при равномерном расположении источников вредностей в помещении, а также при одно- или двустороннем их расположении.
Местная приточная вентиляция служит для создания требуемых условий воздушной среды в ограниченной зоне производственного помещения.
К установкам местной приточной вентиляции относятся воздушные души, оазисы и завесы.
Воздушное душирование применяется в горячих цехах на рабочих местах, характеризуемых воздействием лучистого тепла интенсивностью 300 ккал/м2ч и более. Скорость обдува должна составлять от 1,0 до 3,5 м/с. Установки воздушного душирования бывают: стационарные и передвижные.
Воздушные оазисы позволяют улучшить метеорологические условия на ограниченной площади помещения, которая для этого отделяется со всех сторон легкими передвижными перегородками и затапливается воздухом более холодным и чистым, чем воздух помещения.
Воздушные и воздушно-тепловые завесы устраиваются для защиты людей от охлаждения, проникающим через ворота холодным воздухом.
Местная вытяжная вентиляция служит для улавливания и удаления вредных веществ непосредственно у источника их образования и для предотвращения их распространения по всему помещению.
Устройства местной вытяжной вентиляции делают в виде укрытий или местных отсосов (вытяжные шкафы, кабины, камеры, боковые отсосы и т.п.). Внутри укрытия создается разрежение, благодаря которому вредные вещества не попадают в воздух помещения. Такой способ предотвращения попадания вредных выделений в помещение называется аспирацией.
Местные отсосы способны удалить до 75% всех выделений вредных веществ, значительно снижая их поступление в зону дыхания работающих.
Наиболее распространенными системами промышленной вентиляции являются комбинированные, при которых совместно с общеобменной вентиляцией используется и местная вентиляция. В этом случае за счет снижения воздухообмена достигается значительное снижение затрат .
Вентиляционные системы должны отвечать следующим основным требованиям:
1. Объем приточного воздуха в помещении должен соответствовать объему воздуха, удаляемого из помещения (допускается разница +10 – 15%). Эта разница определяется характером загрязнения помещения. Например, в чистых помещениях важно устранить неорганизованный приток воздуха через неплотности, что и достигается избыточным в них давлением. В помещениях с наличием источников загрязнения воздуха и других вредностей важно обеспечить пониженное давление .
2. Приток воздуха должен обеспечиваться в те части помещения или рабочие зоны, где объем выделения вредностей минимальный, а удаление — из зон с максимальным их выделением и из верхней зоны .
3. Вентиляционные системы не должны создавать дополнительные опасности (взрывы, пожары), быть надежными и экономичными в эксплуатации.
Расчет воздухообмена в производственных помещениях
При проектировании и расчете вентиляции учитываются климатическая зона, время года, наличие в воздушной среде вредностей (избыточного тепла и влаги, газов, пыли и т.д.).
Если в воздух помещения выделяется одновременно несколько вредных веществ однонаправленного действия, то расчет общеобменной вентиляции производится путем суммирования объемов воздуха, необходимых для разбавления каждого вещества в отдельности до ПДК.
При одновременном выделении нескольких вредных веществ разнонаправленного действия расчет воздухообмена ведется для каждого из них и для дальнейших расчетов вентиляции используют наибольшее значение воздухообмена.
Для помещения с нормальным микроклиматом и при отсутствии вредных веществ или содержании их в пределах норм (ПДК) воздухообмен определяется путем умножения количества работающих в помещении на нормируемую величину расхода воздуха на одного работающего :
Если на одного работающего приходится менее 20 м3 объема помещения, то 30 м3/чел, когда же на одного работающего приходится 20 м3 и более объема помещения, то > 20 м3/чел.
Воздухообмен для удаления из помещения вредностей в виде газов, паров, пыли и избыточной влаги рассчитывается по балансу вредностей:
В некоторых производственных помещениях возможно выделение избыточного тепла. Воздухообмен в таких помещениях рассчитывается по тепловому балансу:
Расчет основных параметров вытяжных устройств для естественной вентиляции
Суммарная площадь сечения вытяжных каналов определяется, исходя из необходимого воздухообмена для данного помещения и скорости воздушного потока в аэрационном канале или проеме.
Для усиления тяги через вентиляционные каналы на их верхней части устанавливают дефлекторы. Поток ветра, обтекая дефлектор, создает в канале некоторое разрежение, за счет которого скорость движения воздуха по каналу увеличивается.
При разработке оптимальных условий труда необходимо учитывать освещенность, шум и микроклимат.
На предприятиях молочной промышленности в производственных и бытовых помещениях, лабораториях и некоторых других помещениях следует предусматривать приточно-вытяжную общеобменную механическую вентиляцию (или кондиционирование) в сочетании, при необходимости, с местной вытяжной вентиляцией. Бытовые помещения, туалеты, помещения заквасочной, лаборатории должны иметь независимые системы общеобменной и местной вентиляции. Подаваемый в производственные помещения приточный воздух должен подвергаться очистке от пыли. Приточный воздух, поступающий в заквасочную и производственные помещения с открытыми технологическими процессами, цех детских молочных продуктов, в отделение производства стерилизованного молока с разливом в асептических условиях - в обязательном порядке должен очищаться от пыли на масляных и других фильтрах тонкой очистки. Оборудование, являющееся источником интенсивного выделения тепла, влаги и вредных веществ, должно снабжаться местными системами вытяжной вентиляции. Оборудование, являющееся источником пыли, должно быть обеспечено индивидуальными специализированными системами очистки (фильтрами, циклонами и т.п.). Низ приемного отверстия воздухозаборной шахты приточной вентиляции следует размещать на высоте не ниже 2 м от уровня земли.
Воздух, удаляемый системами вытяжной вентиляции, должен выводиться через вытяжные шахты высотой не менее 1 м выше уровня крыши. Выбросы в атмосферу из систем вентиляции следует размещать на расстоянии от воздухоприемных устройств приточной вентиляции не менее 10 м по горизонтали или 6 м по вертикали, при горизонтальном расстоянии менее 10 м. Вентиляционное оборудование следует размещать в технических помещениях (венткамерах), оборудованных для подавления шума и вибрации в соответствии с требованиями главы СНиП "Защита от шума", гигиеническими правилами и нормами и другими официальными документами. Эффективность работы систем вентиляции следует проводить в соответствии с Методическими указаниями "Санитарно-гигиенический контроль систем вентиляции производственных помещений".
Расчет освещенности.
Рациональное освещение рабочего места является одним из важнейших факторов, влияющих на эффективность трудовой деятельности человека, предупреждающих травматизм и профессиональные заболевания. Правильно организованное освещение создает благоприятные условия труда, повышает работоспособность и производительность труда. Освещение на рабочем месте должно быть таким, чтобы работник мог без напряжения зрения выполнять свою работу. Утомляемость органов зрения зависит от ряда причин:
1) недостаточность освещенности;
2) чрезмерная освещенность;
3) неправильное направление света.
Недостаточность освещения приводит к напряжению зрения, ослабляет внимание, приводит к наступлению преждевременной утомленности. Чрезмерно яркое освещение вызывает ослепление, раздражение и резь в глазах.
Неправильное направление света на рабочем месте может создавать резкие тени, блики, дезориентировать работающего. Все эти причины могут привести к несчастному случаю или профзаболеваниям, поэтому столь важен правильный расчет освещенности.
Расчет освещенности рабочего места сводится к выбору системы освещения, определению необходимого числа светильников, их типа и размещения.
В производственных помещениях наиболее приемлемо естественное освещение: световой коэффициент (СК) должен быть в пределах 1:6 - 1:8. В бытовых помещениях СК должен быть не меньше 1:10. Коэффициент естественного освещения (КЕО) должен быть предусмотрен с учетом характера труда и зрительного напряжения. При недостаточном естественном освещении следует применять искусственное освещение - преимущественно люминисцентные лампы. В помещениях с тяжелыми условиями труда или не имеющих постоянных рабочих мест (термостатные, хладостатные, солильные отделения, складские помещения и т.п.) следует использовать лампы накаливания. Искусственное освещение должно быть представлено общим во всех цехах и помещениях, а в производственных при необходимости - местным или комбинированным. Искусственное освещение выполняется посредством электрических источников света двух видов: ламп накаливания и люминесцентных ламп. Будем использовать люминесцентные лампы, которые по сравнению с лампами накаливания имеют существенные преимущества:
1) по спектральному составу света они близки к дневному, естественному освещению;
2) обладают более высоким КПД (в 1.5-2 раза выше, чем КПД ламп накаливания);
3) обладают повышенной светоотдачей (в 3-4 раза выше, чем у ламп накаливания);
4) более длительный срок службы.
При выполнении производственных операций, требующих особого зрительного напряжения, следует использовать комбинированное или местное освещение в зависимости от объема и характера работы.
Светильники с люминесцентными лампами должны быть оборудованы защитной решеткой (сеткой), рассеивателем или специальными ламповыми патронами, исключающими возможность выпадения ламп из светильников; светильники с лампами накаливания - сплошным защитным стеклом.
Светильники в помещениях с открытыми технологическими процессами (производство творога, сыра и других продуктов в ваннах без крышек) не должны размещаться над технологическим оборудованием, чтобы исключить возможность попадания осколков в продукт. Световые проемы запрещается загромождать тарой, оборудованием и т.п. внутри и вне здания. Не допускается замена стекол в световых проемах непрозрачными материалами.
В случае перепланировки, изменения в назначении производственного помещения, а также при переносе или замене одного оборудования другим, освещенность помещения в связи с новыми условиями должна быть приведена в соответствие с нормами освещения.
В помещениях, требующих особого санитарного режима (в заквасочной, отделении упаковки сыра в пленку, расфасовки детских молочных продуктов, лабораторных боксах и т.п.), следует предусматривать установку бактерицидных ламп для обеззараживания воздуха. Режим работы бактерицидных ламп должен соответствовать требованиям инструкции по их эксплуатации. Предприятия должны быть обеспечены кроме основного освещения аварийным.
Техника безопасности и правила эксплуатации
1. Для фризеров, холодильников, низкотемпературных прилавков: не допускаются перегрузки охлаждаемой камеры, это ухудшает условия хранения продуктов. Запрещается очищать испаритель оборудования от инея ножами или скребками, т.к. можно нарушить герметичность системы и выпустить из неё фреон. Не следует укладывать продукты вплотную к стенкам, хранить их на испарителе. Двери следует открывать как можно реже и не оставлять их открытыми, т.к. это приводит к потере холода и расходу электроэнергии. Не реже 1 раза в неделю оборудование промывают. Нужно периодически удалять пыль с агрегата, т.к. его загрязнение приводит к понижению холодопроизводительности. Не допускается эксплуатация машины при наличии искрения на приборах управления и контроля, а также появления масляных пятен в местах соединения трубок, что свидетельствует об утечке фреона и масла.
2. Для плиты: проверять санитарно-техническое состояние, заземление,
исправность переключателя. Не оставлять камфорку незагруженную в режиме сильного нагрева без присмотра.
Мероприятия по охране окружающей среды
Настоящие правила и нормы разработаны на основании Закона РСФСР "О санитарно-эпидемиологическом благополучии населения", Законов Российской Федерации "О защите прав потребителей", "О сертификации продукции и услуг" и "Положения о государственном санитарно-эпидемиологическом нормировании", утвержденного постановлением Правительства Российской Федерации от 5 июня 1994 г., N 625, и устанавливают гигиенические требования к производству и лабораторному контролю молока и молочных продуктов, обеспечивающие выпуск продукции, соответствующей медико-биологическим требованиям и санитарным нормам качества.
Все положения настоящего документа распространяются на все действующие, проектируемые и строящиеся предприятия молочной промышленности, включая комбинаты, заводы, цехи по производству сухих детских молочных продуктов, молочных продуктов для детей раннего возраста, независимо от их ведомственной принадлежности и форм собственности.
В целях охраны окружающей среды и здоровья населения для предприятий молокоперерабатывающей промышленности обязательно выполнение требований к санитарной защите окружающей среды в соответствии со следующими основными нормативными документами: СанПиН "Гигиенические требования к охране атмосферного воздуха населенных мест"; СанПиН "Санитарные правила и нормы охраны поверхностных вод от загрязнения"; СанПиН "Санитарные правила и нормы охраны прибрежных вод морей от загрязнения в местах водопользования населения"; Санитарные правила "Порядок накопления, транспортировки, обезвреживания и захоронения токсичных промышленных отходов" и др.
На предприятиях молокоперерабатывающей промышленности должны быть предусмотрены мероприятия, предотвращающие загрязнение окружающей среды за счет выбросов в атмосферу аэрозолей и газов; попадания в сточные воды шлама сепараторов; смывочных и промывных вод, содержащих жиры и белковые отходы, отработанные химические реагенты, дезинфицирующие и моющие средства и др.
Для сбора и удаления производственных и бытовых сточных вод предприятия должны быть канализованы; канализация может присоединяться к канализационным сетям населенных пунктов или иметь собственную систему очистных сооружений. При сбросе на очистные сооружения населенных пунктов условия отведения сточных вод определяются "Правилами приема производственных сточных вод в систему канализации населенных пунктов".
При наличии собственных очистных сооружений условия сброса очищенных сточных вод определяются "Санитарными Правилами и Нормами охраны поверхностных вод от загрязнения" и "Санитарными Правилами и Нормами охраны прибрежных вод морей от загрязнения в местах водопользования населения". Условия сброса сточных вод в обязательном порядке следует согласовывать с органами и учреждениями госсанэпиднадзора в каждом конкретном случае.
Загрязненность общезаводских стоков следует принимать по "Нормам технологического проектирования предприятий молочной промышленности"
В случае, если сточные воды предприятий являются потенциально опасными в эпидемиологическом отношении, они могут сбрасываться в водные объекты только после соответствующей очистки и обеззараживания до коли-индекса не более 1000 и индекса-фага не более 1000 БОЕ дм3 - в соответствии с "Санитарными правилами и нормами охраны поверхностных вод от загрязнений". Выбор методов обеззараживания должен быть согласован с органами и учреждениями госсанэпиднадзора.
На молокоперерабатывающих предприятиях должны быть предусмотрены мероприятия по очистке воздуха от вредных выбросов в атмосферный воздух, связанных с технологическим процессом: выделением пыли при сушке молока и расфасовке сухих молочных продуктов; газов и паров при копчении плавленого сыра, парафинировании сыров и т.д. Отработанный воздух, содержащий аэрозоли, перед его выбросом в атмосферу должен очищаться на фильтрах. Сбор твердых отходов следует проводить в металлические бачки или контейнеры с крышками и вывозить в отведенные места на организованную свалку. Предприятия, эксплуатирующие тот или иной природный объект, должны осуществлять систематический ведомственный контроль за состоянием окружающей среды и технический контроль за эффективностью работы сооружений по очистке сточных вод и фильтров вентиляционных установок. Мероприятия по охране окружающей среды должны разрабатываться администрацией предприятий совместно с территориальными центрами госсанэпиднадзора на основе инвентаризации производственных процессов и оборудования, являющихся источниками выделения вредных веществ.
Ответственность за выполнение разработанных на предприятии мероприятий по охране окружающей среды возлагается на администрацию предприятия.
Графическая часть
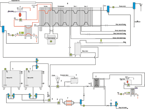
Технологическая схема линии производства мороженого.


• Состав линии
1. Охлаждаемые резервуары хранения
2. Смесительные ванны
3. Весовой бункер
4. Ёмкость для смешивания
5. Гомогенизатор
6. Пластинчатая 4х секционная пастеризационно-охладительная установка.
7. Сливкосозревательные ванны
8. Емкость смесей для мороженного
9. Пластинчатый охладитель
Установка пластинчатая охладительная.

Установка снабжена пультом управления, в состав которой входит термометр сопротивлений, регулирующий клапан, вентиль запорный муфтовый, манометр и исполнительный механизм.
1