Теплопостачання району міста
ЗМІСТ
|
Вступ 1 Розрахунок теплового споживання району міста
Висновки Перелік посилань на джерела |
Вступ
Житлові, громадські і промислові споруди в містах і робочих поселеннях є великими споживачами тепла. В житлових і громадських будівлях теплова енергія витрачається на комунально-побутові потреби і на забезпечення комфортних умов перебування людей в приміщеннях, що відповідають сучасному рівню розвитку техніки теплопостачання. В промислових спорудах, за умовами технології теплова енергія потрібна ще й для виготовлення різних видів продукції.
Необхідно відмітити, що споживання тепла з року в рік безперервно зростає. Збільшення споживання тепла в містах відбувається зі збільшенням кількості сучасних житлових та громадських будівель, що вводяться в експлуатацію, а також зі збільшенням втрат тепла при передачі та поганій ізоляції приміщень, що опалюються. В свою чергу ці будівлі характеризуються збільшенням норми корисної площі і норми витрати гарячої води на одну людину. Впровадження нових технологічних процесів і будівництво споруд з більш довершеними об’ємно-плановими досягненнями, що максимально відповідають функціонально-технологічному призначенню також вимагають збільшення споживання тепла.
Всі споживачі тепла умовно об`єднуються в дві групи: комунально-побутові і технологічні. До комунально-побутових відносяться споживачі теплової енергії в цілях опалення і вентиляції, а також для підігріву води.
У відповідності з призначенням кожна система, що є споживачем тепла, має свій режим роботи. Цей режим роботи визначається витратою тепла на протязі заданого проміжку часу, наприклад, однієї години, робочої зміни, доби, місяця, опалювального сезону або року.
Для задоволення теплових потреб передбачуються відповідні інженерні пристрої, що забезпечуються теплом від теплових мереж: системи опалення, вентиляції, кондиціювання повітря, гарячого водозабезпечення, а також теплотехнічне обладнання для технологічних цілей. Кожен пристрій має власне призначення і задовольняє, як правило, один з видів теплоспоживання.
Отже, завданням є спроектувати теплову мережу, яка має відповідати держстандарту, бути збалансованою, економічно виконаною, та в якій мають застосовуватись енергозберігаючі технології.
1 Розрахунок теплового споживання району міста
1.1 Розрахунок тепла на опалення
Максимальні витрати теплоти на опалення житлових і громадських будівель
QО=qF(1+K>В>) , Вт (1.1)
де q-укрупнений показник максимальних витрат теплоти на опалення 1 м2 житлової площі, Вт/м2
F-житлова площа району (населеного пункту), м2
К>В>-коефіцієнт, який враховує витрати теплоти на опалення громадських будівель.
Укрупнений показник максимальних витрат теплоти на опалення 1 м2 житлової площі приймається або визначається методом лінійної інтерполяції в залежності від розрахункової температури навколишнього повітря для системи опалення з таблиці 1.1:
Таблиця 1.1 – Укрупнений показник q максимальних витрат на опалення 1 м2 житлової площі
|
Розрахункова температура навколишнього повітря на опалення t>н.о.>, оС |
-10 |
-20 |
-30 |
-40 |
|
Укрупнений показник q , Вт/м2 |
128 |
153 |
175 |
186 |
Розрахункові температури навколишнього повітря t>н.о.> знаходяться в залежності від географічного розміщення населеного пункту по кліматологічних даних міста Харкова [1] і зведено в таблицю 1.2:
Таблиця 1.2–Кліматологічні дані міста Харкова
|
Температура навколишнього повітря, оС |
Тривалість опалювального періоду, діб |
|||
|
розрахункова для опалення |
розрахункова для вентиляції |
середня за опалювальний період |
||
Харків |
-23 |
-11 |
-2.1 |
189 |
Продовження таблиці 1.2
|
Число годин за опалювальний період з середньодобовою температурою, оС, навколишнього повітря, год |
||||||||
|
-27.5 |
-22.5 |
-17.5 |
-12.5 |
-7.5 |
-2.5 |
2.5 |
8 |
Всього |
|
10 |
46 |
189 |
411 |
754 |
1179 |
1255 |
692 |
4536 |
Для Харкова t>н.о.>= -23 оС
Вт/м2.
Значення коефіцієнта К>В> рекомендується приймати рівним 0.25 [2].
За формулою (1.1)
Вт.
Розрахунок тепла на вентиляцію
Максимальні витрати теплоти на вентиляцію громадських будівель визначаються з врахуванням коефіцієнта, який враховує теплові навантаження вентиляції громадських будівель району або населеного пункту, віднесеного до опалювального навантаження громадських будівель
QВ=К>В>`QO, Вт (1.2)
Для розрахунку рекомендується приймати К>В>`=0.4 [2].
За формулою (1.2)
Вт.
Розрахунок тепла на гаряче водопостачання
Середньотижневі витрати теплоти на гаряче водопостачання житлових і громадських будівель
,
Вт (1.3)
де m-число жителів району (населеного пункту), люд;
b-норма витрат гарячої води для громадських будівель, віднесена до одного жителя району, л/добу (приймаємо b=20 [2]);
а-норма витрат гарячої води при t>Г>=60 ОС на одного жителя, л/добу (приймаємо а=105, додаток 2 [1]);
t>Г>-температура гарячої води для систем гарячого водопостачання, ОС (приймаємо t>Г>=60 [2]);
t>ХЗ>-температура холодної води в опалювальний період, ОС (приймаємо t>ХЗ>=5 [2]);
С>Р>-масова ізобарна теплоємність води, кДж/(кгК) (С>р>=4.19);
-густина води (при t>Г>=60 ОС, =983.24, додаток 2 [1]).
За формулою (1.3)
,
Вт.
Середньотижневі витрати теплоти на гаряче водопостачання в літній період
,
Вт (1.4)
де t>хл >- температура холодної води в літній період, ОС, відповідно до [2] приймаємо t>хл>=15 оС.
За формулою (1.4)
Вт.
Максимальні витрати теплоти на гаряче водопостачання
Q>max>ГВ=К>m>Q>сер.т>ГВ, Вт (1.5)
Відповідно до [2] приймаємо, що К>m >= 2.2.
За формулою (1.5)
Вт.
Розрахункові витрати теплоти на опалення, вентиляцію, гаряче водопостачання і задане технологічне навантаження заносимо в таблицю 1.3:
Таблиця 1.3–Витрати теплоти
|
МВт |
МВт |
|
|
|
|
|
|
|
289.275 |
115.71 |
34.445 |
75.779 |
28.185 |
543.391 |
40.278 |
583.669 |
2 Визначення річної витрати теплоти споживачами
Річні витрати теплоти споживачами району або населеного пункту використовуються в техніко-економічних розрахунках при порівнянні варіантів систем теплопостачання, при визначенні витрат палива, при розробці режимів використання обладнання, графіків його ремонту і завантаження, а також при складанні графіка відпусток обслуговуючого персоналу.
З таблиці 1.2 вибираємо кліматологічні дані: тривалість опалювального періоду n>0>, тривалість дії різних температур навколишнього повітря за опалювальний період n>1>,n>2>,...n>m> , середньодобові температури, які відповідають цим періодам, t>n1.сер>...t>n2.сер>, а також розрахункові температури навколишнього повітря для проектування систем опалення t>Н.О.> і вентиляції t>Н.В.>, температура навколишнього повітря середня за опалювальний період t>Н.О.СЕР>.
Початком і кінцем опалювального періоду рахується температура t>Н.К.>=+8ОС. Оскільки підвід теплоти в приміщення через систему опалення призначений головним чином для компенсації тепловтрат теплопередач через зовнішні огородження. Теоретично, з врахуванням цієї обставини, початок і кінець опалювального періоду повинні здійснюватись при температурі навколишнього повітря, яка рівна допустимій або оптимальній температурі всередині приміщення. Однак з врахуванням тепловиділень всередині приміщень розрахункову температуру повітря всередині приміщення tр>В> приміщень, що опалюються, для житлових будівель приймають рівною 18оС, а початок і кінець опалювального періоду здійснюється при більш низькій температурі навколишнього повітря [2].
Річні витрати теплоти споживачами:
Q>річ>=Q>річ>О+Q>річ>В+Q>річ>ГВ +Q>річ>Т , МДж/рік (2.1)
Річні витрати теплоти на опалення:
, МДж/рік (2.2)
де t>ВР >-> >розрахункова середня внутрішня температура повітря опалювальних приміщень, ОС (t>ВР>=18оС [2]) ;
t>Н.О>сер- температура навколишнього повітря середня за опалювальний період, ОС;
n>О>- тривалість опалювального періоду, діб/рік.
За формулою (2.2)
,
Дж/рік.
Річні витрати теплоти на вентиляцію:
,
МДж/рік (2.3)
де n>В >- тривалість опалювального періоду з температурою навколишнього повітря t>Н><t>Н.В> , год/рік;
t>Н.В>сер> >- середня температура навколишнього повітря в інтервалі від початку опалювального періоду t>Н>=t>Н.К> до t>Н>=t>Н.В> , ОС.
Згідно таблиці 1.2
n>B >= n>1 >+ n>2 >+ n>3 >+ n>4 >= 10 + 46 + 189 + 411= 656 год.
ОС.
За формулою (2.3)
,
Дж/рік
Річні витрати теплоти на гаряче водопостачання:
,
МДж/рік (2.4)
де ГВЛ-коефіцієнт зменшення витрат води на гаряче водопостачання в літній період;
nГВ-тривалість роботи гарячого водопостачання, год/рік.
Для розрахунку, з [3] приймаємо, що nГВ=8400 год/рік, ГВЛ=0.8.
За формулою (2.4)
,
Дж/рік
Річні витрати на технологічні потреби:
Річні витрати теплоти на технологічні потреби визначаються на основі даних про режим роботи технологічного обладнання, вказаного в завданні.
>,
>МДж/рік
(2.5)
де n>Т>-тривалість використання теплоти для технологічних потреб, год/рік .
n>Т >= 24255 = 6120 год/рік (де 24-робочі години, 255-кількість робочих днів на рік).
За формулою (2.5)
Дж/рік.
Отже, за формулою (2.1), сума витрат:
Дж/рік.
3 Вибір джерела теплопостачання, теплоносія і типу системи теплопостачання.
Вибір джерела теплопостачання, теплоносія і типу системи теплопостачання залежить, головним чином, від сумарного теплового навантаження і технологічних споживачів і визначається, виходячи з технічних і економічних міркувань.
Обгрунтування вибору джерела проводиться на основі техніко-економічного розрахунку, головним критерієм якого являється величина і цільність теплового навантаження.
По сумарних витратах теплоти споживачами району вибирається тип джерела теплопостачання. Частіше всього джерелом теплопостачання використовують котельню або ТЕЦ. З економічної точки зору ТЕЦ доцільно вибирати, коли теплове навантаження району рівне або перевищує 600 МВт[1].
Оскільки теплове навантаження району в курсовому проекті становить 583.669 МВт, то як джерело теплопостачання використаємо котельню.
Вибір теплоносія (води або пари) проводиться в залежності від виду теплового навантаження.
Якщо теплове навантаження району (населеного пункту) включає тільки опалення, вентиляцію і гаряче водопостачання, то, як правило, використовується двохтрубна водяна система.
В даній роботі ми використаємо як теплоносій воду і двотрубну водяну систему.
Перевага двохтрубних систем теплопостачання полягає в мінімальній вартості теплових мереж в порівнянні з багатотрубними мережами. Необхідно відмітити, що теплова мережа є дуже дорогим спорудженням. Навіть при двохтрубних мережах капітальні затрати в теплові мережі співрозмірні з затратами, які вкладаються в джерело теплоти. До недоліків необхідно віднести необхідність місцевого регулювання відпуску теплоти в теплових пунктах, і відповідно, будова автоматичних систем. Одночасно ускладнюється режим роботи і схеми приєднання споживачів [7].
Вода як теплоносій, з енергетичної точки зору, вигідніше пари. Часто вода і пара рахуються рівноцінними теплоносіями по умовах забезпечення теплового режиму споживачів. Останній визначається середньою температурою теплоносія в абонентних теплообмінниках .
Велике значення при виборі теплоносія має розрахунок його параметрів. Підвищення параметрів теплоносія приводить до зменшення діаметрів теплопроводів, зниженню витрат енергії по транспортуванні теплоносія. Однак підвищення параметрів теплоносія доцільно тоді, коли джерелом теплопостачання являється котельня. Якщо джерелом теплопостачання являється ТЕЦ, то підвищення параметрів теплоносія може привести до зниження питомого вироблення електроенергії [1].
Основні переваги води як теплоносія в системах теплопостачання полягають в наступному:
більш високий ККД, оскільки: відпрацьована пара має менший тиск, що напряму веде до недовиробки електроенергії на тепловому споживанні; водяні тепломережі дозволяють використовувати ступінчатий підігрів мережевої води і цим ще збільшити виробку електроенергії теплофікаційним способом, яка перекриває витрату електроенергії на перекачку води;
підвищена акумуляційна здатність водяної системи теплопостачання, менші затрати на неї і більш дальнє теплопостачання;
можливість центрального регулювання теплових навантажень;
відсутність втрат якісного конденсату у споживачів. Вода водяних тепломереж менш якісна, тому її втрати обходяться дешевше.
Основні недоліки води як теплоносія:
велика чутливість до аварій, оскільки втрати води при аваріях в 20–40 разів більші, ніж пари. Це призводить до необхідності аварійного відключення мережі, тоді як парова мережа при аналогічному пошкодженні могла б деякий час залишатись в роботі;
надзвичайно жорсткий гідравлічний зв’язок між усіма точками системи, що призводить до гідравлічних розрегулювань мережі.
Вибір типу системи теплопостачання (відкритої або закритої) залежить, в основному, від якості вхідної води і умов водопостачання. По енергетичних показниках сучасні двохтрубні закриті і відкриті системи теплопостачання являються рівноцінними. Однак кожна із систем має свої переваги і недоліки.
Основними показниками тої чи іншої системи опалення є:
менша витрата металу;
менша витрата палива;
можливість регулювання тепловіддачі;
відповідність санітарно-гігієнічним нормам;
менша площа, що необхідна для розміщення опалювального обладнання;
менші експлуатаційні витрати.
В закритій системі теплопостачання система гарячого водопостачання приєднана до теплових мереж через водопідігрівач, в якому підігрівається водопровідна вода, яка поступає на водозабір. Теплоносій віддає теплову енергію водопровідній і повністю повертається до джерела теплоти.
У відкритій системі теплопостачання вода, що призначена для гарячого водопостачання забирається безпосередньо з теплової мережі. Таким чином, в цій системі використовується не тільки теплова енергія теплоносія, але й сам теплоносій [4].
В сучасному будівництві обидві системи отримали широке розповсюдження, однак вони мають різні показники і тому в однаковій степені не можуть задовольняти потреби різних споживачів.
В курсовому завданні передбачена закрита система, тому розглянемо її докладніше.
В закритих системах вторинний теплоносій ― водопровідна вода, що поступає в систему гарячого водопостачання, як правило, не піддається хімічній обробці. Обладнання що застосовується для цих цілей складне і кошторисне, вимагає висококваліфікованого обслуговування і займає багато місця, тому трубопроводи системи гарячого водопостачання в результаті корозії внутрішньої поверхні через наявність у водопровідній воді вуглекислоти досить часто виходять з ладу. Крім того, у водопідігрівачах на трубах, по яких проходить водопровідна вода, відкладається накип, що різко знижує ефективність їх роботи, а в ряді випадків приводить до швидко виходу їх з ладу. При водопостачанні об’єкту з артезіанських свердловин така вода, має підвищений склад солей жорсткості в порівнянні з водою з відкритих водоймищ, необхідна очистка водонагрівачів від накипу.
При закритій
системі теплопостачання споживачі
гарячої води приєднуються до теплових
мереж через водяні підігрівачі. Приєднання
може виконуватися за трьома схемами:
1) двохступеневого послідовного і
змішаного; 2) двохступеневого змішаного;
3) паралельного. Вибір цих схем визначається
відношенням максимальним витрат на
гаряче водопостачання Qгв>мах
> до
максимальних витрат тепла на опалення
Qо>мах>.
Якщо
, то використовується перша схема
приєднання, якщо
― друга схема приєднання, якщо
― третя схема приєднання [6].
.
Отже, вибираємо першу схему приєднання.
4 Регулювання відпуску теплоти споживачам
4.1 Регулювання відпуску теплоти споживачам
Системи теплопостачання являють собою взаємозв’язаний комплекс споживачів тепла, які відрізняються як характером, так і величиною теплоспоживання. Режими витрати тепла різними абонентами неоднакові. Теплове навантаження опалювальних установок змінюється в залежності від температури зовнішнього повітря, залишаючись практично стабільною на протязі доби. Витрата тепла на гаряче водопостачання і для певних технологічних процесів не залежить від температури зовнішнього повітря, але змінюється як по годинах доби, так і по днях тижня.
В цих умовах необхідна штучна зміна параметрів і витрат теплоносія у відповідності з фактичною потребою абонентів. Регулювання підвищує якість теплопостачання, скорочує перерозхід теплової енергії і палива. Якість централізованого теплопостачання і економічність виробленої теплоти джерелом теплопостачання, а також її транспортування залежить від вибраного методу регулювання.
Так як основним навантаженням міста є опалення, то доцільно здійснювати центральне регулювання відпуску теплоти по опалювальному навантаженні, поєднуючи його з місцевим, груповим чи індивідуальним регулюванням. Центральне якісне регулювання доповнюється на місцевих теплових пунктах (МТП) чи групових (ГТП) кількісними.
Центральне регулювання проводиться в центральних теплових пунктах для групи однорідних споживачів в ЦТП підтримується потрібна витрата і температура теплоносія, який поступає в розподільчу мережу.
Місцеве регулювання передбачене на абонентському вводі для додаткового коректування параметрів теплоносія з врахуванням місцевих факторів.
Індивідуальне регулювання здійснюється безпосередньо біля теплоспоживаючих приладів, наприклад біля нагріваючих приладів систем опалення, і доповнює інші види регулювання.
Якісне регулювання здійснюється зміною температури при постійній витраті теплоносія. Якісний метод є найбільш розповсюдженим видом центрального регулювання водяних теплових мереж.
Кількісне регулювання відпуску тепла проводиться зміною витрати теплоносія при постійній його температурі в подаючому трубопроводі.
Розрахунок якісного регулювання полягає у визначенні температур води в тепловій мережі в залежності від теплового навантаження при постійному еквіваленті витрати теплоносія W[7].
Побудова температурних графіків
Температурні графіки виражають залежність необхідних температур води в тепловій мережі від температури навколишнього повітря, тобто =f(t>н>).
Будуємо залежності >1>= f(t>н>), >2>= f(t>н>),
де >1> і>2> – температури води відповідно в прямому і зворотньому теплопроводі;
t>н> – плинне значення температури навколишнього повітря, оС.
Будуємо попередні температурні графіки з допомогою рівнянь:
,
оС
(4.1)
,
оС
(4.2)
, оС
(4.3)
де
- відносне теплове навантаження опалення.
Знаходимо попереднє значення температури точку злому t>пз> на перетині ліній >1>= f(t>н>) і лінії >1>=70оС. Температура точки злому графіка означає перехід від кількісного регулювання до якісного.
Визначаємо еквіваленти витрат теплоносіїв (водяних еквівалентів) для системи вентиляції.
Еквівалент витрат первинного (який нагріває) теплоносія
,
МВт/К (4.4)
де W>п>р – еквівалент витрат первинного теплоносія;
>1в>р – розрахункова температура теплоносія в прямому трубопроводі для систем вентиляції, оС (з графіка >1в>р = 112 оС);
>2в>р – розрахункова температура теплоносія в зворотньому трубопроводі після системи вентиляції, оС (з графіка >1в>р = 55 оС).
За формулою (4.4)
, МВт/К.
Еквівалент витрат вторинного (який нагрівається) теплоносія
, МВт/К
(4.5)
де W>в>р – еквівалент витрат вторинного теплоносія.
За формулою (4.5)
, МВт/К.
Розрахунковий середній температурний напір
, оС
(4.6)
За формулою (4.6)
, оС.
Режимний коефіцієнт калорифера для розрахункового режиму
(4.7)
де W>М>р – еквівалент теплоносія менший (первинний або вторинний), W>М>р = W>п>р , МВт/К.
За формулою (4.7)
.
Витрати теплоти на вентиляцію для плинної температури навколишнього середовища t>н>
, МВт
(4.8)
За формулою (4.8)
, МВт.
Допоміжний коефіцієнт
(4.9)
де W>в> – еквівалент витрат теплоносія для нерозрахункового режиму, МВт/К (W>в>=W>в>р).
За формулою (4.9)
.
Середній температурний напір прожиточного водоводяного підігрівача
, оС
(4.10)
де р>1ГВ> – розрахункова температура гарячої води на вході в підігрівач, оС;
р>2ГВ> – розрахункова температура води після підігрівача, оС.
За формулою (4.10)
, оС.
Еквівалент витрат первинного теплоносія системи гарячого водопостачання
, МВт/К
(4.11)
За формулою (4.11)
, МВт/К.
Еквівалентні витрати вторинного теплоносія системи гарячого водопостачання
, МВт/К
(4.12)
де t>Г> – температура гарячої води на виході із підігрівача, оС.
За формулою (4.12)
, МВт/К.
Параметр водоводяного підігрівача системи гарячого водопостачання
, МВт/К
(4.13)
За формулою (4.13)
, МВт/К.
Отримані дані вводимо в ЕОМ (програма teplo1.bas) і на основі роздрукованих вихідних даних будуємо температурні графіки.
По даних таблиці “Температурний графік опалення” будуємо графіки TAU1=f(t>H>), TAU2=f(t>H>) і TAU3=f(t>H>).
По даних таблиці “Температурний графік вентиляції” будуємо графік TAU4=f(t>H2>) для першого діапазону регулювання.
По даних таблиці “Температурний графік третього діапазону” будуємо графік TAU5=f(t>H3>).
Температурний графік вентиляції у другому діапазоні регулювання співпадає з графіком опалення о>2>=f(t>Н>)=в>2>.
По даних таблиці “Температурний графік гарячого водопостачання” будуємо графік TAU6=f(t>H4>).
Графіки зображені на рисунку 4.1.
Побудова графіка тривалості теплових навантажень
Графік тривалості теплових навантажень дозволяє врахувати повторність теплових навантажень на протязі року. Це необхідно знати для встановлення економічного режиму роботи теплового обладнання, вибору найвигідніших параметрів теплоносія, розрахунку вироблення енергії і т.п.
Цей графік являє собою залежність теплового навантаження від середньої температури навколишнього повітря і тривалості дії цих температур, тобто Q=f(t>Н>) і Q=f(n).
Графік будується в двох квадрантах: у верхньому лівому будуються залежності QO=f(t>Н>), QB=f(t>Н>), QГВ=f(t>Н>), Q=f(t>Н>) , де Q= QO+ QB+ QГВ>сер.т>.
У верхньому правому квадранті будується залежність сумарного теплового навантаження від кількості годин за опалювальний період з середньодобовою температурою навколишнього повітря для умов району або населеного пункту – району Харкова (Q= f(n)).
Значення Q переноситься з лівого квадранту на вісь ординат. На перетині значень сумарних теплових навантажень відповідно середньодобовій температурі навколишнього повітря, з числом годин за опалювальний період, відповідно до прийнятих значень середньодобової температури, отримують точки для побудови графіка в правому квадранті.
Побудова графіків проводиться з допомогою таблиці 4.1:
Таблиця 4.3.1 – Розрахункові теплові навантаження
Теплове навантаження, МВт |
Температура навколишнього повітря, оС |
||
|
t>нк> |
t>нв> |
t>но> |
|
|
|
70.555 |
204.609 |
289.275 |
|
при t>Н> t>НВ>
|
18.815 |
77.14 |
77.14 |
|
|
34.445 |
34.445 |
34.445 |
|
Всього |
123.815 |
316.194 |
400.86 |
Графіки зображені на рисунку 4.2.
Площа, обмежена осями координат і графіком тривалості сумарного теплового навантаження, дорівнює річним витратам теплоти споживачами району без врахування витрат теплоти на технологічні потреби.
Транспортування теплоносія. Визначення витрати
теплоносія.
Визначення витрат теплоносія
Розрахункові витрати теплоносія на опалення
, кг/с
(5.1)
де р>1> – розрахункова температура теплоносія в прямому теплопроводі, оС (приймаємо р>1>=150оС [1]);
р>2> – розрахункова температура теплоносія в зворотньому теплопроводі, оС (приймаємо р>2>=70оС [1]).
За формулою (5.1)
, кг/с.
Розрахункові втрати теплоносія на вентиляцію
, кг/с
(5.2)
За формулою (5.2)
, кг/с.
Розрахункові витрати теплоносія на гаряче водопостачання для закритих систем теплопостачання при двохступінчастих послідовній і змішаній схемах приєднання підігрівачів
, кг/с
(5.3)
де t>П> – температура водопровідної води після підігрівача першої ступені, оС (приймаємо рівним 5 оС [1]);
>2>0 – температура теплоносія в зворотньому теплопроводі в точці перелому графіка, оС (приймаємо рівним 5 оС [1]).
За формулою (5.3)
, кг/с.
Максимальні витрати теплоносія на гаряче водопостачання
, кг/с
(5.4)
За формулою (5.4)
, кг/с.
Розрахункові сумарні витрати теплоносія в двохтрубних магістральних і розподільних мережах закритих систем теплопостачання:
прямого трубопроводу
, кг/с
(5.5)
За формулою (5.5)
, кг/с;
зворотнього трубопроводу
, кг/с
(5.6)
За формулою (5.6)
, кг/с .
Тепловий розрахунок ділянки теплової мережі
Метою теплового розрахунку ділянки теплової мережі являється визначення теплових втрат теплопроводу, розрахунок температурного поля навантаження коло теплопроводу, що включає визначення температур ізоляції, повітря в каналі, стінок каналу і грунту, розрахунок падіння температури теплоносія вздовж ділянки теплопроводу, розрахунок товщини теплової ізоляції і вибір доцільного матеріалу теплової ізоляції.
Діаметр труби прямого і зворотнього теплопроводів магістральних або розподільних мереж визначається за формулою
, м
(5.7)
де – густина теплоносія відповідно в прямому і зворотньому трубопроводі, кг/м3 (>п>=916.93 кг/м3 для температури води в прямому трубопроводі 150оС, >з>=977.81 кг/м3 для температури води 70оС);
с – швидкість руху теплоносія, м/с (для прямого теплопроводу с=2.5 м/с, для зворотнього – с=1.5 м/с).
За формулою (5.7)
, м;
, м.
По ГОСТ 10706-76 вибираємо труби прямого і зворотнього теплопроводів з умовним проходом 900 мм; зовнішній діаметр 920 мм; внутрішній діаметр 898 мм, додаток 5 [1].
Вибираємо непрохідний канал типу 2КСІ20-150 (рисунок 5.2.1):
а=1570 мм, б=160 мм, в=1730 мм, h=296 мм, H=1500 мм.
Еквівалентний внутрішній діаметр непрохідного каналу
, м
(5.8)
де П – внутрішній периметр перерізу каналу, м (П=2(2а+б+Н)=9600 мм).

Рисунок 5.1 – Канал типу 2КСІ20-150
За формулою (5.8)
, м.
Термічний опір каналу і грунту
, мК/Вт
(5.9)
де – коефіцієнт тепловіддачі від повітря до внутрішньої поверхні каналу, Вт/(м2К) (= 8.14 Вт/(м2К) [8]);
>гр> – коефіцієнт теплопровідності грунту, Вт/(мК) (>гр>=1.5 Вт/(мК) [8]);
h – глибина закладення осі теплопроводу , м (h=1.5 м).
За формулою (5.9)
, мК/Вт.
Температура повітря в каналі
, оС
(5.10)
де t>о> – середньорічна температура навколишнього повітря (для підземних теплопроводів мілкого закладання (h/d>н><2) за температуру навколишнього середовища t>о> приймається температура навколишнього повітря t>н>, t>о>=-18 оС)
q=q>1>+q>2> – сумарні втрати тепла відповідно прямим і зворотнім трубопроводами (q>1>=252.88, q=432.68 , додаток 6 [1]) ,Вт/м.
За формулою (5.10)
, оС.
Термічний опір прямого теплопроводу
, (мК)/Вт
(5.11)
де сер>1> – середня температура теплоносія в прямому теплопроводі, оС (сер>1>=110 оС).
За формулою (5.11)
, (мК)/Вт.
Термічний опір зворотнього теплопроводу
, (мК)/Вт
(5.12)
де сер>2> – середня температура теплоносія в зворотньому теплопроводі, оС (сер>1>=40 оС).
За формулою (5.12)
, (мК)/Вт.
Термічний опір ізоляції прямого теплопроводу
, (мК)/Вт
(5.13)
де d>н1 >– зовнішній діаметр прямого теплопроводу з ізоляцією, м.
За формулою (5.13)
, (мК)/Вт.
Термічний опір ізоляції зворотнього теплопроводу
, (мК)/Вт
(5.14)
де d>н2 >– зовнішній діаметр зворотнього теплопроводу з ізоляцією, м.
За формулою (5.14)
, (мК)/Вт.
Товщина шару ізоляції прямого теплопроводу
, м
(5.15)
де >із> – коефіцієнт теплопровідності основного шару ізоляції (>із>=0.047, додаток 7 [1]), Вт/(мК);
d>1>- зовнішній діаметр ізолюючого прямого теплопроводу, м.
, м.
Товщина шару ізоляції зворотнього теплопроводу
, м
(5.16)
де d>2>- зовнішній діаметр ізолюючого зворотнього теплопроводу, м.
, м.
Перерахунок величин термічного опору поверхні ізольованого теплопроводу по знайденому >із> не проводиться, оскільки воно мале в порівнянні з R>із>.
Прокладання теплової мережі
Прокладання теплової мережі може бути підземним, наземним і надземним. Підземне прокладання виконується в непрохідних, напівпрохідних і прохідних каналах, а також безканально в залежності від конкретних умов.
Вибираємо підземне прокладення теплової мережі (оскільки воно найбільш поширене) в непрохідних каналах.
Для захисту теплопроводів від впливу грунтових, атмосферних і паводкових вод і для забезпечення вільного теплового продовження трубопроводи прокладають в каналах, кладучи їх на опори. В цілях виключення можливого попадання води в канали, шви між окремими його секціями щільно заповнюють цементним розчином, а зовнішню поверхню стін і перекриття покривають двома шарами бітума. Висока якість покриття досягається при механізованому нанесенні бітума.
Непрохідні канали застосовують для прокладання теплопроводів діаметром від 700 мм включно, не залежно від числа труб. Конструкція каналу залежить від вологості грунту. В сухих грунтах часто роблять блочні канали з бетонними або цегляними стінками, або залізобетонні одно- і багатокомірні.
5.4 Теплові пункти. Схеми приєднання споживачів до теплової мережі
Головне призначення теплового пункту полягає у встановленні і підтримуванні параметрів теплоносія на рівні, який забезпечує надійну і економічну роботу теплоспоживних установок.
Перевагою схеми приєднання через тепловий пункт є те, що тепловий пункт обслуговує одразу групу будівель, тому дозволяє обходитись без індивідуальних регуляторів. При цьому в якості імпульсу для регулювання опалення можуть бути використані або температура повітря в приміщенні, що опалюється, або температура повітря в пристрої. Що моделює температурний режим в приміщеннях.
На центральних теплових пунктах, як правило, розміщені центральні водоводяні підігрівачі для опалення і гарячого водопостачання, центральна змішувальна насосна установка мережевої води, підкачуючі насоси холодної водопровідної і мережевої води, прилади для вимірювань і автоматики. Кількість вузлів обслуговування при використанні центральних теплових пунктів зменшується, що спрощує експлуатацію. Зменшуються капіталовкладення на підігрівачі гарячого водопостачання, насосні установки, регулюючі пристрої. Однак збільшуються капіталовкладення на спорудження розподільчої мережі, оскільки замість двохтрубної мережі на цих участках необхідно споруджувати чотирьохтрубні розподільні мережі. Степінь централізації теплових пунктів визначається техніко-економічними розрахунками з врахуванням густини теплового споживання, планування району забудови і режимів теплового споживання.
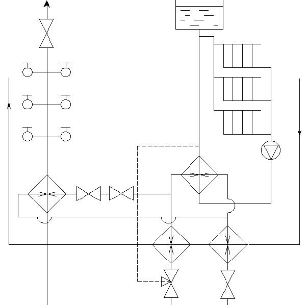
На рисунку 5.1 зображено схему теплового пункту для споживачів зі схемами приєднання О(Н), Г(АН),В(ДС), який складається з:
1 – моделюючий пристрій; 2 – вентилі теплової мережі; 3 – фільтр-грязовик; 4 – тепломір; 5 – регулятор опалення; 6 – насос опадення змішувальний; 7 – насос гарячого водопостачання циркуляційний; 8 – підігрівач нижньої ступені; 9 – підігрівач верхньої ступені; регулятор температури води; 10 – опалювальний пристрій; 11 – обробка води; 12 – водомір.
Схема приєднання споживачів до теплової мережі визначається видом їх теплового навантаження, температурним графіком роботи, видом і параметрами теплоносія на вході і призначення будівлі, що опалюється.

Рисунок 5.1 – Схема теплового пункту
Схема незалежного приєднання системи опалення до теплових мереж О(Н). Якщо тиск в зворотньому трубопроводі в тепловій мережі вище допустимого тиску для системи опалення, будівля має значну висоту, або розміщено на високому місці по відношенню до ближніх будинків, то системи опалення приєднують по незалежній схемі. Згідно з БНіП ІІ-Г.10-73, по незалежній схемі допускається приєднувати будівлі висотою 12 поверхів і вище. Незалежна схема рекомендується в будівлях, які призначені для зберігання художніх та інших цінностей (музеї, архіви та ін.). Незалежна схема основана на відділенні системи опалення від теплової мережі з допомогою теплообмінника, внаслідок чого тиск в тепловій мережі не може передаватися теплоносію системи опалення. Циркуляція теплоносія здійснюється з допомогою спеціально встановлених циркуляційних насосів. В якості циркуляційних насосів при встановленні їх в ІТП використовують безшумні безфундаментні насоси типу ЦВЦ, а при встановленні їх на ЦТП ― відцентрові насоси типу К і КМ. Незалежну систему, як правило, обладнують розширювальним сосудом. Витікання води з системи опалення поповнюються з теплової мережі автоматично по рівню води в бачку.
Схему з безпосереднім водозабором Г(БВ) на гаряче водопостачання приймають у випадку, якщо її доцільність підтверджується техніко-економічним розрахунком. При цьому необхідно враховувати питання експлуатації системи теплопостачання.
В залежності від температури навколишнього повітря на гаряче водопостачання наступає з подаючого або зворотного трубопроводу. При низьких температурах навколишнього повітря її беруть із зворотного трубопроводу, на початку опалювального періоду – з подаючого. Якщо температура теплоносія в подаючому трубопроводі вище 60оС, а в зворотному нижче 60оС, то воду приготовляють в змішувачі шляхом змішування з подаючого і зворотного трубопроводів.
Для підтримання необхідної температури води встановлюють регулятор температури, а для обробки – оброблювач води. Щоб виключити перетікання води через змішувач з подаючого в зворотній трубопровід, встановлюють зворотній клапан.
Схема приєднання двохступінчатої вентиляції В(ДС) є досить поширеною у житлових будинках. Холодне повітря подається в теплообмінник нижньої ступені, де нагрівається, а потім в теплообмінник верхньої ступені де догрівається до необхідної температури. Тепле повітря йде на вентиляцію приміщень.
На рисунку 5.2 зображено схеми приєднання споживачів до теплової мережі О(Н), Г(АН), В(ДС):
1 – обробник води; 2 – зворотній клапан; 3 – регулятор температури; 4 – водорозбірний кран; 5 – опалювальний пристрій; 6 – повітряний кран; 7 – підігрівач повітря нижньої ступені; 8 – підігрівач повітря верхньої ступені.

Рисунок 5.2 ― Схеми приєднання споживачів до теплової мережі
6 Вибір основного обладнання
Оскільки джерелом теплопостачання в курсовій роботі вибрана котельня, то необхідно підібрати котли і насоси.
Вибір котлів залежить від характеру теплових споживачів і вимог до виду теплоносія, тобто залежить від сумарних витрат теплоти і виду теплоносія з врахуванням його параметрів.
Сумарні витрати теплоти становлять 583.669 МВт. Вибираємо три котли типу КВ-ГМ-180, технічні дані яких заносимо в таблицю 6.1:
Таблиця 6.1 – Технічні дані котла типу КВ-ГМ-180
|
Тип котла |
Теплопродуктивність, МВт |
Площа поверхні нагріву, м2 |
Аеродинамічний опір, Па |
Габарити, мм |
|||
|
Нрад |
Нконв |
довжина |
ширина |
висота |
|||
|
КВ-ГМ-180 |
209 |
568 |
5320 |
1520 |
17500 |
14400 |
29380 |
Котли серії КВ – стальні, прямоточні, водогрійні Дрогобузького заводу, які працюють на мазуті і газі (ГМ).
Вибір живильних насосів здійснюється по сумарних витратах з урахуванням коефіцієнта запасу по подачі, який приймається в межах 1.05…1.1 і напорі, який приймається 100-400 кПа [1].
Подача насосів
, м3/год (6.1)
де V – сумарні обємні витрати, м3/год;
– густина теплоносія при нормальних фізичних умовах, кг/м3 (=1000 кг/м3).
Вибираємо насос типу СЕ5000-160.
Таблиця 6.2 – Технічна характеристика насосу СЕ5000-160
|
Показники |
СЕ5000-160 |
|
Витрати води, м3/год |
5000 |
|
Напір, МПа |
160 |
|
Допустимий кавітаційний запас, м (не менше) |
40 |
|
Робочий тиск на вході, кгс/см2 (не більше) |
10 |
|
Температура перекачуваної води, оС (не більше) |
120 |
|
ККД, % (не менше) |
87 |
|
Потужність, кВт |
2505 |
|
Витрата води на охолодження ущільнення і підшипників, м3/год |
2 |
|
Тип електродвигуна Потужність електродвигуна, кВт |
2500 |
|
Напруга електродвигуна, В |
6000 |
|
Частота обертання двигуна (синхронного), хв-1 |
3000 |
7 Охорона навколишнього середовища
Охорона навколишнього довкілля – одна з найважливіших проблем, яка стоїть перед нами наприкінці ХХ століття. При згоранні палива виникають продукти згорання, вихід яких з димовими газами в атмосферу шкодить рослинному і тваринному світу.
Серед цих продуктів згорання найважливішу роль відіграють літаючий попіл, оксид сірки, оксид азоту і оксид вуглецю. Для недопущення їх в атмосферу необхідно використовувати фільтри та попеловловлювачі на димових трубах, а також використовувати якісне пальне [7].
Одним із шляхів охорони довкілля є економія споживаної енергії. Основним шляхом економії енергії в будівництві є спорудження будівель з ефективним використанням енергії (БЕВЕ). БЕВЕ – це така будівля, в якій передбачені оптимальні на перспективу інженерні методи і засоби по ефективному використанні і економії енергії, використанню нетрадиційних теплоджерел.
Перш за все необхідно, щоб будівля, її захисні засоби були б з енергетичної точки зору найкращими. Немає змісту боротися за ефективне використання енергії на опалення в приміщеннях, які мають недостатній теплозахист, погано герметизовані. Розрахунки і досвід експлуатації приміщень (на власному досвіді) показує, що вигідніше в 2 рази додатково утеплити і герметизувати приміщення, ніж намагатися в погано захищеному приміщенні досягти такого ж результату за рахунок вдосконалення ефективності тільки системи опалення.
На енергоекономічний ефект впливають градобудівні рішення, аеродинаміка будівель, місце будівлі в забудованому районі, форма будівлі, аерація будівлі та інше. Врахування цих показників може значно (в1.5–2 рази) знизити споживання енергії для опалення будівель.
Для раціонального використання енергії в системах опалення будівель також доцільно використовувати конструктивні введення, як от теплонасосні установки, для яких джерелом тепла є навколишнє середовище, або системи низькотемпературного опалення, температура теплоносія на вході яких не перевищує 70оС. В системах низькотемпературного опалення можуть використовуватись як традиційні, так і нетрадиційні теплоджерела, на які в останнє десятиліття почали звертати особливу увагу. Також можливе використання систем опалення з використанням вторинних енергоресурсів, таких як відпрацьована пара, відходячі гази технологічного обладнання на паливі, відпрацьоване нагріте повітря [6].
Висновки
В курсовій роботі ми провели розрахунок тепла на опалення, вентиляцію, гаряче водопостачання та відповідні їм річні витрати теплоти для визначення теплового навантаження по заданій житловій площі. Також ми визначили річні витрати на технологічні потреби на основі даних про режим роботи технологічного обладнання.
Джерелом теплопостачання ми вибрали котельню (і відповідне їй обладнання), теплоносієм – воду, описали їх переваги і недоліки. Зробили опис заданої в завданні закритої системи теплопостачання.
Для встановлення економічного режиму роботи теплового обладнання ми виконали побудову температурних графіків та графіків тривалості теплових навантажень на основі даних, отриманих при розрахунку на ЕОМ (“teplo1.bas”).
Провели визначення витрати теплоносія, теплового розрахунку ділянки теплової мережі та визначили спосіб прокладання теплової мережі. Зробили описи теплових пунктів та схем приєднання споживачів до теплової мережі, та зобразили їх рисунки.
Також зробили огляд питання охорони навколишнього середовища.
Перелік посилань на джерела.
Методичні вказівки до курсової роботи по енергетичних установках для студентів спеціальності 10.04.01,Івано-Франківськ,1991.
Павлов И.И., Федоров М.Н. Котельные установки и тепловые сети,– М.: Стройиздат, 1986.
Павлов И.И., Федоров М.Н. Котельные установки и тепловые сети,– М.: Стройиздат, 1977.
Немцев З.Ф., Арсеньев Г.В. Теплоэнергетические установки и теплоснабжение: Учебное пособие для втузов. – М.: Энергоиздат, 1982.
Бромлей М.Ф., Щеглов В.П. Проектирование отопления и вентиляции производственных зданий,– М.: Издательство литературы по строительству, 1965.
Богословский В.Н., Сканави А.Н. Отопление: Учебник для вузов – М.: Стройиздат, 1991.
Козин В.Е., Левина Г.А. и др. Теплоснабжение.–М.: Высшая школа, 1980.
Строй А.Ф., Скальский В.Л. Расчёт и проектирование тепловых сетей, – К.: Будівельник, 1981.
Вступ
Житлові, громадські і промислові споруди в містах і робочих поселеннях є великими споживачами тепла. В житлових і громадських будівлях теплова енергія витрачається на комунально-побутові потреби і на забезпечення комфортних умов перебування людей в приміщеннях, що відповідають сучасному рівню розвитку техніки теплопостачання. В промислових спорудах, за умовами технології теплова енергія потрібна ще й для виготовлення різних видів продукції.
Необхідно відмітити, що споживання тепла з року в рік безперервно зростає. Збільшення споживання тепла в містах відбувається зі збільшенням кількості сучасних житлових та громадських будівель, що вводяться в експлуатацію, а також зі збільшенням втрат тепла при передачі та поганій ізоляції приміщень, що опалюються. В свою чергу ці будівлі характеризуються збільшенням норми корисної площі і норми витрати гарячої води на одну людину. Впровадження нових технологічних процесів і будівництво споруд з більш довершеними об`ємно-плановими досягненнями, що максимально відповідають функціонально-технологічному призначенню також вимагають збільшення споживання тепла.
Всі споживачі тепла умовно об`єднуються в дві групи: комунально-побутові і технологічні. До комунально-побутових відносяться споживачі теплової енергії в цілях опалення і вентиляції, а також для підігріву води.
Для задоволення теплових потреб передбачуються відповідні інженерні пристрої, що забезпечуються теплом від теплових мереж: системи опалення, вентиляції, кондиціонування повітря, гарячого водозабезпечення, а також теплотехнічне обладнання для технологічних цілей. Кожен пристрій має власне призначення і задовольняє, як правило, один із видів теплоспоживання.
Отже, завданням є спроектувати теплову мережу, яка має відповідати держстандарту, бути збалансованою, економічно виконаною, та повинна мати якнайменший негативний вплив на довкілля.
5.4 Теплові пункти. Схеми приєднання споживачів до теплової мережі
Головне призначення теплового пункту полягає у встановленні і підтримуванні параметрів теплоносія на рівні, який забезпечує надійну і економічну роботу теплоспоживних установок.
Перевагою схеми приєднання через тепловий пункт є те, що тепловий пункт обслуговує одразу групу будівель, тому дозволяє обходитись без індивідуальних регуляторів. При цьому в якості імпульсу для регулювання опалення можуть бути використані або температура повітря в приміщенні, що опалюється, або температура повітря в пристрої. Що моделює температурний режим в приміщеннях.
На центральних теплових пунктах, як правило, розміщені центральні водоводяні підігрівачі для опалення і гарячого водопостачання, центральна змішувальна насосна установка мережевої води, підкачуючі насоси холодної водопровідної і мережевої води, прилади для вимірювань і автоматики. Кількість вузлів обслуговування при використанні центральних теплових пунктів зменшується, що спрощує експлуатацію. Зменшуються капіталовкладення на підігрівачі гарячого водопостачання, насосні установки, регулюючі пристрої. Однак збільшуються капіталовкладення на спорудження розподільчої мережі, оскільки замість двохтрубної мережі на цих участках необхідно споруджувати чотирьохтрубні розподільні мережі. Степінь централізації теплових пунктів визначається техніко-економічними розрахунками з врахуванням густини теплового споживання, планування району забудови і режимів теплового споживання.
На рисунку 5.1 зображено схему теплового пункту для споживачів зі схемами приєднання О(Н), Г(АН),В(ДС), який складається з:
1 – моделюючий пристрій; 2 – вентилі теплової мережі; 3 – фільтр-грязовик; 4 – тепломір; 5 – регулятор опалення; 6 – насос опадення змішувальний; 7 – насос гарячого водопостачання циркуляційний; 8 – підігрівач нижньої ступені; 9 – підігрівач верхньої ступені; регулятор температури води; 10 – опалювальний пристрій; 11 – обробка води; 12 – водомір.

Рисунок 5.1 – Схема теплового пункту
Рисунок 5.1 ― Схема теплового пункту
Схема приєднання споживачів до теплової мережі визначається видом їх теплового навантаження, температурним графіком роботи, видом і параметрами теплоносія на вході і призначення будівлі, що опалюється.
Схема незалежного приєднання системи опалення до теплових мереж О(Н). Якщо тиск в зворотньому трубопроводі в тепловій мережі вище допустимого тиску для системи опалення, будівля має значну висоту, або розміщено на високому місці по відношенню до ближніх будинків, то системи опалення приєднують по незалежній схемі. Згідно з БНіП ІІ-Г.10-73, по незалежній схемі допускається приєднувати будівлі висотою 12 поверхів і вище. Незалежна схема рекомендується в будівлях, які призначені для зберігання художніх та інших цінностей (музеї, архіви та ін.). Незалежна схема основана на відділенні системи опалення від теплової мережі з допомогою теплообмінника, внаслідок чого тиск в тепловій мережі не може передаватися теплоносію системи опалення. Циркуляція теплоносія здійснюється з допомогою спеціально встановлених циркуляційних насосів. В якості циркуляційних насосів при встановленні їх в ІТП використовують безшумні безфундаментні насоси типу ЦВЦ, а при встановленні їх на ЦТП ― відцентрові насоси типу К і КМ. Незалежну систему, як правило, обладнують розширювальним сосудом. Витікання води з системи опалення поповнюються з теплової мережі автоматично по рівню води в бачку.
Схему з безпосереднім водозабором Г(БВ) на гаряче водопостачання приймають у випадку, якщо її доцільність підтверджується техніко-економічним розрахунком. При цьому необхідно враховувати питання експлуатації системи теплопостачання.
В залежності від температури навколишнього повітря на гаряче водопостачання наступає з подаючого або зворотного трубопроводу. При низьких температурах навколишнього повітря її беруть із зворотного трубопроводу, на початку опалювального періоду – з подаючого. Якщо температура теплоносія в подаючому трубопроводі вище 60оС, а в зворотному нижче 60оС, то воду приготовляють в змішувачі шляхом змішування з подаючого і зворотного трубопроводів.
Для підтримання необхідної температури води встановлюють регулятор температури, а для обробки – оброблювач води. Щоб виключити перетікання води через змішувач з подаючого в зворотній трубопровід, встановлюють зворотній клапан.
Схема приєднання двохступінчатої вентиляції В(ДС) є досить поширеною у житлових будинках. Холодне повітря подається в теплообмінник нижньої ступені, де нагрівається, а потім в теплообмінник верхньої ступені де догрівається до необхідної температури. Тепле повітря йде на вентиляцію приміщень.
На рисунку 5.2 зображено схеми приєднання споживачів до теплової мережі О(Н), Г(АН), В(ДС):
1 – обробник води; 2 – зворотній клапан; 3 – регулятор температури; 4 – водорозбірний кран; 5 – опалювальний пристрій; 6 – повітряний кран; 7 – підігрівач повітря нижньої ступені; 8 – підігрівач повітря верхньої ступені.

Рисунок 5.2 ― Схеми приєднання споживачів до теплової мережі
,
,
,
МВт
,
МВт
,
МВт
,
МВт
,
МВт
,
МВт


