Техническое обеспечение автоматической системы регулирования качества стабильного гидрогенизата
КУРСОВАЯ РАБОТА
по курсу «Технические средства автоматизации»
на тему:
«Техническое обеспечение автоматической системы регулирования качества стабильного гидрогенизата»
ЗАДАНИЕ
на курсовой проект (работу) студента
Морозова Алексея Сергеевича
Тема проекта (работы): техническое обеспечение автоматической системы регулирования качества стабильного гидрогенизата.
Срок сдачи студентом законченного проекта:
Исходные данные к проекту: материал эксплуатационной практики КИПиА на установке У-1.732.
Содержание расчетно-пояснительной записки (перечень подлежащих разработке вопросов): 1. Описание технологического процесса; 2. Описание технологический схемы; 3. Обоснование установки контура регулирования на объекте; 4. Выбор средств контроля и регулирования; 5. Расчет надежности контура регулирования; 6. Выбор способа резервирования.
Перечень графического материала: структурная схема регулирования, схема резервирования.
Дата выдачи задания:
Оглавление
Введение
Описание технологического процесса
Описание технологической схемы
Обоснование установки контура регулирования на объекте
Выбор средств контроля и регулирования
Расчет надежности контура регулирования
Выбор способа резервирования
Вывод
Список литературы
Приложение
Введение
Целью данного курсового проекта является разработка одноконтурной системы автоматического регулирования для колонны стабилизации установки гидроочистки фракции НК-350ºС У-1.732. Задачей САР является поддержание концентрации общей серы в стабильном гидрогенизате на заданном уровне (конечный продукт установки У-1.732).
1. Описание технологического процесса
Установка У-1.732 Астраханского ГПЗ предназначена для гидроочистки фракции НК-350ºС.
Гидроочистка – наиболее универсальный, эффективный и экологически предпочтительный процесс очистки нефтепродуктов от вредных примесей, который представляет собой селективный гидрогенолиз гетероорганических соединений серы, азота, кислорода и металлов.
Селективность этого процесса связана с тем, что энергия связи гетероатома с атомом углерода примерно на 100 кДж/моль ниже, чем энергия углеродводородной связи. При замещении гетероатома водородом выделяется соответствующий газ (сероводород, аммиак или вода), а при гидрировании металлосодержащих соединений замещаемый водородом металл откладывается в порах катализатора.
Катализатором процесса гидроочистки является алюмокобальт-молибденовый (АКМ) или алюмоникельмолибденовый (АНМ).
Процесс проводится при температурах 360-400 ºС и при повышенном давлении (4-6 МПа) и большом избытке водородсодержащего газа (300- 700 нм³/м³ сырья). Объемная скорость подачи сырья составляет 3,5-5 м³/ч на 1 м³ загрузки катализатора (зависит от начального и конечного содержания удаляемых примесей).
В зависимости от строения сернистых соединений, меркаптаны, сульфиды, алициклического строения, дисульфиды, простые тиофены при гидроочистки превращаются в парафиновые или ароматические углеводороды с выделением сероводорода.
Из всех сернистых соединений легче всего гидрируются меркаптаны, сульфиды, дисульфиды, труднее – тиофены. При одинаковых условиях первые гидрируются на 95%, а вторые – на 40-50%. Скорость гидрирования уменьшается с увеличением мольного веса нефтяных фракций.
Оборудование сформировано в один технологический поток.
2. Описание объекта управления
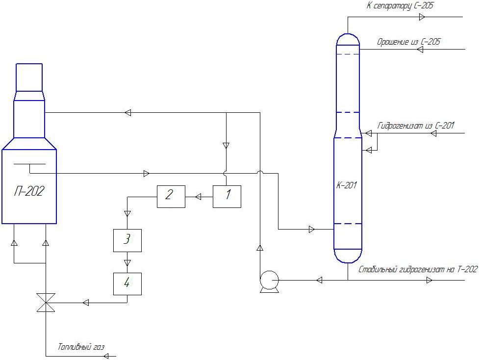
Объектом управления является ректификационная колонна К201, которая используется для стабилизации гидрогенизата.
Из сепаратора С201 на 14 тарелку стабилизационной колонны К201 с температурой до 170ºС и давлением 11 кгс/см² направляется подается нестабильный гидрогенизат, где из него выделяется бензин, сероводород, вода и углеводородный газ.
Снизу колонны насосом Н221/1,2 забирается часть стабильного гидрогенизата и направляется в печь П202, где нагревается до температуры 240ºС и подается вниз колонны для поддержания нужного температурного режима.
Балансовое количество стабильного гидрогенизата отдает свое тепло в теплообменниках Т202/1,2, воздушном холодильнике Х204 и выводится с установки с температурой 50ºС.
С верха стабилизационной колонны К201 уходят пары бензина, воды и углеводородный газ с сероводородом. После охлаждения в воздушном конденсаторе-холодильнике ХК201 и в водяных холодильниках Х209/1,2 до температуры 40ºС, смесь поступает в сепаратор С205, где происходит отделение углеводородного газа от жидкой фазы.
Углеводородная жидкая часть из сепаратора С205 забирается насосом Н203/1,2 и подается в верхнюю часть колонны стабилизации на орошение.
3. Обоснование установки контура регулирования на объекте
Основным показателем качества конечного продукта (стабильного гидрогенизата) установки гидроочистки У-1.732 является процентное количество серосодержащих соединений, которое не должно превышать 0,09%. В настоящее время содержание серосодержащих соединений в стабильном гидрогенизате определяется путем отбора проб конечного продукта установки, с последующих лабораторным анализом.
Стабилизационный блок установки У-1.732 предназначен для стабилизации гидрогенизата, т.е. удаления из него паров бензина, воды, углеводородного газа и остаточного сероводорода. Однако при нарушении температурного режима низа стабилизационной колонны К201 возможно наличие растворенного сероводорода в конечном продукте, что является недопустимым.
Следовательно, необходима установка системы автоматического регулирования для корректировки температура низа стабилизационной колонны с целью полного удаления сероводорода из конечного продукта установки (стабильного гидрогенизата).
4. Выбор средств контроля и регулирования
|
Тип ТСА |
Основные тех. характеристики |
Показатель надежности (среднее время наработки на отказ), час |
Обоснование выбора ТСА |
|
Поточный анализатор серы в нефтепро-дуктах SPECTRO 600T-LP |
Рабочая среда: дизельное топливо; керосин; газойль; бензин; нафта; реформат. Выходной сигнал: 4÷20 мА или цифровой. Концентрация серы: 0,005÷1 %. Скорость потока в кювете: Номинальная: 1л/мин; Максимальная: 3 л/мин. Технология измерения: рентгеновская флуоресценция. Время анализа: 240 секунд. Материал корпуса: нержавеющая сталь. |
≥50000 |
Коррозионостойкий корпус. Высокая точность измерения. Унифицированный выходной аналоговый сигнал. |
|
Микропроцессорный регулятор TROVIS 6412 |
Вход: 4÷20; 0÷20 мА; 2÷10; 0÷10; 0,2÷1; 0÷1В. Выход: 4÷20; 0÷20 мА; 2÷10; 0÷10 В. Макс. ток и напряжение: ±50мА; ±25 В. Напряжение питания: 230; 120; 24 В. Потреб. мощность: 18 ВА. |
≥40000 |
Компактные размеры. Дистанционное управление с помощью ПК (длина линии 1200м, возможно увеличение макс. до 4800 м). Унифицированные выходные и вход-ные аналоговые сигналы. |
|
Электропневматический преобразователь ЭП-0030 |
Вход: 0÷5; 0÷20; 4÷20 (мА). Выход: 20÷100 (кПа). Давление воздуха питания: 140±10% (кПа). Расход воздуха: Для питания-<2(л/мин); На выходе->30(л/мин). Основная погрешность: ±1%. Штуцерное соединение типа 00-01-1; 00-02-2; 00-03-3; 00-04-3. Тропическое исполнение. Масса: 1,2 кг. |
≥100000 |
Имеет коррозионно-стойкое исполнение (концентрация для сероводорода при нормальных условиях работы 10 мг/м³; в аварийных ситуациях в течение 3-4 часов концентрация сероводорода может достигать – до 100 мг/м³). |
|
Мембранно-исполнительный механизм МИМ 250 |
Ход штока: 25 мм. Резьба штока: М10. Вид действия: обратной. Исполнение: многопружинное. Перестановочное воздействие: 20÷100 кПа. Рабочее давление воздуха (давление в мембранной камере): 250 кПа. Вид ходовой характеристики: линейная. |
≥36400 |
|
|
Клапан запорно-регулирующий односедельный фланцевый 25с51нж |
Номинальный диаметр: 80 мм. Номинальное давление: 250 кПа. Перепад давлений: ≤160 кПа. Условная пропускная способность:10 м³/ч. |
≥10000 |
Совместим с МИМ 250. Высокая герметичность. Материал клапана нержавеющая сталь. Графитовое сальниковое уплотнение, повышающее надежность клапана. |
|
Пневматический позиционер ПП-3.2 |
Входной управляющий сигнал: 20÷100 (кПа). Давление питания: 250÷630 (кПа). Обеспечение условного хода штока: 6÷100 (мм). Допускаемая основная погрешность в процентах от условного хода МИМ: ±1%; ±2%. Расход воздуха в переходном режиме при давлении питания 400 кПа: 216,7 л/мин. |
≥50000 |
Уменьшение рассогласования хода и повышение быстродействия МИМ 250. Данный позиционер предназначен для применения на МИМ 250. |
|
Концевые выключатели крайних положений КВД-600.01 |
Макс. угол поворота: 360º. Рабочий угол: ≤90 º. Взрывозащита: 1ExdIICT6. Пыле-, влагозащита: IP65. Питание: 36 В. Потребляемый ток: 20 мА. Максимальный коммутируемый ток при постоянном напряжении 36 В: 0,3 А; при переменном напряжении до 250 В: 0,17 А. Температура окружающей среды: -60÷70 оС. |
5 млн. циклов переключения |
Для сигнализации 2х крайних положение РО. Имеет пожаро- взрывобезопасное исполнение. Отсутствие клеммной колодки. Возможность организации диагностики устройства из операторской. Коммутация цепей постоянного и переменного тока. |
|
Верхний ручной дублер |
- |
- |
Ручное управление РО при отсутствии воздуха (аварийная ситуация). |
|
Соединительный провод ПРПВ 2х1 |
Сечение жил: 2,5мм². 2 основных жилы и жила заземления. Электрическое сопротивление изоляции токопроводящих жил на длине 1 км - ≥80 Мом; при температуре 35ºС и относительной влажности до 98% - 50 МОм. |
≥15000 |
Рекомендован для использования с выбранными ТСА. Экранированный. Устойчив к синусоидальной вибрации, механическим ударам, линейному ускорению. |
5. Расчет надежности контура регулирования

Исходные данные:
-наработка
на отказ анализатора серы;
-наработка
на отказ соединяющего электропровода;
-
наработка на отказ регулятора;
-наработка
на отказ соединяющего электропровода;
-наработка
на отказ электропневматического
преобразователя;
-наработка
на отказ МИМ;
-наработка
на отказ запорно-регулирующего клапана.
Решение:
Т.к. все элементы системы работают в периоде нормальной эксплуатации, и имеет место простейший поток отказов, наработки элементов и системы подчиняются экспоненциальному распределению. Для экспоненциального распределения справедливы следующие зависимости:
функция
ненадежности.
функция
надежности.
функция
распределения плотности отказов.
функция
интенсивности отказов.
время
наработки на отказ.
Определим интенсивности отказов для каждого элемента контура регулирования:






Определим интенсивность отказов всего контура регулирования:


Определим время наработки на отказ контура регулирования:

Определим вероятность безотказной работы нерезервированной сис-темы в течение 1000 часов:

6. Выбор способа резервирования регулятора
Выбираем «холодное» (ненагруженное) резервирование регулятора, т.е. резервный регулятор не используется пока работает основной регулятор. В случае отказа или сбоя основного регулятора происходит переключение на резервный регулятор.
Такая схема резервирования позволяет максимально увеличить время наработки на отказ, т.к. до отказа основного, резервный регулятор не задействуется в работу.
Схема резервирования изображена ни рисунке 2 приложения.

При параллельном соединении время наработки на отказ увеличивается примерно в 1,5 раза (по приближенной формуле при n=2
):


Определим интенсивность отказов всего контура регулирования с учетом резервирования:

Определим время наработки на отказ контура регулирования:

Определим вероятность безотказной работы резервированной системы в течение 1000 часов:

Определим увеличение времени наработки на отказ с резервированием по сравнению с нерезервированной системой:

время наработки на отказ системы увеличилось на 2,73%.
Вывод
В ходе курсовой работы было произведено техническое обеспечение автоматической системы регулирования качества стабильного гидрогенизата. Были выбраны средства контроля и регулирования и обоснован их выбор. Был произведен расчет надежности контура регулирования, и предложена схема для резервирования самого ненадежного элемента контура.
Литература
Мановян А.К. Технология первичной переработки нефти и природного газа: Учебное пособие для вузов. 2-е изд. -М.: Химия, 2001.-568с.
Кулаков М.В. Технологические измерения и приборы для химических производств.-М.:Машиностроение,1983.-424с.
Мишин В.М. Переработка природного газа и конденсата.-М.: ACADEMIA,1999.-448с.
Постоянный технический регламент. Установка гидроочистки. Фракция НК-350ºС (книга 6, 24-Л-13360/6) от 13.01.1992г.
Методические пособие к практическим занятиям по курсу «Диагностика и надежность систем автоматизации» для студентов специальностей 220301 «Автоматизация технологических процессов и производств» –Астрахань.: АГТУ, 2007.- 22 с.
Техническое описание регулятора TROVIS 6412.
Техническое описание и инструкция по эксплуатации для преобразователей электропневматических ЭП-0000 (МП2.507.245 ТО).
Техническое описание и инструкция по эксплуатации для позиционеров пневматических ПП-3.
Техническое описание и инструкция по эксплуатации для МИМ 250.
Приложение

Рисунок 1.
Структурная схема регулирование.
Поточный анализатор серы в нефтепродуктах SPECTRO 600T-LP;
Регулятор TROVIS 6412;
Элетропневматический преобразователь ЭП-0030;
Мембранно-исполнительный механизм МИМ 250.

Рисунок 2.
Схема резервирования РО.
МИМ основного и резервного РО;
Электропневматический преобразователь.

3,8 – основной и резервный регуляторы.
9 – индикатор наличия сигнала на линии.
К1 – реле с нормально закрытыми контактами.