Технологический процесс изготовления детали (шток)
Курсовойпроект
на тему:
"Технологический процесс изготовления детали (шток)"
Дисциплина: Технология машиностроения
Содержание
Введение
1. Анализ служебного назначения машины, узла, детали
1.1 Характеристика установки
1.2 Характеристика узла
1.3 Краткое описание детали
2. Анализ технических требований и определение технических заданий при изготовлении детали
3. Определение типа производства и формы организации работы
3.1 Краткая характеристика выбранного типа производства
4. Анализ технологичности конструкции детали
5. Анализ существующего или типового технологического процесса
5.1 Формирование заданий проектирования
6. Выбор способа получения заготовки
6.1 Характеристика процесса ковки
6.2 Основные операции при ковке
6.3 Прокат
6.4 Сравнение способов получения заготовки
7. Разработка варианта технологического маршрута механической обработки детали
7.1 Выбор обоснование способов обработки поверхностей заготовки
7.2 Выбор и обоснование схем базирования и закрепления
7.3 Составление маршрутного технологического процесса и выбор оптимального
7.4 Обоснование выбора металлорежущих станков
7.5 Обоснование выбора другого технологического оборудования
8. Разработка операционной технологии
8.1 Разработка структуры операций
8.2 Расчет припусков на механичекую обработку поверхностей
8.3 Расчет режимов резания
8.4 Техническое нормирование операций
Литература
Введение
Машиностроительная отрасль является основной технологической базой определяющей развитие всей промышленности любой страны. Поэтому темпы роста машиностроения должны значительно превышать аналогичные показатели других отраслей народного хозяйства. В настоящее время машиностроение, как ни одна из других отраслей, сильно отстает от научно-технического прогресса, в связи со сложностью выпускаемого технологического оборудования. Новейшие выпущенные станки и другое оборудование являются, в настоящее время, морально устаревшими, так как очень много времени уходит на разработку конструкторской и технологической документации, подготовку производства и другие организационные работы. Поэтому в данный момент перед машиностроением стоит огромное число сложных и важных задач, таких как: планирование и разработка перспективных технологий; создание высокопроизводительных энерго- и материалосберегающих технологий; повышение качества и технического уровня машиностроительной продукции; применение средств автоматизации и механизации производства.
Для решения поставленных задач следует уделять больше внимания подготовке будущих специалистов. Уровень развития машиностроения - один из самых значимых факторов технического прогресса, так как коренные преобразования в любой сфере производства возможны лишь в результате создания более совершенных машин и разработки принципиально новых технологий. Развитие и совершенствование технологий производства сегодня тесно связаны с автоматизацией, созданием технических комплексов, широким использованием вычислительной техники, применением оборудования с числовым программным управлением. Все это составляет базу, на которой создаются автоматизированные производства, становятся возможными оптимизация технологических процессов, создание гибких автоматизированных комплексов.
Комплексная механизация и автоматизация производственных процессов, переоснащение машиностроительных предприятий современными металлорежущими станками, типизация и стандартизация технологических процессов, повсеместное внедрение в практику технологического проектирования электронных вычислительных машин привели к переоценке существующих методов проектирования. В настоящее время технологическое проектирование - это комплексная система взаимодействия средств и методов, обуславливающих создание высококачественной технологической документации на основе широкого применения стандартных технологических решений. Освоение машиностроительными предприятиями новой технологической документации создало предпосылки для разработки и внедрения автоматических систем управления производственными процессами в целом.
1. Анализ служебного назначения машины, узла, детали
Данная деталь производится в шестом цехе АО СНПО им. Фрунзе и входит в состав компрессорной установки ЧВМ 2,5-25,8’’.
1.1 Характеристика установки
Данная установка является двухступенчатым крейцкопфным компрессором двойного действия и предназначена для сжатия атмосферного воздуха. Крутящий момент передается от двигателя на кривошипно-шатунный механизм, который вращается со скоростью 750об/мин, далее через шток усилие передается на поршень первой ступени. Поршень создает давление в первом цилиндре компрессора. Далее через распределительные клапана сжатый воздух передается во второй цилиндр компрессора, где происходит повышение давления до рабочего значения.
Масса установки - 11100 кг
Габаритные размеры - 4680x3200x2090 мм
Техническая характеристика установки
Давление всасывания - атмосферное
Давление нагнетания - 0,8 Мпа
Рабочие температуры - 30...40Со
Производительность - 25 м3/мин
Данная установка может иметь широкое применение в народном хозяйстве.
1.2 Характеристика узла
Деталь “Шток" входит в состав узла: “Группа поршневая первой ступени", который состоит из следующих деталей:
Поршень
Шайба
Контргайка
Гайка
Стяжка
Шток
Кольцо направляющее
Кольцо уплотнительное
Экспандер
Болт М12x40.56
Проставка под бурт штока
Проставка под гайку штока
С помощью поршневой группы, а точнее с помощью поршня и уплотнительных колец, которые контактируют со стенками цилиндра создается давление в цилиндре компрессора. Причем так как компрессор двойного действия, то при движении поршня вперед в левой части цилиндра происходит сжатие, а в правой нагнетание; при движении штока назад камеры меняются местами. Давление на выходе первой ступени составляет 0,3МПа.
1.3 Краткое описание детали
Деталь “Шток" предназначена для передачи поступательного движения от кривошипно-шатунного механизма к поршню. Так как компрессор двойного действия, то на правой части цилиндра установлены уплотнительные кольца, обеспечивающие герметичность при движении штока назад. Линейная скорость движения штока V=2,5м/сек и для обеспечения высокой износостойкости рабочей поверхности применен соответствующий материал: Сталь 38Х2МЮ-АШ и произведено азотирование данной поверхности. Для уменьшения нагрева и износа уплотнительных колец, а также для уменьшения усталостных разрушений (так как шток работает при знакопеременных нагрузках) шероховатость рабочей поверхности должна быть незначительной. Для уменьшения концентраторов напряжений и увеличения срока службы штока все переходы между диаметрами выполняются со скруглениями и с небольшой шероховатостью, а резьба выполняется не нарезанием а накатыванием.
Шестигранник (пов.22) предназначен для закрепления штока в установке с помощью ключа.
Шпоночный паз (пов.3) предназначен для предотвращения проворота шайбы и отвинчивания контргайки.
Поверхность 14 притирается для обеспечения герметичности соединения с проставкой под бурт штока.
Анализ поверхностей
Шток базируется в узле поверхностями 8, 12, 14 - это основная конструкторская база. Поверхности 8 и 12 образуют двойную направляющую базу, поверхность 14 - опорную базу.
Поверхности 12,14 - вспомогательная конструкторская база для детали 11. Пов.12 - ДНБ, пов.14 - ОБ.
Поверхность 8 - вспомогательная конструкторская база для детали 12. Пов.8 - ДНБ.
Поверхность 5 - вспомогательная конструкторская база для детали 3. Пов.5 - ДНБ.
Поверхность 5 - вспомогательная конструкторская база для детали 4. Пов.5 - ДНБ.
Поверхности 5,3 - вспомогательная конструкторская база для детали 2. Пов.5 - ДОБ, пов.3 - ОБ.
Поверхности 1, 2, 4, 6, 7, 9, 10, 11, 13, 15, 16, 17, 18, 19, 21, 23, 24, 25, 27, 28, 29 - свободные.
Поверхности 5, 14, 20, 22, 26 - исполнительные.
В результате анализа можно сделать вывод, что деталь эксплуатируется в достаточно жестких условиях и обеспечения ее функционального назначения и надежной работы требуется высокая точность и качество исполнительных поверхностей.
2. Анализ технических требований и определение технических заданий при изготовлении детали
Количество видов и разрезов достаточно для полного представления о конструкции детали.
На чертеже не указаны квалитеты и отклонения линейных размеров.
Обозначения видов, разрезов и выносок указаны по правилам ЕСКД.
Не указаны линейные размеры проточки под резьбу, радиусы проточки нестандартны.

Нестандартные размеры канавок для выхода шлифовального круга.

Не указаны допуски угловых размеров.
Шероховатость рабочих поверхностей штоков 6го квалитета, диаметром 10-120мм Ra=0,63 - соответствует оптимальным
Нерабочие шейки валов, диаметром больше 18мм Ra=6,3 - требования по шероховатости завышены.

Шероховатость боковых поверхностей шпоночного паза Ra=5,0-1,25 - соответствует оптимальной.
Точность и шероховатость резьбы на концах штока 6g, Ra=1,25-0,63 - соответствуют оптимальным.
Чертеж содержит все необходимые допуски расположения поверхностей. Значения допусков расположения поверхностей назначены правильно. [2] Допуск соосности между рабочими участками штока необходим для обеспечения принципа взаимозаменяемости при сборке.
Допуск перпендикулярности торца буртика к 32h6 необходим для обеспечения герметичного соединения с проставкой и сборки без пригонки.
3. Определение типа производства и формы организации работы
Расчет выполнен для тов. Оспанов А.А. МВ-51
ИСХОДНЫЕ ДАННЫЕ:
Годовая программа200 шт.
Режим работы предприятия1 смен
Действительный годовой фонд работы2030 час. по [3, с.334]
Нормы времени операций по базовому техпроцессу приведены в таблице
Таблица 3.1 - РЕЗУЛЬТАТЫ РАСЧЕТА
|
Номер опер. |
Наименование операции |
Штучное время, мин |
Число станков, шт |
Коэффициент загрузки |
|
5 |
Токарная |
90.00 |
1 |
0.164 |
|
10 |
Разметочная |
4.80 |
1 |
0.009 |
|
15 |
Токарная |
30.00 |
1 |
0.055 |
|
20 |
Токарная |
60.00 |
1 |
0.109 |
|
25 |
Разметочная |
3.00 |
1 |
0.005 |
|
30 |
Сверлильная |
6.00 |
1 |
0.011 |
|
35 |
Токарная |
48.00 |
1 |
0.088 |
|
40 |
Токарная |
150.00 |
1 |
0.274 |
|
45 |
Фрезерная |
36.00 |
1 |
0.066 |
|
50 |
Шлифовальная |
180.00 |
1 |
0.328 |
|
55 |
Токарная |
60.00 |
1 |
0.109 |
|
60 |
Фрезерная |
112.00 |
1 |
0.022 |
|
65 |
Шлифовальная |
60.00 |
1 |
0.109 |
|
70 |
Токарная |
24.00 |
1 |
0.044 |
Коэффициент закрепления операций 35.69
Тип производства мелкосерийный
Форма организации производства групповая
Периодичность запуска 21 дней
Размер производственной партии 16 шт.
Такт выпуска 609.00 мин.
3.1 Краткая характеристика выбранного типа производства
Мелкосерийный тип производства характеризуется ограниченной номенклатурой изделий, изготовляемых периодически повторяющимися партиями и сравнительно большим объемом выпуска. Коэффициент закрепления операций 20-40.
Используется универсальное и специализированное и частично специальное оборудование. Широко применяются станки с ЧПУ, обрабатывающие центры, а также автоматизированные системы на основе станков с ЧПУ, связанных транспортирующими устройствами, управляемыми от ЭВМ. Оборудование расставляется по технологическим группам с учетом направления основных грузопотоков цеха, по предметно-замкнутым участкам.
Технологическая оснастка в основном универсальная, Большое распространение имеет универсально-сборная, переналаживаемая технологическая оснастка, позволяющая значительно повысить коэффициент оснащенности малосерийного производства.
В качестве исходных заготовок используется горячий и холодный прокат, литье в землю и под давлением, точное литье, поковки и точные штамповки.
Требуемая точность достигается как методами автоматического получения размеров, так и методами пробных проходов с частичным применением разметки для сложных корпусных деталей.
Квалификация рабочих выше чем в массовом производстве, он ниже чем в единичном. Наряду с рабочими универсальщиками и наладчиками, работающими на сложном универсальном оборудовании используются рабочие-операторы, работающие на настроенных станках.
В зависимости от особенности технологии производства и объема выпуска обеспечивается полная, неполная, групповая взаимозаменяемость, однако применяется и пригонка по месту, компенсация размеров.
Технологическая документация и нормирование подробно разрабатывается для наиболее сложных и ответственных заготовок и упрощенного нормирования для простых заготовок.
Применяемый режущий инструмент - универсальный и специальный.
Измерительный инструмент - калибры, специальный измерительный инструмент.
В соответствии с данным типом производства и порядком выполнения операций, расположения технологического оборудования устанавливается групповая форма организации технологического процесса, характеризуемая однородными конструктивно-технологическими признаками изделий, единством средств технологического оснащения.
4. Анализ технологичности конструкции детали
Показатели технологичности разбиты на две группы:
Таблица 4.1
|
Качественные показатели |
Количественные показатели. |
|
1. Материал детали. |
1. Коэффициент использования заготовки. |
|
2. Базирование и закрепление. |
2. Коэффициент использования материала. |
|
3. Простановка размеров на чертеже |
3. Коэффициент точности. |
|
4. Допуски формы и взаимного расположения |
4. Коэффициент шероховатости |
|
5. Взаимозаменяемость |
5. Коэффициент уровня технологичности по себестоимости. |
|
6. Нетехнологичные конструктивные элементы |
6. Коэффициент унификации конструктивных элементов |
I Качественная оценка
1) Материал детали
Сталь 38Х2МЮ-АШ - Сталь легированная конструкционная особовысококачественная с повышенными прочностью и вязкостью. Применяется для азотируемых деталей, работающих в условиях трения, и деталей точного машиностроения, для которых не допускается деформация при термической обработке.
Таблица 4.2 - Химический состав стали 38Х2МЮ-АШ в%
|
С |
Mn |
Si |
Cr |
Mo |
Al |
P |
S |
Cu |
Ni |
|
не более |
|||||||||
|
0,35-0,42 |
0,30-0,60 |
0, 20-0,45 |
1,35-1,65 |
0,15-0,25 |
0,70-1,10 |
0,025 |
0,025 |
0,30 |
0,30 |
Таблица 4.3 - Механические свойства
|
ГОСТ |
Состояние поставки |
Сечение |
>0,2> |
>B> |
>5> |
|
KCU Дж/см2 |
HB не более |
|
4543-71 |
Пруток. Закалка 9400С, вода или масло. Отпуск 6400С, вода или масло |
30 |
835 |
980 |
14 |
50 |
88 |
- |
|
8479-70 |
Поковки Закалка, отпуск |
100-300 |
590 |
735 |
13 |
40 |
49 |
235-277 |
|
Закалка 9500С, масло. Отпуск 5500С масло |
60 |
880 |
1030 |
18 |
52 |
49 |
250-300 |
Технологические свойства.
Температура ковки: начала 1240, конца 800. Сечение до 50мм охлаждение в штабелях на воздухе, 51-100мм в ящиках.
Свариваемость - сварка не применяется
Обрабатываемость резанием - в закаленном и отпущенном состоянии при HB240-277, >B>=780Мпа
Флокеночувствительность – чувствительна.
Склонность к отпускной хрупкости - не склонна.
2) Данная деталь типа вал - для обеспечения соосности наружных цилиндрических поверхностей целесообразно при их обработке для базирования применять центровые отверстия. Базирование и закрепление детали производится правильно на всех операциях. Деталь лишается всех необходимых степеней свободы. Схемы базирования реализуются закреплением детали с помощью приспособлений достаточно надёжно и экономически выгодно.
3) Так как деталь обрабатывается с двух установ, то размеры на чертеже проставлены от двух торцев, что позволяет совместить конструкторскую и технологическую базу.
4) Допуски формы и расположения вполне достижимы на применяемом оборудовании.
5) В производство детали заложен принцип взаимозаменяемости.
6) Анализ элементов детали на технологичность
1. Отношение длины штока к его диаметру больше 15 - шток нежесткий, для обеспечения необходимой точности (6кв) необходимо ограничивать режимы резания или использовать люнеты для увеличения жесткости. Это влечет за собой невозможность применения прогрессивных режимов резания, а при применении люнетов невозможность автоматизации установки и снятия заготовок.
2. Канавки имеют разные размеры и нестандартны, что требует применения специального инструмента.
3. Для фрезерования шестигранника необходимо специальное делительное приспособление.
4. Для обеспечения взаимного расположения шестигранника и шпоночного паза необходимо специальное приспособление на операции фрезерования паза.
5. Наличие поверхности с высокими требованиями к точности размеров и качеству поверхностного слоя требует применения контрольных операций, в особенности после азотации, которая может вызвать трещины в поверхностном слое и коробление штока.
6. Высокая твердость после азотации затрудняет дальнейшую мех. обработку.
7. Применяемый метод получения заготовки (ковка на молотах) влечет за собой большие и неравномерные припуски, а значит большой объем механической обработки и необходимость обдирки поверхностного слоя окалины.
II Количественная оценка
1) Коэффициент использования заготовки
Кз=Мд/Мз; (4.1)
Мд=4,54кг;
Мз=Vз*0,00785= 1251846,111285*0,00785= 9826,9г= 9,83кг (4.2)
Vз= (D>1>2*L>1>+ D>2>2*L>2>+ D>3>2*L>3>) */4; (4.3)
Vз= (502*180+602*50+452*476) *3,1415/4= 1251846,111285мм3
Кз=4,54/9,83= 0,46
2) Коэффициент использования материала
Км=Мд/ (Мз+Мотх); (4.4)
Мотх= 6%*Мз= 9,83*6/100= 0,59кг (4.5)
Км=4,54/ (9,83+0,59) =0,43
Таблица 4.4
|
N |
Наименование поверхности |
Количество |
Квалитет точности |
Параметр шероховатости |
|
1 |
Наружные поверхности |
7 |
6; 9; 14; 9; 14; 6; 6. |
1,6; 3,2; 3,2; 3,2; 3,2; 0,8; 1,6. |
|
2 |
Внутренние поверхности |
|||
|
3 |
Торцевые поверхности |
5 |
14; 14; 14; 14; 14. |
3,2; 3,2; 0,4; 3,2; 3,2. |
|
4 |
Отверстия |
|||
|
5 |
Фаски |
4 |
14; 14; 14; 14. |
3,2; 3,2; 3,2; 3,2. |
|
6 |
Пазы |
1 |
14 |
6,3 |
|
7 |
Канавки |
4 |
14 |
3,2 |
|
Итого: |
21 |
218 |
52,3 |
3). Коэффициент точности обработки.
Ктч=1- (1/Tср); (4.6)
Tср=T>i>*n>i >/ n>i> (4.7)
Tср=218/21= 10,38; Ктч=1- (1/10,38) =0,903
4). Коэффициент шероховатости поверхностей.
Кш=1/Шср (4.8)
Шср=Ш>i>*n>i >/ n>i> (4.9)
Шср=52,3/21= 2,49
Кш=1/2,49= 0,4
Из чертежа детали видно, что она содержит небольшое количество точных поверхностей, самые точные поверхности имеют 6ой квалитет, также деталь имеет небольшое количество поверхностей с высокими требованиями шероховатости.
Проведя анализ технологичности конструкции детали можно сделать вывод, что в целом деталь является технологичной, так как имеет небольшое количество поверхностей с высокой точностью и шероховатостью. Имеет развитые поверхности для базирования и закрепления при обработке.
Поверхности детали являются достаточно открытыми для свободного доступа инструмента. Обработка наружных поверхностей возможна проходными резцами.
Конструкция детали позволяет применять для мех. обработки станки с ЧПУ, что соответствует мелкосерийному типу производства.
Существующие точность и шероховатость рабочих поверхностей не могут быть изменены, так как они являются необходимыми для выполнения деталью своего служебного назначения.
Пути повышения технологичности:
1. Изменить способ получения заготовки с целью уменьшения припусков на механическую обработку.
2. Обеспечить повышение жесткости штока при обработке применением люнетов.
3. Необходимо стандартизовать размеры канавок под резьбу и для выхода шлифовального круга.
5. Анализ существующего или типового технологического процесса
5.1 Формирование заданий проектирования
От правильности назначения последовательности и перечня технологических операций напрямую зависит качество получаемой детали. Для правильной оценки технологического процесса необходимо руководствоваться типовым технологическим процессом. В качестве типового выбран техпроцесс обработки ступенчатых валов, но с учетом конструктивных особенностей и назначения исходной детали.
Последовательность операций: Последовательность операций соответствует типовому технологическому процессу:
подготавливаются технологические базы
производится обтачивание в три стадии: (черновое, получистовое, чистовое)
фрезеруют шестигранник
получистовое шлифование рабочих поверхностей
полирование поверхностей под азотацию
накатывание резьбы
фрезерование паза
чистовое шлифование рабочих поверхностей
полирование 32h6
Общий анализ технологического процесса:
В заводском техпроцессе широко применяется разметка на операциях сверления и фрезерования. В связи с изменившимся типом производства предлагаю заменить разметку применением приспособлений. Применяемое оборудование по точности соответствует требованиям операций. Режущий инструмент в основном твердосплавный с напайными пластинами, марки инструментальных материалов выбраны в соответствии с типом операции, обладают высокой стойкостью и позволяют вести обработку на высоких режимах резания. Мерительный инструмент на операциях предварительной обработки - штангенциркуль и линейка, на чистовой и отделочной стадиях - предельные калибры-скобы. Данный мерительный инструмент позволяет вести измерения с необходимой точностью.
Так как шток это ответственная деталь, то в техпроцессе предусмотрены операции дефектоскопии. Первая - ультразвуковая, после чернового обтачивания: необходима для контроля за наличием пустот в объеме штока. Вторая - магнитная, проводится перед азотацией: необходима для контроля состояния поверхностного слоя штока.
Заготовка: На заводе данная деталь производилась в условиях единичного производства, этому производству соответствовал способ получения заготовки - ковкой на молотах, который характеризуется большими и неравномерными припусками, большими допусками. В связи с этим была необходимость введения обдирочных операций, большой объем механической обработки, а также сложность использования в качестве черновых баз наружных цилиндрических поверхностей. В связи с изменившимся типом производства предлагаю изменить способ получения заготовки на более точный с соответствующими технико-экономическими расчетами.
Анализ операций:
Операция 015 - Токарная
На данной операции мех. обработки производится подготовка технологических баз для обработки наружных цилиндрических поверхностей - центровых отверстий и торца. Операция выполняется на токарно-винторезном станке 1М63 с установкой в 4х кулачковый патрон с упором в правый торец, что обеспечивает двойную опорную и установочную базу. Данная схема базирования достаточна для обеспечения точности. Перед зацентровкой применяется размерка центрового отверстия после подрезки торца, т.к. заготовка имеет неравномерные припуски. Установка в 4х кулачковый патрон трудоемкая операция т.к требуется обеспечить отсутствие биения размеченного отверстия. Предлагаю заменить данную операцию на фрезерно-центровальную. Это позволит увеличить производительность обработки и повысить точность центровых отверстий.
Операция 025 - Токарная
На данной операции обрабатывается место для крепления поводка, производится отрезка образцов и обработка второго центрового отверстия. Операция выполняется на токарно-винторезном станке 1М63 с установкой в 4х кулачковый патрон с упором в правый торец, что обеспечивает двойную опорную и установочную базу. Данная схема базирования достаточна для обеспечения точности. Применяются резцы с напайными пластинами твердого сплава и центровое сверло из бысторежущей стали Р6М5 ГОСТ 14952-75; считаю, что режущий инструмент выбран правильно. Предлагаю оставить данную операцию, но изменить ее состав с учетом применения фрезерно-центровальной операции.
Операция 040 - Токарная
На данной операции производится черновое обтачивание штока перед ультразвуковой дефектоскопией. Операция выполняется на токарно-винторезном станке 16К20 с установкой в центрах (левый плавающий, правый вращающихся) с упором в левый торец, передача крутящего момента через хомутик. Данная схема базирования обеспечивает двойную направляющую и опорную базу. Соблюдается принцип совмещения баз. Применяемый инструмент: Резец правый проходной отогнутый 2102-0005 Т5К10 ГОСТ 18877-73, Резец подрезной 2102-0005 Т5К10 ГОСТ 18880-73 с напайными пластинами; считаю, что режущий инструмент выбран правильно. Предлагаю оставить данную операцию в техпроцессе со следующими изменениями:
В связи с уменьшением припусков целесообразно изменить применяемый инструментальный материал на более износостойкий, например Т14К8, который используется для работы по корке при относительно равномерном сечении среза и непрерывном резании.
В связи с увеличением объема выпуска применить для передачи крутящего момента вместо хомутика поводковый патрон с кулачками, что сократит время на установку и снятие заготовок.
Операция 055 - Радиально-сверлильная
На данной операции производится сверление предварительно размеченного отверстия 6мм на расстоянии 10мм от торца длинной части штока для подвески штока при термообработке. Оборудование - радиально-сверлильный станок 2М55. Шток устанавливается в призмах, что дает двойную направляющую базу, закрепляется прихватами. Данная схема базирования достаточна для обеспечения точности. Режущий инструмент: Сверло Р18 2301-4001 ГОСТ 2092-77. Считаю, что данный инструмент выбран правильно. Предлагаю оставить данную операцию в техпроцессе со следующими изменениями: вместо разметки применить сверление по кондуктору.
Операция 065 – Токарная.
На данной операции производится зачистка поверхности штока после термической обработки для установки люнета, при этом заготовка устанавливается в 3х кулачковый самоцентрирующийся патрон с поджатием центром, что обеспечивает двойную направляющую и опорную базу. Далее на люнете с переустановкой подрезаются торцы и производится центрование левого торца 4 и правка правого центрового отверстия 2,5. Предлагаю в связи с изменившимся типом производства заменить данную операцию на фрезерно-центровальную, что позволит повысить производительность обработки и точность центровых отверстий.
Операция 070 - Токарная с ЧПУ.
На данной операции выполняется получистовое и чистовое обтачивание штока с переустановкой с припуском под шлифование 32 и 36, а также проточка канавок. Операция выполняется на токарно-винторезном станке с ЧПУ 16К20Т1 с установкой в центрах (левый плавающий, правый вращающийся) с упором в левый торец, передача крутящего момента через хомутик. Данная схема базирования обеспечивает двойную направляющую и опорную базу. Соблюдается принцип совмещения баз для диаметральных размеров. Для линейных размеров точность обеспечивается за счет привязки “0” системы ЧПУ к правому торцу заготовки. Применяемый инструмент:
Резец проходной Т15К6 2103-0713 ГОСТ 20872-80 с механическим креплением трехгранной пластины.
Резец для контурного точения Т30К4 2101-0607 ГОСТ 20872-80 с механическим креплением параллелограммной пластины.
Резец канавочный Т5К10 К01-4112, канавка под резьбу.
Резец канавочный Т5К10 ТУ 2 035-558-77, канавка для выхода шлифовального круга.
Резец канавочный Т5К10 ТУ 2 035-558-77, канавка для выхода шлифовального круга.
Считаю, что режущий инструмент выбран правильно. Предлагаю оставить данную операцию в техпроцессе со следующими изменениями:
Так как для операций с ЧПУ не рекомендуется переустановка заготовок, то считаю целесообразным разбить данную операцию на две с одним установом на каждой.
В связи с увеличением объема выпуска применить для передачи крутящего момента вместо хомутика поводковый патрон с кулачками, что сократит время на установку и снятие заготовок.
Операция 075 - Вертикально-фрезерная
На данной операции выполняется фрезерование шестигранника в размер 27>-0,52> на длину 10мм с помощью делительной головки. Операция выполняется на вертикально-фрезерном станке 6Р12 с установкой в центрах (левый в делительной головке, правый на столе станка) центра жесткие, передача крутящего момента через хомутик. Данная схема базирования обеспечивает двойную направляющую и опорную базу. Соблюдается принцип совмещения баз. Режущий инструмент: Фреза торцовая 100 ГОСТ 22075-76 с механическим креплением пятигранных пластин Т14К8, число зубьев 6. Режущий инструмент выбран правильно. Предлагаю оставить данную операцию без изменений.
Операция 080 – Круглошлифовальная.
На данной операции производится получистовое шлифование поверхностей 36h9 до 36,04h9 и 32h6 до 32,04h8, а также торец бурта выдержав размер 178H24. Операция выполняется на круглошлифовальном станке 3А164А с установкой в центрах и упором в торец (левый плавающий, правый жесткий), передача крутящего момента через хомутик. Данная схема базирования обеспечивает двойную направляющую и опорную базу. Соблюдается принцип совмещения баз. Данная схема базирования обеспечивает необходимую точность. Режущий инструмент: Круг 300x20x51 15А 50 СМ2 10К ГОСТ 2424-83. Инструмент выбран правильно. Мерительный инструмент: Скоба 36,04h9; 32,04h8 СТП 3300-2343-82 - позволяет быстро измерить полученные размеры. Предлагаю оставить данную операцию без изменения.
Операция 085 – Полировальная.
На данной операции производится полирование поверхности 32h6 под азотацию до 32,01>-0,016> Ra=0,4; радиусы R2 до Ra=0,8. Операция выполняется на токарно-винторезном станке 16К20 с установкой в центрах (левый плавающий, правый вращающихся) с упором в левый торец, передача крутящего момента через хомутик. Данная схема базирования обеспечивает двойную направляющую и опорную базу. Соблюдается принцип совмещения баз. Инструмент - притир. Предлагаю оставить данную операцию без изменения.
Операция 105 – Резьбонакатная.
На данной операции производится накатывание резьбы М30x1,5-6g-R на концах штока роликами в холодном состоянии. Операция выполняется на резьбонакатном полуавтомате модели 5Д07. Данный метод получения резьбы целесообразен т.к он создает меньшую концентрацию напряжений при знакопеременных нагрузках. Предлагаю оставить данную операцию без изменений.
Операция 115 - Вертикально-фрезерная.
На данной операции производится фрезерование паза 8x21 R4 глубиной 4мм по разметке. Операция выполняется на вертикально-фрезерном станке 6Р12 с установкой в призмах, что создает двойную направляющую базу. Данный метод базирования обеспечивает необходимую точность. Режущий инструмент: Фреза шпоночная 8 СТП 3300-2406-83, материал Р18. Режущий инструмент выбран правильно. Предлагаю оставить данную операцию со следующими изменениями: Применить вместо разметки фрезерование по кондуктору.
Операция 120 – Круглошлифовальная.
На данной операции производится шлифование 36h9 и 32h6. Операция выполняется на круглошлифовальном станке 3А164А с установкой в центрах и упором в торец (левый плавающий, правый жесткий), передача крутящего момента через хомутик. Данная схема базирования обеспечивает двойную направляющую и опорную базу. Соблюдается принцип совмещения баз. Данная схема базирования обеспечивает необходимую точность. Режущий инструмент: Круг 300x20x51 15А 50 СМ2 10К ГОСТ 2424-83. Инструмент выбран правильно. Мерительный инструмент: Скоба 36h9; 32h6 СТП 3300-2343-82. Предлагаю оставить данную операцию в техпроцессе со следующими изменениями: исключить шлифование 32h6 так как данный размер может быть получен за одну стадию шлифования.
Операция 125 – Полировальная.
На данной операции производится полирование поверхности 32h6 до шероховатости Ra=0,2. Операция выполняется на токарно-винторезном станке 16К20 с установкой в центрах (левый плавающий, правый вращающихся) с упором в левый торец, передача крутящего момента через хомутик. Данная схема базирования обеспечивает двойную направляющую и опорную базу. Соблюдается принцип совмещения баз. Инструмент - притир. Предлагаю оставить данную операцию без изменения.
6. Выбор способа получения заготовки
От правильности выбора способа получения заготовки целиком зависит себестоимость получаемой детали. Выбор способа зависит от многих факторов: типа производства, массы детали, сложности формы, требованиями чертежа. При этом необходимо учитывать новейшие тенденции в технологии машиностроения по сокращению расхода материала, уменьшению объема мех. обработки, ужесточению допусков, так как для обработки деталей все чаще применяются станки с ЧПУ, станки автоматы и автоматические линии. Окончательный выбор варианта проводится сравнением себестоимости детали после различных методов получения заготовки. Себестоимость детали определяется суммированием себестоимости заготовки и стоимости последующей мех. обработки.
На заводе данная деталь изготовлялась в условиях единичного производства. Метод получения заготовки - ковкой на молотах. Данный метод соответствует единичному производству.
6.1 Характеристика процесса ковки
Ковкой изготавливают поковки цилиндрические сплошные гладкие и с уступами (штоки, оси, валы, колонны, цапфы, и т.д.); прямоугольного сечения гладкие и с уступами (платы, пластины, штамповые кубки, вкладыши); со смешанными сечениями сплошные с усупами и с расположением отдельных частей в одной, двух, трех и более плоскостях (коленчатые валы и др.); цилиндрические полые гладкие и с малыми уступами (диски, фланцы, колеса, муфты и т.д.); цилиндрические полые гладкие и с большими уступами при большом отношении длины к размеру сечения (барабаны, полые валы, цилиндры); с кривой осью (крюки, бугели, скобы, днища). Процесс ковки состоит из чередования в определенной последовательности основных и вспомогательных операций. Каждая операция определяется характером деформирования и применяемым инструментом. К основным операциям ковки относятся: осадка, протяжка, прошивка, отрубка, гибка.
6.2 Основные операции при ковке
Осадка - операция уменьшения высоты заготовки при увеличении площади ее поперечного сечения. Осадкой не рекомендуется деформировать заготовки, у которых отношение высоты hзаг к диаметру dзаг больше 2,5, так как в этом случае может произойти продольное искривление заготовки. Осаживают заготовки между бойками или подкладными плитами. Разновидностью осадки является высадка, при которой металл осаживают лишь на части длинны заготовки.
Протяжка - операция удлинения заготовки или ее части за счет уменьшения площади поперечного сечения. Протяжку производят последовательными ударами или нажатиями на отдельные участки заготовки, примыкающие один другому, с подачей заготовки вдоль оси протяжки и поворотами ее на 90 вокруг этой оси. При каждом нажатии уменьшается высота сечения, увеличиваются ширина и длина заготовки. Общее увеличение длины равно сумме приращений длин за каждое нажатие, а уширение по всей длине одинаково. Если заготовку повернуть на 90 вокруг горизонтальной оси и повторить протяжку, то уширение, полученное в предыдущем проходе устраняется, а длина заготовки снова увеличивается. Чем меньше подача при каждом нажатии, тем интенсивнее удлинение. Однако при слишком малой подаче могут получиться зажимы. Протягивать можно плоскими и вырезанными бойками. При протяжке на плоских бойках в центре изделия могут возникать (особенно при протяжке круглого сечения) значительные растягивающие напряжения которые приводят к образованию осевых трещин. При протяжке с круга на круг в вырезанных бойках силы, направленные с четырех сторон к осевой линии заготовки, способствуют более равномерному течению металла и устранению возможности образования осевых трещин. Деформация при протяжке может быть выражена величиной уковки:
У=Fн/Fк, (6.1)
где Fн - начальная (большая) площадь поперечного сечения;
Fк - конечная (меньшая) площадь поперечного сечения после протяжки.
Очевидно, чем больше уковка, тем лучше прокован металл, тем выше его механические свойства. Поэтому протяжку применяют не только для получения поковок с удлиненной осью (валы, рычаги, тяги и т.д.), но и в чередовании с осадкой - для большей уковки металла заготовки. Протяжка имеет ряд разновидностей:
Разгонка - операция увеличения ширины части заготовки за счет уменьшения ее толщины.
Протяжка с оправкой - операция увеличения длины пустотелой заготовки за счет уменьшения толщины ее стенок. Протяжку выполняют в вырезных бойках на слегка конической оправке. Протягивают в одном направлении - к расширяющемуся концу оправки, что облегчает ее удаление из поковки.
Раскатка на оправке - операция одновременного увеличения наружного и внутреннего диаметров кольцевой заготовки за счет уменьшения толщины ее стенок. Заготовка опирается внутренней поверхностью на цилиндрическую оправку, устанавливаемую концами на подставках, и деформируется между оправкой и узким длинным бойком. После каждого нажатия заготовку поворачивают относительно оправки.
Прошивка - операция получения полостей в заготовке за счет вы теснения металла. Прошивкой можно получить сквозное отверстие или углубление (глухая прошивка). Инструментом для прошивки служат прошивни, сплошные и пустотелые; последними прошивают отверстия большого диаметра (400-900мм). При сквозной прошивке сравнительно тонких поковок применяют подкладные кольца. Более толстые поковки прошивают с двух сторон без подкладного кольца. Диаметр пошивня выбирают не более 1/2 - 1/3 наружного диаметра заготовки при большем диаметре прошивня заготовка значительно искажается. Прошивка сопровождается отходом (выдрой).
Отрубка - операция отделения части заготовки по незамкнутому контуру путем внедрения в заготовку деформирующего инструмента - топора. Отрубку применяют для получения из заготовок большой длинны нескольких коротких, для удаления излишков металла на концах поковок, а также прибыльной и донной частей слитка и т.п. Инструмент для отрубки - топоры различной формы.
Гибка - операция придания заготовке изогнутой формы по заданному контуру. Этой операцией получают угольники, скобы, крючки, кронштейны и т.п. Гибка сопровождается искажением первоначальной формы поперечного сечения заготовки и уменьшением его площади в зоне изгиба, называемым утяжкой. Для компенсации утяжки в зоне изгиба заготовке придают увеличенные поперечные размеры. При гибке возможно образование складок по внутреннему контуру и трещин по наружному. Во избежание этого явления по заданному углу изгиба подбирают соответствующий радиус скругления.
Штамповка в подкладных штампах - подкладной штамп может состоять из одной или двух частей, в которых имеется полость с конфигурацией поковки или ее отдельного участка. В подкладных штампах можно изготовлять головки гаечных ключей, головки болтов, диски со ступицей, втулки с буртом и другие поковки.
С учетом всех вышеизложенных факторов произвожу выбор заготовки из двух способов получения:
Штамповка на ГКМ
Прокат калиброванный
Штамповка на ГКМ
Расчет производится по ГОСТ 7505-89
1. Определяем класс точности поковок: Т4 [8] пр.1 таб. 19
2. Определяем группу стали: М2 - сталь с массовой долей углерода свыше 0,35 до 0,65% [8] таб.1
3. Степень сложности
C=Gп/Gф (6.2)
Gп=Mд*Kp (6.3)
Kp=1,5 - валы, оси, шатуны [8] пр.3 таб. 20
Gп=4,54*1,5=6,81 кг
Gф=Vф*0,00785 (6.4)
Vф= (*d2*L*1,05) /4 (6.5)
Vф=3,1415*482*636*1,05/4=1208422 мм3
C=6,81/9,49=0,717 > 0,63 –
Группа сложности: С1 [8] стр.30
4. Определяем исходный индекс в зависимости от массы поковки, класса точности, группы стали и степени сложности - 13 [8] таб.2
5. Определяем основные и дополнительные припуски и допуски, размеры заготовки.
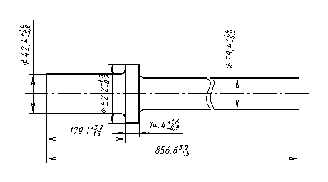
Таблица 6.1. Значения в миллиметрах
|
Тип |
Размер детали |
Основной припуск |
Дополнительный припуск |
Допуск |
Размер заготовки |
|
850 |
3,0 |
0,3 |
+3,0 1,5 |
856,6+3,0 1,5 |
|
|
Линейные |
10 |
1,9 |
0,3 |
+1,6 0,9 |
14,4+1,6 0,9 |
|
178 |
3,0 |
0,3 |
+3,0 1,5 |
179,1+3,0 1,5 |
|
|
48 |
1,8 |
0,3 |
+1,6 0,9 |
52,2+1,6 0,9 |
|
|
Диаметры |
36 |
1,9 |
0,3+1,0=1,3 |
+1,4 0,8 |
42,4+1,4 0,8 |
|
32 |
1,9 |
0,3+1,0=1,3 |
+1,4 0,8 |
38,4+1,4 0,8 |

Рисунок 6.1 - Эскиз поковки на ГКМ
6. Штамповочные уклоны 50
7. Радиусы скруглений R4мм
8. Допускаемая величина смещения по плоскости
разъема матрицы 0,8мм
9. Допускаемая величина остаточного облоя 1,0мм
10. Допускаемая величина заусенца по плоскости
разъема матрицы 2,0мм
11. Допускаемые отклонения по изогнутости 2,0мм
12. Уточняем массу поковки:
Vп=* (d>1>2*L>1>+ d>2>2*L>2> +d>3>2*L>3>) /4 (6.6)
Vп=3,1415* (42,42*179,1+52,22*14,4+38,42*663,1) /4=1051645,9 мм3
Mп=Vп*0,00785=1051645,9*0,00785=8255г =8,26 кг
6.3 Прокат
Из стандартного ряда диаметров по ГОСТ 2590-71 выбираем сталь горячекатанная круглая 52, точность обычная, способ отрезки пресс-ножницы.

Рисунок 6.2 - Эскиз заготовки из проката
Находим массу заготовки из проката:
Mз=Vз*0,00785 (6.7)
Vз=*522*852/4=1809406 мм3
Mз=1809406*0,00785=14203г= 14,2 кг
6.4 Сравнение способов получения заготовки
Таблица 6.2
|
Показатели |
Штамповка на ГКМ |
Прокат 52x852 |
|
Класс точности |
Т4 ГОСТ 7505-89 |
H22 |
|
Группа сложности |
2 |
- |
|
Масса заготовки Q, кг |
8,26 |
14,2 |
|
Стоимость 1т заготовок, крб |
373 |
295 |
|
Стоимость 1т стружки Sотх, крб |
25 |
25 |
Стоимость заготовки, получаемой на ГКМ:
Sзаг= (Ci*Q*k>Т>*k>С>*k>B>*k>M>*k>П>/1000) - (Q-q) *Sотх/1000 (6.8)
Sзаг= (373*8,26*1*1,7*0,81*0,9*1/1000) - (8,26-4,54-1,95) *25/1000=3,774крб
Стоимость заготовки из проката
Sзаг=Q*S/1000- (Q-q) *Sотх/1000 (6.9)
Sзаг=14,2*295/1000- (14,2-4,54-3,57) *25/1000=4,037крб
Sзаг>1> < Sзаг>2>
Mзаг>1> < Mзаг>2>
Исходя и проведенных технико-экономических расчетов себестоимости получения двух вариантов заготовок и требований по экономии материалов считаю целесообразным применить для получения заготовки метод ковки на ГКМ.
7. Разработка варианта технологического маршрута механической обработки детали
Разработка технологического маршрута обработки детали Шток проводится на основании типового технологического процесса обработки шлицевого вала с учетом мелкосерийного типа производства.
7.1 Выбор обоснование способов обработки поверхностей заготовки
На основании типового технологического процесса определяем последовательность методов обработки для каждой поверхности детали (МОП).
Таблица 7.1 - Маршрут обработки поверхностей
|
N п. |
Точность |
Шерох. |
Маршрут обработки поверхности |
|
1 |
14 |
3,2 |
Точение черновое или Фрезерование черновое |
|
2 |
14 |
6,3 |
Фрезерование черновое |
|
3 |
14 |
3,2 |
Точение черновое, Точение фаски |
|
4 |
6 |
1,6 |
Точение черновое, Точение получистовое, Накатывание резьбы |
|
5 |
14 |
3,2 |
Точение черновое, Точение канавки |
|
6 |
14 |
3,2 |
Точение черновое, точение получистовое |
|
7 |
9 |
1,6 |
Точение черновое, точение получистовое, Шлифование предварительное |
|
8 |
14 |
3,2 |
Точение черновое, точение получистовое |
|
9 |
14 |
3,2 |
Точение черновое, точение получистовое |
|
10 |
14 |
3,2 |
Точение черновое, точение получистовое |
|
11 |
9 |
1,6 |
Точение черновое, точение получистовое, Шлифование предварительное |
|
12 |
14 |
3,2 |
Точение черновое, Точение канавки |
|
13 |
14 |
0,4 |
Точение черновое, Точение получистовое, Шлифование предварительное, полирование |
|
14 |
14 |
3,2 |
Точение черновое, Точение фаски |
|
15 |
14 |
3,2 |
Точение черновое |
|
16 |
14 |
3,2 |
Точение черновое, Точение фаски |
|
17 |
14 |
3,2 |
Точение черновое, Точение получистовое |
|
18 |
14 |
3,2 |
Точение черновое, Точение канавки |
|
19 |
6 |
0,2 |
Точение черновое, Точение получистовое, Шлифование предварительное, Азотация, Шлифование чистовое, Полирование |
|
20 |
14 |
0,8 |
Точение черновое, Точение получистовое, Полирование |
|
21 |
14 |
3,2 |
Точение черновое, Точение получистовое, Фрезерование получистовое |
|
22 |
14 |
3,2 |
Точение черновое, Точение получистовое |
|
23 |
14 |
3,2 |
Точение черновое, Точение получистовое |
|
24 |
14 |
3,2 |
Точение черновое, Точение получистовое |
|
25 |
6 |
1,6 |
Точение черновое, Точение получистовое, Накатывание резьбы |
|
26 |
14 |
3,2 |
Точение черновое, Точение фаски |
|
27 |
14 |
3,2 |
Точение черновое или фрезерование черновое |
7.2 Выбор и обоснование схем базирования и закрепления
В качестве черновых баз выбираем наружные цилиндрические поверхности. Данные поверхности имеют достаточную протяженность для надежного закрепления, обеспечивают доступ к чистовым базам.

Рисунок 7.1 - Базирование на фрезерно-центровальной операции
На чистовых операциях обработки наружных цилиндрических поверхностей и на операции фрезерования шестигранника для базирования используются центровые отверстия и торец. Данная схема базирования соответствует принципу совмещения баз, позволяет обеспечить соосность поверхностей штока после разных стадий обработки.

Рисунок 7.2 - Базирование в центрах
На операции фрезерования паза для базирования используются наружные цилиндрические поверхности и торец. Погрешность базирования связанная с установкой в призмах допускается точностью получаемого паза.

7.3 Составление маршрутного технологического процесса и выбор оптимального
На основе разработанных маршрутов обработки поверхностей, соблюдая принцип поэтапности составляем матрицу технологического процесса, которая представлена в Таблице 7.2. При этом была поставлена цель минимизировать себестоимость обработки и максимизировать производительность в условиях мелкосерийного производства.
Используя матрицу технологического процесса и руководствуясь принципом концентрации производим разбиение технологического процесса на операции:
005 Заготовительная
010 Термическая обработка
015 Токарно-винторезная
020 Фрезерно-центровальная
025 Токарно-винторезная
030 Технический контроль
035 Термическая обработка
040 Токарная с ЧПУ
045 Токарная с ЧПУ
050 Вертикально-фрезерная
055 Круглошлифовальная
060 Технический контроль
065 Химико-термическая обработка
070 Резьбонарезная
075 Вертикально-фрезерная
080 Круглошлифовальная
085 Полировальная
090 Слесарная
095 Маркирование
100 Технический контроль
7.4 Обоснование выбора металлорежущих станков
Для отрезки заготовок нецелесообразно применять станки с ЧПУ, однако необходим станок с достаточной мощностью привода главного движения, поэтому выбираем: Универсальный токарно-винторезный станок модели 1К62 с мощностью привода главного движения 10кВт.
Для фрезерно-центровальной операции выбираем фрезерно-центровальный станок модели 2Г942.
Для черновой токарной обработки целесообразно выбрать универсальный токарно-винторезный станок модель 16К20 с мощностью привода главного движения 11кВт.
Для фрезерной обработки шестигранника и паза целесообразно выбрать универсальный вертикально-фрезерный консольный станов модели 6Р12 с мощностью двигателя 7,5кВт.
Для шлифования выбираем круглошлифовальный станок с максимальным шлифования 60мм, максимальной длинной шлифования 700мм, мощностью двигателя 10кВт модели 3М151.
Для получистового точения целесообразно применить токарно-винторезный станок с ЧПУ модели 16К20Ф3 с УЧПУ 2Р22 т.к деталь имеет достаточно сложный контур и для обработки применяется большое количество инструментов.
Полирование производят на токарно-винторезном станке 16К20 с применением приспособления для полирования.
7.5 Обоснование выбора другого технологического оборудования
Станочные приспособления применяют для установки заготовок на металлорежущие станки. Различают три вида приспособлений - специальные, специализированные и универсальные. Выбор конкретного вида выполняется в зависимости от типа производства, стадии обработки, сложности заготовки.
Для операции отрезания образцов целесообразно применить трехкулачковый самоцентрирующийся патрон нормальной точности ГОСТ 2675-80.
Для чернового и получистового точения целесообразно применить передний плавающий центр по ГОСТ 2575-79 и задний вращающийся центр по ГОСТ 8742-75.
Для шлифовальной операции с целью повышения точности установки целесообразно применить жесткие центры по ГОСТ 18259-72.
Для фрезерования шестигранника применяют универсальную делительную головку ГОСТ 8615-89.
Для фрезерования паза производят установку в призмах опорных по ГОСТ 12195-66. Также применяется кондуктор для фрезерования паза.
8. Разработка операционной технологии
В данном разделе производится разработка операционного технологического процесса на следующие операции:
040 Токарная с ЧПУ
050 Вертикально-фрезерная.
8.1 Разработка структуры операций
Структура операций составляется на основе разработанного маршрутного технологического процесса и матрицы технологического процесса.
Операция 040 Токарная с ЧПУ
Операция состоит из одного установа, одной позиции, и двух технологических переходов. На первом переходе производится обтачивание с припуском под второй переход цилиндрических участков и торца, инструмент - Резец проходной Т15К6 2103-0713 ГОСТ 20872-80.
На втором переходе производится обработка по контуру с точением фасок, цилиндрических участков, канавок и торца; инструмент - Резец для контурного точения Т30К4 2101-0607 ГОСТ 20872-80.
Операция 050 Вертикально-фрезерная
Операция состоит из одного установа, шести позиций. Каждая позиция состоит из одного технологического перехода, который состоит из одного рабочего хода.
На каждой позиции происходит однократное фрезерование одной стороны шестигранника за которым идет вспомогательный переход - поворот детали с помощью делительной головки. Режущий инструмент - Фреза торцовая 100 Т14К8 2200-0157 ГОСТ 22075-76.
8.2 Расчет припусков на механичекую обработку поверхностей
В данном разделе расчет припусков производится расчетно-аналитическим методом с использованием ЭВМ для размера 32h6. Результаты расчета приводятся в двух таблицах. Технологический маршрут обработки данной поверхности состоит следующих операций:
Точение черновое
Точение получистовое
Шлифование предварительное
Шлифование чистовое
Полирование
На всех стадиях обработки заготовка устанавливается в центрах, поэтому погрешность базирования равна нулю.
8.3 Расчет режимов резания
Расчет режимов резания для получистового точения 32h6 производим расчетно-аналитическим методом с применением ЭВМ.
Исходные данные
Материал режущей частиТ15К6
Главный угол в плане 450
Вспомогательный угол в плане 450
Передний угол 50
Задний угол 60
Сечение державки 25x25мм
Диаметр после черновой стадии 35,6мм
Глубина резания 1,3мм
Исходные данные м результаты работы программы приведены в таблицах.
Расчет режимов резания для фрезерования шестигранника производим по таблицам.
1. Инструмент
Фреза торцовая 100 Т14К8 2200-0157 ГОСТ 22075-76.
Количество зубьев z=6
Глубина резания t=1,5мм
Стойкость Т=180мин
Врезание и перебег 38мм
2. Находим табличную подачу Sz=0,18-0,22мм/зуб
Принимаем Sz=0,18мм/зуб
Поправочный коэффициент KSz=1,0
3. Находим табличные значения:
V=220м/мин
n=465об/мин
Sм=435мм/мин
4. Определяем поправочные коэффициенты
Kмv=Кмn=Кмs=0,89 - в зависимости от марки материала
Кnv=Knn=Kns=1,0 - без корки
Kbv=Kbn=Kbs=1,13 - в зависимости от ширины фрезерования
Kфs=1,0
Киv=0,94 - в зависимости от марки инструментального материала
5. С учетом коэффициентов
V=220*0,89*1*1,13*0,94=207м/мин
n=465*0,89*1*1,13=467об/мин
Sм=435*0,89*1*1,13=437об/мин
6. Корректируем по паспорту станка
n=400об/мин
Sм=400мм/мин
V=3,14*100*400/1000=125м/мин
7. Мощность необходимая для резания
N=1,65кВт
Мощность станка с учетом КПД Nэ=6,7кВт
Мощность станка достаточна.
8.4 Техническое нормирование операций
Операция 040 - Токарная с ЧПУ
То=14,89мин
Тшт=То+Тв+Тоб+Тот
Тв=0,12+0,11+1,3=1,53мин
Тоб=2%*Топ=2%*16,42=0,33мин
Тот=5%*Топ=5%*16,42=0,82мин
Тшт=14,89+1,53+0,33+0,82=17,57мин
Тпз=6+1=7мин
Тшт-к=Тшт+Тшт-к/N=17,57+7/16=18мин
Операция 050 - Вертикально-фрезерная
То=Lрез/Sм*6= (38+30+38) /400*6=1,59мин
Тшт=То+Тв+Тоб+Тот
Тв=0,063+0,15+1,9=2,11мин
Тоб=3%*Топ=3%*3,7=0,111мин
Тот=6%*Топ=6%*3,7=0,22мин
Тшт=1,59+2,11+0,111+0,22=4,03мин
Тпз=12+2=14мин
Тшт-к=Тшт+Тшт-к/N=4,03+14/16=4,9мин
Литература
1. Справочник технолога-машиностроителя. В 2 томах, том 1 (Под ред.А.Г. Косиловой и Р.К. Мещерякова. - 4-е изд., перераб. и доп. - М.: Машиностроение, 1986. - 656 с.
2. Справочник технолога-машиностроителя. В 2 томах, том 2 (Под ред.А.Г. Косиловой и Р.К. Мещерякова. - 4-е изд., перераб. и доп. - М.: Машиностроение, 1986. - 656 с.
3. Маталин А.А. Технология машиностроения. - Л.: Машиностроение, 1985. - 496с.
4. Металлорежущие станки. Каталоги-справочники. - М.: НИИМАШ, 1965-1972. - 461с.
5. Методические указания к курсовому проекту по "Технологии машиностроения" для студентов специальности 7.090202 всех форм обучения. Сост. Евтухов В.Г. - Сумы СумГУ, 1996. - 31с.
6. Методические указания по оформлению документации в курсовых и дипломных проектах по курсу "Технология машиностроения" для студентов специальности 7.090202 всех форм обучения. Сост. Ягуткин А.А., РУДЕНКО А.Б. - Сумы СумГУ, 1996. - 39с.
7. Гжиров Р.И. Краткий справочник конструктора. - Л.: Машиностроение, 1984. - 464с.
8. ГОСТ 7505-89. Поковки стальные штампованные.
9. Горбацевич А.Ф., Шкред В.А. Курсовое проектирование по технологии машиностроения. - 4-е изд., перераб. и доп. -Минск: Вышейш. школа, 1983г.
10. Худобин Л.В. и др. Курсовое проектирование по технологии машиностроения. -М.: Машиностроение, 1989г - 288с.
11. Гусев А.А., Ковальчук Е.Р., Колесов И.М. и др. Технология машиностроения (специальная часть). - М.: Машиностроение, 1986. -480с.